Fatigue Failure Prediction of U-Notched ZK60 Magnesium Samples Using the Strain Energy Density Approach
Abstract
1. Introduction
2. Materials and Experiments
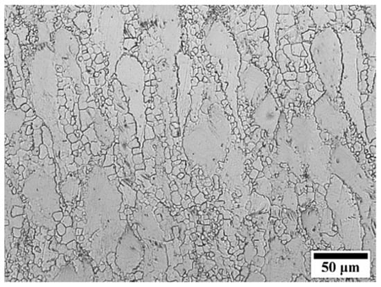
2.1. Material
2.2. Monotonic and Cyclic Behaviors
2.3. Fatigue Experiments
3. Strain Energy Density Approach (SED)
4. Finite Element Analysis
5. Results and Discussion
6. Conclusions
Funding
Institutional Review Board Statement
Informed Consent Statement
Data Availability Statement
Acknowledgments
Conflicts of Interest
References
- Albinmousa, J.; Pascu, A.; Jahed, H.; Horstemeyer, M.F.; Luo, A.; Chen, D.; Lambert, S.; Jordon, J.; Begum, S.; Su, X.; et al. Monotonic and Fatigue Behavior of Magnesium Extrusion Alloy AM30: An International Benchmark Test in the “Magnesium Front End Research and Development Project”; SAE International: Warrendale, PA, USA, 2010. [Google Scholar]
- Luo, A.A.; Nyberg, E.A.; Sadayappan, K.; Shi, W. Magnesium Front End Research and Development: A Canada-China-USA Collaboration. In Essential Readings in Magnesium Technology; Mathaudhu, S.N., Luo, A.A., Neelameggham, N.R., Nyberg, E.A., Sillekens, W.H., Eds.; Springer International Publishing: Cham, Switzerland, 2016; pp. 41–48. ISBN 978-3-319-48099-2. [Google Scholar]
- Forsmark, J.H.; Li, M.; Su, X.; Wagner, D.A.; Zindel, J.; Luo, A.A.; Quinn, J.F.; Verma, R.; Wang, Y.-M.; Logan, S.D.; et al. The USAMP Magnesium Front End Research and Development Project—Results of the Magnesium “Demonstration” Structure. In Magnesium Technology 2014; Alderman, M., Manuel, M.V., Hort, N., Neelameggham, N.R., Eds.; Springer International Publishing: Cham, Switzerland, 2016; pp. 517–524. ISBN 978-3-319-48231-6. [Google Scholar]
- Aghion, E.; Bronfin, B.; Eliezer, D. The role of the magnesium industry in protecting the environment. J. Mater. Process. Technol. 2001, 117, 381–385. [Google Scholar] [CrossRef]
- The Metallurgy of Light Alloys: This Vol. Contains the Keynote Papers, Supporting Papers Presented at the Spring Residential Conference held at the University of Technology Loughborough from 24–26 March 1983; Institution of Metallurgists, Ed.; Spring Residential Conference/Institution of Metallurgists; Institution of Metallurgists: London, UK, 1983; ISBN 978-0-901462-21-3. [Google Scholar]
- Mathaudhu, S.N.; Nyberg, E.A. Magnesium alloys in US Military applications: Past, current and future solutions. In Essential Readings in Magnesium Technology; Springer: Berlin/Heidelberg, Germany, 2016; pp. 71–76. [Google Scholar]
- Aghion, E.; Bronfin, B. Magnesium Alloys Development towards the 21st Century. MSF 2000, 350–351, 19–30. [Google Scholar] [CrossRef]
- Peron, M.; Torgersen, J.; Berto, F. Mg and Its Alloys for Biomedical Applications: Exploring Corrosion and Its Interplay with Mechanical Failure. Metals 2017, 7, 252. [Google Scholar] [CrossRef]
- Albinmousa, J. Fatigue of Magnesium-Based Materials. In Magnesium-The Wonder Element for Engineering/Biomedical Applications; IntechOpen: London, UK, 2020. [Google Scholar]
- Cheng, Y.L.; Qin, T.W.; Wang, H.M.; Zhang, Z. Comparison of corrosion behaviors of AZ31, AZ91, AM60 and ZK60 magnesium alloys. Trans. Nonferrous Metals Soc. China 2009, 19, 517–524. [Google Scholar] [CrossRef]
- Liu, W.; Dong, J.; Zhang, P.; Zhai, C.; Ding, W. Effect of Shot Peening on Surface Characteristics and Fatigue Properties of T5-Treated ZK60 Alloy. Mater. Trans. 2009, 50, 791–798. [Google Scholar] [CrossRef]
- Fouad, Y.; El Batanouny, M. Effect of surface treatment on wear behavior of magnesium alloy AZ31. Alex. Eng. J. 2011, 50, 19–22. [Google Scholar] [CrossRef]
- Silva, E.P.; Leiva, D.R.; Pinto, H.C.; Floriano, R.; Neves, A.M.; Botta, W.J. Effects of friction stir processing on hydrogen storage of ZK60 alloy. Int. J. Hydrog. Energy 2018, 43, 11085–11091. [Google Scholar] [CrossRef]
- Behravesh, S.B.; Jahed, H.; Lambert, S. Characterization of magnesium spot welds under tensile and cyclic loadings. Mater. Des. 2011, 32, 4890–4900. [Google Scholar] [CrossRef]
- Albinmousa, J.; Jahed, H.; Lambert, S. Cyclic axial and cyclic torsional behaviour of extruded AZ31B magnesium alloy. Int. J. Fatigue 2011, 33, 1403–1416. [Google Scholar] [CrossRef]
- Toscano, D.; Behravesh, S.B.; Shaha, S.K.; Jahed, H.; Williams, B. Characterization of closed-die forged AZ31B under pure axial and pure shear loading. Int. J. Fatigue 2020, 139, 105754. [Google Scholar] [CrossRef]
- Peron, M.; Bertolini, R.; Ghiotti, A.; Torgersen, J.; Bruschi, S.; Berto, F. Enhancement of stress corrosion cracking of AZ31 magnesium alloy in simulated body fluid thanks to cryogenic machining. J. Mech. Behav. Biomed. Mater. 2020, 101, 103429. [Google Scholar] [CrossRef] [PubMed]
- Wu, W.; Stoica, A.; Yu, D.; Frost, M.; Skorpenske, H.; An, K. Bending Behavior of a Wrought Magnesium Alloy Investigated by the In Situ Pinhole Neutron Diffraction Method. Crystals 2018, 8, 348. [Google Scholar] [CrossRef]
- Xiong, Y.; Jiang, Y. Compressive deformation of rolled AZ80 magnesium alloy along different material orientations. J. Mater. Sci. 2020, 55, 4043–4053. [Google Scholar] [CrossRef]
- Wu, L.; Agnew, S.R.; Ren, Y.; Brown, D.W.; Clausen, B.; Stoica, G.M.; Wenk, H.R.; Liaw, P.K. The effects of texture and extension twinning on the low-cycle fatigue behavior of a rolled magnesium alloy, AZ31B. Mater. Sci. Eng. A 2010, 527, 7057–7067. [Google Scholar] [CrossRef]
- Barnett, M. Twinning and the ductility of magnesium alloys Part I: “Tension” twins. Mater. Sci. Eng. A 2007, 464, 1–7. [Google Scholar] [CrossRef]
- Barnett, M.R. Twinning and the ductility of magnesium alloys: Part II.“Contraction” twins. Mater. Sci. Eng. A 2007, 464, 8–16. [Google Scholar] [CrossRef]
- Staroselsky, A.; Anand, L. A constitutive model for hcp materials deforming by slip and twinning: Application to magnesium alloy AZ31B. Int. J. Plast. 2003, 19, 1843–1864. [Google Scholar] [CrossRef]
- Lou, X.Y.; Li, M.; Boger, R.K.; Agnew, S.R.; Wagoner, R.H. Hardening evolution of AZ31B Mg sheet. Int. J. Plast. 2007, 23, 44–86. [Google Scholar] [CrossRef]
- Tomé, C.N.; Kaschner, G.C. Modeling texture, twinning and hardening evolution during deformation of hexagonal materials. In Materials Science Forum; Elsevier: Amsterdam, The Netherlands, 2005; Volume 495–497, pp. 1001–1006. [Google Scholar]
- Roostaei, A.A.; Jahed, H. Role of loading direction on cyclic behaviour characteristics of AM30 extrusion and its fatigue damage modelling. Mater. Sci. Eng. A 2016, 670, 26–40. [Google Scholar] [CrossRef]
- Xiong, Y.; Yu, Q.; Jiang, Y. An experimental study of cyclic plastic deformation of extruded ZK60 magnesium alloy under uniaxial loading at room temperature. Int. J. Plast. 2014, 53, 107–124. [Google Scholar] [CrossRef]
- Behravesh, S.B. Fatigue Characterization and Cyclic Plasticity Modeling of Magnesium Spot-Welds; University of Waterloo: Waterloo, ON, Canada, 2013. [Google Scholar]
- Noban, M.; Albinmousa, J.; Jahed, H.; Lambert, S. A continuum-based cyclic plasticity model for AZ31B magnesium alloy under proportional loading. In Procedia Engineering; Elsevier: Amsterdam, The Netherlands, 2011; Volume 10, pp. 1366–1371. [Google Scholar]
- Behravesh, S.B.; Jahed, H.; Lambert, S.B.; Chengji, M. Constitutive Modeling for Cyclic Behavior of AZ31B Magnesium Alloy and its Application. Adv. Mater. Res. 2014, 891, 809–814. [Google Scholar] [CrossRef]
- Roostaei, A.A.; Jahed, H. A cyclic small-strain plasticity model for wrought Mg alloys under multiaxial loading: Numerical implementation and validation. Int. J. Mech. Sci. 2018, 145, 318–329. [Google Scholar] [CrossRef]
- Liu, W.C.; Dong, J.; Zhang, P.; Yao, Z.Y.; Zhai, C.Q.; Ding, W.J. High cycle fatigue behavior of as-extruded ZK60 magnesium alloy. J. Mater. Sci. 2009, 44, 2916–2924. [Google Scholar] [CrossRef]
- He, C.; Liu, Y.; Li, J.; Yang, K.; Wang, Q.; Chen, Q. Very-high-cycle fatigue crack initiation and propagation behaviours of magnesium alloy ZK60. Mater. Sci. Technol. 2018, 34, 639–647. [Google Scholar] [CrossRef]
- Pahlevanpour, A.H.; Behravesh, S.B.; Adibnazari, S.; Jahed, H. Characterization of Anisotropic Behaviour of ZK60 Extrusion under Stress-control Condition and Notes on Fatigue Modeling. Int. J. Fatigue 2019, 127, 101–109. [Google Scholar] [CrossRef]
- Jahed, H.; Varvani-Farahani, A. Upper and lower fatigue life limits model using energy-based fatigue properties. Int. J. Fatigue 2006, 28, 467–473. [Google Scholar] [CrossRef]
- Pahlevanpour, A.H.; Karparvarfard, S.M.H.; Shaha, S.K.; Behravesh, S.B.; Adibnazari, S.; Jahed, H. Anisotropy in the quasi-static and cyclic behavior of ZK60 extrusion: Characterization and fatigue modeling. Mater. Des. 2018, 160, 936–948. [Google Scholar] [CrossRef]
- Albinmousa, J.; Peron, M.; Jose, J.; Abdelaal, A.F.; Berto, F. Fatigue of V-notched ZK60 magnesium samples: X-ray damage evolution characterization and failure prediction. Int. J. Fatigue 2020, 139, 105734. [Google Scholar] [CrossRef]
- Lazzarin, P.; Zambardi, R. A finite-volume-energy based approach to predict the static and fatigue behavior of components with sharp V-shaped notches. Int. J. Fract. 2001, 112, 275–298. [Google Scholar] [CrossRef]
- Campagnolo, A.; Razavi, S.M.J.; Peron, M.; Torgersen, J.; Berto, F. Mode II brittle fracture: Recent developments. Frat. Integr. Strutt. 2017, 11, 181–188. [Google Scholar] [CrossRef]
- Razavi, S.M.J.; Peron, M.; Torgersen, J.; Berto, F. Notched graphite under multiaxial loading. Frat. Integr. Strutt. 2017, 11, 424–431. [Google Scholar] [CrossRef]
- Peron, M.; Razavi, S.M.J.; Berto, F.; Torgersen, J. Notch stress intensity factors under mixed mode loadings: An overview of recent advanced methods for rapid calculation. Frat. Integr. Strutt. 2017, 11, 196–204. [Google Scholar] [CrossRef]
- Peron, M.; Razavi, S.; Torgersen, J.; Berto, F. Fracture Assessment of PEEK under Static Loading by Means of the Local Strain Energy Density. Materials 2017, 10, 1423. [Google Scholar] [CrossRef] [PubMed]
- Peron, M.; Razavi, S.M.J.; Berto, F.; Torgersen, J.; Mutignani, F. Local strain energy density for the fatigue assessment of hot dip galvanized welded joints: Some recent outcomes. Frat. Integr. Strutt. 2017, 11, 205–213. [Google Scholar] [CrossRef]
- Carpinteri, A.; Berto, F.; Campagnolo, A.; Fortese, G.; Ronchei, C.; Scorza, D.; Vantadori, S. Fatigue assessment of notched specimens by means of a critical plane-based criterion and energy concepts. Theor. Appl. Fract. Mech. 2016, 84, 57–63. [Google Scholar] [CrossRef]
- Vantadori, S.; Carpinteri, A.; Fortese, G.; Ronchei, C.; Scorza, D.; Zanichelli, A. Fatigue lifetime evaluation of notched components: Implementation of the control volume concept in a strain-based LCF criterion. Theor. Appl. Fract. Mech. 2018, 97, 400–408. [Google Scholar] [CrossRef]
- Xiong, Y.; Yu, Q.; Jiang, Y. Deformation of extruded ZK60 magnesium alloy under uniaxial loading in different material orientations. Mater. Sci. Eng. A 2018, 710, 206–213. [Google Scholar] [CrossRef]
- Al Bin Mousa, J. Multiaxial Fatigue Characterization and Modeling of AZ31B Magnesium Extrusion; University of Waterloo: Waterloo, ON, Canada, 2011. [Google Scholar]
- Albinmousa, J.; Jahed, H.; Lambert, S. Cyclic behaviour of wrought magnesium alloy under multiaxial load. Int. J. Fatigue 2011, 33, 1127–1139. [Google Scholar] [CrossRef]
- Zhang, J.; Yu, Q.; Jiang, Y.; Li, Q. An Experimental Study of Cyclic Deformation of Extruded AZ61A Magnesium Alloy. Int. J. Plast. 2011, 27, 768–787. [Google Scholar] [CrossRef]
- Gryguć, A.; Behravesh, S.B.; Shaha, S.K.; Jahed, H.; Wells, M.; Williams, B.; Su, X. Multiaxial cyclic behaviour of extruded and forged AZ80 Mg alloy. Int. J. Fatigue 2019, 127, 324–337. [Google Scholar] [CrossRef]
- Koike, J.; Ohyama, R. Geometrical criterion for the activation of prismatic slip in AZ61 Mg alloy sheets deformed at room temperature. Acta Mater. 2005, 53, 1963–1972. [Google Scholar] [CrossRef]
- Koike, J.; Kobayashi, T.; Mukai, T.; Watanabe, H.; Suzuki, M.; Maruyama, K.; Higashi, K. The activity of non-basal slip systems and dynamic recovery at room temperature in fine-grained AZ31B magnesium alloys. Acta Mater. 2003, 51, 2055–2065. [Google Scholar] [CrossRef]
- Agnew, S.R.; Duygulu, Ö. Plastic anisotropy and the role of non-basal slip in magnesium alloy AZ31B. Int. J. Plast. 2005, 21, 1161–1193. [Google Scholar] [CrossRef]
- Albinmousa, J.; Adinoyi, M.J.; Merah, N. Multiaxial fatigue of extruded ZK60 magnesium alloy. Fatigue Fract. Eng. Mater. Struct. 2019. [Google Scholar] [CrossRef]
- Pahlevanpour, A. Role of Loading Direction on Fatigue Behavior of Smooth and Notched ZK60 Extrusion; UWSpace: Madison, WI, USA, 2018. [Google Scholar]
- Roostaei, A.A.; Ling, Y.; Jahed, H.; Glinka, G. Applications of Neuber’s and Glinka’s notch plasticity correction rules to asymmetric magnesium alloys under cyclic load. Theor. Appl. Fract. Mech. 2020, 105, 102431. [Google Scholar] [CrossRef]
- Lazzarin, P.; Sonsino, C.M.; Zambardi, R. A notch stress intensity approach to assess the multiaxial fatigue strength of welded tube-to-flange joints subjected to combined loadings. Fatigue Fract. Eng. Mater. Struct. 2004, 27, 127–140. [Google Scholar] [CrossRef]
- Atzori, B.; Berto, F.; Lazzarin, P.; Quaresimin, M. Multi-axial fatigue behaviour of a severely notched carbon steel. Int. J. Fatigue 2006, 28, 485–493. [Google Scholar] [CrossRef]
- Williams, M. Stress singularities resulting from various boundary conditions in angular corners of plates in extension. J. Appl. Mech. 1952, 19, 526–528. [Google Scholar]
- Lazzarin, P.; Berto, F. Some expressions for the strain energy in a finite volume surrounding the root of blunt V-notches. Int. J. Fract. 2005, 135, 161–185. [Google Scholar] [CrossRef]
- Berto, F.; Lazzarin, P. Recent developments in brittle and quasi-brittle failure assessment of engineering materials by means of local approaches. Mater. Sci. Eng. R Rep. 2014, 75, 1–48. [Google Scholar] [CrossRef]
- Carpinteri, A.; Spagnoli, A. Multiaxial high-cycle fatigue criterion for hard metals. Int. J. Fatigue 2001, 23, 135–145. [Google Scholar] [CrossRef]
- Fatemi, A.; Socie, D.F. A Critical Plane Approach To Multiaxial Fatigue Damage Including Out-of-Phase Loading. Fatigue Fract. Eng. Mater. Struct. 1988, 11, 149–165. [Google Scholar] [CrossRef]
- Smith, R.A.; Watson, P.; Topper, T.H. A stress-strain parameter for the fatigue of metals. J. Mater. 1970, 5, 767–778. [Google Scholar]
- Neuber, H. Theory of Stress Concentration for Shear-Strained Prismatical Bodies with Arbitrary Nonlinear Stress-Strain Law. J. Appl. Mech. 1961, 28, 544–550. [Google Scholar] [CrossRef]
- Glinka, G. Calculation of inelastic notch-tip strain-stress histories under cyclic loading. Eng. Fract. Mech. 1985, 22, 839–854. [Google Scholar] [CrossRef]
- Glinka, G. Energy density approach to calculation of inelastic strain-stress near notches and cracks. Eng. Fract. Mech. 1985, 22, 485–508. [Google Scholar] [CrossRef]













| Mg | Zn | Zr | Others |
|---|---|---|---|
| 93.7 | 5.45 | 0.58 | 0.27 |
| No. | Type | Specimen ID | Frequency (Hz) | (kN) | (MPa) | (MPa) | (Cycles) |
|---|---|---|---|---|---|---|---|
| 1 | U-notched | U-03 | 1.0 | 16.0 | 79.6 | 120.5 | 11,722 |
| 2 | U-01 | 1.5 | 14.0 | 69.6 | 105.5 | 74,749 | |
| 3 | U-06 | 3.0 | 13.0 | 64.7 | 97.9 | 112,443 | |
| 4 | U-07 | 20.0 | 12.5 | 62.2 | 94.2 | 362,313 | |
| 5 | U-04 | 3.0 | 12.0 | 59.7 | 90.4 | 626,310 | |
| 6 | U-05 | 30.0 | 11.5 | 57.2 | 86.6 | 1,025,305 | |
| 7 | V-notched | V-02 | 1.0 | 14.0 | 69.6 | 105.5 | 17,203 |
| 8 | V-18 | 1.0 | 14.0 | 69.6 | 105.5 | 18,243 | |
| 9 | V-17 | 1.0 | 14.0 | 69.6 | 105.5 | 19,703 | |
| 10 | V-12 | 1.5 | 14.0 | 69.6 | 105.5 | 20,509 | |
| 11 | V-16 | 1.0 | 14.0 | 69.6 | 105.5 | 28,879 | |
| 12 | V-01 | 1.0 | 12.0 | 59.7 | 90.4 | 52,479 | |
| 13 | V-19 | 4.0 | 12.0 | 59.7 | 90.4 | 136,330 | |
| 14 | V-20 | 4.0 | 12.0 | 59.7 | 90.4 | 184,005 | |
| 15 | V-05 | 8.0 | 11.0 | 54.7 | 82.9 | 239,733 | |
| 16 | V-11 | 4.0 | 12.0 | 59.7 | 90.4 | 324,649 | |
| 17 | V-10 | 20.0 | 11.0 | 54.7 | 82.9 | 1,114,854 | |
| 18 | V-07 | 15.0 | 10.5 | 52.2 | 79.1 | 1,144,682 |
Publisher’s Note: MDPI stays neutral with regard to jurisdictional claims in published maps and institutional affiliations. |
© 2021 by the author. Licensee MDPI, Basel, Switzerland. This article is an open access article distributed under the terms and conditions of the Creative Commons Attribution (CC BY) license (http://creativecommons.org/licenses/by/4.0/).
Share and Cite
Albinmousa, J. Fatigue Failure Prediction of U-Notched ZK60 Magnesium Samples Using the Strain Energy Density Approach. Metals 2021, 11, 113. https://doi.org/10.3390/met11010113
Albinmousa J. Fatigue Failure Prediction of U-Notched ZK60 Magnesium Samples Using the Strain Energy Density Approach. Metals. 2021; 11(1):113. https://doi.org/10.3390/met11010113
Chicago/Turabian StyleAlbinmousa, Jafar. 2021. "Fatigue Failure Prediction of U-Notched ZK60 Magnesium Samples Using the Strain Energy Density Approach" Metals 11, no. 1: 113. https://doi.org/10.3390/met11010113
APA StyleAlbinmousa, J. (2021). Fatigue Failure Prediction of U-Notched ZK60 Magnesium Samples Using the Strain Energy Density Approach. Metals, 11(1), 113. https://doi.org/10.3390/met11010113

