Microstructural Control and Properties Optimization of Microalloyed Pipeline Steel
Abstract
1. Introduction
2. Materials and Methods
2.1. Material and Preparation of Specimens
2.2. Thermo-Mechanical Simulation
2.3. Microstructure Characterization
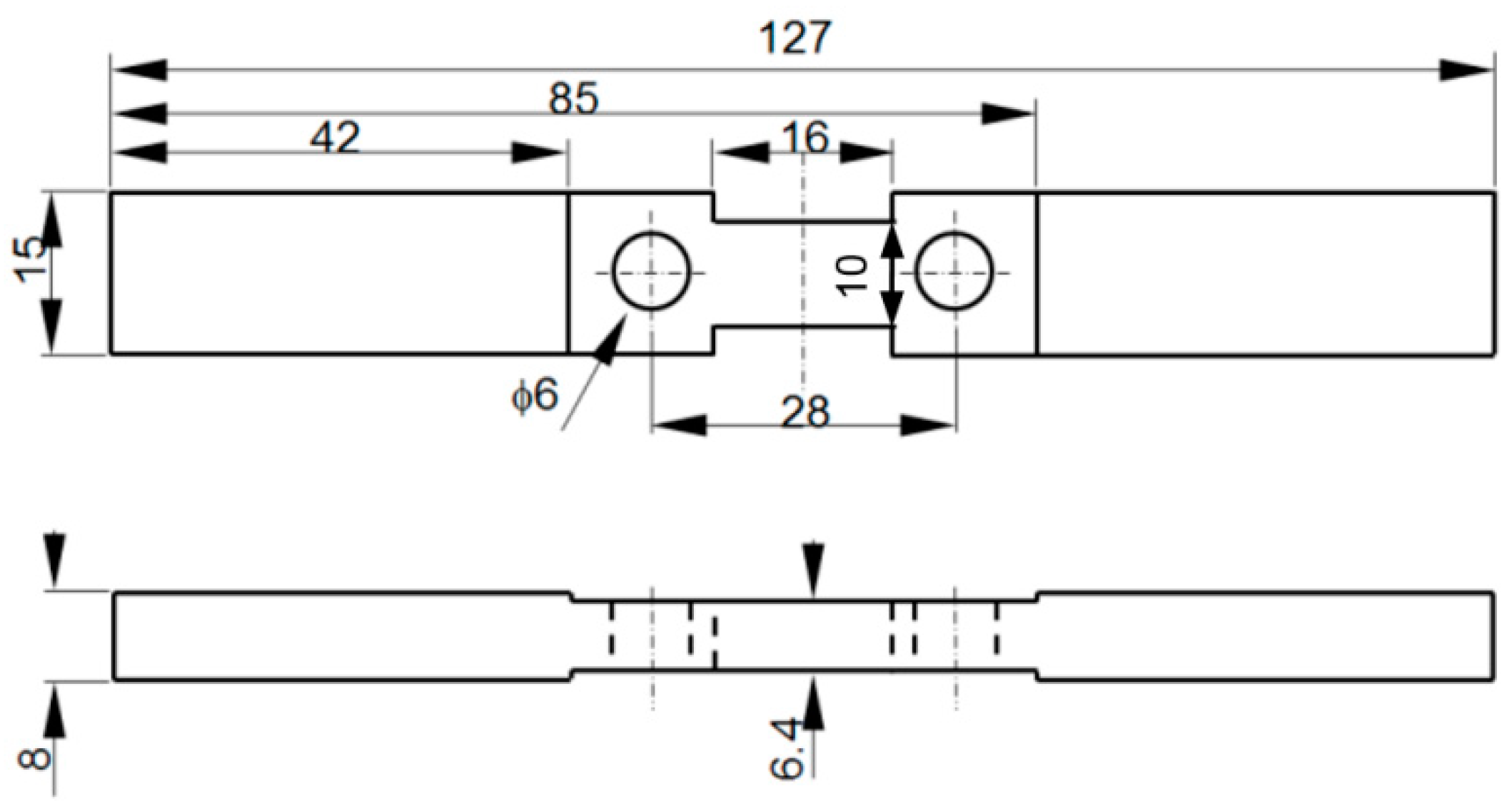
2.4. Tensile Testing
2.5. Evaluating the Strain Aging Potential
3. Results and Discussion
3.1. Classification and Characteristics of the Obtained Micro-Constituents
3.2. Classification and Characteristics of the Obtained Precipitates
- Limiting the coarsening of austenite grains during austenitization by the pinning effect.
 - Refining the austenite grain via retarding the recrystallization of austenite during hot-rolling.
 - Providing nanostructure phases, which are the precipitates themselves.
 
3.3. Microstructure Evolution
3.4. Transformation Kinetics
3.5. Precipitation Process
3.6. Tensile Properties
3.7. Effect of the TMP Parameters on Strain Aging
4. Conclusions
- Activating the formation of both the acicular ferrite and finer and more dispersed martensite/austenite phase by increasing the cooling rate after the last deformation step. It is shown in this study that stimulating this structure results in an appreciable increase in the ductility without reducing the strength.
 - Promoting the formation of finer and more dispersed cementite and carbonitride precipitates, which are of particular importance for enhancing the precipitation strengthening. Selecting the proper coiling temperature plays the central role by which the precipitation process can be promoted effectively. The appropriate selection of the coiling temperature in this study resulted in enhancing the strength without compensating the ductility.
 
Author Contributions
Funding
Acknowledgments
Conflicts of Interest
References
- World Energy Outlook. Flagship Report. Available online: https://www.iea.org/reports/world-energy-outlook-2019 (accessed on 4 November 2019).
 - Das, A.K. The Present and the Future of Line Pipe Steels for Petroleum Industry. Mater. Manuf. Process. 2010, 25, 14–19. [Google Scholar] [CrossRef]
 - Jeffus, L. Welding Principles and Applications, 7th ed.; Delmar: Clifton Park, NY, USA, 2012. [Google Scholar]
 - Zhao, M.; Yang, K.; Xiao, F.-R.; Shan, Y.-Y. Continuous Cooling Transformation of Undeformed and Deformed Low Carbon Pipeline Steels. Mater. Sci. Eng. A 2003, 355, 126–136. [Google Scholar] [CrossRef]
 - Tamura, I.; Sekine, H.; Tanaka, T.; Ouchi, C. Thermomechanical Processing of High Strength Low-Alloy Steels; Butterworth & Co. Ltd.: London, UK, 1988. [Google Scholar]
 - Jiang, M.; Chen, L.-N.; He, J.; Chen, G.-Y.; Li, C.; Lu, X.-G. Effect of Controlled Rolling/Controlled Cooling Parameters on Microstructure and Mechanical Properties of The Novel Pipeline Steel. Adv. Manuf. 2014, 2, 265–274. [Google Scholar] [CrossRef]
 - Xu, J.; Misra, R.; Guo, B.; Jia, Z.; Zheng, L. Understanding Variability in Mechanical Properties of Hot Rolled Microalloyed Pipeline Steels: Process–Structure–Property Relationship. Mater. Sci. Eng. A 2013, 574, 94–103. [Google Scholar] [CrossRef]
 - Villalobos, J.C.; Del Pozo, A.; Campillo, B.; Mayén, J.; Serna, S. Microalloyed Steels through History until 2018: Review of Chemical Composition, Processing and Hydrogen Service. Metals 2018, 8, 351. [Google Scholar] [CrossRef]
 - Bhadeshia, H.; Honeycombe, R. Steels: Microstructure and Properties, 4th ed.; Butterworth-Heinemann: Oxford, UK, 2017. [Google Scholar]
 - Guo, F.; Wang, X.; Liu, W.; Shang, C.; Misra, R.D.K.; Wang, H.; Zhao, T.; Peng, C. The Influence of Centerline Segregation on the Mechanical Performance and Microstructure of X70 Pipeline Steel. Steel Res. Int. 2018, 89, 1800407. [Google Scholar] [CrossRef]
 - Soliman, M.; Palkowski, H. Influence of Hot Working Parameters on Microstructure Evolution, Tensile Behavior and Strain Aging Potential of Bainitic Pipeline Steel. Mater. Des. 2015, 88, 759–773. [Google Scholar] [CrossRef]
 - Soliman, M.; Palkowski, H. Tensile Properties and Bake Hardening Response of Dual Phase Steels with Varied Martensite Volume Fraction. Mater. Sci. Eng. A 2020, 777, 139044. [Google Scholar] [CrossRef]
 - Standard Testing Method DIN-EN 10325. Available online: https://www.mystandards.biz/standard/dinen-10325-1.10.2006.html (accessed on 4 November 2020).
 - Tafteh, R. Austenite Decomposition in a X80 Line Pipe Steel. Master’s Thesis, The University of British Columbia, Vancouver, BC, Canada, May 2011. [Google Scholar]
 - Zhao, M.; Yang, K.; Shan, Y. The Effects of Thermo-Mechanical Control Process on Microstructures and Mechanical Properties of A Commercial Pipeline Steel. Mater. Sci. Eng. A 2002, 335, 14–20. [Google Scholar] [CrossRef]
 - Yakubtsov, I.; Boyd, J. Bainite Transformation During Continuous Cooling of Low Carbon Microalloyed. Steel. Mater. Sci. Technol. 2001, 17, 296–301. [Google Scholar] [CrossRef]
 - Lee, J.-L.; Hon, M.-H.; Cheng, G.-H. The Intermediate Transformation of Mn-Mo-Nb Steel During Continuous Cooling. J. Mater. Sci. 1987, 22, 2767–2777. [Google Scholar] [CrossRef]
 - Wang, C.; Wu, X.; Liu, J.; Xu, N. Transmission Electron Microscopy of Martensite/Austenite Islands in Pipeline Steel X70. Mater. Sci. Eng. A 2006, 438–440, 267–271. [Google Scholar] [CrossRef]
 - Zuo, X.; Zhou, Z. Study of Pipeline Steels with Acicular Ferrite Microstructure and Ferrite-bainite Dual-phase Microstructure. Mater. Res. 2015, 18, 36–41. [Google Scholar] [CrossRef]
 - Rodrigues, P.; Pereloma, E.V.; Santos, D. Mechanical Properities of an HSLA Bainitic Steel Subjected to Controlled Rolling with Accelerated Cooling. Mater. Sci. Eng. A 2000, 283, 136–143. [Google Scholar] [CrossRef]
 - Bramfitt, B.L.; Speer, J.G. A Perspective on the Morphology of Bainite. Met. Mater. Trans. A 1990, 21, 817–829. [Google Scholar] [CrossRef]
 - Young, C.H.; Bhadeshia, H.K.D.H. Strength of Mixtures of Bainite and Martensite. Mater. Sci. Technol. 1994, 10, 209–214. [Google Scholar] [CrossRef]
 - Lei, T.C.; Shen, H.P.; Zhang, J. Phase-Hardening and Phase Softening Phenomena in Dual-Phase Steels. In Proceedings of the International Conference on Martensitic Transformations, The Japan Institute of Metals, Nara, Japan, 26–30 August 1986; pp. 465–470. [Google Scholar]
 - Ma, X.; Langelier, B.; Gault, B.; Subramanian, S. Effect of Nb Addition to Ti-Bearing Super Martensitic Stainless Steel on Control of Austenite Grain Size and Strengthening. Met. Mater. Trans. A 2017, 48, 2460–2471. [Google Scholar] [CrossRef]
 - Sauveur, A. The Metallography and Meat Treatment of Iron and Steel: Forgotten Books; Ripol Classic Publishing House: London, UK, 2013; pp. 148–149. [Google Scholar]
 - Zhao, H.; Wynne, B.; Palmiere, E. Effect of Austenite Grain Size on the Bainitic Ferrite Morphology and Grain Refinement of A Pipeline Steel after Continuous Cooling. Mater. Charact. 2017, 123, 128–136. [Google Scholar] [CrossRef]
 - Xu, Y.-B.; Yu, Y.-M.; Xiao, B.-L.; Liu, Z.-Y.; Wang, G.-D. Microstructural Evolution in an Ultralow-C and High-Nb Bearing Steel during Continuous Cooling. J. Mater. Sci. 2009, 44, 3928–3935. [Google Scholar] [CrossRef]
 - Hwang, B.; Kim, Y.G.; Lee, S.; Kim, Y.M.; Kim, N.J.; Yoo, J.Y. Effective Grain Size and Charpy Impact Properties of High-Toughness X70 Pipeline Steels. Met. Mater. Trans. A 2005, 36, 2107–2114. [Google Scholar] [CrossRef]
 - Manohar, P.A.; Chandra, T. Continuous Cooling Microalloyed Steels Transformation for Behaviour of High Strength Linepipe Applications. ISIJ Int. 1998, 38, 766–774. [Google Scholar] [CrossRef]
 - Edmonds, D.V.; Cochrane, R.C. Structure-Property Relationships in Bainitic Steels. Met. Mater. Trans. A 1990, 21, 1527–1540. [Google Scholar] [CrossRef]
 - Anijdan, S.H.M.; Yue, S. The Effect of Cooling Rate, and Cool Deformation Through Strain-Induced Transformation, on Microstructural Evolution and Mechanical Properties of Microalloyed Steels. Met. Mater. Trans. A 2011, 43, 1140–1162. [Google Scholar] [CrossRef]
 - Yi, J.J.; Yu, K.J.; Kim, I.S.; Kim, S.J. Role of Retained Austenite on The Deformation of an Fe-0.07 C-1.8 Mn-1.4 Si Dual-Phase Steel. Met. Mater. Trans. A 1983, 14, 1497–1504. [Google Scholar] [CrossRef]
 - Thompson, S.W.; Colvin, D.J.; Krauss, G. Austenite Decomposition During Continuous Cooling of an HSLA-80 Plate Steel. Met. Mater. Trans. A 1996, 27, 1557–1571. [Google Scholar] [CrossRef]
 - Goel, N.C.; Chakravarty, J.P.; Tangri, K. The Influence of Starting Microstructure on The Retention and Mechanical Stability of Austenite in an Intercritically Annealed-Low Alloy Dual-Phase Steel. Met. Mater. Trans. A 1987, 18, 5–9. [Google Scholar] [CrossRef]
 - Huang, J.; Xu, Z. Effect of Dynamically Recrystallized Austenite on The Martensite Start Temperature of Martensitic Transformation. Mater. Sci. Eng. A 2006, 438–440, 254–257. [Google Scholar] [CrossRef]
 - Lee, S.J.; Lee, Y.K. Effect of Austenite Grain Size on Martensitic Transformation of a Low Alloy Steel. Mater. Sci. Forum 2005, 475–479, 3169–3172. [Google Scholar] [CrossRef]
 - Yang, H.-S.; Bhadeshia, H. Austenite Grain Size and The Martensite-Start Temperature. Scr. Mater. 2009, 60, 493–495. [Google Scholar] [CrossRef]
 - Lee, S.-J.; Park, K.-S. Prediction of Martensite Start Temperature in Alloy Steels with Different Grain Sizes. Met. Mater. Trans. A 2013, 44, 3423–3427. [Google Scholar] [CrossRef]
 - Xiao, F.-R.; Liao, B.; Shan, Y.-Y.; Qiao, G.-Y.; Zhong, Y.; Zhang, C.; Yang, K. Challenge of Mechanical Properties of An Acicular Ferrite Pipeline Steel. Mater. Sci. Eng. A 2006, 431, 41–52. [Google Scholar] [CrossRef]
 - Shanmugam, S.; Misra, R.D.K.; Hartmann, J.; Jansto, S. Microstructure of High Strength Niobium-Containing Pipeline Steel. Mater. Sci. Eng. A 2006, 441, 215–229. [Google Scholar] [CrossRef]
 - Cottrell, A.H.; Bilby, B.A. Dislocation Theory of Yielding and Strain Ageing of Iron. Proc. Phys. Soc. Sect. A 1949, 62, 49–62. [Google Scholar] [CrossRef]
 - van Snick, A.; Lips, K.; Vandeputte, S.; de Cooman, B.C.; Dilewijns, J. Effect of Carbon Content, Dislocation Density and Carbon Mobility on Bake Hardening. In Modern LC and ULC Sheet Steels for Cold Forming: Processing and Properties; Institute of Ferrous Metallurgy: Aachen, Germany, 1998; pp. 413–424. [Google Scholar]
 


















| C | Mn | Si | Mo | Cr | Ti | Nb | N | 
|---|---|---|---|---|---|---|---|
| 0.055 | 1.84 | 0.3 | 0.26 | 0.18 | 0.0256 | 0.101 | 0.006 | 
| Element | Ti | Nb | C | Mn | Fe | N | 
|---|---|---|---|---|---|---|
| TiN | 0.499 | - | 0.029 | - | - | 0.470 | 
| NbC-n | 0.115 | 0.390 | 0.464 | - | - | 0.031 | 
| Cementite | - | 0.061 | 0.250 | 0.233 | 0.378 | - | 
| NbC-s | 0.115 | 0.392 | 0.466 | - | - | 0.026 | 
| a-Value | 10 K·s−1 | 20 K·s−1 | |||
|---|---|---|---|---|---|
| CT | 500 °C | 350 °C | 500 °C | 350 °C | |
| FRT | |||||
| 840 °C | 32 | 76 | 48 | 79 | |
| 780 °C | 43 | 72 | 30 | 71 | |
Publisher’s Note: MDPI stays neutral with regard to jurisdictional claims in published maps and institutional affiliations.  | 
© 2020 by the author. Licensee MDPI, Basel, Switzerland. This article is an open access article distributed under the terms and conditions of the Creative Commons Attribution (CC BY) license (http://creativecommons.org/licenses/by/4.0/).
Share and Cite
Soliman, M. Microstructural Control and Properties Optimization of Microalloyed Pipeline Steel. Metals 2020, 10, 1499. https://doi.org/10.3390/met10111499
Soliman M. Microstructural Control and Properties Optimization of Microalloyed Pipeline Steel. Metals. 2020; 10(11):1499. https://doi.org/10.3390/met10111499
Chicago/Turabian StyleSoliman, Mohamed. 2020. "Microstructural Control and Properties Optimization of Microalloyed Pipeline Steel" Metals 10, no. 11: 1499. https://doi.org/10.3390/met10111499
APA StyleSoliman, M. (2020). Microstructural Control and Properties Optimization of Microalloyed Pipeline Steel. Metals, 10(11), 1499. https://doi.org/10.3390/met10111499