An Ultra-High Frequency Vibration-Based Fatigue Test and Its Comparative Study of a Titanium Alloy in the VHCF Regime
Abstract
1. Introduction
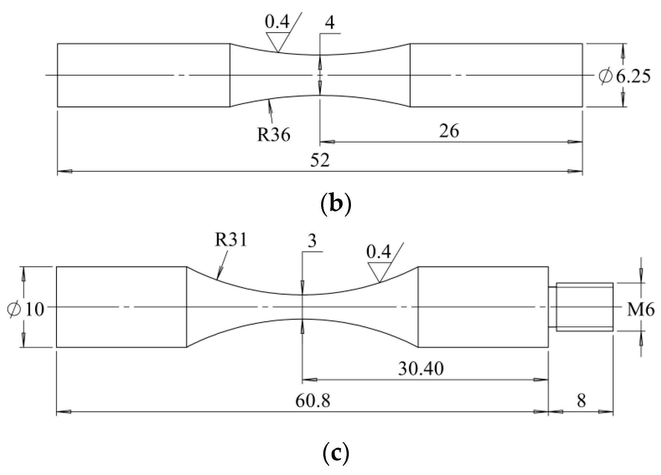
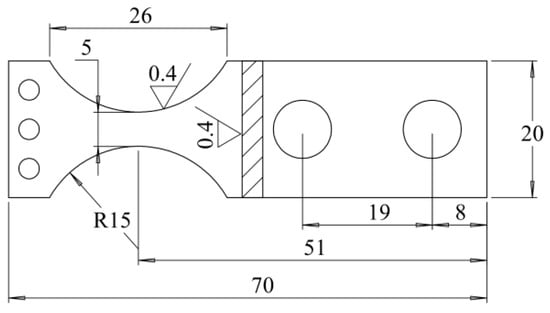
2. UHF Fatigue Specimen Design
3. Material and Experimental Details
3.1. Experimental Material
3.2. UHF Fatigue Testing Setup
3.3. Resonance Frequency and Stress Calibration
3.4. Fatigue Tests for Comparison
4. Results and Discussion
4.1. Vibration-Based Fatigue Testing Results
4.2. Effect of the Loading Frequency
4.3. Effect of the Testing Types
4.4. Discussion
5. Conclusions
Author Contributions
Funding
Acknowledgments
Conflicts of Interest
References
- Cervellon, A.; Cormier, J.; Mauget, F.; Hervier, Z. VHCF life evolution after microstructure degradation of a Ni-based single crystal superalloy. Int. J. Fatigue 2017, 104, 251–262. [Google Scholar] [CrossRef]
- Stanzl-Tschegg, S. Very high cycle fatigue measuring techniques. Int. J. Fatigue 2014, 60, 2–17. [Google Scholar] [CrossRef]
- Mayer, H. Recent developments in ultrasonic fatigue. Fatigue Fract. Eng. Mater. Struct. 2016, 39, 3–29. [Google Scholar] [CrossRef]
- Sharma, A.; Oh, M.C.; Ahn, B. Recent Advances in Very High Cycle Fatigue Behavior of Metals and Alloys—A Review. Metals 2020, 10, 1200. [Google Scholar] [CrossRef]
- Nikitin, A.; Palin-Luc, T.; Shanyavskiy, A. Crack initiation in VHCF regime on forged titanium alloy under tensile and torsion loading modes. Int. J. Fatigue 2016, 93, 318–325. [Google Scholar] [CrossRef]
- Huang, Z.Y.; Liu, H.Q.; Wang, H.M.; Wagner, D.; Khan, M.K.; Wang, Q.Y. Effect of stress ratio on VHCF behavior for a compressor blade titanium alloy. Int. J. Fatigue 2016, 93, 232–237. [Google Scholar] [CrossRef]
- Hu, Y.; Sun, C.; Xie, J.; Hong, Y. Effects of Loading Frequency and Loading Type on High-Cycle and Very-High-Cycle Fatigue of a High-Strength Steel. Materials 2018, 11, 1456. [Google Scholar] [CrossRef]
- Morrissey, R.; Nicholas, T. Fatigue strength of Ti–6Al–4V at very long lives. Int. J. Fatigue 2005, 27, 1608–1612. [Google Scholar] [CrossRef]
- Guennec, B.; Ueno, A.; Sakai, T.; Takanashi, M.; Itabashi, Y. Effect of the loading frequency on fatigue properties of JIS S15C low carbon steel and some discussions based on micro-plasticity behavior. Int. J. Fatigue 2014, 66, 29–38. [Google Scholar] [CrossRef]
- Witek, L. Simulation of crack growth in the compressor blade subjected to resonant vibration using hybrid method. Eng. Fail. Anal. 2015, 49, 57–66. [Google Scholar] [CrossRef]
- Cowles, B. High cycle fatigue in aircraft gas turbines—An industry perspective. Int. J. Fract. 1996, 80, 147–163. [Google Scholar] [CrossRef]
- Amabili, M. Geometrically nonlinear vibrations of rectangular plates carrying a concentrated mass. J. Sound Vib. 2010, 329, 4501–4514. [Google Scholar] [CrossRef]
- Scott-Emuakpor, O.; Shen, M.H.H.; George, T.; Cross, C.J.; Calcaterra, J. Development of an Improved High Cycle Fatigue Criterion. J. Eng. Gas Turbines Power 2007, 129, 162. [Google Scholar] [CrossRef]
- Toni Liong, R.; Proppe, C. Application of the cohesive zone model for the evaluation of stiffness losses in a rotor with a transverse breathing crack. J. Sound Vib. 2013, 332, 2098–2110. [Google Scholar] [CrossRef]
- Magi, F.; Di Maio, D.; Sever, I. Damage initiation and structural degradation through resonance vibration: Application to composite laminates in fatigue. Compos. Sci. Technol. 2016, 132, 47–56. [Google Scholar] [CrossRef]
- Yun, G.J.; Abdullah, A.B.M.; Binienda, W. Development of a Closed-Loop High-Cycle Resonant Fatigue Testing System. Exp. Mech. 2011, 52, 275–288. [Google Scholar] [CrossRef]
- Xu, W.; Yang, X.; Zhong, B.; Guo, G.; Liu, L.; Tao, C. Multiaxial fatigue investigation of titanium alloy annular discs by a vibration-based fatigue test. Int. J. Fatigue 2017, 95, 29–37. [Google Scholar] [CrossRef]
- George, T.J.; Seidt, J.; Shen, M.-H.H.; Nicholas, T.; Cross, C.J. Development of a novel vibration-based fatigue testing methodology. Int. J. Fatigue 2004, 26, 477–486. [Google Scholar] [CrossRef]
- Yu, H.; Wu, X. Materials Data Handbook for Aircraft Engine Design (Part V); Aviation Industry Press: Beijing, China, 2014. [Google Scholar]
- Yang, K.; He, C.; Huang, Q.; Huang, Z.Y.; Wang, C.; Wang, Q.; Liu, Y.J.; Zhong, B. Very high cycle fatigue behaviors of a turbine engine blade alloy at various stress ratios. Int. J. Fatigue 2017, 99, 35–43. [Google Scholar] [CrossRef]
- Stromeyer, C.E. The Determination of Fatigue Limits under Alternating Stress Conditions. Proc. R. Soc. Lond. Ser. A Contain. Pap. Math. Phys. Character 1914, 90, 411–425. [Google Scholar]
- Paolino, D.S.; Tridello, A.; Chiandussi, G.; Rossetto, M. On specimen design for size effect evaluation in ultrasonic gigacycle fatigue testing. Fatigue Fract. Eng. Mater. Struct. 2014, 37, 570–579. [Google Scholar] [CrossRef]
- Shimizu, S.; Tosha, K.; Tsuchiya, K. New data analysis of probabilistic stress-life (P–S–N) curve and its application for structural materials. Int. J. Fatigue 2010, 32, 565–575. [Google Scholar] [CrossRef]
- Bomas, H.; Burkart, K.; Zoch, H.-W. Evaluation of S–N curves with more than one failure mode. Int. J. Fatigue 2011, 33, 19–22. [Google Scholar] [CrossRef]
- Tridello, A.; Paolino, D.S.; Chiandussi, G.; Rossetto, M. Gaussian specimens for VHCF tests: Analytical prediction of damping effects. Int. J. Fatigue 2016, 83, 36–41. [Google Scholar] [CrossRef]
- Sun, C.; Song, Q. A Method for Predicting the Effects of Specimen Geometry and Loading Condition on Fatigue Strength. Metals 2018, 8, 811. [Google Scholar] [CrossRef]
- Xu, W.; Yang, X.; Zhong, B.; He, Y.; Tao, C. Failure criterion of titanium alloy irregular sheet specimens for vibration-based bending fatigue testing. Eng. Fract. Mech. 2018, 195, 44–56. [Google Scholar] [CrossRef]
- Przybyla, C.P.; Musinski, W.D.; Castelluccio, G.M.; McDowell, D.L. Microstructure-sensitive HCF and VHCF simulations. Int. J. Fatigue 2013, 57, 9–27. [Google Scholar] [CrossRef]













| Material Parameters | Value |
|---|---|
| Young’s modulus E (GPa) | 107 |
| Poisson’s ratio μ | 0.334 |
| Yield strength σy (MPa) | 930 |
| Density (g/cm3) | 4.37 |
| Al | V | Mo | Fe | C | N | H | O | Ti |
|---|---|---|---|---|---|---|---|---|
| 7.79 | 1.00 | 0.98 | 0.04 | 0.01 | <0.01 | 0.006 | 0.06 | Balance |
| Specimen No. | Stress Level (MPa) | Failure Cycle | Specimen No. | Stress Level (MPa) | Failure Cycle |
|---|---|---|---|---|---|
| UHF1 | 540 | 4.66 × 105 | CVF1 | 540 | 1.66 × 105 |
| UHF2 | 540 | 2.20 × 105 | CVF2 | 540 | 2.56 × 105 |
| UHF3 | 540 | 2.99 × 105 | CVF3 | 540 | 1.50 × 105 |
| UHF4 | 540 | 2.82 × 105 | CVF4 | 540 | 2.30 × 105 |
| UHF5 | 540 | 2.25 × 105 | CVF5 | 540 | 2.36 × 105 |
| UHF6 | 540 | 1.93 × 105 | CVF6 | 480 | 1.27 × 106 |
| UHF7 | 540 | 2.65 × 105 | CVF7 | 480 | 2.62 × 105 |
| UHF8 | 480 | 4.26 × 105 | CVF8 | 480 | 2.96 × 105 |
| UHF9 | 480 | 4.05 × 105 | CVF9 | 480 | 3.18 × 106 |
| UHF10 | 480 | 5.07 × 105 | CVF10 | 480 | 2.19 × 105 |
| UHF11 | 480 | 4.18 × 105 | CVF11 | 480 | 2.79 × 105 |
| UHF12 | 480 | 1.73 × 106 | CVF12 | 440 | 5.27 × 106 |
| UHF13 | 440 | 6.43 × 106 | CVF13 | 440 | 1.00 × 107 |
| UHF14 | 440 | 1.70 × 106 | CVF14 | 440 | 3.40 × 106 |
| UHF15 | 440 | 7.84 × 106 | CVF15 | 440 | 1.00 × 107 |
| UHF16 | 440 | 3.09 × 106 | CVF16 | 440 | 4.53 × 105 |
| UHF17 | 440 | 4.14 × 106 | CVF17 | 440 | 2.27 × 105 |
| UHF18 | 440 | 6.49 × 105 | − | − | − |
| UHF19 | 420 | 1.19 × 108 | − | − | − |
| UHF20 | 400 | 8.20 × 108 | − | − | − |
| Testing Type | a | b | S0/MPa |
|---|---|---|---|
| UA | 10.8 | 1.94 | 523 |
| RB | 13.5 | 3.97 | 418 |
| CA | 15.8 | 4.78 | 407 |
Publisher’s Note: MDPI stays neutral with regard to jurisdictional claims in published maps and institutional affiliations. |
© 2020 by the authors. Licensee MDPI, Basel, Switzerland. This article is an open access article distributed under the terms and conditions of the Creative Commons Attribution (CC BY) license (http://creativecommons.org/licenses/by/4.0/).
Share and Cite
Xu, W.; Zhao, Y.; Chen, X.; Zhong, B.; Yu, H.; He, Y.; Tao, C. An Ultra-High Frequency Vibration-Based Fatigue Test and Its Comparative Study of a Titanium Alloy in the VHCF Regime. Metals 2020, 10, 1415. https://doi.org/10.3390/met10111415
Xu W, Zhao Y, Chen X, Zhong B, Yu H, He Y, Tao C. An Ultra-High Frequency Vibration-Based Fatigue Test and Its Comparative Study of a Titanium Alloy in the VHCF Regime. Metals. 2020; 10(11):1415. https://doi.org/10.3390/met10111415
Chicago/Turabian StyleXu, Wei, Yanguang Zhao, Xin Chen, Bin Zhong, Huichen Yu, Yuhuai He, and Chunhu Tao. 2020. "An Ultra-High Frequency Vibration-Based Fatigue Test and Its Comparative Study of a Titanium Alloy in the VHCF Regime" Metals 10, no. 11: 1415. https://doi.org/10.3390/met10111415
APA StyleXu, W., Zhao, Y., Chen, X., Zhong, B., Yu, H., He, Y., & Tao, C. (2020). An Ultra-High Frequency Vibration-Based Fatigue Test and Its Comparative Study of a Titanium Alloy in the VHCF Regime. Metals, 10(11), 1415. https://doi.org/10.3390/met10111415
