Capacitance Calculation of Cylindrical Roller Bearing—Modeling of the Cylinder Raceway and Cylinder Flange Contact
Abstract
1. Introduction
1.1. Roller Bearing Capacitance
1.2. Scope and Assumptions
- There is an elastohydrodynamic lubrication (EHL) contact in the raceway contact.
- The shape of the contact area of each roller contact is the same as in the Hertzian case of dry contact [18].
- The flanges are flat and perpendicular to the raceways [19].
- A separating lubricating film forms at the point of flange contact, which can be described using an elastohydrodynamic lubrication model [19].
- The capacitance in the flange contact can be approximated by a parallel connection of infinitesimally small capacitors. Within these capacitors, the electrical-field lines are parallel to each other [5].
- The contact zones in the bearing are completely covered with lubricant [7].
- The surfaces are completely smooth; they have no roughness.
- The lubricant’s permittivity is constant.
2. Materials and Methods
2.1. Bearing Geometry
2.2. Raceway Capacitance Calculation
- Case 1:
- The deflection of the EHL contact is less than the height of the lubricating film. The capacitance is calculated analytically; see Figure 2, left-hand side.
- Case 2:
- The deflection of the EHL contact is greater than the height of the lubricating film. The capacitance is calculated semi-analytically; see Figure 2, right-hand side.
2.3. Flange Capacitance Calculation
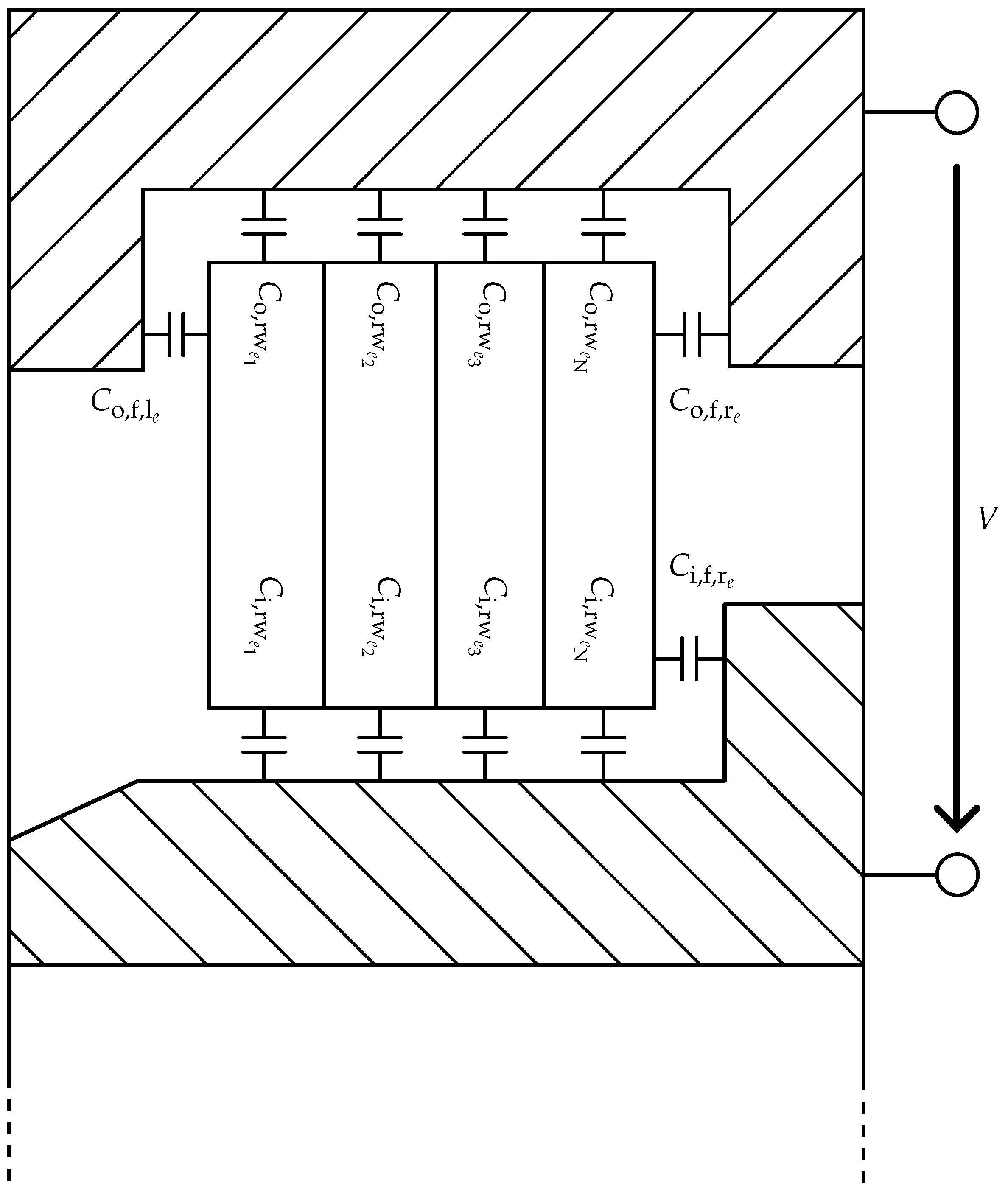
2.4. Bearing Capacitance
2.5. Experimental Setup
2.6. Applied Hydrodynamic Lubrication Theory
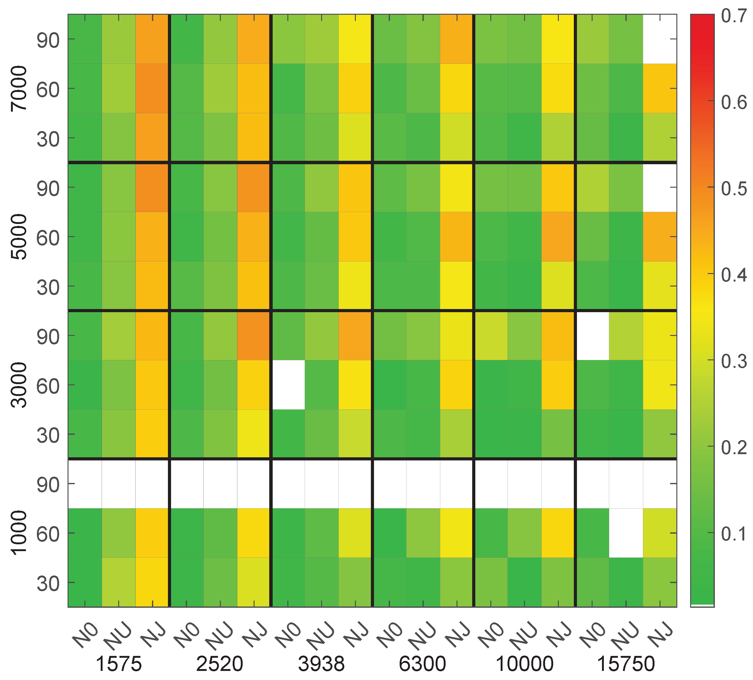
3. Results and Discussion
3.1. Raceway Capacitance
3.2. Capacitance of Axial Unloaded Bearings
3.3. Capacitance of Axially Loaded Bearings
3.4. Overview of All Measured Values
4. Conclusions
Author Contributions
Funding
Data Availability Statement
Conflicts of Interest
References
- He, F.; Xie, G.; Luo, J. Electrical bearing failures in electric vehicles. Friction 2020, 8, 4–28. [Google Scholar] [CrossRef]
- Busse, D.; Erdman, J.; Kerkman, R.; Schlegel, D.; Skibinski, G. Bearing Currents and Their Relationship to PWM Drives. IEEE Trans. Power Electron. 1997, 12, 243–252. [Google Scholar] [CrossRef]
- Muetze, A.; Strangas, E. The Useful Life of Inverter-Based Drive Bearings: Methods and Research Directions from Localized Maintenace to Prognosis. IEEE Ind. Appl. Mag. 2016, 22, 63–73. [Google Scholar] [CrossRef]
- Graf, S.; Sauer, B. Surface Mutation of the Bearing Raceway During Electrical Current Passage in Mixed Friction Operation. Bear. World J. 2020, 5, 137–147. [Google Scholar]
- Puchtler, S.; Schirra, T.; Kirchner, E.; Späck-Leigsnering, Y.; de Gersem, H. Capacitance calculation of unloaded rolling elements—Comparison of analytical and numerical methods. Tribol. Int. 2022, 176, 107882. [Google Scholar] [CrossRef]
- Puchtler, S.; van der Kuip, J.; Kirchner, E. Analyzing Ball Bearing Capacitance Using Single Steel Ball Bearings. Tribol. Lett. 2023, 71, 38. [Google Scholar] [CrossRef]
- Magdun, O.; Binder, A. Calculation of roller and ball bearing capacitances and prediction of EDM currents. In 2009 35th Annual Conference of IEEE Industrial Electronics; IEEE: New York, NY, USA, 2009; pp. 1051–1056. [Google Scholar] [CrossRef]
- Manjunath, M.; Hausner, S.; Heine, A.; Baets, P.; Fauconnier, D. Electrical Impedance Spectroscopy for Precise Film Thickness Assessment in Line Contacts. Lubricants 2024, 12, 51. [Google Scholar] [CrossRef]
- Maruyama, T.; Radzi, F.; Sato, T.; Iwase, S.; Maeda, M.; Nakano, K. Lubrication Condition Monitoring in EHD Line Contacts of Thrust Needle Roller Bearing Using the Electrical Impedance Method. Lubricants 2023, 11, 223. [Google Scholar] [CrossRef]
- Bader, N.; Furtmann, A.; Tischmacher, H.; Poll, G. (Eds.) Capacitances and Lubricant Film Thickness of Grease and Oil Lubricated Bearings: Rolling Element Bearings II: Rolling Element Bearing Dynamics; VDMA Verlag: Frankfurt, Germany, 2017. [Google Scholar]
- Coy, J.J. Correlation of Asperity Contact-Time Fraction with Elastohydrodynamic Film Thickness in a 20-Millimeter-Bore Ball Bearing; NASA Technical Publication; National Aeronautics and Space Administration: Washington, DC, USA, 1979; Volume 79.
- Maruyama, T.; Maeda, M.; Nakano, K. Lubrication Condition Monitoring of Practical Ball Bearings by Electrical Impedance Method. Tribol. Online 2019, 14, 327–338. [Google Scholar] [CrossRef]
- Schirra, T.; Martin, G.; Vogel, S.; Kirchner, E. Ball bearings as sensors for systematical combination of load and failure monitoring. In DS 92: Proceedings of the DESIGN 2018 15th International Design Conference; Design Conference Proceedings; Faculty of Mechanical Engineering and Naval Architecture, University of Zagreb, Croatia and the Design Society: Glasgow, UK, 2018; pp. 3011–3022. [Google Scholar] [CrossRef]
- Hamrock, J.B.; Dowson, D. Isothermal Elastohydrodynamic Lubrication of Point Contacts: III—Fully Flooded Results; NASA Technical note; NASA: Boston, MA, USA, 1976.
- Dowson, D.; Toyoda, S. A central film thickness formula for elastohydrodynamic line contacs. In 5th Leeds-Lyon Symposium on Tribology; Elsevier: Amsterdam, The Netherlands, 1978; pp. 60–65. [Google Scholar]
- Gemeinder, Y.; Schuster, M.; Radnai, B.; Sauer, B.; Binder, A. Calculation and validation of a bearing impedance model for ball bearings and the influence on EDM-currents. In 2014 International Conference on Electrical Machines (ICEM); IEEE: New York, NY, USA, 2014; pp. 1804–1810. [Google Scholar] [CrossRef]
- Schneider, V. The Electrical Modelling of Machine Elements. Ph.D. Thesis, Gottfried Wilhelm Leibniz Universität Hannover, Hannover, Germany, 2025. [Google Scholar]
- NaNapel, W.; Bosma, R. The Influence of Surface Roughness on the Capacitive Measurement of Film Thickness in Elastohydrodynamic Contacts. Proc. Inst. Mech. Eng. 1970, 185, 635–639. [Google Scholar] [CrossRef]
- Korrenn, H. The Axial Load-Carrying Capacity of Radial Cylindrical Roller Bearings. J. Lubr. Technol. 1970, 92, 129–134. [Google Scholar] [CrossRef]
- Aramaki, H.; Cheng, H.S.; Zhu, D. Film Thickness, Friction, and Scuffing Failure of Rib/Roller End Contacts in Cylindrical Roller Bearings. J. Tribol. 1992, 114, 311–316. [Google Scholar] [CrossRef]
- Wang, Z.; Song, J.; Li, X.; Yu, Q. Modeling and Dynamic Analysis of Cylindrical Roller Bearings Under Combined Radial and Axial Loads. J. Tribol. 2022, 144, 121203. [Google Scholar] [CrossRef]
- Sauer, B.; Teutsch, R. An Alternative Slicing Technique to Consider Pressure Concentrations in Non-Hertzian Line Contacts. Trans. ASME 2004, 126, 436–442. [Google Scholar] [CrossRef]
- DIN 26281:2010-11; Wälzlager–Dynamische Tragzahlen und nominelle Lebensdauer—Berechnung der modifizierten nominellen Referenz-Lebensdauer fuer Waelzlager. DIN Media GmbH: Berlin, Germany, 2010.
- Ott, F. Elektrische Modellierung des Zylinderrolle-Laufbahn-Kontakts. Bachelor’s Thesis, Universitäts- und Landesbibliothek Darmstadt, Darmstadt, Germany, 2024. [Google Scholar] [CrossRef]
- Puchtler, S.; van der Kuip, J.; Becker-Dombrowsky, F.; Kirchner, E. Impedance measurement of rolling bearings using an unbalanced AC wheatstone bridge. Front. Mech. Eng. 2024, 10, 1456618. [Google Scholar] [CrossRef]
- Vogel, H. Das Temperaturabhängigkeitsgesetz der Viskosität von Flüssigkeiten. Phys. Z. 1921, 23, 645–646. [Google Scholar]
- Forschungsvereinigung Antriebstechnik e.V. Schmierfilmdicke—Einfluss von Grundölart, Additivierung und Gebrauchszustand auf Viskositätsverhalten und Schmierfilmbildung; FVA Abschlussbericht zum Forschungsvorhaben 400; RWTH Publications: Aachen, Germany, 2004. [Google Scholar]
- Dahlke, H. Handbuch Wälzlager-Technik: Bauarten, Gestaltung, Betrieb; Springer Fachmedien: Wiesbaden, Germany, 1994. [Google Scholar]
- Zhou, R.S.; Hoeprich, M.R. Torque of Tapered Roller Bearings. J. Tribol. 1991, 113, 590–597. [Google Scholar] [CrossRef]










| Section Plane 1 | |
|---|---|
| B = 18 | |
| Inner Ring | Outer Ring |
| = | = |
| = | = |
| Section Plane 2 | |
| Radial | Axial |
| = | = |
| 11 | |
| Geometry | |
![]() | |
| Material Parameters | |
| Steel 100Cr6 | Ceramic Si3N4 |
| = 207 | = 300 |
| = 0.3 | = 0.26 |
| = | = |
| Denotation | Icon | Denotation | Icon |
|---|---|---|---|
| N0-208 | ![]() | N0-208-Ceramic | ![]() |
| NU-208 | ![]() | NU-208-Ceramic | ![]() |
| NJ-208 | ![]() | NJ-208-Ceramic | ![]() |
| Experimental Parameter | Value | ||
| Radial load | 1575 N, 2520 N, 3938 N, 6300 N, 10000 N, 15750 N | ||
| Load angle | 0°, 10°, 20° | ||
| Temperature | 30 °C, 60 °C, 90 °C | ||
| Rotation speed | n | 1000 min−1, 3000 min−1, 5000 min−1, (7000 min−1) | |
| Voltage frequency | f | 4 , 20 , 100 | |
| Lubricant Parameter | Value | ||
| Density at 15 °C | 878 | ||
| Viscosity at 40 °C | 92 | ||
| Viscosity at 100 °C | |||
| Relative | 2.2 | ||
| permittivity |
Disclaimer/Publisher’s Note: The statements, opinions and data contained in all publications are solely those of the individual author(s) and contributor(s) and not of MDPI and/or the editor(s). MDPI and/or the editor(s) disclaim responsibility for any injury to people or property resulting from any ideas, methods, instructions or products referred to in the content. |
© 2026 by the authors. Licensee MDPI, Basel, Switzerland. This article is an open access article distributed under the terms and conditions of the Creative Commons Attribution (CC BY) license.
Share and Cite
Manteufel, J.; Puchtler, S.; Kirchner, E. Capacitance Calculation of Cylindrical Roller Bearing—Modeling of the Cylinder Raceway and Cylinder Flange Contact. Lubricants 2026, 14, 161. https://doi.org/10.3390/lubricants14040161
Manteufel J, Puchtler S, Kirchner E. Capacitance Calculation of Cylindrical Roller Bearing—Modeling of the Cylinder Raceway and Cylinder Flange Contact. Lubricants. 2026; 14(4):161. https://doi.org/10.3390/lubricants14040161
Chicago/Turabian StyleManteufel, Jan, Steffen Puchtler, and Eckhard Kirchner. 2026. "Capacitance Calculation of Cylindrical Roller Bearing—Modeling of the Cylinder Raceway and Cylinder Flange Contact" Lubricants 14, no. 4: 161. https://doi.org/10.3390/lubricants14040161
APA StyleManteufel, J., Puchtler, S., & Kirchner, E. (2026). Capacitance Calculation of Cylindrical Roller Bearing—Modeling of the Cylinder Raceway and Cylinder Flange Contact. Lubricants, 14(4), 161. https://doi.org/10.3390/lubricants14040161








