Evolution of the Geometric Structure of X39Cr13 Steel upon Thermochemical Treatment Specific to Medical-Grade Steels
Abstract
:1. Introduction
2. Materials and Methods
3. Results and Discussion
4. Conclusions
- The structure of the top layer of the initial steel (after quenching and tempering) is monofractal (granular) (D2 = 2.43; fc2 = 1.97 nm).
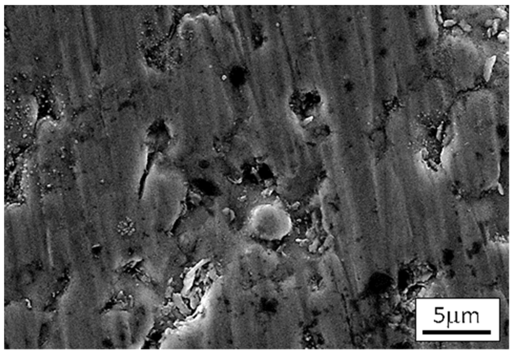
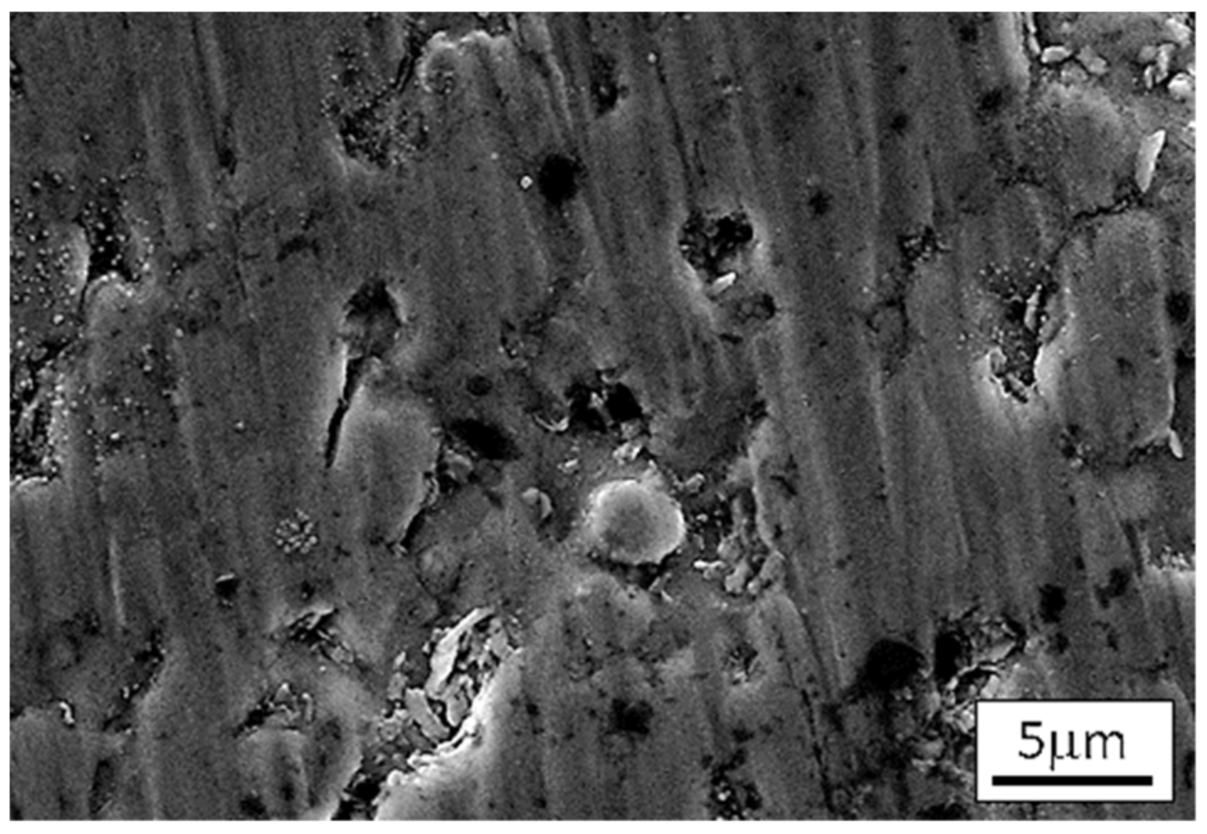
- Corrosion tests performed on heat-treated steels show their heterogeneous surfaces composed of bifractal, clustered pits (a mixture of fine- and coarse-grained structures of various alignment lengths) next to an unchanged structure outside the pits (D1 = 2.17; fc1 = 0.303 nm; D2 = 2,59; fc2 = 4.76 nm).
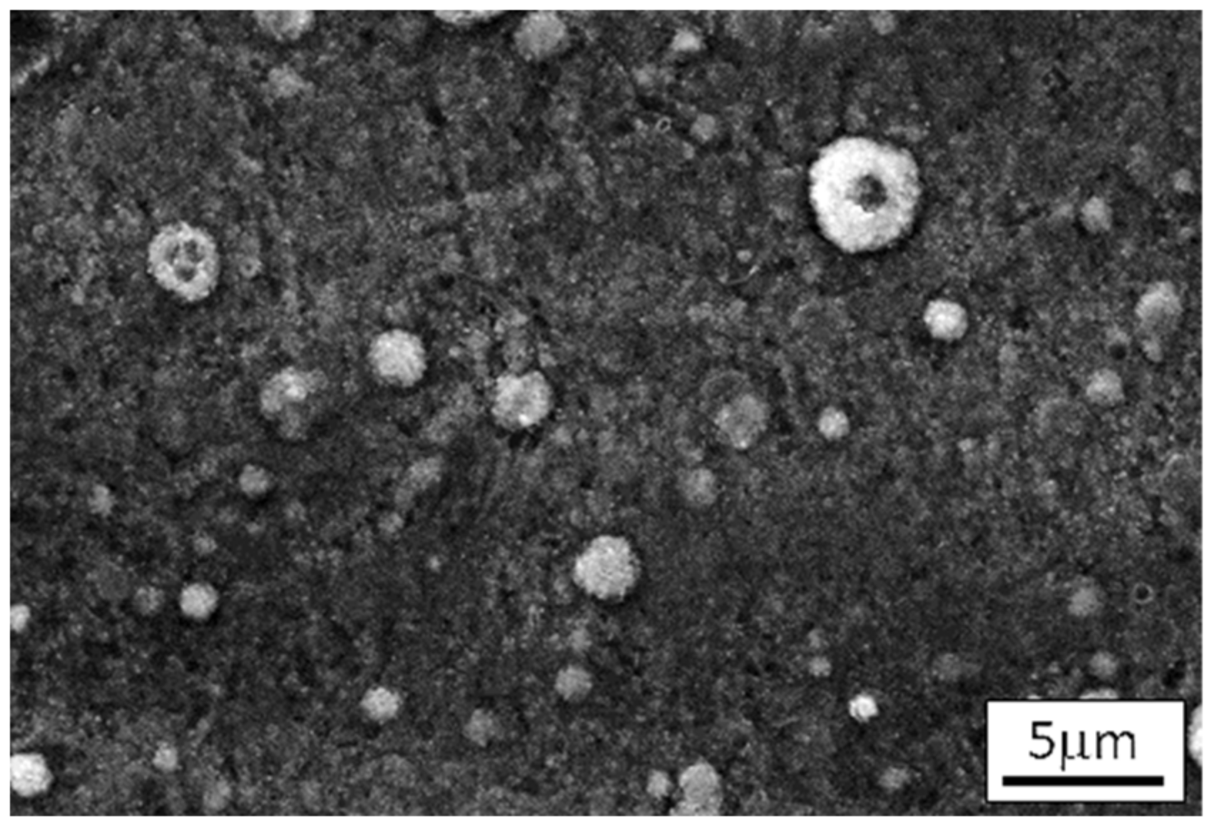
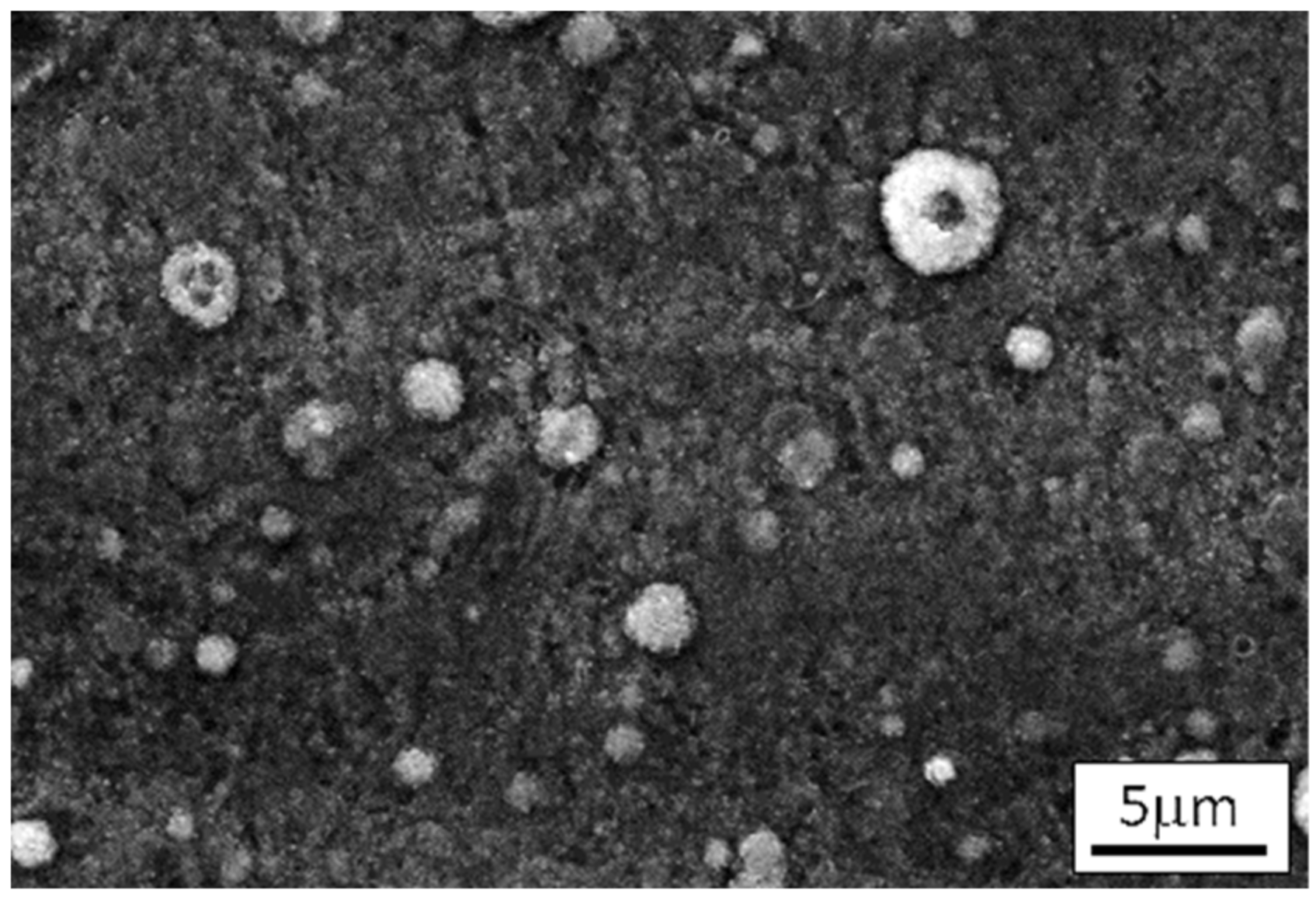
- Nitriding substantially strengthens corrosion resistance and slightly modifies the structure of the top layer of steel: it shortens the range of the self-similarity area (granularity) without changing their degree of development and multiplicity of description (fc2 = 1 nm).
- Temperature was found to be the main factor influencing the properties of the layer generated on the examined steel.
- Fractal characteristics were found to be reliable measures of surface development as well as reliable descriptors of the spatial structure of the surface layer. These characteristics allowed us to recognize the effects of surface degradation.
Author Contributions
Funding
Institutional Review Board Statement
Informed Consent Statement
Data Availability Statement
Conflicts of Interest
References
- Holban, A.M.; Farcasiu, C.; Andrei, O.C.; Grumezescu, A.M.; Farcasiu, A.T. Surface modification to modulate microbial biofilms-applications in dental medicine. Materials 2021, 14, 6994. [Google Scholar] [CrossRef]
- Ossowska, A.; Ryl, J.; Sternicki, T. Production and properties of the porous layer obtained by the electrochemical method on the surface of austenitic steel. Materials 2022, 15, 949. [Google Scholar] [CrossRef]
- Cunha, W.; Carvalho, O.; Henriques, B.; Silva, F.S.; Ozcan, M.; Souza, J.C.M. Surface modification of zirconia dental implants by laser texturing. Lasers Med. Sci. 2022, 37, 77–93. [Google Scholar] [CrossRef]
- Geringer, J.; Fridrici, V.; Ding, H.H.; Kim, K.; Taylor, T.; Semetse, L.; Ehsani-Majd, S.; Olubambi, P.; Fontaine, J.; Kapsa, P. Some hard or soft coatings to protect the pristine biometallic substrates under fretting-corrosion solicitations: What should be the best solution? Lubricants 2020, 8, 55. [Google Scholar] [CrossRef]
- Hussein, M.A.; Kumar, A.M.; Abdelaal, A.F.; Azeem, M.A. Surface analysis and in vitro corrosion properties in artificial saliva of surface-treated Ti6Al4V alloy for dental applications. Metall. Mater. Trans. A Phys. Metall. Mater. Sci. 2021, 52, 4299–4309. [Google Scholar] [CrossRef]
- Garcia-Falcon, C.M.; Gil-Lopez, T.; Verdu-Vazquez, A.; Mirza-Rosca, J.C. Corrosion behavior in Ringer solution of several commercially used metal alloys. Anti-Corros. Methods Mater. 2021, 68, 324–330. [Google Scholar] [CrossRef]
- Bo, W.; Chenghao, L.A.; Peng, W. Electrochemical characteristics of the hydroxyapatite coatings prepared by Mg sacrificial anode. Rare Met. Mater. Eng. 2010, 39, 2069–2074. [Google Scholar] [CrossRef]
- Li, X.Y.; Dou, W.B.; Tian, L.H.; Dong, H.S. Combating the tribo-corrosion of LDX2404 lean duplex stainless steel by low temperature plasma nitriding. Lubricants 2018, 6, 93. [Google Scholar] [CrossRef] [Green Version]
- Ramos, H.E.L.; Franco, A.R., Jr.; Vieira, E.A. Influence of plasma nitriding pressure on microabrasive wear resistance of a microalloyed steel. J. Mater. Res. Technol. 2019, 8, 1694–1700. [Google Scholar] [CrossRef]
- Shukla, K.; Sugumaran, A.A.; Khan, I.; Ehiasarian, A.P.; Hovsepian, P.E. Low pressure plasma nitrided CoCrMo alloy utilising HIPIMS discharge for biomedical applications. J. Mech. Behav. Biomed. Mater. 2020, 111, 104004. [Google Scholar] [CrossRef]
- Kartikasari, R.; Effendy, M. Surface characterization of Fe-10Al-25Mn alloy for biomaterial applications. J. Mater. Res. Technol. 2021, 15, 409–415. [Google Scholar] [CrossRef]
- Kovacs, D.; Quintana, I.; Dobranszky, J. Effects of different variants of plasma nitriding on the properties of the nitrided layer. J. Mater. Eng. Perform. 2019, 28, 5485–5493. [Google Scholar] [CrossRef] [Green Version]
- Zhu, Y.D.; Yan, M.F.; Zhang, Q.L.; Wang, Q.W.; Zhuo, H.Y. Effects of the prefabricated Cu-Ti film on the microstructure and mechanical properties of the multiphase coating by thermo plasma nitriding on C17200 Cu alloy. Coatings 2019, 9, 694. [Google Scholar] [CrossRef] [Green Version]
- Li, X.; Xin, W.D.; Zheng, X.Y.; Ren, Z.A.; Sun, D.Q.; Lu, W.L. Microstructural characterization and formation mechanism of nitrided layers on aluminum substrates by thermal plasma nitriding. Metals 2019, 9, 523. [Google Scholar] [CrossRef] [Green Version]
- Tao, X.; Matthews, A.; Leyland, A. On the nitrogen-induced lattice expansion of a non-stainless austenitic steel, Invar 36 (R), under triode plasma nitriding. Metall. Mater. Trans. A Phys. Metall. Mater. Sci. 2020, 51, 436–447. [Google Scholar] [CrossRef] [Green Version]
- Lin, Y.H.; Lan, W.C.; Ou, K.L.; Liu, C.M.; Peng, P.W. Hemocompatibility evaluation of plasma-nitrided austenitic stainless steels at low temperature. Surf. Coat. Technol. 2012, 206, 4785–4790. [Google Scholar] [CrossRef]
- Chong, S.O.; Kim, S.J. Effects of plasma jon nitriding temperatures on cavitation-erosion resistance of STS 304 in seawater. Acta Phys. Pol. A 2019, 135, 968–971. [Google Scholar] [CrossRef]
- Mateescu, A.O.; Mateescu, G.; Balan, A.; Ceaus, C.; Stamatin, I.; Cristea, D.; Samoila, C.; Ursutiu, D. Stainless steel surface nitriding in open atmosphere cold plasma: Improved mechanical, corrosion and wear resistance properties. Prime Arch. Mater. Sci. 2021, 14, 4836. [Google Scholar] [CrossRef]
- Dalibon, E.L.; Czerwiec, T.; Trava-Airoldi, V.J.; Ghafoor, N.; Rogstrom, L.; Oden, M.; Bruhl, S.P. Characterization of DLC coatings over nitrided stainless steel with and without nitriding pre-treatment using annealing cycles. J. Mater. Res. Technol. 2019, 8, 1653–1662. [Google Scholar] [CrossRef]
- De Araujo Junior, E.; Bandeira, R.M.; Manfrinato, M.D.; Moreto, J.A.; Borges, R.; Vales, S.D.; Suzuki, P.A.; Rossino, L.S. Effect of ionic plasma nitriding process on the corrosion and micro-abrasive wear behavior of AISI 316L austenitic and AISI 470 super-ferritic stainless steels. J. Mater. Res. Technol. 2019, 8, 2180–2191. [Google Scholar] [CrossRef]
- Aizawa, T.; Yoshino, T.; Morikaw, K.; Yoshihar, S.I. Microstructure of plasma nitrided AISI420 martensitic stainless steel at 673 K. Crystals 2019, 9, 60. [Google Scholar] [CrossRef] [Green Version]
- Fischer, B.; Neidel, A. Intergranular corrosion in retaining rings made of X39CrMo17-1 and X39Cr13. Prakt. Metallogr. 2014, 51, 463–474. [Google Scholar] [CrossRef]
- Gilewicz, A.; Chmielewska, P.; Murzynski, D.; Dobruchowska, E.; Warcholinski, B. Corrosion resistance of CrN and CrCN/CrN coatings deposited using cathodic arc evaporation in Ringer’s and Hank’s solutions. Surf. Coat. Technol. 2016, 299, 7–14. [Google Scholar] [CrossRef]
- López, R.; Menéndez, M.; Fernández, C.; Chmiela, A.; Bernardo-Sánchez, A. The influence of carbon coatings on the functional properties of X39Cr13 and 316LVM steels intended for biomedical applications. Metals 2019, 9, 815. [Google Scholar] [CrossRef] [Green Version]
- Méndez, A.; Reyes, Y.; Trejo, G.; Stępień, K.; Ţălu, Ş. Micromorphological characterization of zinc/silver particle composite coatings. Microsc. Res. Tech. 2015, 78, 1082–1089. [Google Scholar] [CrossRef] [Green Version]
- Moldovan, M.; Prodan, D.; Popescu, V.; Prejmerean, C.; Saroşi, C.; Saplonţai, M.; Ţălu, Ş.; Vasile, E. Structural and morphological properties of HA-ZnO powders prepared for biomaterials. Open Chem. 2015, 13, 725–733. [Google Scholar] [CrossRef]
- Salehi, M.; Noordermeer, J.W.M.; Reuvekamp, L.A.E.M.; Blume, A. Characterization of counter-surface substrates for a laboratory abrasion tester (LAT100) compared with asphalt and concrete to predict car tire performance. Lubricants 2022, 10, 8. [Google Scholar] [CrossRef]
- Violano, G.; Afferrante, L. Roughness-induced adhesive hysteresis in self-affine fractal surfaces. Lubricants 2021, 9, 7. [Google Scholar] [CrossRef]
- Pimienta, C.; Dubuc, B.; Tawashi, R. Surface fractal dimension and the quantification of roughness of titanium implant material. Cells Mater. 1994, 4, 379–386. [Google Scholar]
- Sinha, S.D.; Das, S.; Tarafdar, S.; Dutta, T. Monitoring of wild pseudomonas biofilm strain conditions using statistical characterization of scanning electron microscopy images. Ind. Eng. Chem. Res. 2017, 56, 9496–9512. [Google Scholar] [CrossRef] [Green Version]
- Anu, A.; Khadar, M.A. Grain size tuning of nanostructured Cu2O films through vapour phase supersaturation control and their characterization for practical applications. AIP Adv. 2015, 5, 097176. [Google Scholar] [CrossRef]
- Venkatesh, B.; Chen, D.L.; Bhole, S.D. Three-dimensional fractal analysis of fracture surfaces in a titanium alloy for biomedical applications. Scr. Mater. 2008, 59, 391–394. [Google Scholar] [CrossRef]
- EN 10088-1; Stainless Steels—Part 1: List of Stainless Steels. European Committee for Standardization: Brussels, Belgium; p. 1995.
- Thomas, R.R.; Rosén, B.G.; Amini, N. Fractal characterization of the anisotropy of rough surfaces. Wear 1999, 232, 41–50. [Google Scholar] [CrossRef]
- Gwoździk, M. Optymization of heat and surface treatment of X39Cr13 steel designated for surgical instruments. In Collective Monograph: Material and Exploitation Problems in Modern Materials Engineering; Monograph No.2; Faculty of Processes and Materials Engineering and Applied Physics: Czestochowa, Poland, 2009; pp. 73–93. ISBN 978-83-8745-23-3. [Google Scholar]
- Gwoździk, M.; Kulesza, S.; Bramowicz, M.; Bałaga, Z. Surface morphology analysis of martensitic stainless steel after different treatments. Acta Phys. Pol. 2019, 135, 157–161. [Google Scholar] [CrossRef]
- Gwoździk, M.; Kulesza, S.; Bramowicz, M. Surface morphology analysis of X39Cr13 steel using for biomedical application. In Proceedings of the 28th International Conference on Metallurgy and Materials (METAL 2019), Brno, Czech Republic, 22–24 May 2019; pp. 1022–1027. [Google Scholar]
- Gwoździk, M.; Bramowicz, M.; Kulesza, S. Application of fractal geometry methods for analysis of X39Cr13 steel after heat and surface treatments. In Proceedings of the 27th International Conference on Metallurgy and Materials (METAL 2018), Brno, Czech Republic, 23–25 May 2018; pp. 1114–1120. [Google Scholar]
- Gwoździk, M.; Nitkiewicz, Z.; Bala, H.; Tokarz, A. The influence of various heat and surface treatments on the corrosion resistance of martensitic steel in a physiological environment. Inżynieria Materiałowa 2010, 176, 984–986. (In Polish) [Google Scholar]
- De Anders, C.G.; Caruana, G.; Alvares, L.F. Control of M23C6 carbides in 0.45C-13Cr martensitic stainless steel by means of three representative heat treatment parameters. Mater. Sci. Eng. 1998, A241, 211–215. [Google Scholar] [CrossRef]
- Heimanne, W.; Oppenheime, R.; Wessling, W. Stainless Steels. In Steel: A Handbook for Materials Research and Engineering, Volume 2: Application; Eisenhüttenleute, V.D., Ed.; Springer: Berlin/Heidelberg, Germany, 1993; Chapter C13; pp. 382–422. [Google Scholar]
- Tillmann, W.; Grisales, D.; Stangier, D.; Butzke, T. Tribomechanical behaviour of TiAlN and CrAlN coatings deposited onto AISI H11 with different pre-treatments. Coatings 2019, 9, 519. [Google Scholar] [CrossRef] [Green Version]












| Process | D1 [-] | fc1 [nm] | D2 [-] | fc2 [nm] |
|---|---|---|---|---|
| H + T | - | - | 2.43 | 1.97 |
| H + T + C (inside of the pit) | 2.17 | 0.303 | 2.59 | 4.76 |
| H + T + C (outside of the pit) | - | - | 2.50 | 1.58 |
| H + T + S | - | - | 2.41 | 1.71 |
| H + T + S + C (inside of the pit) | 2.18 | 0.292 | 2.44 | 2.88 |
| H + T + S + C (outside of the pit) | - | - | 2.39 | 1.27 |
| H + T + N | - | - | 2.39 | 1.00 |
| H + T + N + C | - | - | 2.46 | 1.25 |
| H + T + N + S | 2.32 | 0.216 | 2.76 | 5.99 |
| H + T + N + S + C | 2.20 | 0.430 | 2.65 | 1.93 |
Publisher’s Note: MDPI stays neutral with regard to jurisdictional claims in published maps and institutional affiliations. |
© 2022 by the authors. Licensee MDPI, Basel, Switzerland. This article is an open access article distributed under the terms and conditions of the Creative Commons Attribution (CC BY) license (https://creativecommons.org/licenses/by/4.0/).
Share and Cite
Gwoździk, M.; Bramowicz, M.; Kulesza, S. Evolution of the Geometric Structure of X39Cr13 Steel upon Thermochemical Treatment Specific to Medical-Grade Steels. Lubricants 2022, 10, 114. https://doi.org/10.3390/lubricants10060114
Gwoździk M, Bramowicz M, Kulesza S. Evolution of the Geometric Structure of X39Cr13 Steel upon Thermochemical Treatment Specific to Medical-Grade Steels. Lubricants. 2022; 10(6):114. https://doi.org/10.3390/lubricants10060114
Chicago/Turabian StyleGwoździk, Monika, Mirosław Bramowicz, and Sławomir Kulesza. 2022. "Evolution of the Geometric Structure of X39Cr13 Steel upon Thermochemical Treatment Specific to Medical-Grade Steels" Lubricants 10, no. 6: 114. https://doi.org/10.3390/lubricants10060114
APA StyleGwoździk, M., Bramowicz, M., & Kulesza, S. (2022). Evolution of the Geometric Structure of X39Cr13 Steel upon Thermochemical Treatment Specific to Medical-Grade Steels. Lubricants, 10(6), 114. https://doi.org/10.3390/lubricants10060114

