Development of Digital Models of Interconnected Electrical Profiles for Rolling–Drawing Wire Mills
Abstract
1. Introduction
- Higher productivity due to:
- increasing the speed of rolling–drawing up to 30–45 m/s (conventional straight-through drawing mills run at 10–13 m/s); and
- increasing the operating efficiency (efficiency of the production process) from 0.5 to 0.9–0.95 by reducing the wire breakage and shortening the time for auxiliary operations (feeding the mill, replacing the coils of the winding machines, etc.).
- Reduction of energy consumption for wire production by 30–40%, mainly due to the use of the reserve of frictional forces during rolling and reduction of friction losses during drawing.
- Improving the product quality by combining the advantages of rolling (uniform drafting, etc.) and drawing: high-quality lengthwise surface and sectional “geometry”.
- Expansion of the assortment and increasing the flexibility of production due to the use of a rolling section, which provides the option of quick readjustment to the required drafting and, accordingly, to a new thickness of the rolling stock.
- An option for producing wire from difficult-to-form steel grades by installing two or more rolling sections in the technological line.
2. Problem Formulation
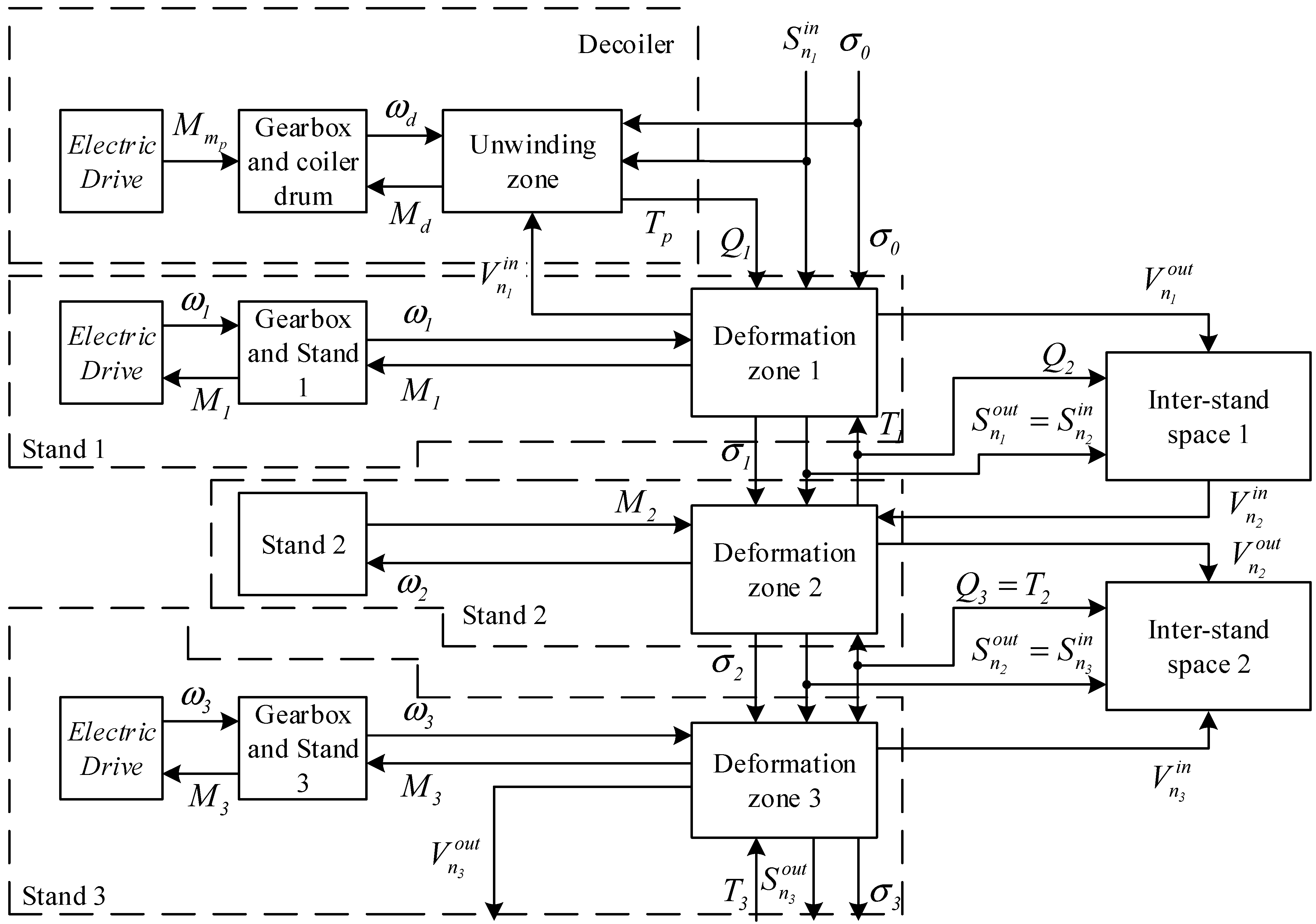
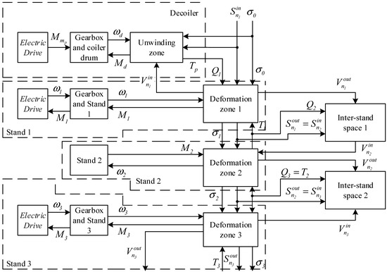
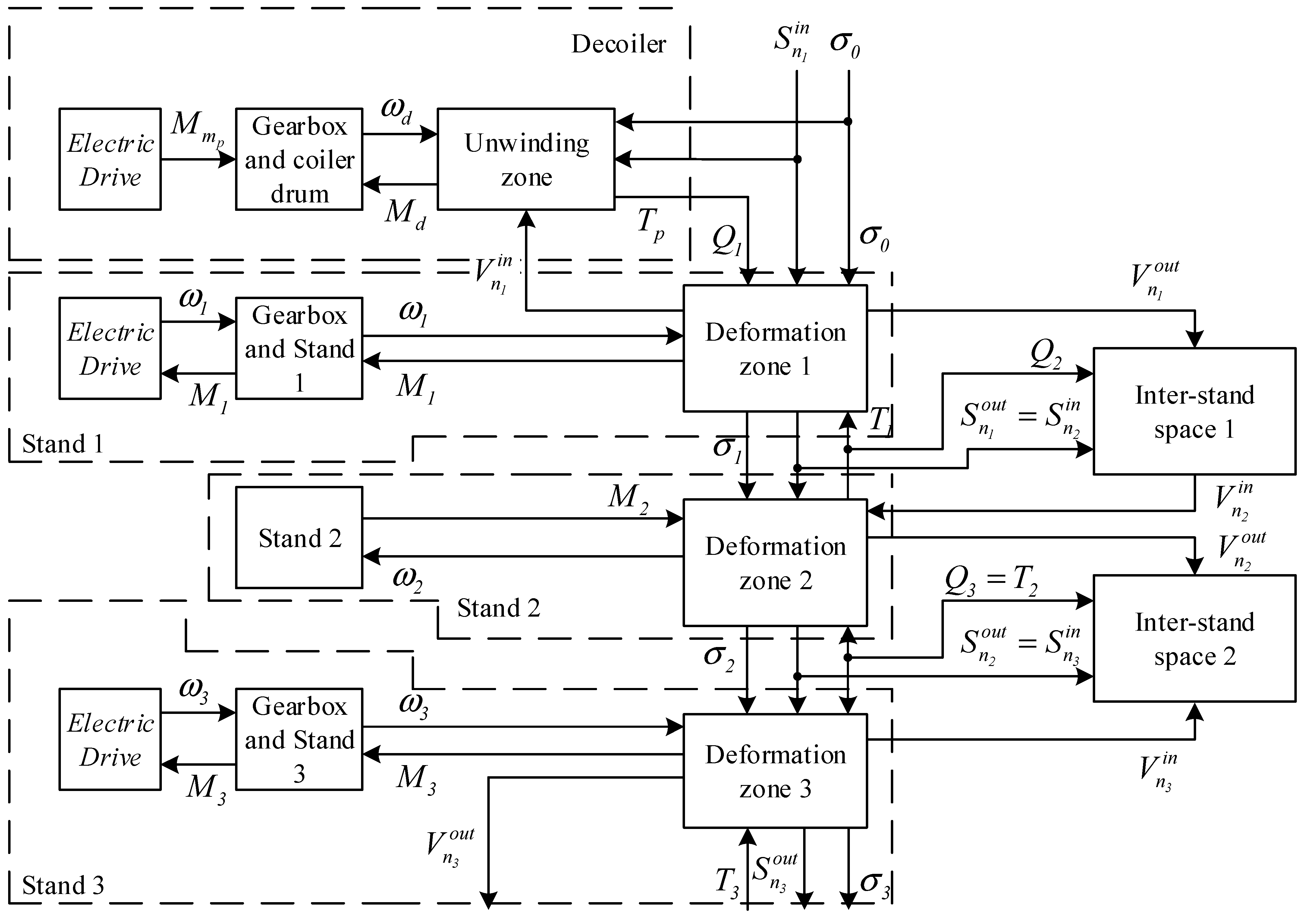
2.1. Description of the Research Object
2.2. Structure of the Digital Model of the Rolling–Drawing Mill
2.3. List of Active Tasks
3. Materials and Methods
3.1. Assumptions Made in the Development of Digital Models of a Continuous Rolling Mill
- In the intervals between the deformation zones, the unwinding and winding sections:
- The weight of the wire is insignificant and has no impact on its deformation.
- The physical and mechanical properties of the material are uniform.
- The workpiece and wire have a constant area and cross-sectional shape.
- The forces in the workpiece and the processed wire outside the deformation zones do not exceed the yield point of the material, i.e., the deformation is extremely elastic.
- Elastic deformation is uniformly distributed over the entire section of the workpiece, and the wave processes associated with the distribution of deformation along the length are negligible and neglected.
- In the deformation zones:
- Mill rolls and stands are considered as absolutely rigid mechanical systems.
- The roughness of the tool surface is uniform throughout the deformation zone.
- The properties of the technological lubricant, and, consequently, the friction coefficient, are constant within the deformation zone.
- The boundaries of the deformation zone are determined by the “rigid ends” theory and coincide with the inlet and outlet sections of the milled metal.
- In the mechanical units of the mill:
- The elastic properties of the connecting shafts and gearboxes do not affect the operating modes of electric motors and the process of forming tension (back pressure) in rhe workpiece.
- There is neither roll slipping nor wire slipping along the drum of the drawing block.
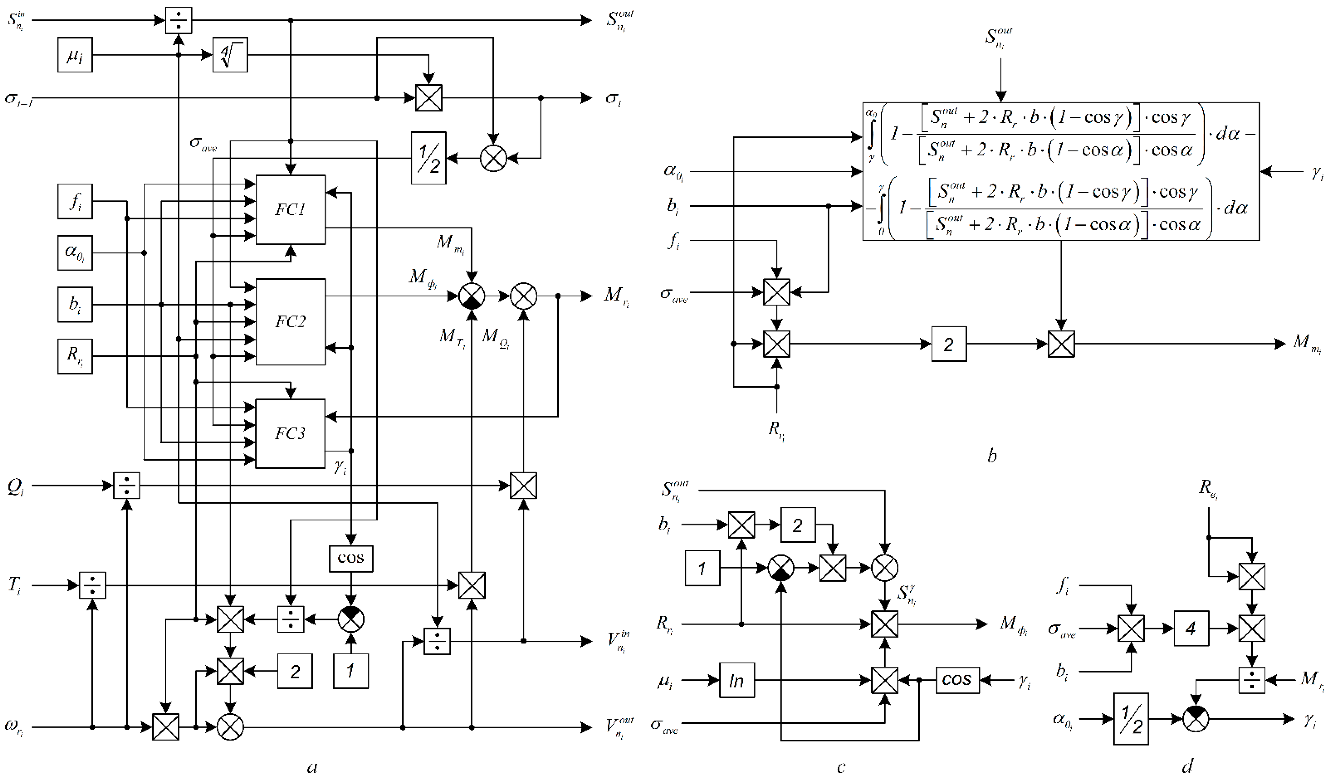
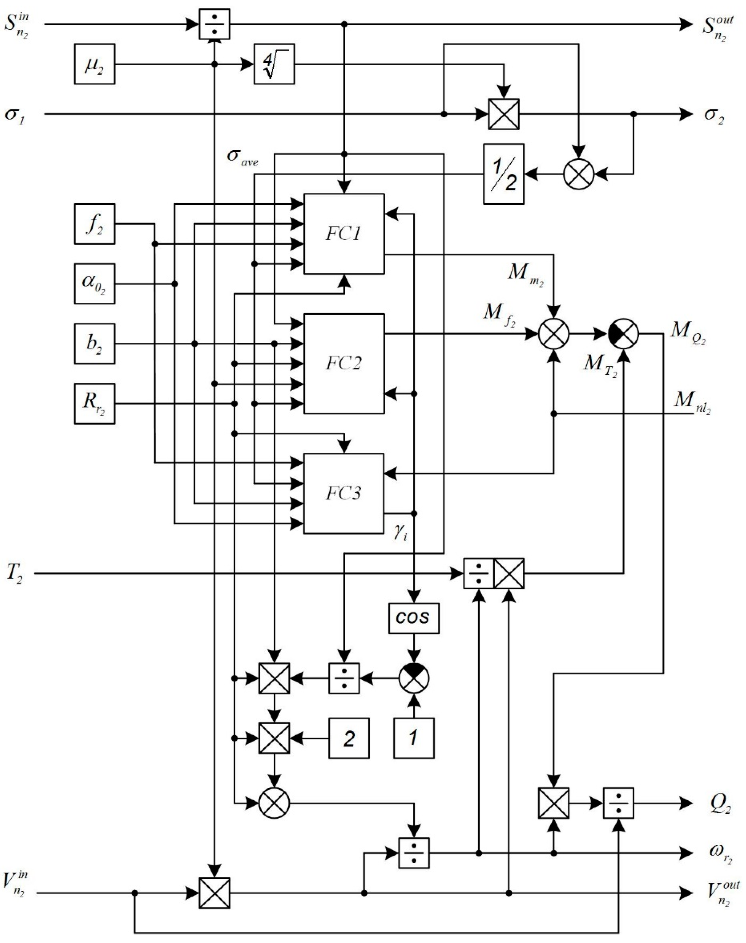
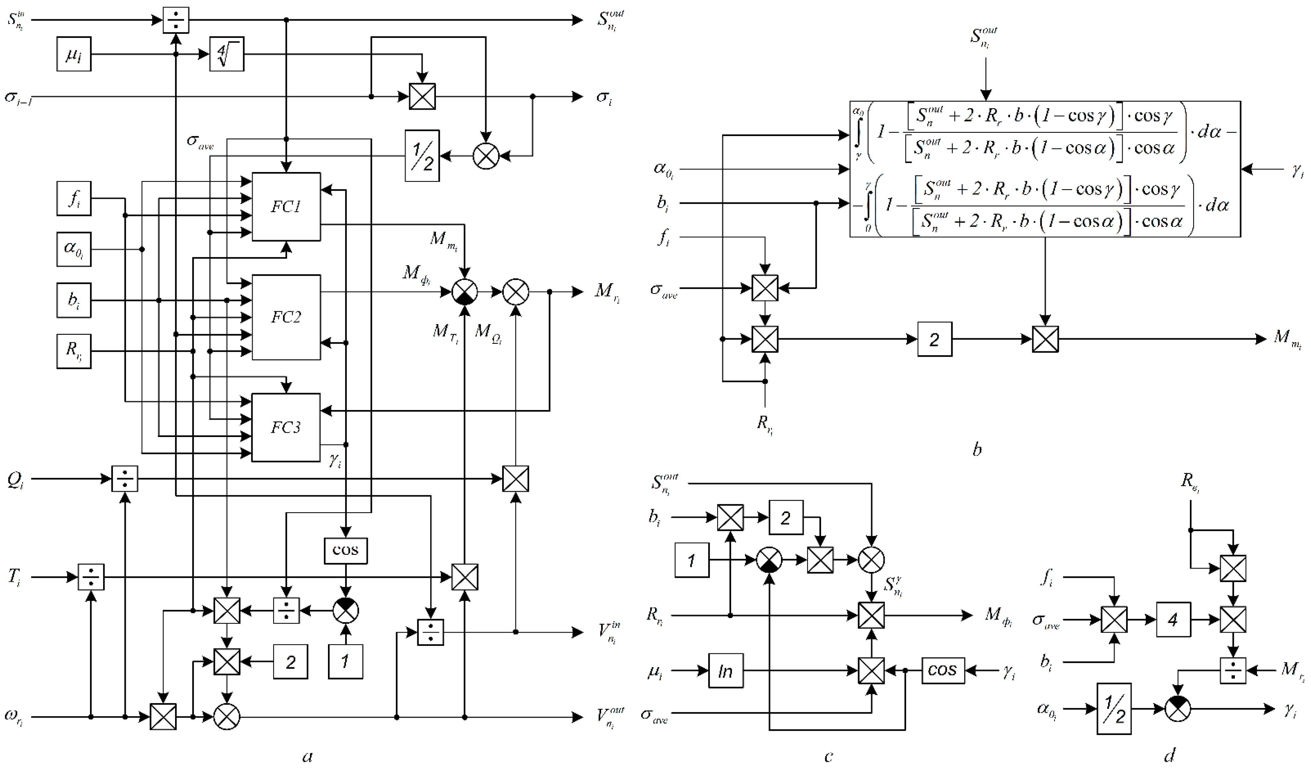
3.2. Digital Model of the Deformation Zone of the Drive Stand
- For backward slip zone:
- For forward slip zone:
- For backward slip zone:
- For forward slip zone:
- For full power of friction:
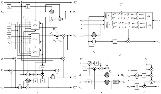
3.3. Mathematical Description of Idle Stand Deformation Zone
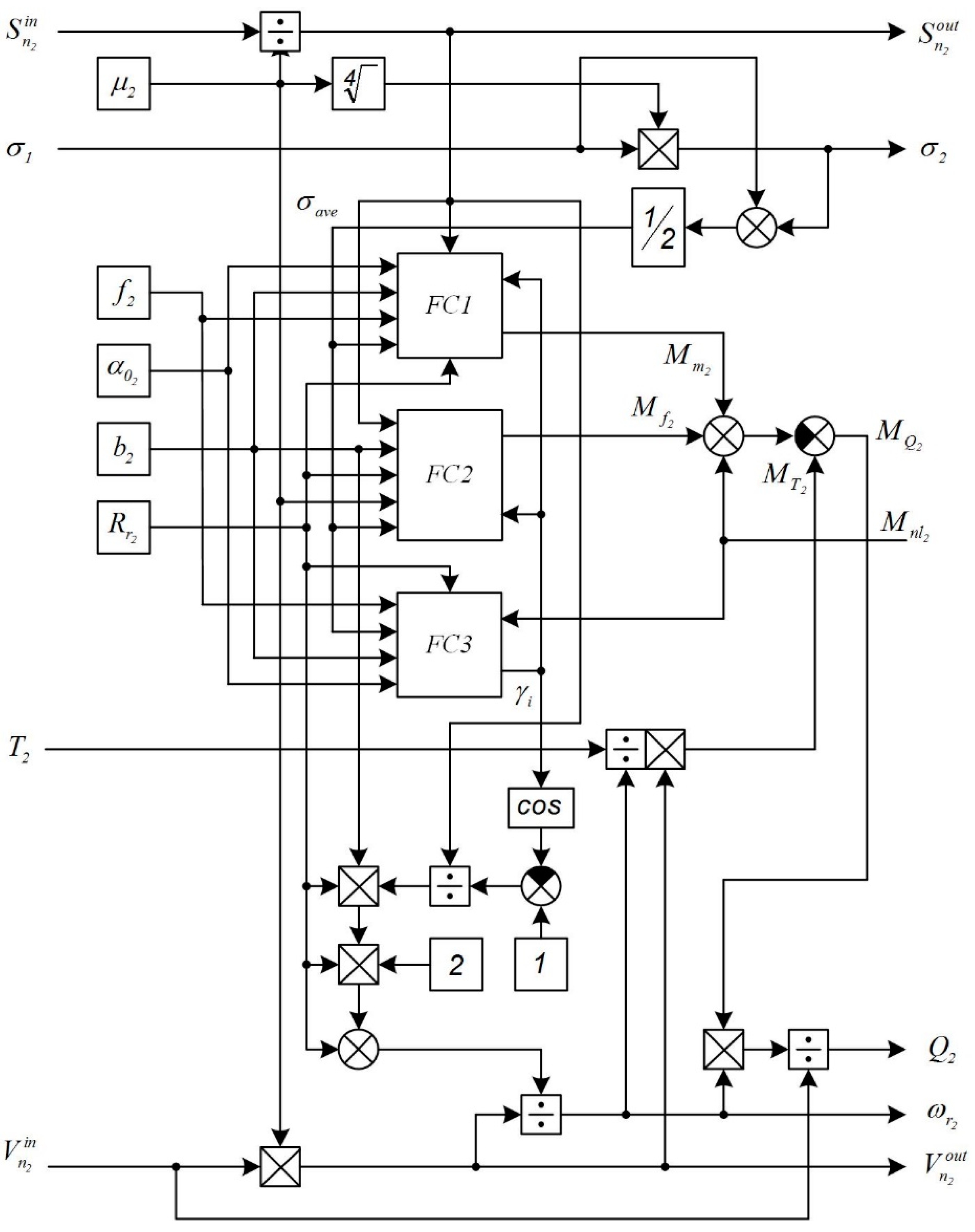
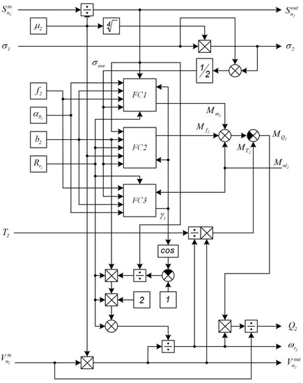
3.4. Digital Model of the Inter-Stand Space
3.5. Purpose of the Developed Digital Models
- Development of an integrated model of multi-connected mechatronic systems of a rolling mill. The purpose of the model is to study the interaction of such systems through metal.
- Study of the impact of external factors on the metal forming in the deformation zone.
- Analysis of load modes of electric drives during adoption of new assortments and profiles of rolled products and calculation of the strength characteristics of mechanical equipment.
- Study of dynamic loads and transient processes of electromechanical systems under disturbances arising during rolling and optimization of dynamic modes.
- Development of new control algorithms in digital control systems of various levels.
4. Development of a Method for Controlling Electric Drives of a Rolling Block
4.1. Using the Frictional Force Reserve during Rolling
4.2. Regulation Principle and Electric Drive Control System
5. Result
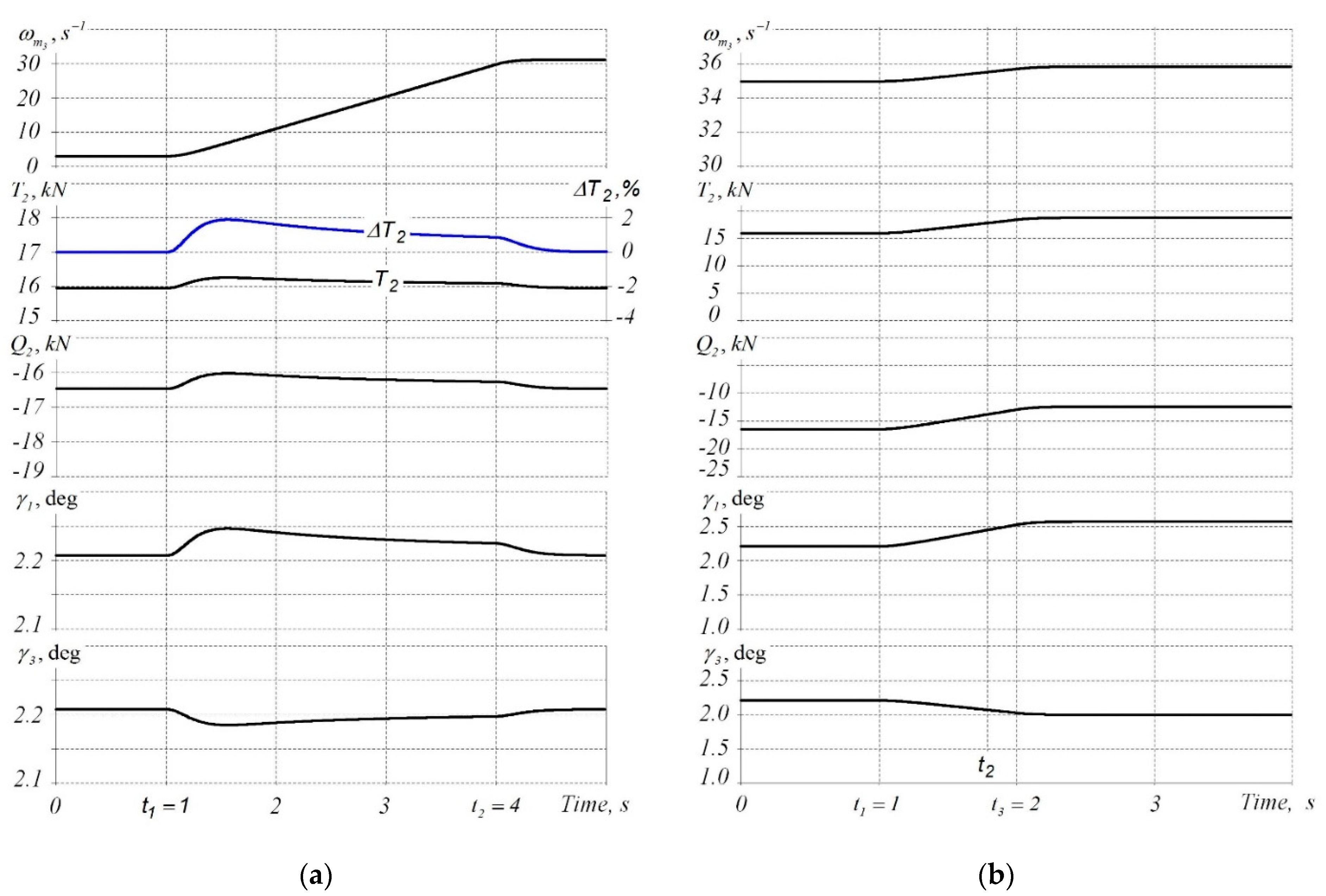
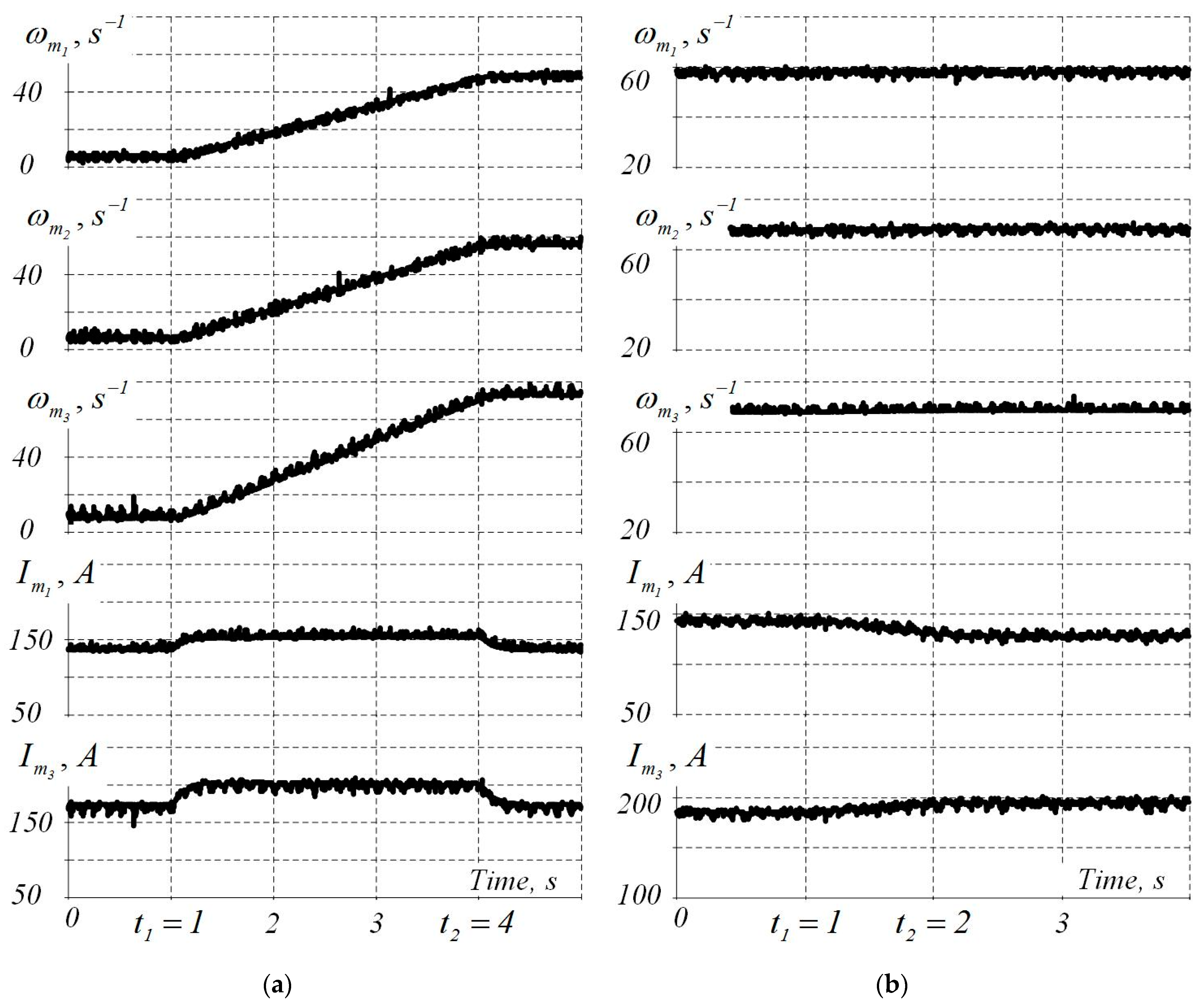
5.1. Results of Mathematical Modeling
5.2. Results of Experimental Studies
6. Discussion of the Results
- Improve the quality of rolled products by increasing the accuracy of control of process conditions.
- Reduce energy consumption by optimizing load modes and redistributing loads between the stands.
- Increase equipment durability by optimizing rolling forces and reducing dynamic loads.
7. Conclusions
- Functional dependencies of technological variables of a continuous rolling section with an idle inter-stand of an integrated rolling–drawing mill are determined. These include rolling forces, drive torques, drive or roll speeds and inter-stand tensions. The assumptions made during the development of models of deformation zones and inter-stand spaces are substantiated.
- Digital models of deformation zones of stands and inter-stand spaces of a three-stand train are developed, with due consideration of the relationship between the driven and idle stands through the metal. They provide ground for analyzing the processes in the deformation and tension zones when changing the process conditions of rolling and the mechanical properties of the processed metal.
- On the basis of local digital models, a block diagram of a rolling section model with an idle inter-stand is developed. The development takes into account the relative elastic elongation of the wire in the inter-stand spaces and the conditions for its deformation in the driven and idle stands.
- A complex mathematical model is developed, providing for analysis of the steady-state and dynamic rolling modes by methods of structural modeling. The model is implemented in the form of software modules in the Simulink programming environment as part of the Matlab 7.0 suite.
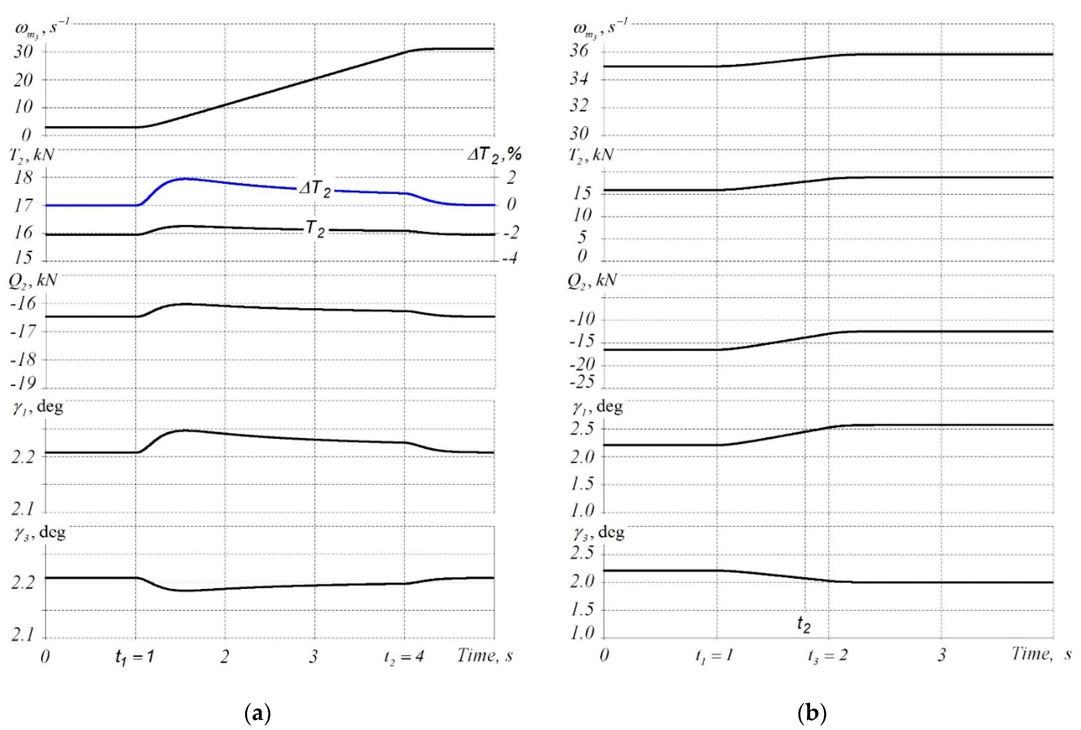
- The control principle for electric drives of a three-stand rolling section with control of critical angles in the deformation zones of the drive stands is substantiated. The implementation of the method provides for the use of the energy of frictional forces for controlled rolling of the feed metal in an idle stand.
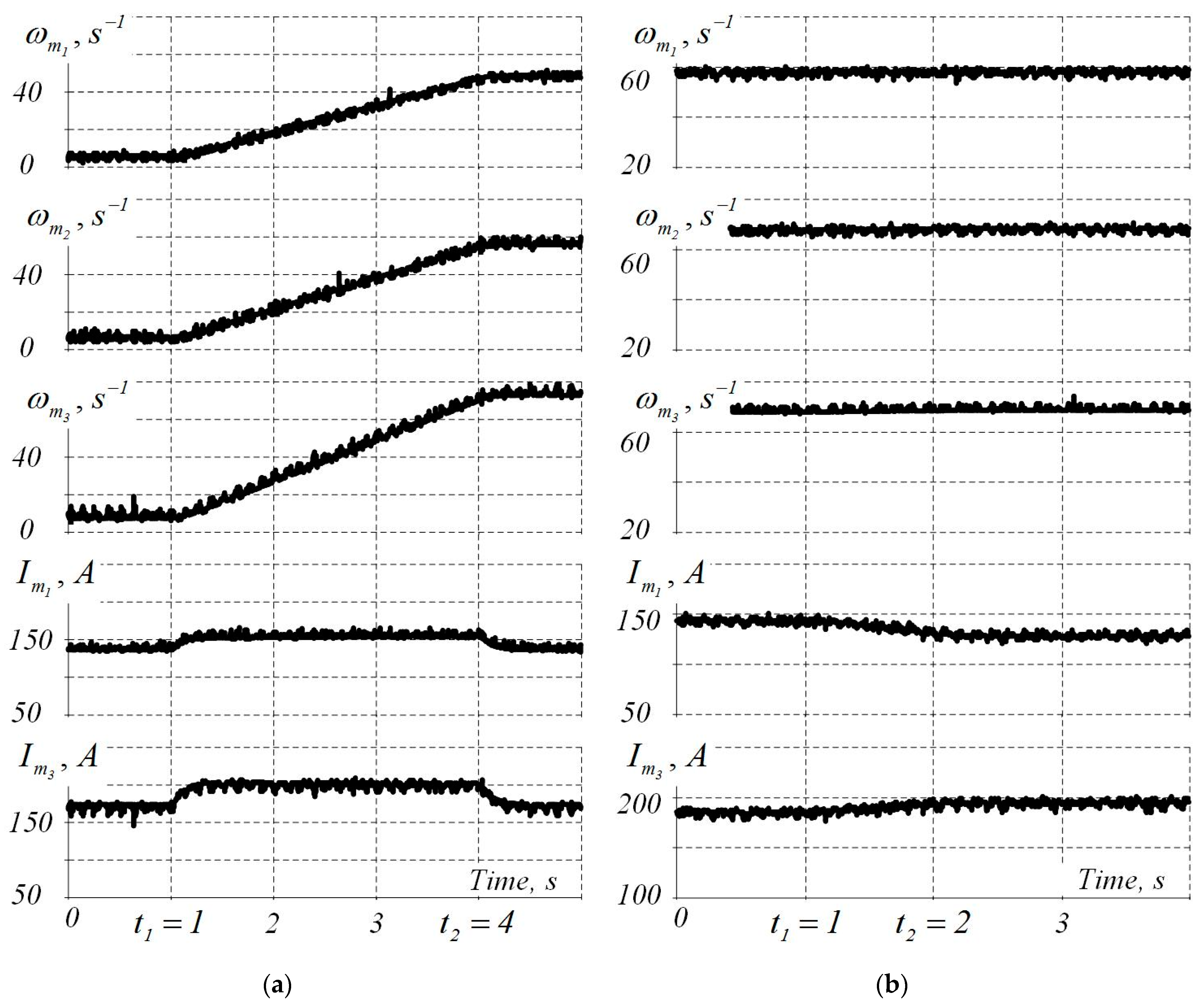
- As a result of mathematical modeling and experimental studies, it was found that the absence of the critical angle control in the acceleration mode leads to deviations of the inter-stand tension, up to 12%. Implementation of the developed control method results in fall of the maximum tensile deviations even below the permissible level of ±5%. This is achieved due to the rapid response time of the critical angle control system, which ensures the equalization of the speeds of the electric drives in successive stands. As a result, the precision of tension regulation in the inter-stand spaces is increased. The research results confirm a 2.5-fold decrease in regulation error, from 12% to 5%.
- The conducted runtime assessment of electric drives of the rolling section confirmed the adequacy of the developed model to the physical object. The legitimacy of the theoretical premises and assumptions used in the development of a control system for electric drives was confirmed indirectly.
- The developed digital models are recommended for use in research of dynamic modes and power interconnection of electromechanical systems of continuous sheet and section rolling mills. The proposed method for controlling electric drives can be used in the development of control algorithms that limit the power connection of the stands through the metal.
Author Contributions
Funding
Institutional Review Board Statement
Informed Consent Statement
Conflicts of Interest
References
- Brook, P.A. Digital twins based on the simulation of multiphysics processes. Des. Autom. 2019, 1–2, 74–76. [Google Scholar]
- Oztemel, E.; Gursev, S. Literature review of Industry 4.0 and related technologies. J. Intell. Manuf. 2020, 31, 127–182. [Google Scholar] [CrossRef]
- Lim, K.Y.H.; Zheng, P.; Chen, C.H. A state-of-the-art survey of Digital Twin: Techniques, engineering product lifecycle management and business innovation perspectives. J. Intell. Manuf. 2020, 31, 1313–1337. [Google Scholar] [CrossRef]
- Kunath, M.; Winkler, H. Integrating the Digital Twin of the manufacturing system into a decision support system for improving the order management process. Procedia Cirp 2018, 72, 225–231. [Google Scholar] [CrossRef]
- Park, C.Y.; Kim, J.W.; Kim, B.; Lee, J. Prediction for Manufacturing Factors in a Steel Plate Rolling Smart Factory Using Data Clustering-Based Machine Learning. IEEE Access 2020, 8, 60890–60905. [Google Scholar] [CrossRef]
- Qu, Y.J.; Ming, X.G.; Liu, Z.W. Smart manufacturing systems: State of the art and future trends. Int. J. Adv. Manuf. Technol. 2019, 103, 3751–3768. [Google Scholar] [CrossRef]
- Ansaldo Sistemi Industriali. Automation Systems in Flat Products White Paper. Available online: https://www.nidec.com/~/media/nidec-com/product/catalog/pdf/asi/Automation_Systems_in_Flat_Products.pdf (accessed on 1 January 2021).
- Zhang, F.; Wang, X.; Zong, S.; Xiang, X. Research and application of computer control system for aluminium single-stand 4-high cold rolling mill. J. Eng. 2016, 2016, 415–422. [Google Scholar] [CrossRef]
- Ohlert, J.; Sprock, A.; Sudau, P. Digitalization in Hot and Cold Rolling Mills. Mater. Sci. Forum 2016, 854, 215–224. [Google Scholar] [CrossRef]
- Junquera, A.M.V.; González, J.G.; Balsera, J.M.V.; Montequín, V.R. A Wire Rod Rolling Mill Digital Twin for the Simulation of the Rolls Replacement Process. Proceedings 2020, 63, 13. [Google Scholar] [CrossRef]
- Sadovoi, O.; Nazarova, O.; Bondarenko, V.; Pirozhok, A.; Hutsol, T.; Nurek, T.; Glowacki, S. Modeling and Research of Electromechanical Systems of Cold Rolling Mills; Monograph: Krakow, Poland, 2020; Available online: http://188.190.33.55:7980/jspui/handle/123456789/7350pdf (accessed on 1 January 2021).
- Kharitonov, V.A.; Radionova, L.V. Designing of Resource Saving Technologies of High Tensile Carbon Steel Wire Production Based on Modelling; MSTU: Magnitogorsk, Russia, 2008. [Google Scholar]
- Pedersen, L.M. Modeling and Control of Plate Mill Processes. Department of Automatic Control, Lund Institute of Technology. Available online: https://portal.research.lu.se/portal/en/publications/modeling-and-control-of-plate-mill-processes(99cfc9e1-ce09-4e9d-b5e7-92033a4a31b0).html (accessed on 1 January 2021).
- Yin, F.; Zhang, D.; Zhang, Y. Dynamic modelling and rolling data analysis of the tandem hot rolling process. Trans. Soc. Model. Simul. Int. 2017, 93, 307–321. [Google Scholar] [CrossRef]
- Karandaev, A.S.; Baskov, S.N.; Gasiyarova, O.A.; Loginov, B.M.; Khramshin, V.R. Calculating Simulation Model Parameters for Electromechanical System of Rolling Mill Stand. Int. Ural Conf. Electr. Power Eng. 2020, 469–474. [Google Scholar] [CrossRef]
- Alves, P.G.; Castro, J.A.; Moreira, L.P.; Hemerly, E.M. Modeling, simulation and identification for control of tandem cold metal rolling. Mater. Res. 2012, 15, 928–936. [Google Scholar] [CrossRef]
- Alves, P.G.; Hemerly, E.M. Modeling and numerical simulation of the deformation for calculations of set-up parameters in processes of cold rolling. In Proceedings of the 44th Rolling Seminar—Processes, Rolled and Coated Products. 2007. Available online: https://www.scielo.br/scielo.php?script=sci_nlinks&ref=000176&pid=S1516-1439201200060001500018&lng=en (accessed on 1 January 2021).
- Kozhevnikov, A.V.; Kozhevnikova, I.A.; Bolobanova, N.L. Simulation of cold-rolling process in dynamic conditions. Metallurgist 2017, 61, 519–522. [Google Scholar] [CrossRef]
- Hirt, G.; Senge, S. Selected processes and modelling techniques for rolled products. Procedia Eng. 2014, 81, 18–27. [Google Scholar] [CrossRef]
- Hanoglu, U.; Šarler, B. Hot Rolling Simulation System for Steel Based on Advanced Meshless Solution. Metals 2019, 9, 788. [Google Scholar] [CrossRef]
- Sorochan, E.; Artiukh, V.; Melnikov, B.; Raimberdiyev, T. Mathematical Model of Plates and Strips Rolling for Calculation of Energy Power Parameters and Dynamic Loads. Matec Web Conf. 2016, 73, 04009. [Google Scholar] [CrossRef]
- Sun, J.; Peng, Y.; Liu, H. Dynamic characteristics of cold rolling mill and strip based on flatness and thickness control in rolling process. J. Cent. South Univ. 2014, 21, 567–576. [Google Scholar] [CrossRef]
- Kozhevnikov, A.V.; Kozhevnikova, I.A.; Bolobanova, N.L. Development of the model of cold rolling process in dynamic conditions. J. Chem. Technol. Metall. 2018, 53, 366–372. [Google Scholar]
- Radionov, A.A.; Karandaev, A.S.; Evdokimov, A.S.; Andryushin, I.Y.; Gostev, A.N.; Shubin, A.G. Mathematical modelling of interconnected electromechanical systems of a continuous subgroup of rolling mill stands. Part 1. Development of a mathematical model. Bull. South Ural State Univ. Ser. Energy Ind. 2015, 15, 59–73. [Google Scholar] [CrossRef]
- Glowacki, M.; Kedzierski, Z.; Kusiak, H.; Madej, W.; Pietrzyk, M. Simulation of metal flow, heat transfer and structure evolution during hot rolling in square-oval-square series. J. Mater. Process. Technol. 1992, 34, 509–516. [Google Scholar] [CrossRef]
- Riches, P. Rolling into the Future, Long Rolling Control System Utilizing the Changing Trends in Technology and Digitalization. Technical Contribution to the 21 Seminário de Automação e TI, Part of the ABM Week. SP, Brazil. 2017. Available online: https://abmproceedings.com.br/en/article/rolling-into-the-future-long-rolling-control-system-utilizing-the-changing-trends-in-technology-and-digitalization (accessed on 1 January 2021).
- Radionov, A.A. Automated Electric Drive for Steel Wire Production: A Monograph; GOU VPO “MSTU”: Magnitogorsk, Russia, 2007. [Google Scholar]
- Radionova, L.V.; Radionov, A.A. Current state and development prospects of steel wire drawing process. Mech. Eng. Netw. Electron. Sci. J. 2013, 1, 3–11. [Google Scholar] [CrossRef]
- Zhuchkov, S.M.; Gorbanev, A.A.; Kolosov, B.N. New technology and equipment for improving the quality of wire rod. Nauka Innov. 2007, 3, 43–49. [Google Scholar] [CrossRef]
- Zhuchkov, S.M.; Gorbanev, A.A.; Tokmakov, P.V.; Kolosov, B.N. Terms of using of three-focused rolling module in the process of bar rolling. Foundry Prod. Metall. 2005, 46–50. [Google Scholar]
- Radionov, A.A.; Radionova, L.V.; Kharitonov, V.A.; Malakhov, O.S. On the possibility of reducing the power spent on the process of wire rolling on a combined rolling-drawing mill. Electrotech. Syst. Complexes. 2005, 10, 63–70. [Google Scholar]
- Zhuchkov, S.M.; Kulakov, L.V.; Lokhmatov, A.P. Efficiency of continuous section rolling with undriven stands. Met. Cast. Ukr. 2004, 8–10, 50–52. [Google Scholar]
- Fastykovsky, A.R. Longitudinal stability of the strip during the operation of the ‘rolling stand—Idle tool’ system. Izvestiya vuzov. Chernaya Metall. 2013, 12, 21–24. [Google Scholar]
- Fastykovsky, A.R.; Nikitin, A.G.; Belyaev, S.V.; Dobriansky, A.V. Particular features of mastering the technology of rolling and separation on the operating continuous small-section mill. Izvestiya. Ferr. Metall. 2020, 63, 5, 313–317. [Google Scholar] [CrossRef]
- Fastykovskii, A.R. Region for Extrolling Feasibility and Effective Deformation Modes. Russ. J. Non Ferr. Met. 2011, 52, 230–233. [Google Scholar] [CrossRef]
- Lokhmatov, A.P.; Zhuchkov, S.M.; Kulakovm, L.V. Continuous Rolling of Sectional Steel Using Operational Idle Stands: Monograph; Naukova Dumka: Kiev, Ukraine, 1998. [Google Scholar]
- Nikiforov, B.A.; Dubrovsky, B.A.; Radionova, L.V.; Radionov, A.A.; Kharitonovm, V.A. Wire Manufacturing Method. RU Patent 2,319,559, March 2008. [Google Scholar]
- Radionov, A.A. Analysis of construction methods for electric drives of straight-through wire drawing machines. Proc. Univ. Electromec. 2006, 4, 55–59. [Google Scholar]
- Zyuzin, V.I.; Radionova, L.V.; Radionov, A.A. Resource Saving in the Steel Industry; MSTU: Magnitogorsk, Russia, 2001. [Google Scholar]
- Ulyanov, D.V.; Gasiyarov, V.R. Analysis of Advantages and Disadvantages on Control Systems for Straight-Through Drawing Machine Electric Drives. Russ. Internet J. Ind. Eng. 2014, 1, 16–27. [Google Scholar]
- Linkov, S.A.; Radionov, A.A. Mathematical model of multiple straight-through drawing machine as a controlled facility. Electr. Syst. Complexes Interuniv. Collect. Sci. Pap. 2006, 11, 50–56. [Google Scholar]
- Shokhin, V.V.; Permyakova, O.V. The study of continuous rolling mill inter-stand tension inferential control systems. Procedia Eng. 2015, 129, 231–238. [Google Scholar] [CrossRef]
- Zilkova, J.; Timko, J.; Girovský, P. Modelling and control of tinning line entry section using neural networks. Int. J. Simul. Model. 2012, 11, 97–109. [Google Scholar] [CrossRef]
- Schreiner, R.T. Mathematical Modeling AC Electric Drives with Semiconductor Frequency Converters; Ural Department of Russian Academy of Sciences: Ekaterinburg, Russia, 2000. [Google Scholar]
- Chernykh, I.V. Modelling Electric Devices in MATLAB, SimPowerSystem and Simulink; DMK Press: Moscow, Russia, 2008. [Google Scholar]
- Vydrin, V.N. Dynamics of Rolling Mills; Metallurgy: Sverdlovsk, Russia, 1960. [Google Scholar]
- Pavlov, I.M. Rolling Theory; Metallurgizdat: Moscow, Russia, 1950. [Google Scholar]
- Hensel, A.; Spittel, T.; Spittel, M. Optimisation of Energy Consumption in Deformation Processes; Metallurgy: Moscow, Russia, 1985. [Google Scholar]
- Klimenko, V.M.; Pogorzhelsky, V.I.; Gorelik, B.C.; Konovalov, L.V. Technological and Power Reserves of Rolling Mills; Metallurgy: Moscow, Russia, 1976. [Google Scholar]
- Lokhmatov, A.P.; Zhuchkov, S.M.; Kulakov, L.V. Using the reserve of the pulling frictional forces in deformation zones of the working stands during continuous sectional rolling. Steel 1996, 5, 27–32. [Google Scholar]
- Radionov, A.A.; Malakhov, O.S.; Radionova, L.V. Device for Automatic Control of the Rotation Speed of the Roll Stands of a Continuous Rolling Mill. RU Patent 58,396, April 2006. [Google Scholar]
- Terekhov, V.M.; Osipov, O.I. Control Systems for Electric Drives; Publishing House “Academy”: Moscow, Russia, 2005. [Google Scholar]
- Perlin, I.L.; Yermanok, M.Z. Drawing Theory; Metallurgy: Moscow, Russia, 1971. [Google Scholar]
- Radionov, A.A.; Ulyanov, D.V. Advantages and disadvantages analysis of the known methods of the straight-through drawing machine electric drives making. Electr. Syst. Complexes Interuniv. Collect. Sci. Pap. 2011, 19, 163–171. [Google Scholar]
- Radionov, A.A.; Karandaev, A.S. On the optimal law of tension change in the process of metal wire winding. Izv. Vuzov. Mech. Eng. 2008, 10, 43–58. [Google Scholar]
- Radionov, A.A. Control system for the electric drive of a two-reel winding apparatus. Russ. Electromech. 2009, 1, 32–37. [Google Scholar]
- Radionov, A.A.; Karandaev, A.S.; Khramshin, V.R.; Andryushin, I.Y.; Gostev, A.N. Speed and Load Modes of Rolling Hollow Billet at the Wide-Strip Rolling Mill. In Proceedings of the 2014 International Conference on Mechanical Engineering, Automation and Control Systems (MEACS), Tomsk, Russian Federation, 16–18 October 2014. [Google Scholar] [CrossRef]
- Khramshin, V.R.; Karandaev, A.S.; Evdokimov, S.A.; Andryushin, I.Y.; Shubin, A.G.; Gostev, A.N. Reduction of the Dynamic Loads in the Universal Stands of a Rolling Mill. Metallurgist 2015, 59, 315–323. [Google Scholar] [CrossRef]
- Radionov, A.A.; Karandaev, A.S.; Evdokimov, A.S.; Andryushin, I.Y.; Gostev, A.N.; Shubin, A.G.; Gasiyarov, V.R. Mathematical modelling of interconnected electromechanical systems of a continuous subgroup of rolling mill stands. Part 2. Research of dynamic loads in universal stands. Bull. South Ural State Univ. Ser. Energy Ind. 2015, 15, 67–76. [Google Scholar] [CrossRef]
- Andryushin, I.Y.; Galkin, V.V.; Gostev, A.N.; Kazakov, I.V.; Evdokimov, S.A.; Karandaev, A.S.; Khramshin, V.R.; Khramshin, R.R. Method for Automatic Coil Tension Control in the Roughing Train of Continuous Rolling Mill Stands. RU Patent 2,494,828, June 2013. [Google Scholar]
- Khramshin, V.R.; Karandaev, A.S.; Khramshin, R.R.; Andryushin, I.Y.; Gostev, A.N. Device for Automatic Tension Control of Metal in Two Inter-Stand Spaces of Roughing Train of Hot Rolling Mill. RU Patent 147,042, December 2014. [Google Scholar]
- Khramshin, V.R.; Evdokimov, S.A.; Karandaev, A.S.; Andryushin, I.Y.; Shubin, A.G. Algorithm of No-Pull Control in the Continuous Mill Train. In Proceedings of the 2015 International Siberian Conference on Control and Communications (SIBCON–2015), Omsk, Russian Federation, 23–25 May 2015. [Google Scholar] [CrossRef]
- Andryushin, Y.; Shubin, A.G.; Gostev, A.N.; Radionov, A.A.; Karandaev, A.S.; Gasiyarov, V.R.; Khramshin, V.R. Automatic Tension Control in the Continuous Roughing Train of a Wide-Strip Hot-Rolling Mill. Metallurgist 2017, 61, 366–374. [Google Scholar] [CrossRef]
- Karandaev, A.S.; Yakimov, I.A.; Petukhova, O.I.; Antropova, L.I.; Khramshina, E.A. Power Parameters of Electric Drives of Five-Stand Wire Rod Mill with Four-Roll Pasess. In Proceedings of the IEEE NW Russia Young Researchers in Electrical and Electronic Engineering Conference (EIConRus), St. Petersburg, Russia, 1–3 February 2017; pp. 1524–1528. [Google Scholar] [CrossRef]
- Samodurova, M.N.; Karandaeva, O.I.; Khramshin, V.R.; Liubimov, I.V. Calculating Power Parameters of Rolling Mill Based on Model of Deformation Zone with Four-Roll Passes. Machines 2020, 8, 73. [Google Scholar] [CrossRef]
- Salganik, V.M.; Gun, I.G.; Karandayev, A.S.; Radionov, A.A. Thin-Slab Casting and Rolling Units for Production of Steel Bars: Study Guide; Bauman MSTU: Moscow, Russia, 2003; 506p. [Google Scholar]
- Fomin, G.G.; Dubeykovsky, A.V.; Grinchuk, P.S. Mechanisation and Automation of Wide-Strip Hot-Rolling Mills; Metallurgy: Moscow, Russia, 1982; 128p. [Google Scholar]
- Voskan’yants, A.A. Avtomatizirovannoe upravlenie protsessami prokatki: Ucheb. In Posobie Automated Control for Rolling Processes: Study Guide; MGTU im. N.E. Baumana: Moscow, Russia, 2010; p. 85. [Google Scholar]















| Parameter | Designation | Measurement Unit | Rolling Stand | ||
|---|---|---|---|---|---|
| 1 | 2 | 3 | |||
| Draw-down ratio | µ | - | 1.44 | 1.44 | 1.44 |
| Friction coefficient | f | - | 0.3 | 0.3 | 0.3 |
| Entering angle | α0 | deg. | 14.21 | 14.21 | 11.83 |
| Roll radius | Rr | m.: | 0.05 | 0.05 | 0.05 |
| Proportional limit | σ | N/m2 | 4.02 × 108 | 4.32 × 108 | 4.71 × 108 |
| Modulus of direct elasticity (Young’s modulus) | E | N/m2 | 2 × 1011 | 2 × 1011 | 2 × 1011 |
| Workpiece section | m2 | 100 × 106 | - | - | |
| Workpiece deformation resistance | σ0 | N/m2 | 1.0 × 109 | - | - |
| Rolled length in the inter-stand space | m | 0.15 | 0.5 | - | |
| Gear ratio of stand’s gearbox | - | 0.964 | - | 0.465 | |
Publisher’s Note: MDPI stays neutral with regard to jurisdictional claims in published maps and institutional affiliations. |
© 2021 by the authors. Licensee MDPI, Basel, Switzerland. This article is an open access article distributed under the terms and conditions of the Creative Commons Attribution (CC BY) license (http://creativecommons.org/licenses/by/4.0/).
Share and Cite
Karandaev, A.S.; Gasiyarov, V.R.; Radionov, A.A.; Loginov, B.M. Development of Digital Models of Interconnected Electrical Profiles for Rolling–Drawing Wire Mills. Machines 2021, 9, 54. https://doi.org/10.3390/machines9030054
Karandaev AS, Gasiyarov VR, Radionov AA, Loginov BM. Development of Digital Models of Interconnected Electrical Profiles for Rolling–Drawing Wire Mills. Machines. 2021; 9(3):54. https://doi.org/10.3390/machines9030054
Chicago/Turabian StyleKarandaev, Alexandr S., Vadim R. Gasiyarov, Andrey A. Radionov, and Boris M. Loginov. 2021. "Development of Digital Models of Interconnected Electrical Profiles for Rolling–Drawing Wire Mills" Machines 9, no. 3: 54. https://doi.org/10.3390/machines9030054
APA StyleKarandaev, A. S., Gasiyarov, V. R., Radionov, A. A., & Loginov, B. M. (2021). Development of Digital Models of Interconnected Electrical Profiles for Rolling–Drawing Wire Mills. Machines, 9(3), 54. https://doi.org/10.3390/machines9030054
