Next Article in Journal
Conceptual Design and Analysis of a Trans-Domain Aircraft Based on the Camber Morphing Wing
Next Article in Special Issue
Comparative Analysis of Dry, Minimum Quantity Lubrication, and Nano-Reinforced Minimum Quantity Lubrication Environments on the Machining Performance of AZ91D Magnesium Alloy
Previous Article in Journal
Tactile Force Sensing for Admittance Control on a Quadruped Robot
Previous Article in Special Issue
An Adaptive Control Strategy with Switching Gain and Forgetting Factor for a Robotic Arm Manipulator
 
 
Font Type:
Arial Georgia Verdana
Font Size:
Aa Aa Aa
Line Spacing:
Column Width:
Background:
Article

Development of a Fault-Tolerant Permanent Magnet Synchronous Motor Using a Machine-Learning Algorithm for a Predictive Maintenance Elevator

by
Vasileios I. Vlachou
1 and
Theoklitos S. Karakatsanis
2,*
1
School of Electrical and Computer Engineering, National Technical University of Athens, 15780 Athens, Greece
2
Department of Production and Management Engineering, Democritus University of Thrace, 67100 Xanthi, Greece
*
Author to whom correspondence should be addressed.
Machines 2025, 13(5), 427; https://doi.org/10.3390/machines13050427
Submission received: 23 April 2025 / Revised: 14 May 2025 / Accepted: 16 May 2025 / Published: 19 May 2025
(This article belongs to the Special Issue Recent Developments in Machine Design, Automation and Robotics)

Abstract

Elevators serve as essential vertical transportation systems for both passengers and heavy loads in modern buildings. Electromechanical lifts have become the dominant choice due to their performance advantages over hydraulic systems. A critical component of their drive mechanism is the Permanent Magnet Synchronous Motor (PMSM), which is subject to mechanical and electrical stress during continuous operation. This necessitates advanced monitoring techniques to ensure safety, system reliability, and reduced maintenance costs. In this study, a fault-tolerant PMSM is designed and evaluated through 2D Finite Element Analysis (FEA), optimizing key electromagnetic parameters. The design is validated through experimental testing on a real elevator setup, capturing operational data under various loading conditions. These signals are preprocessed and analyzed using advanced machine-learning techniques, specifically a Random Forest classifier, to distinguish between Normal, Marginal, and Critical states of motor health. The model achieved a classification accuracy of 94%, demonstrating high precision in predictive maintenance capabilities. The results confirm that integrating a fault-tolerant PMSM design with real-time data analytics offers a reliable solution for early fault detection, minimizing downtime and enhancing elevator safety.

1. Introduction

In recent years, the need for energy efficiency, environmental protection, and pollutant reduction has been one of the main driving forces behind the development of electromobility. Many efforts have focused on the electrification of ships, aerospace, electric vehicles, and elevators [1]. Today, the need for vertical passenger transportation and the handling of large loads has made elevators a necessity. Electromechanical elevators have become the dominant choice due to their high energy efficiency potential [2]. The energy saving rate depends on the weight of the car, the counterweight, the load it is required to transport during operation, and the number of status calls it receives [3].
The main difference between electromechanical and hydraulic elevators lies in the drive system, which in electromechanical systems is based on electric motors [4]. Passenger demands for safe and direct movement, high-speed travel, transition precision, and low energy consumption have led industries to prefer this choice [5]. In this context, the dominant market technology for elevator systems is the PMSM. Gearless PMSMs offer significant advantages over geared Induction Motors (IMs), such as high efficiency, suitable drive systems with current and speed control, noise reduction, and reduced mechanical stress [6].
Many PMSM manufacturers place great emphasis on motor design, particularly the stator and rotor, to meet specific requirements based on the rated operating load of the chamber and the maximum drive speed [7]. The continuous development of magnetic materials has led research to focus on incorporating various materials into magnets, such as NdFeB and ferrite [8]. The use of multi-objective optimization [9] and prototype design criteria [10] leads to appropriate parameterization, exploration of comparative topologies, and a better understanding of machine behavior at different operational points. As a result, numerical FEA allows for an accurate examination of the magnetic field [11].
The pressure exerted on the electric motor, which can lead to significant electrical and mechanical failures, creates potential safety issues for passengers [12]. To ensure proper motor operation, various techniques have been proposed to monitor the machine’s condition in real time using smart sensors [13]. The collected data can then be processed using either traditional techniques, such as Fast Fourier Transform (FFT), Short-Time Fourier Transform (STFT), Continuous Wavelet Transform (CWT) [14], or more advanced methods based on machine-learning algorithms and multimodal data [15].
Since many failures are caused by sensors, algorithms have been developed using advanced filters such as the Extended Kalman Filter (EKF) to estimate the currents in the d-q components and compare healthy and faulty current signals, achieving effective categorization [16]. Open circuit faults result in changes in key parameters such as torque, along with intense variations and noise, compromising system safety. To maintain system operation even with reduced performance, a fault-tolerance mechanism using two key fault detection indicators has been proposed [17].
Recent studies have shown that, at low voltages (48 V), the majority of faults (66%) are electrical, while at high voltages (380 V) bearing failures account for the highest percentage (75%) [18]. For fault tolerance in electrical faults, multi-phase motors have been proposed, capable of operating even with reduced phases. Addressing winding faults like Inter Turn Short Circuit (ITSC) remain challenging, and mathematical models based on stator resistance, inductance, mutual inductance, and magnetic flux have been developed using the Particle Swarm Optimization (PSO) algorithm [19].
Changes in motor speed result in shifts in characteristic frequencies, causing frequency ambiguity. In such cases, vibration signals from various bearing faults are used to ensure accurate fault diagnosis. This is done by combining Local Mean Decomposition (LMD) and Linear Predictive Filtering (LPF) to reduce noise [20]. Another major mechanical issue is rotor eccentricity, which may be static, dynamic, or mixed. Some diagnostic techniques include load torque observers, motor oscillation analysis, and current spectral analysis [21]. More advanced frequency analyses, such as current spectrum sideband analysis and instantaneous active power calculations are used to detect rotor bar breakage due to material fatigue or excessive heat [22].
Early detection of such faults, which could lead to complete motor failure, requires continuous monitoring of the motor’s condition. This is achieved by integrating smart sensors, Internet of Things (IoT) technology, and data transmission to cloud platforms where large data volumes can be stored and processed [23]. The key advantages of condition monitoring include extended PMSM lifetime, reduced maintenance costs through the prevention of unexpected shutdowns, and optimized energy efficiency via continuous monitoring [24]. A reliable methodology for machine condition monitoring is FEA, which, by analyzing the PMSM’s electromagnetic responses, identifies the location and nature of faults, such as demagnetization [25].
Although significant research has been conducted into the application of modern techniques for fault diagnosis, the use of machine-learning methods remains in its early stages. Machine-learning algorithms for analyzing large volumes of motor data have proven highly effective for early ITSC fault detection in windings. Methods with high accuracy have been proposed using both small datasets, like Support Vector Machines (SVMs) and larger datasets requiring multiple Convolutional Neural Network (CNN) measurements [26]. Various approaches have been developed to reduce computational costs and limit complex manual feature extraction. With the advantages of deep learning, automatic feature extraction from data has been achieved, improving classification through the use of Stacked Autoencoder (SAE) [27].
A hybrid model combining supervised and unsupervised learning has been considered particularly innovative, as it optimizes CNN parameters while avoiding the omission of critical data that could compromise prediction accuracy [28]. Similarly, Deep Belief Network (DBN) models using Restricted Boltzmann Machines (RBMs) have been used to diagnose bearing wear and coil short-circuits, while Recurrent Neural Networks (RNNs) are considered suitable for time-series analysis of current and vibration signals for diagnosing non-stationary PMSM faults [29]. Another important factor is the effect of noise on bearing fault diagnosis. Preprocessing signals at various noise levels has shown that Continuous Wavelet Transform (CWT) provides the best feature extraction and machine fault classification accuracy, reaching up to 99.53% [30].
Aiming to study a comprehensive elevator monitoring system, this paper investigates a low-speed, high torque PMSM. In particular, a high-performance PMSM design is proposed for elevator applications. In addition, the functional and magnetic characteristics of the motor are analyzed using FEA and compared with experimental results. The implementation of smart sensors allows for real-time monitoring and data collection. The data are processed using a prototype deep-learning algorithm for predictive maintenance, issuing alerts based on the probability of fault occurrence. This ensures uninterrupted system operation, as the predictive analysis is based on actual fault data.
The main innovation of this study lies in combining electromagnetic analysis through finite element methods to make the motor tolerant to potential short circuit faults and in employing a specialized deep-learning algorithm for predictive maintenance and fault detection, both electrical and mechanical. The proposed methodology uses this framework to effectively differentiate between normal and faulty operating conditions, ensuring passenger safety. The remainder of this paper is organized as follows. Section 2 presents the PMSM design methodology, the development of a mathematical model, and its experimental validation through a real elevator system. It also includes harmonic distortion analysis under various fault conditions and introduces diagnostic techniques for fault identification. Section 3 focuses on the FEM analysis and evaluates the performance of the motor under fault-tolerant configurations. Furthermore, it outlines the fault diagnosis and predictive maintenance methodology based on machine learning. Section 4 discusses the results and proposes future research directions to improve diagnostic accuracy and system reliability. Finally, Section 5 concludes the study by summarizing the main findings and highlighting the effectiveness of the proposed integrated approach in ensuring reliable elevator operation.

2. Design Methodology for the PMSM

Depending on the technical specifications of the building and the load that the elevator is required to support during operation, the design parameters of the electrical motor are determined. To evaluate the benefits of using a gearless PMSM in a typical elevator installation, the following design process is presented.

2.1. Permanent Magnet Motor Topology

The motor analyzed is a three-phase PMSM rated at 5.1 kW, with a rotational speed of 160 rpm. It is characterized by its low electrical frequency of 16 Hz and high electromagnetic torque of 305 Nm, making it well-suited for low-speed, high-torque applications such as elevator systems. The general motor topology includes 12 poles and 36 slots, which provides good torque smoothness and contributes to reducing cogging effects. Figure 1 presents the cross-section view (1/4 section) of the PMSM, highlighting the arrangement of stator teeth, windings, and permanent magnets. It is a surface-mounted permanent magnet motor, utilizing NdFe-B magnets with a remanent flux density of 1.23 T to ensure strong magnetic performance and reliability over long periods of operation. To minimize iron losses, M235-25A laminations (Qingdao Lian Ge Special Steel Co., Ltd., Qingdao, China) were used in the stator core, offering a good balance between magnetic permeability and low core losses at the given operating frequency. Additionally, the motor was designed with considerations for thermal dissipation and mechanical robustness to withstand the demands of frequent elevator cycles. The nominal parameters of the PMSM used in this application are presented in Table 1, while the geometric features tailored to the elevator system’s specifications are provided in Table 2.

2.2. Experimental Validation

A comparative investigation of the PMSM’s performance was conducted using an operational elevator installation. To validate the characteristics of the designed PMSM, a prototype motor was constructed and tested, as shown in Figure 2, incorporating the following components: 1. VVVF Inverter, 2. Uninterruptible Power Supply (UPS), 3. Vibration sensor, 4. Interior Permanent Magnet Motor, 5. Control Board, 6. Energy Analyzer, 7. Data Collector, 8. Magnetic Field Current Transformers, 9. Raspberry pi Module 4G, 10. PC for Data Preprocessing, 11. Power Quality Analyzer.
Numerous Hansford HS422ST0105406 vibration sensors (Hansford Sensors Ltd., High Wycombe, UK) were strategically installed—including on axial points and the support frame—to detect vibration modes contributing to system instability, in accordance with ISO 20816-3 [31]. A Schneider Electric PM3250 (Schneider Electric SE, Rueil-Malmaison, France) energy analyzer was installed in the control panel for current and power consumption measurements. Collected data were securely transmitted to the cloud for time- d frequency-domain analysis.
Motor characteristics were recorded under various load conditions at the rated speed. By operating the PMSM as a generator, the electromotive force (Back-EMF) was measured using a Hioki PW3390 power quality analyzer (Hioki E.E. Corporation, Ueda, Japan). Torque, current, and magnetic field distribution were analyzed using 2D FEA and compared with the experimental results.
At full load and nominal current (10 A), the output torque was 298 Nm, with a torque ripple of 6.13%, as illustrated in Figure 3. Simulated and experimental torque values aligned well under nominal conditions. Due to rotor inertia, the direct measurement of torque ripple is challenging, but smooth operation indicates enhanced system performance.
At 160 rpm, voltage measurements were recorded. Figure 4 displays the Back-EMF comparison between FEA simulations and experimental data, showing excellent agreement. The peak induced voltage was 321 V (simulated) and 320 V (measured), showing two complete sinusoidal cycles.
To assess the accuracy of the Finite Element Analysis (FEA) model and its agreement with experimental observations, a quantitative comparison was conducted using representative electrical and mechanical parameters under identical operating conditions. Table 3 summarizes the comparison, reporting absolute values obtained via simulation and experiment, along with the corresponding percentage error. The error for each parameter was calculated using the standard relative percentage formula.
The results show that the maximum deviation occurs in the phase voltage (6.25%), while the electromotive force demonstrates excellent agreement (0.45%). The torque, output power, and efficiency also exhibit low errors, all within 2%. The average error across all parameters is 2.4%, which confirms a high level of consistency between simulated and experimental results.
The discrepancies can be attributed to practical factors not fully captured by the simulation, including switching noise, measurement inaccuracies, and ambient conditions. Despite these differences, the simulation results closely follow the physical behavior of the motor, validating the underlying modeling assumptions, boundary conditions, and mesh configuration used in the FEA process. These findings support the reliability of the proposed modeling framework and its ability to reflect the dynamic and steady-state behavior of the PMSM under real-world elevator operation scenarios.
The distribution of the magnetic flux density in the PMSM under nominal operating conditions is shown in Figure 5. It is observed that the intensity of the magnetic field does not exceed 2.172 Tesla. Moreover, there is a uniform distribution of the field, indicating minimal saturation and high motor efficiency.
Motor current is a fundamental parameter as it directly influences the generation of the electromagnetic field, torque production, and associated losses. Using the nominal operating current, as determined by the motor’s technical specifications, ensures a realistic simulation of standard operating conditions and facilitates a reliable comparison between FEA results and experimental measurements. Figure 6 shows the comparative analysis of the nominal motor operating current signals under full load conditions, again demonstrating strong convergence between simulated and measured data.

2.3. Mathematical Model

Permanent Magnet Synchronous Motors (PMSMs) are widely adopted in elevator systems due to their high efficiency and reliability. However, operational stresses can lead to various electrical and mechanical faults, necessitating robust condition monitoring and predictive maintenance strategies. While traditional techniques, like the Extended Kalman Filter (EKF), offer real-time fault estimation, their computational demands limit real-time applicability. In this study, Finite Impulse Response (FIR) and Butterworth filters are proposed as alternatives for real-time fault detection and signal processing, and their performance is compared to EKF.
To analyze the operation of the PMSM, the system is represented in the d-q reference frame. The voltage equations for a PMSM under healthy conditions are given by:
υ d = R i d + L d d i d d t ω L q i q
υ q = R i q + L q d i q d t ω L d i d + ω λ m
where υ d , υ q are the direct and quadrature axis voltages, i d , , i d are the corresponding currents, L d , L d are the inductances, ω is the angular speed, and λ m is the permanent magnet flux linkage.
The electromechanical torque of the PMSM is given by:
T e = 3 2 p λ m i q + L d L q i d i q
where p is the number of pole pairs.
In the presence of faults, the above equations must be modified to account for changes in electrical and magnetic parameters.
When an Inter-Turn Short Circuit (ITSC) occurs in one of the stator windings, an additional fault current i f is introduced, modifying the voltage equations:
υ d = R s i d + L d d i d d t ω L q i q + M f d i f d t
υ q = R s i q + L q d i q d t ω L d i d + ω λ m + M f d i f d t
where M f is the mutual inductance between the faulty and healthy windings.
The fault current dynamics are given by:
d i f d t = R f L f i f + 1 L f υ f
where R f and L f are the resistance and self-inductance of the shorted winding.
Permanent magnet degradation over time leads to a reduction in λ m , expressed as:
λ m t = λ m 0 e a T
where T is the temperature and a is the demagnetization coefficient.
Bearing failures introduce vibrations that can be detected through Fast Fourier Transform (FFT). The characteristic fault frequencies f B P F O (Ball Pass Frequency Outer Race) and f BPFI (Ball Pass Frequency Inner Race) at which a rolling element (ball) passes over a specific point on the outer or inner race of the bearing are:
f B P F O = n b 2 f r 1 d D c o s θ
f B P F Ι = n b 2 f r 1 + d D c o s θ
where n b is the number of rolling elements, f r is the shaft rotational frequency, d is the ball diameter, D is the pitch diameter, and θ is the contact angle.
A 4th-order low-pass Butterworth filter eliminates high-frequency noise in the current and vibration signals and can be described by Equation (10):
H f = 1 1 + f f c 2 n
where f c is the cutoff frequency and n is the filter order.
FIR filtering is applied to analyze Total Harmonic Distortion (THD) in stator currents:
T H D = n = 2 I n 2 I 1 2 × 100 %
A THD threshold of 5% indicates a potential fault.
EKF estimates system states dynamically. The discrete-time state-space model is:
x k + 1 = A x k + B u k + w k y k = C x k + υ k
where x k = i d , i q , λ m , ω T is the state vector, u k = υ d , υ q T is the control input, and w k , υ k are the process and measurement noise.
The state estimation update follows:
x ^ k + 1 = A x ^ k + B u k K k = P k C T C P k C T + R 1 x ^ k + 1 = x ^ k + 1 + K k y k C x ^ k + 1
where K k is the Kalman gain, P k is the error covariance matrix, and R is the measurement noise covariance.
The filtering methods classify faults (shown in Table 4) as follows:

2.4. Harmonic Analysis for Fault Detection

Signal processing is a primary tool in the modern diagnostics of electrical and mechanical faults in motors. By analyzing waveforms corresponding to key motor characteristics, it becomes possible to extract critical information regarding the operating condition of the machine. These techniques are characterized by low computational cost, high speed, and efficiency, enabling the detection of anomalies that are not apparent through simple observation [32]. In the present application, delivering high quality torque without ripple is a fundamental design parameter. Numerous studies have concentrated on minimizing torque ripple by refining the machine’s design, which in turn reduces excessive noise and additional harmonics that may lead to system losses and undesirable vibrations. As such, two main research directions have emerged: one focused on developing appropriate control strategies, and the other on optimizing the electromagnetic circuit of the electrical machine [33].
In elevator applications, torque ripple must be minimized to ensure smooth and accurate operation. A comparative investigation between a Flux Switching Permanent Magnet (FSPM) motor and a PMSM emphasized the importance of motor configuration and spatial harmonic reduction. While the FSPM motor provides enhanced performance and lower cost than a conventional PMSM, it exhibits a higher torque ripple of 9.6% compared to 5.9% for the PMSM [34]. Another research approach addressed torque ripple reduction through the optimization of pole/slot combinations. By adjusting geometric features such as tooth height and magnet angles, the torque ripple was reduced from 9.12% (10 p/12 s) to 4.03% using an optimized topology of 16 poles and 18 slots, thus achieving both high torque and efficiency [35].
Harmonic analysis, particularly the transformation of signals from the time domain to the frequency domain, remains the most widely adopted and reliable method for assessing the overall operational condition of electric machines. Figure 7a,b illustrate the analysis of the electromagnetic torque signal in both logarithmic and linear scales within the frequency domain, while Table 5 presents the characteristic parameters of the FFT analysis. Based on the graphs and the data provided, a fundamental frequency component is identified at 16 Hz, which corresponds to the electrical frequency of the studied PMSM motor.
Moreover, the spectral amplitude at this fundamental frequency was found to be 3.89 Nm, indicating a very weak oscillatory torque component. The majority of the signal energy is concentrated at DC (Peak Amplitude = 294 Nm), suggesting that the torque remains nearly constant and closely aligned with the rated motor torque. According to the literature and based on comparisons with similar industrial applications, the torque ripple is evaluated as satisfactory, with potential for further reduction through improved machine design. The Total Harmonic Distortion (THD) is measured at 22.12%, indicating the presence of harmonics, but still within acceptable limits for unfiltered signals, as is the case in this study. Although the Noise Floor Index (0.0221 Nm) is particularly low, the presence of multiple lateral components (20) is also noted.

2.5. Techniques for Diagnosing Electrical Faults

In the domain of direct electrical fault diagnosis, efforts have focused on identifying appropriate and modern techniques with high accuracy. Two of the most widely recognized traditional methodologies, known for their efficiency and reliability, are Motor Current Signature Analysis (MCSA) and Park Vector Approach (PVA). MCSA is a non-intrusive method based on spectral analysis of the motor supply currents. It detects possible short-circuits between coils and does not require access to the inside of the motor, producing results during machine operation [35]. A similar function is performed by the park vector approach, which transforms the three-phase system into a two-phase system, enabling temporal and geometric analysis of the signal trajectory. This makes it easier to identify indicators of possible distortions [36,37].
The two characteristic techniques are discussed below to draw conclusions in the comparative investigation of the original current signals in Figure 8, where the time-domain waveform of the healthy condition demonstrates smooth periodicity and stability without strong peaks, while the signal oscillations appear symmetrical and confined within a low range of values. By applying the MCSA method in both logarithmic and linear scales (shown in Figure 9a,b), we observe that, in the frequency domain, the healthy condition reveals sharp peaks at the fundamental operating frequencies, while higher-frequency components are absent, indicating reduced noise.
Moreover, in the logarithmic scale, the healthy condition exhibits significantly lower noise levels over a wider frequency band. This is typical of a motor in good condition, where no unwanted frequency disturbances or energy beyond the operating limits is observed. The healthy operation curve (blue line) at low frequencies is smooth, with energy mainly concentrated at fundamental frequencies, indicating that the motor is operating without parasitic effects or excessive loads at low frequencies, as detailed in Table 6.
The application of PVA and Extended PVA (EPVA) revealed both key quantitative and visual differences between current signals under healthy and faulty conditions, as shown in Figure 10a,b. The healthy signal is characterized by a circular trajectory, stable amplitude, symmetry, and very good balance. In contrast, the faulty signal exhibits an irregular and distorted trajectory, dense clustering points indicating instability, as well as a large dispersion and displacement. Table 7 contributes to the analysis of the statistical variations in the signals, where the Variance Zero-seq and Variance a, b parameters indicate internal failures from coil short-circuits, as well as asymmetry in the current phases.

3. Fault Tolerance at Steady State

Passenger safety is a critical issue in elevator systems. The occurrence of various types of failure in PMSMs can affect the overall operation of the system. Many research efforts have focused on proper inverter control to ensure uninterrupted operation of the machine, even in the event of a simple short-circuit.

3.1. Mech Sensitivity Analysis in a PMSM

The occurrence of electrical faults (open-phase and short-circuit) can cause abrupt and localized changes in the electromagnetic field, creating flow asymmetries in critical design regions such as the airgap, thereby making the system highly sensitive to numerical deviations. A similar technique is applied in modern generators, where gradual improvement is adopted until numerical results are stabilized. Special emphasis is given to the airgap, as proper separation, uniform node subdivision, and the selection of a dense grid contribute to accurate current distribution [38].
Our research focused on mech sensitivity analysis to evaluate the numerical stability and independence of results with respect to mech discretization. As shown in Figure 11, three cases with different mesh densities were considered: coarse (2 mm), medium (1 mm), and fine (0.5 mm). Figure 12 presents the main electromagnetic parameters, such as average torque, magnetic flux, and maximum magnetic field value, as a function of mesh variation.
In the coarse mesh case, sparce discretization is observed in critical regions such as the airgap, stator tooth edges, and areas near the magnets. While suitable for initial estimates, it underestimates magnetic field peaks. The medium mesh offers denser discretization throughout the motor, with clear improvements in the gap and magnet regions, achieving a good balance of reliability and computational efficiency. As shown in Figure 11c, the fine mesh is characterized by very small elements across the entire model. It is ideal for accurately capturing field distributions and losses.
Utilizing the Finite Element Method (FEM) enables a more comprehensive analysis of a magnetic field in each PMSM case studied, as depicted in Figure 12a–c. Despite the higher computational cost, the fine mesh provides clean, detailed results and captures flow transients, making it ideal for saturation analysis and fault conditions. Visually, the general magnetic field distribution remains stable across mesh variations, with magnetic axes, stator teeth, and saturation regions appearing at consistent locations and extents. The main difference lies in the maximum value of magnetic flux density (B), where improved peak clarity from the finer mesh provides a more complete physical picture.
Figure 13a,b show the primary variations in electromagnetic quantities as a function of mesh density. The average torque exhibited minimal changes (less than 0.3%) across different discretizations, suggesting numerical convergence. The magnetic flux showed a small but expected decrease, as the finer grid more accurately accounts for local flux leakages.

3.2. Elevator System Fault-Tolerance Capabilities

To ensure the correct operation of the drive system, the performance of the motor under both healthy and faulty conditions was investigated. The analysis included vibration and current signals under short-circuit conditions. Several system loading experiments were conducted, in accordance with IEC 60034-2-1 standards [39], at 25%, 50%, 75%, and 100% load levels. Table 8 presents the nominal characteristics of the tested elevator. Figure 14a,b show the comparison between measured and simulated current waveforms for both healthy and faulty motor conditions, using switching frequencies of f₁ = 12 kHz and f₂ = 5 kHz. The results demonstrate good agreement between experimental and simulation data.
The comparative current plots in Figure 15a,b illustrate the limits and loads the motor can handle under various operating conditions. The highest current intensity occurs at full load during ascent and under no load during descent. For half the rated load, approximately equal current and power levels are observed in both directions, indicating that the motor primarily covers mechanical and core losses. Additionally, at load levels around zero active force, such as 200 Kg to 300 Kg, the current intensity does not exceed 5.5 A (rms) during either ascent or descent, confirming that the elevator operates safely under these conditions.
The maximum effective mass acting on the elevator motor is 225 kg, independent of the direction of movement. This value results from adding the nominal load (450 kg) and the empty cabin weight (495 kg), then subtracting the counterweight, which equals the cabin plus half the nominal load (720 kg). This configuration reflects the worst-case loading scenario. By multiplying this mass by the nominal acceleration of 0.19 m/s2, the total force exerted on the motor during acceleration is calculated to be approximately 42.75 N.

3.3. Condition Monitoring and Fault Detection in a PMSM

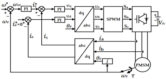
The proposed methodology is based on continuous monitoring and data acquisition for both the motor and inverter, which are crucial for the uninterrupted operation of the elevator. Through the digital platform and experimental setup, a dynamic PMSM model was developed (shown in Figure 16) with validated accuracy capturing key characteristics of both the inverter and the motor. Utilizing vector control in the Simulink/Matlab R2023a environment enabled effective PMSM operation modeling [40]. Figure 17a,b illustrate the inverter output current waveforms and motor electrical currents compared with simulation results, demonstrating convergence.
Continuous heavy loading in elevators can lead to significant mechanical issues affecting the drive system. Increased pulley friction and high inertia are major causes of eccentricity and bearing wear. The designed digital platform is based on ISO 20816-3 standards and uses vibration signal processing. According to Figure 18, the motor’s operating condition, estimated health status, and high RMS speed values during operation are presented. To facilitate diagnosis, a color-coded scheme distinguishes different operational states.
Based on the predictive maintenance results, the “healthy” state is classified as normal, indicating acceptable equipment operation. The vibration velocity measurement of 0.94 mm/s ( V r m s ) classifies the motor as “Newly Commissioned Machinery” requiring no immediate intervention. Considering temperature variation, the estimated remaining service life is over three months, a highly positive indicator of machine functionality.
To test the model’s accuracy, statistical faulty data from PMSMs were used. Figure 19a,b and Figure 20a,b show healthy and faulty vibration signals along with FFT analyses, which help identify the frequencies associated with faults. The faulty signal has lower amplitude compared to the healthy one but displays strong motor vibration fluctuations. The RMS value of 1.42 mm/s corresponds to “Unrestricted Operation”, a Marginal condition requiring maintenance within one month.
Harmonic analysis of the faulty signal provides key insights into fault occurrence. A distinct peak at 2.67 Hz is associated with eccentricity, indicating bearing wear, supported by additional peaks at 32 Hz (2d harmonic), 48 Hz (3rd harmonic), and 96 Hz (6th harmonic). Notably, the absence of high frequencies (>200 Hz) suggests that the fault is at an early stage and corrective action should be taken to prevent severe secondary damage.

3.4. Proposed Methodology for Elevator Fault Prediction

The proposed methodology concerns elevator fault prediction focusing on the electric motor. It incorporates sensor data, preprocessing, feature extraction, and classification based on machine-learning model development to support an effective decision-making mechanism. The process is illustrated in Figure 21 and includes four interconnected modules, ensuring comprehensive monitoring and fault prediction.
The first stage of the methodology involves collecting data from multiple sensors placed at different locations on the machine. Once collected, the data are transmitted to a central processing unit via a secure communication system. Preprocessing of the signal is then applied using appropriate Finite Impulse Response (FIR) and Butterworth filters to eliminate high-frequency noise and any fluctuations. The preprocessing stage utilizes techniques such as Fast Fourier Transform (FFT), Total Harmonic Distortion (THD), and statistical analysis to extract and differentiate key characteristics of healthy and faulty motor operation.
The Butterworth filter, used for signal preprocessing, was designed to attenuate high-frequency components, while preserving essential low-frequency information. Its mathematical formulation is presented in Equation (10). Application of the Butterworth filter, as illustrated in Figure 22, highlights the smooth sinusoidal waveform of the healthy current. The filter response confirms that the current is confined to low frequencies, indicating stable and normal operation. Conversely, the faulty signal exhibits strong deviations and distortions, pointing to abnormal motor winding behavior, reflected by the presence of higher frequencies.
A machine-learning algorithm was developed using the Random Forest (RF) technique. This choice was based on the ability of RF to handle high dimensional data and deliver reliable predictions even under strong data noise. The process includes three phases: data segmentation, model training using selected features, and a voting mechanism to classify the input data. The final stage involves fault prediction, where each data segment processed by the RF algorithm outputs a failure probability, enabling continuous monitoring of the motor’s operational status and generating appropriate preventive maintenance alerts.
The accuracy of the model’s predictions is significantly influenced by several factors, including the quantity of available data across all operating states, the effectiveness of signal filtering, and the quality of model training. The reliability of the proposed methodology in accurately classifying current signals and predicting motor health conditions depends on the volume and diversity of the training data, which must adequately represent both normal and faulty operating scenarios. To support this, the monitoring platform was designed for continuous data acquisition at varying current levels under both healthy and degraded conditions. Furthermore, voltage measurements were also collected in parallel to capture potential variations that could influence current behavior, thereby enabling a more robust and holistic analysis.
To train and evaluate the proposed Random Forest classifier, the collected dataset was divided into training and testing sets using an 80/20 stratified split. This ensured that all three machine states (Normal, Marginal, and Critical), were proportionally represented in both sets. The 80/20 split was chosen to provide sufficient training samples while preserving a reliable testing subset for performance validation. To improve robustness and avoid overfitting, five-fold cross-validation was performed during training. Performance metrics were averaged across folds and used for final reporting.
Although the dataset was obtained from a single elevator installation, the system was evaluated under varying operational scenarios, including ascending and descending motion at 25%, 50%, 75%, and 100% load levels, with injected electrical and mechanical faults. This variety of conditions ensures a rich data structure but also motivates future work involving datasets from different elevators and environments to enhance generalization capabilities.
The input feature vector included both time-domain and frequency-domain characteristics extracted from current and vibration signals. These features comprised time-domain attributes such as Root Mean Square (RMS), peak-to-peak value, skewness, kurtosis, and signal energy and frequency-domain features including Total Harmonic Distortion (THD), dominant FFT peaks, and sideband counts, as well as statistical metrics such as park vector variances and zero-sequence indicators.
All features were normalized prior to training to ensure scale invariance. The Random Forest model was built using 100 estimators with Gini impurity as the split criterion and a maximum depth of 15, empirically selected to balance complexity and accuracy. To address class imbalance, especially for the Critical class, class weighting was applied during training to reduce the penalty of misclassifications in underrepresented categories. Outlier filtering was also applied to remove artifacts caused by transient anomalies.
The classification performance was evaluated using standard metrics, such as Precision, Recall, F1-Score, and Accuracy. This categorization of current signals provides a clearer representation of the machine’s operational condition, offering accurate monitoring with clear distinctions between Normal, Marginal, and Critical. The results on the machine-learning algorithm are summarized in Table 9, showing 94% accuracy, which reflects its effectiveness in correctly classifying the signals. The Marginal class achieved perfect recall, ensuring early-stage degradation is reliably detected. Both Normal and Critical states demonstrate high precision, indicating the model’s ability to minimize false positives and support effective predictive maintenance. As a result, it detects conditions requiring immediate attention while enabling planned maintenance, reducing false alarms and enhancing system reliability.
To benchmark the RF model, alternative classifiers were trained using the same dataset and features: Support Vector Machine (SVM), k-Nearest Neighbors (k-NN), and Decision Tree (DT). Table 10 shows the comparative performance using the same five-fold cross-validation procedure.
Among all classifiers, Random Forest consistently achieved the best results in terms of accuracy and F1-score, demonstrating superior robustness under noisy and complex signal conditions.
Total Harmonic Distribution (THD) is a reliable indicator for monitoring the condition of an electric machine. Figure 23 presents a relationship diagram between current values and THD (%), showing how different machine operating states correspond to variations in THD. A correlation is observed between increasing current and THD, consistent with studied load scenarios. Using Motor Current Signal Analysis (MCSA) reveals the filter’s behavior, where healthy current is confined to low frequencies, while faulty signals reflect high-frequency content.
The predictive maintenance outcomes are illustrated in Figure 24.
Based on Figure 24a, the Normal category shows the highest probability, indicating that most data are classified as normal by the model. The Marginal state has a moderate fault probability (~0.3), while the Critical state has the lowest probability, which reflects strong equipment reliability. In Figure 24b, most values cluster near zero, indicating a low risk of critical failure over time. However, the presence of occasional spikes highlights moments when failure probability increases significantly, serving as key indicators for predictive control interventions at those points.

4. Discussion

The proposed methodology demonstrated promising results in fault prediction for PMSM-based elevator systems. Nevertheless, several avenues remain open for further enhancement and exploration to improve the robustness, generalizability, and adaptability of the predictive maintenance framework. The following future directions are proposed as potential extensions of this study:
  • Environmental Influence: Investigating the impact of environmental conditions such as ambient temperature, humidity, and dust accumulation on the electrical signals and vibration profiles could refine prediction accuracy under varying operating conditions.
  • Data Generalization Across Systems: Incorporating data from multiple elevator installations operating under different loads and environments would enable the development of a generalized prediction model with better scalability across real-world applications.
  • Advanced Machine-Learning Architectures: A comparative study involving other advanced prediction models, such as Artificial Neural Networks (ANNs), Long Short-Term Memory (LSTM), Gated Recurrent Units (GRUs), and attention-based mechanisms, particularly for time-series data, could reveal higher performance alternatives to Random Forest.
  • Correlation of Electrical and Mechanical Signatures: Establishing a predictive correlation between electrical indicators (e.g., current distortions, THD) and mechanical stress or vibration signatures under dual fault conditions can enhance the accuracy and early detection capability of the model.
  • Adaptive and Online Learning Framework: Implementing a dynamically updating model through local online retraining using real-time data streams would allow the system to adapt to operational drifts, sensor degradations, or changes in usage patterns without requiring complete retraining from scratch.
  • Impact of Phase-to-Phase Faults: A dedicated analysis of the thermal and mechanical impact of inter-turn short circuits or phase-to-phase faults on motor windings could offer valuable insights into insulation health and long-term system stability.
  • Modular Converter Redundancy: Designing and simulating a Modular Multilevel Converter (MMC) topology with fault-tolerant features such as sub-module bypassing and redundancy in power electronic elements (IGBT/MOSFET) would allow for self-healing capabilities and increased system uptime.
  • Field Control Reconfiguration under Faults: Integrating an adaptive field-oriented control system capable of readjusting the d–q axis voltage vector in real-time when a fault occurs in a specific phase could maintain torque production and ensure partial functionality.
  • Sensitivity Analysis on Design Topologies: A detailed sensitivity analysis involving various pole–slot combinations could lead to a reduction of spatial harmonics, minimizing torque ripple, acoustic noise, and improving overall efficiency.
  • Topology Optimization Using Evolutionary Algorithms: Optimization of rotor and magnet geometries using single- and multi-objective genetic algorithms would enhance torque density and thermal efficiency while balancing multiple design trade-offs such as cost, weight, and fault resilience.
These proposed directions reflect the multi-disciplinary potential of the current research, encompassing aspects of mechanical design, control systems, signal processing, and artificial intelligence. By incorporating these enhancements, the methodology could evolve into a comprehensive and adaptive diagnostic platform, suitable not only for elevators but also for a wide range of industrial motor-driven applications.

5. Conclusions

This research demonstrates that the combination of a well-designed Permanent Magnet Synchronous Motor (PMSM) and the strategic application of machine-learning techniques can form the basis for safe, efficient, and intelligent elevator operation through predictive maintenance. A specialized PMSM design was developed, optimized for low-speed, high-torque, and high-efficiency performance, aligning with the stringent requirements of elevator systems. The electromagnetic simulations clearly highlighted the superior behavior of the PM rotor configuration in terms of fault tolerance, particularly under conditions typically encountered in real elevator operations. Mesh sensitivity analysis validated the numerical convergence and the accuracy of simulation outcomes, with fine meshes capturing magnetic saturation peaks more effectively. Nonetheless, the medium mesh (1 mm) was identified as a practical compromise, offering both computational efficiency and sufficient accuracy under normal and faulty conditions.
The integration of the motor into an experimental lifting system provided real-world validation of the proposed fault prediction framework. The data acquisition architecture, incorporating multiple sensors, enabled continuous monitoring of the motor’s operational health. A robust signal processing pipeline was applied, including FIR and Butterworth filtering, Fast Fourier Transform (FFT), and Total Harmonic Distortion (THD) analysis. These techniques enhanced the visibility of fault signatures and improved the separability of healthy and faulty conditions. Using a Random Forest (RF) model, a fault classification algorithm was developed and achieved an accuracy of 94%, with high precision in distinguishing between Normal, Marginal, and Critical states. This high classification performance underpins the system’s potential to minimize false positives, support proactive maintenance decisions, and ensure uninterrupted system performance. Moreover, the methodology’s ability to incorporate both real-time and historical data into its decision-making mechanism marks a significant step toward intelligent condition monitoring. The system is capable of evolving into a comprehensive predictive maintenance platform applicable across a wide range of motor-driven applications beyond elevators.
In conclusion, the developed approach not only strengthens operational safety but also reduces unplanned downtime and maintenance costs, thus aligning with modern trends in smart building automation and Industry 4.0 frameworks. Compared to recent works in the literature [1,2,3], the present study introduces a comprehensive approach combining predictive diagnostics, ML-based classification, and physical motor design validation. Unlike Chen et al. [1], who focused on door fault detection using a single-layer ML, our method integrates PU learning and GAN-based data augmentation for enhanced classification robustness. The Soyaslan et al. [2] and Yetis et al. [3] target motor optimization lacks integration with real time monitoring or learning mechanisms. Our framework bridges this gap by enabling simultaneous motor performance evaluation and fault prediction under realistic elevator conditions.

Author Contributions

Conceptualization, V.I.V.; methodology, V.I.V. and T.S.K.; software, V.I.V.; validation, V.I.V. and T.S.K.; formal analysis, V.I.V.; investigation, V.I.V. and T.S.K.; data curation, V.I.V.; writing—original draft preparation, V.I.V. and T.S.K.; writing—review and editing, T.S.K.; visualization, V.I.V. and T.S.K.; supervision, T.S.K. All authors have read and agreed to the published version of the manuscript.

Funding

This research received no external funding.

Data Availability Statement

Data are contained within the article.

Conflicts of Interest

The authors declare no conflicts of interest.

Abbreviations

The following abbreviations are used in this manuscript:
PMSMPermanent Magnet Synchronous Motor
EKFExtended Kalman Filter
FFT Fast Fourier Transform
STFTShort-Time Fourier Transform
CWTContinuous Wavelet Transform
FSPMFlux Switching Permanent Magnet
FIRFinite Impulse Response
MLMachine Learning
THDTotal Harmonic Distribution
RFRandom Forest
SVMSupport Vector Machine
k-NNk-Nearest Neighbors
DTDecision Tree
PVAPark Vector Approach
EPVAExtended Park Vector Approach
MCSAMotor Current Signal Analysis
ITSCInter Turn Short Circuit

References

  1. Usman, A.; Saxena, A. Technical Roadmaps of Electric Motor Technology for Next Generation Electric Vehicles. Machines 2025, 13, 156. [Google Scholar] [CrossRef]
  2. Kefalas, K.; Karlis, A.D. Supercapacitors based energy saving mode of electromechanical elevator’s operation. In Proceedings of the International Conference on Electrical Machines (ICEM), Lausanne, Switzerland, 4–7 September 2016; pp. 1208–1214. [Google Scholar]
  3. Sirsi, R.; Kamath, D. Energy Efficient Elevators and Technologies. In Proceedings of the IEEE India Council International Conference (INDICON), Roorkee, India, 15–17 December 2017. [Google Scholar]
  4. Anand, R.; Mahesh, M. Elevator drives energy analysis with duty loads and behavior in dynamic conditions. In Proceedings of the International Conference on Emerging Technologies and Innovative Business Practices for the Transportation of Societies (EmergiTech), Balaclava, Mauritius, 3–6 August 2016. [Google Scholar]
  5. Blanusa, B.; Knezevic, B.; Erceg, B.; Lekic, O.; Mrsic, P. Elevator drives: Present trends and perspectives. In Proceedings of the International Conference on Electromechanical and Power Systems (SIELMEN), Lasi, Romania, 11–13 October 2017; pp. 1–9. [Google Scholar] [CrossRef]
  6. Bakhtiarzadeh, H.; Polat, A.; Ergene, L.T. Design and Analysis of a Permanent Magnet Synchronous Motor for Elevator Applications. In Proceedings of the International Conference on Optimization of Electrical and Electronic Equipment (OPTIM) & Int. Aegean Conference on Electrical Machines and Power Electronics (ACEMP), Brasov, Romania, 25–27 May 2017; pp. 293–298. [Google Scholar]
  7. Avsar, Y.; Fenercioglu, A.; Soyaslan, M. Design Optimization of PM Synchronous Motor: Rail Mounted Belt Drive Elevator Systems. IEEE Trans. Ind. Appl. 2024, 60, 301–311. [Google Scholar] [CrossRef]
  8. Yetis, H.; Mese, E.; Biyikli, M. Design and Comparison of Ferrite Based IPM and NdFeB Based SPM Synchronous Motors for Elevator Systems. In Proceedings of the International Conference on Electrical Machines (ICEM), Alexandroupoli, Greece, 3–6 September 2018; pp. 635–641. [Google Scholar]
  9. Mirnikjoo, S.A.; Sangdeli, S.M.K.; Abdollahi, S.E. Multi-objective Optimization of a Permanent Magnet Synchronous Motor for Gearless Elevator. In Proceedings of the Power Electronic Drive Systems and Technologies Conference (PEDSTC), Tabriz, Iran, 2–4 February 2021. [Google Scholar] [CrossRef]
  10. Chasiotis, I.D.; Karnavas, Y.L.; Dimadis, S.I. A Multi-Criteria Design Method of Line-Start PMSM with Enhanced Start-Up Capability for Gantry Crane Lifting Systems. In Proceedings of the IEEE Workshop on Electrical Machines, Design, Control and Diagnosis (WEMDCD), Athens, Greece, 22–23 April 2019; pp. 9–14. [Google Scholar]
  11. Vlachou, V.I.; Karakatsanis, T.S.; Efstathiou, D.E. Design, Analysis and Application of Control Techniques for Driving a Permanent Magnet Synchronous Motor in an Elevator System. Machines 2024, 12, 560. [Google Scholar] [CrossRef]
  12. Li, H.; Zhu, Z.Q.; Azar, Z.; Clark, R.; Wu, Z. Fault Detection of Permanent Magnet Synchronous Machines: An Overview. Energies 2025, 18, 534. [Google Scholar] [CrossRef]
  13. Duan, Y.; Toliyat, H. A review of condition monitoring and fault diagnosis for permanent magnet machines. In Proceedings of the IEEE Power and Energy Society General Meeting, San Diego, CA, USA, 22–26 July 2012. [Google Scholar]
  14. Orloeska-Kowalska, T.; Wolkiewicz, M.; Pietrzak, P.; Skowron, M.; Ewert, P.; Tarchala, G. Fault Diagnosis and Fault-Tolerant Control of PMSM Drives-State of the Art and Future Challenges. IEEE Access 2022, 10, 59974–60024. [Google Scholar] [CrossRef]
  15. Zhan, T.; Yang, Y.; He, Y.; Feng, K. Motor Fault Diagnosis Method Based on Multimodal and Spatial Attention Mechanism. In Proceedings of the Global Reliability and Prognostics and Health Management Conference (PHM-Beijing), Beijing, China, 11–13 October 2024. [Google Scholar] [CrossRef]
  16. Kim, M.; Park, J.; Moon, H.J.; Ko, S. EKF/MM-based Fault Diagnosis Algorithm of PMSM in the Presence of Sensor, Open and Short-Circuit Faults. In Proceedings of the International Conference on Control, Automation and Diagnosis (ICCAD), Paris, France, 15–17 May 2024. [Google Scholar] [CrossRef]
  17. Lenz, R.; Kugi, A.; Kemmetmuller, W. Online Fault Diagnosis for Multiple Open-Circuit Faults in Multiphase Drives with Current Harmonics. In Proceedings of the International Conference on Electrical Machines (ICEM), Torino, Italy, 1–4 September 2024. [Google Scholar] [CrossRef]
  18. Gyftakis, K.N.; Panagiotou, P.A.; Spyrakis, D. Detection of simultaneous mechanical faults in 6-kV pumping induction motors using combined MCSA and stray flux methods. IET Electr. Power 2021, 15, 643–651. [Google Scholar] [CrossRef]
  19. Yang, J.; Dou, M.; Dai, Z.; Zhao, D.; Zhang, Z. Modeling and fault diagnosis of inter-turn short circuit for five-phase PMSM based on Particle Swarm Optimization. In Proceedings of the IEEE Applied Power Electronics Conference and Exposition (APEC), Long Beach, CA, USA, 20–24 March 2016. [Google Scholar] [CrossRef]
  20. Huang, X.; Zhang, J.; Xu, Z.; Xu, S. Fault Diagnosis of Motor Bearings with Multiple Time-Frequency Extraction Method Under Variable Speed Conditions. In Proceedings of the International Power Electronics and Motion Control Conference (IPEMC2024-ECCE Assia), Chengdu, China, 17–20 May 2024; pp. 2468–2473. [Google Scholar]
  21. Milfont, L.D.; Ferreira, G.T.C.; Giesbrecht, M. Fault Diagnosis in PMSM Motors: A Review of Techniques Based on Mathematical Models. In Proceedings of the Annual Conference of the IEEE Industrial Electronics Society (IECON 2024), Chicago, IL, USA, 3–6 November 2024; pp. 1–6. [Google Scholar]
  22. Niu, G.; Dong, X.; Chen, Y. Motor Fault Diagnostics Based on Current Signatures: A Review. IEEE Trans. Instrum. Meas. 2023, 72, 3520919. [Google Scholar] [CrossRef]
  23. Vlachou, E.I.; Vlachou, V.I.; Efstathiou, D.E.; Karakatsanis, T.S. Overview of IoT Security Challenges and Sensors Specifications in PMSM for Elevator Applications. Machines 2024, 12, 839. [Google Scholar] [CrossRef]
  24. Sergakis, A.; Salinas, M.; Gkiolekas, N.; Gyftakis, K.N. A Review of Condition Monitoring of Permanent Magnet Synchronous Machines: Techniques, Challenges and Future Directions. Energies 2025, 18, 1177. [Google Scholar] [CrossRef]
  25. Creux, J.; Obeid, N.H.; Boileau, T.; Meibody-Tabar, F. Comparative Behavior Study of Various PMSM Topologies Under Demagnetization Conditions. In Proceedings of the International Conference on Electrical Machines (ICEM), Torino, Italy, 1–4 September 2024. [Google Scholar] [CrossRef]
  26. Shih, K.J.; Hsieh, M.F.; Chen, B.J.; Huang, S.F. Machine Learning for Inter-Turn Short-Circuit Fault Diagnosis in Permanent Magnet Synchronous Motors. IEEE Trans. Magn. 2022, 58, 8204307. [Google Scholar] [CrossRef]
  27. Huang, W.; Chen, H.; Zhao, Q. Fault Diagnosis of Inter-Turn Fault in Permanent Magnet-Synchronous Motors Based on Cycle-Generative Adversarial Networks and Deep Autoencoder. Appl. Sci. 2024, 14, 2139. [Google Scholar] [CrossRef]
  28. Li, H.; Shen, J.; Shi, C.; Shi, T. Hybrid Learning Model-Based Inter-turn Short Circuit Fault Diagnosis of PMSM. In Proceedings of the IEEE Transportation Electrification Conference and Expo, Asia-Pacific (ITEC Asia-Pacific), Chiang Mai, Thailand, 28 November–1 December 2023; pp. 1–6. [Google Scholar] [CrossRef]
  29. Yang, Y.; Haque, M.M.M.; Bai, D.; Tang, W. Fault Diagnosis of Electric Motors Using Deep Learning Algorithms and Its Application: A Review. Energies 2021, 14, 7071. [Google Scholar] [CrossRef]
  30. Moysiadis, D.A.; Karatzinis, G.D.; Boutalis, Y.S.; Karnavas, Y.L. A Study of Noise Effect in Electrical Machines Bearing Fault Detection and Diagnosis Considering Different Representative Feature Models. Machines 2023, 11, 1029. [Google Scholar] [CrossRef]
  31. ISO 20816-3; Mechanical Vibration-Measurements and Evaluation of Machine Vibration-Part 3: Industrial Machines with Nominal Power Above 15 kW and Nominal Speeds Between 120 r/min and 30000 r/min When Measured In Situ. International Organization for Standardization: Geneva, Switzerland, 2022.
  32. Choi, S.; Pazouki, E.; Baek, J.; Bahrami, H.R. Iterative Condition Monitoring and Fault Diagnosis Scheme of Electric Motor for Harch Industrial Application. IEEE Trans. Ind. Electron. 2015, 62, 1760–1769. [Google Scholar] [CrossRef]
  33. Jedryczka, C.; Danielczyk, D.; Szelag, W. Torque Ripple Minimization of the Permanent Magnet Synchronous Machine by Modulation of the Phase Currents. Sensors 2020, 20, 2406. [Google Scholar] [CrossRef] [PubMed]
  34. Hwang, H.; Kim, D.; Lee, C.; Jin, H. Torque ripple reduction in a flux-switching permanent magnet machine targeted at elevator door applications by minimizing space harmonics. In Proceedings of the IEEE Energy Conversion Congress and Exposition (ECCE), Milwaukee, WI, USA, 18–22 September 2016. [Google Scholar] [CrossRef]
  35. Khorasani, M.; Mirimani, S.M.; Gholamian, S.A. Optimal Design of a Permanent Magnet Synchronous Motor for Elevator Applications by Reducing Torque Ripple. In Proceedings of the International Conference on Electrical Machines and Drives (ICEMD), Tehran, Iran, 20–21 December 2023. [Google Scholar] [CrossRef]
  36. Halder, S.; Bhat, S.; Bhaumik, C.; Rakshit, R. Stator Inter-Turn Fault Diagnosis in Permanent Magnet Synchronous Motor. In Proceedings of the International Conference on Smart Technologies for Power, Energy and Control (STPEC), Nagpur, India, 25–26 September 2020. [Google Scholar] [CrossRef]
  37. Gubarevych, O.; Gerlici, J.; Kravchenko, O.; Melkonova, I.; Melnyk, O. Use of Park’s Vector Method for Monitoring the Rotor Condition of an Induction Motor as a Part of the Built-In Diagnostic System of Electric Drives of Transport. Energies 2023, 16, 5109. [Google Scholar] [CrossRef]
  38. Nusso, S.; Galea, M.; Bolognesi, P.; Vakil, G.; Gerada, C.; Brown, N. A Methodology to Remove Stator Skew in Small-Medium Size Synchronous Generators via Innovative Damper Cage Designs. IEEE Trans. Ind. Electron. 2019, 66, 4296–4307. [Google Scholar] [CrossRef]
  39. IEC 60034-2-1; Rotating Electrical Machines-Part 2-1: Standard Methods for Determining Losses and Efficiency from Tests (Excluding Machines for Traction Vehicles). International Electrotechnical Commission: Geneva, Switzerland, 2014.
  40. Mohamed, N.; Aymen, F.; Mouna, B.H.; Lassaad, S. Modeling and simulation of vector control for a Permanent Magnet Synchronous Motor in electric vehicle. In Proceedings of the International Symposium on Advanced Electrical and Communication Technologies (ISAECT), Alkhobar, Saudi Arabia, 6–8 December 2021. [Google Scholar] [CrossRef]
Figure 1. Cross section view (1/4 section) of a PMSM.
Figure 1. Cross section view (1/4 section) of a PMSM.
Machines 13 00427 g001
Figure 2. Experimental setup of the elevator testing platform.
Figure 2. Experimental setup of the elevator testing platform.
Machines 13 00427 g002
Figure 3. Computed electromechanical torque at rated operating conditions.
Figure 3. Computed electromechanical torque at rated operating conditions.
Machines 13 00427 g003
Figure 4. Comparison between simulated and measured Electromotive Force (Back-EMF) under nominal speed.
Figure 4. Comparison between simulated and measured Electromotive Force (Back-EMF) under nominal speed.
Machines 13 00427 g004
Figure 5. Magnetic flux density distribution of the PMSM at nominal operating conditions.
Figure 5. Magnetic flux density distribution of the PMSM at nominal operating conditions.
Machines 13 00427 g005
Figure 6. Comparison between measured and simulated current signals under nominal load.
Figure 6. Comparison between measured and simulated current signals under nominal load.
Machines 13 00427 g006
Figure 7. Frequency-domain analysis of the torque signal in the PMSM under nominal operation: (a) Logarithmic scale; (b) Linear scale.
Figure 7. Frequency-domain analysis of the torque signal in the PMSM under nominal operation: (a) Logarithmic scale; (b) Linear scale.
Machines 13 00427 g007
Figure 8. Comparison of the original measured current signal at half nominal load.
Figure 8. Comparison of the original measured current signal at half nominal load.
Machines 13 00427 g008
Figure 9. Frequency domain analysis of current signals under healthy and faulty conditions: (a) Logarithmic scale; (b) Linear scale.
Figure 9. Frequency domain analysis of current signals under healthy and faulty conditions: (a) Logarithmic scale; (b) Linear scale.
Machines 13 00427 g009
Figure 10. Park vector representation of a PMSM under different operating states: (a) Healthy; (b) Faulty.
Figure 10. Park vector representation of a PMSM under different operating states: (a) Healthy; (b) Faulty.
Machines 13 00427 g010
Figure 11. Mesh sensitivity analysis: (a) Coarse mesh (2 mm); (b) Medium mesh (1 mm); (c) Fine mesh (0.5 mm).
Figure 11. Mesh sensitivity analysis: (a) Coarse mesh (2 mm); (b) Medium mesh (1 mm); (c) Fine mesh (0.5 mm).
Machines 13 00427 g011
Figure 12. Magnetic field analysis in a PMSM: (a) Coarse mesh (2 mm); (b) Medium mesh (1 mm); (c) Fine mesh (0.5 mm).
Figure 12. Magnetic field analysis in a PMSM: (a) Coarse mesh (2 mm); (b) Medium mesh (1 mm); (c) Fine mesh (0.5 mm).
Machines 13 00427 g012
Figure 13. Comparative results of mesh sensitivity analysis in a PMSM: (a) Average torque and flux linkage; (b) Magnetic field intensity.
Figure 13. Comparative results of mesh sensitivity analysis in a PMSM: (a) Average torque and flux linkage; (b) Magnetic field intensity.
Machines 13 00427 g013
Figure 14. Measured and simulated current signal: (a) f 1 = 12 kHz; (b) f 2 = 5 kHz.
Figure 14. Measured and simulated current signal: (a) f 1 = 12 kHz; (b) f 2 = 5 kHz.
Machines 13 00427 g014
Figure 15. Fault-tolerant current-loading graphs: (a) Experiment; (b) FEA.
Figure 15. Fault-tolerant current-loading graphs: (a) Experiment; (b) FEA.
Machines 13 00427 g015
Figure 16. Typical Field Oriented Control (FOC) scheme for a PMSM.
Figure 16. Typical Field Oriented Control (FOC) scheme for a PMSM.
Machines 13 00427 g016
Figure 17. Current waveforms under nominal operation: (a) Inverter Output; (b) PMSM Input.
Figure 17. Current waveforms under nominal operation: (a) Inverter Output; (b) PMSM Input.
Machines 13 00427 g017
Figure 18. Dashboard visualization of vibration signals and predictive maintenance in a PMSM.
Figure 18. Dashboard visualization of vibration signals and predictive maintenance in a PMSM.
Machines 13 00427 g018
Figure 19. Healthy vibration signal: (a) Time domain; (b) Frequency domain.
Figure 19. Healthy vibration signal: (a) Time domain; (b) Frequency domain.
Machines 13 00427 g019
Figure 20. Faulty vibration signal: (a) Time domain; (b) Frequency domain.
Figure 20. Faulty vibration signal: (a) Time domain; (b) Frequency domain.
Machines 13 00427 g020
Figure 21. Flowchart of the fault diagnosis methodology.
Figure 21. Flowchart of the fault diagnosis methodology.
Machines 13 00427 g021
Figure 22. Healthy and faulty current signals after applying the Butterworth filter.
Figure 22. Healthy and faulty current signals after applying the Butterworth filter.
Machines 13 00427 g022
Figure 23. Harmonic distortion analysis and current values under different load conditions.
Figure 23. Harmonic distortion analysis and current values under different load conditions.
Machines 13 00427 g023
Figure 24. Predictive maintenance results: (a) Average predicted probabilities for each category; (b) Time-series of fault probability.
Figure 24. Predictive maintenance results: (a) Average predicted probabilities for each category; (b) Time-series of fault probability.
Machines 13 00427 g024
Table 1. Nominal electrical and mechanical characteristics of the PMSM.
Table 1. Nominal electrical and mechanical characteristics of the PMSM.
ParametersSymbolValue
Output power P o u t 5.1 kW
Input power P i n 6 kW
Frequencyf16 Hz
EfficiencyE85%
Rated current I r 11 A
Rated speedn160 rpm
Rated torque T r 305 Nm
Windings resistance R s 1 Ω
Rated voltage V r 380 V
Power factorcosφ0.80
Moment of inertiaJ 0.35   Kg m 2
Table 2. Design variables and geometric parameters of the PMSM topology.
Table 2. Design variables and geometric parameters of the PMSM topology.
ParametersSymbolValue
Stator outer diameter D o 220 mm
Stator inner diameter D s 126 mm
Rotor outer diameter D r 124 mm
Rotor inner diameter D i r 100 mm
Axial lengthL350 mm
Shaft diameter D s h a f t 60 mm
Number of pole pairsp6
Number of slots Q s 36
Airgap length L g 1 mm
Slot opening width b s o 3 mm
Slot width at the base b s 1 8.6 mm
Slot width at the top b s 2 12.5 mm
Stator tooth shoe height H s o 1.5 mm
Stator curvature height H s 1 2.5 mm
Slot total height H s 2 18 mm
Magnet thickness l m 4.5 mm
Table 3. Comparison of simulated and experimental results.
Table 3. Comparison of simulated and experimental results.
ParametersFEAExperimentError
Phase voltage225 V240 V6.25%
Electromotive force220 V221 V0.45%
Phase current10.4 A10.8 V3.70%
Torque300 Nm305 Nm1.64%
Output power5.02 kW5.09 kW1.37%
Input power6 kW6.05 kW0.82%
Efficiency83.66%84.13%0.56%
Table 4. Comparison of predictive maintenance strategy.
Table 4. Comparison of predictive maintenance strategy.
MethodComplexityReal-Time
Processing
AccuracyComputational Cost
EKFHighMediumHighHigh
FIR+ButterworthLowHighMedium-HighLow
Table 5. Key parameters from the FFT analysis.
Table 5. Key parameters from the FFT analysis.
ParametersValueUnits
Fundamental frequency16Hz
Amplitude of FFT f_el3.89Nm
Max peak amplitude (DC)296Nm
THD22.12%
TR6.13%
Noise floor0.0221Nm
Sidebands near f_el20-
Dominant harmonics count226-
Table 6. Current amplitude analysis across different frequencies.
Table 6. Current amplitude analysis across different frequencies.
Frequency (Hz)Healthy (dB)Faulty (dB)
50−48.41−6.33
100−42.29−19.73
150−54.49−30.23
200−48.82−22.33
250−55.14−26.78
300−27.31−27.34
350−43.24−33.88
400−28.95−33.45
450−45.92−27.78
500−40.51−46.77
550−42.76−32.12
600−41.47−24.16
650−45.18−42.70
700−41.24−38.51
750−40.69−20.88
800−40.66−17.69
850−33.85−23.94
900−41.70−27.10
950−44.33−35.60
1000−45.94−33.47
Table 7. Extended park vector approach parameters for each operating condition.
Table 7. Extended park vector approach parameters for each operating condition.
ParametersHealthyFaulty
Mean a/b/zero-seq0.0048/0.022/0.0682−0.012/−0.16/−0.21
Variance a/b30.37/29.82 21.33/18.99
Variance zero-seq0.39275.32
Range a/b18.74/10.2432.83/28.79
Range zero-seq3.450615.3687
Mean distance from origin7.72526.3895
Energy7725.57315712.2464
Table 8. Nominal characteristics of the elevator system.
Table 8. Nominal characteristics of the elevator system.
ParametersSymbolValue
Mass nominal loadQ450 kg
Mass of the chamberP495 kg
Mass of the counterweightG720 kg
Force powerF42.75 N
Nominal velocity cabinv1 m/s
Nominal acceleration a 0.19   m / s 2
Table 9. Results of the Random Forest algorithm.
Table 9. Results of the Random Forest algorithm.
ClassPrecision (%)Recall (%)F1-Score (%)
Critical979093
Marginal9110095
Normal969395
Accuracy94--
Macro Avg959494
Weighted Avg959494
Table 10. Comparative performance of machine-learning models.
Table 10. Comparative performance of machine-learning models.
ClassifierPrecision (%)Recall (%)F1-Score (%)Accuracy (%)
Random Forest95949494
Support Vector Machine89888889
k-Nearest Neighbors86878687
Decision Tree84838385
Disclaimer/Publisher’s Note: The statements, opinions and data contained in all publications are solely those of the individual author(s) and contributor(s) and not of MDPI and/or the editor(s). MDPI and/or the editor(s) disclaim responsibility for any injury to people or property resulting from any ideas, methods, instructions or products referred to in the content.

Share and Cite

MDPI and ACS Style

Vlachou, V.I.; Karakatsanis, T.S. Development of a Fault-Tolerant Permanent Magnet Synchronous Motor Using a Machine-Learning Algorithm for a Predictive Maintenance Elevator. Machines 2025, 13, 427. https://doi.org/10.3390/machines13050427

AMA Style

Vlachou VI, Karakatsanis TS. Development of a Fault-Tolerant Permanent Magnet Synchronous Motor Using a Machine-Learning Algorithm for a Predictive Maintenance Elevator. Machines. 2025; 13(5):427. https://doi.org/10.3390/machines13050427

Chicago/Turabian Style

Vlachou, Vasileios I., and Theoklitos S. Karakatsanis. 2025. "Development of a Fault-Tolerant Permanent Magnet Synchronous Motor Using a Machine-Learning Algorithm for a Predictive Maintenance Elevator" Machines 13, no. 5: 427. https://doi.org/10.3390/machines13050427

APA Style

Vlachou, V. I., & Karakatsanis, T. S. (2025). Development of a Fault-Tolerant Permanent Magnet Synchronous Motor Using a Machine-Learning Algorithm for a Predictive Maintenance Elevator. Machines, 13(5), 427. https://doi.org/10.3390/machines13050427

Note that from the first issue of 2016, this journal uses article numbers instead of page numbers. See further details here.

Article Metrics

Back to TopTop