Abstract
Due to the various application scenarios of micro-positioning platforms, designing the structure of a micro-positioning platform that accommodates performance specifications for specific real-world applications presents significant challenges. Piezoelectric actuators, known for their high-precision driving capabilities, are widely used in micro-positioning platforms. However, their limited output displacement restricts the platform’s operational workspace. To simplify the complexity of traditional coarse–fine composite systems and avoid the interference and cost burden introduced by coarse adjustment systems, a novel large-range parallel micro-positioning platform is proposed in this paper. Through a modular configuration, lever-type, Z-shaped, and L-shaped three-stage amplification mechanisms are connected in series to achieve large-stroke motion with three degrees of freedom (DOFs), effectively compensating for the limited output displacement of the piezoelectric actuators. The structure employs three symmetric support branches in parallel to the end-effector, significantly enhancing the system’s structural symmetry, thereby improving the stability and precision of the operation. Furthermore, based on the pseudo-rigid-body model theory and the Lagrangian method, the kinematic and dynamic models of the micro-positioning platform are established. Finite element simulations are conducted to validate performance parameters such as the single-branch amplification ratio, parallel amplification ratio, and natural frequency. In addition, the platform’s operational workspace is also calculated and analyzed. The results indicate that the designed micro-positioning platform achieves a high amplification ratio of 17.5, with output motions approximately decoupled (coupling ratio less than 1.25%) in each DOF, and the operational workspace is significantly improved.
1. Introduction
Micro-/nano-positioning technology is one of the core supporting technologies in fields such as high-end equipment manufacturing, biomedical engineering, optical precision measurement, and semiconductor packaging. As the demand for multi-DOF coordinated operations in precision engineering continues to grow, parallel micro-positioning platforms that combine high precision with large travel ranges have become a research focus in recent years [1,2,3,4,5]. Traditional serial positioning platforms can achieve large-stroke motion, but their cumulative errors and dynamic performance limitations restrict their application in sub-micron precision scenarios. The compliant parallel micro-positioning platform not only features a compact parallel mechanism with high stiffness and precision, but also benefits from the advantages of frictionless, gap-free, and lubrication-free flexure hinges, making it widely applied in the biomedical field. It is often used as a supporting mechanism for culture dishes and microscopy equipment, where its precise positioning performance is a crucial ratio affecting the success rate of cell operations [6,7,8,9,10,11]. Current research on micro-positioning platforms tends to focus on specific aspects such as positioning accuracy, repeatability, resolution, workspace, bandwidth, input/output coupling ratio, positioning stability, efficiency, speed, load, and cost [12,13,14,15]. Among the existing drive methods, piezoelectric actuators (PEAs) are widely used due to their high stiffness, high output force, and sub-nanometer resolution [16]. However, their output displacements are limited by the inherent characteristics of the actuator, usually not exceeding 100 m. The current mainstream solution is to combine the PEA-based positioning system with a motor-based coarse adjustment system to extend the displacement range. However, while this method compensates for the limited workspace of the PEA, it also introduces issues such as structural complexity, increased costs, and amplified environmental noise.
An increasing number of micro-/nano-operation studies are raising the demands for the workspace of micro-positioning platforms, aiming to overcome the limitations of traditional “coarse–fine two-stage composite systems”. Therefore, the application of amplification mechanisms is crucial for enhancing the workspace of micro-positioning platforms. Several types of displacement amplification mechanisms, such as lever-type, bridge-type, and Scott Russell mechanisms, have been proposed. In the field of parallel micro-positioning platforms, Kim et al. [17] proposed a self-guided displacement amplification mechanism with a bridge amplification function. Yuan et al. [18] presented a micro-positioning platform with two degrees of freedom based on a lever amplification mechanism, achieving a displacement amplification ratio (DAR) of 21.8 and a workspace of 38.1 m × 41 m. In this paper, the displacement amplification ratio (DAR) is defined as the ratio of the output displacement of the end-effector to the input displacement at the input port. It will hereafter be referred to as the DAR. Zhang et al. [19] designed a 3-DOF parallel micro-motion platform using a combination of bridge and lever amplifiers, with a workspace of 582 m × 517 m × 524 m. Kim et al. [20] used a two-stage lever mechanism to design a micro-positioning platform with an amplification ratio of 4, achieving a workspace of ±110 m × ±110 m × 1.2 mrad. Wang et al. [21] proposed a 3-DOF nano-positioning platform with three two-stage lever amplifications, with a workspace of 137.44 m × 152.28 m × 3.97 mrad.
Although existing platforms have achieved relatively high displacement amplification ratios (e.g., 21.8 as reported in [18]), their workspace remains limited (e.g., <600 m as noted in [19]). Moreover, there is still room for improvement in balancing structural compactness, motion decoupling, and range persist. In fact, due to the varying application scenarios of different micro-positioning platforms, designing a platform that balances various performance metrics with the overall structure of the practical application scenario presents a significant challenge. As microscopic operations become increasingly frequent, there is an important research significance in developing a 3-DOF parallel micro-positioning platform with a large stroke, compact structure, and low coupling ratio. This design could potentially reduce the cost burden associated with traditional “coarse–fine two-stage composite systems” and simplify the layout complexity of positioning systems in many practical application scenarios.
To address this, this paper proposes a 3-DOF parallel micro-positioning platform with a high DAR, large workspace, and compact structure. Compared with traditional micro-positioning platforms, the modular three-stage amplification structure designed in this work not only significantly enlarges the workspace of the end-effector (±875 m × ±757.8 m × 41.02 mrad), but also exhibits high structural symmetry and compactness, thereby enhancing the compatibility of the overall platform design with practical application scenarios. Specifically, the platform proposed in this paper adopts a modular configuration, where L-shaped, Z-shaped, and Π-shaped three-stage amplification mechanisms are serially integrated through flexure hinges, achieving single-branch three-stage amplification and effectively increasing the output displacements of PEAs. The platform employs three symmetric support branches in parallel to the end-effector, significantly enhancing the structural symmetry of the system and improving operational stability and precision.Notably, the proposed design eliminates traditional mechanical coarse adjustment by employing a purely flexure-based amplification mechanism, thereby avoiding assembly errors and environmental vibrations while simultaneously simplifying the structure and reducing costs.
The remainder of this paper is organized as follows. Section 2 provides a detailed description of the structural design and working principle of the micro-positioning platform. Kinematic and dynamic modeling are presented in Section 3 and Section 4, respectively. Section 5 validates the performance metrics of the micro-positioning platform through finite element simulations, and Section 6 concludes the paper.
2. Structural Design of the Micro-Positioning Platform
2.1. Structural Design
The overall structural design of the micro-positioning platform is shown in Figure 1. The platform has a height of 150 mm, with a top-down structure in the form of a circular platform with a radius of 145 mm. The bottom of the platform features two support feet, which are used to secure the entire platform to an isolation table. The support feet are rigidly connected to the transition platform, which is also rigidly connected to the positioning platform through 12 support pillars. The transition platform has a hollow structure. The positioning platform serves as the primary working platform, where the PEA-based drive and three-stage displacement amplification mechanisms are arranged. Notably, the design leaves sufficient space between the two support feet, and the transition platform is hollow. This design allows the parallel end-effector at the center of the positioning platform to collect adequate lighting from the bottom, providing a favorable environment for operations such as cellular micro-positioning observation.The end-effector has pre-installed mounting holes of various sizes for securing the sample being operated on. The positioning platform serves as the primary working platform but is not directly connected to the isolation table. Instead, it is connected through support pillars, a transition platform, and support feet, creating a transitional structure. The advantages of this design are as follows:
Figure 1.
Overall structural design of the 3-DOF parallel micro-positioning platform.
(1) The support pillars and transition platform form a two-stage low-pass filter. High-frequency vibrations (such as drive noise and environmental mechanical waves) are attenuated as they pass through the flexible support pillars. The transition platform, acting as an intermediate mass block, further absorbs residual vibration energy, significantly reducing the vibration amplitude transmitted to the positioning platform and optimizing the multi-stage vibration isolation path.
(2) The driving unit (PEA) of the positioning platform is isolated from the isolation table through the support pillars, preventing the recoil vibration induced by the high-frequency operation of the PEA from directly coupling with the actuator itself, thereby reducing endogenous interference within the system.
(3) The arrangement of the support pillars, transition platform, and support feet significantly improves the environmental space for the bottom light source, enhancing the efficiency of observation operations.
Next, the structural details of the main working platform, i.e., the positioning platform, are analyzed, as shown in Figure 2.
Figure 2.
Top view of the main working platform.
Due to the extremely small driving displacement that can be achieved by the PEA, typically on the order of tens of micrometers, it poses a significant challenge to the large-stroke working space. Therefore, amplifying the driving displacement to achieve large-stroke motion of the end mass block is of particular importance. The end-effector of the micro-positioning platform designed in this paper is driven by three parallel branches. The first-stage amplification mechanism in each branch adopts a lever mechanism to amplify the input displacement of the PEA, which is then transmitted to a Z-shaped amplification mechanism via a straight circular double-notch flexure hinge to achieve secondary amplification. After secondary amplification, the displacement is transmitted to the third-stage L-shaped amplification mechanism via a flexure hinge, and the third-stage amplified driving displacement is then passed to the transition rod, ultimately reaching the end-effector. It is worth noting that each branch uses two types of flexure hinges, totaling seven hinges. According to previous studies [20,22], due to the high rotational accuracy of the wheel-shaped flexure hinge, this type of hinge is preferred for the rotational hinges connecting to the positioning platform in each branch. However, considering that the rotational hinge connecting the first-stage amplification mechanism to the fixed platform bears the greatest load, the radial deformation stiffness in the thickness direction should be as large as possible to achieve an ideal lever rotation pivot point. Therefore, the first hinge of each branch adopts a double-notch straight circular flexure hinge with a larger thickness. Meanwhile, to eliminate internal stresses caused by angular variations between the amplification stages, the connections between each amplification mechanism are made with double-notch straight circular flexure hinges, which have lower rotational stiffness for flexible connection.
2.2. Determination of Flexure Hinge Dimensions
In this paper, the designed micro-positioning platform uses two types of flexure hinges: wheel-shaped flexure hinges () and double-notch straight circular flexure hinges (), as shown in Figure 3. According to the compliance equations proposed by Smith [23], and Paros and Yong [24], the stiffnesses of these two types of hinges satisfy the following relationships:
where E is the elastic modulus of the material; z, , and represent the width, thickness, and radius of the wheel-shaped flexure hinge; and n, , and represent the width, thickness, and radius of the double-notch straight circular flexure hinge, respectively.
Figure 3.
Wheel-shaped flexure hinge and double-notch straight circular flexure hinge.
Based on the structure of the designed micro-positioning platform, the width z of the wheel-shaped hinge and the thickness n of the double-notch straight circular flexure hinge are both set as fixed values of 10 mm. Using Equation (1) and the MATLAB (version R2021b) software, a simulation analysis is conducted to investigate the influence of the dimensional parameters of the two types of hinges on their stiffness. This facilitates the selection of appropriate hinge dimensions to ensure effective displacement transmission in each amplification mechanism while maximizing the natural frequency of the entire micro-positioning platform. Figure 4 and Figure 5 illustrate the trends of how the hinge dimensions affect their stiffness.
Figure 4.
Influence of dimensional parameters on the stiffness of the wheel-shaped flexure hinge.
Figure 5.
Influence of dimensional parameters on the stiffness of the double-notch straight circular flexure hinge.
As shown in Figure 4, the variation in thickness u of the wheel-shaped flexure hinge has a greater impact on its stiffness than the variation in length R. In the proposed micro-positioning platform, two wheel-shaped flexure hinges are used in each branch, primarily serving as rotational joints within the amplification mechanisms. Since the input force from the PEA decreases progressively through each stage of the displacement amplification mechanism, to ensure effective transmission from the input to the output, the stiffness of the two wheel-shaped flexure hinges in each branch should also decrease progressively. It is worth noting that the amplification stages are interconnected by double-notch straight circular flexure hinges, which primarily serve to flexibly accommodate the rotation angles of each lever stage, thereby reducing or eliminating undesirable internal stresses. To achieve optimal amplification and transmission performance, repeated tests and analyses were conducted, leading to the final selection of the wheel-shaped flexure hinge C with a thickness of 0.5 mm and a length of 4 mm, and hinge E with a thickness of 0.5 mm and a length of 5 mm. As shown in Figure 5, the variation in thickness t of the double-notch straight circular flexure hinge has a greater influence on its stiffness than changes in radius. Since hinge A serves as the fulcrum of the entire branch, its design should prioritize maximizing radial stiffness to ensure effective rotational transmission. Hinges B and D, serving as connections between adjacent amplification mechanisms, should have lower rotational stiffness than the rotational hinges C and E. Hinges F and G are located at the output end of the final amplification mechanism and are connected to the end-effector. In actual operation, due to the parallel coupling effect of stiffness, the stiffness in this section should be appropriately reduced to ensure effective displacement amplification while maintaining overall system stability. Balancing the overall design requirements with the goal of achieving the highest possible natural frequency, the dimensions of the double-notch straight circular flexure hinges are summarized in Table 1.
Table 1.
Partial dimensional parameters of the double-notch straight circular flexure hinges.
3. Kinematic Modeling
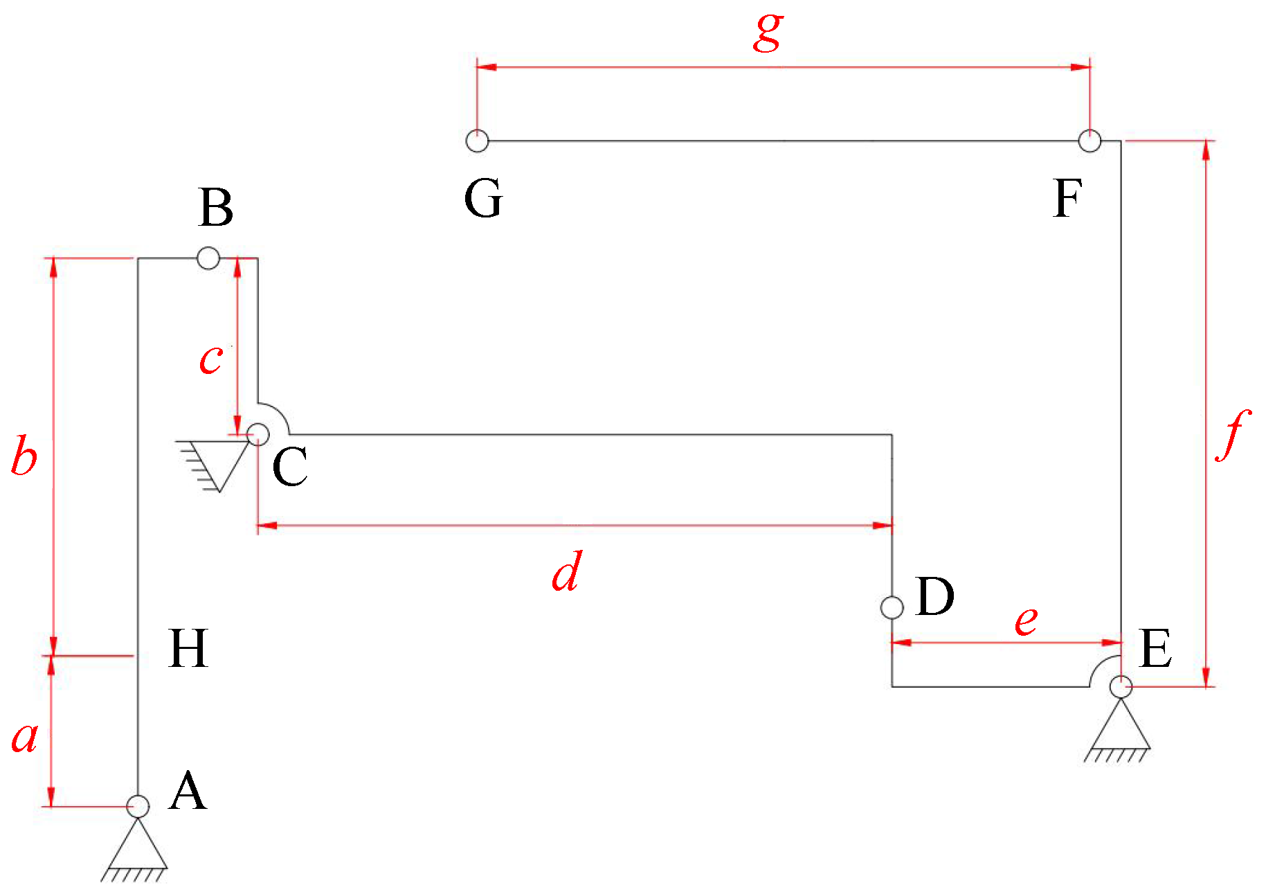
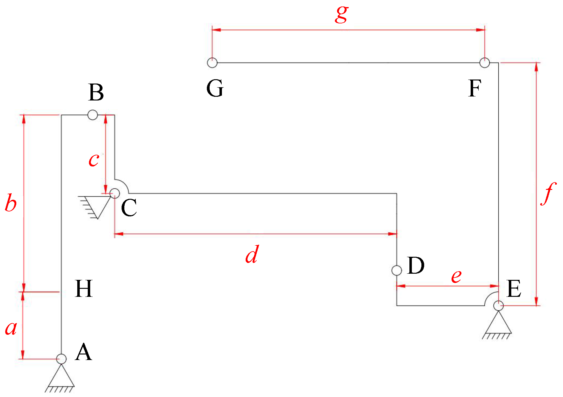
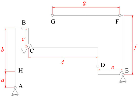
A motion schematic of the 3-DOF parallel micro-positioning platform designed in this paper is shown in Figure 6. Points , and represent the double-notch straight circular flexure hinges (i = 1∼3), while points and represent the wheel-shaped flexure hinges. The drive points of each branch are labeled as . The first-stage lever mechanism is composed of the rod , with point serving as the rotation point of the lever, fixed on the positioning platform. The second-stage Z-shaped amplification mechanism consists of the rods and , where point is flexibly connected to the first-stage lever mechanism, and point serves as the rotation point of the second-stage Z-shaped amplification mechanism, fixed on the positioning platform. The third-stage L-shaped amplification mechanism consists of the rods and , with point flexibly connected to the second-stage Z-shaped amplification mechanism. Point serves as the rotation point of the third-stage L-shaped amplification mechanism, fixed on the positioning platform, and point is flexibly connected to the link . The other end of the link is connected to the end-effector via the flexure hinge .
Figure 6.
Schematic of the motion of the parallel micro-positioning platform.
According to the principles of the pseudo-rigid body model method, the flexure hinge can be equivalently represented as an ideal rotational joint with a torsional spring, while the link connected by the flexure hinge is considered a rigid rod. The micro-positioning platform designed in this paper is driven by three branches arranged in a circular array, with each branch having an identical structure. To simplify the analysis, one branch is selected for displacement amplification analysis, and the motion vector diagrams of the three amplification mechanisms are shown in Figure 7, where and represent the input displacement and output displacement of the branch, respectively. Figure 8 shows the diagram with key dimension markings for the branch.
Figure 7.
Motion vector diagrams of the three amplification mechanisms.
Figure 8.
Diagram of key dimensions of the branch.
Assume that the relationship between the input displacement and the output displacement of the branch is
where is the DAR. To obtain the overall amplification ratio of each branch, it is necessary to derive the amplification ratios of the lever-type, Z-shaped, and L-shaped amplification mechanisms.
Firstly, for the first-stage lever mechanism, as shown in Figure 7, the instantaneous velocities of points H and B satisfy the following relationship:
where represents the angular velocity of link AC rotating around the instantaneous center of hinge A, is the length of the rod segment AH, and represents the projection length of the segment AB onto the y-axis, as shown in Figure 7.
Similarly, for the second-stage Z-type amplification mechanism, the instantaneous velocities of points B and D are given by
where represents the angular velocity of the Z-shaped lever rotating around the instantaneous center of rotation C, and and represent the projection lengths of segments BC and CD onto the y-axis and x-axis, respectively, as shown in Figure 7.
The DAR of the second-stage Z-shaped amplification mechanism can be obtained from Equations (6) and (7):
For the third-stage L-shaped amplification mechanism, the instantaneous velocity of point D and the output end is given by
where represents the angular velocity of the L-shaped lever rotating around the instantaneous center of rotation E, and and represent the projection lengths of segments DE and EF onto the x-axis and y-axis, respectively.
Therefore, the overall DAR of a single branch of the micro-positioning platform designed in this paper can be obtained from Equations (5), (8) and (11):
Next, the relationship between the motion of the end-effector and the output displacements of each branch (i = 1∼3) after the three branches are connected in parallel to the end-effector is derived.
Since the relationship between the input and output displacements of each branch has been solved, the kinematic modeling of the parallel connection between the branches and the end-effector can be simplified. According to the actual configuration of the platform designed in this paper, the output end of each branch can be equivalent to a 3-PRR (prismatic–revolute–revolute) kinematic chain for analysis, as shown in the motion diagram in Figure 9. The flexure hinge at the output end of the third-stage amplification mechanism of each branch is equivalent to a prismatic–revolute joint. In the kinematic modeling process of the simplified 3-PRR kinematic chain, the global coordinate system is located at the center point of the end-effector; the three coordinate systems (i = 1∼3) are located at the initial positions of the flexure hinge corresponding to each branch, with the x-axis oriented in the direction of the respective prismatic joint’s motion; the motion coordinate system is attached to the center point of the end-effector and moves along with the end-effector. represents the input displacement of the simplified 3-PRR platform.
Figure 9.
Schematic diagram of the 3-PRR kinematic chain.
For the 3-PRR platform, the transformation matrix from the global coordinate system to the coordinate system is given by
where , , and is the rotation angle from the coordinate system to the global coordinate system . In the structure designed in this paper, , , and .
The motion of the end-effector can be described by the position and orientation of the motion coordinate system . Relative to the global coordinate system , the position and orientation of the motion coordinate system are defined as and , respectively. Therefore, the transformation matrix from the coordinate system to the coordinate system is given by
where , and . By combining Equations (13) and (14), the transformation matrix from the motion coordinate system to the coordinate system (i = 1∼3) is derived as follows:
Since the motion range of the end-effector platform is extremely small, it can be approximated as and . Therefore, Equation (15) can be simplified as follows:
The inverse kinematics matrix of the simplified 3-PRR platform is derived based on the coordinate position of the hinge point . The position of hinge in the coordinate system is denoted as , and its position in the coordinate system is denoted as .
In the simplified 3-PRR platform, are known quantities: , , and .
According to Equation (16), the coordinate position of hinge in the coordinate system can be calculated as follows:
Since the length of the link remains constant during the motion of the end-effector, the following equation can be derived:
By rearranging Equation (18), the expression for can be obtained as follows:
By substituting Equation (17) and the value of into Equation (19), the following equation can be obtained:
Equation (20) describes the mapping relationship between the position and orientation of the end-effector and the inputs. By rewriting Equation (20) in matrix form, the inverse kinematic relationship of the simplified 3-PRR platform is expressed as Equation (21):
By substituting Equation (2) into Equation (21), the inverse kinematic relationship of the overall 3-DOF platform can be obtained, as shown below:
The forward kinematics of the overall 3-DOF platform can be obtained by solving the inverse of Equation (22).
In the above two equations, (i = 1∼3) represents the driving displacement of the PEA for each branch, is the DAR of the branch, and and define the inverse and forward kinematic Jacobian matrices of the 3-DOF platform, respectively.
4. Dynamic Modeling
The equivalent displacement and angular changes in the single branch when the input displacement is applied at the input end of one branch of the micro-positioning platform are shown in Figure 10.
Figure 10.
Schematic diagram of the equivalent displacement and angular variations of a single branch.
According to Figure 10, when the input displacement is applied to one branch of the micro-positioning platform, the angular increment (), as well as the corresponding rotation angle () of the flexure hinge () can be approximately derived as follows ():
Since the flexure hinges are frictionless, the micro-positioning platform can be considered as undamped. As an undamped multi-DOF system, the dynamics model of the micro-positioning platform is established using the Lagrange equation. The generalized coordinates are chosen as , and the Lagrange equation can be formulated as
where T represents the kinetic energy of all the moving links of the micro-positioning platform and the end-effector, which can be expressed as
where , and represent the moments of inertia of the first three displacement amplification mechanisms and the rod , respectively. is the mass of the parallel end-effector, is the mass of the rod GF, and h is the distance between the center of the end-effector and the hinge . V represents the rotational potential energy of all flexure hinges, and can be expressed as
where represent the stiffness of the flexure hinges , respectively.
By substituting Equations (24)–(31), (33) and (34) into Equation (32), the following expression is obtained:
with
where
and
The formula for calculating the first three natural frequencies of the micro-positioning platform can be written as follows:
5. Finite Element Simulation Verification
Finite element simulations were conducted using ANSYS Workbench (version 2022R1) to perform both static structural and modal analyses of the proposed micro-positioning platform. The analysis focused on the displacement response and dynamic characteristics of the positioning platform and end-effector. The model was discretized using SOLID186 ten-node 3D elements, with a target element size of 2090 m, while each flexible hinge unit was set to a size of 1000 m. The final mesh consisted of 564,098 elements and 854,932 nodes. The material was set as aluminum alloy (Al-7075-T6), with the following mechanical properties: density of 2810 kg/m3, Young’s modulus of 71.7 GPa, Poisson’s ratio of 0.33, and yield strength of 503 MPa. A safety factor of was chosen. Fixed constraints were applied at the mounting holes, and a prescribed displacement was applied at the input port in a specified direction to simulate actuation. Additionally, gravitational loads were applied to both the end-effector and the positioning platform to replicate realistic operating conditions. The resulting displacement of the end-effector was recorded to evaluate the DAR.
5.1. Single-Branch Amplification Ratio Verification
A large-stroke 3-DOF parallel micro-positioning platform is designed in this paper. To verify the amplification ratio performance of each branch, the single-branch amplification ratio was tested. Based on the design structure and Figure 8, Table 2 lists the main dimensional parameters of the micro-positioning platform designed in this paper.
Table 2.
Main dimensional parameters of the micro-positioning platform.
By substituting the data from Table 2 into Equation (12), the theoretical amplification ratio of the branch chain is obtained as
During the structure design process, the rated input displacement of the PEA is set to 60 m. However, due to the influence of structural input stiffness, the maximum input displacement of a single branch in practical applications is typically lower than this rated value. To ensure that the research results are more aligned with real-world conditions and to fully consider system stability and drive safety margins, a conservative approach was adopted when setting the maximum drive displacement, which was set to 50 m. This approach aims to more accurately reflect the performance of the micro-positioning platform under actual working conditions. At the same time, to comprehensively verify the displacement amplification ratio of a single branch of the micro-positioning platform, the input displacement of the single branch was set to 54.59 m in the simulation analysis, in order to authoritatively evaluate its amplification characteristics and operational performance.
The simulation results are shown in Figure 11. When the branch is not parallel to the end-effector, the input displacement of 54.59 m at the input end of the single branch results in an output displacement of 1572.4 m along the x-axis, with a simulation amplification ratio of 28.81. The error compared to the theoretical calculation is 1.2%. The error primarily arises from the differences in assumptions between the theoretical calculation and the simulation model. In the theoretical calculation, the branch is assumed to be a rigid body, without considering the elastic deformation of the material, while the simulation includes flexure effects, such as small bending and stretching, which causes the branch to deform and absorb some of the displacement, thus reducing the amplification ratio. Moreover, the theoretical analysis does not take into account the deformation of the transition hinges between the amplification mechanisms, which results in displacement loss, while the simulation model incorporates and accumulates this deformation, further contributing to the reduction in the actual amplification ratio.
Figure 11.
Output displacement in the x-direction when driven by a single-chain actuator.
Despite the presence of errors, the simulation results show that the output amplification ratio of the single-chain actuator still reaches as high as 28.81, demonstrating excellent displacement amplification capability. This effectively highlights the validity of the displacement amplification design in the case of a single-chain actuator.
5.2. Validation of Parallel Amplification Ratio and Stress Analysis
By substituting the theoretical amplification ratio calculated from Equation (44) into Equation (23), the relationship between the inputs at the three ends of the branch chains, , and the 3-DOF motion of the end-effector can be obtained. A static analysis of the parallel micro-positioning platform was performed using the Ansys software. According to the theoretical formula, when is maximized and are set to 0, the end-effector will exhibit pure translational motion along the x-axis and rotational motion about the z-axis, with the x-axis translation reaching its maximum extent. To verify the displacement amplification effect of the end-effector under the condition of maximum motion along the x-axis, a displacement of 50.38 m is applied only at the input of the branch chain, i.e., , . In this case, according to Equation (23), the theoretical amplification ratio of the end-effector’s motion along the x-axis is 19.44. The actual simulation results, as shown in Figure 12a, indicate that the output displacement of the end-effector’s center along the x-direction reaches 881.71 m, with a simulated amplification ratio of 17.5, resulting in an error of 9.98%. Furthermore, Figure 12b demonstrates that under the same input displacement, the parasitic motion of the end-effector’s center along the y-axis is 11.02 m, with a cross-coupling ratio of 1.25%, achieving nearly decoupled long-range motion and ensuring the precision of the micro-positioning platform. Under this input condition, the theoretical rotation angle about the z-axis is 15.3 mrad. According to Figure 12c, given the end-effector dimension v = 30 mm, the simulated rotation angle is determined to be 12.9 mrad based on the simulation results and the corresponding conversion relationship, resulting in a relative error of 15.69%.
Figure 12.
Simulation verification results of the end-effector’s motion along the x-axis limit: (a) displacement in the x-direction; (b) displacement in the y-direction; (c) rotation angle around the z-axis.
When the micro-positioning platform is in a state of extreme displacement motion at each DOF, the risk of material strength failure becomes particularly prominent. Figure 13 illustrates the stress distribution of the end-effector when it moves to the limit position along the x-axis. The simulation results indicate that the majority of the stress in the flexure hinges is concentrated between 101 and 207 MPa. In the first branch chain, the connecting hinge between the Z-type and L-type amplification mechanisms experiences the largest torsional load, with its maximum stress reaching 310.56 MPa. However, the distribution range of this high-stress area is very small, and the overall stress levels are below the allowable stress of 335.33 MPa for the material used in this study. This result verifies the structural safety of the end-effector when achieving maximum displacement motion along the x-axis.
Figure 13.
Simulation results of the equivalent stress of the end-effector during limit motion along the x-axis.
According to the results of Equation (23), when is maximized and , , the end-effector will exhibit pure translational motion along the positive direction of the y-axis and rotational motion about the z-axis, with the translational displacement along the y-axis reaching its maximum extent. To verify the displacement amplification effect of the end-effector under the condition of limit motion along the y-axis, a displacement of 25 m is applied at the input and 50 m at the input , i.e., . In this case, according to Equation (23), the theoretical amplification ratio of the end-effector’s motion along the y-axis is 16.84. The actual simulation results, as shown in Figure 14a, indicate that the output displacement of the end-effector’s center along the y-direction reaches 770.14 m, with a simulated amplification ratio of 15.4, resulting in an error of 8.5%. Furthermore, Figure 14b shows that under the same input displacement, the parasitic motion of the end-effector’s center along the x-axis is 3.16 m, with a cross-coupling ratio of 0.4%, achieving nearly decoupled long-range motion and ensuring the precision of the micro-positioning platform. Under this input condition, the theoretical rotation angle about the z-axis is 22.78 mrad. According to Figure 14c, given the end-effector dimension v = 30 mm, the simulated rotation angle is determined to be 19.56 mrad based on the simulation results and the corresponding conversion relationship, resulting in a relative error of 14.14%.
Figure 14.
Simulation verification results of the end-effector’s motion along the y-axis limit: (a) displacement in the y-direction; (b) displacement in the x-direction; (c) rotation angle around the z-axis.
Figure 15 illustrates the stress distribution of the end-effector when it moves to the limit position along the y-axis. The simulation results show that the stress in most of the flexure hinges is concentrated between 95.15 MPa and 190.3 MPa. In the second branch chain, the connecting hinge between the Z-type and L-type amplification mechanisms experiences the largest torsional load, with its maximum stress reaching 285.44 MPa. However, the distribution range of this high-stress area is very small, and the overall stress levels are below the allowable stress of 335.33 MPa for the material used in this study. This result verifies the structural safety of the end-effector when achieving maximum displacement motion along the y-axis.
Figure 15.
Simulation results of the equivalent stress of the end-effector during limit motion along the y-axis.
According to the results of Equation (23), when and all are maximized, the end-effector will exhibit a purely rotational motion confined exclusively to the z-axis, without any translational displacement, and is expected to achieve its maximum angular displacement in the counterclockwise direction. To verify the amplification effect of the end-effector’s rotation around the z-axis under the condition of limit motion, a displacement of 50 m is applied at the inputs , , and , i.e., μm. In this case, according to Equation (23), the theoretical amplification ratio for the end-effector’s rotational motion around the z-axis is 0.91. The rotational amplification ratio is defined as the ratio of the change in the end-effector’s rotational angle to the input linear displacement, representing the system’s rotational amplification capability. The actual simulation results, as shown in Figure 16, indicate that, based on geometric relations and the cosine theorem, the simulation rotation angle is 51.47 mrad, with a simulation amplification ratio of 1.03 and an error of 11.65%. Additionally, the simulation results show that under this input condition, there is almost no parasitic motion along the x-axis or y-axis, which is attributed to the symmetry of the structural design, ensuring the positioning accuracy of the micro-positioning platform.
Figure 16.
Simulation verification results of the end-effector’s rotation around the z-axis.
Figure 17 illustrates the stress distribution of the end-effector when it moves to the limit position during rotation around the z-axis. The simulation results show that the stress in most of the flexure hinges is concentrated between 105.13 MPa and 210.26 MPa. In each branch chain, the connecting hinge between the Z-type and L-type amplification mechanisms experiences the largest torsional load, with its maximum stress reaching 315.39 MPa. However, the distribution range of this high-stress area is very small, and the overall stress levels are below the allowable stress of 335.33 MPa for the material used in this study. This result verifies the structural safety of the end-effector when rotating to the maximum angle around the z-axis.
Figure 17.
Simulation results of the equivalent stress of the end-effector during limit motion around the z-axis.
The above analysis has verified the feasibility and rationality of the designed micro-positioning platform in achieving the maximum displacement along each individual degree of freedom. However, in practical applications, the platform more commonly operates under a coordinated mode involving all three degrees of freedom, where the end-effector simultaneously performs translational motion along the x- and y-axes and rotational motion about the z-axis. To further evaluate the potential of the structure under such conditions, a combined input scenario was analyzed based on the results derived from Equation (23), where , and . Under this setting, the end-effector is expected to translate along the x-axis, achieve its maximum displacement along the y-axis, and simultaneously rotate about the z-axis. The corresponding simulation results are presented in Figure 18. Specifically, Figure 18a shows that the displacement along the x-axis reaches 441.68 , with a relative error of 9.12% compared to the theoretical value. Figure 18b illustrates a displacement of 841.78 along the y-axis, corresponding to a relative error of 8.43%. In Figure 18c, given the end-effector dimension w = 16 mm, the rotational angle about the z-axis is determined to be 25.94 mrad based on the simulation and conversion relationship, resulting in a relative error of 14.61%. It is worth noting that under the condition of simultaneous three-degrees-of-freedom actuation, the simulation errors are comparable to those observed in the individual maximum displacement cases, further validating the rationality of the structural design. Additionally, the stresses in each flexible hinge are within the allowable stress limits, ensuring structural safety. A detailed analysis of the error sources is provided in Section 5.3.

Figure 18.
Simulation verification results of the end-effector’s motion under three-degrees-of-freedom coordinated operation: (a) displacement in the x-direction; (b) displacement in the y-direction; (c) rotation angle around the z-axis.
5.3. Simulation Error Analysis
In Section 5.2, Ansys finite element simulation is employed to analyze the displacement amplification ratio of the end-effector under the limit motion conditions of each degree of freedom, and further investigate the displacement behavior of the micro-positioning platform under coordinated three-degrees-of-freedom operation. The simulation results for each DOF are detailed in Table 3. Here, the rotational amplification ratio is defined as the ratio of the change in the end-effector’s rotational angle to the input linear displacement; the corrected branch amplification ratio is defined as the amplification ratio obtained by back-calculating the simulated amplification ratio using Equation (23), providing a more accurate representation of the amplification effect in that DOF.
Table 3.
Simulation results under the limit motion conditions of each DOF.
When the branch chains are parallel to the end-effector, there are deviations of varying degrees between the actual motion range of each DOF transmitted from the branch chains to the end-effector and the theoretical calculation results. This also leads to a decrease or increase in the simulated amplification ratio for each motion direction. The sources of error are as follows:
(1) In the parallel structure, the motion of the end-effector is mainly constrained by the flexure hinges and of the three branch chains. In theoretical calculations, these hinges are idealized as purely rotational flexure hinges, but in reality, their limited rotational stiffness will, to some extent, restrict the transmission of displacement at the end-effector.
(2) In the parallel structure, as the stiffness of the input ends of the branch chains increases, a larger input force is required to achieve the same input displacement. This places higher demands on the first double-notch straight circular flexure hinge of each branch chain. Ideally, should only bear rotational motion, but its non-ideal performance results in a reduction in the displacement transmission efficiency of the first-stage amplification mechanism.
(3) When the input displacements of the three branch chains are the same, the simulated amplification ratio during the rotation of the end-effector around the z-axis is actually larger. The main reason for this is that the position and orientation of the connecting rod between the third-stage L-type amplification mechanism and the end-effector undergoes a skew change, which further transmits displacement to the end-effector, thereby enhancing the amplification effect.
It is worth mentioning that further reducing the stiffness of the flexure hinges and can, to some extent, reduce the amplification ratio error in the parallel configuration, but this will also lower the structural strength. Considering that the amplification errors under the limit motion conditions of each DOF are all below 12%, and the corrected branch amplification ratio is still as high as 26.25 at its lowest, this fully verifies the exceptional micro-displacement amplification capability of the designed micro-positioning platform. Furthermore, according to the simulation results presented in Section 5.2, when the end-effector undergoes maximum displacement along the x- and y-axes, its rotational angle around the z-axis is slightly smaller than the theoretical value, with errors of 15.69% and 14.14%, respectively. These errors are generally consistent with the displacement losses observed under maximum motion along the x- and y-axes. The primary source of this deviation lies in the non-ideal stiffness characteristics of the flexure hinges and . Additionally, the theoretical model may inaccurately estimate the dynamic distance between the geometric rotation centers of the hinges and the center of the end-effector under working conditions, leading to discrepancies in theoretical calculations. Nevertheless, in practical applications, the compliance loss caused by this error remains within an acceptable range for observation and manipulation tasks, which further verifies the rationality and reliability of the proposed structural model under coupled motion conditions.
At the end of Section 5.2, when the end-effector performs coordinated three-degrees-of-freedom motion, the simulation results show that the relative errors of the end-effector’s displacement along the x-, y-, and z-axes are 9.12%, 8.43%, and 14.61%, respectively. These errors are highly consistent with the results under the limit motion conditions of each degree of freedom, and the sources of the errors are also similar, further validating the feasibility and rationality of the structural design under coordinated three-degrees-of-freedom operation.
5.4. Natural Frequency Analysis
To evaluate the dynamic characteristics of the micro-positioning platform, a modal analysis was performed on the structure using the Ansys finite element simulation software, and the first six vibration modes were obtained, as shown in Figure 19. The results indicate that the first three modes primarily reflect the translational motion of the micro-positioning platform along the x-axis and y-axis, as well as rotational motion around the z-axis. The inherent modal characteristics are generally consistent with the design expectations, thus verifying the rationality of the structural design in terms of dynamic characteristics. It is worth mentioning that the simulation results show that the natural frequency of the fourth mode is approximately 89.8% higher than that of the third mode. This significant frequency gap effectively prevents higher-order modes from interfering with the working mode, thereby enhancing the system’s dynamic stability and anti-resonance capability.
Figure 19.
First six modal shapes of the micro-positioning platform: (a) first-order mode; (b) second-order mode; (c) third-order mode; (d) fourth-order mode; (e) fifth-order mode; (f) sixth-order mode.
A comparison of the simulated natural frequencies of the first three modes with the theoretical calculation results is shown in Table 4. As seen from the data in the table, when the end-effector moves along the x- and y-axes, the natural frequency error between the theoretical calculation and simulation testing is relatively small, while the error for the third mode is relatively large. However, overall, the simulation results are in good agreement with the theoretical calculations, verifying the feasibility of the designed structure. Possible reasons for the natural frequency errors are as follows:
Table 4.
Comparison of the simulated natural frequencies of the first three modes with the theoretical calculation.
(1) The rotational stiffness formula for the hinges used in the theoretical calculation has some discrepancies with the actual situation, while the finite element simulation, through refined solid element modeling, more accurately represents the local plastic strain distribution and multi-directional stiffness coupling effects in the stress concentration areas of the hinge roots. This allows a more realistic reflection of how the generalized stiffness matrix influences the system’s motion accuracy non-linearly.
(2) The theoretical model based on the small-deformation assumption does not account for higher-order infinitesimal terms and geometric non-linear effects (such as rotational center drift) when estimating the hinge’s rotational angle. Although the end displacement is in the micrometer range, the linearization of the dynamic model may still lead to parasitic motion errors, causing some theoretical deviation.
(3) The theoretical model simplifies the parallel branch chains as a 3-PRR kinematic chain and idealizes the distributed flexure hinges as rotational pairs, without fully considering the stiffness anisotropy caused by the kinematic coupling between the branches. In the actual system, the time-varying stiffness characteristics of the flexure hinges (such as the local strain energy gradient changing with the end-effector’s position) and the over-constrained redundant internal force field between the branches significantly affect the system’s equivalent stiffness ellipsoid shape. Such non-linear effects are difficult to accurately represent under the rigid body replacement assumption, leading to significant discrepancies between the theoretical calculation and simulation results for the third mode.
5.5. Reachable Workspace Calculation
In the structural design phase of this paper, the PEA (model PSt150/5/60VS10, Core Tomorrow Co., Harbin, China) selected can provide a nominal output displacement of 60 m at a maximum driving voltage of 150 V. Considering input stiffness, system stability, and driving safety margin, a conservative approach was adopted in calculating the reachable workspace, with the maximum input displacement set to 50 m to more accurately reflect the performance of the micro-positioning platform under practical working conditions. Referring to Table 3, the minimum value of the corrected branch amplification ratio, 26.25, was taken as the amplification ratio. Using Matlab computational tools and a Monte Carlo-based searching method, the workspace was calculated combined with Equation (22), and the result is shown in Figure 20.
Figure 20.
Reachable workspace calculation results: (a) Schematic diagram of the three-dimensional workspace; (b) X-Y plane projection.
5.6. Performance Comparisons Between Different Piezoelectric Platforms
Table 5 presents a comparative analysis of the key performance indicators of the 3-DOF parallel micro-positioning platform designed in this paper and four existing typical parallel micro-positioning platforms based on amplification mechanisms. Given that all the performance data in this work are derived from finite element simulations, the comparison is also conducted using simulation results from other platforms to ensure fairness and consistency, thereby avoiding unnecessary errors caused by experimental factors such as noise interference, machining inaccuracies, and assembly deviations. Yuan et al. [18] proposed a two-DOF micro-positioning platform based on a lever amplification mechanism, achieving an amplification ratio of 21.8, but its workspace did not show significant expansion. Zhang et al. [19] effectively expanded the platform’s workspace by combining amplification mechanisms with spatial design methods. Nevertheless, the overall structure was relatively complex, and due to inherent structural limitations, the actual usable workspace experienced up to 45% displacement loss, with similar degradation observed in the amplification ratio. The hollow structure proposed by Kim et al. [20] demonstrated certain advantages in micro-positioning applications, especially in terms of operational convenience, but its amplification ratio was relatively limited. Wang et al. [21] also designed a 3-DOF micro-positioning platform based on a lever mechanism, achieving an amplification ratio of 9.11, but the workspace still has potential for improvement. In contrast, the platform proposed in this paper strikes a balance between compactness and functionality in its structural design, providing a larger output stroke and good structural stability. While achieving a maximum amplification ratio of 17.5, the coupling ratio is effectively controlled within 1.25%, and the platform structure offers excellent light-transmission conditions, showing good adaptability and potential for applications in precision operations and other scenarios.
Table 5.
Comparative analysis of parallel micro-positioning platforms.
5.7. Future Work
Although the feasibility and performance of the designed micro-positioning platform have been validated through finite element simulations, we recognize that simulation alone is not sufficient to comprehensively evaluate the system’s actual performance under real operating conditions, particularly considering the influence of the piezoelectric actuator’s characteristics on the actual maximum input displacement at the input end. Despite the platform’s highly symmetrical structural design and the implementation of a two-stage vibration isolation scheme, factors such as environmental noise, manufacturing tolerances, and assembly errors may still affect system performance in practical applications. Therefore, future work will focus on prototype development and experimental verification, comparing simulation and experimental data to gain a deeper understanding of the platform’s performance under real operating conditions. Based on experimental feedback, we will further optimize the structural design, particularly in terms of balancing structural stability, working space, and motion accuracy. Additionally, we will assess the platform’s adaptability in various application scenarios to ensure its reliability and versatility in complex environments. To further improve system performance, we plan to explore methods for expanding the platform’s working space and amplification ratio based on experimental results, while also working to minimize positioning errors caused by the non-ideal characteristics of flexure hinges. Furthermore, we will incorporate intelligent control algorithms to achieve adaptive adjustment of the platform under varying parameters, significantly enhancing its positioning accuracy and operational stability. We believe that with continuous experimental validation and iterative optimization, this micro-positioning platform will demonstrate strong potential in large-range, high-precision positioning applications, providing a solid foundation for related precision tasks.
6. Conclusions
This paper presents a novel large-range 3-DOF parallel micro-positioning platform, characterized by a high DAR, a large working space, and nearly decoupled precise displacement output. The overall structural design meets the requirements for micro-operation illumination, vibration isolation, and output stability. Based on the series mechanism of lever-type, Z-shaped, and L-shaped three-stage amplification mechanisms, the platform effectively overcomes the shortcomings of the small travel range of the PEA. The parallel mechanism enables 3-DOF motion of the end-effector, satisfying the diverse micro-operation demands of the present. Kinematic and dynamic models of the micro-positioning platform were established using the pseudo-rigid-body method and the Lagrangian method, analyzing the amplification ratio of the platform’s amplification mechanism, the transmission matrix for forward and inverse kinematics, and the natural frequencies. Ansys finite element simulations were used to analyze and verify the static and dynamic characteristics of the platform. The results show that the designed micro-positioning platform achieves a high amplification ratio in the movement directions of each DOF, with a nearly fully decoupled stable output. Furthermore, based on the finite element simulation results, the platform’s working space was calculated using Matlab, showing that when the maximum input displacement of the PEA is 50 m, the achievable working space is ±875 m × ±757.8 m × 41.02 mrad.
Author Contributions
Conceptualization, C.L. and S.K.; methodology, S.K.; software, C.L.; validation, C.L. and S.K.; formal analysis, C.L.; investigation, S.K.; resources, S.K.; data curation, C.L.; writing—original draft preparation, C.L.; writing—review and editing, S.K.; visualization, C.L.; supervision, S.K.; project administration, S.K.; funding acquisition, S.K. All authors have read and agreed to the published version of the manuscript.
Funding
This work was supported by the National Natural Science Foundation of China under Grant 52405117, the Natural Science Foundation of Jiangsu Province under Grant BK20220449.
Data Availability Statement
The original contributions presented in the study are included in the article, further inquiries can be directed to the corresponding author.
Acknowledgments
The authors would like to thank the editor and the anonymous reviewers for their valuable comments and kind suggestions to improve the quality of this paper.
Conflicts of Interest
The authors declare no conflicts of interest.
References
- Yuan, L.; Wang, L.; Qi, R.; Zhao, Z.; Jin, J.; Zhao, C. A novel hollow-type XY piezoelectric positioning platform. Int. J. Mech. Sci. 2023, 255, 108496. [Google Scholar] [CrossRef]
- Kang, S.; Wu, H.; Yang, X.; Li, Y.; Chen, B.; Yao, J. Nonlinearities compensation of a parallel piezostage using discrete-time sliding mode predictive control with decoupling and damping properties. Mech. Syst. Signal Process. 2023, 192, 110206. [Google Scholar] [CrossRef]
- Sun, J.; Zhang, S.; Cheng, J.; Deng, J.; Liu, Y. Modeling and experiments of bipedal actuated linear piezoelectric platform with smooth motion and strong load capacity. IEEE Trans. Ind. Electron. 2025, 72, 2872–2881. [Google Scholar] [CrossRef]
- Ding, B.; Li, X.; Li, C.; Li, Y.; Chen, S.C. A survey on the mechanical design for piezo-actuated compliant micro-positioning stages. Rev. Sci. Instrum. 2023, 94, 101502. [Google Scholar] [CrossRef]
- Dong, G.; Sun, S.; Kong, X.; Chen, X.; Yin, T.; Wu, N.; Huang, P.; Wang, Z. Design and analysis of a new micro-positioning platform for ceramic material testing. Microsyst. Technol. 2024, 30, 55–64. [Google Scholar] [CrossRef]
- Kang, S.; Wu, H.; Yang, X.; Li, Y.; Yao, J.; Chen, B.; Lu, H. Discrete-time predictive sliding mode control for a constrained parallel micropositioning piezostage. IEEE Trans. Syst. Man Cybern. Syst. 2022, 52, 3025–3036. [Google Scholar] [CrossRef]
- Zhang, J.; Zhang, Y.; Dong, M. Design, analysis, and test of a decoupled flexure-based 5-DOF micro-positioning platform. J. Mech. Sci. Technol. 2022, 36, 3883–3896. [Google Scholar] [CrossRef]
- Kang, S.; Yang, X.; Li, Y.; Wu, H.; Li, T. A fractional viscoelastic mechanical model for speed optimization of robotic cell microinjection. IEEE/ASME Trans. Mechatron. 2024, 29, 4514–4525. [Google Scholar] [CrossRef]
- Li, J.; Liu, H.; Zhao, H. A compact 2-DOF piezoelectric-driven platform based on “z-shaped” flexure hinges. Micromachines 2017, 8, 245. [Google Scholar] [CrossRef]
- Kang, S.; Wu, H.; Yang, X.; Li, Y.; Pan, L.; Chen, B. Fractional robust adaptive decoupled control for attenuating creep, hysteresis and cross coupling in a parallel piezostage. Mech. Syst. Signal Process. 2021, 159, 107764. [Google Scholar] [CrossRef]
- Zhang, Q.; Dong, W.; Xu, Q.; Goteea, B.J.; Gao, Y. FlexDelta: A flexure-based fully decoupled parallel xyz positioning stage with a long stroke. Precis. Eng. 2024, 88, 707–717. [Google Scholar] [CrossRef]
- Wu, Z.; Li, Y.; Hu, M. Design and optimization of full decoupled micro/nano-positioning stage based on mathematical calculation. Mech. Sci. 2018, 9, 417–429. [Google Scholar] [CrossRef]
- Xin, C.; Xu, Y.; Zhang, Z.; Li, M. Micro-Opto-Electro-Mechanical Systems for High-Precision Displacement Sensing: A Review. Micromachines 2024, 15, 1011. [Google Scholar] [CrossRef] [PubMed]
- Feng, H.; Pang, A.; Zhou, H. High precision robust control design of piezoelectric nanopositioning platform. Sci. Rep. 2022, 12, 10357. [Google Scholar] [CrossRef] [PubMed]
- Li, L.; Aphale, S.S.; Zhu, L. High-bandwidth nanopositioning via active control of system resonance. Front. Mech. Eng. 2021, 16, 331–339. [Google Scholar] [CrossRef]
- Kang, S.; Wu, H.; Li, Y.; Yang, X.; Yao, J. A fractional-order normalized Bouc–Wen model for piezoelectric hysteresis nonlinearity. IEEE/ASME Trans. Mechatron. 2022, 27, 126–136. [Google Scholar] [CrossRef]
- Kim, J.J.; Choi, Y.M.; Ahn, D.; Hwang, B.; Gweon, D.G.; Jeong, J. A millimeter-range flexure-based nano-positioning stage using a self-guided displacement amplification mechanism. Mech. Mach. Theory 2012, 50, 109–120. [Google Scholar] [CrossRef]
- Yuan, X.; Liu, Y.; Zou, H.; Ji, J.; Zhou, T.; Wang, W. Design and analysis of a 2-D piezoelectric platform based on three-stage amplification and L-shaped guiding. IEEE Trans. Instrum. Meas. 2022, 71, 1–12. [Google Scholar] [CrossRef]
- Zhang, X.; Xu, Q. Design and testing of a new 3-DOF spatial flexure parallel micropositioning stage. Int. J. Precis. Eng. Manuf. 2018, 19, 109–118. [Google Scholar] [CrossRef]
- Kim, H.Y.; Ahn, D.H.; Gweon, D.G. Development of a novel 3-degrees of freedom flexure based positioning system. Rev. Sci. Instrum. 2012, 83, 055114. [Google Scholar] [CrossRef]
- Wang, R.; Zhang, X. Design and test of a novel planar 3-DOF precision positioning platform with a large magnification. In Proceedings of the 2014 International Conference on Manipulation, Manufacturing and Measurement on the Nanoscale (3M-NANO), Taiwan, 27–31 October 2014; pp. 236–243. [Google Scholar]
- Kang, D.; Gweon, D. Analysis and design of a cartwheel-type flexure hinge. Precis. Eng. 2013, 37, 33–43. [Google Scholar] [CrossRef]
- Smith, S.T. Flexures: Elements of Elastic Mechanisms; CRC Press: Boca Raton, FL, USA, 2000. [Google Scholar]
- Yong, Y.K.; Lu, T.F.; Handley, D.C. Review of circular flexure hinge design equations and derivation of empirical formulations. Precis. Eng. 2008, 32, 63–70. [Google Scholar] [CrossRef]
Disclaimer/Publisher’s Note: The statements, opinions and data contained in all publications are solely those of the individual author(s) and contributor(s) and not of MDPI and/or the editor(s). MDPI and/or the editor(s) disclaim responsibility for any injury to people or property resulting from any ideas, methods, instructions or products referred to in the content. |
© 2025 by the authors. Licensee MDPI, Basel, Switzerland. This article is an open access article distributed under the terms and conditions of the Creative Commons Attribution (CC BY) license (https://creativecommons.org/licenses/by/4.0/).




















