Abstract
Aiming at the problem that drilling parameters are difficult to adjust in time for the driller due to the complex geological environment in underground coal mines, a drilling parameter control method based on online identification of drillability and multi-objective optimization of drilling parameters is proposed. A drillability grade identification model is established, with rotational speed and torque as input parameters, which can accurately identify the current drilling state. A multi-objective optimization model of the optimal drilling parameters is established with the mechanical specific energy and drilling speed prediction model as the objective functions, and the NSGA-II algorithm and TOPSIS algorithm are used for solutions and decision-making. A fuzzy PID controller is established. For the control of rotational speed parameters and drilling pressure parameters, the advantages and disadvantages of the fuzzy PID control method and the traditional PID control method are compared through simulation and experiments. A control method based on the drillability identification model and the multi-objective optimization model is established. According to the different drillability grades, the drilling parameters are adjusted in time to ensure the normal drilling state. By constantly approaching the optimal parameters through the drilling parameters, the drilling efficiency is improved. Through experimental verification, this control method effectively prevents the occurrence of drilling speed reduction and intermittent sticking and can adjust the drilling parameters to continuously optimize.
1. Introduction
The control of drilling parameters in underground coal mines plays a crucial role in modern coal mining, especially when dealing with complex underground environments, where its significance becomes even more prominent. Due to the complex geological conditions of coal mines, the parameters of drilling rigs are often in a time-varying system influenced by multiple random variables, making real-time monitoring and adjustment extremely difficult [1]. Additionally, due to differences in construction conditions and geological conditions [2], as well as variations in personal experience and ability [3], it is challenging for drill operators to make accurate and timely judgments and decisions, which may lead to inaccurate or delayed adjustments of drilling rig parameters. Therefore, enhancing the intelligence level of coal mine drilling rigs and achieving adaptive control during the drilling process have become the main directions for the development of coal mine engineering drilling [4].
The prerequisite for adaptive control during the drilling process is the monitoring and judgment of the drilling state. Reliability, more often referred to as rock drillability, is defined as the ease or difficulty of drilling a certain type of rock with a certain type of drill bit. It is closely related to the type of drill bit, the type of rock, and the hardness and strength of the rock, and can be used as an important indicator for evaluating the drilling state [5]. In 1995, American scholar Spaar [6] established a rock drillability calculation model using three parameters: compressive strength, internal friction angle, and cohesion. Due to the incomplete parameters used, the established drillability calculation model is only applicable to a specific type of formation. In recent years, with the rise of artificial intelligence technology, more and more researchers have adopted intelligent algorithms for drillability prediction [7]. Gamal, H [8] et al. established an ANN-ROP model using neural networks, which was shown to have high accuracy.
One critical aspect of drilling control is identifying the optimal drilling parameters. Multi-objective optimization of drilling parameters refers to optimizing drilling parameters based on multiple objective functions during the drilling process to achieve the best drilling outcomes. In 1959, George [9] introduced the concept of drilling optimization. Based on extensive field data, he combined bit weight and rotational speed and proposed empirical expressions for the relationships between bit life, rate of penetration (ROP), and variables such as drilling depth, bit rotational speed, and weight on bit. In 1969, Young [10] developed an improved drilling rate model, which comprehensively considered the influence of multiple drilling parameters on ROP and remains one of the most widely used drilling models today. From the 1980s to the end of the 20th century, automatic closed-loop drilling control systems began to emerge. These systems gradually acquired the ability to automatically adjust drilling parameters, optimize parameter combinations, and provide closed-loop control based on operating conditions. Rommetveit [11] proposed a new drilling monitoring system and developed a compound optimization model for bits. Using this model, he simulated the effects of changes in rotational speed and weight on bit on the ROP, leading to a 15–20% increase in ROP. Since the early 21st century, with the rapid development of computer technology, control technology, and optimization techniques, drilling parameter optimization has evolved into a real-time, intelligent, and dynamic system optimization approach based on drilling models [12,13]. Eren [14] developed a rate of penetration model by considering multiple drilling control parameters. Through a multilinear approach, the model optimized real-time weight on bit and rotational speed, with the goal of minimizing the unit cost per foot of drilling during operations. Guria [15] and colleagues applied a non-dominated sorting genetic algorithm with the elitist strategy to the multi-objective optimization of drilling parameters, solving a mathematical model based on unit cost per foot, drilling efficiency, and bit life.
The research on adaptive control of drilling systems has evolved from early sensor-based detection and manual parameter adjustments to the current intelligent and automated control methods. This paper is based on a rock drillability identification model and employs multi-objective optimization techniques to select the most suitable drilling parameters, focusing on the study of adaptive optimization control methods. In previous studies, rock drillability grading is often based on the mechanical properties of the rock itself. However, in the process of coal mine drilling, even soft rock may lead to sticking, which shows that this classification method is not accurate in coal mine drilling. This paper is based on the change of drilling parameters during the drilling process, which has better practical applications. At the same time, in the optimization control of drilling parameters, based on the classification of drillability, the stability of the drilling state in the process of changing drilling parameters is ensured. The safety of the drilling process is guaranteed while also optimizing drilling efficiency. In the field of coal mine research, the level of research advancement is low; this paper makes a supplement to this field of research.
2. Micro-Drilling Experiment
2.1. Construction of Micro-Drilling Experiment System
In this paper, the micro-drilling test is used to simulate the actual drilling work in a coal mine. Based on the similitude theory, the process of coal and rock drilling is comparable to the actual situation through dimensional analysis and deduction of the similitude criterion. The micro-drilling test carried out can be used for the theoretical research of underground drilling conditions in coal mines. In this paper, the similarity coefficient of the micro-drilling test bench model is taken as 1/10, and the similarity coefficient of the relevant parameters of the micro-drilling test can be obtained according to the similarity theory, as shown in Table 1. The drilled sample uses coal rock, which is consistent with the drilled medium in the actual application scenario, and its mechanical parameters are shown in Table 2.
Table 1.
Similarity coefficients for parameters related to micro-drilling tests.
Table 2.
Mechanical parameters of drilled coal rock.
As shown in Figure 1, the micro-drilling test system is mainly composed of a drilling device, a sensing device, and a control device. The drilling device mainly includes a twist drill bit (diameter 8 mm), a rotary stepper motor, and a propulsion servo motor. The stepper motor provides the rotary drilling power of the bit, and its rated speed is 3000 r/min and rated torque is 0.8 N·m. The servo motor provides the bit propulsion power by connecting the lead screw, and its rated output torque can reach 2.4 N·m. The constant torque output of the servo motor is set in the drilling process of this test to simulate the drilling process of the drilling machine in a coal mine at constant bit weight. The drilling pressure can be obtained by the following equation:
Figure 1.
Micro-drilling test system.
In this equation, T represents the torque of the servo motor (N·m); Ph denotes the lead of the lead screw (mm); and η is the efficiency of the lead screw, which is set to 0.9 in this experiment. The testing apparatus measures the drilling torque and rotational speed in real time by installing the CYJN-DN torque sensor between the rotary motor and the drill bit. The servo motor driver can continuously read and store the torque and rotational speed of the servo motor and transmit the collected torque and rotational speed data of the stepper motor and servo motor to the computer via serial communication. The drilling system control section is managed by PLC (S7-1200, manufactured by Siemens, Munich, Germany) and control driver, enabling synchronized operation control of the stepper motor and servo motor.
2.2. Data Acquisition Scheme
Multiple groups of experiments were carried out on the experimental bench, and the data in the experiment process were collected, including torque, drilling rate, rotational speed, propulsion pressure, etc., which was convenient for analyzing the influence of various parameters on the drilling process and providing data for the intelligent algorithm model. The 50 groups of drilling control parameters tested on the micro-drilling test bench are shown in Table 3, and each group is controlled by constant drilling pressure and constant rotational speed.
Table 3.
Data acquisition scheme.
3. Drillability Identification
The premise of adaptive drilling control is to take into account the current drilling state and give priority to ensure the normal drilling process. Therefore, it is necessary to identify the drilling state.
3.1. Drillability Level
According to the change of drilling speed in this experiment, we found that the drilling process has three typical states: stable drilling state, slow drilling rate state, and intermittent stuck state. There are four drillability levels, as shown in Table 4:
Table 4.
Drillability level.
Level 1: Stable drilling. In this class, the bit maintains normal rotation and feed, and the drilling parameters (torque, drilling speed, rotational speed, and drilling pressure) are maintained within a predetermined safe range. In this state, the drilling efficiency is the highest, and there is no obvious anomaly, so it is defined as the most ideal drilling state, indicating that the drilling effect is good, without too much intervention.
Level 2: Slow drilling rate. This class is characterized by a gradual slowing down of the drilling rate or a stop in rotation. Although drilling continues, the drilling rate decreases significantly or even decreases to zero, which may indicate a potential obstacle or problem. Drilling parameters need to be adjusted to respond, and drilling conditions need to be closely monitored in order to detect any further deterioration.
Level 3: Intermittent stuck. This condition reflects that the bit has encountered significant obstacles during drilling, resulting in an inability to continuously rotate or feed, which may be caused by high rock hardness, insufficient cutting force, or bit wear. At this time, the torque may suddenly increase during drilling, the drilling efficiency is reduced, and the risk is increased.
Level 4: Stuck drill. In this case, drilling has stopped completely and cannot continue. This requires the equipment to be stopped immediately to avoid further risk. Since the equipment at this level has been unable to operate, the regulation of this level will not be considered in online drillability identification in this study.
3.2. Drillability Identification Model
During the drilling process, various monitoring signals can be extracted, such as the drill rotation speed (n), drilling torque (T), drilling pressure (F), and drilling speed (v). First, the drilling process in the experiment was manually classified. Continuous drilling indicates a stable drilling state, sudden stops indicate an intermittent stuck drilling state, and gradual stops indicate a slow drilling rate state. Then, the intelligent algorithm is used to spontaneously find the relationship between the parameters and the classification. As shown in Figure 2, the variations in torque and drilling speed under different drilling conditions are quite distinct. Therefore, torque and drilling speed signals are used as input signals for identification.
Figure 2.
Comparison of torque and drilling speed values under different operating conditions.
In previous studies [16], intelligent algorithms such as Support Vector Machine (SVM), Convolutional Neural Networks (CNN), and Long Short-Term Memory Networks (LSTM) have been widely researched and applied in drillability identification. SVM, a classifier based on statistical learning theory, has a certain reliability in drillability identification [17]. Therefore, this algorithm is selected to establish the identification model.
The data in the experiment were used for model training, and ten sets of data were selected for each drilling state. Some sample data points are shown in Table 5. The training data set contains m sample points, which contain multiple feature attributes and corresponding target values or labels. Where xi ∈ R represents the i th eigenvector and is associated with the corresponding label yi ∈ {+1, −1}. When the Support Vector Machine extends from a two-dimensional sample space to a multi-dimensional sample space, the division of the hyperplane can be achieved using the equation:
Table 5.
Discrimination model partial sample data points.
In this equation, ω is the normal vector of the hyperplane, and b is the bias constant. When , the classified sample is assigned to the positive class, and when , it is assigned to the negative class. By multiplying both sides of the above equation by yi, we attain the following equation:
When , the sample point lies on the maximum margin boundary. To ensure that all samples can be correctly classified, the SVM problem can be converted into a convex quadratic programming problem:
In this equation, C is the penalty coefficient and ξ is the slack variable. At the same time, the constraint conditions are:
This paper uses the radial basis function (RBF) kernel:
Thus, the two hyperparameters for the SVM-based coal mine drillability classification prediction model are C and g. To achieve optimal identification performance, grid search is used to optimize the C and g. After optimization, the highest identification accuracy of 96.7% is achieved when C = 20 and g = 0.1.
4. Multi-Objective Optimization Model
On the premise of ensuring the drilling state, the next consideration is to improve the drilling efficiency, which includes the comprehensive drilling speed and the mechanical specific energy required to break the rock. The goal is to determine the current optimal drilling parameters.
4.1. Establishment of Multi-Objective Optimization Model
Considering that mechanical specific energy and drilling speed reflect the difficulty of breaking through different rock layers, these parameters are crucial for evaluating drilling efficiency. Given the presence of multiple evaluation criteria, this is a typical multi-objective optimization problem. By combining the two key objectives, a multi-objective optimization model can be established.
- (1)
- Mechanical specific energy model
Mechanical specific energy is one of the commonly used indicators to evaluate the drilling process, aiming to comprehensively consider multiple directly related parameters during the drilling process, including drilling pressure, torque, drilling speed, drill bit rotation speed, and drill bit diameter. Specifically, it describes the mechanical energy required to break a unit volume of rock over time with drilling pressure and torque in the drilling system, and it can be expressed with the following equation:
where MSE is the mechanical specific energy (GPa); F represents drilling pressure (kN); d denotes the drill bit diameter (mm); n is the drill bit rotation speed (r/min); T represents drilling torque (N·m); and v is the drilling speed (m/s).
- (2)
- Drilling speed prediction model
The drilling speed is regarded as another objective of multi-objective optimization, but it is difficult to obtain the drilling speed parameters in the actual drilling process, and it is not meaningful to obtain the current drilling speed. It is necessary to establish the connection between drilling speed and the drilling parameters. In our previous research [18], drilling speed prediction models for underground coal mines were established using the K-Nearest Neighbors (KNN) regression algorithm, Support Vector Regression (SVR) algorithm, and Random Forest Regression (RFR) algorithm. Particle Swarm Optimization (PSO) was applied to optimize the hyperparameters of each model, resulting in the PSO-KNN, PSO-SVR, and PSO-RFR models. After testing and comparison, the PSO-RFR model demonstrated the best prediction accuracy. Therefore, this model was chosen as one of the objective functions in the multi-objective optimization model. In the drilling speed prediction model, the output value drilling speed v can be obtained by inputting the drilling pressure F, speed n, torque T, and drilling depth H parameters.
- (3)
- Objective function determination
The drilling pressure F and rotational speed n are used as decision variables in the optimization model. According to the drilling experience, the faster the drilling speed of the rig, the better, and the lower the mechanical specific energy of drilling, the better. Combined with the drilling model established above, the objective function is established as follows:
where pso_rfr_predict is the predicted drilling speed from the PSO-RFR drilling speed model.
- (4)
- Determination of constraints
In the 50 sets of experiments, by simulating different drilling states with various drilling parameters, the drilling parameter range for stable drilling in drillability at level 1 is determined to be 62.8 N ≤ F ≤ 156 N and 650 r/min ≤ n ≤ 1250 r/min. Based on this, the constraint conditions are established as follows:
4.2. Solution of Multi-Objective Optimization Model
The multi-objective optimization is solved using the NSGA-II algorithm, which was proposed by N. Srinivas and Deb et al. in 2002 [19]. It is a classical multi-objective genetic algorithm based on the Pareto dominance relationship. The TOPSIS algorithm, which stands for the Technique for Order Preference by Similarity to Ideal Solution, is used for multi-attribute decision analysis. As a widely applied decision-making method, TOPSIS can fully extract and utilize the information from the original data, thus accurately revealing the subtle differences between different evaluation schemes.
In the NSGA-II algorithm, we set the population size to 200, the number of iterations to 150, and the parameter conditions under stable drilling conditions are 62.8 N ≤ F ≤ 156 N, 650 r/min ≤ n ≤ 1250 r/min. The initial population is randomly generated, with each individual representing a set of drilling parameters (drilling pressure and rotation speed). The two objective function values for each individual are calculated using a predefined drilling rate and the mechanical specific energy model. Then, according to the individual fitness value, the non-dominated ranking is performed and the crowding distance is calculated to promote the diversity of solutions. This results in the generation of new populations through selection, crossover, and mutation operations. Repeat the above steps until you reach the preset number of 150 iterations. Finally, a Pareto frontier solution is obtained, as shown in Figure 3.
Figure 3.
Experimental results of Pareto solution set.
Based on the Pareto optimal solutions obtained from the NSGA-II algorithm, a decision matrix is constructed. Each row represents one solution, and each column represents an objective function. The decision matrix A is as follows:
By calculating the range and total range of the objective function values, the weights for each indicator are determined as w = {0.93, 0.07}. The decision matrix is then processed through weighted normalization to ensure the comparability between different indicators, resulting in the normalized decision matrix B, as shown below:
We then calculate the Euclidean distance of each solution to the ideal solution and the negative ideal solution, as well as the relative closeness coefficient, and sort the relative closeness coefficient from largest to smallest: N = {0.9342, 0.8578, 0.8381, 0.8298, 0.8294, 0.8176, 0.8096, 0.7962……0.0207}.
It can be seen from the sequencing that the optimal drilling parameter scheme is N1, and the corresponding drilling parameters are F = 92.11 N, n = 1243.03 r/min.
5. Adaptive Drilling Control Method
Based on the two models, it is necessary to select appropriate control methods and establish specific control strategies so as to carry out accurate and fast adaptive control of drilling parameters. PID control is a classic and widely used control method in industrial control systems, but its performance can be limited in the face of complex, non-linear or time-varying systems. Therefore, combining the advantages of fuzzy control and PID control is an effective method to improve the adaptability and performance of the control system.
5.1. Fuzzy PID Controller Design
The main difference between the fuzzy PID algorithm and the traditional PID algorithm lies in the method of parameter adjustment. In traditional PID control, the proportional (KP), integral (KI), and derivative (KD) parameters are fixed, whereas in fuzzy PID control, these parameters are dynamically adjusted to adapt to changes in the system’s behavior. The fuzzy PID control algorithm introduces quantization factors and a rule base to achieve this dynamic adjustment, enhancing the adaptability and robustness of the control system. The tuning of control parameters is shown in Equation (10).
In this equation, KP, KI, and KD are the tuned control parameters, while ΔKp, ΔKi, and ΔKd are the quantization factors. KP, KI, and KD are determined by the initial PID parameters Kp, Ki, and Kd and the quantization factors.
The fuzzy rules established are as follows: First, when the error is large, in order to quickly reduce the error and improve the system’s response speed, a larger Kp is set. To prevent oscillations potentially caused by the derivative term in the initial phase (derivative overflow), a smaller Kd should be set. At the same time, to reduce overshoot, Ki should be set to a smaller value or close to 0. Secondly, when both the error and its rate of change are moderate, a moderate or slightly smaller Kp is chosen to balance the system’s response speed and overshoot. Ki and Kd should also be set to moderate values to ensure that the system has sufficient adjustment speed while maintaining appropriate stability and accuracy. Finally, when the error is small, to ensure the steady-state performance of the system and reduce steady-state error, both Kp and Ki should be set to larger values. When the rate of change of the error is large, to avoid oscillations caused by rapid response, Kd should be eliminated or reduced. When the rate of change is small, increasing Kd can improve the system’s sensitivity to error variations. Based on the above analysis of the positive definiteness of the parameters and relevant experience, the ∆Kp, ∆Ki, and ∆Kd rule tables are derived, as shown in Table 6, Table 7 and Table 8, respectively.
Table 6.
∆Kp fuzzy rules.
Table 7.
∆Ki fuzzy rules.
Table 8.
∆Kd fuzzy rules.
5.2. Fuzzy PID Compared with Traditional PID
The simulation model is built in MATLAB R2022a/Simulink to simulate the systems corresponding to two different parameters in order to determine the advantages and disadvantages of each method. In the micro-drilling experimental platform, the rotation of the drill bit is driven by a stepper motor, and the drilling pressure is provided by a servo motor, corresponding to the drilling parameters of rotational speed n and drilling pressure F. Therefore, the transfer functions of the motors need to be established separately. This is based on mathematical models of motors developed in reference [20]:
where and are dq-axis voltages, and are dq-axis currents, is resistance, is self-inductance, is maximum magnetic flux, is polar logarithm, is angular velocity, is electromagnetic torque, J is moment of inertia, B is friction coefficient, and is load torque. The above equations are transformed into the Laplacian domain, and the transfer function is derived by ignoring the higher-order coupling terms:
where , K is the gain factor, Kt is the torque constant and Ke is the back electromotive force constant. The transfer function of the servo motor is established as follows:
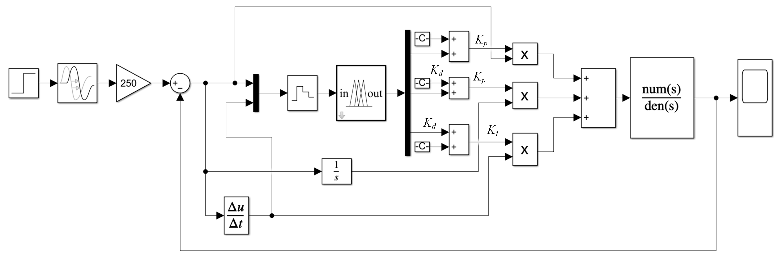
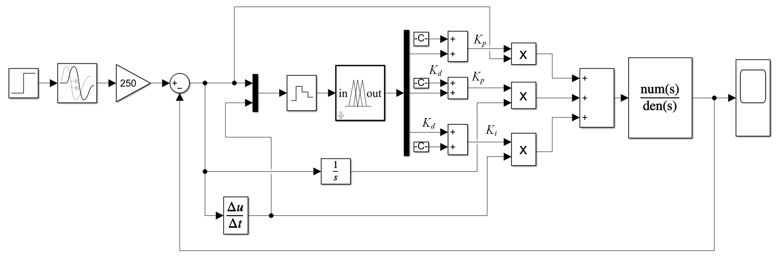
Based on Formula (14), a fuzzy PID control stepper motor simulation model was established in Simulink, and the parameters are controlled by a fuzzy logic controller, as shown in Figure 4.
Figure 4.
Fuzzy PID control stepper motor speed system simulation diagram.
Using the empirical trial-and-error method for PID parameter tuning, the final parameters were determined as Kp = 200, Ki = 0.5, and Kd = 20, and the control system is fast and accurate under this parameter. These parameters were also used as the initial values Kp0, Ki0, and Kd0 for the fuzzy PID controller. The simulation time was set to 10 s. The simulation results are shown in Figure 5. When the system adjusts the set rotational speed from 0 to 250 r/min at 1 s, the settling time with traditional PID control is approximately 5.25 s, with an overshoot of 62.1%. In contrast, using the fuzzy PID control, the settling time is shortened to 3.66 s. This indicates that the fuzzy PID controller achieves stability about 1.59 s earlier than the traditional PID controller, and the overshoot during the entire simulation process is reduced to 40.4%. This result demonstrates the superiority of the fuzzy PID controller in adjusting the rotational speed parameter n, effectively speeding up the response time and reducing overshoot.
Figure 5.
Response curves of speed control for PID and fuzzy PID.
Based on Equation (12), the PID control servo motor system model is established as shown in Figure 6. The PID parameters are set to Kp = 10, Ki = 1, and Kd = 1, with the simulation time set to 1 s. In the simulation, we found that traditional PID control is already stable and efficient enough. The system starts adjusting the drilling pressure from 0 to 100 N at 0.1 s, and the PID control settling time is only 0.105 s, with a rapid response and zero overshoot. Therefore, for the drilling parameter F, there is no need to introduce fuzzy PID control.
Figure 6.
PID control servo motor drilling pressure system simulation diagram.
In order to further verify the simulation results, experimental validation was conducted based on the micro-drilling experimental system. Unit step response experiments were performed on the closed-loop control systems of the stepper motor and the servo motor. As shown in Figure 7, the fuzzy PID control method provides a faster response time for controlling the rotational speed parameter, approximately 3.01 s, compared to the traditional PID control response time of 6.2 s. Additionally, the fuzzy PID control method performs better in terms of overshoot, with only 31.9%, while the traditional PID control has an overshoot of 60.1%. For the drilling parameter F, the PID control method enables the servo motor to quickly reach the desired drilling pressure and maintain stability without noticeable overshoot. The experimental results are in good agreement with the simulation results.
Figure 7.
Experimental response curves of speed control for PID and fuzzy PID.
5.3. Control Process Based on Drillability Identification and Multi-Objective Optimization
The purpose of controlling drilling parameters is to avoid drill sticking by monitoring drilling data and adjusting drilling parameters. At the same time, the drilling speed can be increased as much as possible under the condition of ensuring the normal drilling state, that is, the optimal drilling parameters are solved by the multi-objective optimization model, and the rig parameters are controlled to be close to the optimal drilling parameters. The specific control flow is shown in Figure 8.
Figure 8.
Adaptive optimization and control process.
First, the drilling identification model and the multi-objective optimization model are saved on the computer (Processor: Intel Core i7-10700K; Memory: 32 GB DDR4 RAM; Storage: 1 TB SSD is used for data storage), the computer communicates with the sensor to read the data, and the computer communicates with the PLC(SIPLUS S7-1200) to control the motor.
The drilling process begins with certain drilling parameters. During the drilling process, information such as torque and drilling speed is collected. After preprocessing the real-time data, it is input into a trained drillability grading identification model for online identification, which outputs the drillability grade. Based on the identified drillability grade, the drilling parameters are adjusted accordingly to ensure the drilling process remains stable and normal.
If the identification result is drillability level 1, the current parameters are updated to the test drilling parameters. If the identification result is drillability level 2, it indicates that the drilling rate is slowed down at this time, and the main state is that the bit does not feed, but only rotates, the drilling torque is very low, and it is difficult to achieve effective cutting. At this time, the adjustment plan is to increase the drilling rate and cutting force and gradually increase the rotational speed every 500 ms, and each rotational speed is increased by 100 r/min until the identification result is drillability level 1.
If the identification result is drillability level 3, it indicates that an intermittent stuck state occurs at this time, and the main state is that the speed and drilling speed suddenly change. In this case, the adjustment plan is to immediately switch the rotation direction from forward to reverse and then switch back to forward again from reverse. The drilling pressure is gradually reduced by 20 N every 500 ms to reduce the resistance of bit rotation and avoid a stuck state.
After adjustment, once the drillability level is 1, the drilling parameters at this time are input into the multi-objective optimization model, and the optimal drilling parameters are obtained. The optimal drilling pressure is input into the PID controller, and the optimal speed is input into the fuzzy PID controller. This process is repeated to achieve stable and efficient adaptive control of drilling parameters.
6. Experimental Verification
In previous experiments, some parameter combinations caused the drilling process to slow down or stick. When this occurred, the combination of these parameters was selected, and the experiment was carried out again with adaptive control. As shown in Figure 9, a set of parameters in the slow drilling state were n = 250 r/min and F = 94.2 N. In the drilling process, the drillability level was identified online by the trained model, and the output was level 2 at about 20 s. The program immediately received the feedback and began to adjust the drilling parameters to gradually increase the rotational speed. After 11.5 s, the speed increased from 250 r/min to 650 r/min. Then, the output drillability level was 1, and the increase in speed was stopped. The Pareto solution set was then obtained by inputting drilling parameters into the multi-objective optimization model, and then the optimal solution was selected from the set, that is n = 1240.14 r/min and F = 86.06 N. The drilling parameters are getting closer to the optimal values, with the response time of turning velocity being 3.2 s and the response time of drilling pressure being 0.7 s. Since then, they have been able to stably maintain the optimal values adapted to the current drillability conditions and maintained a stable drilling state.
Figure 9.
Adaptive optimization control curve of slow drilling state.
Similarly, the drilling parameters to simulate the intermittent stuck state are n = 1250 r/min and F = 188.4 N. In 20 s, the drillability level is identified as 3, and the intermittent stuck state is removed by reversing several times and reducing the drilling pressure. In 30 s, the drillability level is output as 1. Through the multi-objective optimization model, the optimal drilling parameter solution output is n = 1238.13 r/min, F = 90.21 N, and the parameters of the control motor gradually approach to the optimal parameters. Moreover, the variation curves of speed and drilling pressure are shown in Figure 10, and the response time is 2.9 s and 1.1 s, respectively.
Figure 10.
Adaptive optimization control variation curve of intermittent stuck state.
7. Conclusions
Based on the identification of drillability grading and multi-objective optimization of drilling parameters, an adaptive control method of drilling parameters is established in this paper. The purpose is to control the drilling machine autonomously and improve drilling efficiency while ensuring the drilling state. Firstly, in identifying the drilling state, the drillability is divided into three levels, and the drilling speed and torque are used as input data, while the SVM algorithm is used to establish the prediction model, and the accuracy is 84%. Secondly, in terms of the acquisition of optimal drilling parameters combined with the mechanical specific energy model and the previously studied drilling rate prediction model, a multi-objective optimization model is established. Based on the drilling rate priority strategy, the NSGA-II algorithm and TOPSIS algorithm are used to solve and make decisions to obtain the optimal drilling parameters. In the control method, the fuzzy PID controller is established, and the advantages and disadvantages of the fuzzy PID control method and traditional PID control method are compared. Combined with simulation and experiments, it is finally found that the fuzzy PID control method can get faster response time, about 3.01 s, and the overshoot is 31.9%. Finally, the adaptive control process is established, which is verified by experiments and can effectively identify the drilling motion state and make timely adjustments to ensure the normal drilling state and gradually reach the optimal drilling parameters. Compared with other similar studies, this paper comprehensively considers the safety, stability, and efficiency of the drilling process based on drillability grading and the multi-objective optimization model. The obtained values are accurate and have a certain reference significance. In the following research process, we will consider more rock types to cope with the complex and changeable conditions of rock formations underground. At the same time, artificial intelligence algorithms may be able to identify rock types according to changes in drilling torque, speed, and other parameters, so as to facilitate better parameter control.
Author Contributions
Conceptualization, J.D.; methodology, J.D. and Y.Z.; software, X.Y.; validation, L.S.; formal analysis, Y.Z.; investigation, X.Y.; data curation, D.W.; writing—original draft preparation, J.D.; writing—review and editing, X.Y.; supervision, L.S. and Z.W.; project administration, D.W. and L.Z.; funding acquisition, J.D. and X.Y. All authors have read and agreed to the published version of the manuscript.
Funding
This work was supported by the National Natural Science Foundation of China, grant number 52404179, funder Jianbo Dai, Open Funding of the State Key Laboratory of Coal Mine Disaster Prevention and Control, grant number 2024SKLKF10, funder Jianbo Dai, the Postgraduate Research & Practice Innovation Program of Jiangsu Province, grant number KYCX24_2728, funder Xilu Yin, and the Fund by the Graduate Innovation Program of the China University of Mining and Technology, grant number 2024WLJCRCZL111, funder Xilu Yin.
Data Availability Statement
Data are contained within the article.
Conflicts of Interest
The authors declare no conflicts of interest.
References
- Wang, H.; Huang, H.; Bi, W. Deep and ultra-deep oil and gas well drilling technologies: Progress and prospect. Nat. Gas Ind. B 2022, 9, 141–157. [Google Scholar] [CrossRef]
- Xie, H.; Gao, M.; Zhang, R. Study on the Mechanical Properties and Mechanical Response of Coal Mining at 1000 m or Deeper. Rock Mech. Rock Eng. 2019, 52, 1475–1490. [Google Scholar] [CrossRef]
- Tewari, S.; Dwivedi, U.; Biswas, S. Intelligent Drilling of Oil and Gas Wells Using Response Surface Methodology and Artificial Bee Colony. Sustainability 2021, 13, 1664. [Google Scholar] [CrossRef]
- Bani, M.; Abbas, A.; Alsaba, M. Improving drilling performance through optimizing controllable drilling parameters. J. Pet. Explor. Prod. Technol. 2021, 11, 1223–1232. [Google Scholar] [CrossRef]
- Kelessidis, V. Rock Drillability Prediction from in Situ Determined Unconfined Compressive Strength of Rock. J. South. Afr. Inst. Min. Metall. 2011, 111, 429–436. [Google Scholar]
- Spaar, J.; Ledgerwood, L.; Goodman, H. Formation Compressive Strength Estimates for Predicting Drillability and PDC Bit Selection. In Proceedings of the SPE/IADC Drilling Conference and Exhibition, Amsterdam, The Netherlands, 28 February–2 March 1995. SPE-29397-MS. [Google Scholar] [CrossRef]
- Li, G.; Song, X.; Tian, S. Intelligent drilling and completion: A review. Engineering 2022, 18, 33–48. [Google Scholar] [CrossRef]
- Gamal, H.; Salaheldin, E.; Abdulazeez, A. Rock drillability intelligent prediction for a complex lithology using artificial neural network. In Proceedings of the Abu Dhabi International Petroleum Exhibition and Conference, Abu Dhabi, United Arab Emirates, 9–12 November 2020. SPE-202767-MS. [Google Scholar] [CrossRef]
- Boyadjieff, G.; Murray, D.; Orr, A. Design Considerations and Field Performance of an Advanced Automatic Driller. In Proceedings of the SPE/IADC Drilling Conference, Amsterdam, The Netherlands, 19–21 February 2003. SPE-79827-MS. [Google Scholar] [CrossRef]
- Young, F. Computerized Drilling Control. J. Pet. Technol. 1969, 21, 483–496. [Google Scholar] [CrossRef]
- Rommetveit, R.; Bjørkevoll, K.; Halsey, G. Drilltronics: An Integrated System for Real-Time Optimization of the Drilling Process. In Proceedings of the IADC/SPE Drilling Conference, Dallas, TX, USA, 2–4 March 2004. SPE-87124-MS. [Google Scholar] [CrossRef]
- Iversen, F.; Cayeux, E.; Dvergsnes, E. Offshore Field Test of a New Integrated System for Real-Time Optimization of the Drilling Process; Society of Petroleum Engineers. In Proceedings of the IADC/SPE Drilling Conference, Orlando, FL, USA, 4–6 March 2008. SPE-112744-MS. [Google Scholar] [CrossRef]
- Dupriest, F.; Koederitz, W. Maximizing Drill Rates with Real-Time Surveillance of Mechanical Specific Energy; Society of Petroleum Engineers. In Proceedings of the SPE/IADC Drilling Conference, Amsterdam, The Netherlands, 23–25 February 2005. SPE-92194. [Google Scholar]
- Eren, T.; Ozbayoglu, M. Real Time Optimization of Drilling Parameters During Drilling Operations. In Proceedings of the Spe Oil & Gas India Conference & Exhibition, Mumbai, India, 20–22 January 2010. SPE-129126-MS. [Google Scholar]
- Guria, C.; Goli, K.; Pathak, K. Multi-objective optimization of oil well drilling using elitist non-dominated sorting genetic algorithm. Pet. Sci. 2014, 11, 97–110. [Google Scholar] [CrossRef]
- Wang, S.; Wu, Y.; Cai, X. Strength prediction and drillability identification for rock based on measurement while drilling parameters. J. Cent. South Univ. 2023, 30, 4036–4051. [Google Scholar] [CrossRef]
- Wu, Y.; Wang, S. Drillability classification and identification for rock mass based on machine learning. J. Phys. Conf. Ser. 2024, 2738, 12001. [Google Scholar] [CrossRef]
- Dai, J.; Wang, Z.; Zhang, Y. Research on influencing factors for drilling rate in coal mines and its intelligent prediction methods. Coal Sci. Technol. 2024, 52, 209–221. [Google Scholar]
- Srinivas, N.; Deb, K. Multiobjective optimization using nondominated sorting in genetic algorithms. Evol. Comput. 2002, 2, 221–248. [Google Scholar] [CrossRef]
- Iqteit, N.; Khalid, Y. Simple Mathematical and Simulink Model of Stepper Motor. Energies 2022, 15, 6159. [Google Scholar] [CrossRef]
Disclaimer/Publisher’s Note: The statements, opinions and data contained in all publications are solely those of the individual author(s) and contributor(s) and not of MDPI and/or the editor(s). MDPI and/or the editor(s) disclaim responsibility for any injury to people or property resulting from any ideas, methods, instructions or products referred to in the content. |
© 2025 by the authors. Licensee MDPI, Basel, Switzerland. This article is an open access article distributed under the terms and conditions of the Creative Commons Attribution (CC BY) license (https://creativecommons.org/licenses/by/4.0/).









