Adaptive Sliding Mode Predictive Control for Path Tracking of Wheeled Agricultural Vehicles
Abstract
1. Introduction
- (1)
- The SMC algorithm is used to design a disturbance observer to reduce uncertainties. On that basis, the MPC algorithm is used to design a path tracking controller [33].
- (2)
- The SMC algorithm is adopted to design a path tracking controller, and then the MPC algorithm is used to optimize the sliding mode parameters [34].
- (3)
- The SMC algorithm is used to design a sliding mode surface and a sliding mode approach law; then, the MPC algorithm is adopted to obtain a control law [35,36]. The control law can make the vehicle reach the sliding mode surface along the trajectory formed by the sliding mode approach law, thus realizing path tracking indirectly.
2. ASMPC Algorithm Design for Path Tracking
2.1. Kinematics Modeling of Wheeled Agricultural Vehicle
2.2. Design of Sliding Mode Functions
2.3. Design of MPC Controller
2.3.1. Output Prediction
2.3.2. Optimization Solving
2.3.3. Parameter Adjustments
3. Simulation and Result Analysis
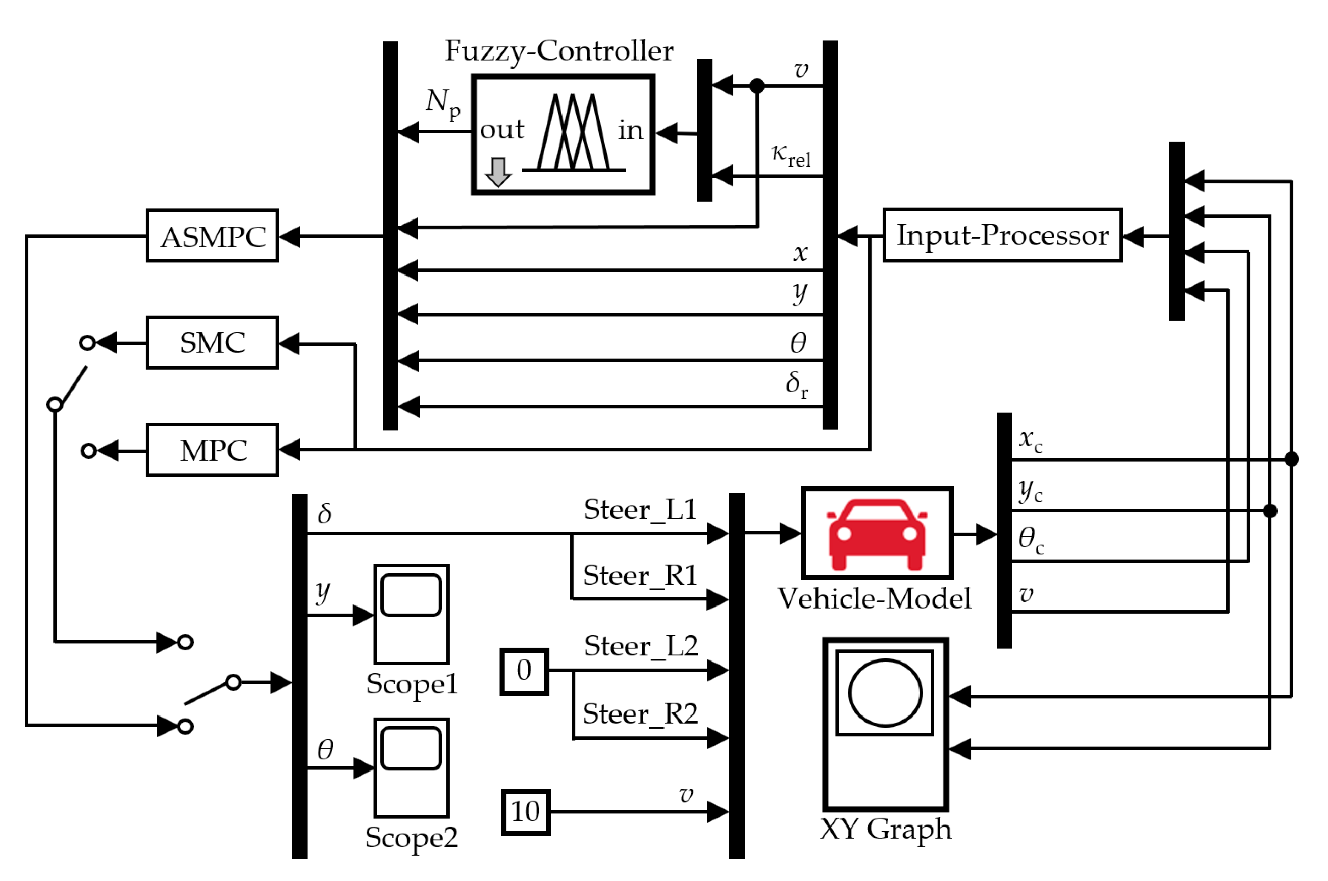
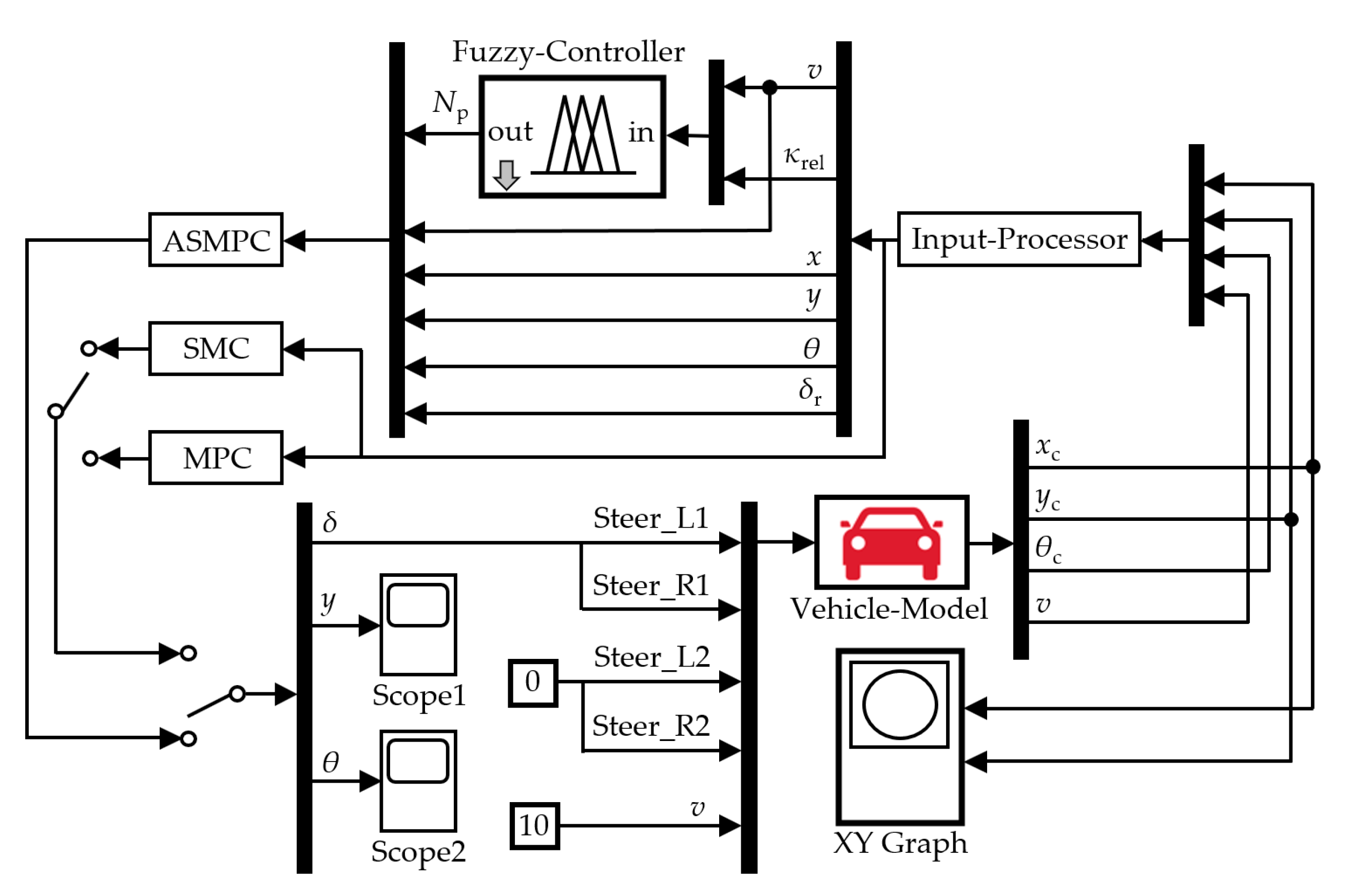
3.1. Simulation System and Parameters
3.2. Simulation Results
4. Field Test and Result Analysis
5. Conclusions
Author Contributions
Funding
Data Availability Statement
Conflicts of Interest
References
- Lan, Y.; Zhao, D.; Zhang, Y.; Zhu, J. Exploration and development prospect of eco-unmanned farm modes. Trans. Chin. Soc. Agric. Eng. 2021, 37, 312–327. [Google Scholar]
- Liu, C.; Lin, H.; Li, Y.; Gong, L.; Miao, Z. Analysis on status and development trend of intelligent control technology for agricultural equipment. Trans. Chin. Soc. Agric. Mach. 2020, 51, 1–18. [Google Scholar]
- Li, S.; Xu, H.; Ji, Y.; Cao, R.; Zhang, M.; Li, H. Development of a following agricultural machinery automatic navigation system. Comput. Electron. Agric. 2019, 158, 335–344. [Google Scholar] [CrossRef]
- Li, S.; Zhang, M.; Ji, Y.; Zhang, Z.; Cao, R.; Chen, B.; Li, H.; Yin, Y. Agricultural machinery GNSS/IMU-integrated navigation based on fuzzy adaptive finite impulse response Kalman filtering algorithm. Comput. Electron. Agric. 2021, 191, 106524. [Google Scholar] [CrossRef]
- Yin, X.; Wang, Y.; Chen, Y.; Jin, C.; Du, J. Development of autonomous navigation controller for agricultural vehicles. Int. J. Agric. Biol. Eng. 2020, 13, 70–76. [Google Scholar] [CrossRef]
- Xu, G.; Chen, M.; He, X.; Pang, H.; Miao, H.; Cui, P.; Wang, W.; Diao, P. Path following control of tractor with an electro-hydraulic coupling steering system: Layered multi-loop robust control architecture. Biosyst. Eng. 2021, 209, 282–299. [Google Scholar] [CrossRef]
- Wang, L.; Liu, F.; Song, Z.; Ni, Y.; He, Z.; Zhai, Z.; Zhu, Z.; Zhou, Q.; Song, Z.; Li, Z. Advances in tractor rollover and stability control: Implications for off-road driving safety. Comput. Electron. Agric. 2024, 226, 109483. [Google Scholar] [CrossRef]
- Ding, C.; Ding, S.; Wei, X.; Mei, K. Composite SOSM controller for path tracking control of agricultural tractors subject to wheel slip. ISA Trans. 2022, 130, 389–398. [Google Scholar] [CrossRef] [PubMed]
- Wang, H.; Wang, G.; Luo, X.; Zhang, Z.; Gao, Y.; He, J.; Yue, B. Path tracking control method of agricultural machine navigation based on aiming pursuit model. Trans. Chin. Soc. Agric. Eng. 2019, 35, 11–19. [Google Scholar]
- Zhang, C.; Dong, W.; Xiong, Z.; Hu, Z.; Wang, D.; Ding, Y. Design and experiment of fuzzy adaptive pure pursuit control of crawler-type rape seeder. Trans. Chin. Soc. Agric. Mach. 2021, 52, 105–114. [Google Scholar]
- Yang, Y.; Li, Y.; Wen, X.; Zhang, G.; Ma, Q.; Cheng, S.; Qi, J.; Xu, L.; Chen, L. An optimal goal point determination algorithm for automatic navigation of agricultural machinery: Improving the tracking accuracy of the pure pursuit algorithm. Comput. Electron. Agric. 2022, 194, 106760. [Google Scholar] [CrossRef]
- Zhang, C.; Gao, G.; Zhao, C.; Li, L.; Li, C.; Chen, X. Research on 4WS agricultural machine path tracking algorithm based on fuzzy control pure tracking model. Machines 2022, 10, 597. [Google Scholar] [CrossRef]
- Cui, B.; Sun, Y.; Ji, F.; Wei, X.; Zhu, Y.; Zhang, S. Study on whole field path tracking of agricultural machinery based on fuzzy Stanley model. Trans. Chin. Soc. Agric. Mach. 2022, 53, 43–48, 88. [Google Scholar]
- Sun, Y.; Cui, B.; Ji, F.; Wei, X.; Zhu, Y. The full-field path tracking of agricultural machinery based on PSO-Enhanced fuzzy Stanley model. Appl. Sci. 2022, 12, 7683. [Google Scholar] [CrossRef]
- Ding, Y.; Xia, Z.; Peng, J.; Hu, Z. Design and experiment of the single-neuron PID navigation controller for a combine harvester. Trans. Chin. Soc. Agric. Eng. 2020, 36, 34–42. [Google Scholar]
- Wang, S.; Yin, C.; Gao, J.; Sun, Q. Lateral displacement control for agricultural tractor based on cascade control structure. Int. J. Control Autom. Syst. 2020, 18, 2375–2385. [Google Scholar] [CrossRef]
- Zhang, S.; Wei, X.; Liu, C.; Ge, J.; Cui, X.; Wang, F.; Wang, A.; Chen, W. Adaptive path tracking and control system for unmanned crawler harvesters in paddy fields. Comput. Electron. Agric. 2025, 230, 109878. [Google Scholar] [CrossRef]
- Fan, X.; Wang, J.; Wang, H.; Yang, L.; Xia, C. LQR trajectory tracking control of unmanned wheeled tractor based on improved quantum genetic algorithm. Machines 2023, 11, 62. [Google Scholar] [CrossRef]
- Ahn, D.-V.; Kim, K.; Oh, J.; Seo, J.; Lee, J.W.; Park, Y.-J. Optimal control of semi-active suspension for agricultural tractors using linear quadratic gaussian control. Sensors 2023, 23, 6474. [Google Scholar] [CrossRef]
- Zhang, T.; Jiao, X.; Lin, Z. Finite time trajectory tracking control of autonomous agricultural tractor integrated nonsingular fast terminal sliding mode and disturbance observer. Biosyst. Eng. 2022, 219, 153–164. [Google Scholar] [CrossRef]
- Matveev, A.S.; Hoy, M.; Katupitiya, J.; Savkin, A.V. Nonlinear sliding mode control of an unmanned agricultural tractor in the presence of sliding and control saturation. Robot. Auton. Syst. 2013, 61, 973–987. [Google Scholar] [CrossRef]
- Ge, Z.; Man, Z.; Wang, Z.; Bai, X.; Wang, X.; Xiong, F.; Li, D. Robust adaptive sliding mode control for path tracking of unmanned agricultural vehicles. Comput. Electr. Eng. 2023, 108, 108693. [Google Scholar] [CrossRef]
- Ji, X.; Ding, S.; Wei, X.; Cui, B. Path tracking of unmanned agricultural tractors based on a novel adaptive second-order sliding mode control. J. Frankl. Inst. 2023, 360, 5811–5831. [Google Scholar] [CrossRef]
- Ding, S.; Huang, C.; Ding, C.; Wei, X. Straight-line tracking controller design of agricultural tractors based on third-order sliding mode. Comput. Electr. Eng. 2023, 106, 108559. [Google Scholar] [CrossRef]
- Sun, J.; Wang, Z.; Ding, S.; Xia, J.; Xing, G. Adaptive disturbance observer-based fixed time nonsingular terminal sliding mode control for path-tracking of unmanned agricultural tractors. Biosyst. Eng. 2024, 246, 96–109. [Google Scholar] [CrossRef]
- Huang, W.; Wei, X.; Wang, A.; Ji, X.; Gao, Y.; Wang, Y.; Shi, S. Straight line path tracking control of agricultural tractor-trailer based on fuzzy fast sliding mode. Trans. Chin. Soc. Agric. Mach. 2024, 55, 415–422. [Google Scholar]
- Ding, Y.; Wang, L.; Li, Y.; Li, D. Model predictive control and its application in agriculture: A review. Comput. Electron. Agric. 2018, 151, 104–117. [Google Scholar] [CrossRef]
- Chi, R.; Xiong, Z.; Jiang, L.; Ma, Y.; Huang, X.; Zhu, X. Path tracking control algorithm of transplanter based on model prediction. Trans. Chin. Soc. Agric. Mach. 2022, 53, 22–30, 99. [Google Scholar]
- Liu, Z.; Zhang, W.; Lü, Z.; Zheng, W.; Mu, G. Design and test of path tracking controller based on nonlinear model prediction. Trans. Chin. Soc. Agric. Mach. 2018, 49, 23–30. [Google Scholar]
- Lu, G.; Xu, J. Research on path tracking of tractors based on adaptive model predictive control. J. Shandong Univ. Nat. Sci. 2022, 36, 24–29. [Google Scholar]
- Cheng, S.; Li, L.; Chen, X.; Wu, J.; Wang, H. Model-predictive-control-based path tracking controller of autonomous vehicle considering parametric uncertainties and velocity-varying. IEEE Trans. Ind. Electron. 2021, 68, 8698–8707. [Google Scholar] [CrossRef]
- Park, G.; Choi, S.B. A model predictive control for path tracking of electronic-four-wheel drive vehicles. IEEE Trans. Veh. Technol. 2021, 70, 11352–11364. [Google Scholar] [CrossRef]
- Zhang, Y.; Edwards, C.; Belmont, M.; Li, G. Robust model predictive control for constrained linear system based on a sliding mode disturbance observer. Automatica 2023, 154, 111101. [Google Scholar] [CrossRef]
- He, L.; Xu, Z.; Huang, C.; Gong, C.; Li, S.; Shi, Q. Research on sliding mode control algorithm for angle tracking prediction of steer-by-wire system. Automot. Eng. 2023, 45, 2200–2208. [Google Scholar]
- Liu, Q.; Zhang, L.; Xiao, Y.; Zhang, L.; Fan, G. Predictive sliding mode control for flexible spacecraft attitude tracking with multiple disturbances. Control Eng. Pract. 2025, 154, 106160. [Google Scholar] [CrossRef]
- Liu, C.; Liu, H.; Han, L.; Nie, S. Learning-based sliding mode predictive trajectory tracking and stability control for autonomous vehicle in unstructured environments. J. Mech. Eng. 2024, 60, 399–412. [Google Scholar]
- Duan, X.; Tao, J.; Qin, C.; Cai, D.; Li, Y.; Liu, C. Agricultural machinery path tracking stability control method under variable speed conditions. Trans. Chin. Soc. Agric. Mach. 2019, 50, 18–24, 32. [Google Scholar]
- Yue, X.; Chen, J.; Li, Y.; Zou, R.; Sun, Z.; Cao, X.; Zhang, S. Path tracking control of skid-steered mobile robot on the slope based on fuzzy system and model predictive control. Int. J. Control Autom. Syst. 2022, 20, 1365–1376. [Google Scholar] [CrossRef]
- Yao, Y.; Chen, X.; Ji, C.; Chen, J.; Zhang, H.; Pan, F. Design and experiments of the single driver for maize precision seeders based on fuzzy PID control. Trans. Chin. Soc. Agric. Eng. 2022, 38, 12–21. [Google Scholar]
- Chen, H.-C.; Xu, S.-Y.; Deng, K.-H. Water color identification system for monitoring aquaculture farms. Sensors 2022, 22, 7131. [Google Scholar] [CrossRef]
- Zhu, D.; Gao, Q. Sliding mode variable structure control of PMSM based on improved exponential reaching law. Agric. Equip. Veh. Eng. 2023, 61, 111–116. [Google Scholar]











| Parameters | Values |
|---|---|
| Prediction horizon Np | See this Section 2.3.3 |
| Control horizon Nc | See this Section 2.3.3 |
| Output weighting matrix Q | |
| Control weighting coefficient R | 0.3 |
| Control variable minimum umin | −0.53 |
| Control variable maximum umax | 0.53 |
| Control increment minimum Δumin | −0.14 |
| Control increment maximum Δumax | 0.14 |
| Relaxation factor ε | 10 |
| Relaxation weighting coefficient ρ | 1000 |
| Sampling period T (s) | 0.05 |
| Relative Curvature | Working Speed | ||||
|---|---|---|---|---|---|
| VS | S | M | L | VL | |
| VS | M | L | L | VL | VL |
| S | S | M | L | L | VL |
| M | S | S | M | L | L |
| L | VS | S | S | M | L |
| VL | VS | VS | S | S | M |
| Parameters | Values |
|---|---|
| Total mass (kg) | 3190 |
| Wheelbase l (m) | 2.15 |
| Front wheel tread (m) | 1.505 |
| Rear wheel tread (m) | 1.635 |
| Cornering stiffness of front tire (kN/rad) | 73 |
| Cornering stiffness of rear tire (kN/rad) | 152 |
| Yawing moment of inertia (kg∙m2) | 11903 |
| Parameters | Values |
|---|---|
| Prediction horizon Np | 60 |
| Control horizon Nc | 30 |
| Output weighting matrix Q | |
| Control weighting matrix R | |
| Control variable minimum umin | −0.53 |
| Control variable maximum umax | 0.53 |
| Control increment minimum Δumin | −0.14 |
| Control increment maximum Δumax | 0.14 |
| Relaxation factor ε | 10 |
| Relaxation weighting coefficient ρ | 1000 |
| Sampling period T (s) | 0.05 |
| Algorithm | Overshoot (%) | On-Line Time (s) | ||||
|---|---|---|---|---|---|---|
| v = 1 m/s | v = 3 m/s | v = 5 m/s | v = 1 m/s | v = 3 m/s | v = 5 m/s | |
| ASMPC | 0.34 | 0.09 | 0.60 | 3.7 | 2.6 | 2.4 |
| Conventional MPC | 0.16 | 10.52 | 16.70 | 4.4 | 3.9 | 2.9 |
| Traditional SMC | 4.12 | 21.16 | 23.56 | 6.5 | 4.5 | 3.1 |
| Algorithm | Maximum Absolute Value of Lateral Error (cm) | RMS Value of Lateral Error (cm) | |||||
|---|---|---|---|---|---|---|---|
| Path AB | Path BC | Path CD | Path AB | Path BC | Path CD | Path AD | |
| ASMPC | 6.9 | 8.4 | 10.9 | 2.8 | 3.9 | 6.1 | 4.2 |
| Conventional MPC | 6.1 | 9.5 | 14.9 | 3.2 | 5.6 | 8.4 | 5.6 |
| Working Speed (m/s) | Maximum Absolute Value of Lateral Error (cm) | RMS Value of Lateral Error (cm) | ||
|---|---|---|---|---|
| Whole Path | Whole Path | Straight Path | Curve Path | |
| 1.0 | 9.1 | 3.2 | 1.7 | 5.3 |
| 2.0 | 11.3 | 4.1 | 1.8 | 6.5 |
| 3.5 | 13.2 | 5.8 | 2.1 | 8.7 |
Disclaimer/Publisher’s Note: The statements, opinions and data contained in all publications are solely those of the individual author(s) and contributor(s) and not of MDPI and/or the editor(s). MDPI and/or the editor(s) disclaim responsibility for any injury to people or property resulting from any ideas, methods, instructions or products referred to in the content. |
© 2025 by the authors. Licensee MDPI, Basel, Switzerland. This article is an open access article distributed under the terms and conditions of the Creative Commons Attribution (CC BY) license (https://creativecommons.org/licenses/by/4.0/).
Share and Cite
Liu, W.; Guo, R.; Zhao, J. Adaptive Sliding Mode Predictive Control for Path Tracking of Wheeled Agricultural Vehicles. Machines 2025, 13, 157. https://doi.org/10.3390/machines13020157
Liu W, Guo R, Zhao J. Adaptive Sliding Mode Predictive Control for Path Tracking of Wheeled Agricultural Vehicles. Machines. 2025; 13(2):157. https://doi.org/10.3390/machines13020157
Chicago/Turabian StyleLiu, Wenlong, Rui Guo, and Jingyi Zhao. 2025. "Adaptive Sliding Mode Predictive Control for Path Tracking of Wheeled Agricultural Vehicles" Machines 13, no. 2: 157. https://doi.org/10.3390/machines13020157
APA StyleLiu, W., Guo, R., & Zhao, J. (2025). Adaptive Sliding Mode Predictive Control for Path Tracking of Wheeled Agricultural Vehicles. Machines, 13(2), 157. https://doi.org/10.3390/machines13020157

