Enhanced Voltage Balancing Algorithm and Implementation of a Single-Phase Modular Multilevel Converter for Power Electronics Applications
Abstract
1. Introduction
2. Materials and Methods
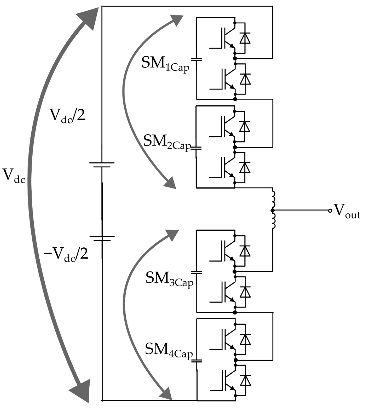
2.1. Working Principle of MMC
2.2. Mathematical Modelling of the MMC
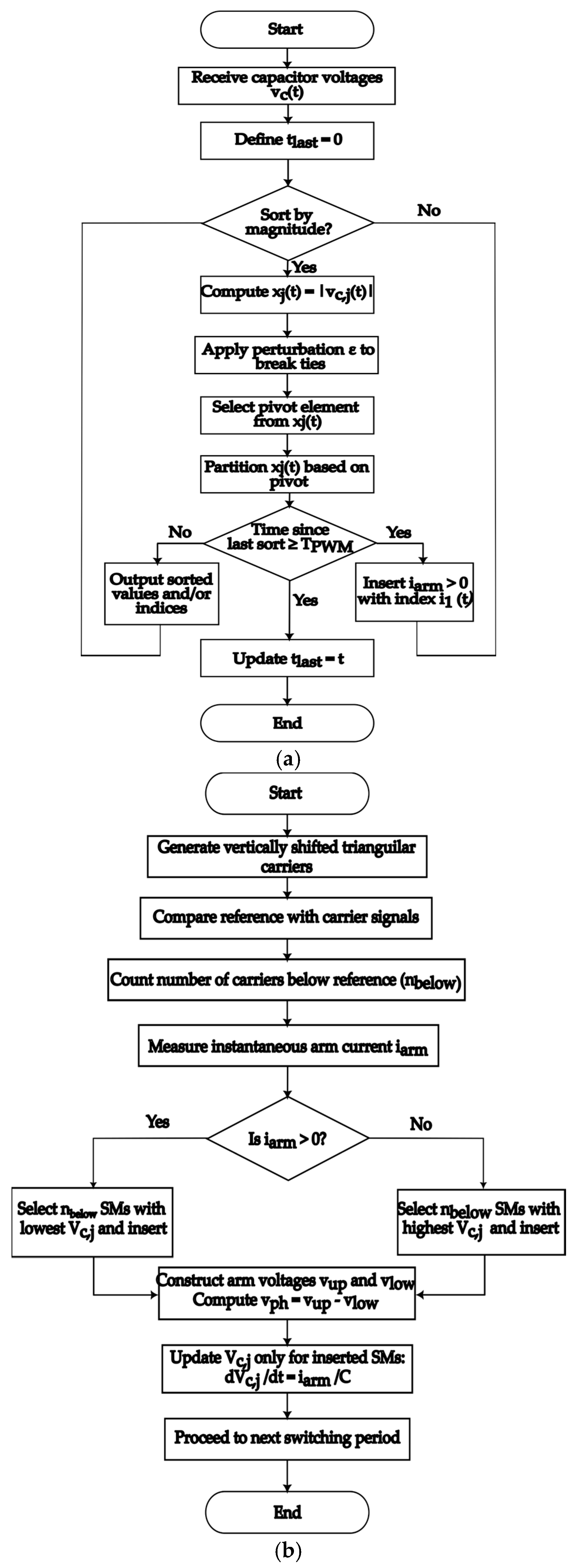
2.3. Control of Gate Driver/Switching Logic
- is the gate signal of the submodule;
- is the index of the submodule with the lowest capacitor voltage;
- is the index of the submodule with lowest capacitor voltage;
- is the instantaneous arm current.
| Algorithm 1: Enhanced_Voltage_Balancing |
| 1: Measure capacitor voltages Vj 2: Determine number of SMs to be switched on 3: Select pivot dynamically based on V distribution and iarm 4: Partition V into two subsets: Lower set: Higher set: 5: Apply perturbation if two or more voltages are equal 6: Adaptive depth check: If max(V) − min(V) → stop (terminate sorting early) Else → continue sorting subsets recursively 7: Sort SMs and select index for insertion: If → select SM with lowest If → select SM with highest 8: Generate gate signal for selected SM 9: Update capacitor voltages for next cycle end procedure |

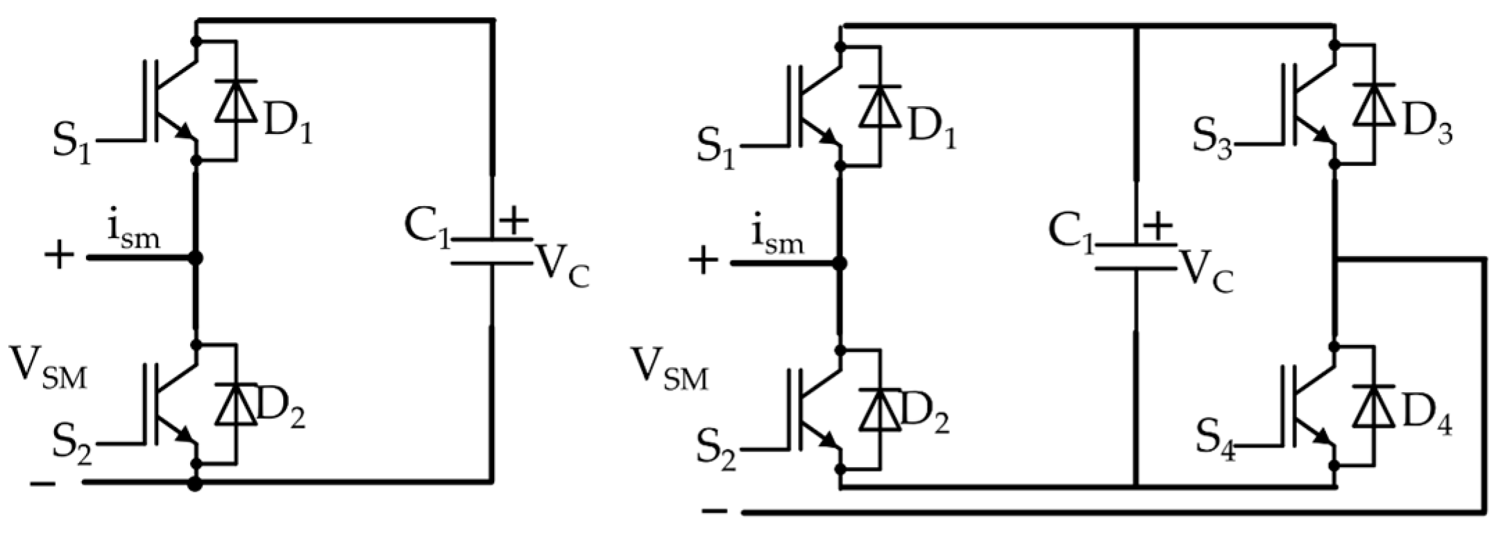
2.4. Circuit Design and Prototype Development
- (a)
- Power Stage: The power stage comprises the main switching devices (Insulated-Gate Bipolar Transistors, IGBTs) and onboard DC/DC converters that supply various voltage levels to the control and measurement circuits. The selected IGBT as listed in Table 1 support high switching frequencies and voltage levels suitable for MMC operation. Integrated protection circuits safeguard against overvoltage, overcurrent, and other fault conditions, enhancing system reliability.
- (b)
- Gate Driver Stage: The gate driver circuitry, implemented using the Infineon 1ED020I12-BT (Infineon, Neubiberg, Germany) (listed in Table 1), provides galvanic isolation between the high-power and low-voltage control sections, ensuring noise immunity and operator safety. Hardware-based dead-time management is integrated within the driver to prevent shoot-through faults and enable fast transient response, improving overall switching reliability during high-frequency MMC operation.
- (c)
- Measurement Stage: Accurate monitoring of submodule voltages and arm currents is essential for balancing capacitor voltages and ensuring stable operation. The voltage-sensing circuit employs isolated differential amplifiers to accurately measure capacitor voltages while rejecting high common-mode voltages. A component-level protection method inspired by [39] was adapted to safely interface with high-voltage terminals of the IGBTs and capacitors.
3. Results and Discussion
4. Conclusions
Author Contributions
Funding
Data Availability Statement
Conflicts of Interest
Nomenclature
| Symbol/Acronym | Description |
| Acronym | |
| MMC | Modular Multilevel Converter |
| HVDC | High-Voltage Direct Current |
| HIL | Hardware in the Loop |
| VHIL | Virtual Hardware in the Loop |
| PHIL | Power Hardware in the Loop |
| PS-PWM | Phase-shifted Pulse Width Modulation |
| LS-PWM | Level-shifted Pulse Width Modulation |
| NLC | Nearest Level control |
| THD | Total Harmonic Distortion |
| SM | Submodule |
| IGBT | Insulated Gate Bipolar Transistor |
| Symbols | |
| Vdc | DC-link voltage |
| idc | the per-leg DC current |
| iac | AC-side output current |
| Icirc | Circulating current within the MMCarms |
| Vg | AC-side output voltage |
| Vu, Vl | Upper and Lower Arm Voltage |
| iu, il | Upper and Lower Arm Current |
| Ru, Lu | Upper arm resistance and Inductance |
| Rl, Ll | Lower arm resistance and Inductance |
| Ro, Lo | External Load Resistance and Inductance |
| N | Number of submodules |
| C | Capacitance of capacitor |
| S1, S2, S3, S4 | IGBT switches in circuit diagrams |
| D1, D2, D3, D4 | Anti-parallel diodes of IGBTs |
References
- Monmasson, E.; Id-Khajine, L.; Merai, M.; Naouar, M.W.; Ricco, M. FPGA-based control for power electronics applications. In Encyclopedia of Electrical and Electronic Power Engineering; Elsevier: Amsterdam, The Netherlands, 2023; Volume 3, pp. 577–589. [Google Scholar] [CrossRef]
- Dekka, A.; Wu, B.; Fuentes, R.L.; Perez, M.; Zargari, N.R. Evolution of Topologies, Modeling, Control Schemes, and Applications of Modular Multilevel Converters. IEEE J. Emerg. Sel. Top. Power Electron. 2017, 5, 1631–1656. [Google Scholar] [CrossRef]
- di Benedetto, M.; Lidozzi, A.; Solero, L.; Crescimbini, F.; Grbović, P.J. High-Performance 3-Phase 5-Level E-Type Multilevel–Multicell Converters for Microgrids. Energies 2021, 14, 843. [Google Scholar] [CrossRef]
- Poorfakhraei, A.; Narimani, M.; Emadi, A. A Review of Modulation and Control Techniques for Multilevel Inverters in Traction Applications. IEEE Access 2021, 9, 24187–24204. [Google Scholar] [CrossRef]
- Alyami, S.; Ali, J.S.M.; Almakhles, D.; Almutairi, A.; Obeidat, M. Seven Level T-Type Switched Capacitor Inverter Topology for PV Applications. IEEE Access 2021, 9, 85049–85059. [Google Scholar] [CrossRef]
- Rafiq, M.A.; Ulasyar, A.; Uddin, W.; Zad, H.S.; Khattak, A.; Zeb, K. Design and Control of a Quasi-Z Source Multilevel Inverter Using a New Reaching Law-Based Sliding Mode Control. Energies 2022, 15, 8002. [Google Scholar] [CrossRef]
- Gupta, K.K.; Ranjan, A.; Bhatnagar, P.; Sahu, L.K.; Jain, S. Multilevel Inverter Topologies With Reduced Device Count: A Review. IEEE Trans. Power Electron. 2016, 31, 135–151. [Google Scholar] [CrossRef]
- Dhanamjayulu, C.; Prasad, D.; Padmanaban, S.; Maroti, P.K.; Holm-Nielsen, J.B.; Blaabjerg, F. Design and Implementation of Seventeen Level Inverter with Reduced Components. IEEE Access 2021, 9, 16746–16760. [Google Scholar] [CrossRef]
- Jayakumar, V.; Chokkalingam, B.; Munda, J.L. A Comprehensive Review on Space Vector Modulation Techniques for Neutral Point Clamped Multi-Level Inverters. IEEE Access 2021, 9, 112104–112144. [Google Scholar] [CrossRef]
- Maheswari, K.; Bharanikumar, R.; Arjun, V.; Amrish, R.; Bhuvanesh, M. A comprehensive review on cascaded H-bridge multilevel inverter for medium voltage high power applications. Mater. Today Proc. 2021, 45, 2666–2670. [Google Scholar] [CrossRef]
- Li, G.; Liang, J. Modular Multilevel Converters: Recent Applications [History]. IEEE Electrification Mag. 2022, 10, 85–92. [Google Scholar] [CrossRef]
- Perez, M.A.; Ceballos, S.; Konstantinou, G.; Pou, J.; Aguilera, R.P. Modular Multilevel Converters: Recent Achievements and Challenges. IEEE Open J. Ind. Electron. Soc. 2021, 2, 224–239. [Google Scholar] [CrossRef]
- Heath, T.; Barnes, M.; Judge, P.D.; Chaffey, G.; Clemow, P.; Green, T.C.; Green, P.R.; Wylie, J.; Konstantinou, G.; Ceballos, S.; et al. Cascaded- and Modular-Multilevel Converter Laboratory Test System Options: A Review. IEEE Access 2021, 9, 44718–44737. [Google Scholar] [CrossRef]
- Du, S.; Dekka, A.; Wu, B.; Zargari, N.R. Modular Multilevel Converters: Analysis, Control and Applications, 1st ed.; John Wiley & Sons: Hoboken, NJ, USA, 2018. [Google Scholar]
- Ismail, H.M.; Kaliyaperumal, S. Enhanced Voltage Sorting Algorithm for Balancing the Capacitor Voltage in Modular Multilevel Converter. IEEE Access 2021, 9, 167489–167502. [Google Scholar] [CrossRef]
- Song, C.; Sangwongwanich, A.; Yang, Y.; Blaabjerg, F. Capacitor Voltage Balancing for Multilevel Dual-Active-Bridge DC–DC Converters. IEEE Trans. Ind. Electron. 2023, 70, 2566–2575. [Google Scholar] [CrossRef]
- Fan, B.; Wang, J.; Yu, J.; Mocevic, S.; Rong, Y.; Burgos, R.; Boroyevich, D. Cell Capacitor Voltage Switching-Cycle Balancing Control for Modular Multilevel Converters. IEEE Trans. Power Electron. 2022, 37, 2525–2530. [Google Scholar] [CrossRef]
- Chen, Y.; Zhang, X. Voltage Balancing Method on Expert System for 51-Level MMC in High Voltage Direct Current Transmission. Math. Probl. Eng. 2016, 2016, 1–6. [Google Scholar] [CrossRef]
- Heath, T.; Green, P.R.; Barnes, M.; Coventry, P. Capacitor balancing controller voltage sorting statistics in modular multilevel converters. In Proceedings of the 2017 IEEE Southern Power Electronics Conference, Puerto Varas, Chile, 4–7 December 2017; pp. 1–8. [Google Scholar]
- Ricco, M.; Mathe, L.; Hammami, M.; Franco, F.L.; Rossi, C.; Teodorescu, R. A Capacitor Voltage Balancing Approach Based on Mapping Strategy for MMC Applications. Electronics 2019, 8, 449. [Google Scholar] [CrossRef]
- Yu, Q.; Deng, F.; Tang, Y.; Wang, Y.; Blaabjerg, F. Additional-Levels-based control method for modular multilevel converters with reduced DC-Link current ripple. Int. J. Electr. Power Energy Syst. 2023, 153, 109288. [Google Scholar] [CrossRef]
- Abdayem, A.; Sawma, J.; Beneit, A.; Blasco-Gimenez, R.; Khatounian, F.; Monmasson, E. Comparative Assessment of Modulation Strategies in Modular Multilevel Converters: An Attempt for a Better Compromise Between the Efficiency and Capacitor Voltages′ Dispersion. IEEE Open J. Ind. Electron. Soc. 2024, 5, 1274–1285. [Google Scholar] [CrossRef]
- Gu, X.; Zhao, W.; Zhang, G.; Yao, X.; Jin, X.; Chen, W.; Li, C. Circulating Current Suppression in Modular Multilevel Converters Based on Hybrid Model Predictive Control. World Electr. Veh. J. 2025, 16, 134. [Google Scholar] [CrossRef]
- Lyu, Y.; Zi, Y.; Li, X. Improved Control of Capacitor Voltage Balancing in Modular Multilevel Converter Submodules. IEEE Access 2024, 12, 19510–19519. [Google Scholar] [CrossRef]
- Liu, M.; Li, Z.; Yang, X. Tracking Control of Modular Multilevel Converter Based on Linear Matrix Inequality without Coordinate Transformation. Energies 2020, 13, 1978. [Google Scholar] [CrossRef]
- Bonde, A.D.; Meshram, P.M.; Borghate, V.B.; Gobburi, H.B. Analysis of Capacitor Voltage Balancing Method of Modular Multilevel Converter (MMC) for the Application of SPWM, NLC & SHE-PWM Modulation Techniques. In Proceedings of the 2020 IEEE First International Conference on Smart Technologies for Power, Energy and Control (STPEC), Nagpur, India, 25–26 September 2020. [Google Scholar]
- Basu, T.S.; Maiti, S.; Chakraborty, C. Performance Improvement of PV-Fed Hybrid Modular Multilevel Converter Under Partial Shading Condition. IEEE Trans. Ind. Electron. 2021, 68, 9652–9664. [Google Scholar] [CrossRef]
- Ronanki, D.; Williamson, S.S. Submodule power balancing control of modular multilevel converters under capacitor degradation. IET Power Electron. 2020, 13, 2992–3000. [Google Scholar] [CrossRef]
- Khera, F.A.; Klumpner, C.; Wheeler, P. Modeling and Experimental Evaluation of Z-Source Modular Multilevel Converter Using Reduced Inserted Cells Technique. IEEE Access 2021, 9, 133091–133101. [Google Scholar] [CrossRef]
- Shuvo, S.; Hossain, E.; Islam, T.; Akib, A.; Padmanaban, S.; Khan, Z.R. Design and Hardware Implementation Considerations of Modified Multilevel Cascaded H-Bridge Inverter for Photovoltaic System. IEEE Access 2019, 7, 16504–16524. [Google Scholar] [CrossRef]
- Khan, A.A.; Khan, U.A.; Ahmed, F.; Cha, H.; Ahmed, S.A. Improved NPC Inverters without Short-Circuit and Dead-time Issues. IEEE Trans. Power Electron. 2022, 37, 2180–2190. [Google Scholar] [CrossRef]
- Iranian, M.E.; Mohseni, M.; Aghili, S.; Parizad, A.; Baghaee, H.R.; Guerrero, J.M. Real-Time FPGA-Based HIL Emulator of Power Electronics Controllers Using NI PXI for DFIG Studies. IEEE J. Emerg. Sel. Top. Power Electron. 2022, 10, 2005–2019. [Google Scholar] [CrossRef]
- Pugliese, S.; Liserre, M.; De Carne, G. Enhanced Current-Type P-HIL Interface Algorithm for Smart Transformers Testing. In Proceedings of the 2021 IEEE Energy Conversion Congress and Exposition (ECCE), Vancouver, BC, Canada, 10–14 October 2021; pp. 1171–1178. [Google Scholar]
- Sun, P.; Tian, Y.; Pou, J.; Konstantinou, G. Beyond the MMC: Extended Modular Multilevel Converter Topologies and Applications. IEEE Open J. Power Electron. 2022, 3, 317–333. [Google Scholar] [CrossRef]
- Nademi, H.; Das, A.; Burgos, R.; Norum, L.E. A new circuit performance of modular multilevel inverter suitable for photo-voltaic conversion plants. IEEE J. Emerg. Sel. Top. Power Electron. 2016, 4, 393–404. [Google Scholar] [CrossRef]
- Jin, E.; Zhao, J.; Zhao, L. Improved Precision MMC Average Equivalent Model. In Proceedings of the 2020 IEEE International Conference on High Voltage Engineering and Application (ICHVE), Beijing, China, 6–10 September 2020; pp. 1–4. [Google Scholar]
- Du, S.; Wu, B.; Zargari, N.R. Common-Mode Voltage Elimination for Variable-Speed Motor Drive Based on Flying-Capacitor Modular Multilevel Converter. IEEE Trans. Power Electron. 2018, 33, 5621–5628. [Google Scholar] [CrossRef]
- Gong, Z.; Dai, P.; Yuan, X.; Wu, X.; Guo, G. Design and Experimental Evaluation of Fast Model Predictive Control for Modular Multilevel Converters. IEEE Trans. Ind. Electron. 2016, 63, 3845–3856. [Google Scholar] [CrossRef]
- Dekka, A.; Wu, B.; Yaramasu, V.; Fuentes, R.L.; Zargari, N.R. Model Predictive Control of High-Power Modular Multilevel Converters—An Overview. IEEE J. Emerg. Sel. Top. Power Electron. 2019, 7, 168–183. [Google Scholar] [CrossRef]
- Brahmbhatt, B.; Sarda, J.; Bariya, C.; Choi, S.Y.; Hui, K.L.; Sain, M. An efficient real-time model of a five level modular multilevel converter with modified pulse width modulation technique for reduced switching frequency. Meas. Control 2025. [Google Scholar] [CrossRef]
- Muthavarapu, A.K.; Biswas, J.; Barai, M. An Efficient Sorting Algorithm for Capacitor Voltage Balance of Modular Multilevel Converter with Space Vector Pulsewidth Modulation. IEEE Trans. Power Electron. 2022, 37, 9254–9265. [Google Scholar] [CrossRef]













| Equipment | Manufacturer | Model |
|---|---|---|
| Gate Driver | Infineon | 1ED020I12-BT |
| Voltage Sensor | Broadcom (San Jose, CA, USA) | ACPL-C79B |
| Current Sensor | LEM (Meyrin, Switzerland) | LEM 25 |
| IGBT | On Semi (Phoenix, AZ, USA) | FGH60N60SMD |
| Control Platform | Typhoon HIL | HIL 402 |
| Parameter | Experimental Value |
|---|---|
| DC Source Voltage (V) | 60 |
| Number of Submodules/Arm | 2 |
| Load Resistance (R1) (Ω)/Load Inductance (L3) (mH) | 74/12.5 |
| Arm Inductance (L1, L2) (nH) | 2.5 |
| Switching Frequency | 3 kHz |
| Metric | Baseline Methods (2020–2024) | Proposed Method | References |
|---|---|---|---|
| THD | Yu et al. [21]: PS-PWM ~15% THD in medium-scale MMCs; Gu et al. [23]: Hybrid MPC reduces harmonic distortion but adds control overhead. | ~10% | [21,22,23] |
| Voltage Balancing Deviation | Abdayem et al. [22]: NLM ripple ±10–15%; Lyu et al. [40]: Radix sorting reduced ripple but sensitive to fluctuations. | peak-to-peak | [22,24,40] |
| Computational Efficiency | Sorting-based balance can become computationally heavy as submodule count grows | Significantly lower execution time (~40% faster) compared to native sorting | [24,40,41] |
Disclaimer/Publisher’s Note: The statements, opinions and data contained in all publications are solely those of the individual author(s) and contributor(s) and not of MDPI and/or the editor(s). MDPI and/or the editor(s) disclaim responsibility for any injury to people or property resulting from any ideas, methods, instructions or products referred to in the content. |
© 2025 by the authors. Licensee MDPI, Basel, Switzerland. This article is an open access article distributed under the terms and conditions of the Creative Commons Attribution (CC BY) license (https://creativecommons.org/licenses/by/4.0/).
Share and Cite
Obiora, V.; Zhou, W.; Jamal, W.; Saha, C.; Faramehr, S.; Igic, P. Enhanced Voltage Balancing Algorithm and Implementation of a Single-Phase Modular Multilevel Converter for Power Electronics Applications. Machines 2025, 13, 955. https://doi.org/10.3390/machines13100955
Obiora V, Zhou W, Jamal W, Saha C, Faramehr S, Igic P. Enhanced Voltage Balancing Algorithm and Implementation of a Single-Phase Modular Multilevel Converter for Power Electronics Applications. Machines. 2025; 13(10):955. https://doi.org/10.3390/machines13100955
Chicago/Turabian StyleObiora, Valentine, Wenzhi Zhou, Wissam Jamal, Chitta Saha, Soroush Faramehr, and Petar Igic. 2025. "Enhanced Voltage Balancing Algorithm and Implementation of a Single-Phase Modular Multilevel Converter for Power Electronics Applications" Machines 13, no. 10: 955. https://doi.org/10.3390/machines13100955
APA StyleObiora, V., Zhou, W., Jamal, W., Saha, C., Faramehr, S., & Igic, P. (2025). Enhanced Voltage Balancing Algorithm and Implementation of a Single-Phase Modular Multilevel Converter for Power Electronics Applications. Machines, 13(10), 955. https://doi.org/10.3390/machines13100955

