Next Article in Journal
Development of Digital Flow Valve Applied to Aero-Engine Fuel Control and Research on Performance of Its Flow Characteristics
Previous Article in Journal
Design and Comparison of Two Maize Seeders Coupled with an Agricultural Robot
 
 
Font Type:
Arial Georgia Verdana
Font Size:
Aa Aa Aa
Line Spacing:
Column Width:
Background:
Article

Study of Cutting Forces in Drilling of Aluminum Alloy 2024-T351

by
Răzvan Sebastian Crăciun
1,2,
Virgil Gabriel Teodor
1,2,
Nicușor Baroiu
1,2,
Viorel Păunoiu
1,2 and
Georgiana-Alexandra Moroșanu
2,3,*
1
Department of Manufacturing Engineering, “Dunarea de Jos” University of Galati, 800201 Galati, Romania
2
Research Center in Manufacturing Engineering Technology (ITCM), “Dunarea de Jos” University of Galati, 800201 Galati, Romania
3
Center of Continous Training and Technological Information, Danubius International University Galati, 800654 Galati, Romania
*
Author to whom correspondence should be addressed.
Machines 2024, 12(12), 937; https://doi.org/10.3390/machines12120937
Submission received: 29 October 2024 / Revised: 26 November 2024 / Accepted: 18 December 2024 / Published: 20 December 2024
(This article belongs to the Section Advanced Manufacturing)

Abstract

Duralumin 2024-T351 is an alloy characterized by a good mechanical strength, relatively high hardness and corrosion resistance frequently used in the aeronautical, automotive, defense etc. industries. In this paper, the variation of axial forces and torques when drilling aluminum alloy 2024-T351 was investigated, analyzing the measured values for different cutting regimes. Experimental data on the forces and moments generated during the drilling process were collected using specialized equipment, and these data were preprocessed and analyzed using MatLab R218a. The experimental plan included 27 combinations of the parameters of the cutting regime (cutting depth, cutting speed, and feed), for which energetic cutting parameters were measured, the axial force and the torsion moment, respectively Based on these data, a neural network was trained, using the Bayesian regularization algorithm, in order to predict the optimal values of the cutting energy parameters. The neural model proved to be efficient, providing predictions with a relative error below 10%, indicating a good agreement between measured and simulated values. In conclusion, neural networks offer an accurate alternative to classical analytical models, being more suitable for materials with complex behavior, such as aluminum alloys.

1. Introduction

Researchers around the world are increasingly concerned with the cutting possibilities of aluminum-based alloys. Although aluminum is recognized as a difficult material to process by cutting, some of its alloys are characterized by a very good machinability by this process. This, together with their low density, make them particularly interesting for industries where a combination of high mechanical strength and low weight is required.
Recently conducted research highlights some concerns related to the determination and prediction of cutting-force values when processing various materials for which this manufacturing method is not traditionally used (aluminum, plastic materials, copper etc.).
Grossi et al. [1] developed a model which allows the determination of the depth of cut and the contact width based on the analysis of the cutting force in cylindrical-frontal milling. The simulations were performed for aluminum alloys (6082 T4) and carbon steel, and the results show the potential of the method to be extended to other materials.
The advantage of the method proposed by Grossi is that it is not necessary to know the coefficients, or the direction of the cutting force and it also does not require dedicated measuring equipment.
Huh and Lee [2] proposed methods for indirect estimation of the cutting force based on the measurement of the power consumed during machining. The proposed model, called in the paper “the inverse dynamic model”, represents a dynamic relationship between the cutting force, the torsion moment of the machine motor, and the motor power. The validation of the results was realized by comparing with the experimental results obtained during the processing on a CNC (computer numerical control) lathe of various types of materials (carbon steel, aluminum, stainless steel etc.).
Kao et al. [3] developed a mathematical model for calculating the cutting force when machining with a hemispherical cylindrical-frontal mill. In the mathematical model used, the relationship between the average cutting force and the feed per tooth was viewed as a linear function.
The coefficients of the cutting-force model were considered to depend on the geometry of the cutting tool, parameters of the cutting regime, etc. The authors believe that the proposed mathematical model can be applied to any combination of the processed material and the cutting tool material.
Krupa et al. [4] proposed an improved method for determining the influence of feed on tangential cutting force when processing the bores. The stated advantage of the proposed method is the reduced number of experiments required to obtain the data. The approach is made through probabilistic and statistical methods. The authors consider the method to be universal and possible to apply for all bores processing procedures (drilling, reaming, counter boring etc.).
Matsumura and Tamura [5] proposed the modeling of the cutting force in milling, taking also into account the tool deviation. The authors highlighted the fact that the tool deviation induces non-uniform loads on the cutting edges. They presented an analytical model of effect evaluation caused by tool deviation on the cutting force. The tests were realized using cutters whose deviation was artificially induced, and the measured values of the cutting forces were compared with those obtained by simulation. The authors believe that the results obtained through simulation can be used to improve the quality of the milling process in terms of processing precision and tool durability.
Pham et al. [6] developed a study regarding the cutting forces and chip compression ratio in high-speed processing of aluminum alloy A6061. Simulations were performed to determine the cutting force and chip compression ratio by varying the cutting speed, depth of cut, and clearance angle. The results were used to identify the optimal parameters of the cutting regime. Carrying out an analysis of variance (ANOVA) also allowed the identification of the size of the influence of each of the parameters of the cutting regime on the cutting force and the chip shrinkage coefficient.
Wang et al. [7] studied the mechanical foundations of shear force coefficients. The study used experimental data to precisely identify the cutting force coefficients and verify that they are dependent only on the pair of blank tool materials and the geometry of the cutting tool and are not dependent on the parameters of the cutting regime.
The coefficients of the tangential and radial forces were calculated by “linear fitting of experimental data” and the results obtained by changing the cutting parameters that these coefficients were independent of the cutting tool material.
Xiao et al. [8] used an analytical approach to obtain a predictive model of shear force in unidirectional processing of carbon fiber reinforced polymer (UD CFRP) laminates.
The accuracy of the model was validated by experimental data, with a relative error of 15%. The model is particularly important considering the characteristics of the material, which differ from those of metallic alloys, due to its anisotropy and inhomogeneity, elements strongly influenced by the orientation of the insertion fibers.
Yu et al. [9] studied the vibrations occurring in the frontal milling process considering the effect of the depth of cut and the coefficients of the cutting force. The study focused on the dependence of the cutting-force coefficients on tool speed and contact width. The conclusions of this study show that the cutter speed has little effect on the cutting force, while the contact width has a major impact on the coefficients of this force.
Zhou and Ren [10] developed an algorithm for modeling the cutting force in orthogonal cutting. The proposed algorithm is based on the integration of the shear cutting force with the tool cutting force. The experiments carried out for turning INCONEL 718 material demonstrated the viability of the proposed algorithm.
Senthil and Dhanasekaran [11] examined the impact of different drilling circumstances, including drilling speed, feed rate, and drill tool tip angle, on the Hybrid Aluminum Composite. Drilling experiments were performed on a CNC vertical machining center with a 5 mm diameter TiAlN-coated carbide drill. The optimal point angle of the tool for the drilling operation is 118 degrees. Multiple models, including multiple regression using response surface methodology, artificial neural networks, and fuzzy logic, were developed to forecast thrust force, surface roughness, and circularity errors. Of the three predictive models, the fuzzy logic method produced outcomes that are more closely aligned. The predicted values from these models aligned with experimental results, demonstrating reliability in calculating thrust force, surface roughness, and circularity errors.
Aamir et al. [12] examined hole quality in Al2024-T3, an aerospace alloy, utilizing 6 mm uncoated carbide and HSS drill bits under diverse dry drilling settings on a CNC machine. Hole quality metrics—perpendicularity, cylindricity, circularity, and size—were evaluated by ANOVA and Pareto charts. Digital and scanning electron microscopy indicated an increased presence of burrs and surface imperfections in holes drilled with HSS bits, but elevated feed rates and spindle speeds diminish hole quality. The results indicated that drill-bit material substantially influences hole quality, with HSS bits exhibiting higher adhesion and edge buildup compared to carbide bits.
Uddin et al. [13] assessed the influence of critical drilling parameters on hole quality utilizing TiN-coated HSS drill bits. Drilling tests evaluated the thrust force and torque using an internal force dynamometer, while grading hole quality based on dimensional correctness, burr formation, surface finish, and drill-bit wear. The results indicated that feed rate substantially influences force and hole quality, with elevated feed rates augmenting axial force and torque by as much as 44.94% and 47.65%, respectively. A reduced feed rate and elevated spindle speed enhanced the dimensional precision, indicating the ideal drilling parameters for improved part integrity and productivity in manufacturing.
Luo et al. [14] proposed a finite element model to optimize drilling conditions by examining the impact of feed and spindle speeds on the drilling process. Drilling tests utilizing different feed rates (60, 100, 140 mm/min) and spindle speeds (800, 1000, 1200 rpm) corroborated the model through a comparison of experimental and simulation data. The results indicated that elevated feed speed increases axial force, torque, and cutting- edge temperature, but greater spindle speeds improve chip curl formation. Optimal conditions of elevated spindle speed and diminished feed minimize the tool wear and the enhance machining quality. The model consistently replicates burr formation and facilitates the optimization of drilling for space-suspended ball structures.
Bronis et al. [15] investigated the influence of several drilling procedures on the geometrical and dimensional precision of deep-through holes in PA6 aluminum alloy. Drilling experiments on cylindrical specimens were performed with a three-axis direct-drive turning center equipped with TiAlN-coated twist drill bits and coolant delivered through the spindle. Three drilling strategies were evaluated, utilizing spindle speed, feed per revolution, and approach type as input parameters. Employing the maximum spindle speed and feed rate as a strategy produced the optimal outcomes for straightness, roundness, and diameter deviations, making it one of the most successful methods for precise deep hole drilling in PA6 aluminum.
Zylka et al. [16] examined the influence of advanced microgeometry on cutting forces during the finish milling of 7075 aluminum alloy. The study investigated the influence of the cutting edge’s rounding radius and margin width on cutting-force parameters, through tests that manipulate feed per tooth and radial infeed. The results indicated that margin width exerts the most significant linear influence on cutting forces, whereas the rounding radius demonstrates a nonlinear, nonmonotonic effect, with the smallest force occurring at a radius of 15–20 µm. The presented model facilitates the creation of novel cutter shapes for aluminum finishing milling.
Habib et al. [17] investigated the influence of drilling parameters—spindle speed and feed rate—on chip characteristics and hole quality in the Al7075-T6 alloy, which is extensively utilized in aerospace applications. Employing high-speed steel drill bits in dry drilling demonstrated that elevated spindle speeds diminish surface roughness, whereas increased feed rates exacerbated it. Elevated spindle speed marginally enlarged the hole diameter but exerted negligible influence on circularity deviation. Brief, segmented chips were generated at elevated feed rates and reduced spindle speeds. ANOVA analysis quantified the impact of each parameter to output quality, facilitating the optimization of drilling settings for superior hole quality.
Tzotzis et al. [18] examined the drilling performance in AA6082-T6 alloy, evaluating drill diameter, cutting speed, and feed rate using a full factorial design. Employing Response Surface Methodology (RSM) and Artificial Neural Networks (ANN) for process modeling revealed a robust correlation between experimental and predicted data, with Mean Absolute Percentage Error (MAPE) values for RSM and ANN closely aligning with experimental values across cutting force, torque, and surface roughness. Crucial interactions—drill diameter and feed rate—substantially influenced the thrust force and torque, whereas the square of the drill diameter impacted the surface roughness. Optimization through the desirability function indicated that a 9 mm drill operating at a cutting speed of 50 m/min and a feed rate of 0.15 mm/rev attained a balanced performance, whereas a 9.9 mm drill under same parameters produced a superior surface quality (~0.2 μm). This method facilitated the selection of economical machining parameters.
Pramanik and Basak [19] investigated the ideal drilling parameters for aluminum metal matrix composites (MMCs) by examining the influence of point angle, spindle speed, and feed rate on torque, thrust force, burr height, surface quality, and dimensional precision. The research indicated that elevated point angles and speeds diminished the torque and thrust force but that the increased feed rates enhanced these parameters. Burr height, circularity, and diameter error were greatly influenced by point angle, while the feed rate markedly affected the torque, exit burr height, and chip thickness. While the feed rate significantly affected the thrust force and circularity, the surface roughness remained comparatively constant across parameter variations.
Galal et al. [20] examined the optimization of drilling for functionally graded materials (FGMs) composed of aluminum alloys, which provide weight reduction and enough stiffness. Despite comprehensive research, a consensus on process modeling remains unattainable, with numerous numerical approaches (Lagrangian, Eulerian, ALE, CEL) investigated to tackle challenges such as divergence and mesh distribution at elevated velocities. This work used finite elements software to implement bottom-up meshing across eleven 1 mm layers, utilizing the Johnson–Cook model to forecast cutting forces, stress, and strain distributions. Taguchi analysis determines optimal parameters—700 rpm, 1 mm/s feed rate, and 3 mm depth of cut—indicating that elevated feed rate and depth of cut substantially influence cutting force, while rotational speed exerts a little effect. These findings establish a foundation for improved FGM drilling efficiency.
The review of these papers shows that the most studied working parameters were the spindle speed and feed rate. As a result, in this paper a study of the axial forces and torsion moments when drilling 2024-T351 alloy was proposed, starting from the measurement values of these quantities, introducing in the analysis the cutting depth, alongside cutting speed and feed.
Basically, for different combinations of the parameters of the cutting regime, the axial forces and torsion moments to which the drill is subjected were measured.
Subsequent, a neural network was trained based on this input data. When training the network, the parameters of the cutting regime were considered as input parameters (a—cutting depth, vc—cutting speed and f—feed) and as output sizes the axial force, FZ and the torsion moment, MZ. The respective neural network was interrogated with data sets that were not used for training, and verification of the correctness of the prediction was performed by comparing the interrogated data with measured data.
The data set obtained by neural network approach shows that the most influential parameters are depth of cut and feed, while cutting speed has a reduced influence. The results were certified by the experimental work.

2. Materials and Methods

For the study of the axial forces and torsion moments that occur during the processing of 2024-T351 alloy, experimental data measured using a Kistler force transducer (Kistler Dynamometer Type 9257B, produced by Kistler Instrumente AG, in Winterthur, Switzerland) were used.
The dynamometer measures four shear components and four vertical components, up to 10 kN. From the raw components Fx, Fy, Fz and Mx, My, Mz are calculated. The force threshold is 0.01 N. The software used for the data acquisition and preprocessing is DynoWare 2825A, version 10.19, provided with the measuring equipment.
In order to be able to realize the present study, the axial forces and torsion moments were measured by varying the parameters of the cutting regime in areas recommended by the manufacturer of the machine tool on which the processing was realized. This machine tool is a HAAS VF 1 vertical milling center.
The processed material is an aluminum alloy, 2024-T351, which chemical composition is shown in Table 1. This alloy is characterized by a good mechanical strength, relatively high hardness, and corrosion resistance, characteristics which, together with the low density of the alloy, determine it to be widely used in areas where the low weight of the part is a characteristic as well as important as its mechanical resistance.
The established experimental plan involves drilling the material and measuring the force along the Z-axis direction and the torsion moment around the same axis. The parameters of the cutting regime were varied, with three values being selected, obtaining experimental data for cutting depths of 5, 4, and 3 mm (corresponding to drills with diameters of 10, 8 and 6 mm), feeds of 0.1, 0.25, and 0.4 mm/rot., and cutting speeds of 50, 60, and 70 m/min, respectively. In total, 3 × 3 × 3 = 27 determinations were made. The variation ranges of the parameters values of the cutting regime were chosen in such a way as to correspond to the recommendations of the machine tool manufacturers regarding the drilling of aluminum with high-speed steel (HSSCo5) drills.
Table 2 shows the parameters of the cutting regime for the three drill diameters.
The measurements were made with the frequency of 2500 Hz, taking the results of the forces on the three axes of the reference system and the rotation moments around the three axes. Among six sizes, the force in the direction of the Z-axis and the moment around the same axis were used in the study, which corresponds to the torsion moment of drilling. For the correctness of the calculations, only the values measured during the actual cutting were considered for analysis, the measurements made during the tool approach and tool withdrawal stages being eliminated. Identifying the entry moment into cutting and the cutting exit is easy to achieve because the measured values undergo significant jumps at these moments.
Drillings were realized on material samples processed in such a way as to allow drilling holes without endangering the measuring device, Figure 1.
The data obtained in DynoWare data acquisition program were exported in *.csv type files, which can be imported into the MatLab program [21]. For this study, MatLab 2018 version program was used.
The import was performed for the type of data analyzed, namely axial force and torsion moment. After import, using the “Signal Analyzer” toolbox, only the range of interest values was selected.
By selecting the interest area in the field where the cutting force and the torsion moment have been stabilized, the elimination of outliers was obtained.
For each of the processed holes, a single measurement was made, because the processing time and measurement frequency were high enough to be able to identify any irregularities in the process and possible outliers.
Figure 2a shows the measured series of values and Figure 2b shows the range of values selected for the analysis.
In order to calculate the average values of the measured data, the “Distribution Fitter” toolbox from MatLab program was used. Figure 3 shows the graphical form of the frequency distribution of the measured values, for the domain selected for analysis (FzN_ROI data) and the graphical form of the normal distribution equation for the same domain (fit_1). Using the “Distribution Fitter” toolbox automatically calculates the distribution frequency of the values, their dispersion as well as other statistical parameters. Additionally, the graphical representation of the frequency distribution allows for quick visual confirmation that the data distribution follows the normal distribution law.
The mentioned toolbox allows the direct calculation of the average value for the selected data set. In the presented case, corresponding to the set of parameters a = 5 mm, f = 0.1 mm/rot. and vc = 50 m/min., the average value is for FZ = 349.35 N and for MZ = 1.86 N·m.
This preprocessing was performed for all 27 sets of cutting regime parameters.
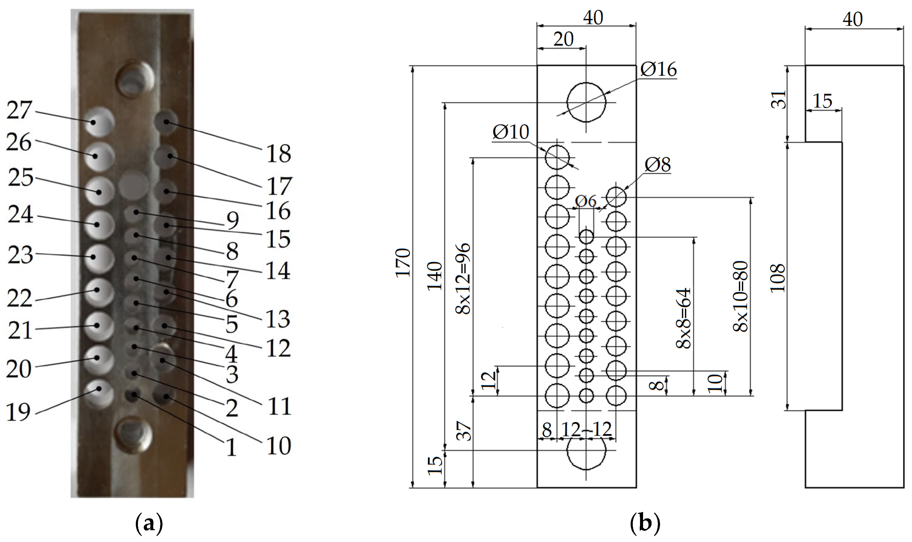
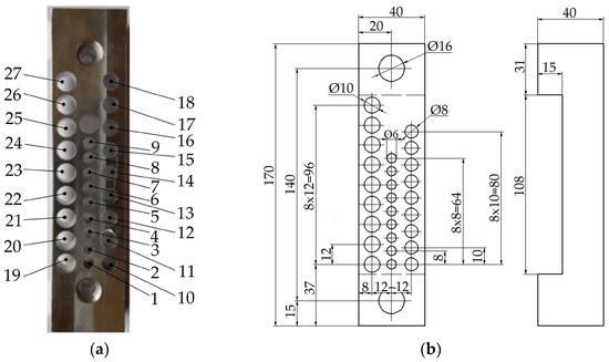
Figure 4a shows the processed holes, with their numbering marked on the image, according to Table 3 in which the processing parameters corresponding to each hole are presented, as well as the average values for the measured forces and moments. Figure 4b shows the execution drawing of the realized sample.
For the statistical interpretation of the results experimentally obtained, it was started from the experiment planning through the method of fractional orthogonal planes (Taguchi method), with the aim of studying the relationships that appear between the input variables (drill diameter, cutting speed, and working feed) and the output ones (axial force, Fz, and torsion moment, Mz), with the help of some mathematical functions [22]. In this sense, specific functions from Matlab were used for data analysis.
After defining the structure of the experimental program, the stages aimed at processing and interpreting the data through statistical analysis were grouped as follows: the identification of the parameters from the experiment and the association of values experimentally obtained, for each combination of the input parameters; analysis of the experimental plan and highlighting the optimal working solution; the study of the simultaneous influence of two or more independent variables on a dependent variable, through dispersion analysis or analysis of variance (ANOVA); determination of the regression equation; calculation of the difference between the measured response and the theoretical response of each experiment (residue).
Thus, starting from a matrix with three factors and three levels of form (3 × 3 × 3), and adding up a number of 27 trials for each of the three diameters of the helical drills, it is possible to determine the state of interactions between the considered factors, based on the individual states of the levels. The final purpose is to establish an optimal level for each input parameter, which leads to a minimization of the magnitude of the axial force and of the torsion moment when drilling, as well as the way in which the influences between the parameters are manifested.
Table 3 shows the structure of the experimentation program, in which the independent variables of the drilling process are specified, variables that constitute the parameters of the cutting conditions and their ranges of variation. Notations were made for the independent variables of the shape drill process: the working feed, f [mm/rot.], the cutting depth, a [mm] and the cutting speed vc [m/min.].
For each of the parameters, a level was conventionally established. Thus, for the cutting depth, level 1 corresponds to the value of 3 mm, level 2 to the depth of 4 mm. and level 3 to that of 5 mm. In the same sense, levels 1, 2, and 3 correspond to feeds of 0.1, 0.25, and 0.4 mm/rot, respectively, at cutting speeds of 50, 60, and 70 m/min.
Corresponding to each level, the average value of FZ force and MZ moment was calculated, from which the optimal level of the parameter corresponding to the minimum value calculated for each level of that parameter is extracted (small is better).
Specifically, for the cutting depth of 3 mm, the average of the cutting forces was calculated (for all the values of the other two parameters), obtaining the value 444.20 N. Also, for the cutting depth of 4 mm the average value of 829.78 N was obtained and for 5 mm, the value of 713.68 N was obtained.
In Table 4 and Table 5, the levels of the drilling process parameters is presented, for the average values of FZ force and MZ moment. The optimal level are marked with bold characters. According to the average values corresponding to each parameter, the “Delta” quantity was calculated, representing the difference between the maximum value of the average force (829.78 N corresponding to the cutting depth of 4 mm) and the minimum value of the average force (444.2 N corresponding to the cutting depth of 3 mm).
The rank was determined by the ascending order of the “Delta” value.
It is noted that, in the case of Fz force, in order to obtain the lowest values for them, the optimal combination of processing requires the use of a minimum depth of cut, a feed of 0.1 mm/rot., and a maximum cutting speed. In the case of the moment, the optimal processing combination involves a cutting depth of 3 mm, feed of 0.1 mm/rot., and cutting speed of 60 m/min.
Establishing the influence of each of the parameters of the cutting regime was performed through an ANOVA analysis, using Matlab 2018 program. The simultaneous analysis of the independent variables was carried out, from which information is extracted about each individual factor, but also information about the interaction between them, as well as their influence on the independent variables. In order to determine the influence of the parameters from the drilling process and the relevant interactions, in the case of the analysis of Fz force and Mz moment, the weight value, P%, from Table 6 and Table 7 was analyzed.
In these tables, the results provided by the Matlab program are presented, the meaning of the columns being the following. “Source” represents the cutting regime parameter. “Sum. Sq.” is the sum of squares of a term, and it is defined as the reduction in the sum of squares error obtained by adding the term to a model that excludes it. Column “d.f.” represents the degree of freedom of the variable and is calculated as the number of −1 categories. In the presented situation, there are three categories (s, a and v) so the degree of freedom of each source will be 3 − 1 = 2. “Mean squares” is defined as SumOfSquares/DF. F-statistic value to test the null hypothesis that the corresponding coefficient is zero; computed by F = MeanSquares/MSE. When the null hypothesis is true, the F-statistic follows the F-distribution. To determine if the difference between group means is statistically significant, it is used the p-value that corresponds to the F-statistic. If this p-value is less than 0.05, the null hypothesis is rejected and concludes that there is a statistically significant difference between the means of the groups. Otherwise, if the p-value is greater than 0.05 then it is concluded that they are not sufficient evidence to say that there is a statistically significant difference between the means of the three groups.
Analyzing Table 6 and Table 7, obtained after carrying out the ANOVA analysis on the influence of the parameters of the cutting regime on the axial force and the torsion moment of the drilling process, it follows that the parameters that have a significant contribution in defining the axial force are the feed, f, and the cutting depth, a, while the cutting speed has an insignificant influence.
Of the 27 determinations, 25 were kept for training the neural network and 2 were kept for checking the correctness of the training results.

3. Analytical Aspects of Axial Force and Torsion Moment in Drilling

Figure 5 shows the force distribution in a helical drill.
In drilling, the cutting forces acting on the two main cutting edges of the drill, under the conditions of the cutting tool’s relation to a triorthogonal reference system, can be structured into the following components, Figure 5 [23]:
-
the axial components, Fz1 and Fz2, in the direction of the drill axis, on which the feed movement of the drill is realized. These components sum up their effect, requiring the drill bit to compress with the total axial force, Fz-s;
-
the tangential components, Fx1 and Fx2, in the direction of the main cutting movement. They determine the torsion moment, Mdr;
-
the radial components, Fy1 and Fy2, which are equal, in the case of an identical sharpening of the two edges, and they cancel each other, in the case of the opposite direction.

3.1. Analytical Models for the Evaluation of Axial Force and Torsion Moment in Drilling

The classical model in the classical scientific literature in the field, made by Astakhov [24], accepts a similarity between turning and drilling and proposes an analytical model for determining the axial cutting force and the torsion moment appeared as a result of the cutting. In Figure 6, the analogy between the forces from turning and those from drilling is presented [25].
In Figure 6, the projections of the normal force on the edge (FN) on the three axes of the reference system were denoted by FX, FY and FZ. The elementary force perpendicular to the edge dFN, was devided into two components—one in the axial direction (dFA), and one in the radial direction (dFr). The elemental force is considered as the force acting on a nominal chip element of length dr that tends to zero. In the same figure, a represents the thickness of the nominal chip, sd the advance on the tooth, r the radius at which the chip element is considered and κ the attack angle (working angle) of the tool.
The radial force, which acts on the chip element, is determined with the relation:
F z 1 = C F f d 1 y F z 2 sin y F κ D   [ N ] .
In Equation (1), Cr is the unit resistance [N/m2], z is the number of cutting edges of the drill, and κ is the semi-angle at the tip of the drill. For μ exponent, the values corresponding to the different materials usually processed by cutting are determined.
The equation of the torsion moment is at form:
M z 1 = C M f d 1 y M z 8 sin y M κ D 2   [ N · m ] .
The same author proposes a simplified model for the calculation of axial force and torsion moment at drilling [24]. A similar model is also proposed by Hamade [26]. This model, hereafter denoted Model 2, also takes into account the hardness of the processed material, their mathematical formulation being presented in Equations (3) and (4):
F z 2 = C F D z F f y F ( H B ) n F   [ N ] .
M z 2 = C M D z M f y M ( H B ) n M   [ N · m ] .
In Equations (3) and (4), D represents the diameter of the drill, f the feed, and HB the hardness of the processed material. The coefficients KF and KM are the correction coefficients that take into account the cutting conditions. Regarding these coefficients, experimental research was realized on the size of the cutting forces. It was found that the cutting force is influenced by a multitude of factors, which interact complexly, the most common in the experimental determinations being the following: the processed material, the cutting regime, the geometry of the cutting tool, the working environment, the material of the cutting part, the lubricant, the vibrations etc. [27,28,29,30,31,32,33,34].
Other authors, such as Xia [35], studied the influence of diameter, feed, and cutting speed in the case of helical drills with straight edges. The numerical model obtained, Model 3, is described by relations (5) and (6).
F z 3 = C F f y F v x F D z F   [ N ] .
M z 3 = C M f y M v x M D z M   [ N · m ] .
Comparing the experimental results with those calculated based on the proposed models, it is obvious that for 2024-T351 aluminum alloy, the models do not describe its cutting behavior well enough.
In order to determine the values of the coefficients from Equation (1) ÷ (6), the “Curve fitting” toolbox from MatLab program was used, providing as input data the measured values for axial forces and torsion moments.
The values of these coefficients corresponding to each of the proposed models are presented in Table 8.
Table 9 shows the average measured values, the values calculated based on various models as well as the relative errors obtained, for two of the analyzed cases, respectively, f = 0.25 mm/rot., vc = 60 m/min., a = 3 mm (Case 1) and f = 0.1 mm/rot., vc = 50 m/min., a = 5 mm (Case 2).
As a precision indicator, the relative error was calculated using Equation (7):
e r r = V m V p V m 100 % .
In Equation (7), Vm represents the measured value and Vp the calculated value corresponding to each of the three models and two cases.
It is obvious that the level of errors is very high, and the variety of these errors makes them difficult to correct even under the conditions of using correction coefficients that take into account the specific cutting conditions. Therefore, a more appropriate tool is needed in order to estimate the values of axial forces and torsion moments.
A modeling with the help of a neural network was proposed considering the fact that this type of modeling can provide much more accurate results in the case of high complexity problems.

3.2. Modeling Based on Neural Network

In order to obtain a neural network that allows efficient training and provides results as close as possible to reality, the “Neural Net Fitting” tollbox provided as an application of the Matlab program was chosen. Based on the tests performed, it was found that the optimal number of hidden neurons is 20. The schematic representation of the neural network is shown in Figure 7.
The training algorithm used was “Bayesian Regularization” which, although it requires a longer training time, can provide more accurate predictions in the case of small data sets or which are characterized by “noise” disturbances [21]. From Figure 2, previously presented, it is obvious that the values measured for both axial forces and torsion moments show important variations, being able to fit into the type of data recommended for using the presented algorithm.
Data splitting was random, and “adaptive weight minimization (regularization)” was used as the optimization stopping criterion. Training performance was given by “mean squared error”.

3.3. Neural Network Training

The neural network was trained using 70% of the data sets, meaning 17 sets, randomly chosen. These were the data used for network optimization. Of the remaining data, 15%, meaning a total of four data sets were used for validation. The data used for validation served as a criterion to stop training when optimal generalization is reached. The other four sets (15%) were used for testing. The data used for testing allowed the network performance to be evaluated. Successive training sessions were performed until the obtained performance was considered good enough. The last training involved a number of 1000 iterations (epoch), the consumed time being 4 s. Training resulted in a mean square error of 1.23 × 10−3 for the training data and 90.23 for the test data.
The regression value, R, which measures the correlation between the predicted values and known input data, was 0.9999 for the training data and 0.9997 for the test data. Both values are very good, being known that the ideal value is 1.
Figure 8 shows the error histogram for 20 frequency ranges. It is visible that most of the errors are around −11.31 ÷ 9.941, which is a rather small value.
Figure 9 shows the regressions for the training data sets, while Figure 9a and Figure 9b shows the test data sets, respectively.
The actual data are represented in the figure by circle pointers and the regression function by lines, the blue line corresponding to the training data and the red line to the test data.
After training the neural network, it was queried using as input the two sets of parameters kept for this purpose, meaning f = 0.25 mm/rot., vc = 60 m/min., a = 3 mm, respectively, f = 0.1 mm/rot., vc = 50 m/min., a = 5 mm. The results returned by the network were compared with the values measured on the Kistler device.
Figure 10 shows the error histogram also for 20 frequency intervals, the errors being concentrated around the zero value, marked by the orange line representing Zero Error.
Figure 11 shows the regression function for the data used in the query. The actual data are represented by circle markers and the regression function is obtained by a red line.
In order to obtain a numerical characterization of the prediction accuracy provided by the neural network, the data obtained by the query were compared with those measured by the Kistler device (produced by Kistler Instrumente AG, in Switzerland).
As a precision indicator, the relative error was calculated using Equation (5). The values corresponding to the four output parameters are shown in Table 10.
It can be noted that the errors are below 10%, which is acceptable for differences between measured and experimental data.

4. Discussion

The analysis of the results obtained from applying the ANOVA method, conducted in Section 2, highlights the influence of various cutting regime parameters on axial force and torque in the drilling process. The results indicate that feed rate (f) and cutting depth (a) play a significant role in determining the axial force values, with these variables making a major contribution to characterizing the behavior of the forces involved in the process. In contrast, the cutting speed, although an important parameter in other aspects of machining, has a statistically insignificant influence on axial force in this specific context. This conclusion emphasizes the importance of controlling and optimizing the feed rate and cutting depth to improve the performance of the drilling process and reduce mechanical stresses on the tools, thereby contributing to their extended lifespan and enhancing the quality of the machined surface. The conclusions are also supported by the results obtained from training the neural network as well as by experimental data.
Regarding this, analysis of the measured data shows that the cutting speed has little influence on the axial forces and torsion moments. The influence of the parameters of the cutting regime on the axial forces is shown in Figure 12. Also, Figure 13 shows the influence of the parameters of the cutting regime on the torsion moment.
Basically, a variation of the cutting speed from 50 m/min. to 70 m/min., so about 28%, leads to an axial force variation of about 6% (from 735.4 N to 688.9 N) and a moment variation of about 15% (from 4.96 N·m to 5.87 N·m).

5. Conclusions

In this paper, an analysis of the axial forces and torsion moments during the processing of aluminum alloy 2024-T351, obtained through experimental measurements, was made. The obtained results indicate the following main aspects:
-
Axial forces and torsion moments when drilling are significantly influenced by the depth of cut and feed, while cutting speed has a reduce influence. Increasing the speed from 50 to 70 m/min generated minor variations in axial force (~6%) and torsion (~15%).
-
The statistical analysis showed that the optimal cutting regime when drilling, in order to minimize the axial force and torsion moment, is obtained at low values of the depth of cut (3 mm), feed (0.1 mm/rot.) and moderate to high speeds (60–70 m/min).
-
The classic calculation models of force and moment when drilling were analyzed and it was highlighted that they do not describe the behavior of the 2024-T351 alloy accurately enough. Analytical models show large relative errors compared to experimental data, which suggests the need for more advanced approaches.
-
The drilling process was modeled using the neural network technique. The developed neural network showed very good performances, with near-ideal regression values (R = 0.9999 for training and R = 0.9997 for testing). This has significantly reduced prediction errors and provides a more accurate method of estimating forces and moments in the machining process.
Therefore, this study demonstrates the importance of using advanced modeling methods, such as neural networks, in optimizing cutting processes and improving the accuracy of forces and torsion moments predictions in the processing of complex materials.

Author Contributions

Conceptualization, R.S.C. and V.G.T.; methodology, R.S.C. and V.P.; software, N.B. and G.-A.M.; validation, V.G.T., N.B., and R.S.C.; formal analysis, N.B. and V.P.; investigation, V.G.T., V.P., and N.B.; resources, V.P. and R.S.C.; data curation, V.G.T.; writing—original draft preparation, V.G.T.; writing—review and editing, G.-A.M.; visualization, N.B.; supervision, V.P.; project administration, N.B.; funding acquisition, G.-A.M. All authors have read and agreed to the published version of the manuscript.

Funding

This research received no external funding.

Data Availability Statement

Data are contained within the article.

Acknowledgments

The experimental work was carried out in the Laboratory of CNC Machining and Laboratory of Numerical Modeling and Simulation within the Department of Manufacturing Engineering, Faculty of Engineering.

Conflicts of Interest

The authors declare no conflicts of interest.

References

  1. Grossi, N.; Morelli, L.; Scippa, A.; Campatelli, G. A frequency-based analysis of cutting force for depths of cut identification in peripheral end-milling. Mech. Syst. Signal Process. 2022, 171, 108943. [Google Scholar] [CrossRef]
  2. Huh, K.; Lee, K.K. Cutting force estimation systems based on AC spindle drive. JSME Int. J. 2000, 43, 230–236. [Google Scholar] [CrossRef]
  3. Kao, Y.C.; Nguyen, N.T.; Chen, M.S.; Huang, S.C. A combination method of the theory and experiment in determination of cutting force coefficients in ball-end mill processes. J. Comput. Des. Eng. 2015, 2, 233–247. [Google Scholar] [CrossRef]
  4. Krupa, V.; Kobelnyk, V.; Hahaliuk, A.; Dzyura, V.; Tymoshenko, N. Improved method for determining the feed influence on the tangential cutting force during re-drilling, countersinking and boring based on the small sample theory. Period. Polytech. Mech. Eng. 2024, 68, 172–180. [Google Scholar] [CrossRef]
  5. Matsumura, T.; Tamura, S. Cutting force model in milling with cutter runout. Procedia CIRP 2017, 58, 566–571. [Google Scholar] [CrossRef]
  6. Pham, T.H.; Mac, T.B.; Tong, V.C.; Banh, T.L.; Nguyen, D.T. A study on the cutting force and chip shrinkage coefficient in high-speed milling of A6061 aluminium alloy. Int. J. Adv. Manuf. Technol. 2018, 98, 177–188. [Google Scholar]
  7. Wang, M.; Gao, L.; Zheng, Y. An examination of the fundamental mechanics of cutting force coefficients. Int. J. Mach. Tools Manuf. 2013, 78, 1–7. [Google Scholar] [CrossRef]
  8. Xiao, J.; Gao, N.; Wang, G.; Huang, P.; He, J. Force coefficient characterization in machining of UD-CFRP using numerical-analytical approach. Polym. Polym. Compos. 2024, 32, 09673911241248420. [Google Scholar] [CrossRef]
  9. Yu, G.; Wang, L.; Wu, J. Prediction of chatter considering the effect of axial cutting depth on cutting force coefficients in end milling. Int. J. Adv. Manuf. Technol. 2018, 96, 3345–3354. [Google Scholar] [CrossRef]
  10. Zhou, J.; Ren, J. Predicting cutting force with unequal division parallel-sided shear zone model for ortogonal cutting. Int. J. Adv. Manuf. Technol. 2020, 107, 4201–4211. [Google Scholar] [CrossRef]
  11. Senthil, B.S.; Dhanasekaran, C. Comparative analysis of thrust force, roughness and roundness error in drilling of aluminium composites using RSM, ANN and fuzzy logic. Mat. Today Proc. 2022, 69, 908–917. [Google Scholar]
  12. Aamir, M.; Sharif, A.; Zahir, M.Z.; Giasin, K.; Tolouei-Rad, M. Experimental assessment of hole quality and tool condition in the machining of an aerospace alloy. Machines 2023, 11, 726. [Google Scholar] [CrossRef]
  13. Uddin, M.; Basak, A.; Pramanik, A.; Singh, S.; Krolczyk, G.M.; Prakash, C. Evaluating hole quality in drilling of Al 6061 Alloys. Materials 2018, 11, 2443. [Google Scholar] [CrossRef]
  14. Luo, H.; Fu, J.; Wu, T.; Chen, N.; Li, H. Numerical simulation and experimental study on the drilling process of 7075-t6 aerospace aluminum alloy. Materials 2021, 14, 553. [Google Scholar] [CrossRef] [PubMed]
  15. Bronis, M.; Miko, E.; Nozdrzykowski, K. Drilling strategies to improve the geometrical and dimensional accuracy of deep through holes made in PA6 Alloy. Materials 2023, 16, 110. [Google Scholar] [CrossRef] [PubMed]
  16. Żyłka, Ł.; Flejszar, R.; Lajmert, P. Influence of cutting-edge microgeometry on cutting forces in high-speed milling of 7075 aluminum alloy. Materials 2023, 16, 3859. [Google Scholar] [CrossRef] [PubMed]
  17. Habib, N.; Sharif, A.; Hussain, A.; Aamir, M.; Giasin, K.; Pimenov, D.Y.; Ali, U. Analysis of hole quality and chips formation in the dry drilling process of Al7075-T6. Metals 2021, 11, 891. [Google Scholar] [CrossRef]
  18. Tzotzis, A.; Antoniadis, A.; Kyratsis, P. Multivariate modelling of AA6082-T6 drilling performance using RSM, ANN and response optimization. Int. J. Lightweight Mater. Manuf. 2024, 7, 531–545. [Google Scholar] [CrossRef]
  19. Pramanik, A.; Basak, A.K. Effects of input parameters on the hole quality during the drilling of Al metal matrix composites. Designs 2024, 8, 111. [Google Scholar] [CrossRef]
  20. Galal, A.M.; Elsherbiny, A.A.; AbouEleaz, M.A. A study of drilling parameter optimization of functionally graded material steel–aluminum alloy using 3D finite element analysis. J. Manuf. Mater. Process. 2024, 8, 155. [Google Scholar] [CrossRef]
  21. Matlab. Available online: https://www.mathworks.com/products/matlab.html (accessed on 23 October 2024).
  22. Brožek, M.; Chotěborský, R.; Müller, M.; Hrabě, P. Optimization of cutting conditions at drilling. In Proceedings of the International Conference on Economic Engineering and Manufacturing Systems, San Francisco, CA, USA, 24–26 October 2007; Volume 8, pp. 225–228. [Google Scholar]
  23. Yang, J.A.; Jaganathan, V.; Du, R. A new dynamic model for drilling and reaming processes. Int. J. Mach. Tools Manuf. 2002, 42, 299–311. [Google Scholar] [CrossRef]
  24. Astakhov, V.P. Geometry of Single-Point Turning Tools and Drills: Fundamentals and Practical Application; Springer-Verlag Limited: London, UK, 2010; p. 214. ISBN 978-1-84946-052-6. [Google Scholar]
  25. Baroiu, N.; Beznea, E.F.; Susac, F.; Rosculet, R.T. Neural networks applied to prediction of axial force at helical drill machining. TEHNOMUS J.-New Technol. Prod. Mach. Manuf. Technol. 2017, 46, 22–29. [Google Scholar]
  26. Hamade, R.F.; Seif, C.Y.; Ismail, F. Extracting cutting force coefficients from drilling experiments. Int. J. Mach. Tools Manuf. 2006, 46, 387–396. [Google Scholar] [CrossRef]
  27. Baroiu, N.; Morosanu, G.A.; Teodor, V.G.; Nedelcu, D.; Tabacaru, V. Prediction of surface roughness in drilling of polymers using a geometrical model and artificial neural networks. Mat. Plast. 2020, 57, 160–173. [Google Scholar] [CrossRef]
  28. Bakkal, M.; Shih, A.; Scattergood, R. Chip formation, cutting forces, and tool wear in turning of Zr-based bulk metallic glass. Int. J. Mach. Tools Manuf. 2004, 44, 915–925. [Google Scholar] [CrossRef]
  29. Bakkal, M.; Shih, A.; McSpadden, S.; Scattergood, R. Thrust force, torque, and tool wear in drilling the bulk metallic glass. Int. J. Mach. Tools Manuf. 2005, 45, 863–872. [Google Scholar] [CrossRef]
  30. Baroiu, N. Hyperboloidal Sharpening of the Drills with Three Curved Cutting Edges; Lambert Academic Publishing: London, UK, 2022; ISBN 978-620-5-48960-4. [Google Scholar]
  31. Biruk-Urban, K.; Bere, P.; Józwik, J.; Leleń, M. Experimental study and artificial neural network simulation of cutting forces and delamination analysis in GFRP drilling. Materials 2022, 15, 8597. [Google Scholar] [CrossRef]
  32. Yalçın, B.; Yüksel, A.; Aslantaş, K.; Der, O.; Ercetin, A. Optimization of micro-drilling of laminated aluminum composite panel (Al–PE) using Taguchi orthogonal array design. Materials 2023, 16, 4528. [Google Scholar] [CrossRef] [PubMed]
  33. Li, Q.; Zhang, X.; Wang, L.; Qiao, J. The effect of extrusion and heat treatment on the microstructure and tensile properties of 2024 aluminum alloy. Materials 2022, 15, 7566. [Google Scholar] [CrossRef]
  34. Gao, H.; Wang, Y.; Ye, J.; Li, L.; Du, B.; Li, S.; Li, M. Study of tensile strength of aluminum alloy caused by pulsed laser drilling. Metals 2022, 12, 2049. [Google Scholar] [CrossRef]
  35. Xia, R.S.; Mahdavian, S.M. Experimental studies of step drills and establishment of empirical equations for the drilling process. Int. J. Mach. Tools Manuf. 2004, 45, 235–240. [Google Scholar] [CrossRef]
Figure 1. Fixing the duralumin sample: on the numerical control machine (a) and on the measuring device (b): 1—drill; 2—sample; 3—Kistler device; 4—probe.
Figure 1. Fixing the duralumin sample: on the numerical control machine (a) and on the measuring device (b): 1—drill; 2—sample; 3—Kistler device; 4—probe.
Machines 12 00937 g001
Figure 2. Graphical representation of data: (a) measured; (b) selected for the analysis.
Figure 2. Graphical representation of data: (a) measured; (b) selected for the analysis.
Machines 12 00937 g002
Figure 3. Frequency distribution of measured data values (in domain selected for analysis).
Figure 3. Frequency distribution of measured data values (in domain selected for analysis).
Machines 12 00937 g003
Figure 4. The used sample. (a) picture, (b) drawing.
Figure 4. The used sample. (a) picture, (b) drawing.
Machines 12 00937 g004
Figure 5. Force distribution in a helical drill.
Figure 5. Force distribution in a helical drill.
Machines 12 00937 g005
Figure 6. The components of the cutting forces and the analogy between the turning process and the drilling process [25].
Figure 6. The components of the cutting forces and the analogy between the turning process and the drilling process [25].
Machines 12 00937 g006
Figure 7. Representation of the used neural network.
Figure 7. Representation of the used neural network.
Machines 12 00937 g007
Figure 8. Error histogram.
Figure 8. Error histogram.
Machines 12 00937 g008
Figure 9. Representation of the regression for the data sets: (a) training; (b) testing.
Figure 9. Representation of the regression for the data sets: (a) training; (b) testing.
Machines 12 00937 g009
Figure 10. Error histogram at network query.
Figure 10. Error histogram at network query.
Machines 12 00937 g010
Figure 11. Regression function when querying the network.
Figure 11. Regression function when querying the network.
Machines 12 00937 g011
Figure 12. The variation of the axial force depending on the value of the feed, f [mm/rot.] and the depth of cut, a [mm].
Figure 12. The variation of the axial force depending on the value of the feed, f [mm/rot.] and the depth of cut, a [mm].
Machines 12 00937 g012
Figure 13. Variation of the torsion moment as a function of feed value, f [mm/rot.], depth of cut, a [mm] and cutting speed, v [m/min.].
Figure 13. Variation of the torsion moment as a function of feed value, f [mm/rot.], depth of cut, a [mm] and cutting speed, v [m/min.].
Machines 12 00937 g013
Table 1. Chemical composition of the duralumin 2024-T351.
Table 1. Chemical composition of the duralumin 2024-T351.
Si ≤
[%]
Fe ≤
[%]
Cu
[%]
Mn
[%]
Mg
[%]
Cr
[%]
Zn ≤
[%]
Ti
[%]
Others Elem. ≤ [%]Al
0.500.503.8 ÷ 4.90.3 ÷ 0.91.2 ÷ 1.80.10.250.150.05Remainder
Table 2. The parameters of the cutting regime.
Table 2. The parameters of the cutting regime.
Setup Numbera [mm]f [mm/rot.]v [m/min.]
150.1050
250.1060
350.1070
450.2550
550.2560
6502570
750.4050
850.4060
950.4070
1040.1050
1140.1060
1240.1070
1340.2550
1440.2560
15402570
1640.4050
1740.4060
1840.4070
1930.1050
2030.1060
2130.1070
2230.2550
2330.2560
24302570
2530.4050
2630.4060
2730.4070
Table 3. The structure of the experimentation program.
Table 3. The structure of the experimentation program.
No.a [mm]f [mm/rot.]vc [m/min.]FZ [N]MZ [N·m]
130.150180.470.71
230.2550436.21.18
330.450690.351.86
430.160187.510.58
530.2560444.281.2
630.460704.861.85
730.170191.190.6
830.2570462.281.27
930.470700.691.88
1040.150404.731.44
1140.2550819.252.42
1240.4501235.763.86
1340.160419.721.22
1440.2560849.162.43
1540.4601236.583.62
1640.170423.931.23
1740.2570851.752.56
1840.4701227.13.66
1950.150349.671.85
2050.2550688.923.25
2150.4501064.774.97
2250.160349.91.54
2350.2560717.743.76
2450.4601073.975.01
2550.170352.241.61
2650.2570735.423.32
2750.4701090.485.87
Table 4. The optimal level of the parameters for the average values of the Fz force [N].
Table 4. The optimal level of the parameters for the average values of the Fz force [N].
Levela [mm]f [mm/rot.]vc [m/min.]
1444.20317.71652.23
2829.78667.22664.86
3713.681002.73670.56
Delta385.57685.0218.33
Rank213
Table 5. The optimal level of the parameters for the average values of the Mz [N·m].
Table 5. The optimal level of the parameters for the average values of the Mz [N·m].
Levela [mm]f [mm/rot.]vc [m/min.]
11.241.202.39
22.492.382.36
33.463.622.44
Delta1.262.420.09
Rank213
Table 6. The influence of the cutting regime parameters on the average values of Fz [N].
Table 6. The influence of the cutting regime parameters on the average values of Fz [N].
SourceSum. Sq.d. f.Mean. sq.FP > F
s2.11 × 10621.05 × 106281.810
a7.04 × 10523.52 × 10593.980
v1.58 × 1032791.80.210.81
Error7.49 × 104203.74 × 103
Total2.89 × 10626
Table 7. The influence of the cutting regime parameters on the average values of Mz [N·m].
Table 7. The influence of the cutting regime parameters on the average values of Mz [N·m].
SourceSum. Sq.d. f.Mean. sq.FP > F
s26.38213.1952.360
a22.46211.2344.570
v0.0320.020.070.93
Error5.04200.25
Total53.9126
Table 8. The values of the coefficients of the used analytical models.
Table 8. The values of the coefficients of the used analytical models.
Analytical Equation of the
Force Model
CFxFyFzFnF
F z 1 = C F f d 1 y F z 2 sin y F κ D 261.1-0.175--
F z 2 = C F D z F f y F ( H B ) n F 25.75-0.5590.8240.687
F z 3 = C F f y F v x F D z F 1.1671.5720.8460.676-
Analytical Equation of the
Moment Model
CMxMyMzMnF
M z 1 = C M f d 1 y M z 8 sin y M κ D 2 0.461-0.149--
M z 2 = C M D z M f y M ( H B ) n M 0.015-0.0590.2971.234
M z 3 = C M f y M v x M D z M 0.5601.6720.7970.810-
Table 9. Measured, calculated values, and relative errors.
Table 9. Measured, calculated values, and relative errors.
Case 1Fz [N]Err [%]Mt [N·m]Err [%]
Measured444.28-1.198-
Model 1512.30−15.311.30−8.70
Model 21392.72−213.486.70−263.44
Model 3756.21−70.211.50−25.14
Case 2Fz [N]Err [%]Mt [N·m]Err [%]
Measured349.67-1.854-
Model 1401.11−14.711.66−10.56
Model 21270.84−459.377.39−298.57
Model 3369.28−5.611.6312.16
Table 10. Measured, predicted values, and the relative errors.
Table 10. Measured, predicted values, and the relative errors.
SizeMeasuredPredictedRelative Error [%]
FZ1 [N]444.28487.52−9.73
FZ2 [N]349.67333.903.07
Mt1 [N·m]1.1981.200−0.16
Mt2 [N·m]1.8541.7694.59
Disclaimer/Publisher’s Note: The statements, opinions and data contained in all publications are solely those of the individual author(s) and contributor(s) and not of MDPI and/or the editor(s). MDPI and/or the editor(s) disclaim responsibility for any injury to people or property resulting from any ideas, methods, instructions or products referred to in the content.

Share and Cite

MDPI and ACS Style

Crăciun, R.S.; Teodor, V.G.; Baroiu, N.; Păunoiu, V.; Moroșanu, G.-A. Study of Cutting Forces in Drilling of Aluminum Alloy 2024-T351. Machines 2024, 12, 937. https://doi.org/10.3390/machines12120937

AMA Style

Crăciun RS, Teodor VG, Baroiu N, Păunoiu V, Moroșanu G-A. Study of Cutting Forces in Drilling of Aluminum Alloy 2024-T351. Machines. 2024; 12(12):937. https://doi.org/10.3390/machines12120937

Chicago/Turabian Style

Crăciun, Răzvan Sebastian, Virgil Gabriel Teodor, Nicușor Baroiu, Viorel Păunoiu, and Georgiana-Alexandra Moroșanu. 2024. "Study of Cutting Forces in Drilling of Aluminum Alloy 2024-T351" Machines 12, no. 12: 937. https://doi.org/10.3390/machines12120937

APA Style

Crăciun, R. S., Teodor, V. G., Baroiu, N., Păunoiu, V., & Moroșanu, G.-A. (2024). Study of Cutting Forces in Drilling of Aluminum Alloy 2024-T351. Machines, 12(12), 937. https://doi.org/10.3390/machines12120937

Note that from the first issue of 2016, this journal uses article numbers instead of page numbers. See further details here.

Article Metrics

Back to TopTop