Next Article in Journal
Electromagnetic Characteristics of Dual-Air-Gap Surface Permanent Magnet Synchronous Motor
Previous Article in Journal
Experimental and Stochastic Application of an Elastic Foundation in Loose Material Transport via a Sandwich Belt Conveyor—Part 2
 
 
Font Type:
Arial Georgia Verdana
Font Size:
Aa Aa Aa
Line Spacing:
Column Width:
Background:
Article

Application of the Taguchi Method and Grey Relational Analysis for Multi-Objective Optimization of a Two-Stage Bevel Helical Gearbox

1
Faculty of Mechanical Engineering, Vinh Long University of Technology Education, 73 Nguyen Hue Street, Ward 2, Vinh Long City 85110, Vietnam
2
Faculty of Mechanical Engineering, Thai Nguyen University of Technology, 3/2 Street, Tich Luong Ward, Thai Nguyen City 24132, Vietnam
3
Faculty of Mechanical Engineering, University of Economics—Technology for Industries, 456 Minh Khai Street, Vinh Tuy Ward, Ha Noi 11622, Vietnam
*
Author to whom correspondence should be addressed.
Machines 2023, 11(7), 716; https://doi.org/10.3390/machines11070716
Submission received: 31 May 2023 / Revised: 19 June 2023 / Accepted: 1 July 2023 / Published: 5 July 2023
(This article belongs to the Section Machine Design and Theory)

Abstract

:
This paper introduces a novel approach to deal with the multi-objective optimization of a two-stage bevel helical gearbox by applying the Taguchi method and Grey Relation Analysis (GRA). The goal of the study is to find optimal main design factors that minimize the gearbox volume and maximize the gearbox efficiency. To accomplish this, five main design parameters were selected: the coefficients of wheel face width (CWFW) of the bevel and the helical gear sets, the allowable contact stresses (ACS) of the first and the second stages, and the gear ratio of the first stage. Furthermore, two single targets were investigated: minimum gearbox volumes, and maximum gearbox efficiency. Also, the multi-objective optimization problem is solved through two steps: Step 1 for closing the gap between variable levels and Step 2 for determining the optimal main design factors. The study’s findings were used to introduce the optimum values of five major design parameters for designing a two-stage helical gearbox.

1. Introduction

Bevel gearboxes are an essential component of vehicle and machine transmission systems. They are used to change the direction of motion (transmit motion to a perpendicular axis) as well as to reduce speed and increase torque from the motor to the working machine. For that reason, the optimal design of a bevel gearbox is a matter of interest to many scientists.
Until now, there have been several studies on the optimization of bevel gearboxes. J. Astol et al. [1] proposed a simulation model to reduce the transmission error of spiral bevel gears. Z. Zhang et al. [2] introduced optimal design parameters for a three-stage bevel helical gearbox to obtain a minimal gearbox volume. Optimal partial gear ratios were found for bevel helical gearboxes by different methods. F. Mendi et al. [3] have determined the optimal parameters of bevel gearboxes such as the module, shaft diameter and bearings, by using a genetic algorithm (GA). P. Eremeev et al. [4] introduced a work on both single- and multi-objective optimization of a bevel helical gearbox. In this study, three single targets including the total mass, the assemblability and the performance were investigated. Moreover, the multi-objective optimization problem was conducted with two single objectives: the performance and assemblability. The optimization problem to determine optimal partial gear ratios for bevel gearboxes has been conducted by many scientists. Kudreavtev V.N. et al. [5] and T. Chat and L. V. Uyen [6] introduced the graph method for finding the gear ratio of the bevel gear set. Milou et al. [7] proposed a practical method in which the optimal partial gear ratios can be determined from practical data. The most useful method for determination of optimal gear ratios is the model method. This method was applied in many studies to find directly optimal gear ratios for different single targets, such as the minimal mass of gearbox [8], minimal gearbox volume [9], minimal gearbox length [10], minimal gearbox cross section area [11,12], minimal gearbox size [13] and minimal gearbox cost [14].
Single-objective optimization, which is an absolute optimization, determines the best or optimal level of the selected criterion. A multi-objective optimization problem has two or more simple objectives. As a consequence, the optimal solution to the multi-objective optimization problem cannot satisfy all criteria simultaneously. For example, it is not possible to meet the gearbox’s efficiency and cost demands. In simple terms, it is impossible to find a solution to a problem that is both “white” and “black”; only a “gray” solution can be found. The gray solution is the solution that comes in between the best and worst solutions, or “white” and “black” in the multi-objective optimization problem [15]. As a consequence, it is known as GRA optimization. To solve the single-objective problem, the original Taguchi method is used, and the Taguchi method and GRA are necessary to solve the multi-objective optimization problem.
According to the results of the preceding analysis, there have been numerous studies on the optimization of bevel helical gearboxes. The majority of these studies, however, are single-objective optimization. Furthermore, several methods for solving multi-objective optimization problems, such as the Pareto optimization method [4] and the discrete version of the Non-Dominated Sorting Genetical Algorithm II (NSGA-II) [7,16,17], have been used. However, no studies have been carried out to date that use the Taguchi method and GRA for multi-objective optimization of a gearbox. Furthermore, determining the optimal main design factors for these types of gearboxes has received insufficient attention. Additionally, previous research on multi-objective optimization for bevel helical gearboxes has failed to demonstrate a link between optimal input factors and total gearbox ratio. This is an important consideration when designing a new gearbox.
In this paper, we present a multi-objective optimization study for a two-stage bevel helical gearbox, with two single objectives in mind: maximizing gearbox efficiency and minimizing gearbox volume. The proposal of five optimal main design factors for the two-stage bevel helical gearbox is a key indication of this research. When the total gearbox ratio is known, these design factors are the key variables to consider when designing a two-stage helical gearbox. The CWFW and the ACS for both stages, and the gear ratio of the bevel gear set are among these elements. Furthermore, a novel approach to addressing the multi-objective optimization problem in gearbox design by combining the Taguchi method and the GRA in a previously unseen two-stage process to solve the problem was proposed. A relationship between optimal input factors and total gearbox ratio was also suggested.

2. Optimization Problem

2.1. Determination of Gearbox Volume

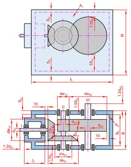
The calculation scheme for a two-stage bevel helical gearbox is shown in Figure 1. For purposes of simplicity, consider the gearbox to be a rectangular box with the dimensions L, H and B. The gearbox volume (m3) V g h is determined by (Figure 1):
V g b = L · B · H
in which L, H, B are the length, height and width of the gearbox which can be calculated by:
L = 2 · l 0 / 3 + d e 21 / 2 + d w 12 / 2 + d w 22 + 2 · k
H = m a x   ( d e 21 ; d w 22 ) + 8.5 · S G
B = b · c o s δ 2 + b w + 4 · S G
where
(+) k = 8 12 (mm) [6] (mm); S G is a design parameter which can be determined by [18]:
S G = 0.005 · L + 4.5
Figure 1. Calculated schema.
Figure 1. Calculated schema.
Machines 11 00716 g001
In (2), δ 2 is gear pitch cone angle; t a n g δ 2 = u 1 . l 0 = 3 · d s 1 is the first shaft diameter which is found by [6]:
d s 1 = [ T 11 / ( 0.2 · τ ) ] 1 / 3
(+) d e 21 is the outer pitch diameter of the bevel gear (mm) which is found by [6]:
d e 21 = 2 · u 1 · R e / 1 + u 1 2 1 / 2
in which R e is the cone distance (mm) which can be calculated by [6]:
R e = k R · u 1 2 + 1 · T 11 · k h β 1 / 1 k b e · k b e · u 1 · σ H 2 3
where k R is coefficient; k R = 50 (MPa) [6]; k H β is the contacting load ratio for pitting resistance; k H β = 1.04 1.18 [6] and it can choose as k H β = 1.11 ; k b e = b R e = 0.25 0.3 is the coefficient of face width and it was chosen as k b e = 0.27 ; T 11 is the torque on pinion of the first stage (N.mm); d e 11 and d e 21 are the outer pitch diameters of the pinion and the gear:
(+) d w 11 and d w 21 are the pitch diameters of pinion and gear of the second stage which can be determined by [6]:
d w 12 = 2 · a w / ( u 1 + 1 )
d w 22 = 2 · a w · u i · / ( u i + 1 )
wherein a w is the centre distance of the second stage which can be determined by [2]:
a w = k a · ( u 2 + 1 ) · T 12 · k H β / ( σ H 2 2 · u 2 · X b a ) 3
where T 12 is the torque on the pinion of the second stage (N.mm); X b a = 0.25 0.4 is the wheel face width coefficient of the helical gear stage.

2.2. Determination of Gearbox Efficiency

The gearbox efficiency can be calculated by:
η g b = 100 · P l P i n
in which P l is the total gearbox power loss [19]:
P l = P l g + P l b + P l s
wherein P l g is the gear power losses in all gears; P l b is the bearing power loss; and P l s is the seal power loss. These elements can be found as follows:
(+) The power losses in the gears:
P l g = i = 1 2 P l g i
where P l g i is the gear power losses of i stage which is found by:
P l g i = P g i · 1 η g i
in which η g i is the efficieny of the i stage of the gearbox which is calculated by [19]:
η g i = 1 1 + 1 / u i β a i + β r i · f i 2 · β a i 2 + β r i 2
where u i is the gear ratio of i stage; f is the friction coefficient; β a i and β r i are arc of approach and recess on i stage which are calculated by [20]:
(+) For the bevel gear stage:
β a i = R e 2 i 2 R 02 i 2 1 / 2 R 2 i · s i n α R 01 i
β r i = R e 1 i 2 R 01 i 2 1 / 2 R 1 i · s i n α R 01 i
in which Raev1 and Raev2 are outside radii of equivalent pinion and gear, respectively; Rv1 and Rv2 are pitch radii of equivalent pinion and gear, respectively; R0v1 and R0v2 are base radii of equivalent pinion and gear, respectively; α is pressure angle.
R v 1 = R 1 / c o s δ 1
R v 2 = R 2 / c o s δ 2
wherein R1 and R2 are pitch radii of bevel pinion and gear at large end, respectively; δ 1 and δ 2 are pitch angles of bevel pinion and gears, respectively.
R a e v 1 = R v 1 + a p
R a e v 2 = R v 2 + a g
(+) For the helical gear stage:
β a i = R e 2 i 2 R 02 i 2 1 / 2 R 2 i · s i n α R 01 i
β r i = R e 1 i 2 R 01 i 2 1 / 2 R 1 i · s i n α R 01 i
where R e 1 i and R e 2 i are outside radii of pinion and gear, respectively; R 1 i and R 2 i are pitch radii of pinion and gear, respectively; R 01 i and R 01 i are base-circle radii of pinion and gear, respectively; α is pressure angle.
From the data in [20], the following regression Equations were found to find the friction coefficient:
-
When the sliding velocity v ≤ 0.424 (m/s) (with R 2 = 0.9958 ):
f = 0.0877 · v + 0.0525
-
When the sliding velocity v > 0.424 (m/s) (with R 2 = 0.9796 ):
f = 0.0028 · v + 0.0104
(+) The bearing power losses [19]:
The power losses in rolling bearings is determined by:
P l b = i = 1 6 f b · F i · v i
n which f b is the friction coefficient of bearing; as the radical ball bearings with angular contact were used, f b = 0.0011 [19]; F is the bearing load (N); v is the peripheral speed; and i is the ordinal number of the bearing (i equals 1 to 6).
(+) The total seal power losses can be found by [19]:
P s = i = 1 2 P s i
where i is the ordinal number of seals (i = 1 − 2); P s i is the power loss caused by sealing for a single seal (w), which is determined by:
P s i = 7.69 · 10 6 · d s i 2 · n i
in which dsi and ni are the diameter and the shaft speed ith.

2.3. Objective Functions and Constraints

2.3.1. Objectives Functions

The multi-objective optimization problem in this study comprises two single objectives:
-
Minimizing the gearbox volume:
m i n f 1 X = V g b
-
Maximizing the gearbox efficiency:
m a x f 2 X = η g b
in which X is the design variable vector reflecting variables. In this work, five main design factors including u 1 , X b a 1 , X b a 2 , A S 1 , A S 2 were selected as variables and we have:
X = u 1 , k b e , X b a , A S 1 , A S 2

2.3.2. Constraints

The maximum gear ratio for a bevel gear set is 6 [6]. Furthermore, the CWFW of a bevel gear set ranges from 0.25 to 0.3, while that of a helical gear set ranges from 0.25 to 0.4 [6]. Furthermore, the gear materials used in this work are steel 40, 45, 40X, and 35XM refining, with surface teeth hardness of 350 HB (these are the most commonly used gear materials in gearboxes). The calculated results show that the allowable contact stresses for the first and second stages range from 350 to 420 (MPa). As a result, the following constraints were derived from these comments:
1 u 1 6   and   1 u 2 9
0.25 k b e 0.3   and   0.25 v 0.4
350 A S 1 420   and   350 A S 2 420

3. Methodology

As was mentioned in Section 2.3, the variables for the multi-objective optimization problem are five major design factors. Table 1 lists these factors as well as their minimum and maximum values. The most common input first pinion speed of 1480 (rpm) was chosen. Steel 40, 45, 40X and 35XM refining gear materials were used in this work, with teeth hardness on the surface of 350 HB (these are the most commonly used gear materials). Steel 45 was also chosen as the shaft material because it is a common shaft material. The Taguchi method and GRA are used in this study to deal with a multi-objective optimization problem with five variables. The greater the number of variable levels, the easier it is to determine the solution of the optimization problem. To maximize the number of levels per variable using the Taguchi method, the design L25 (55) was chosen (for the scenario with five variables). However, variable u1 has the widest distribution of the selected variables (u1 ranges from 1 to 6, as described in Section 2.3.2). As a consequence, even with five orders, the distance between each level of this variable remains quite considerable (in this case, the distance between the levels is ((6 − 1)/4 = 1.5). A multi-objective optimization problem overcoming procedure has been proposed to reduce this gap while also saving time and improving solution accuracy (Figure 2). This procedure is divided into two stages: the first stage solves a single-objective optimization problem to close the gap between variable orders, and the second solves an optimization problem with multiple objectives to identify optimal main design elements.

4. Single-Objective Optimization

The total gearbox ratio of a two-stage bevel helical gearbox can be calculated using u t = u 1 · u 2 . As a result, for a given total gearbox ratio (for example, ut = 20), only one optimal partial gear ratio (u1 or u2) must be determined. The bevel gear set’s gear ratio is chosen as a variable in this work, and the task of this problem is to find its optimal value for a given ut value. The direct search method is used to solve the single-objective optimization problem in this work. In addition, based on the objective functions (30) and (31) and the constraints (33)–(35), a computer program written in Matlab was created to solve two single-objective problems: minimizing gearbox volume and maximizing gearbox efficiency. Figure 3 depicts the relationship between the optimal gear ratio of the first stage u1 and the total gearbox ratio ut based on the outcomes of this program. Moreover, new constraints for the variable u1 have been identified as shown in Table 2.

5. Multi-Objective Optimization

The goal of this research’s multi-objective optimization problem is to determine the optimal main design parameters that satisfy two single-objective functions: minimizing gearbox volume and maximizing gearbox efficiency in the design of a two-stage helical gearbox with a specific total gearbox ratio. A simulation experiment was carried out to address this issue. The Taguchi method was used to design the experiment, and Minitab R18 software was used to analyze the results. Furthermore, as previously stated, the design L25 (55) was selected to obtain the highest levels of variable. To carry out these experiments, a computer program was created. An investigation was carried out to reduce programming complexity by defining the orthogonal matrix of the Taguchi simulation experiment at each specified total gearbox ratio. The total gearbox ratios studied were 10, 15, 20, 25, 30 and 35. A total of 25 simulation experiments were performed using a 5-level Taguchi design (L25) for each total gearbox ratio mentioned above. Table 3 describes the main design factors and their levels, while Table 4 shows the experimental plan and the corresponding output findings, which include gearbox volume and efficiency for a total gearbox ratio of 20.
In this work, the Taguchi and GRA methods are used to solve the multi-optimization optimization problem. The following are the primary stages in the procedure:
(+) Finding the signal-to-noise ratio (S/N) using the following Equations, with the goal of reducing gearbox volume and enhancing gearbox efficiency:
-
To reduce the gearbox volume, the-smaller-is-the-better S/N:
S N = 10 l o g 10 ( 1 m i = 1 m y i 2 )
-
To increase the gearbox efficiency, the-larger-is-the-better S/N:
S N = 10 l o g 10 ( 1 m i = 1 m 1 y i 2 )
In which yi is the outcome response value, and m is the number of experimental repetitions; in this case, m = 1 because the experiment is a simulation, and no repetition is required.
Table 5 displays the calculated S/N for the two mentioned targets of output.
In reality, the data of the two single objective functions under consideration have different dimensions. To guarantee that they are comparable, the data need to be normalized, or brought to a standardized scale. The data are normalized using the normalization value Zij, which ranges from 0 to 1. The following formula is used to calculate this value:
Z i = S N i m i n ( S N i , = 1 , 2 , n ) max S N i , j = 1 , 2 , n m i n ( S N i , = 1 , 2 , n )
where n = 25 is the experimental number.
(+) Determining the grey relational coefficient:
The grey relational coefficient can be found by the following Equation:
y i k = m i n + ζ . Δ m a x ( k ) Δ i k + ζ . Δ m a x ( k )
with i = 1 , 2 , , n .
In (37), k = 2 is the objective number; Δ j ( k ) is the absolute value; Δ j ( k ) = Z 0 k Z j ( k ) , where Z0(k) and Zj(k) are the reference and the specific comparison sequences, respectively; m i n and m a x are the min and max values of Δi(k); ζ is the characteristic coefficient, 0 ≤ ζ ≤ 1; in this work ζ = 0.5.
(+) Determining the mean of the grey relational coefficient:
The mean of the grey relation coefficients associated with the output objectives is used to calculate the degree of grey relation.
y i ¯ = 1 k j = 0 k y i j ( k )
in which yij is the grey relation value of the jth output targets in the ith experiment.
Table 6 shows the calculated grey relation value (yi) and average grey relation value of all tests.
A higher average grey relation value is preferable to ensure harmony among the output parameters. As a consequence, the multi-objective problem’s objective function is able to be transformed into a single-objective optimization problem, with the mean grey relation value as the outcomes.
The ANOVA method was used to examine the impact of the main design variables on the average grey relation value ( y ¯ ), and the results are shown in Table 7. According to the results in Table 7, AS1 has the greatest influence on y (34.64%), followed by kbe (24.33%), u1 (15.54%), AS2 (9.11%) and Xba (3.27%). Table 8 describes the order of influence of main design factors on y using ANOVA analysis.
(+) Finding optimal main design factors:
The rational (or optimal) parameter set would theoretically be the set of main design factors with the highest S/N values. As a result, the effect of the main design elements on the S/N ratio was determined (Figure 4). The optimal levels and values of the main design factors for the multi-objective function were also described in Figure 4 (the red dogts) and Table 9.
(+) Evaluation of experimental model:
The Anderson–Darling method is used to assess the satisfactory of the proposed model, and its findings are shown in Figure 5. The data points corresponding to the experimental observations (represented by blue dots) fall within the region bounded by upper and lower limits with a 95% standard deviation, displayed in the graph. Furthermore, the p-value of 0.129 exceeds the significance level of = 0.05 significantly. These findings suggest that the proposed model is appropriate for designing a two-stage bevel helical gearbox.
Maintaining from the previous discussion, Table 10 shows the optimal values for the main design factors corresponding to the remaining ut values of 10, 20, 25, 30, and 35.
Based on the data in Table 10, the following conclusions are given:
The best values for Xba are the largest (0.4). This can be explained as follows: Because of the slow speed of the helical stage, the torque on the pinion is large. As a result, in order to reduce dw22 (Formula (11)), the coefficient Xba must be maximized (line 119). In contrast to Xba, the values of Kbe are at their lowest. Because the bevel stage is high speed, the torque on the pinion is small, and thus de21 is small. The cross-section of the gearbox must be small in order to have a small volume. As a result, the diameters de21 and dw22 should be the same [21]. So Kbe is set to the smallest possible value of 0.25 (line 109) in order to increase Re (Formula (8)) and thus increase de21 (Formula (7)). Similarly, the optimal values for AS1 are the lowest values, and the optimal values for AS2 are the highest values. It is also explained as above: to reduce the size of dw22 and increase dbe21 while keeping them roughly equal to achieve minimal gearbox volume, AS2 must take the maximum value and AS1 must take the minimum value.
Figure 6 shows a clear first-order relationship between the optimal values of u1 and ut. In addition, the following regression equation (with R2 = 0.9923) was discovered to find the optimal values of u1 when ut ≤ 25:
u 1 = 0.2445 · u t 0.0975
Following the discovery of u 1 , the optimum value of u 2 is easily determined by u 2 = u t / u 1 .

6. Conclusions

In this paper, the Taguchi method and the GRA are used to solve the multi-objective optimization problem of designing a two-stage bevel helical gearbox. This study’s goal is to identify the best main design factors for maximizing gearbox efficiency while minimizing gearbox volume. Five major design factors were chosen to accomplish this: the CWFW for the bevel and helical gear sets, the ACS for the first and second stages, and the first-stage gear ratio. Furthermore, the multi-objective optimization problem is solved in two steps. The first phase is concerned with resolving the single-objective optimization problem of closing the gap between variable levels, while the second phase is concerned with determining the best main design factors. As a result of this work, the following conclusions were proposed:
-
By combining the Taguchi method and the GRA in a two-stage process, a novel approach to dealing with the multi-objective optimization problem in gear-box design was presented. As a result of this approach, the distance between the values of the lower and upper bounds of the constants of u1 is reduced, making it easier to determine optimal values.
-
Solving the single-objective optimization problem bridges the gap between variable levels, making it easier to solve the multi-objective optimization problem. The proposed solution to the single-objective optimization problem bridges the gap between variable levels, establishing the multi-objective optimization problem solution easier.
-
The study’s findings suggested optimal values for the five main design factors in the design of a two-stage bevel helical gear gearbox (Equation (39) and Table 10).
-
The ANOVA method was used to examine the effect of the main design parameters on y ¯ . AS1 has the greatest influence on y ¯ (34.64%), followed by kbe (24.33%), u1 (15.54%), AS2 (9.11%), and Xba (3.27%), according to the findings.
-
The proposed u1 model has a high level of consistency with experimental data, validating its reliability. This model can be used effectively for multi-objective optimization of a two-stage bevel helical gearbox, which is a useful application.

Author Contributions

N.-P.V. proposed the original idea, which was discussed by every author. H.-D.T., X.-T.H. and Q.-H.T. worked on optimizing the problem. N.-P.V. wrote the manuscript with assistance from X.-H.L. and T.-T.-N.N. Furthermore, all authors contributed to the simulation design, experimental figure analysis, and experimental result interpretation. Finally, N.-P.V. took over as project manager and revised the paper. All authors have read and agreed to the published version of the manuscript.

Funding

This research received no external funding.

Acknowledgments

The authors wish to express their gratitude to Thai Nguyen University of Technology for helping with this project.

Conflicts of Interest

The authors declare no conflict of interest.

References

  1. Astoul, J.; Mermoz, E.; Sartor, M.; Linares, J.M.; Bernard, A. New methodology to reduce the transmission error of the spiral bevel gears. CIRP Ann. 2014, 63, 165–168. [Google Scholar] [CrossRef]
  2. Zhang, Z.; Chen, D.; Bai, Y.; Yang, Z.; Feng, M. The Optimization Design of Triple Gear-Box Assembeled with Spiral-Bevel and Helical-Spur Gears. In Proceedings of the 2009 IEEE 10th International Conference on Computer-Aided Industrial Design & Conceptual Design, Wenzhou, China, 26–29 November 2009. [Google Scholar]
  3. Mendi, F.; Baskal, T.; Külekci, M.K. Application of genetic algorithm (GA) for optimum design of module, shaft diameter and bearing for bevel gearbox. Mater. Test. 2012, 54, 431–436. [Google Scholar] [CrossRef]
  4. Eremeev, P.; De Cock, A.; Devriendt, H.; Melckenbeeck, I.; Desmet, W. Single and multi-objective optimization of a gearbox considering dynamic performance and assemblability. Procedia CIRP 2022, 106, 76–83. [Google Scholar] [CrossRef]
  5. Kudreavtev, V.N.; Gierzaves, I.A.; Glukharev, E.G. Design and Calculus of Gearboxes; Mashinostroenie Publishing: Sankt Petersburg, Russia, 1971. (In Russian) [Google Scholar]
  6. Chat, T.; Van Uyen, L. Design and Calculation of Mechanical Transmissions Systems; Educational Republishing House: Hanoi, Vietnam, 2007; Volume 1. [Google Scholar]
  7. Milou, G.; Dobre, G.; Visa, F.; Vitila, H. Optimal design of two step gear units, regarding the main parameters. VDI Berichte 1996, 1230, 227. [Google Scholar]
  8. Tuyen, V.T.; Danh, B.T.; Thao, T.T.P.; Nga, N.T.T.; Giang, T.N.; Tu, N.T.; Pi, V.N. Optimization of transmission ratios for two-stage bevel helical gearboxes based on mass function. Int. J. Eng. Res. Technol. 2020, 13, 1692–1699. [Google Scholar]
  9. Danh, B.T.; Thao, T.T.P.; Thinh, T.N.H.; Quang, N.H.; Anh, L.H.; Tuan, T.K.; Giang, T.N. Determination of Optimum Gear Ratios of Two-Stage Bevel Helical Gearboxes for Getting Minimum Gearbox Volume. In Advances in Engineering Research and Application: Proceedings of the International Conference on Engineering Research and Applications, ICERA 2021; Springer: Cham, Switzerland, 2022. [Google Scholar]
  10. Hong, T. A study on calculation of optimum gear ratios for three stage bevel helical gearboxes. ARPN J. Eng. Appl. Sci. L 2019, 14, 2592–2598. [Google Scholar]
  11. Pi, V.N.; Thao TT, P.; Hong, T.T.; Tuan, N.K.; Hung, L.X.; Tung, L.A. Determination of optimum gear ratios of a three stage bevel helical gearbox. IOP Conf. Ser. Mater. Sci. Eng. 2019, 542, 012007. [Google Scholar] [CrossRef]
  12. Thao TT, P.; Hong, T.T.; Van Cuong, N.; Ky, L.H.; Tu, N.T.; Hung, L.X.; Vu, N.P. Determining optimum gear ratios of mechanical driven systems using three stage bevel helical gearbox and chain drive. In Advances in Engineering Research and Application: Proceedings of the International Conference on Engineering Research and Applications, ICERA 2019; Springer: Cham, Switzerland, 2020. [Google Scholar]
  13. Pi, V.N.; Cam, N.T.H.; Tuan, N.K. Optimum calculation of partial transmission ratios of mechanical driven systems using a V-belt and two-step bevel helical gearbox. J. Environ. Sci. Eng. A 2016, 5, 566. [Google Scholar]
  14. Quang, N.H.; Thao, T.T.P.; Hoang, T.Q.; Tuan, T.K.; Ngoc, N.D.; Tu, N.T.; Giang, T.N. Determination of Optimum Partial Gear Ratios for Three-Stage Bevel Helical Gearboxes for Cost Function. In Advances in Engineering Research and Application: Proceedings of the International Conference on Engineering Research and Applications, ICERA 2021; Springer: Cham, Switzerland, 2022. [Google Scholar]
  15. Van Khiem, T. Grey-based Taguchi method and its application in optimizing the cutting conditions. Vietnam. Mech. Eng. J. 2017, 4, 100–107. [Google Scholar]
  16. Patil, M.; Ramkumar, P.; Shankar, K. Multi-objective optimization of the two-stage helical gearbox with tribological constraints. Mech. Mach. Theory 2019, 138, 38–57. [Google Scholar] [CrossRef]
  17. Maputi, E.S.; Arora, R. Multi-objective optimization of a 2-stage spur gearbox using NSGA-II and decision-making methods. J. Braz. Soc. Mech. Sci. Eng. 2020, 42, 477. [Google Scholar] [CrossRef]
  18. Romhild, I.; Linke, H. Gezielte Auslegung Von Zahnradgetrieben mit minimaler Masse auf der Basis neuer Berechnungsverfahren. Konstruktion 1992, 44, 229–236. [Google Scholar]
  19. Jelaska, D.T. Gears and Gear Drives; John Wiley & Sons: Hoboken, NJ, USA, 2012. [Google Scholar]
  20. Buckingham, E. Analytical Mechanics of Gears; Courier Corporation: Chelmsford, MA, USA, 1988. [Google Scholar]
  21. Pi, V.N. A new and effective method for optimal calculation of total transmission ratio of two step bevel-helical gearboxes. In Proceedings of the International Colloquium on Mechannics of Solids, Fluids, Structures & Interaction, Nha Trang, Vietnam, 14–18 August 2000; pp. 716–719. [Google Scholar]
Figure 2. Multi-objective optimization procedure.
Figure 2. Multi-objective optimization procedure.
Machines 11 00716 g002
Figure 3. Optimal gear ratio of the first stage versus total gearbox ratio.
Figure 3. Optimal gear ratio of the first stage versus total gearbox ratio.
Machines 11 00716 g003
Figure 4. Influence of main design factors on S/N ratios of y ¯ .
Figure 4. Influence of main design factors on S/N ratios of y ¯ .
Machines 11 00716 g004
Figure 5. Probability plot of y ¯ .
Figure 5. Probability plot of y ¯ .
Machines 11 00716 g005
Figure 6. Optimal gear ratio of the bevel gear set versus total gearbox ratio.
Figure 6. Optimal gear ratio of the bevel gear set versus total gearbox ratio.
Machines 11 00716 g006
Table 1. Input factors and their ranges.
Table 1. Input factors and their ranges.
FactorNotationLower BoundUpper Bound
Gear ratio of first stageu116
CWFW of bevel gear setXba10.250.3
CWFW of helical gear setXba20.250.4
ACS of stage 1 (MPa) A S 1 350420
ACS of stage 2 (MPa) A S 2 350420
Table 2. New constraints of u1.
Table 2. New constraints of u1.
utu1
Lower BoundUpper Bound
10−2.243.39
152.244.44
202.245.53
252.776
303.326
353.886
Table 3. Main design factors and their levels for ut = 20.
Table 3. Main design factors and their levels for ut = 20.
FactorNotationLevel
12345
Gear ratio of first stageu12.243.0653.894.7155.53
CWFW of stage 1Xba10.250.26250.2750.28750.3
CWFW of stage 2Xba20.250.28750.3250.36250.4
ACS of stage 1 (MPa)AS1350368386404420
ACS of stage 2 (MPa)AS2350368386404420
Table 4. Experimental matrix and output responses for ut = 20.
Table 4. Experimental matrix and output responses for ut = 20.
Exp. No.Main Design Factors V g b (kg) η g b
(%)
u1kbaXbaAS1AS2
12.2400.25000.25003503504.96394.906
22.2400.26250.28753683684.45894.789
32.2400.27500.32503863864.05594.655
42.2400.28750.36254044043.72594.617
52.2400.30000.40004204203.46894.548
63.0650.25000.28753864043.60394.657
73.0650.26250.32504044203.32094.620
83.0650.27500.36254203503.85094.589
93.0650.28750.40003503683.63294.696
103.0650.30000.25003683863.98594.738
113.8900.25000.32504203683.51194.520
123.8900.26250.36253503863.32894.613
133.8900.27500.40003684043.08594.512
143.8900.28750.25003864203.39194.561
153.8900.30000.28754043503.86594.578
164.7150.25000.36253684202.93094.514
174.7150.26250.40003863503.36494.560
184.7150.27500.25004043683.65394.515
194.7150.28750.28754203863.32294.426
204.7150.30000.32503504043.16194.569
215.5300.25000.40004043863.12194.379
225.5300.26250.25004204043.20694.461
235.5300.27500.28753504203.35194.554
245.5300.28750.32503683503.50294.474
255.5300.30000.36253863683.31294.463
Table 5. Values of S/N of each run of experiment for ut = 20.
Table 5. Values of S/N of each run of experiment for ut = 20.
Exp. No.Main Design Factors V g b η g b
u1kbeXbaAS1AS2S/NS/N
12.34000.25000.25003503504.963−13.914994.90639.5459
22.34000.26250.28753683684.458−12.982894.78939.5352
32.34000.27500.32503863864.055−12.159894.65539.5229
42.34000.28750.36254044043.725−11.422594.61739.5194
52.34000.30000.40004204203.468−10.801694.54839.5130
63.13750.25000.28753864043.603−11.133394.65739.5231
73.13750.26250.32504044203.320−10.422894.62039.5197
83.13750.27500.36254203503.850−11.709294.58939.5168
93.13750.28750.40003503683.632−11.202994.69639.5266
103.13750.30000.25003683863.985−12.008694.73839.5305
113.93500.25000.32504203683.511−10.908694.52039.5105
123.93500.26250.36253503863.328−10.443794.61339.5190
133.93500.27500.40003684043.085−9.785194.51239.5097
143.93500.28750.25003864203.391−10.606694.56139.5142
153.93500.30000.28754043503.865−11.743094.57839.5158
164.73250.25000.36253684202.930−9.337494.51439.5099
174.73250.26250.40003863503.364−10.537194.56039.5141
184.73250.27500.25004043683.653−11.253094.51539.5100
194.73250.28750.28754203863.322−10.428094.42639.5018
204.73250.30000.32503504043.161−9.996594.56939.5150
215.53000.25000.40004043863.121−9.885994.37939.4975
225.53000.26250.25004204043.206−10.119394.46139.5051
235.53000.27500.28753504203.351−10.503594.55439.5136
245.53000.28750.32503683503.502−10.886394.47439.5062
255.53000.30000.36253863683.312−10.401894.46339.5052
Table 6. Values of Δ i k and y i ¯ .
Table 6. Values of Δ i k and y i ¯ .
Exp. NoS/NZiΔi (k)Grey Relation Value yi y i ¯
V g b η g b V g b η g b
Reference Value V g b η g b V g b η g b
1.0001.000
1−13.914939.54590.00001.00001.0000.0000.3331.0000.667
2−12.982839.53520.20360.77850.7960.2220.3860.6930.539
3−12.159839.52290.38340.52440.6170.4760.4480.5130.480
4−11.422539.51940.54450.45230.4560.5480.5230.4770.500
5−10.801639.51300.68010.32130.3200.6790.6100.4240.517
6−11.133339.52310.60770.52820.3920.4720.5600.5150.537
7−10.422839.51970.76290.45800.2370.5420.6780.4800.579
8−11.709239.51680.48180.39910.5180.6010.4910.4540.473
9−11.202939.52660.59250.60220.4080.3980.5510.5570.554
10−12.008639.53050.41650.68180.5840.3180.4610.6110.536
11−10.908639.51050.65670.26810.3430.7320.5930.4060.499
12−10.443739.51900.75830.44470.2420.5550.6740.4740.574
13−9.785139.50970.90220.25290.0980.7470.8360.4010.619
14−10.606639.51420.72270.34600.2770.6540.6430.4330.538
15−11.743039.51580.47450.37830.5260.6220.4880.4460.467
16−9.337439.50991.00000.25670.0000.7431.0000.4020.701
17−10.537139.51410.73790.34410.2620.6560.6560.4330.544
18−11.253039.51000.58150.25860.4180.7410.5440.4030.474
19−10.428039.50180.76170.08940.2380.9110.6770.3540.516
20−9.996539.51500.85600.36120.1440.6390.7760.4390.608
21−9.885939.49750.88020.00000.1201.0000.8070.3330.570
22−10.119339.50510.82920.15600.1710.8440.7450.3720.559
23−10.503539.51360.74520.33270.2550.6670.6620.4280.545
24−10.886339.50620.66160.18070.3380.8190.5960.3790.488
25−10.401839.50520.76750.15980.2330.8400.6830.3730.528
Table 7. Factor effect on y ¯ .
Table 7. Factor effect on y ¯ .
Analysis of Variance for Means
SourceDFSeq SSAdj SSAdj MSFPC (%)
u140.0036750.0036750.0009190.290.8704.50
Kbe40.0213590.0213590.0053401.700.31126.18
Xba40.0061270.0061270.0015320.490.7497.51
AS140.0256660.0256660.0064162.040.25431.45
AS240.0121820.0121820.0030460.970.51214.93
Residual Error40.0125870.0125870.003147 15.43
Total240.081596
Model Summary
SR-SqR-Sq(adj)
0.056184.57%7.45%
Table 8. Order of main design factor effect on y ¯ .
Table 8. Order of main design factor effect on y ¯ .
Response Table for Means
Levelu1KbeXbaAS1AS2
10.54070.59490.55470.58950.5276
20.53590.55910.52090.57660.5188
30.53940.51810.53080.52560.5353
40.56850.51920.55520.51790.5645
50.53790.53110.56080.51270.5762
Delta0.03260.07680.03990.07680.0574
Rank51423
Average of grey analysis value: 0.544
Table 9. Optimal levels and main design factor values.
Table 9. Optimal levels and main design factor values.
No.Input ParametersCodeOptimum LevelOptimum Value
1Total gearbox ratiou144.175
2CWFW of bevel gear setkbe10.25
3CWFW of helical gear setXba50.4
4ACS of stage 1 (MPa)AS11350
5ACS of stage 2 (MPa)AS25420
Table 10. Optimum values of main design factors.
Table 10. Optimum values of main design factors.
No.ut
101520253035
u12.243.774.715666
Xba10.250.250.250.250.250.25
Kbe0.40.40.40.40.40.4
AS1350350350350350350
AS2420420420420420420
Disclaimer/Publisher’s Note: The statements, opinions and data contained in all publications are solely those of the individual author(s) and contributor(s) and not of MDPI and/or the editor(s). MDPI and/or the editor(s) disclaim responsibility for any injury to people or property resulting from any ideas, methods, instructions or products referred to in the content.

Share and Cite

MDPI and ACS Style

Tran, H.-D.; Le, X.-H.; Nguyen, T.-T.-N.; Hoang, X.-T.; Trieu, Q.-H.; Vu, N.-P. Application of the Taguchi Method and Grey Relational Analysis for Multi-Objective Optimization of a Two-Stage Bevel Helical Gearbox. Machines 2023, 11, 716. https://doi.org/10.3390/machines11070716

AMA Style

Tran H-D, Le X-H, Nguyen T-T-N, Hoang X-T, Trieu Q-H, Vu N-P. Application of the Taguchi Method and Grey Relational Analysis for Multi-Objective Optimization of a Two-Stage Bevel Helical Gearbox. Machines. 2023; 11(7):716. https://doi.org/10.3390/machines11070716

Chicago/Turabian Style

Tran, Huu-Danh, Xuan-Hung Le, Thi-Thanh-Nga Nguyen, Xuan-Tu Hoang, Quy-Huy Trieu, and Ngoc-Pi Vu. 2023. "Application of the Taguchi Method and Grey Relational Analysis for Multi-Objective Optimization of a Two-Stage Bevel Helical Gearbox" Machines 11, no. 7: 716. https://doi.org/10.3390/machines11070716

APA Style

Tran, H.-D., Le, X.-H., Nguyen, T.-T.-N., Hoang, X.-T., Trieu, Q.-H., & Vu, N.-P. (2023). Application of the Taguchi Method and Grey Relational Analysis for Multi-Objective Optimization of a Two-Stage Bevel Helical Gearbox. Machines, 11(7), 716. https://doi.org/10.3390/machines11070716

Note that from the first issue of 2016, this journal uses article numbers instead of page numbers. See further details here.

Article Metrics

Back to TopTop