Next Article in Journal
Optimization of Airplane Landing in Crosswind Conditions for Minimum Tire Wear
Previous Article in Journal
An Evaluation Method for Automated Vehicles Combining Subjective and Objective Factors
 
 
Font Type:
Arial Georgia Verdana
Font Size:
Aa Aa Aa
Line Spacing:
Column Width:
Background:
Article

Multi-Amplification-Channel Active EMI Filter Based on Period Spread-Spectrum PWM for Common-Mode EMI Suppression

1
Hubei Engineering Research Center for Safety Monitoring of New Energy and Power Grid Equipment, Hubei University of Technology, Wuhan 430068, China
2
High-Efficiency Utilization of Solar Energy and Operation Control of Energy Storage System, Hubei University of Technology, Wuhan 430068, China
*
Author to whom correspondence should be addressed.
Machines 2023, 11(6), 598; https://doi.org/10.3390/machines11060598
Submission received: 24 April 2023 / Revised: 26 May 2023 / Accepted: 30 May 2023 / Published: 1 June 2023
(This article belongs to the Section Electrical Machines and Drives)

Abstract

Due to the existing coupling loop between the motor drive system and the ground, when switching devices in the drive system operate at a high speed, common-mode (CM)-conducted electromagnetic interference (EMI) is generated in the loop. The electromagnetic environment quality of the motor and peripheral equipment is reduced. As a small and lightweight EMI suppression device, the active EMI filter (AEF) can be used in the motor drive system to suppress the CM-conducted EMI. As the unity gain bandwidth of the operational amplifier (OPAMP) in the AEF is fixed, the CM-conducted EMI suppression effect of the AEF is poor. To solve this problem, the multiple-amplification-channel method is used to spread the frequency range of the CM voltage that the AEF can sense; therefore, the frequency of the compensation current output using the AEF is more complete, and a better CM-conducted EMI attenuation effect is obtained. At the same time, a combination of the period frequency carrier modulation (PCFM) and the multi-amplification-channel AEF is adopted so that the CM-conducted EMI in the whole EMI frequency range of the motor drive system is effectively suppressed.

1. Introduction

Nowadays, space vector pulse width modulation (SVPWM) is widely used in the motor drive system of new energy vehicles. When SVPWM is adopted, the motor drive system has good operational stability and high conversion efficiency between electrical energy and mechanical energy. However, due to the high-speed switching action of switching devices, electromagnetic interference (EMI) is inevitably generated [1,2]. The common-mode (CM) current in the motor drive system is generated at the inverter side and then flows into the motor through the three-phase output line. The insulation and bearings of the motor could be damaged, and the service life of the motor could be greatly reduced. At the same time, due to the existence of a parasitic capacitive coupling path, the operation of other devices in the motor drive system are also be affected by the CM current. Therefore, to improve the electromagnetic environment of the motor drive system, CM-conducted EMI should be effectively suppressed.
In order to attenuate the CM-conducted EMI, a passive EMI filter, such as the CM inductor, is usually connected to the main circuit in practical engineering applications, and this method has a simple design process and high practicability [3,4]. With the increase in the EMI suppression effect of the passive EMI filter, the volume and weight of the passive EMI filter are also increased [5]. Due to the high-space utilization requirement of the motor drive system of new energy vehicles, such as plug-in hybrid electric vehicles and pure electric vehicles, there are many limitations when the passive EMI filter is applied to these systems.
When the voltage-sensing current-compensating (VSCC) active EMI filter (AEF) is adopted, the CM voltage of the motor drive system can be sensed using the AEF, and the compensation current can be generated using the AEF to cancel the CM current so that the CM-conducted EMI can be suppressed. As the VSCC AEF does not use an inductive transformer to sense or compensate the EMI element (voltage/current), the volume and weight of the motor drive system is not significantly increased [6,7]. However, due to the limitation of the operation bandwidth of the operational amplifier (OPAMP) in the VSCC AEF, the compensation current generated using the AEF in some frequency ranges is distorted, and then the EMI suppression effect in the whole EMI frequency range is decreased [8].
In this paper, the method of multiple amplification channels is adopted to solve the above problem. OPAMP in the multi-amplification-channel AEF can work under different reverse amplification conditions at the same time; therefore, the distortion of the sensed voltage signal can be effectively prevented, and the frequency of the obtained compensation current is more complete. Moreover, the periodic frequency carrier modulation (PCFM) is combined with SVPWM to further suppress the CM-conducted EMI in the whole EMI frequency range of the motor drive system, which can reduce the peak amplitudes of CM-conducted EMI spectra by spreading the frequency range of CM-conducted EMI spectra [9,10]. A simulation model of the motor drive system based on PCFM–SVPWM combined with a multi-amplification-channel VSCC AEF is established. Based on the joint simulation of PSpice and MATLAB, the attenuation effect of PCFM–SVPWM and a multi-amplification-channel VSCC AEF on CM-conducted EMI is verified.

2. Review of the VSCC AEF for CM EMI Suppression

2.1. CM-Conducted EMI Model of the Motor Drive System

When SVPWM is adopted in the motor drive system, the switching devices in the two-level three-phase inverter operate at a high speed so that large dv/dt and di/dt are generated. Pulse current and pulse voltage together form the CM-conducted EMI of the motor drive system [11,12].
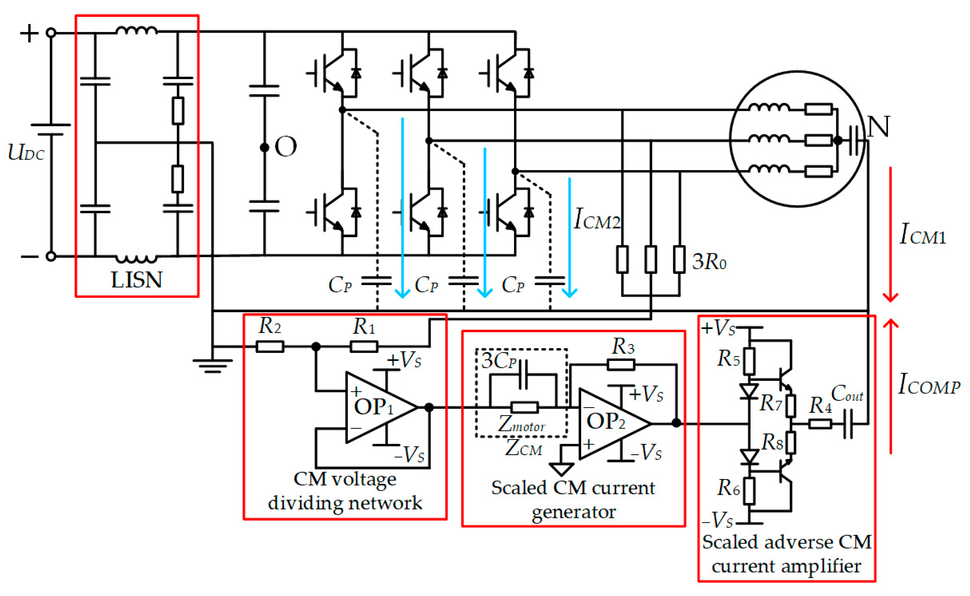
The CM current flows into the ground through the parasitic capacitance of the inverter and the motor. Line impedance stabilization network (LISN) is connected to the dc- side to detect CM-conducted EMI in the motor drive system [13]. The CM–EMI conduction path of the motor drive system consists of power switching devices, parasitic capacitances of the inverter, conducting wires, LISN, and a motor, as shown in Figure 1.
As shown in Figure 1, there are two CM–EMI conduction paths in the motor drive system:
(1) The midpoint of the upper and lower switching devices of phase A → output conducting wire of inverter → motor winding → parasitic capacitance between the motor casing and the ground → the reference ground interface of LISN → the midpoint of the upper and lower switching devices of phase A (phase B and C is the same as phase A).
(2) The midpoint of the upper and lower switching devices of phase A → the parasitic capacitance CP between the inverter and the ground → the reference ground interface of LISN → the midpoint of the upper and lower switching devices of phase A (phase B and C is the same as phase A).
The CM current that flows through the motor to the ground is ICM1, the CM current that flows through the parasitic capacitor of the inverter is ICM2, and the CM current that flows back to the dc-side of the inverter is ICM, which is the sum of ICM1 and ICM2. Moreover, the current that flows into the reference ground interface of LISN is ILISNs, and ILISNs is equal to ICM. The equation for obtaining ILISNs:
I C M 1 + I C M 2 = I C M = I L I S N s
According to the above analysis result, the equivalent CM-conducted EMI model of the motor drive system can be obtained, as shown in Figure 2. ZLISN is the equivalent impedance of LISN, which can be regarded as 25 Ω, Zmotor is the equivalent CM impedance of the motor, and ZCM is the equivalent CM impedance of the whole motor drive system. ZCM consists of Zmotor connected in parallel with three equal and symmetrical parasitic capacitances 3CP, and the following condition can be met:
U C M / Z C M = I C M
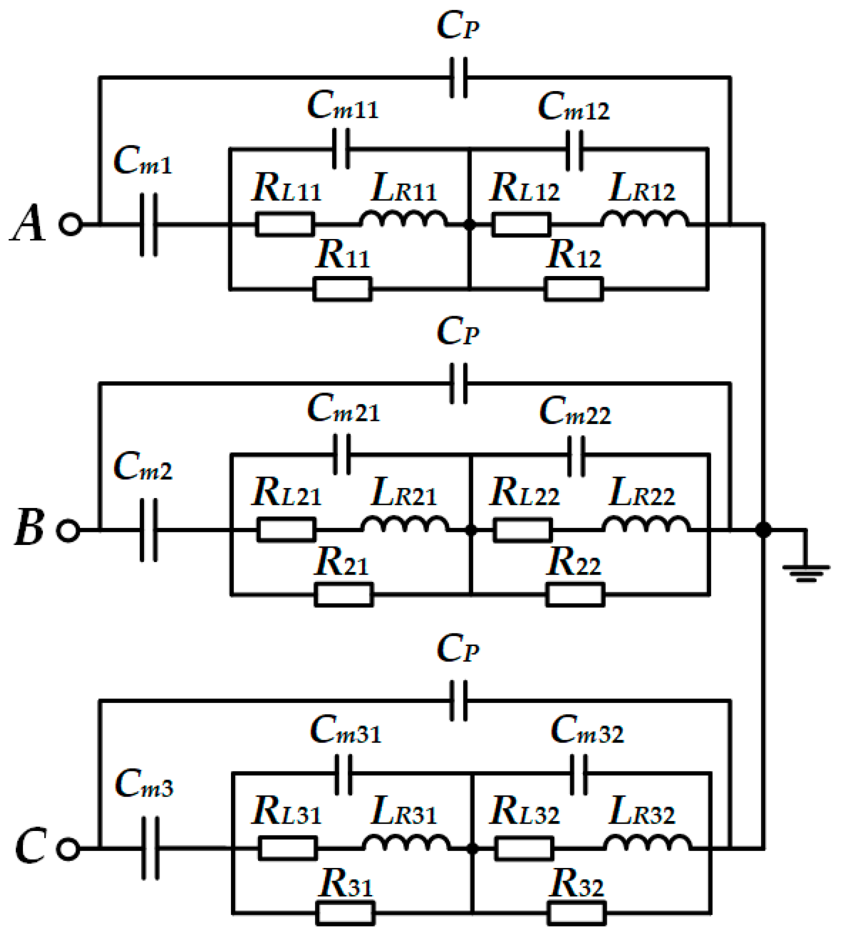
The component value of the motor in this paper comes from reference [14]. In order to establish the simulation model of the three-phase motor, the single-phase-equivalent impedance network of the motor CM impedance Zmotor in reference [14] can be divided into three phases, which is equivalent to a three-phase RLC series-parallel circuit, and the three-phase-equivalent impedance network of ZCM is shown in Figure 3. The component value of Zmotor should be changed from a single-phase value to a three-phase value accordingly, and the component values of ZCM are listed in Table 1. As phases A, B and C are equal and symmetrical, only the component value of phase A is listed here.

2.2. Principle of the VSCC AEF

A transformerless VSCC AEF for dc-side CM-conducted EMI suppression in the motor drive system is proposed in reference [14], and the implementation of the VSCC AEF is shown in Figure 4. As seen in Figure 4, the VSCC AEF consists of three functional modules, including the CM voltage-dividing network, scaled CM current generator, and scaled adverse CM current amplifier. CM voltage-dividing network can sense the CM voltage of the motor drive system through the resistor network or capacitor network, then the OPAMP in the scaled CM current generator is connected as a negative feedback amplifier to reverse the sensed voltage and obtain the scaled reverse CM current. Finally, the compensation current ICOMP is generated using the scaled adverse CM current amplifier and injected into the ground to cancel the CM current.
The equivalent CM-conducted EMI model of the motor drive system after adding the VSCC AEF is shown in Figure 5. When the compensation current ICOMP and the CM current ICM cancel each other, the following condition should be met:
I C O M P = I C M = ( I C M 1 + I C M 2 )
At this time, the current ILISNs that flows into the reference ground interface of LISN is 0 so as to achieve the purpose of suppressing the CM-conducted EMI of the motor drive system.

2.3. Analysis of Deficiency of a Single-Amplification-Channel VSCC AEF

Due to the unity gain bandwidth limitation of the OPAMP in the scaled CM current generator of the VSCC AEF, the CM-conducted EMI attenuation effect of a single-amplification-channel VSCC AEF is poor. To solve this problem, researchers often combine the passive EMI filter with the AEF to form a hybrid filter. However, this method does not intrinsically improve the CM-conducted EMI attenuation effect of the AEF.
In order to improve the CM-conducted EMI attenuation effect of a single-amplification-channel AEF and prevent a significant increase in the volume of the motor drive system, the work process of the OPAMP in the scaled CM current generator is analyzed in this section, and the model of scaled CM current generator is shown in Figure 6.
The performance of OPAMP is mainly determined by the unity gain bandwidth, which represents the frequency range over which the OPAMP can process signals when the gain is 1. If the input signal frequency exceeds this range, the output signal is distorted. The relationship between the gain and operation bandwidth is shown in Figure 7 [15]. As seen in Figure 7, the gain of OPAMP is G1 > G2, but the operation bandwidth of OPAMP is BW2 > BW1.
The impedance analysis toolbox in MATLAB/Simulink is used to measure the input impedance ZCM of the OPAMP in the scaled CM current generator. The amplitude–frequency characteristic curve of ZCM and the amplitude–frequency characteristic of the measured CM impedance of the motor system in reference [14] are shown in Figure 8.
As seen in Figure 8, the overall amplitude–frequency characteristic curve of ZCM is nonlinear, and the degree of nonlinearity is higher in the frequency range of 1 MHz–30 MHz. As the CM voltage is a set of voltage components with different frequencies [16] and the negative feedback resistor R3 in scaled CM current generator is fixed, the OPAMP will have different gain values under input voltages with different frequencies when the sensed CM voltage is applied to ZCM. The SPICE model of OPAMP in this paper comes from AD826 of analog devices. According to the data sheet of AD826, when the driving voltage VS is set to ±15 V, the typical value of the unity gain bandwidth of AD826 is 50 MHz, and the minimum value is 40 MHz [17]. Table 2 lists impedance values of partial frequency points depicted in Figure 8.
As shown in Table 2, when the negative feedback resistor is set to 378.5 Ω, if the voltage component frequency of the input impedance of OPAMP is 150 kHz, the input impedance is 378.5 Ω, and the OPAMP has a unity gain. At this time, the theoretical gain bandwidth of the negative feedback amplifier is 50 MHz, and the operation bandwidth of OPAMP meets the CM-conducted EMI suppression requirement. If the voltage component frequency is 5.58 MHz, the input impedance is about 6 Ω and the gain of OPAMP is 63. At this time, the theoretical gain bandwidth of negative feedback amplifier is only 0.8 MHz. The operation bandwidth of OPAMP cannot meet the CM-conducted EMI suppression requirement, and the EMI suppression effect of the AEF is decreased. Moreover, as ZCM cannot completely match the measured impedance of the motor system in the high-frequency range, the CM-conducted EMI suppression effect of a single-amplification-channel VSCC AEF is limited in practical engineering applications. To keep the operation bandwidth of the OPAMP at no less than 30 MHz, the gain of the OPAMP should be kept at less than 1.67.

3. Implementation of the Multi-Amplification-Channel VSCC AEF

According to the analysis results described in Section 2.3, as the single-amplification-channel VSCC AEF cannot change the negative feedback resistance with the frequency of the sensed CM voltage component, the operation bandwidth of the OPAMP in the scaled CM current generator cannot meet the bandwidth requirements of CM-conducted EMI suppression. Therefore, in this section, the single-amplification-channel AEF is improved using multiple amplification channels, and the AEF is no longer limited by the unity gain bandwidth of the OPAMP. Three functional modules in the multi-amplification-channel AEF are modeled.
CM voltage-dividing network can sense the CM voltage UCM through three resistors, R0 connected to the inverter output line and grounding resistors R1 and R2. The schematic diagram and PSpice model of the CM voltage-dividing network are shown in Figure 9. VA, VB and VC are the voltage signal outputs obtained using the simulation model of the inverter in MATLAB, and the voltage signals are inputted into the CM voltage-dividing network through the “PSpice system” module in Simulink. The voltage drop on R2 is Vsense, and the output voltage of the OPAMP OP1 is VIN, and both can be obtained using the following equation:
V s e n s e = R 2 1 3 R 0 + R 1 + R 2 = 3 R 2 R 0 + 3 R 1 + 3 R 2 U C M = k U C M = V I N
The negative input and output terminals of OP1 are connected to form a voltage follower, and the driving voltage VS is set to ±15 V. The input voltage VDC on the dc-side of the inverter is set to 100 V, and the amplitude of the CM voltage is 50 V in SVPWM [18]. To ensure that Vsense can pass through OP1, the input voltage of OP1 should be reduced to below 15 V, leaving some margin. According to Equation (4), a proportional relationship between the input voltage of the voltage follower and the CM voltage exists. R0 is set to 3 kΩ, R1 is set to 10 kΩ and R2 is set to 1 kΩ, and the k in Equation (4) is 1/12, which meets the requirement of input voltage of OP1.
The schematic diagram and PSpice model of multi-amplification-channel scaled CM current generator are shown in Figure 10, the input impedance of OP21 is consistent with that of the single-amplification-channel AEF, and the negative feedback resistor is R31. The connection mode of OPAMPs in other amplification channels is the same as OP21. As the input impedance will change with different frequencies of VIN, the negative feedback resistors of OP22, OP23 to OP2n are set to R32, R33 to R3n, which correspond to the impedance values of ZCM at different frequencies. The PSpice model in Figure 10b is a scaled CM current generator with two channels, but the actual number of channels should be determined using the amplitude–frequency characteristics of the input impedance of the OPAMP. OP21, OP22 to OP2n have output voltages VOUT1, VOUT2 to VOUTn, respectively, and can be obtained using the following equation:
V O U T n = k U C M × ( R 3 n / Z C M )
where n = 1, 2, 3…
The schematic diagram and PSpice model of multistage scaled adverse CM current amplifier are shown in Figure 11, which consists of multiple push–pull circuits connected in parallel. Push–pull circuits and OPAMPs share the driving voltage. R5 and R6 are set to 2 kΩ as the bias resistors, R7 and R8 are set to 2 Ω to eliminate the thermal runaway problem of the push–pull circuits, and Cout is added for isolation and can be ignored from the output compensation current. In the PSpice model, 1N4148 is adopted as the isolation diode, and the output terminal of push–pull circuit consists of an n-p-n and p-n-p complementary transistor pair, PHPT610030NPK. Moreover, the number of parallel stages of push–pull circuit is same as the number of channels of the multi-amplification-channel scaled CM current generator. Output voltages VOUT1, VOUT2 to VOUTn of the multi-amplification-channel scaled CM current generator are inputs to the multistage push–pull circuits, and the output terminals of the multistage push–pull circuits are connected with output resistors R41, R42 to R4n, respectively. The currents flow through the output resistors are the compensation currents ICOMP1, ICOMP2 to ICOMPn corresponding to each CM voltage frequency component, and can be obtained using the following equation:
I C O M P n = V O U T n / R 4 n = ( k I C M × R 3 n ) / R 4 n
where n = 1, 2, 3…
The compensation current ICOMP can be obtained by connecting the output resistors of each stage in parallel to one point, and ICOMP can be calculated using the following equation:
I C O M P = I C O M P 1 + + I C O M P n = k I C M n = 1 P R 3 n R 4 n
where P is the number of amplification channels. In order to cancel the CM current, the following condition of the compensation current ICOMP should be met:
n = 1 P R 3 n R 4 n = 1 k = R 0 + 3 R 1 + 3 R 2 3 R 2
The compensation current injection mode of the multi-amplification-channel VSCC AEF is the same as that of the single-amplification-channel VSCC AEF. The output terminal of the multistage scaled adverse CM current amplifier is connected to the ground so that ICOMP and CM current can cancel each other, and the CM-conducted EMI of the motor drive system is suppressed. The equivalent CM-conducted EMI model of the motor drive system after adding the multi-amplification-channel VSCC AEF is shown in Figure 12.

4. Simulation Analysis

The CM-conducted EMI suppression effect of the multi-amplification-channel AEF and PCFM–SVPWM are verified using PSpice and MATLAB/Simulink. The AEF is established using PSpice, while PCFM–SVPWM is analyzed using MATLAB, and the signal transmission between PSpice and MATLAB is analyzed using the “PSpice system” module in Simulink.

4.1. Verification of the CM EMI Suppression Effect of the Multi-Amplification-Channel AEF

The value of R3n in this paper is set by dividing the frequency range in Figure 8 according to the variation tendency of ZCM, and each R3n corresponds to the average value of ZCM at a frequency range so as to improve the simulation speed and ensure the reliability of simulation. R31, R32 and R33 are set to 240 Ω, 112 Ω and 72 Ω, corresponding to the frequency range of 150 kHz–600 kHz, 1 MHz–10 MHz and 10 MHz–30 MHz, respectively, and according to Equation (8), R41, R42 and R43 are set to 60 Ω, 28 Ω and 18 Ω, respectively. Therefore, there are three amplification channels in the simulation model of the AEF and P = 3. The circuit model and functional values of LISN come from EM5040B, a product of CYBERTEK, and the performance of EM5040B meets the CISPR-16 limit [19]. The simulation model of LISN is shown in Figure 13. The CM-conducted EMI spectra is obtained using the signal-to-noise ratio analysis of the time domain voltage signal outputted by the BNC female interface. The inverter modulation index is set to 0.85, and the switching frequency is set to 10 kHz.
The simulation model of the motor drive system with the addition of the AEF is shown in Figure 14. A single-amplification-channel VSCC AEF simulation model is established as a comparison, R3 and R4 are set to 240 Ω and 20 Ω, respectively. The comparison between the simulated waveform of compensation current analog signals outputted by the single-amplification-channel AEF, multi-amplification-channel AEF and CM current of the motor drive system is shown in Figure 15.
As seen in Figure 15a,b, due to the limitation of the operation bandwidth of the OPAMP, the compensation current of the single-amplification-channel AEF is quite different from the CM current, and the compensation effect is far from ideal. As the gains of OPAMPs can be set for sensed CM voltage components in different frequency ranges using the multi-amplification-channel AEF, the compensation current is closer to the CM current in a time domain. Compared with the single-amplification-channel AEF, the compensation effect has been improved, especially in the high-frequency range. The CM-conducted EMI spectra of the motor drive system without and with the addition of the AEF are shown in Figure 16. Table 3 lists peak amplitudes of CM-conducted EMI spectra of partial frequency points depicted in Figure 16.
As seen in Figure 16 and Table 3, as the gains of OPAMPs can be set for CM-conducted EMI in different frequency ranges using the multi-amplification-channel AEF, the multi-amplification-channel AEF has better CM-conducted EMI suppression effect than the single-amplification-channel AEF for a frequency range within 10 MHz.
Compared with the original noise, the noise in the CM-conducted EMI spectra of the motor drive system with the multi-amplification-channel AEF can be reduced by about 30 dBμV in the frequency range of 150 kHz–2 MHz and by about 20 dBμV in the frequency range of 2 MHz–5 MHz. In the frequency range of 5 MHz–10 MHz, the CM-conducted EMI suppression effect is slightly reduced. However, compared with the single-amplification-channel AEF, the noise in the CM-conducted EMI spectra with the multi-amplification-channel AEF can be reduced by an additional 10 dBμV.
As the input impedance of the OPAMP varies widely within the frequency range of 10 MHz–30 MHz, the impedance variation within the frequency range cannot be reflected using a single negative feedback resistor; therefore, the CM-conducted EMI suppression effect of the multi-amplification-channel AEF is poor.
In practice, the uncertainty of an electronic component may affect the CM-conducted EMI attenuation effect of the AEF. A random variation is introduced to the component value of the input impedance of the OPAMPs in the multi-amplification-channel scaled CM current generator so that the effect of tolerances can be simulated and verified.
The tolerances of components (resistors, inductors and capacitors) of the input impedance of the OPAMPs are set to ±1% (1% ≥ random tolerances ≥ −1%) and ±10% (10% ≥ random tolerances ≥ 5% or −5% ≥ random tolerances ≥ −10%), respectively, so as to obtain simulation results with practical significance. The CM-conducted EMI spectra of the motor drive system after considering tolerances are shown in Figure 17.
As seen in Figure 17, when the tolerances of components are set to ±10%, the CM-conducted EMI attenuation effect of the AEF is significantly reduced, and unexpected resonance peaks appear in the high-frequency range. Although the multi-amplification-channel AEF can still suppress part of low-frequency CM-conducted EMI in this situation, in practice, it is necessary to avoid excessive tolerances. When the tolerances of components are set to ±1%, the CM-conducted EMI attenuation effect of the AEF is similar to that of an ideal condition. From the above results, high-precision components should be used in practice to avoid the poor CM-conducted EMI attenuation effect of the AEF.

4.2. Verification of the CM-Conducted EMI Suppression Effect of PCFM–SVPWM

According to the simulation results described in Section 4.1, the multi-amplification-channel AEF has a poor suppression effect on CM-conducted EMI in the frequency range of 10 MHz-30 MHz. In this section, PCFM is applied to the motor drive system to further reduce the peak amplitudes of CM-conducted EMI spectra. The carrier frequency of SVPWM can change with the periodic modulation signal using PCFM.
PCFM can spread the bandwidth of CM EMI and convert the spectra of CM EMI from centralized to decentralized, and then the peak amplitudes of CM-conducted EMI spectra can be reduced. The carrier signal of PCFM–SVPWM:
S F M ( t ) = A cos [ ω c t + k f f ( t ) d t ]
where ωc is the carrier angular frequency of SVPWM, kf is the frequency shift constant, and f(t) is the periodic modulation signal. The spread-spectrum modulation index is defined as:
m f = Δ ω max ω m = Δ f f m
mf represents the maximum phase variation generated by the SVPWM carrier signal during spreading spectrum modulation, where Δωmax is the maximum angular frequency variation range of the modulation signal, Δf is the spread-spectrum width and fm is the frequency of the periodic modulation signal. f(t) is set as sine wave, isosceles triangle wave, sawtooth wave and square wave, respectively. Δf is set to 100 Hz, and fm is set to 20 Hz. The CM-conducted EMI spectra of the motor drive system based on PCFM–SVPWM are shown in Figure 18.
Based on the results in Figure 18, the CM-conducted EMI spectra of sinusoidal and isosceles triangular PCFM–SVPWM are at most reduced by about 20 dBμV in the frequency range of 150 kHz–1 MHz and at most reduced by about 15 dBμV in the frequency range of 1 MHz–30 MHz. The trend in the CM-conducted EMI spectra of sinusoidal PCFM–SVPWM is also similar to a sine wave, and the CM-conducted EMI spectra of isosceles triangular PCFM–SVPWM are smoother.
The overall suppression effect of sawtooth PCFM–SVPWM on CM-conducted EMI spectra is poorer than that of the above two modulation signals, and the CM-conducted EMI spectra of sawtooth PCFM–SVPWM are reduced at most by about 15 dBμV in the frequency range of 150 kHz–1 MHz and reduced at most by about 10 dBμV in the frequency range of 1 MHz–30 MHz.
Square PCFM–SVPWM has the poorest suppression effect on CM-conducted EMI spectra, and a large overlap of harmonic spectrum occurs. Furthermore, CM-conducted EMI cannot be effectively suppressed in the frequency range of 150 kHz–30 MHz.
In order to choose a suitable spreading frequency bandwidth, the frequency fm of isosceles triangular is set to 20 Hz, and the Δf is set to 200 Hz, 400 Hz, 600 Hz and 800 Hz, respectively. The line voltage output by the inverter is analyzed using the FFT analyses toolbox in Simulink, and the result is shown in Figure 19. Based on the results in Figure 18, with the continuous increase of Δf, the harmonic energy changes from centralized to decentralized, and the peak amplitudes of harmonic energy gradually reduce. However, harmonic energy is spread over the set range of Δf, and its total amount remains unchanged. When Δf is large enough, the spreading frequency ranges of the multiples of adjacent switching frequency overlap. As the harmonic energy in the overlapping range of the frequency range mutually overlap, new peak amplitudes of spectra appear, and the suppression effect of PCFM on the peak amplitudes of harmonics decreases.
When Δf is set to 800 Hz, a large overlap occurs in the harmonic spectrum. When Δf is set within the frequency range of 200 Hz–400 Hz, the peak amplitudes of the harmonic spectrum show significant reduction, and the harmonic components rarely overlap at high-order harmonics.

4.3. Verification of the CM-Conducted EMI Suppression Effect of the Multi-Amplification-Channel AEF Combined with PCFM–SVPWM

The Δf of the isosceles triangular PCFM–SVPWM is set to 200 Hz, and the fm is set to 20 Hz. The CM-conducted EMI spectra of the motor drive system with and without the addition of the multi-amplification-channel AEF are shown in Figure 20.
Based on the results in Figure 20, the CM-conducted EMI spectra of the motor drive system with PCFM–SVPWM combined with the multi-amplification-channel AEF are effectively suppressed in the frequency range of 150 kHz–8 MHz without the addition of passive EMI filter, but the peak amplitudes of some spectra are still high in the frequency range of 10 MHz–30 MHz.
As the low-frequency CM-conducted EMI is effectively suppressed, in order to suppress the CM-conducted EMI in the high-frequency range, only an EMI suppression device for CM-conducted EMI in the frequency range of 10 MHz–30 MHz is required to be added. The Y capacitors of 4700 pF are added to the dc-side of the motor drive system, and the CM-conducted EMI spectra of the motor drive system are shown in Figure 21. Moreover, Table 4 lists peak amplitudes of the CM-conducted EMI spectra of partial frequency points depicted in Figure 20 and Figure 21.
Based on the results in Figure 21 and Table 4, the CM-conducted EMI spectra across the whole frequency range of the motor drive system is effectively suppressed after the Y capacitors are added. Compared with the passive EMI filter, the multi-amplification-channel AEF only occupies a small volume in the whole system because a inductance transformer is not used. Moreover, the PCFM-SVPWM does not change the hardware circuit of the motor drive system; hence, the CM-conducted EMI suppression method of the PCFM–SVPWM combined with the multi-amplification-channel AEF has extensive applications, and the volume and weight of the EMI suppression device is effectively decreased.

5. Conclusions

In this paper, an improved AEF is proposed, which extends the operation bandwidth of the traditional VSCC AEF using multiple amplification channels and makes the frequency range of the compensation current output more complete. The simulation results show that the CM-conducted EMI suppression effect of the multi-amplification-channel AEF is better than that of the single-amplification-channel AEF.
At the same time, a simulation model of a motor drive system combining PCFM–SVPWM with a multi-amplification-channel AEF is established, and the CM EMI suppression effect of the model is simulated and analyzed. The simulation results show that the CM-conducted EMI spectra in the whole frequency range of the motor drive system is effectively suppressed by combining PCFM–SVPWM with the multi-amplification-channel AEF and Y capacitors.

Author Contributions

Conceptualization, G.Z. and Y.J.; methodology, G.Z.; software, G.Z.; validation, Y.J.; resources, G.Z. and K.W.; data curation, M.G. and K.W.; writing—original draft preparation, G.Z. and M.G.; writing—review and editing, G.Z. and M.G.; supervision, Y.J.; project administration, Y.J. All authors have read and agreed to the published version of the manuscript.

Funding

This research received no external funding.

Data Availability Statement

The data that support the findings of this study are available from the corresponding author upon reasonable request.

Conflicts of Interest

The authors declare no conflict of interest.

References

  1. Zhang, G.; Wang, S.; Li, C.; Li, X.; Gu, X. A Space Vector Based Zero Common-Mode Voltage Modulation Method for a Modular Multilevel Converter. World Electr. Veh. J. 2023, 14, 53. [Google Scholar] [CrossRef]
  2. Wang, P.; Liu, Z.; Jiang, D.; Tian, J.; Li, P. Improved Pwm Methods to Reduce the Common Mode Voltage of the Five-Phase Open-Winding Drive Topology. Energies 2022, 15, 6382. [Google Scholar] [CrossRef]
  3. Ala, G.; Giaconia, G.C.; Giglia, G.; Di Piazza, M.C.; Vitale, G. Design and Performance Evaluation of a High Power-Density Emi Filter for Pwm Inverter-Fed Induction-Motor Drives. IEEE Trans. Ind. Appl. 2016, 52, 2397–2404. [Google Scholar] [CrossRef]
  4. Zhai, L.; Hu, G.; Lv, M.; Zhang, T.; Hou, R. Comparison of Two Design Methods of Emi Filter for High Voltage Power Supply in Dc-Dc Converter of Electric Vehicle. IEEE Access 2020, 8, 66564–66577. [Google Scholar] [CrossRef]
  5. He, R.; Xu, Y.; Walunj, S.; Yong, S.; Khilkevich, V.; Pommerenke, D.; Aichele, H.L.; Boettcher, M.; Hillenbrand, P.; Klaedtke, A. Modeling Strategy for Emi Filters. IEEE Trans. Electromagn. Compat. 2020, 63, 1572–1581. [Google Scholar] [CrossRef]
  6. Zhang, Y.; Jiang, D. An Active Emi Filter in Grounding Circuit for Dc Side Cm Emi Suppression in Motor Drive System. IEEE Trans. Power Electron. 2022, 37, 2983–2992. [Google Scholar] [CrossRef]
  7. Han, Y.; Wu, Z.; Wu, D. Hybrid Common-Mode Emi Filter Design for Electric Vehicle Traction Inverters. Chin. J. Electr. Eng. 2022, 8, 52–60. [Google Scholar] [CrossRef]
  8. Shin, D.; Jeong, S.; Kim, J. Quantified Design Guidelines of a Compact Transformerless Active Emi Filter for Performance, Stability, and High Voltage Immunity. IEEE Trans. Power Electron. 2018, 33, 6723–6737. [Google Scholar] [CrossRef]
  9. Xu, Y.; Yuan, Q.; Zou, J.; Wang, B.; Li, J. Periodic Carrier Frequency Modulation in Reducing Low-Frequency Electromagnetic Interference of Permanent Magnet Synchronous Motor Drive System. IEEE Trans. Magn. 2015, 51, 8109604. [Google Scholar]
  10. Chen, N.; Yu, S.; Gao, L.; Huang, Y.; Chen, R. Suppressing Interference Peak in an Active Power Filter Via Periodic Carrier Frequency Modulation Based on a Spectrum Analysis Approach. IEEE Trans. Electromagn. Compat. 2019, 61, 1760–1770. [Google Scholar] [CrossRef]
  11. Chen, J.; Jiang, D.; Li, Q. Attenuation of Conducted Emi for Three-Level Inverters through Pwm. CPSS Trans. Power Electron. Appl. 2018, 3, 134–145. [Google Scholar] [CrossRef]
  12. Wang, Y.; Liu, J.; Jiao, T.; Wang, M.; Mo, G. Characterization and Selection of Probability Density Function in a Discrete Random Switching Period Svpwm Strategy. IEEE J. Emerg. Sel. Top. Power Electron. 2022, 10, 7475–7485. [Google Scholar] [CrossRef]
  13. Di Piazza, M.C.; Ragusa, A.; Vitale, G. Effects of Common-Mode Active Filtering in Induction Motor Drives for Electric Vehicles. IEEE Trans. Veh. Technol. 2010, 59, 2664–2673. [Google Scholar] [CrossRef]
  14. Zhang, Y.; Li, Q.; Jiang, D. A Motor Cm Impedance Based Transformerless Active Emi Filter for Dc-Side Common-Mode Emi Suppression in Motor Drive System. IEEE Trans. Power Electron. 2020, 35, 10238–10248. [Google Scholar] [CrossRef]
  15. Op Amp Applications Handbook. 2005. Available online: https://www.analog.com/en/education/education-library/op-amp-applications-handbook.html (accessed on 24 April 2023).
  16. Shen, Z.; Jiang, D.; Zou, J.; Liu, Z.; Ma, C. Current-Balance Mode-Based Unified Common-Mode Voltage Elimination Scheme for Dual Three-Phase Motor Drive System. IEEE Trans. Ind. Electron. 2022, 69, 12575–12586. [Google Scholar] [CrossRef]
  17. AD826 Porduct Overview. Available online: https://www.analog.com/cn/products/ad826.html (accessed on 24 April 2023).
  18. Jayaraman, K.; Kumar, M. Design of Passive Common-Mode Attenuation Methods for Inverter-Fed Induction Motor Drive with Reduced Common-Mode Voltage Pwm Technique. IEEE Trans. Power Electron. 2020, 35, 2861–2870. [Google Scholar] [CrossRef]
  19. EM5040B Porduct Overview. Available online: http://www.cybertek.cn/info/320 (accessed on 24 April 2023).
Figure 1. The CM–EMI conduction path of the motor drive system.
Figure 1. The CM–EMI conduction path of the motor drive system.
Machines 11 00598 g001
Figure 2. The equivalent CM-conducted EMI model of the motor drive system.
Figure 2. The equivalent CM-conducted EMI model of the motor drive system.
Machines 11 00598 g002
Figure 3. The equivalent impedance network of ZCM.
Figure 3. The equivalent impedance network of ZCM.
Machines 11 00598 g003
Figure 4. Transformerless VSCC AEF in the motor drive system.
Figure 4. Transformerless VSCC AEF in the motor drive system.
Machines 11 00598 g004
Figure 5. The equivalent CM-conducted EMI model of the motor drive system after adding VSCC AEF.
Figure 5. The equivalent CM-conducted EMI model of the motor drive system after adding VSCC AEF.
Machines 11 00598 g005
Figure 6. The model of scaled CM current generator.
Figure 6. The model of scaled CM current generator.
Machines 11 00598 g006
Figure 7. Relationship between the gain and operation bandwidth of OPAMP.
Figure 7. Relationship between the gain and operation bandwidth of OPAMP.
Machines 11 00598 g007
Figure 8. The measured CM impedance of the motor system and input impedance (ZCM) of OPAMP.
Figure 8. The measured CM impedance of the motor system and input impedance (ZCM) of OPAMP.
Machines 11 00598 g008
Figure 9. CM voltage-dividing network. (a) Schematic diagram. (b) PSpice model.
Figure 9. CM voltage-dividing network. (a) Schematic diagram. (b) PSpice model.
Machines 11 00598 g009
Figure 10. Multi-amplification-channel scaled CM current generator. (a) Schematic diagram. (b) PSpice model.
Figure 10. Multi-amplification-channel scaled CM current generator. (a) Schematic diagram. (b) PSpice model.
Machines 11 00598 g010
Figure 11. Multistage scaled adverse CM current amplifier. (a) Schematic diagram. (b) PSpice model.
Figure 11. Multistage scaled adverse CM current amplifier. (a) Schematic diagram. (b) PSpice model.
Machines 11 00598 g011
Figure 12. The equivalent CM-conducted EMI model of the motor drive system after adding multi-amplification-channel VSCC AEF.
Figure 12. The equivalent CM-conducted EMI model of the motor drive system after adding multi-amplification-channel VSCC AEF.
Machines 11 00598 g012
Figure 13. Simulation model of LISN.
Figure 13. Simulation model of LISN.
Machines 11 00598 g013
Figure 14. Simulation model of motor drive system with the addition of AEF.
Figure 14. Simulation model of motor drive system with the addition of AEF.
Machines 11 00598 g014
Figure 15. Comparison between compensation current and CM current of the motor drive system. (a) Single-amplification-channel AEF. (b) Multi-amplification-channel AEF.
Figure 15. Comparison between compensation current and CM current of the motor drive system. (a) Single-amplification-channel AEF. (b) Multi-amplification-channel AEF.
Machines 11 00598 g015
Figure 16. The CM-conducted EMI spectra of motor drive system with and without AEF. (a) The addition of single-amplification-channel AEF. (b) The addition of multi-amplification-channel AEF.
Figure 16. The CM-conducted EMI spectra of motor drive system with and without AEF. (a) The addition of single-amplification-channel AEF. (b) The addition of multi-amplification-channel AEF.
Machines 11 00598 g016
Figure 17. The CM-conducted EMI spectra of motor drive system after considering tolerances. (a) ±10% tolerances. (b) ±1% tolerances.
Figure 17. The CM-conducted EMI spectra of motor drive system after considering tolerances. (a) ±10% tolerances. (b) ±1% tolerances.
Machines 11 00598 g017
Figure 18. The CM-conducted EMI spectra of motor drive system based on PCFM–SVPWM. (a) Sine wave. (b) Isosceles triangle wave. (c) Sawtooth wave. (d) Square wave.
Figure 18. The CM-conducted EMI spectra of motor drive system based on PCFM–SVPWM. (a) Sine wave. (b) Isosceles triangle wave. (c) Sawtooth wave. (d) Square wave.
Machines 11 00598 g018aMachines 11 00598 g018b
Figure 19. Fourier analysis results of inverter output line voltage of isosceles triangular PCFM–SVPWM. (a) Δf = 200 Hz. (b) Δf = 400 Hz. (c) Δf = 600 Hz. (d) Δf = 800 Hz.
Figure 19. Fourier analysis results of inverter output line voltage of isosceles triangular PCFM–SVPWM. (a) Δf = 200 Hz. (b) Δf = 400 Hz. (c) Δf = 600 Hz. (d) Δf = 800 Hz.
Machines 11 00598 g019
Figure 20. Comparison of CM-conducted EMI spectra of the motor drive system with isosceles triangular PCFM–SVPWM combined with the multi-amplification-channel AEF.
Figure 20. Comparison of CM-conducted EMI spectra of the motor drive system with isosceles triangular PCFM–SVPWM combined with the multi-amplification-channel AEF.
Machines 11 00598 g020
Figure 21. Comparison of CM-conducted EMI spectra of the motor drive system with isosceles triangular PCFM–SVPWM combined with the multi-amplification-channel AEF and Y capacitors.
Figure 21. Comparison of CM-conducted EMI spectra of the motor drive system with isosceles triangular PCFM–SVPWM combined with the multi-amplification-channel AEF and Y capacitors.
Machines 11 00598 g021
Table 1. The component value in ZCM.
Table 1. The component value in ZCM.
ComponentCm1RL11RL12LR11LR12R11Cm11R12Cm12CP
Value900 pF60 Ω30 Ω48 μH2.7 μH822 Ω400 pF1500 Ω33.3 pF11 pF
Table 2. Input impedance of OPAMP at partial frequency points.
Table 2. Input impedance of OPAMP at partial frequency points.
Frequency f/Hz150 k630 k1 M5.58 M10 M16 M30 M
Impedance Z378.560.171606 (min)70.26460 (max)71.64
Table 3. The peak amplitudes of CM-conducted EMI spectra of the motor drive system without an AEF, with the single-amplification-channel AEF and with the multi-amplification-channel AEF.
Table 3. The peak amplitudes of CM-conducted EMI spectra of the motor drive system without an AEF, with the single-amplification-channel AEF and with the multi-amplification-channel AEF.
Frequency f/HzOriginal Noise/dBμVWith the Single-Amplification-Channel AEF/dBμVWith the Multi-Amplification-Channel AEF/dBμV
166.7 k102.692.3590.39
233.3 k99.5388.5286.46
433.3 k97.486.1677.58
566.7 k100.078978.25
1 M98.486.4669.83
1.55 M95.384.3161.02
3 M85.3177.8964.34
4 M78.573.9660.34
6 M77.1870.0161.15
10 M77.957875.56
30 M68.2771.8372.15
Table 4. The peak amplitudes of CM-conducted EMI spectra of the motor drive system without Y capacitors and with Y capacitors.
Table 4. The peak amplitudes of CM-conducted EMI spectra of the motor drive system without Y capacitors and with Y capacitors.
Frequency f/HzOriginal Noise/dBμVAEF with PCFM–SVPWM/dBμVAEF with PCFM–SVPWM + Class Y Capacitors/dBμV
2 M94.8855.2551.77
3 M85.3146.7443.2
6 M77.1846.5542.58
10 M77.9566.4350.88
15 M80.0867.6259.27
20 M70.1361.5439.39
30 M68.2760.1626.14
Disclaimer/Publisher’s Note: The statements, opinions and data contained in all publications are solely those of the individual author(s) and contributor(s) and not of MDPI and/or the editor(s). MDPI and/or the editor(s) disclaim responsibility for any injury to people or property resulting from any ideas, methods, instructions or products referred to in the content.

Share and Cite

MDPI and ACS Style

Zhou, G.; Jiang, Y.; Gao, M.; Wu, K. Multi-Amplification-Channel Active EMI Filter Based on Period Spread-Spectrum PWM for Common-Mode EMI Suppression. Machines 2023, 11, 598. https://doi.org/10.3390/machines11060598

AMA Style

Zhou G, Jiang Y, Gao M, Wu K. Multi-Amplification-Channel Active EMI Filter Based on Period Spread-Spectrum PWM for Common-Mode EMI Suppression. Machines. 2023; 11(6):598. https://doi.org/10.3390/machines11060598

Chicago/Turabian Style

Zhou, Gaoyi, Yunhao Jiang, Meng Gao, and Ke Wu. 2023. "Multi-Amplification-Channel Active EMI Filter Based on Period Spread-Spectrum PWM for Common-Mode EMI Suppression" Machines 11, no. 6: 598. https://doi.org/10.3390/machines11060598

APA Style

Zhou, G., Jiang, Y., Gao, M., & Wu, K. (2023). Multi-Amplification-Channel Active EMI Filter Based on Period Spread-Spectrum PWM for Common-Mode EMI Suppression. Machines, 11(6), 598. https://doi.org/10.3390/machines11060598

Note that from the first issue of 2016, this journal uses article numbers instead of page numbers. See further details here.

Article Metrics

Back to TopTop