Abstract
To release the environmental pressure from the massive discharge of bauxite residue (red mud), a novel recycling method of red mud in steel making process was investigated through high-temperature experiments and thermodynamic analysis. The results showed that after the reduction roasting of the carbon-bearing red mud pellets at 1100–1200 °C for 12–20 min, the metallic pellets were obtained with the metallization ratio of ≥88%. Then, the separation of slag and iron achieved from the metallic pellets at 1550 °C, after composition adjustment targeting the primary crystal region of the 12CaO·7Al2O3 phase. After iron removal and composition adjustment, the smelting-separation slag had good smelting performance and desulfurization capability, which meets the demand of sulfurization flux in steel making process. The pig iron quality meets the requirements of the high-quality raw material for steel making. In virtue of the huge scale and output of steel industry, the large-scale consumption and zero-waste recycling method of red mud was proposed, which comprised of the carbon-bearing red mud pellets roasting in the rotary hearth furnace and smelting separation in the electric arc furnace after composition adjustment.
1. Introduction
Red mud is a product term that refers to the industrial solid waste discharged during the Al2O3 production from bauxite. The most commonly utilized method for Al2O3 production is the Bayer process, in which NaOH is used to dissolve bauxite. Also, the slurry sludge that is separated after dissolution is the red mud. Each year, approximately 140 million tons of red mud is generated worldwide [1]. By the end of 2015, the stock of red mud exceeded 2.7 × 109 tons [2]. The stacking of red mud occupies a substantial amount of land and consumes increased amounts of construction and maintenance costs of a yard. The alkali in the red mud infiltrates the ground and results in groundwater and soil contaminations. The dust formed by the naked red mud is dispersed in the wind and pollutes the atmosphere, which causes negative impacts on the survival of humans, animals and plants, polluting the ecological environment. Due to the dike breach of a red mud stockpiling yard, between 600,000 and 700,000 m3 of red mud was released at the Ajkai Timfoldgyar Zrt alumina plant in Hungary on 4 October 2010, which caused serious environmental pollution [3]. Therefore, it is indispensable and quite urgent to promote the detoxification and reduction treatment for red mud. At the same time, the red mud contains a certain amount of Fe, Al, Si, as well as low amounts of rare metal elements, consequently displaying a recycling value. Currently, the integrated utilized approach and method for red mud are mainly focused on the production of building materials [4,5,6], the application in environmental protection [7,8,9], the application in industrial catalysts [10], the soil amendment and the extraction of valuable metal elements [11,12,13,14]. Although there are many kinds of recycling methods of red mud, the treatment capacity is still limited relative to the huge discharged amount of red mud. Therefore, a lack for a processing approach still exists, with which, high amounts of red mud could be utilized and have industrial competitiveness.
In general, the iron oxide accounts for over 60 wt % of the red mud produced by the Bayer process. The reduction roasting technology utilization for red mud processing can accomplish the recycling and utilization of iron resources but the residuals still cause severe environmental pressure [15]. Following the removal of iron, the main components of red mud are SiO2, Al2O3 and a low amount of CaO, with a composition similar to the calcium aluminate-refining slag, used in steel making as desulfurization flux. If the red mud following the iron removal is processed into the desulfurization flux used in steel making, the zero-waste target of red mud disposal could be reached. In 2017, the global production of crude steel exceeded 1.6 billion tons. Generally speaking, the consumption of desulfurization flux per ton of steel was approximately 5~15 kg [16,17], indicating that the steel industry has a huge demand for desulfurization fluxes. If the recycling of iron from red mud and the application of red mud in desulfurization are simultaneously achieved, the large-scale consumption of red mud and the high-value added utilization of red mud are expected to be accomplished.
In the present paper, the combined process of carbon-bearing pellet roasting (pre-reduction) and the smelting separation (final reduction) was studied through high-temperature simulated experiments; the desulfurization capability of the smelting-separation slag after iron removal and composition adjustment was evaluated through the calculations of the melting point and sulfur capability. Furthermore, the large-scale consumption and zero-waste recycling method of red mud was proposed.
2. Experimental
2.1. Roasting of the Carbon-Bearing Pellets (Pre-Reduction)
Table 1 shows the composition of the red mud, which was supplied by the CHALCO Shandong Co., LTD (Zibo, China) and produced by the Bayer process. Table 2 shows the composition of the semi-coke used as reductant, which was produced from the Shenfu coal field in Yulin, China. The chemical compositions were analyzed by X-ray Fluorescence Spectrometer (XRF) (Rigaku Corporation, Tokyo, Japan) and chemical analysis. The pressure-forming pellets were prepared by adding some water (0.4–0.6 mL) into the uniform mixed powders (8.50 g), which were comprised of red mud powders (6.83 g) and semi-coke powders (1.67 g) with the particle size of <0.074 mm and pressing at the pressure of 30 MPa in a mold. Then, the pellets were heated at 110 °C for four hours. Considering the reduction reaction of the iron oxides and carburization of the iron product, the molar ratio of carbon and oxygen (only in iron oxides) in the pellets is 1.2:1.
Table 1.
Chemical composition of the red mud (mass%).
Table 2.
Chemical composition of the semi-coke (mass%).
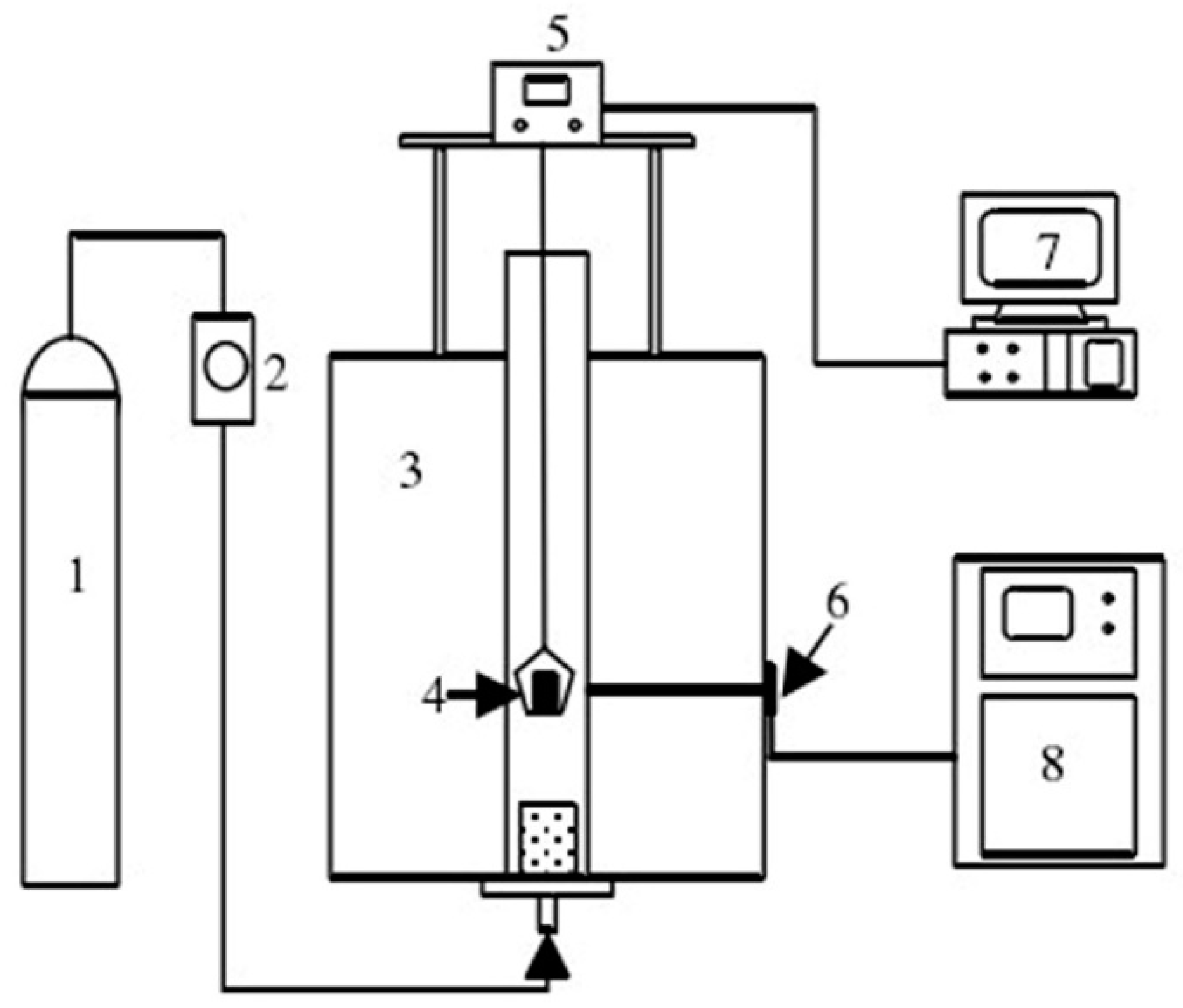
The reduction roasting experiments were carried out in a vertical tube furnace shown in Figure 1. When the temperature of the heating zone in the furnace reached at an appointed temperature (900 °C, 1000 °C, 1100 °C, 1200 °C, 1300 °C), argon gas swept through the bottom of the furnace with a flow rate of 1 L·min−1. Then, the molybdenum basket loading of 5 pellets hung under the electronic balance with the accuracy of ±0.1 mg and the weight data acquisition program simultaneously launched by the computer with a time interval of 30 s. After the weight data maintained at a steady value for 300 s, the molybdenum basket was taken out and the pellets cooled by blowing with argon gas. The content of total Fe and metallic Fe in the pellets was determined using the potassium dichromate volumetric method according to the Chinese standard (GB/T6730.5-2007) and the content of carbon in the pellets was determined using infrared absorption method.
Figure 1.
Schematic diagram of the reduction roasting experimental apparatus (1—argon cylinder; 2—flowmeter; 3—furnace; 4—molybdenum basket; 5—electronic balance; 6—Thermocouple; 7—data logging device; 8—temperature control device).
2.2. Smelting Separation (Final Reduction)
Following the iron oxides reduction in red mud, the melting point of the slag system formed by the residual oxides is the key factor determining the smelting separation performance of the slag-iron system. In this study, the CaO-SiO2-Al2O3 phase diagram [18] was selected as the basis for the slag system composition adjustment in the smelting separation. The positions of the circle in Figure 2 corresponded to the positions of CaO, SiO2 and Al2O3 components in the red mud following iron removal, while the corresponding composition of the dotted line could be obtained simply through the CaO content adjustment. Among these positions, the No. 1 square position had a low melting point and was selected for the composition adjustment; the No. 4 square position was located in the primary crystal region of the 12CaO·7Al2O3 phase with a low melting point, while the No. 2, 3 and 5 square positions were located around the primary crystal region of 12CaO·7Al2O3, all of which had low melting points. The slag compositions of Nos. 1~5 that are listed in Table 3 were selected as the targets for the composition adjustment of the metallized pellets obtained during pre-reduction. The smelting separation (final reduction) experiments were carried out for the metallized pellets after composition adjustment.
Figure 2.
Composition design of smelting separation slag based on the phase diagram of CaO-SiO2-Al2O3.
Table 3.
Target of composition adjustment for smelting separation slag (mass%).
Following the pre-reduction at 1200 °C, the metallized pellets were crushed and ground. According to the composition listed in Table 3, CaO and Al2O3 were added into the pellet powders accordingly to adjust the composition. All components were uniformly mixed and placed into a graphite crucible. When the tubular furnace, as presented in Figure 3, was heated to 1550 °C, the graphite crucible was placed in the constant-temperature zone of the furnace, where it was retained for 40 min and cooled down inside the furnace, with a cooling rate of 5 °C·min−1. The chemical composition of the slag phase was determined by XRF; the content of carbon and sulfur in the iron phase was determined using infrared absorption method; the content of phosphorus and silicon in the iron phase was determined by inductively coupled plasma optical emission spectrometry (ICP-OES).
Figure 3.
Schematic diagram of smelting separation experimental apparatus (1—argon cylinder; 2—silica gel; 3—molecular sieve; 4—flowmeter; 5—refractory brick; 6—alumina furnace tube; 7—thermocouple I; 8—furnace body; 9—thermocouple compensation wire; 10—power wires; 11—thermocouple II and compensation wire; 12—temperature control device 13—furnace lid; 14—MoSi2 heating element; 15—protective crucible; 16—graphite crucible).
3. Results and Discussion
3.1. Pre-Reduction of Iron Oxides in Red Mud
Figure 4 presents the XRD pattern of the red mud. The XRD analysis result indicated that the red mud phase is mainly composed of α-goethite (α-FeO(OH)), hematite (Fe2O3) and bauxite (Al2O3·xH2O). In addition, high amounts of non-crystalline minerals existed.
Figure 4.
XRD analysis of the red mud.
The reduction roasting of iron oxides in red mud follows a stepwise principle. As it could be observed from Equations (1)–(4), the iron oxides could be converted into metallic iron, according to the sequence of Fe2O3→Fe3O4→FeO→Fe. Subsequently, the metallic iron could be converted into Fe3C through a further carburizing reaction.
3Fe2O3(s) + C(s) = 2Fe3O4(s) + CO(g)
Fe3O4(s) + C(s) = 3FeO(s) + CO(g)
FeO(s) + C(s) = Fe(s) + CO(g)
3Fe(s) + C(s) = Fe3C(s)
When the Boudouard reaction, as presented in Equation (5), occurs intensively, the reductant that is in direct contacts with the iron oxide changes to CO [19]. When the temperature is below 570 °C, the FeO has a decomposition reaction as presented in Equation (6). Therefore, the CO reduction sequence for iron oxides is Fe2O3 → Fe3O4 → FeO → Fe at temperatures above 570 °C as shown in Equations (7)–(9), while the sequence changes to Fe2O3 → Fe3O4 → Fe when the temperature is below 570 °C as shown in Equations (7) and (10).
C(s) + CO2(g) = 2CO(g)
4FeO(s) = Fe3O4(s) + Fe(s)
3Fe2O3(s) + CO(g) = 2Fe3O4(s) + CO2(g)
When above 570 °C,
Fe3O4(s) + CO(g) = 3FeO(s) + CO2(g) (>570 °C)
FeO(s) + CO(g) = Fe(s) + CO2(g) (>570 °C)
When below 570 °C,
Fe3O4(s) + 4CO(g) = 3Fe(s) + 4CO2(g) (<570 °C)
Based on the weight-loss method, the reaction fraction, f, which represent the reduction degree of iron oxides can be calculated using Equation (11) [20]. The relationship between the reduction degree and time during the roasting of carbon-bearing red mud pellets was measured through thermogravimetry experiment and is presented in Figure 5. It could be observed from Figure 5 that the effect of temperature on reduction was significant. The reduction extent increased as both the temperature and reaction time increased. Also, the reduction was accelerated as the temperature increased.
where f is the reaction fraction, ΔWt is the weight loss at the time of t (g), ΔWmax is the maximum theoretical reduction weight loss (g), W0 is the initial weight of the pellets (g), Wt is the weight of the pellets at the time of t (g), WO is the oxygen weight of the iron oxides in the pellets (g), MCO is the molar mass of the carbon monoxide (g·mol−1), MO is the molar mass of the oxygen (g·mol−1).
Figure 5.
Variation of reaction fraction at different times in the roasting process.
The effects of roasting temperature on the metallization ratio of pellets and the residual carbon content in pellets are presented in Figure 6. In the temperature range of 900–1200 °C, as the roasting temperature increased, the metallization ratio of the pellets increased. The main reason was that the reduction reaction of iron oxides was an endothermic reaction. Consequently, the higher temperature shifted the reaction to its positive direction. In addition, the temperature increase could promote the gasification reaction of carbon (Boudouard reaction) and the aggregation of metallic iron. If the temperature increased beyond 1200 °C, the metallization ratio of pellets did not apparently vary and it increased by only 0.7%. The reason was that, under high temperature, the FeO reduced from the iron oxides in the red mud was easy to react with SiO2, consequently forming fayalite (2FeO·SiO2). The reactions are presented as Equations (12). The fayalite exhibited a liquid phase under high temperature due to its melting point of 1205 °C and the liquid phase trapped portions of red mud and carbon particles. The entrapment prevented the contact between the solid phases or the contact between the gas and solid phases, leading to lower surface area of contact, which resulted in a barrier formation, inhibiting the metallization ratio increase. In addition, the liquid phase filled the pores inside the pellets and increased the diffusion resistance for both CO and CO2, which deteriorated the kinetic conditions of reduction.
2FeO(s) + SiO2(s) = 2FeO·SiO2(s)
Figure 6.
Effect of roasting temperature on metallization ratio and residual carbon.
With regards to the aforementioned analysis, the optimal temperature range for reduction roasting was 1100–1200 °C. After reduction for 12–20 min under these temperatures, the metallization ratio of carbon-bearing red mud pellets could reach up to 88%, demonstrating a good reduction.
3.2. Smelting Separation and Final Reduction Following Composition Adjustment
Figure 7 presents the materials inside the crucible after high-temperature smelting separation. The No. 1 experimental sample did not achieve the separation of slag and iron and a high amount of slag particles were adhered on the crucible wall. The morphology indicated that a severe foaming phenomenon of slag occurred at 1550 °C and a portion of slag was spilt over the crucible, along with particles of metallic iron. As presented in the No. 3 experimental sample morphology, the milky white material was slag and the iron droplets settled down and aggregated into iron beads, indicating a better separation of slag and iron. Following smelting separation, the phase composition of iron is presented in Table 4. According to the Chinese National Standard of GB/T717-1998, the composition of pig iron was in agreement with the “L04” level, consequently belonging to the high-quality raw material for steel making. Figure 8 presents the recovery of iron in the metallic phase during the smelting separation of No. 2–No. 5 samples. Except the lower iron recovery (72.5%) of No. 2 sample, all the recoveries of No. 3, No. 4 and No. 5 samples were beyond 92%.
Figure 7.
Picture of materials inside the crucible after smelting separation.
Table 4.
Composition of the metallic phase after smelting separation (mass%).
Figure 8.
Recovery of iron in the metallic phase after smelting separation.
The smelting separation of metallized pellets included two basic physical processes: the smelting of metallized pellets and the slag-metal interface formation. The final reduction of iron oxides accompanied these two physical processes. Consequently, the entire smelting separation could be described as follows:
- (a)
- Metallized pellets began to smelt when the melting temperature was reached;
- (b)
- As the temperature increased further, the crystalline grains of metallic iron aggregated and grew. The iron began to settle down at the bottom of the graphite crucible, forming liquid iron and becoming separated from the slag, indicating the slag-metal interface formation.
- (c)
- The residual iron oxides in the slag at the slag-metal interface could have interfacial chemical reactions with [C] in the liquid iron. The generated gas could float inside the smelting-separation slag and discharge the slag. The newly-formed droplets of liquid iron settled down underneath the slag-metal interface.
The composition of smelting-separation slag is presented in Table 5. It could be observed from the composition that the contents of T.Fe in the smelting-separation slag were below 0.5%, indicating the good reduction and separation performance for slag and iron. Also, the phosphorus and sulfur contents in the slag were low.
Table 5.
Chemical composition of the slag after smelting separation (mass %).
Figure 9 presents the XRD analysis results of the smelting-separation slag. The XRD analysis results demonstrated that the main phase in the No. 1 experimental slag was 2CaO·Al2O3·SiO2, along with the incompletely reduced FeO and ilmenite, formed by the reaction between FeO and TiO2. In the No. 2 experimental slag, the FeO and FeO·TiO2 disappeared and the main phases were two phases with high melting points: 2CaO·Al2O3·SiO2 and CaO·TiO2. The main phases in the No. 3 and No. 4 experimental slags were 12CaO·7Al2O3 and CaO·TiO2, while the former 12CaO·7Al2O3 with a low melting temperature was dominant. Besides the 12CaO·7Al2O3 and CaO·TiO2 phases existence, the CaO·Al2O3 phase with a relatively higher melting point existed.
Figure 9.
XRD analysis of the smelting separation slags including No. 1 slag, No. 2 slag, No. 3 slag, No. 4 slag, and No. 5 slag.
Figure 10 presents the isothermal liquidus curves of the CaO-Al2O3-SiO2-6.8 mass% TiO2-3.0 mass% Na2O slag system and CaO-Al2O3-SiO2-3.5 mass% TiO2-1.5 mass% Na2O slag system. These isothermal liquidus curves were calculated with the FactSage software (version 7.1) [21]. It could be observed from Figure 10 that the No. 1 experimental slag melting point was approximately 1500 °C and the experimental temperature was 1550 °C. Therefore, the degree of superheat was only 50 °C. The lower degree of superheat resulted in higher viscosity and poorer fluidity of the slag, which was unfavorable to the smelting reduction reaction as well as to the separation of slag and iron, consequently leading to unreduced FeO and FeO·TiO2 existing in the slag as shown in Figure 9. The presence of 2CaO·Al2O3·SiO2 in the No. 2 experimental slag and CaO·Al2O3 in No. 5 experimental slag led to the higher melting points (1400–1500 °C) compared to the No. 3 and No. 4 experimental slags (1300–1400 °C). Correspondingly, the iron recovery of the No. 2 and No. 5 experimental systems was also lower compared to the No. 3 and No. 4 experimental systems. The results indicated that the melting point of the slag system directly affected the separation effect between the slag and the iron. In the gray areas of Figure 10, the melting points of the slag systems were below 1400 °C. It could be inferred that a better separation effect between slag and iron could be achieved through the smelting-separation slag composition adjustment within the dark area.

Figure 10.
Isothermal liquidus curves of the CaO-Al2O3-SiO2-6.8 mass% TiO2-3.0 mass% Na2O slag system (a) and CaO-Al2O3-SiO2-3.5 mass% TiO2-1.5 mass% Na2O slag system (b).
3.3. Sulfur Capacity of Smelting-Separation Slag
In the following section, the desulfurization performance of smelting-separation slag was evaluated through the sulfur capacity (CS) calculation.
Duffy et al. proposed the equation for the mean optical basicity calculation of a multi-component slag, as presented in Equations (13) and (14) [22].
where is the mean optical basicity of the slag; is the optical basicity of component i, i represents the component in the slag; is the molar fraction of oxygen ion of component i in the slag; is the molar number of oxygen ion in component i; is the molar fraction of component i in the slag.
Table 6 presents the optical basicity of oxides in red mud. The desulfurization capability of slag is related to its optical basicity. The mean optical basicity of the smelting-separation slag was calculated through Equations (13) and (14), while the results are presented in Table 7.
Table 6.
Optical basicity of the oxides in red mud.
Table 7.
Average optical basicity of the smelting separation slag.
According to the data calculation results listed in Table 7, the optical basicity range of the smelting-separation slag was 0.73–0.78. When < 0.8, the relationship between CS and can be presented in Equation (15) [23].
where T is the temperature, K; (%SiO2) is the mass fraction of SiO2 in the slag, %; (Al2O3) is the mass fraction of Al2O3 in the slag, %.
With the liquid steel composition consideration, as listed in Table 8, as the representative of molten steel, the sulfur ratio (LS) between slag and molten steel at 1600 °C was calculated based on Equation (16) [24].
where T is the temperature, K; is the mass fraction of sulfur in the slag, %; is the mass fraction of sulfur in the molten steel, %; is the activity coefficient of sulfur in the molten steel; is the activity of oxygen in the molten steel.
Table 8.
Chemical composition of molten steel (mass%).
The activity interaction coefficients of the elements in the molten steel were calculated through the Wagner equation, as presented in Equation (17) and the activities of the elements in the molten steel were calculated through Equation (18). The activity interaction coefficients between sulfur or aluminum and other elements in molten steel are listed in Table 9.
where fi is the activity coefficient of element i in the molten steel, i represents the dissolved element in the molten steel; represents the interaction coefficient of j to i; is the mass fraction of element j in the molten steel, %; is the activity of element i in the molten steel.
Table 9.
Activity interaction coefficients in molten steel.
The was calculated through the reaction between dissolved aluminum and oxygen in molten steel shown as Equation (19).
where is the standard Gibbs free energy change of Equation (19); is the actual Gibbs free energy change of Equation (19); T is the thermodynamic temperature, K; R is the universal gas constant; K is the equilibrium constant, which can be expressed in Equation (22) when is zero.
where is the activity of Al2O3 in the slag; is the activity of dissolved aluminum in the molten steel, which was calculated through Equations (17) and (18). At 1600 °C, the activity of Al2O3 in the slag can be expressed through Equation (23) [25].
where (%CaO) is the mass fraction of CaO in the slag, %; (%MgO) is the mass fraction of MgO in the slag, %; (%SiO2) is the mass fraction of SiO2 in the slag, %; (%Al2O3) is the mass fraction of Al2O3 in the slag, %.
2[Al] + 3[O] = Al2O3(S)
Finally, was calculated through Equation (22) and then substituted into Equation (16). The sulfur capacity of smelting-separation slag (CS) and the equilibrium distribution ratio (LS) of sulfur between slag and molten steel at 1600 °C can be obtained. The calculated results are presented in Table 10.
Table 10.
Calculation results of the sulfur capacity and the equilibrium distribution ratio of sulfur between slag and molten steel at 1600 °C.
The calculation results in Table 10 indicated that the lgCS range of smelting-separation slag was −2.71 to −2.21. It was reported that the lgCS range of the CaO-SiO2-CaF2 slag system was −4.0 to −2.0 and the lgCS range of the CaO-Al2O3-SiO2-CaF2 slag system was −3.5 to −2.5 [26]. The above-mentioned two slag systems are the classic desulfurization flux used in the refining process of steel making. The comparison indicated that the smelting-separation slag had a higher sulfur capacity than the classic desulfurization flux. By comparing the calculation results listed in Table 10, the No. 3 and No. 4 experimental slags had higher sulfur capacities, with the corresponding distribution ratios of sulfur between slag and iron reaching up to 1086.27 and 372.81, which are sufficient for desulfurization of steel making, respectively.
3.4. Process Flow
It could be inferred that after the composition adjustment of metallic pellets, according to the gray area in Figure 10, the smelting-separation slag had a lower melting point, an improved fluidity, an improved separation effect and a higher sulfur capacity. Therefore, a zero-waste process for recycling red mud could be proposed, as presented in Figure 11. During this flow, the pig iron and desulfurization flux used in steel making process were prepared through the combined process of the carbon-bearing red mud pellets roasting and smelting separation after composition adjustment. The new process could be carried out with a rotary hearth furnace for reduction roasting. Then, the reduced pellets could be directly thermally-loaded into an electric arc furnace for composition adjustment and smelting separation. The pig iron quality obtained could meet the requirements of steel making and the slag could have good smelting performance and desulfurization capability. The process combines the alumina and steel industries techniques, which could not only solve the problem of red mud processing in the alumina plant but also assist the iron and steel enterprises to reduce their production cost and improve their market competitiveness. The steel industry has a huge scale and output; therefore, the recycling of red mud in steel making process would significantly consume red mud along with its utilization and have a wide range of prospects.
Figure 11.
A new process for recycling of red mud.
4. Conclusions
In this study, a novel recycling method of bauxite residue (red mud) was investigated through high-temperature experiments and thermodynamic analysis. The results are shown as follows.
- (1)
- After the reduction roasting of the carbon-bearing red mud pellets at 1100–1200 °C for 12–20 min, the metallization ratio of pellets reached up to 88%.
- (2)
- After composition adjustment targeting the primary crystal region of the 12CaO·7Al2O3 phase, the separation of slag and iron achieved from the metallic pellets at 1550 °C. The pig iron quality obtained could meet the requirements of the high-quality raw material for steel making and the recovery of iron was beyond 92%.
- (3)
- After iron removal and composition adjustment within the optimized composition zone in the CaO-Al2O3-SiO2-TiO2-Na2O slag system, the smelting-separation slag had the low melting point (≤1400 °C) and the high desulfurization capability, which meets the demand of desulfurization flux in steel making process.
- (4)
- In virtue of the huge scale and output of steel industry, the large-scale consumption and zero-waste recycling method of red mud was proposed, which comprised of the carbon-bearing red mud pellets roasting in the rotary hearth furnace and smelting separation in the electric arc furnace after composition adjustment.
Acknowledgments
Financial support to this project is provided by the National Key R & D Program of China (Grant No. 2017YFC0805100), the National Natural Science Foundation of China (Grant No. 51774087), the Fundamental Research Funds for the Central Universities (Grant No. N162504015), the China Scholarship Council (Grant No. 201706085022).
Author Contributions
Bo Zhang and Chengjun Liu conceived and designed the experiments; Guoshan Ning and Shuai Li performed the experiments; Guoshan Ning, Shuai Li and Yun Ye analyzed the data; Maofa Jiang contributed reagents/materials/analysis tools; Bo Zhang and Guoshan Ning wrote the paper.
Conflicts of Interest
The authors declare no conflict of interest.
References
- Evans, K. The history, challenges, and new developments in the management and use of bauxite residue. J. Sustain. Metall. 2016, 2, 316–331. [Google Scholar] [CrossRef]
- Klauber, C.; Gräfe, M.; Power, G. Bauxite residue issues: II. Options for residue utilization. Hydrometallurgy 2011, 108, 11–32. [Google Scholar] [CrossRef]
- Borra, C.R.; Blanpian, B.; Pontikes, Y.; Binnemans, K.; Gerven, T.V. Recovery of rare earths and other valuable metals from bauxite residue (Red Mud): A Review. J. Sustain. Metall. 2016, 2, 365–386. [Google Scholar] [CrossRef]
- Kalkan, E. Utilization of red mud as a stabilization material for the preparation of clay liners. Eng. Geol. 2006, 87, 220–229. [Google Scholar] [CrossRef]
- Kumar, S.; Kumar, R.; Bandopadhyay, A. Innovative methodologies for the utilisation of wastes from metallurgical and allied industries. Resour. Conserv. Recycl. 2006, 48, 301–314. [Google Scholar] [CrossRef]
- Binnemans, K.; Jones, P.T.; Blanpain, B.; Van, G.T.; Pontikes, Y. Towards zero-waste valorisation of rare-earth-containing industrial process residues: A critical review. J. Clean. Prod. 2015, 99, 17–38. [Google Scholar] [CrossRef]
- Lopez, E.; Soto, B.; Arias, M. Adsorbent properties of red mud and its use for wastewater treatment. Water Res. 2008, 32, 1314–1322. [Google Scholar] [CrossRef]
- Altundoğan, H.S.; Altundoğan, S.; Tümen, F.; Bildik, M. Arsenic adsorption from aqueous solutions by activated red mud. Waste Manag. 2002, 22, 357–363. [Google Scholar] [CrossRef]
- Wang, S.; Ang, H.M.; Tadé, M.O. Novel applications of red mud as coagulant, adsorbent and catalyst for environmentally benign processes. Chemosphere 2008, 72, 1621–1635. [Google Scholar] [CrossRef] [PubMed]
- Sushil, S.; Alabdulrahman, A.M.; Balakrishnan, M.; Batra, V.S.; Blackley, R.A.; Hargreaves, J.S.J.; Monaghan, A.; Pulford, I.D.; Rico, J.L.; Zhou, W. Carbon deposition and phase transformations in red mud on exposure to methane. J. Hazard. Mater. 2010, 180, 409–418. [Google Scholar] [CrossRef] [PubMed]
- Jayasankar, K.; Ray, P.K.; Chaubey, A.K.; Padhi, A.; Satapathy, B.K.; Mukherjee, P.S. Production of pig iron from red mud waste fines using thermal plasma technology. Int. J. Miner. Metall. Mater. 2012, 19, 679–684. [Google Scholar] [CrossRef]
- Wang, W.; Pranolo, Y.; Cheng, C.Y. Recovery of scandium from synthetic red mud leach solutions by solvent extraction with D2EHPA. Sep. Purif. Technol. 2013, 108, 96–102. [Google Scholar] [CrossRef]
- Qu, Y.; Lian, B. Bioleaching of rare earth and radioactive elements from red mud using penicillium tricolor RM-10. Bioresour. Technol. 2013, 136, 16–23. [Google Scholar] [CrossRef] [PubMed]
- Smirnov, D.I.; Molchanova, T.V. The investigation of sulphuric acid sorption recovery of scandium and uranium from the red mud of alumina production. Hydrometallurgy 1997, 45, 249–259. [Google Scholar] [CrossRef]
- Liu, Y.J.; Naidu, R. Hidden values in bauxite residue (red mud): Recovery of metals. Waste Manag. 2014, 34, 2662–2673. [Google Scholar] [CrossRef] [PubMed]
- Lehmann, J.; Nadif, M. Interactions between metal and slag melts: Steel desulfurization. Rev. Mineral. Geochem. 2011, 73, 493–511. [Google Scholar] [CrossRef]
- Ghost, A. Secondary Steelmaking: Principles and Applications; CRC Press: Boca Raton, FL, USA, 2001; pp. 187–223. ISBN 0-8493-0264-1. [Google Scholar]
- Allibert, M.; Gaye, H.; Geiseler, J.; Janke, D.; Kowalski, M.; Lehmann, J.; Mills, K.C.; Neuschütz, D.; Parra, R.; Saint-Jours, C.; et al. Slag Atlas, 2nd ed.; Verlag Stahleisen GmbH: D-Düsseldorf, Germany, 1995; p. 105. ISBN 3-514-00457-9. [Google Scholar]
- Tiwari, P.; Bandyopadhyay, D.; Ghosh, A. Kinetics of gasification of carbon and carbothermic reduction of iron oxide. Ironmak. Steelmak. 1992, 19, 464–468. [Google Scholar]
- Wang, Q.; Yang, Z.; Tian, J.; Li, W.; Sun, J. Mechanisms of reduction in iron ore coal composite pellet. Steel Res. 1997, 24, 457–460. [Google Scholar]
- Bale, C.W.; Chartrand, P.; Decterov, S.A. FactSage thermochemical software and databases. Calphad 2002, 26, 189–228. [Google Scholar] [CrossRef]
- Duffy, J.A. A review of optical basicity and its applications to oxidic systems. Geochim. Cosmochim. Acta 1993, 57, 3961–3970. [Google Scholar] [CrossRef]
- Young, R.W.; Duffy, J.A.; Hassall, G.J.; Xu, Z. Use of optical basicity concept for determining phoshphorus and sulphur slag-metal partitions. Ironmak. Steelmak. 1992, 19, 201–219. [Google Scholar]
- Görnerup, M. Studies of Slag Metallurgy in Stainless Steelmaking. Doctor’s Thesis, Royal Institute of Technology, Stockholm, Sweden, 1997. [Google Scholar]
- Ohta, H.; Suito, H. Activities of SiO2 and Al2O3 and activity coefficients of FetO and MnO in CaO-SiO2-Al2O3-MgO slags. Metall. Mater. Trans. B 1998, 29, 119–129. [Google Scholar] [CrossRef]
- Zhang, G.H.; Chou, K.C.; Pal, U. Estimation of sulfide capacities of multicomponent slags using optical basicity. ISIJ Int. 2013, 53, 761–767. [Google Scholar] [CrossRef]
© 2018 by the authors. Licensee MDPI, Basel, Switzerland. This article is an open access article distributed under the terms and conditions of the Creative Commons Attribution (CC BY) license (http://creativecommons.org/licenses/by/4.0/).











