Potential Reuse of Ladle Furnace Slag as Cementitious Material: A Literature Review of Generation, Characterization, and Processing Methods
Abstract
1. Introduction
- Conversion slag or basic oxygen furnace slag (BOFS) resulting from the refining of crude iron. During this process, the crude iron from the blast furnace is burned to remove carbon and oxidize impurities.
- Electric arc furnace slag (EAFS) from steel production. These furnaces are fed by recycled scrap but also by crude iron. Depending on the quality of the steel produced, two types of EAFS can be distinguished: EAFS type C (EAFS-C) if the steel is carbon alloyed and EAFS type S (EAFS-S) if the steel is of stainless quality.
- Argon oxygen decarburization (AOD) converter resulting from the decarburization and desulfurization of stainless steel in an AOD converter.
- Ladle furnace slag (LFS) generated from the refining of steel in a ladle furnace.
2. Production and Properties of LFSs
2.1. Production and Use of LFSs
2.2. Properties of LFSs
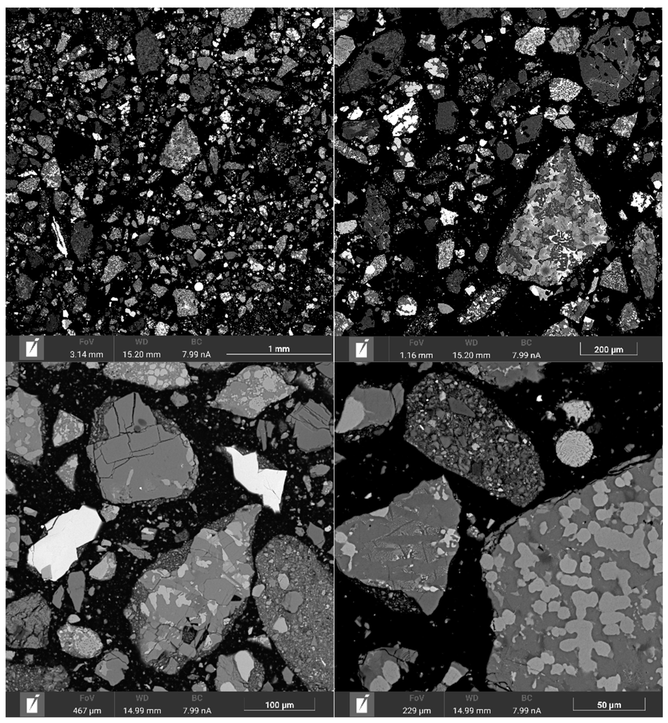
2.2.1. Physical and Morphological Properties of LFSs
2.2.2. Chemical Composition of LFSs
| Statistic | Mb1 | Mb2 | Mb3 | HI |
|---|---|---|---|---|
| Mean | 4.96 | 4.33 | 2.04 | 0.63 |
| Standard deviation | 7.83 | 7.35 | 0.58 | 0.25 |
| Minimum | 0.83 | 0.75 | 0.81 | 0.26 |
| Maximum | 81.18 | 76.52 | 4.91 | 1.73 |
2.2.3. Mineralogical Composition of LFSs
| N° | Oxides (%) | References | |||||
|---|---|---|---|---|---|---|---|
| CaO | SiO2 | Al2O3 | Fe2O3 | MgO | Others, f-CaO, f-MgO, and LOI (*) | ||
| 1 | 40.7 | 22.2 | 18.4 | 0.27 | 14.5 | MnO = 0.4; P2O5 = 0.1; T-Fe = 0.19; TiO2 = 0.23; CaF2 = 1.57; f-CaO = 0.1 | Iguchi et al. [119] |
| 2 | 52.49 | 28.2 | 9.22 | 0.93 | 5.46 | TiO2 = 0.77 | Sun et al. [120] |
| 3 | 39.84 | 7.52 | 30.65 | 13.1 | 5.54 | others = 3.35 | Cho et al. [121] |
| 4 | 26 | 6.8 | 36.3 | 14.56 | 9.1 | FeO = 13.1; S = 0.01 | Posch et al. [122] |
| 5 | 39.2 | 6.9 | 34.3 | 6 | 9.2 | FeO = 5.4; S = 0.02 | |
| 6 | 50.9 | 4.2 | 29.5 | 4.22 | 8.3 | FeO = 3.8; S = 0.21 | |
| 7 | 55.1 | 9.6 | 23.3 | 1.11 | 9.9 | FeO = 1.0; S = 0.35 | |
| 8 | 50 | 6 | 29 | 3.11 | 9 | FeO = 2.8; MnO = 1.8; P2O5 = 0.4; S = 0.5 | Aminorroaya-Yamini et al. [55]; Varanasi et al. [44] |
| 9 | 49 | 6.4 | 28 | 5.45 | 8.6 | FeO = 4.9; MnO = 1.9 | |
| 10 | 56.25 | 9.65 | 14.01 | 4.81 | 5.88 | Fe = 1.68; FeO = 0.57; MnO = 0.13; P2O5 = 0.086; S = 0.87; f-CaO = 0.205 | Mihok et al. [123] |
| 11 | 56.34 | 9.31 | 18.58 | 4.78 | 13.04 | Fe = 1.67; FeO = 1.29; MnO = 0.277; P2O5 = 0.036; S = 0.583; f-CaO = 0.002 | |
| 12 | 54.1 | 32.5 | 2.5 | 1.91 | FeO = 1.72; Na2O = 0.34; K2O = 0.04; Cl− = 0.03; SO42− = 0.21; LOI (950°) = 3.19 | Papayianni and Anastasiou [93] | |
| 13 | 42 | 21 | 12 | 1.11 | 6 | MnO = 4; FeO = 1; others = 6 | Cavallotti et al. [124] |
| 14 | 42.5 | 14.2 | 22.9 | 2.23 | 12.6 | FeO = 0.5; Fe = 0.4; MnO = 0.2; (Cr = 2700; Mo = 280; Zn = 370; Ni = 70; Cu = 20; K = 80; Ti = 840; V = 280 in ppm) | Tossavainen et al. [16] |
| 15 | 58.1 | 26.4 | 4.6 | 4.78 | 6.2 | FeO = 4.30; MnO = 2.18; P2O5 = 0.05; TiO2 = 0.74; S = 0.15; K2O = 0.03 | Bonenfant et al. [94] |
| 16 | 51 | 17.65 | 11.36 | 0.71 | 13.2 | Na2O = 0.63; SO3 = 2.30; K2O = 0.42; TiO2 = 2.51 | Branca et al. [17] |
| 17 | 58.09 | 9.52 | 15.71 | 0.86 | 4.83 | TiO2 = 1.15; MnO = 0.10; Na2O = 0.04; K2O = 0.01; SO3 = 1.79; CO2 = 0.3; LOI = 6.67 | Monkman et al. [75] |
| 18 | 56 | 17 | 11 | 2 | 10 | ∑others (MnO + TiO2 + SO3 + Na2O + K2O) = 4; f-CaO + Ca(OH)2 = 12; f-MgO = 6; LOI = 5 | Manso et al. [30]; Rodriguez et al. [54]; Manso et al. [62]; Prieto et al. [125] |
| 19 | 55 | 15 | 12.5 | 2.1 | 7.5 | MnO = 0.36; K2O = 0.02; Na2O = 0.03; Cr2O3 = 0.01; P2O5 < 0.001; TiO2 = 0.33; S = 0.9; LOI = 5.5; C = 0.12; f-CaO = 19; f-MgO = 3 | Setién et al. [76] |
| 20 | 57.5 | 19.8 | 4.3 | 3.3 | 11.6 | MnO = 0.42; K2O = 0.015; Na2O = 0.065; Cr2O3 = 0.1; P2O5 < 0.01; TiO2 = 0.18; S = 1.04; LOI = 1.2; C = 0.05; f-CaO = 3.5; f-MgO = 10 | |
| 21 | 50.5 | 12.6 | 18.6 | 1.6 | 11.9 | MnO = 0.52; K2O = 0.012; Na2O = 0.055; Cr2O3 = 0.01; P2O5 < 0.001; TiO2 = 0.89; S = 1.5; LOI = 2.1; C = 0.04; f-CaO = 9.5; f-MgO = 8 | |
| 22 | 37.4 | 50.1 | 1.62 | 2.63 | 4.25 | FeO = 2.37; f-CaO = 0.8; reactive SiO2 = 20.4; SO3 = 0.2; Na2Oeq = 0.39; LOI = 2.06 | Papayianni and Anastasiou [126] |
| 23 | 40 | 5 | 32.5 | 5.33 | 5.9 | FeO = 4.8; Mn2O3 = 8.1; K2O = 0.1; TiO2 = 0.6; LOI = 2 | Adolfsson et al. [89] |
| 24 | 51.5 | 28.3 | 1.2 | 11.3 | Cr2O3 = 3.9; others = 3.8 | Kriskova et al. [24] | |
| 25 | 55.7 | 26.1 | 2 | 1.5 | 4.3 | f-CaO = 0.8; reactive SiO2 = 20.5; K2O = 0.2; Na2O = 0.9; SO42− = 0.25 | Papayianni and Anastasiou [82] |
| 26 | 54 | 9 | 30.2 | 1.04 | 8.2 | FeO = 0.94 | Wcisło et al. [127] |
| 27 | 54.5 | 16.4 | 11.1 | 8.7 | 4 | MnO = 2; ZnO = 0.6; K2O = 1; TiO2 = 0.3; others = 1.4; LOI = 9.8 | Bignozzi et al. [77] |
| 28 | 56.7 | 17.7 | 6.6 | 2.2 | 9.6 | K2O + Na2O = 0.1; TiO2 = 0.34; C = 0.35; S = 0.2; LOI = 4 | Manso et al. [65]; Skaf et al. [128]; Pasetto et al. [103] |
| 29 | 56.7 | 17.7 | 6.67 | 2.19 | 9.73 | K2O = 0.02; C = 0.35; S = 0.76; LOI = 5.35; f-CaO = 12; f-MgO = 8 | Montenegro et al. [129] |
| 30 | 54 | 14.3 | 10.3 | 1.77 | 16.5 | K2O < 0.1; C = 1.52; S = 0.61; LOI = 5.40; f-CaO = 5; f-MgO = 14 | |
| 31 | 42.1 | 17.9 | 13 | 7.1 | 6.1 | others = 3.8; LOI = 10 | Natali Murri et al. [31] |
| 32 | 48.37 | 15 | 14.3 | 1.71 | 15.25 | FeO = 1.54; Na2O = 0.43; K2O = 0.36; TiO2 = 0.2; P2O5 = 2.73; Cr2O3 = 0.92 | Rađenović et al. [25] |
| 33 | 53.9 | 18.6 | 11.3 | 1.1 | 14 | Vlcek et al. [111] | |
| 34 | 62.7 | 24.1 | 2.4 | 2.8 | 6.8 | ||
| 35 | 34.4 | 24.1 | 16.9 | 1.8 | 21.5 | ||
| 36 | 47 | 16.3 | 6.2 | 26.59 | 5 | Femet = 0.4; FeO = 16.1 | |
| 37 | 40.7 | 14.7 | 4.1 | 30.88 | 10.9 | Femet = 0.5; FeO = 16 | |
| 38 | 38.7 | 37.9 | 7 | 3.15 | 12.8 | Femet = 0.5; FeO = 1.8 | |
| 39 | 36.9 | 27.8 | 4.3 | 21.59 | 10.3 | Femet = 0.5; FeO = 12 | |
| 40 | 38.9 | 12.8 | 2 | 37.17 | 11 | Femet = 0.6; FeO = 21.8 | |
| 41 | 28.7 | 18.7 | 5.3 | 37.6 | 11.4 | Femet = 0.8; FeO = 21.6 | |
| 42 | 50.65 | 32.41 | 1.36 | 2.66 | 2.77 | SO3 = 2.30; K2O = 0.06; Na2O = 0.78; LOI = 6.72 | Anastasiou et al. [130]; Anastasiou [131] |
| 43 | 65.23 | 12.35 | 16.55 | 0.79 | 3.96 | Na2O = 0.08; CO2 = 1.1; f-CaO = 7.2 | Mahoutian et al. [90]; Mahoutian and Shao [32] |
| 44 | 57.55 | 6.21 | 23.17 | 3.55 | 5.04 | Na2O = 0.16; CO2 = 0.2; f-CaO = 10.8 | |
| 45 | 58.4 | 18.9 | 7.1 | 2.36 | 10.2 | TiO2 = 0.36; MnO = 0.31; SO3 = 0.92; CO2 = 1.4 | Ortega-López et al. [66]; Santamaria et al. [132] |
| 46 | 51.2 | 15 | 11.9 | 2.57 | 8.4 | TiO2 = 0.39; MnO = 0.56; SO3 = 1.93; CO2 = 7.59 | |
| 47 | 50.7 | 10 | 23.3 | 0.53 | 13.6 | TiO2 = 0.1; MnO = 0.15; C = 0.2; S = 0.2 | |
| 48 | 59.2 | 21.3 | 8.27 | 1 | 7.92 | TiO2 = 0.17; MnO = 0.26; C = 0.13; S = 1.39 | |
| 49 | 57.8 | 3 | 27.3 | 2.9 | 7.1 | TiO2 = 0.1; MnO = 0.12; C = 0.36; S = 0.98 | |
| 50 | 55.79 | 23.5 | 4.29 | 1.69 | 6 | Others = 8.70 | Sáez-de-Guinoa Vilaplana et al. [133] |
| 51 | 44.5 | 10.9 | 26.6 | 4.3 | 6.6 | MnO = 0.6 | Choi et al. [134] |
| 52 | 53.96 | 3.77 | 28.82 | 3.82 | 6.36 | MnO = 0.29; TiO2 = 0.14; P2O5 = 0.04; LOI = 26.2 | Herrero et al. [83] |
| 53 | 61.64 | 22.94 | 4.42 | 1.01 | 5.99 | MnO = 0.22; TiO2 = 0.34; P2O5 = 0.01; LOI = 3 | |
| 54 | 48.6 | 23.7 | 4.2 | 1.21 | 8.1 | Cr2O3 = 0.01 | Wang et al. [98] |
| 55 | 46.3 | 8.6 | 28.3 | 5 | 7.4 | Others = 4.4; LOI = −1.3 | Adesanya et al. [86,135] |
| 56 | 49.8 | 10.1 | 27.1 | 1.1 | 6.4 | SO3 = 1.1; others = 4.4 | Adesanya et al. [11] |
| 57 | 24.899 | 22.934 | 0 | 35.233 | 8.633 | P2O5 = 0.466; SO3 = 0.498; K2O = 0.059; TiO2 = 0.498; Cr2O3 = 0.954; Mn2O3 = 5.827 | Maghool et al. [136] |
| 58 | 50.9 | 8.3 | 27.8 | 1.1 | 6.3 | SO3 = 0.8; others = 4.8; LOI = −0.9 | Adesanya et al. [137] |
| 59 | 48.77 | 20.21 | 8.92 | 2.18 | 16.42 | TiO2 = 1.82; FeO = 1.96; S = 1.37; MnO = 0.37; Na2O = 0.07; Cr2O3 = 0.06; P2O5 = 0.03; K2O = 0.01 | Bocci [100] |
| 60 | 50.36 | 21.64 | 9.36 | 1.63 | 13.06 | TiO2 = 2.04; FeO = 1.47; S = 1.63; MnO = 0.32; Na2O = 0.07; Cr2O3 = 0.02; P2O5 = 0.03; K2O = 0.01 | |
| 61 | 46.3 | 8.6 | 28.3 | 5 | 7.4 | SO3 = 0.5; others = 3.9; f-CaO = 0 | Nguyen et al. [85] |
| 62 | 55 | 17 | 9 | 5.5 | 7 | MnO = 2; others = 1.8; LOI = 2.7 | Pantazopoulou and Zouboulis [22] |
| 63 | 39.18 | 38.78 | 1.74 | 2.19 | 3.33 | SO3 = 0.12; Na2O = 0.63; K2O = 0.04; LOI = 11.4; f-CaO = 1.59 | Papayianni et al. [138] |
| 64 | 40.2 | 18.74 | 4.94 | 3.64 | 14.81 | SO3 = 1.06; MnO = 0.66; K2O = 0.09; ZnO = 1.21; PbO = 0.06; Cr2O3 = 0.06; CuO = 0.02; TiO2 = 0.43; others = 0.60; LOI = 13.48 | Bo and Yi [64] |
| 65 | 68.27 | 21.56 | 1.15 | 0.36 | 4.21 | MnO = 0.53; Cr2O3 = 1.71; TiO2 = 0.44 | Chang et al. [63] |
| 66 | 52.2 | 11.8 | 23.2 | 7.23 | 2.9 | FeO = 2.2; S = 0.52; MnO = 2; TiO2 = 0.13; Fe = 3; P2O5 = 0.36; Na2O = 0.065 | Kapusuz et al. [139] |
| 67 | 51 | 18 | 11.1 | 1.76 | 14.2 | Montenegro-Cooper et al. [67] | |
| 68 | 60.2 | 23.2 | 6.3 | 1.6 | 5.1 | SO3 = 2.5 | |
| 69 | 51 | 8.3 | 27.9 | 1.1 | 6.3 | SO3 = 0.8; others = 4.6 | Nguyen et al. [33] |
| 70 | 55.86 | 0.73 | 36.91 | 1.16 | 3.4 | K2O = 0.01; SO3 = 0.40 | Wang and Suraneni [140] |
| 71 | 52.76 | 21.58 | 5.07 | 2.37 | 5.86 | SO3 = 1.37; MnO = 0.91; TiO2 = 0.33; Cr2O3 = 0.08; K2O = 0.05; ZnO = 0.04; P2O5 = 0.03; others = 1.74; LOI = 7.81 | Aponte et al. [34] |
| 72 | 45.9 | 21.6 | 4.2 | 2.57 | 8.6 | Total-Fe = 1.8; MnO = 0.3; S = 0.867 | Li et al. [141] |
| 73 | 50.2 | 11.7 | 19.9 | 3.00 | 4.9 | Total-Fe = 2.1; MnO = 0.3; S = 0.727 | |
| 74 | 44.1 | 17.5 | 3.4 | 3.29 | 17.9 | Total-Fe = 2.3; MnO = 0.6; S = 0.567 | |
| 75 | 55.4 | 27.2 | 2.7 | 2.14 | 5.8 | Total-Fe = 1.5; MnO = 0.4; S = 0.547 | |
| 76 | 52.1 | 19.3 | 14.8 | 1.00 | 4.9 | Total-Fe = 0.7; MnO = 0.1; S = 0.994 | |
| 77 | 52.3 | 5.1 | 28.9 | 0.71 | 5.4 | Total-Fe = 0.5; MnO = 0.1; S = 0.911 | |
| 78 | 46.4 | 21.1 | 3.9 | 2.29 | 7 | Total-Fe = 1.6; MnO = 0.5; S = 0.772 | |
| 79 | 52.6 | 23.6 | 4.2 | 0.43 | 8.8 | Total-Fe = 0.3; MnO = 0.2; S = 0.828 | |
| 80 | 40.3 | 15.9 | 4.8 | 6.43 | 13.1 | Total-Fe = 4.5; MnO = 0.6; S = 0.542 | |
| 81 | 47.7 | 21.8 | 4.3 | 3.15 | 10.4 | Total-Fe = 2.2; MnO = 0.7; S = 0.69 | |
| 82 | 53.5 | 23.6 | 9.9 | 1.59 | 9.58 | TiO2 = 0.73; FeO = 1.43; MnO = 0.4; P2O5 = 0.05; S = 0.27 | Gollapalli et al. [142] |
| 83 | 54.9 | 23.5 | 6.6 | 1.1 | 8.5 | MnO = 0.4 | Pinheiro et al. [14] |
| 84 | 40.19 | 12.49 | 7.29 | 2.38 | 19.38 | MnO = 0.936; S = 0.548; TiO2 = 0.486; BaO = 0.240; Na2O = 0.118; Cr2O3 = 0.11; others (Cl; SrO; ZnO; K2O; ZrO2; V2O5; P; CuO; NiO; PbO; Nb2O5; MoO3; Co3O4; SeO2) = 0.3837 | Terrones-Saeta et al. [19] Nebreda-Rodrigo et al. [143]; |
| 85 | 40.2 | 18.74 | 4.94 | 3.64 | 14.81 | SO3 = 1.6; TiO2 = 0.43; K2O = 0.09; MnO = 0.66; ZnO = 1.21; PbO = 0.06; Cr2O3 = 0.06; CuO = 0.02; LOI = 13.48 | Xu and Yi [144] |
| 86 | 57.09 | 16.18 | 18.46 | 0.65 | 3.66 | TiO2 = 0.44; SO3 = 1.09; MnO = 0.08; others = 2.35 | Zhao et al. [79,145]; Fang et al. [91] |
| 87 | 45.6 | 19.3 | 6.7 | 10.8 | 5.8 | SO3 = 1.8; MnO = 1.7; TiO2 = 0.5; Cr2O3 = 0.8; BaO = 0.2; others = 0.6; LOI = 6.7 | Araos Henríquez et al. [84] |
| 88 | 48.1 | 20.7 | 5.6 | 7.2 | 6.6 | SO3 = 1.9; MnO = 1.3; TiO2 = 0.4; Cr2O3 = 0.4; BaO = 0.2; others = 0.5; LOI = 7.1 | |
| 89 | 54.86 | 16.33 | 21.46 | 0.62 | 3.41 | SO3 = 0.89; others = 2.43 | Fang et al. [91] |
| 90 | 63.59 | 21.3 | 2.3 | 8.08 | 2.6 | TiO2 = 0.5; others = 1.63 | Hui-Teng et al. [146]; Yong-Sing et al. [147]; Yong-Sing et al. [148]. |
| 91 | 51 | 21.7 | 11.18 | 2 | 7.3 | LOI = 6.82 | Parsaei et al. [149] |
| 92 | 53.4 | 27.8 | 5.7 | 3.57 | 4.6 | MnO = 2.8; B2O3 = 0.1; Fe(T) = 2.5 | Sahoo et al. [150] |
| 93 | 51.86 | 12.1 | 20.12 | 1.93 | 5.92 | SO3 = 5.57; FeOtotal = 1.74; F = 1.26; Na2O = 0.89; TiO2 = 0.24; K2O = 0.10; Cl = 0.07; P2O5 = 0.07; MnO = 0.05; Cr2O3 = 0.02 | Yi et al. [151] |
| 94 | 46.5 | 23.3 | 4.02 | 7.71 | 11 | MnO = 1.2; Na2O = 0.04; K2O = 0.01; TiO2 = 0.9; P2O5 = 0.05; LOI = 3.53 | Zhang et al. [115] |
| 95 | 46.14 | 31.42 | 2.95 | 0.88 | 2.13 | Na2O = 1.27; K2O = 0.07; TiO2 = 0.79; MnO = 1.49 | Islam et al. [152] |
| 96 | 53.4 | 23.2 | 6.7 | 1 | 12.9 | P2O5 = 0.1; Cr2O3 = 0.01; K2O = 0.02; Na2O = 0.02; MnO = 0.05; TiO2 = 0.50; Fetot = 0.7; FeO = 0.9; S = 1.10 | Roberto et al. [153] |
| 97 | 54.2 | 11.5 | 1.32 | 3.4 | 8.8 | MnO = 2.68; SO3 = 1.93; F = 0.59; LOI = 14.5 | Silva et al. [80] |
| 98 | 35.6 | 18 | 4.13 | 26.8 | 8.03 | MnO = 1.89; SO3 = 2.11; F = 1.52 | |
| 99 | 52.3 | 16.5 | 3.28 | 14.5 | 6.82 | MnO = 1.12; SO3 = 1.78; F = 1.93 | |
| 100 | 47.4 | 29.4 | 2.6 | 0.7 | 2.3 | Na2O = 1.6; K2O = 0.1; TiO2 = 0.9; MnO = 1.6 | Sultana and Islam [81]; Sultana and Islam [154] |
| 101 | 44.89 | 21.42 | 13.87 | 0.89 | 15.62 | FeO = 0.8; MnO = 0.86; P2O5 = 0.2; S = 0.3 | Varanasi et al. [155] |
| 102 | 58.57 | 8.15 | 20.13 | 0.78 | 10.66 | FeO = 0.7; MnO = 0.52; P2O5 = 0.23; S = 0.34 | |
| 103 | 40.2 | 18.7 | 4.94 | 3.64 | 14.8 | MnO = 0.66; ZnO = 1.21; PbO = 0.06; Cr2O3 = 0.06; Others = 2.2; LOI = 13.5 | Xu and Yi [156] |
| 104 | 58.66 | 22.68 | 5.31 | 1.92 | 4.02 | SO3 = 3.01; K2O = 0.06; others = 4.34 | Xu and Yi [69,152] |
| 105 | 62.32 | 8.45 | 18.64 | 0.746 | 4.26 | F = 3.65; TiO2 = 0.81; Na2O = 0.083; MnO = 0.2; others = 0.83 | Yi et al. [117] |
| 106 | 55.68 | 26.05 | 3.79 | 1.65 | 6.33 | TiO2 = 0.25; MnO = 0.36; Na2O = 0.13; P2O5 = 0.01; SO3 = 3.81; F = 1.76; Cl = 0.04 | Elwan et al. [157] |
| 107 | 61.82 | 16.52 | 10.59 | 2.62 | 2.65 | SO3 = 1.91; TiO2 = 0.81; Na2O = 0.11; MnO = 0.71; LOI = 10.78 | Fang et al. [158] |
| 108 | 50.24 | 14.86 | 16.26 | 6.84 | 3.58 | MnO = 1.25; TiO2 = 0.87; SO3 = 1.22; Cl = 0.16; Cr2O3 = 0.27 | Lopes et al. [70] |
| 109 | 59.39 | 16.89 | 10.12 | 4.62 | 2.91 | SO3 = 1.77; TiO2 = 1.18; MnO = 0.85; LOI = 2.27 | Ma et al. [159] |
| 110 | 45.2 | 15.03 | 6.23 | 3.53 | 13.35 | FeO = 1.08; MnO = 1.48; LOI = 14.16; minor elements in ppm (S = 133.56; Cr = 28.25; P = 4.31; Zn = 293; Ti = 41.74; Sr = 3.05; Cu = 180; Cl = 22.61; Ba = 292; Pb = 72) | Peceño et al. [97] |
| 111 | 51.7 | 29.6 | 3.6 | 2.8 | 6.7 | F = 2.2; SO3 = 1.5; others = 1.9; LOI = 4.7 | Skaf et al. [101] |
| 112 | 46.73 | 14.35 | 22.97 | 6.13 | 6.4 | MnO = 0.83; SO3 = 0.76; TiO2 = 0.50 | Wu et al. [160] |
| 113 | 47.07 | 17.1 | 5.85 | 9.07 | 5.18 | Sc2O3 = 10.50; SO3 = 2.18; LOI = 3.05 | Yong-Jie et al. [112] |
| N° | Mineral Name | Chemical Formula | Posch et al. [122] | Shi [28] | Manso et al. [30] | Guzzon et al. [43] | Tossavainen et al. [16] | Setién et al. [76] | Adolfsson et al. [161] | Kriskova et al. [24] | Bignozzi et al. [77] | Manso et al. [65] | Rađenović et al. [25] | Mahoutian et al. [90] | Salman et al. [162] | Choi et al. [134] | Mahoutian and Shao [32] | Adesanya et al. [86] | Marinho et al. [78] | Lee et al. [116] | Bo and Yi [64] | Češnovar et al. [135] | Chang et al. [63] | Montenegro-Cooper et al. [67] | Nguyen et al. [33] |
|---|---|---|---|---|---|---|---|---|---|---|---|---|---|---|---|---|---|---|---|---|---|---|---|---|---|
| 1 | Larnite/Belite | γ/β-2CaO·SiO2 (γ/β-C2S) | × | × | × | × | × | × | × | × | × | × | × | × | × | × | × | × | × | × | × | × | × | ||
| 2 | Alite, hatrurite | 3CaO·SiO2 (C3S) | × | × | × | × | × | × | × | × | |||||||||||||||
| 3 | Calcio-Olivine | Ca2SiO4 | × | × | × | × | × | × | × | ||||||||||||||||
| 4 | Mayenite | Ca12Al14O33 (C12A7) | × | × | × | × | × | × | × | × | × | × | × | × | × | × | × | × | × | ||||||
| 5 | Periclase | MgO | × | × | × | × | × | × | × | × | × | × | × | × | × | × | × | × | × | × | × | × | |||
| 6 | Portlandite | Ca(OH)2 | × | × | × | × | × | × | × | × | × | × | × | ||||||||||||
| 7 | Brucite | Mg(OH)2 | × | × | × | ||||||||||||||||||||
| 8 | Fluorite | CaF2 | × | × | × | × | × | × | × | ||||||||||||||||
| 9 | Tricalcium aluminate | Ca3Al2O6 (C3A) | × | × | × | × | × | × | × | × | × | ||||||||||||||
| 10 | Katoite | Ca3Al2(OH)12 | × | × | × | × | |||||||||||||||||||
| 11 | Merwinite | Ca3MgSi2O8 | × | × | × | × | × | × | × | ||||||||||||||||
| 12 | Gehlenite | Ca2Al(AlSiO7) | × | × | × | × | × | ||||||||||||||||||
| 13 | Calcite/Vaterite | CaCO3 | × | × | × | × | × | ||||||||||||||||||
| 14 | Dolomite | CaMg(CO3)2 | × | × | × | × | |||||||||||||||||||
| 15 | Bregidite | Ca2SiO4 | × | × | × | × | |||||||||||||||||||
| 16 | Spinel | Al2O4Mg | × | × | × | ||||||||||||||||||||
| 17 | Jasmundite | Ca11(SiO4)4O2S | × | × | × | ||||||||||||||||||||
| 18 | Solution solide | (Fe,Mg,Mn)O | × | × | × | ||||||||||||||||||||
| 20 | Dicalcium ferrite | Ca2Fe2O5 (C2F) | × | × | × | ||||||||||||||||||||
| 19 | Diopside/Pyroxène | Si2O6CaMg | × | × | |||||||||||||||||||||
| 20 | Wollastonite | CaSiO3 | × | × | × | ||||||||||||||||||||
| 21 | Pleochroite/Q-phase | Ca20Al26Mg3Si3O68 | × | × | |||||||||||||||||||||
| 22 | 2CaO·Al2O3·SiO2 (C2AS) | × | × | ||||||||||||||||||||||
| 23 | Cuspidine | Ca4Si2O7(F, OH)2 | × | × | |||||||||||||||||||||
| 24 | Rutile | TiO2 | × | × | |||||||||||||||||||||
| 25 | Quartz | SiO2 | × | × | |||||||||||||||||||||
| 26 | 54CaO·MgO·Al2O3·16SiO2 | × | |||||||||||||||||||||||
| 27 | 11CaO·7Al2O3·CaF2 | × | |||||||||||||||||||||||
| 28 | 3CaO·MgO·3SiO2 | × | |||||||||||||||||||||||
| 29 | 3CaO·MgO·2SiO2 | × | |||||||||||||||||||||||
| 33 | Anhydrite | CaSO4 | × | ||||||||||||||||||||||
| 31 | Magnetite | Fe2O3 | × | × | |||||||||||||||||||||
| 32 | Diopside/pyroxene | CaMg(SiO3)2 | × | × | |||||||||||||||||||||
| 33 | Ingesonite | Ca2SiO4 | × | ||||||||||||||||||||||
| 34 | Calcium aluminate | CaAl2O4 (CA) | × | ||||||||||||||||||||||
| 35 | Akermanite | Ca2MgSi2O7 (C2MS2) | × | ||||||||||||||||||||||
| 36 | CaO·Al2O3·SiO2 (CAS) | × | |||||||||||||||||||||||
| 37 | CaO·Al2O3·2SiO2 (CAS2) | × | |||||||||||||||||||||||
| 38 | Forsterite | 2MgO·SiO2 | × | ||||||||||||||||||||||
| 39 | Amakinite | (Fe,Mg) (OH)2 | × | ||||||||||||||||||||||
| 40 | Magnesiochromite | MgCr2O4 | × | ||||||||||||||||||||||
| 41 | Oldhamite | CaS | × | ||||||||||||||||||||||
| 42 | Franklinite | ZnFe2O4 | × | ||||||||||||||||||||||
| 43 | Litharge | PbO | × | ||||||||||||||||||||||
| 44 | Zinc oxide | ZnO | × | ||||||||||||||||||||||
| 45 | Ankerite | Ca(Fe,Mg,Mn)(CO3)2 | × | ||||||||||||||||||||||
| 46 | Corundum | Al2O3 | × | ||||||||||||||||||||||
| 47 | Perovskite | CaTiO3 | × |
3. Different Treatments of LFSs
3.1. Hydraulic Treatment
3.1.1. Treatment by Watering and Cooling in Open Air
3.1.2. Treatment by Rapid Cooling Under Pressurized Water
3.1.3. Treatment by Rapid Cooling Under Pressurized Air
3.2. Physical Treatment
3.2.1. Treatment by Granulometric Classification or Sieving
| Size | Intended Purpose | References |
|---|---|---|
| <63 µm | Alkali-activated materials | [31] |
| <75 µm | Carbonation and alkali-activation; Cement-stabilized expansive clay; Coating and lying mortars | Hui-Teng et al. [146]; Yong-Sing et al. [144,145]; Parsaei et al. [149]; Fang et al. [158]; Marinho et al. [78] |
| <100 µm | Filler in concrete OPC replacement in paste | Anastasiou et al. [130]; Anastasiou [131] |
| 0.125–0.063 mm | For potential use as adsorbent | Rađenović et al. [25] |
| <0.125 mm | OPC replacement in pastes | [84] |
| <0.063 mm | OPC replacement in concrete | Parron-Rubio et al. [154]; Aponte et al. [34] |
| 0.5 mm | Magnetic separation in the coarser fraction | Adolfsson et al. [89] |
| <0.3 mm | Stabilization/solidification of lead-contaminated soil; Immobilization of lead and carbon dioxide sequestration | Xu and Yi [69,155,176] |
| <600 µm | OPC replacement for masonry mortars | Chang et al. [63] |
| <1 mm | Alkali-activated materials; Soil stabilization; Use as filler in bituminous mixtures; Filler and fine aggregate for asphalt mixtures | Bignozzi et al. [77]; Manso et al. [65]; Skaf et al. [128]; Pasetto et al. [103] |
| <2 mm | Construction of embankments; Mixture with natural soils | Montenegro et al. [129], Montenegro-Cooper et al. [67] |
| <5 mm | Flue gas carbonation; OPC replacement in pastes | Zhang et al. [115]; Araos Henríquez et al. [84] |
| 0–25 mm | Alkali-activated mortar | Aponte et al. [34] |
| 30–50 mm | Recycling LFS as flux on steel desulfurization in steel making | Varanasi et al. [155] |
3.2.2. Treatment by Magnetic Separation and Grinding
3.2.3. Thermal or Hydrothermal Treatment
3.3. Chemical Treatment
3.3.1. LFS as Partial Replacement of Ordinary Portland Cement
3.3.2. Activation by CO2 Uptake
3.3.3. Alkaline Activation Treatment
| Supplementary Cementitious Materials (SCMs) | Replacement Rate (wt.%) | Alkaline Solution Type | Concentrations | Compressive Strength | References |
|---|---|---|---|---|---|
| Ceramic waste (CW) and polyacrylonitrile fibers (PF) | PF (0%, 0.5%, and 1% by volume) | Sodium silicate: SS (Na2SiO3) | CW + LFS/SS = 0.72:0.28/0.48 | The maximal value obtained in optimal conditions was 47 MPa at 90 days of curing | Gaibor et al. [196] |
| Fly ashes type F (FAF) | 10%–40% | Na2SiO3 and NaOH with Na2SiO3/NaOH (2–4.5) | Sodium silicate (Na2SiO3: 30.1 wt.% of SiO2, 9.4 wt.% of Na2O and 60.5 wt.% of H2O, with modulus SiO2/Na2O of 3.2) and NaOH (6–12 M) | Flexural strength and Young modulus were measured and depended on NaOH concentration, S/L ratio, and Na2SiO3/NaOH ratio | Yong-Sing et al. [144,145] |
| FAF | 10%–40% | Na2SiO3 and NaOH | Sodium silicate (Na2SiO3: 30.1 wt.% of SiO2, 9.4 wt.% of Na2O and 60.5 wt.% of H2O, with modulus SiO2/Na2O of 3.2) and NaOH (8 M) | 39 MPa at optimal conditions | Hui-Teng et al. [146] |
| – | – | Na2SiO3 and NaOH with Na2O (7%) | Sodium silicate (Na2SiO3: 22.99 wt.% of SiO2, 7.01 wt.% of Na2O and 70 wt.% of H2O, with modulus SiO2/Na2O of 3.2) | After 56 days (at 20 and 40 ° C), 15 MPa, and 22 MPa (at 70 ° C). | Aponte et al. [34] |
| Ceramic waste (CW) | 25%, 50%, 75% and 100% | Na2SiO3 and NaOH | NaOH concentration = 8 M. Sodium silicate has an SiO2/Na2O weight ratio of 2.0 and a Na2O concentration in the solution of 13.0% | 60 MPa at 90 days of curing for 75% CW/25% LFS with sodium silicate only. | Gaibor et al. [193] |
| – | – | NaOH, Na2SO4 and Na2SiO3 | 1, 2, and 4 M | <2 MPa | Xu and Yi [144] |
| Electric arc furnace slag (EAFS) | Ratios EAFS/LFS: 1/0, 3/1, 1/1, 1/3 and 0/1 | K2SiO3 | Solid percentage is 48.5%, and weight ratio between K2O and SiO2 is 0.62 (K2O = 18.46%, SiO2 = 30.00%) | ≈57 MPa at 28 days for the 50/50 sample at room temperature | Češnovar et al. [135] |
| Polypropylene fibers | 2% in volume | Na2SiO3 and KOH | Ms = 3.5 for Na2SiO3 | Between ≈80 and ≈100 MPa at 28 days | Nguyen et al. [85] |
| Fly ashes type C (FAC) | 80% and 50% (glass cullet (G) replaces 60% of sand) | Na2SiO3 and NaOH | 10 M for NaOH and (wt.%: 8.9 Na2O, 28.7 SiO2, 62.4 H2O) for sodium silicate. The alkaline solution is composed of 18% NaOH solution, 18% Na2SiO3 solution, and 64% water. | ≈15 MPa at 28 days | Papayianni et al. [138] |
| – | – | Na2SiO3, KOH | Ms = SiO2/Na2O = 3.5 | Between 30 and 48 MPa at 64 days | Adesanya et al. [163] |
| Diatomite (Kieselguhr) DE | – | Na2SiO3, KOH | Ms = SiO2/Na2O = 3.5 | Between 45 and 67 MPa at 28 days | Adesanya et al. [86] |
| Diatomite (Kieselguhr) DE | – | Na2SiO3, KOH | Ms = SiO2/Na2O = 3.5 | 65 MPa at 28 days (optimal formulation) | Adesanya et al. [11] |
| Curing in water saturated with lime | NaOH and sodium silicates | 10 M for NaOH and SiO2/Na2O = 1 for soluble silicate | Between ≈10 and ≈150 MPa at 28 days (depending on the L/S ratio and curing conditions) | Wang et al. [98] | |
| – | – | NaOH, sodium silicate, KOH, and potassium silicate | 5 M for NaOH and KOH and different proportions for soluble silicates | Between 7 and 35 MPa at 28 days | Salman et al. [87] |
| Metakaolin (MK) | 30 and 40% | NaOH and sodium silicate | 8 M for NaOH and SiO2/Na2O = 3 for sodium silicate | – | Lancellotti et al. [197] |
| MK and FAF | Different rates according to Si/Al desired | NaOH and sodium silicate | 8 M for NaOH and sodium silicate with a composition: 14.7% Na2O, 29.4% SiO2, and 55.9% H2O (by weight) | Between 11 and 46 MPa at seven days | Natali Murri et al. [31] |
| MK | 0, 20, 30, 40, 50, 75, and 100% | NaOH and sodium silicate with a mass ratio of 1:1 | – | Between ≈10 and 50 MPa depending on the metakaolin replacement rate | Bignozzi et al. [77] |
| Ground granulated blast furnace slag (GGBFS) | 40% | Na2SiO3 | – | Between 15 and 25 MPa at 28 days | Shi [28] |
4. Classification of LFS
- (I)
- CaO–SiO2–MgO: characterized by its low reactivity and is suitable for soil stabilizer roadbed material;
- (II)
- CaO–Al2O3–MgO: suitable for garnet- or ettringite-like alkali-activated or gypsum-activated materials;
- (III)
- CaO–SiO2–Al2O3–MgO: alkali-activated materials;
- (IV)
- CaO–SiO2–Al2O3–FeO–MgO: suitable for CO2 uptake activated materials.
5. Summary and Conclusions
- Air quenching is the most efficient way to amorphize LFS. However, LFS treated in this manner is much more difficult to grind than open-air-cooled LFS or LFS treated by weathering. Addition of fly ash is recommended to enhance the grindability of air-quenched LFS.
- Water quenching is the second most effective treatment for amorphization of LFS. However, it presents the risk of explosion due to water entrapment; this problem is related to the high viscosity of the LFS. It presents the inconvenient difficulty of controlling the amount of water needed and the hydration of treated slag in the treatment process. In addition, this treatment requires water and its management.
- Water cooling in the open air is also an efficient way to eliminate the lime and part of the periclase, provided that the necessary time is taken (several days or even several months). LFS treated in this manner can be used in masonry mortars and temporary construction to partially replace OPC. It cannot be used in precision concrete because periclase can cause long-term instabilities. This treatment is adequate in rainy environments. However, it may present risks of contamination if the LFS contains toxic elements.
- Hydrothermal treatment and milling are promising options, provided that the LFS is mixed with other SCMs such as fly ash.
- Granulometric classification is an easy treatment to implement and allows complete recycling for various uses (the fine part for cements, the coarse part for other uses). However, it has the disadvantage of dust management and may suggest rejection of the largest fraction if it is not recycled. In contrast, grinding includes all material and can reach very high fineness. On other hand, magnetic separation is an effective way to separate metallic particles from the LFS and enhance the reactivity of the slag. Moreover, grinding and magnetic separation can always be combined with other treatments.
- Treatment by alkaline activation and CO2 uptake are promising approaches, provided that the right parameters are controlled. However, in the case of alkaline activation, the gain sought through the recycling of LFSs can be lost by using alkaline solutions, in addition to the difficulty of handling alkaline solutions at an industrial scale.
- It is suggested for partial replacement of OPC to utilize alumina-rich LFS and integrate it into an OPC-GGBFS-LFS-GYP quaternary blend. Instead of GGBSF in the quaternary blend, other alternative SCMs such as FA, FS, MK, and WG could be used.
Author Contributions
Funding
Data Availability Statement
Conflicts of Interest
References
- Nippon Slag Association. Types of Iron and Steel Slag. Available online: http://www.slg.jp/e/slag/kind.html (accessed on 1 March 2021).
- Centre Technique et de Promotion des Laitiers. Les Laitiers Sidérurgiques. Available online: https://www.ctpl.info/les-laitiers-siderurgiques/ (accessed on 1 March 2021).
- Yildirim, I.Z.; Prezzi, M. Chemical, Mineralogical, and Morphological Properties of Steel Slag. Adv. Civ. Eng. 2011, 2011, 463638. [Google Scholar] [CrossRef]
- Thomas, C.; Rosales, J.; Polanco, J.A.; Agrela, F. Steel slags. In New Trends in Eco-Efficient and Recycled Concrete; Elsevier: Amsterdam, The Netherlands, 2019; pp. 169–190. [Google Scholar]
- Jiang, Y.; Ling, T.-C.; Shi, C.; Pan, S.-Y. Characteristics of steel slags and their use in cement and concrete—A review. Resour. Conserv. Recycl. 2018, 136, 187–197. [Google Scholar] [CrossRef]
- Euroslag. Ferrous Slag—General Information. Available online: https://www.euroslag.com/products/ (accessed on 1 February 2023).
- Hooton, R.; Nokken, M.; Thomas, M. Portland-Limestone Cement: State-of-the-Art Report and Gap Analysis for CSA A 3000; Cement Association of Canada, University of Toronto: Toronto, Canada, 2007. [Google Scholar]
- Tennis, P.; Thomas, M.; Weiss, W. State-of-the-Art Report on Use of Limestone in Cements at Levels of up to 15%; PCA R&D SN3148; Portland Cement Association: Skokie, IL, USA, 2011. [Google Scholar]
- Tennis, P. Chemical and Physical Characteristics of US Hydraulic Cements: 2014; R&D SN3284; Portland Cement Association: Skokie, Illinois, USA, 2016; 32p. [Google Scholar]
- Das, B.; Prakash, S.; Reddy, P.S.R.; Misra, V.N. An overview of utilization of slag and sludge from steel industries. Resour. Conserv. Recycl. 2007, 50, 40–57. [Google Scholar] [CrossRef]
- Adesanya, E.; Ohenoja, K.; Kinnunen, P.; Illikainen, M. Alkali Activation of Ladle Slag from Steel-Making Process. J. Sustain. Met. 2017, 3, 300–310. [Google Scholar] [CrossRef]
- Motz, H.; Geiseler, J. Products of steel slags an opportunity to save natural resources. Waste Manag. 2001, 21, 285–293. [Google Scholar] [CrossRef]
- Geiseler, J. Use of steelworks slag in Europe. Waste Manag. 1996, 16, 59–63. [Google Scholar] [CrossRef]
- Pinheiro, C.; Rios, S.; da Fonseca, A.V.; Fernández-Jiménez, A.; Cristelo, N. Application of the response surface method to optimize alkali activated cements based on low-reactivity ladle furnace slag. Constr. Build. Mater. 2020, 264, 120271. [Google Scholar] [CrossRef]
- Sun, D.D.; Zhang, L.; Lai, D. Stabilization of mercury using waste ladle furnace slag. J. Air Waste Manag. Assoc. 2013, 63, 1469–1478. [Google Scholar] [CrossRef]
- Tossavainen, M.; Engstrom, F.; Yang, Q.; Menad, N.; Larsson, M.L.; Bjorkman, B. Characteristics of steel slag under different cooling conditions. Waste Manag. 2007, 27, 1335–1344. [Google Scholar] [CrossRef]
- Branca, T.A.; Colla, V.; Valentini, R. A way to reduce environmental impact of ladle furnace slag. Ironmak. Steelmak. 2009, 36, 597–602. [Google Scholar] [CrossRef]
- Holappa, L.; Kekkonen, M.; Jokilaakso, A.; Koskinen, J. A Review of Circular Economy Prospects for Stainless Steelmaking Slags. J. Sustain. Met. 2021, 7, 806–817. [Google Scholar] [CrossRef]
- Terrones-Saeta, J.M.; Suárez-Macías, J.; Iglesias-Godino, F.J.; Corpas-Iglesias, F.A. Evaluation of the Physical, Chemical and Environmental Properties of Ladle Furnace Slag for Their Utilization as Filler in Bituminous Mixtures. Metals 2021, 11, 466. [Google Scholar] [CrossRef]
- Serjun, V.Z.; Mladenovič, A.; Mirtič, B.; Meden, A.; Ščančar, J.; Milačič, R. Recycling of ladle slag in cement composites: Environmental impacts. Waste Manag. 2015, 43, 376–385. [Google Scholar] [CrossRef] [PubMed]
- Loncnar, M.; van der Sloot, H.A.; Mladenovič, A.; Zupančič, M.; Kobal, L.; Bukovec, P. Study of the leaching behaviour of ladle slags by means of leaching tests combined with geochemical modelling and mineralogical investigations. J. Hazard. Mater. 2016, 317, 147–157. [Google Scholar] [CrossRef] [PubMed]
- Pantazopoulou, E.; Zouboulis, A. Chemical toxicity and ecotoxicity evaluation of tannery sludge stabilized with ladle furnace slag. J. Environ. Manag. 2018, 216, 257–262. [Google Scholar] [CrossRef]
- Wu, L.; Li, H.; Mei, H.; Rao, L.; Wang, H.; Lv, N. Generation, utilization, and environmental impact of ladle furnace slag: A minor review. Sci. Total. Environ. 2023, 895, 165070. [Google Scholar] [CrossRef]
- Kriskova, L.; Pontikes, Y.; Cizer, Ö.; Mertens, G.; Veulemans, W.; Geysen, D.; Jones, P.T.; Vandewalle, L.; Van Balen, K.; Blanpain, B. Effect of mechanical activation on the hydraulic properties of stainless steel slags. Cem. Concr. Res. 2012, 42, 778–788. [Google Scholar] [CrossRef]
- Rađenović, A.; Malina, J.; Sofilić, T. Characterization of Ladle Furnace Slag from Carbon Steel Production as a Potential Adsorbent. Adv. Mater. Sci. Eng. 2013, 2013, 198240. [Google Scholar] [CrossRef]
- Sofilić, T.; Mladenović, A.; Oreščanin, V.; Barišić, D. Characterization of ladle furnace slag from the carbon steel production. In Proceedings of the 13th International Foundrymen Conference—Innovative Foundry Processes and Materials, Opatija, Croatia, 16–17 May 2013; pp. 354–369. [Google Scholar]
- Serjun, V.Z.; Mirti, B.; Mladenovi, A. Evaluation of ladle slag as a potential material for building and civil engineering. Mater. Technol. 2013, 47, 543–550. [Google Scholar]
- Shi, C. Characteristics and cementitious properties of ladle slag fines from steel production. Cem. Concr. Res. 2002, 32, 459–462. [Google Scholar] [CrossRef]
- Sheen, Y.-N.; Le, D.-H.; Sun, T.-H. Innovative usages of stainless steel slags in developing self-compacting concrete. Constr. Build. Mater. 2015, 101, 268–276. [Google Scholar] [CrossRef]
- Manso, J.M.; Losañez, M.; Polanco, J.A.; Gonzalez, J.J. Ladle Furnace Slag in Construction. J. Mater. Civ. Eng. 2005, 17, 513–518. [Google Scholar] [CrossRef]
- Murri, A.N.; Rickard, W.; Bignozzi, M.; van Riessen, A. High temperature behaviour of ambient cured alkali-activated materials based on ladle slag. Cem. Concr. Res. 2013, 43, 51–61. [Google Scholar] [CrossRef]
- Mahoutian, M.; Shao, Y. Low temperature synthesis of cement from ladle slag and fly ash. J. Sustain. Cem. Mater. 2016, 5, 247–258. [Google Scholar] [CrossRef]
- Nguyen, H.; Adesanya, E.; Ohenoja, K.; Kriskova, L.; Pontikes, Y.; Kinnunen, P.; Illikainen, M. Byproduct-based ettringite binder—A synergy between ladle slag and gypsum. Constr. Build. Mater. 2019, 197, 143–151. [Google Scholar] [CrossRef]
- Aponte, D.; Martín, O.S.; del Barrio, S.V.; Bizinotto, M.B. Ladle Steel Slag in Activated Systems for Construction Use. Minerals 2020, 10, 687. [Google Scholar] [CrossRef]
- Terrones-Saeta, J.M.; Iglesias-Godino, F.J.; Corpas-Iglesias, F.A.; Martínez-García, C. Study of the Incorporation of Ladle Furnace Slag in the Manufacture of Cold In-Place Recycling with Bitumen Emulsion. Materials 2020, 13, 4765. [Google Scholar] [CrossRef]
- Shi, C. Steel Slag—Its Production, Processing, Characteristics, and Cementitious Properties. ChemInform 2005, 16, 230–236. [Google Scholar] [CrossRef]
- Jacob, L. Ladle Furnace Slag: Synthesis, Properties, and Applications. ChemBioEng Rev. 2024, 11, 60–78. [Google Scholar] [CrossRef]
- Najm, O.; El-Hassan, H.; El-Dieb, A. Ladle slag characteristics and use in mortar and concrete: A comprehensive review. J. Clean. Prod. 2021, 288, 125584. [Google Scholar] [CrossRef]
- Santamaría, A.; Ortega-López, V.; Skaf, M.; Faleschini, F.; Orbe, A.; San-José, J.T. 23—Ladle furnace slags for construction and civil works: A promising reality. In Waste and Byproducts in Cement-Based Materials; de Brito, J., Thomas, C., Medina, C., Agrela, F., Eds.; Woodhead Publishing: Sawston, UK, 2021; pp. 659–679. [Google Scholar]
- Yi, H.; Xu, G.; Cheng, H.; Wang, J.; Wan, Y.; Chen, H. An Overview of Utilization of Steel Slag. Procedia Environ. Sci. 2012, 16, 791–801. [Google Scholar] [CrossRef]
- Piatak, N.M.; Parsons, M.B.; Seal, R.R. Characteristics and environmental aspects of slag: A review. Appl. Geochem. 2015, 57, 236–266. [Google Scholar] [CrossRef]
- Brandaleze, E.; Benavidez, E.; Santini, L. Treatments and recycling of metallurgical slags. In Recovery and Utilization of Metallurgical Solid Waste; IntechOpen: London, UK, 2018. [Google Scholar]
- Guzzon, M.; Mapelli, C.; Memoli, F.; Marcozzi, M. Recycling of ladle slag in the EAF: Improvement of the foaming behavior and decrease of the environmental impact. Metall. Res. Technol. 2007, 104, 171–178. [Google Scholar] [CrossRef]
- Varanasi, S.S.; More, V.M.R.; Rao, M.B.V.; Alli, S.R.; Tangudu, A.K.; Santanu, D. Recycling Ladle Furnace Slag as Flux in Steelmaking: A Review. J. Sustain. Met. 2019, 5, 449–462. [Google Scholar] [CrossRef]
- Väinölä, R.; Holappa, L.; Karvonen, P. Modern steelmaking technology for special steels. J. Mech. Work. Technol. 1995, 53, 453–465. [Google Scholar] [CrossRef]
- Arnold, H.; Schrade, C.; Talhoff, D.; Vollmers, A.; Huellen, M.; Zulhan, Z. Secondary metallurgy for BOF steelmaking. In Proceedings of the HKM-Iron & Steelmaking Conference, Aachen, Germany, 26–28 June 2006; p. 7.3. [Google Scholar]
- Perrin, R. Ladle slag-refining of electric furnace steel. JOM 1957, 9, 1517–1520. [Google Scholar] [CrossRef]
- He, F.; Xu, A.; Wang, H.; He, D.; Tian, N. End Temperature Prediction of Molten Steel in LF Based on CBR. Steel Res. Int. 2012, 83, 1079–1086. [Google Scholar] [CrossRef]
- Allertz, C.; Sichen, D. Sulfide Capacity in Ladle Slag at Steelmaking Temperatures. Met. Mater. Trans. B 2015, 46, 2609–2615. [Google Scholar] [CrossRef]
- Allertz, C.; Sichen, D. Possibility of Sulfur Removal from Ladle Slag by Oxidation in the Temperature Range 1373–1673 K. J. Sustain. Met. 2015, 1, 229–239. [Google Scholar] [CrossRef]
- Sarkar, S.; Anand, V.; Ranjan, R.; Borra, C.R.; Sahoo, P.P. Elimination of Fluorspar Use and Reduction in Lime Consumption at Ladle Furnace by Reutilizing Alumina-Rich Ladle Furnace Slag. J. Sustain. Met. 2022, 8, 398–408. [Google Scholar] [CrossRef]
- Zolin, A.N.; Dobromilov, A.A.; Esil’baev, R.D.; Shafigulin, R.K.; Gulyakov, V.S.; Vusikhis, A.S. Use of Solid Slag Mixtures in a Ladle Furnace Unit. Metallurgist 2022, 66, 698–703. [Google Scholar] [CrossRef]
- Yuasa, G.; Yajima, T.; Ukai, A.; Ozawa, M. Refining practice and application of the ladle furnace (LF) process in Japan. Trans. Iron Steel Inst. Jpn. 1984, 24, 412–418. [Google Scholar] [CrossRef][Green Version]
- Rodriguez, Á.; Manso, J.M.; Aragón, Á.; Gonzalez, J.J. Strength and workability of masonry mortars manufactured with ladle furnace slag. Resour. Conserv. Recycl. 2009, 53, 645–651. [Google Scholar] [CrossRef]
- Aminorroaya-Yamini, S.; Edris, H.; Tohidi, A.; Parsi, J.; Zamani, B. Recycling of ladle furnace slags. In Proceedings of the 2nd International Conference on Process Development in Iron and Steelmaking (SCANMET II), Luleå, Sweden, 6–9 June 2004; pp. 379–384. [Google Scholar]
- Sasamoto, H.; Tsubone, A.; Kamiya, Y.; Sano, K. Development of Fishing Block Using EAF Refining Slag. Tetsu-to-Hagane 2003, 89, 461–465. [Google Scholar] [CrossRef]
- Murphy, J.N.; Meadowcroft, T.R.; Barr, P.V. Enhancement of the cementitious properties of steelmaking slag. Can. Met. Q. 1997, 36, 315–331. [Google Scholar] [CrossRef]
- Young, R.D. Method and Apparatus for Using Steel Slag in Cement Clinker Production. U.S. Patent 5,421,880, 6 June 1995. [Google Scholar]
- Maghool, F.; Arulrajah, A.; Suksiripattanapong, C.; Horpibulsuk, S.; Mohajerani, A.; Maghool, F.; Arulrajah, A.; Suksiripattanapong, C.; Horpibulsuk, S.; Mohajerani, A. Geotechnical properties of steel slag aggregates: Shear strength and stiffness. Soils Found. 2019, 59, 1591–1601. [Google Scholar] [CrossRef]
- Lemougna, P.N.; Yliniemi, J.; Ismailov, A.; Levanen, E.; Tanskanen, P.; Kinnunen, P.; Roning, J.; Illikainen, M. Recycling lithium mine tailings in the production of low temperature (700–900 °C) ceramics: Effect of ladle slag and sodium compounds on the processing and final properties. Constr. Build. Mater. 2019, 221, 332–344. [Google Scholar] [CrossRef]
- Dippenaar, R. Industrial uses of slag (the use and re-use of iron and steelmaking slags). Ironmak. Steelmak. 2005, 32, 35–46. [Google Scholar] [CrossRef]
- Manso, J.M.; Rodriguez, Á.; Aragón, Á.; Gonzalez, J.J. The durability of masonry mortars made with ladle furnace slag. Constr. Build. Mater. 2011, 25, 3508–3519. [Google Scholar] [CrossRef]
- Chang, S.Y.; Chen, C.S.; Tu, C.H.; Tseng, Y.W. Ladle Furnace Slag as a Sustainable Binder for Masonry Mortars. Key Eng. Mater. 2019, 801, 385–390. [Google Scholar] [CrossRef]
- Xu, B.; Yi, Y. Soft clay stabilization using ladle slag-ground granulated blast furnace slag blend. Appl. Clay Sci. 2019, 178. [Google Scholar] [CrossRef]
- Manso, J.M.; Ortega-López, V.; Polanco, J.A.; Setién, J. The use of ladle furnace slag in soil stabilization. Constr. Build. Mater. 2013, 40, 126–134. [Google Scholar] [CrossRef]
- Ortega-López, V.; Manso, J.M.; Cuesta, I.I.; González, J.J. The long-term accelerated expansion of various ladle-furnace basic slags and their soil-stabilization applications. Constr. Build. Mater. 2014, 68, 455–464. [Google Scholar] [CrossRef]
- Montenegro-Cooper, J.; Celemín-Matachana, M.; Cañizal, J.; González, J. Study of the expansive behavior of ladle furnace slag and its mixture with low quality natural soils. Constr. Build. Mater. 2019, 203, 201–209. [Google Scholar] [CrossRef]
- Brand, A.S.; Singhvi, P.; Fanijo, E.O.; Tutumluer, E. Stabilization of a Clayey Soil with Ladle Metallurgy Furnace Slag Fines. Materials 2020, 13, 4251. [Google Scholar] [CrossRef]
- Xu, B.; Yi, Y. Stabilisation/solidification of lead-contaminated soil by using ladle furnace slag and carbon dioxide. Soils Found. 2022, 62, 101205. [Google Scholar] [CrossRef]
- Lopes, E.C.; da Silva, T.O.; Pitanga, H.N.; Pedroti, L.G.; de Carvalho, J.M.F.; Nalon, G.H.; de Lima, G.E.S.; de Araújo, E.N.D. Stabilisation of clayey and sandy soils with ladle furnace slag fines for road construction. Road Mater. Pavement Des. 2023, 24, 247–266. [Google Scholar] [CrossRef]
- Kim, Y.J.; Nettleship, I.; Kriven, W.M. Phase transformations in dicalcium silicate: II, TEM studies of crystallography, microstructure, and mechanisms. J. Am. Ceram. Soc. 1992, 75, 2407–2419. [Google Scholar] [CrossRef]
- Groves, G.W. Phase transformations in dicalcium silicate. J. Mater. Sci. 1983, 18, 1615–1624. [Google Scholar] [CrossRef]
- Deverill, R.J. Dicalcium silicate: An investigation into the dusting phenomenon and its control. Ann. Arbor 1979, 1050, 10798385. [Google Scholar]
- Erlin, B.; Jana, D. Forces of hydration that can cause havoc in concrete. Concr. Int. 2003, 25, 51–57. [Google Scholar]
- Monkman, S.; Shao, Y.; Shi, C. Carbonated Ladle Slag Fines for Carbon Uptake and Sand Substitute. J. Mater. Civ. Eng. 2009, 21, 657–665. [Google Scholar] [CrossRef]
- Setién, J.; Hernández, D.; González, J. Characterization of ladle furnace basic slag for use as a construction material. Constr. Build. Mater. 2009, 23, 1788–1794. [Google Scholar] [CrossRef]
- Bignozzi, M.C.; Manzi, S.; Lancellotti, I.; Kamseu, E.; Barbieri, L.; Leonelli, C. Mix-design and characterization of alkali activated materials based on metakaolin and ladle slag. Appl. Clay Sci. 2013, 73, 78–85. [Google Scholar] [CrossRef]
- Marinho, A.L.B.; Santos, C.M.M.; de Carvalho, J.M.F.; Mendes, J.C.; Brigolini, G.J.; Peixoto, R.A.F. Ladle Furnace Slag as Binder for Cement-Based Composites. J. Mater. Civ. Eng. 2017, 29. [Google Scholar] [CrossRef]
- Zhao, J.; Wang, Y.; Fang, K.; Zheng, Y.; Wang, D. The Characteristics of the Phase Transition of Air-Quenched Ladle Furnace Slag. JOM 2021, 73, 1071–1079. [Google Scholar] [CrossRef]
- Da Silva, T.F.; Moura, M.A.D.N.; Souza, E.d.F.C.d.; Ferreira, G.C.d.S.; Pereira, V.F.R. Influence of the cooling process on the physicochemical properties of ladle furnace slag, used in the replacement of Portland cement. Mater. De Jan. 2022, 27. [Google Scholar] [CrossRef]
- Sultana, I.; Islam, G.M.S. Performance of Ladle Furnace Slag in Mortar under Standard and Accelerated Curing. Adv. Civ. Eng. 2022, 2022, 7824084. [Google Scholar] [CrossRef]
- Papayianni, I.; Anastasiou, E. Effect of granulometry on cementitious properties of ladle furnace slag. Cem. Concr. Compos. 2012, 34, 400–407. [Google Scholar] [CrossRef]
- Herrero, T.; Vegas, I.J.; Santamaría, A.; San-José, J.T.; Skaf, M. Effect of high-alumina ladle furnace slag as cement substitution in masonry mortars. Constr. Build. Mater. 2016, 123, 404–413. [Google Scholar] [CrossRef]
- Henríquez, P.A.; Aponte, D.; Ibáñez-Insa, J.; Bizinotto, M.B. Ladle furnace slag as a partial replacement of Portland cement. Constr. Build. Mater. 2021, 289, 123106. [Google Scholar] [CrossRef]
- Nguyen, H.; Carvelli, V.; Adesanya, E.; Kinnunen, P.; Illikainen, M. High performance cementitious composite from alkali-activated ladle slag reinforced with polypropylene fibers. Cem. Concr. Compos. 2018, 90, 150–160. [Google Scholar] [CrossRef]
- Adesanya, E.; Ohenoja, K.; Kinnunen, P.; Illikainen, M. Properties and durability of alkali-activated ladle slag. Mater. Struct. 2017, 50, 255. [Google Scholar] [CrossRef]
- Salman, M.; Cizer, Ö.; Pontikes, Y.; Snellings, R.; Vandewalle, L.; Blanpain, B.; Van Balen, K. Cementitious binders from activated stainless steel refining slag and the effect of alkali solutions. J. Hazard. Mater. 2015, 286, 211–219. [Google Scholar] [CrossRef]
- Sideris, K.K.; Tassos, C.; Chatzopoulos, A. Production of Durable Self-compacting Concrete Using Ladle Furnace Slag (LFS) as Filler Material. Procedia Eng. 2015, 108, 592–597. [Google Scholar] [CrossRef]
- Adolfsson, D.; Robinson, R.; Engström, F.; Björkman, B. Influence of mineralogy on the hydraulic properties of ladle slag. Cem. Concr. Res. 2011, 41, 865–871. [Google Scholar] [CrossRef]
- Mahoutian, M.; Ghouleh, Z.; Shao, Y. Carbon dioxide activated ladle slag binder. Constr. Build. Mater. 2014, 66, 214–221. [Google Scholar] [CrossRef]
- Fang, K.; Wang, D.; Zhao, J.; Zhang, M. Utilization of ladle furnace slag as cement partial replacement: Influences on the hydration and hardening properties of cement. Constr. Build. Mater. 2021, 299, 124265. [Google Scholar] [CrossRef]
- Wang, X.; Fan, Y.; Ni, W.; Fu, P. Stimulating CO2 sequestration of aluminum-rich refining slag (ARS): A proposed method of preventing katoite formation using desulfuration gypsum. J. Build. Eng. 2023, 63, 105470. [Google Scholar] [CrossRef]
- Papayianni, I.; Anastasiou, E. Optimization of ladle furnace slag for use as a supplementary cementing material. In Measuring, Monitoring and Modeling Concrete Properties; Konsta-Gdoutos, M.S., Ed.; Springer: Dordrecht, The Netherlands, 2006; pp. 411–417. [Google Scholar]
- Bonenfant, D.; Kharoune, L.; Sauve’, S.; Hausler, R.; Niquette, P.; Mimeault, M.; Kharoune, M. CO2 Sequestration Potential of Steel Slags at Ambient Pressure and Temperature. Ind. Eng. Chem. Res. 2008, 47, 7610–7616. [Google Scholar] [CrossRef]
- López-Ausín, V.; Revilla-Cuesta, V.; Skaf, M.; Espinosa, A.B.; Manso, J.M. Modification of shrinkage and mechanical properties of concrete by the addition of ladle furnace slag (LFS). Mater. Today Proc. 2023. [Google Scholar] [CrossRef]
- Naik, B.; Chaubey, A.K.; Mustakim, S.M.; Paul, S.; Barua, A.; Jeet, S. Synthesis and characterization of ladle furnace slag on the mechanical properties of self-compacting concrete. Mater. Today: Proc. 2023, 74, 673–680. [Google Scholar] [CrossRef]
- Peceño, B.; Pérez-Soriano, E.M.; Luna-Galiano, Y.; Leiva, C. The Incorporation of Ladle Furnace Slag in Fire Insulating Gypsum-Based Materials. Fire 2023, 6, 416. [Google Scholar] [CrossRef]
- Wang, W.-C.; Wang, H.-Y.; Tsai, H.-C. Study on engineering properties of alkali-activated ladle furnace slag geopolymer. Constr. Build. Mater. 2016, 123, 800–805. [Google Scholar] [CrossRef]
- Revilla-Cuesta, V.; Serrano-López, R.; Espinosa, A.B.; Ortega-López, V.; Skaf, M. Analyzing the Relationship between Compressive Strength and Modulus of Elasticity in Concrete with Ladle Furnace Slag. Buildings 2023, 13, 3100. [Google Scholar] [CrossRef]
- Bocci, E. Use of ladle furnace slag as filler in hot asphalt mixtures. Constr. Build. Mater. 2018, 161, 156–164. [Google Scholar] [CrossRef]
- Skaf, M.; Ortega-López, V.; Revilla-Cuesta, V.; Manso, J.M. Bituminous pavement overlay of a porous asphalt mixture with ladle furnace slag: A pilot project. Road Mater. Pavement Des. 2023, 24, 2780–2793. [Google Scholar] [CrossRef]
- Sideris, K.K.; Tassos, C.; Chatzopoulos, A.; Manita, P. Mechanical characteristics and durability of self compacting concretes produced with ladle furnace slag. Constr. Build. Mater. 2018, 170, 660–667. [Google Scholar] [CrossRef]
- Pasetto, M.; Baliello, A.; Pasquini, E.; Skaf, M.; Ortega-López, V. Performance-Based Characterization of Bituminous Mortars Prepared With Ladle Furnace Steel Slag. Sustainability 2020, 12, 1777. [Google Scholar] [CrossRef]
- Ouffa, N.; Benzaazoua, M.; Belem, T.; Trauchessec, R.; Lecomte, A. Alkaline dissolution potential of aluminosilicate minerals for the geosynthesis of mine paste backfill. Mater. Today Commun. 2020, 24, 101221. [Google Scholar] [CrossRef]
- Jeong, T.S.; Cho, J.H.; Heo, J.H.; Park, J.H. Desulfurization behavior of Si-killed 316L stainless steel melt by CaO-SiO2-CaF2-Al2O3-MgO slag. J. Mater. Res. Technol. 2022, 18, 2250–2260. [Google Scholar] [CrossRef]
- Sheshukov, O.Y.; Nekrasov, I.V.; Mikheenkov, M.A.; Egiazar’yan, D.K.; Lobanov, D.A. Stabilization of Refining Slag by Adjusting Its Phase Composition and Giving It the Properties of Mineral Binders. Refract. Ind. Ceram. 2017, 58, 324–330. [Google Scholar] [CrossRef]
- Sheshukov, O.Y.; Nerkasov, I.V.; Mikheenkov, M.A.; Egiazaryan, D.K.; Sivtsov, A.V.; Chencov, V.P.; Gertsberg, G.E. Unit Ladle-Furnace: Slag Forming Conditions And Stabilization. KnE Mater. Sci. 2017, 2, 70–75. [Google Scholar] [CrossRef]
- Kozlov, V.V.; Shevchik, A.P.; Suvorov, S.A.; Arbuzova, N.V.; Kuznetsov, D.V. Modeling of the Phase Composition of Refractory and Slag Systems, Optimization of Slag Adjustment, and Stabilization of Secondary Steelmaking Slags. Refract. Ind. Ceram. 2019, 59, 502–506. [Google Scholar] [CrossRef]
- Yang, H.; Ye, J.; Wu, X.; Peng, Y.; Fang, Y.; Zhao, X. Optimum Composition of CaO-SiO2-Al2O3-MgO Slag for Spring Steel Deoxidized by Si and Mn in Production. Met. Mater. Trans. B 2016, 47, 1435–1444. [Google Scholar] [CrossRef]
- Sheshukov, O.Y.; Nekrasov, I.V.; Mikheenkov, M.A.; Egiazar’yan, D.K.; Ovchinnikova, L.A.; Kashcheev, I.D.; Zemlyanoi, K.G.; Kamenskikh, V.A. Effect of Refining Slag Phase Composition on Ladle Furnace Unit Lining Life1. Refract. Ind. Ceram. 2016, 57, 109–116. [Google Scholar] [CrossRef]
- Vlcek, J.; Tomkova, V.; Ovcacikova, H.; Ovcacik, F.; Topinkova, M.; Matejka, V. Slags from steel production: Properties and their utilization. Metal.-Sisak Then Zagreb 2013, 52, 329–333. [Google Scholar]
- Yong-Jie, H.; Cheng-Yong, H.; Yun-Ming, L.; Abdullah, M.M.A.B.; Yeng-Seng, L.; Ern-Hun, K.; Shee-Ween, O.; Wan-En, O.; Hui-Teng, N.; Yong-Sing, N. Strength optimization and key factors correlation of one-part fly ash/ladle furnace slag (FA/LFS) geopolymer using statistical approach. J. Build. Eng. 2023, 63, 105480. [Google Scholar] [CrossRef]
- Pal, S.; Mukherjee, A.; Pathak, S. Investigation of hydraulic activity of ground granulated blast furnace slag in concrete. Cem. Concr. Res. 2003, 33, 1481–1486. [Google Scholar] [CrossRef]
- Matthes, W.; Vollpracht, A.; Villagrán, Y.; Kamali-Bernard, S.; Hooton, D.; Gruyaert, E.; Soutsos, M.; De Belie, N. Ground Granulated Blast-Furnace Slag. In Properties of Fresh and Hardened Concrete Containing Supplementary Cementitious Materials: State-of-the-Art Report of the RILEM Technical Committee 238-SCM, Working Group 4; De Belie, N., Soutsos, M., Gruyaert, E., Eds.; Springer International Publishing: Cham, Switzerland, 2018; pp. 1–53. [Google Scholar]
- Zhang, S.; Ghouleh, Z.; Liu, J.; Shao, Y. Converting ladle slag into high-strength cementing material by flue gas carbonation at different temperatures. Resour. Conserv. Recycl. 2021, 174, 105819. [Google Scholar] [CrossRef]
- Lee, S.-W.; Kim, Y.-J.; Bang, J.-H.; Chae, S. CaCO3 film synthesis from ladle furnace slag: Morphological change, new material properties, and Ca extraction efficiency. Int. J. Miner. Met. Mater. 2018, 25, 1447–1456. [Google Scholar] [CrossRef]
- Yi, Y.; Ma, W.; Sidike, A.; Ma, Z.; Fang, M.; Lin, Y.; Bai, S.; Chen, Y. Synergistic effect of hydration and carbonation of ladle furnace aslag on cementitious substances. Sci. Rep. 2022, 12, 145326. [Google Scholar] [CrossRef] [PubMed]
- Moliné, M.N.; Calvo, W.A.; Martinez, A.G.T.; Galliano, P.G. Ambient weathering of steelmaking ladle slags. Ceram. Int. 2018, 44, 18920–18927. [Google Scholar] [CrossRef]
- Iguchi, Y.; Narushima, T.; Izumi, C. Calorimetric study on hydration of CaO-based oxides. J. Alloys Compd. 2001, 321, 276–281. [Google Scholar] [CrossRef]
- Sun, D.D.; Tay, J.H.; Cheong, H.K.; Leung, D.L.K.; Qian, G. Recovery of heavy metals and stabilization of spent hydrotreating catalyst using a glass–ceramic matrix. J. Hazard. Mater. 2001, 87, 213–223. [Google Scholar] [CrossRef]
- Cho, M.-K.; Hong, G.-G.; Lee, S.-K. Corrosion of spinel clinker by CaO–Al2O3–SiO2 ladle slag. J. Eur. Ceram. Soc. 2002, 22, 1783–1790. [Google Scholar] [CrossRef]
- Posch, W.; Presslinger, H.; Hiebler, H. Mineralogical evaluationof ladle slags at voestalpine Stahl GmbH. Ironmak. Steelmak. 2002, 29, 308–312. [Google Scholar] [CrossRef]
- Mihok, Ľ.; Demeter, P.; Baricova, D.; Seilerova, K. Utilization of Ironmaking and Steelmaking Slags. Metalurgija 2006, 45, 163–168. [Google Scholar]
- Cavallotti, P.; Mapelli, C.; Memoli, F.; Pustorino, M. Recycling of LF-white slag. In Proceedings of the AIM-Federacciai-VDEh Joint Meeting, Seminar on Metallurgical Fundamentals, Dalmine, Italy, 15 September 2007. [Google Scholar]
- Prieto, M.I.; González, M.d.L.N.; Rodríguez, Á.; Cobo, A. The Influence of Replacing Aggregates and Cement by LFS on the Corrosion of Steel Reinforcements. Appl. Sci. 2019, 9, 683. [Google Scholar] [CrossRef]
- Papayianni, I.; Anastasiou, E. Production of high-strength concrete using high volume of industrial by-products. Constr. Build. Mater. 2010, 24, 1412–1417. [Google Scholar] [CrossRef]
- Wcisło, Z.; Michaliszyn, A.; Baka, A. Role of slag in the steel refining process in the ladle. J. Achiev. Mater. Manuf. Eng. 2012, 55, 390–395. [Google Scholar]
- Skaf, M.; Ortega-López, V.; Fuente-Alonso, J.; Santamaría, A.; Manso, J. Ladle furnace slag in asphalt mixes. Constr. Build. Mater. 2016, 122, 488–495. [Google Scholar] [CrossRef]
- Montenegro, J.M.; Celemín-Matachana, M.; Cañizal, J.; Setién, J. Ladle Furnace Slag in the Construction of Embankments: Expansive Behavior. J. Mater. Civ. Eng. 2013, 25, 972–979. [Google Scholar] [CrossRef]
- Anastasiou, E.K.; Papayianni, I.; Papachristoforou, M. Behavior of self compacting concrete containing ladle furnace slag and steel fiber reinforcement. Mater. Des. 2014, 59, 454–460. [Google Scholar] [CrossRef]
- Anastasiou, E.K. Effect of High Calcium Fly Ash, Ladle Furnace Slag, and Limestone Filler on Packing Density, Consistency, and Strength of Cement Pastes. Materials 2021, 14, 301. [Google Scholar] [CrossRef]
- Santamaria, A.; Ortega-Lopez, V.; Skaf, M.; García, V.; Gaitero, J.J.; San-José, J.T.; González, J.J.; Tecnalia, P.T.D.B. Ladle furnace slag as cement replacement in mortar mixes. In Proceedings of the Fifth International Conference on Sustainable Construction Materials and Technologies, Kingston University, London, UK, 14–17 July 2019; pp. 14–17. [Google Scholar] [CrossRef]
- Sáez-de-Guinoa Vilaplana, A.; Ferreira, V.J.; López-Sabirón, A.M.; Aranda-Usón, A.; Lausín-González, C.; Berganza-Conde, C.; Ferreira, G. Utilization of Ladle Furnace slag from a steelwork for laboratory scale production of Portland cement. Constr. Build. Mater. 2015, 94, 837–843. [Google Scholar] [CrossRef]
- Choi, S.; Kim, J.-M.; Han, D.; Kim, J.-H. Hydration properties of ladle furnace slag powder rapidly cooled by air. Constr. Build. Mater. 2016, 113, 682–690. [Google Scholar] [CrossRef]
- Češnovar, M.; Traven, K.; Horvat, B.; Ducman, V. The Potential of Ladle Slag and Electric Arc Furnace Slag use in Synthesizing Alkali Activated Materials; the Influence of Curing on Mechanical Properties. Materials 2019, 12, 1173. [Google Scholar] [CrossRef]
- Maghool, F.; Arulrajah, A.; Du, Y.-J.; Horpibulsuk, S.; Chinkulkijniwat, A. Environmental impacts of utilizing waste steel slag aggregates as recycled road construction materials. Clean Technol. Environ. Policy 2017, 19, 949–958. [Google Scholar] [CrossRef]
- Adesanya, E.; Sreenivasan, H.; Kantola, A.M.; Telkki, V.-V.; Ohenoja, K.; Kinnunen, P.; Illikainen, M. Ladle slag cement—Characterization of hydration and conversion. Constr. Build. Mater. 2018, 193, 128–134. [Google Scholar] [CrossRef]
- Papayianni, I.; Konopisi, S.; Kesikidou, F. Physico-Mechanical Properties and Durability Aspects of Alkali-Activated Calcareous Fly Ash/Slag Mortars. Key Eng. Mater. 2018, 761, 87–91. [Google Scholar] [CrossRef]
- Kapusuz, H.; Güvenç, M.A.; Mistikoğlu, S. A review study on ladle slag detection technologies in continuous casting process. Int. Adv. Res. Eng. J. 2019, 3, 144–149. [Google Scholar] [CrossRef]
- Wang, Y.; Suraneni, P. Experimental methods to determine the feasibility of steel slags as supplementary cementitious materials. Constr. Build. Mater. 2019, 204, 458–467. [Google Scholar] [CrossRef]
- Li, C.-C.; Lin, C.-M.; Chang, Y.-E.; Chang, W.-T.; Wu, W. Stabilization and Crystal Characterization of Electric Arc Furnace Oxidizing Slag Modified with Ladle Furnace Slag and Alumina. Metals 2020, 10, 501. [Google Scholar] [CrossRef]
- Gollapalli, V.; Tadivaka, S.R.; Borra, C.R.; Varanasi, S.S.; Karamched, P.S.; Rao, M.B.V. Investigation on Stabilization of Ladle Furnace Slag with Different Additives. J. Sustain. Met. 2020, 6, 121–131. [Google Scholar] [CrossRef]
- Nebreda-Rodrigo, F.J.; Terrones-Saeta, J.M.; Suárez-Macías, J.; Moreno-López, E.R.; Corpas-Iglesias, F.A.; Martínez-García, C. Utilisation of Mining Waste from the Steel Industry, Ladle Furnace Slags, as a Filler in Bituminous Mixtures of Continuous Grading. Metals 2021, 11, 1447. [Google Scholar] [CrossRef]
- Xu, B.; Yi, Y. Use of ladle furnace slag containing heavy metals as a binding material in civil engineering. Sci. Total. Environ. 2020, 705, 135854. [Google Scholar] [CrossRef]
- Zhao, J.; Liu, Q.; Fang, K. Optimization of f-MgO/f-CaO phase in ladle furnace slag by air rapidly cooling. Mater. Lett. 2020, 280, 128528. [Google Scholar] [CrossRef]
- Hui-Teng, N.; Cheng-Yong, H.; Yun-Ming, L.; Abdullah, M.M.A.B.; Hun, K.E.; Razi, H.M.; Yong-Sing, N. Formulation, mechanical properties and phase analysis of fly ash geopolymer with ladle furnace slag replacement. J. Mater. Res. Technol. 2021, 12, 1212–1226. [Google Scholar] [CrossRef]
- Yong-Sing, N.; Yun-Ming, L.; Cheng-Yong, H.; Abdullah, M.M.A.B.; Chan, L.W.L.; Hui-Teng, N.; Shee-Ween, O.; Wan-En, O.; Yong-Jie, H. Evaluation of flexural properties and characterisation of 10-mm thin geopolymer based on fly ash and ladle furnace slag. J. Mater. Res. Technol. 2021, 15, 163–176. [Google Scholar] [CrossRef]
- Yong-Sing, N.; Yun-Ming, L.; Cheng-Yong, H.; Abdullah, M.M.A.B.; Pakawanit, P.; Chan, L.W.L.; Hui-Teng, N.; Shee-Ween, O.; Wan-En, O.; Yong-Jie, H. Thin fly ash/ ladle furnace slag geopolymer: Effect of elevated temperature exposure on flexural properties and morphological characteristics. Ceram. Int. 2022, 48, 16562–16575. [Google Scholar] [CrossRef]
- Parsaei, M.; Vakili, A.H.; Salimi, M.; Farhadi, M.S.; Falamaki, A. Effect of electric arc and ladle furnace slags on the strength and swelling behavior of cement-stabilized expansive clay. Bull. Eng. Geol. Environ. 2021, 80, 6303–6320. [Google Scholar] [CrossRef]
- Sahoo, P.P.; Nayak, P.; Ranjan, R. Prevention of Ladle Furnace Slag Disintegration Through Different Slag Additives. J. Sustain. Met. 2021, 7, 115–125. [Google Scholar] [CrossRef]
- Yi, Y.-R.; Lin, Y.; Du, Y.-C.; Bai, S.-Q.; Ma, Z.-L.; Chen, Y.-G. Accelerated carbonation of ladle furnace slag and characterization of its mineral phase. Constr. Build. Mater. 2021, 276, 122235. [Google Scholar] [CrossRef]
- Islam, G.S.; Akter, S.; Reza, T.B. Sustainable high-performance, self-compacting concrete using ladle slag. Clean. Eng. Technol. 2022, 7, 100439. [Google Scholar] [CrossRef]
- Roberto, A.; Mantovani, L.; Romeo, E.; Tebaldi, G.; Montepara, A.; Tribaudino, M. Re-using Ladle Furnace Steel slags as filler in asphalt mixtures. Constr. Build. Mater. 2022, 323, 126420. [Google Scholar] [CrossRef]
- Parron-Rubio, M.E.; Perez-García, F.; Gonzalez-Herrera, A.; Rubio-Cintas, M.D. Concrete Properties Comparison When Substituting a 25% Cement with Slag from Different Provenances. Materials 2018, 11, 1029. [Google Scholar] [CrossRef]
- Varanasi, S.S.; Rao, M.V.M.; Santanu, D.; Alli, S.R.; Kumar, D.S.V.S.; Tangudu, A.K.; Gollapalli, V.; Pathak, R.K.; Santhamma, C.S. Effect of recycling ladle furnace slag as flux on steel desulphurization during secondary steel making. Ironmak. Steelmak. 2022, 49, 813–820. [Google Scholar] [CrossRef]
- Xu, B.; Yi, Y. Treatment of ladle furnace slag by carbonation: Carbon dioxide sequestration, heavy metal immobilization, and strength enhancement. Chemosphere 2022, 287, 132274. [Google Scholar] [CrossRef]
- Elwan, R.; El-Kheshen, A.A.; Youness, R.A.; Taha, M.A. Exploitation of ladle furnace iron slag for semiconductor borosilicate glass production. Ceram. Int. 2023, 49, 37680–37690. [Google Scholar] [CrossRef]
- Fang, M.; Yi, Y.; Ma, W.; Lin, Y.; Li, J.; Liu, W. Performance analysis of coagulation hardening effect of geopolymer prepared from high calcium-based ladle furnace slag. Constr. Build. Mater. 2023, 374, 130963. [Google Scholar] [CrossRef]
- Ma, W.; Yi, Y.; Fang, M.; Li, C.; Li, J.; Liu, W. Study on the synthesis mechanism of sodalite, gismondine, and zeolite-P1 zeolite materials from ladle furnace slag and fly ash. Sci. Rep. 2023, 13, 3232. [Google Scholar] [CrossRef] [PubMed]
- Wu, L.; Li, H.; Mei, H.; Rao, L.; Xia, Y.; Dong, Y. A novel approach to accelerate carbon dioxide sequestration of ladle furnace slag using sodium bicarbonate solution. Miner. Eng. 2023, 204, 108374. [Google Scholar] [CrossRef]
- Adolfsson, D.; Engström, F.; Robinson, R.; Björkman, B. Cementitious Phases in Ladle Slag. Steel Res. Int. 2011, 82, 398–403. [Google Scholar] [CrossRef]
- Salman, M.; Cizer, Ö.; Pontikes, Y.; Santos, R.M.; Snellings, R.; Vandewalle, L.; Blanpain, B.; Van Balen, K. Effect of accelerated carbonation on AOD stainless steel slag for its valorisation as a CO2-sequestering construction material. Chem. Eng. J. 2014, 246, 39–52. [Google Scholar] [CrossRef]
- Adesanya, E.; Ohenoja, K.; Kinnunen, P.; Illikainen, M. Effect of fine grinding on the durability properties of alkali activated ladle slag. In Proceedings of the 5th International Slag Valorisation Symposium, Leuven, Belgium, 3–5 April 2017. [Google Scholar]
- Zong, Y.-B.; Cang, D.-Q.; Zhen, Y.-P.; Li, Y.; Bai, H. Component modification of steel slag in air quenching process to improve grindability. Trans. Nonferrous Met. Soc. China 2009, 19, s834–s839. [Google Scholar] [CrossRef]
- Pioro, L.; Pioro, I. Reprocessing of metallurgical slag into materials for the building industry. Waste Manag. 2004, 24, 371–379. [Google Scholar] [CrossRef]
- Dash, A.; Chanda, P.; Tripathy, P.K.; Kumar, N. A Review on Stabilization of Ladle Furnace Slag-Powdering Issue. J. Sustain. Met. 2022, 8, 1435–1449. [Google Scholar] [CrossRef]
- Rodríguez, A.; Gutiérrez-González, S.; Prieto, M.I.; Cobo, A.; Calderón, V. Analysis of long-term corrosion behavior in mortars containing recycled ladle furnace slag using computerized tomography and SEM. Mater. Corros. 2015, 66, 199–205. [Google Scholar] [CrossRef]
- Choi, S.; Kim, J. Hydration reactivity of calcium-aluminate-based ladle furnace slag powder according to various cooling conditions. Cem. Concr. Compos. 2020, 114, 103734. [Google Scholar] [CrossRef]
- Andersson, A.; Isaksson, J.; Lennartsson, A.; Engström, F. Insights into the Valorization of Electric Arc Furnace Slags as Supplementary Cementitious Materials. J. Sustain. Met. 2023, 10, 96–109. [Google Scholar] [CrossRef]
- Adolfsson, D.; Menad, N.; Viggh, E.; Björkman, B. Hydraulic properties of sulphoaluminate belite cement based on steelmaking slags. Adv. Cem. Res. 2007, 19, 133–138. [Google Scholar] [CrossRef]
- Zhu, G.; Sun, S.; Wu, G.; Hu, J. Quality of steel slag and assessing method for its cementing property. In Proceedings of the Second International Symposium on Cement and Concrete, Beijing, China, 5–8 September 1989; Volume 2, pp. 295–302. [Google Scholar]
- Fang, K.; Zhao, J.; Wang, D.; Wang, H.; Dong, Z. Use of ladle furnace slag as supplementary cementitious material before and after modification by rapid air cooling: A comparative study of influence on the properties of blended cement paste. Constr. Build. Mater. 2022, 314, 125434. [Google Scholar] [CrossRef]
- Ye, G.; Liao, J. The slag air quenching technology. In Proceedings of the International Symposium on the Utilization of Metallurgical Slag, Beijing, China, 16–19 November 1999; pp. 434–437. [Google Scholar]
- Kim, J.-M.; Choi, S.-M.; Han, D. Improving the mechanical properties of rapid air cooled ladle furnace slag powder by gypsum. Constr. Build. Mater. 2016, 127, 93–101. [Google Scholar] [CrossRef]
- Shi, C.; Hu, S. Cementitious properties of ladle slag fines under autoclave curing conditions. Cem. Concr. Res. 2003, 33, 1851–1856. [Google Scholar] [CrossRef]
- Humbert, P.S.; Castro-Gomes, J. CO2 activated steel slag-based materials: A review. J. Clean. Prod. 2019, 208, 448–457. [Google Scholar] [CrossRef]
- Sultana, I.; Islam, G.M.S. Potential of ladle furnace slag as supplementary cementitious material in concrete. Case Stud. Constr. Mater. 2023, 18, e02141. [Google Scholar] [CrossRef]
- Kriskova, L.; Pontikes, Y.; Zhang, F.; Cizer, Ö.; Jones, P.T.; Van Balen, K.; Blanpain, B. Influence of mechanical and chemical activation on the hydraulic properties of gamma dicalcium silicate. Cem. Concr. Res. 2013, 55, 59–68. [Google Scholar] [CrossRef]
- Parron-Rubio, M.E.; Perez-Garcia, F.; Gonzalez-Herrera, A.; Oliveira, M.J.; Rubio-Cintas, M.D. Slag Substitution as a Cementing Material in Concrete: Mechanical, Physical and Environmental Properties. Materials 2019, 12, 2845. [Google Scholar] [CrossRef]
- Souza, E.D.F.C.D.; Silva, T.F.D.; Castro, M.A.D.; Ferreira, G.C.D.S. Combined Use of Ladle Furnace Slag and Rice Husk Ash as a Supplementary Cementitious Material. Mater. Res. 2023, 26, e20230069. [Google Scholar] [CrossRef]
- Araos, P.; Uribarri, A.; Barra, M.; Aponte, D. The Effect of Ladle Furnace Slag (LFS) Content Replacement as a Supplementary Cementitious Material in Portland Cement-Based Systems. In International RILEM Conference on Synergising Expertise Towards Sustainability and Robustness of Cement-based Materials and Concrete Structures; Jędrzejewska, A., Kanavaris, F., Azenha, M., Benboudjema, F., Schlicke, D., Eds.; Springer Nature: Cham, Switzerland, 2023; pp. 76–87. [Google Scholar]
- Seco, A.E.A. Durability of polyester polymer concretes based on metallurgical wastes for the manufacture of construction and building products. Constr. Build. Mater. 2020, 240, 117907. [Google Scholar] [CrossRef]
- Gijbels, K.; Nguyen, H.; Kinnunen, P.; Schroeyers, W.; Pontikes, Y.; Schreurs, S.; Illikainen, M. Feasibility of incorporating phosphogypsum in ettringite-based binder from ladle slag. J. Clean. Prod. 2019, 237, 117793. [Google Scholar] [CrossRef]
- Abdelrahim, A.; Nguyen, H.; Omran, M.; Kinnunen, P.; Iljana, M.; Illikainen, M.; Fabritius, T. Development of Cold-Bonded Briquettes Using By-Product-Based Ettringite Binder from Ladle Slag. J. Sustain. Met. 2022, 8, 468–487. [Google Scholar] [CrossRef]
- Seifritz, W. CO2 disposal by means of silicates. Nature 1990, 345, 486. [Google Scholar] [CrossRef]
- Young, J.F.; Berger, R.L.; Breese, J. Accelerated Curing of Compacted Calcium Silicate Mortars on Exposure to CO2. J. Am. Ceram. Soc. 1974, 57, 394–397. [Google Scholar] [CrossRef]
- Fang, Y.; Chang, J. Rapid hardening β-C2S mineral and microstructure changes activated by accelerated carbonation curing. J. Therm. Anal. Calorim. 2017, 129, 681–689. [Google Scholar] [CrossRef]
- Liu, S.; Guan, X.; Qiu, M.; Feng, C. Activation of γ-C2S mineral by accelerated carbonation. J. Chin. Ceram. Soc. 2016, 44, 658–662. [Google Scholar] [CrossRef]
- Xu, B.; Yi, Y. Immobilization of lead (Pb) using ladle furnace slag and carbon dioxide. Chemosphere 2022, 308, 136387. [Google Scholar] [CrossRef]
- Steinour, H.H. Some effects of carbon dioxide on mortars and concrete-discussion. J. Am. Concr. Inst. 1959, 30, 905–907. [Google Scholar]
- Bonenfant, D.; Kharoune, L.; Sauvé, S.; Hausler, R.; Niquette, P.; Mimeault, M.; Kharoune, M. Molecular analysis of carbon dioxide adsorption processes on steel slag oxides. Int. J. Greenh. Gas Control. 2009, 3, 20–28. [Google Scholar] [CrossRef]
- Krivenko, P.V. Alkaline cements. In Proceedings of the 1st International Conference on Alkaline Cements and Concretes, Kiev, Ukraine, 11–14 October 1994; Volume 1, pp. 11–129. [Google Scholar]
- Gaibor, N.; Coelho, J.; Leitão, D.; Miranda, T.; Tavares, P.; Cristelo, N. Alkali activation of recycled ceramic aggregates from construction and demolition wastes. Mater. Construccion 2020, 70, 222. [Google Scholar] [CrossRef]
- Xu, H.; Van Deventer, J.S. Microstructural characterisation of geopolymers synthesised from kaolinite/stilbite mixtures using XRD, MAS-NMR, SEM/EDX, TEM/EDX, and HREM. Cem. Concr. Res. 2002, 32, 1705–1716. [Google Scholar] [CrossRef]
- Panagiotopoulou, C.; Kontori, E.; Perraki, T.; Kakali, G. Dissolution of aluminosilicate minerals and by-products in alkaline media. J. Mater. Sci. 2007, 42, 2967–2973. [Google Scholar] [CrossRef]
- Gaibor, N.; Leitão, D.; Miranda, T.; Cristelo, N.; Pereira, E.N.; Cunha, V.M. Effect of polyacrylonitrile fiber on the properties of alkali-activated ceramic/slag-based mortar. J. Build. Eng. 2021, 44, 103367. [Google Scholar] [CrossRef]
- Lancellotti, I.; Ponzoni, C.; Bignozzi, M.C.; Barbieri, L.; Leonelli, C. Incinerator Bottom Ash and Ladle Slag for Geopolymers Preparation. Waste Biomass-Valorization 2014, 5, 393–401. [Google Scholar] [CrossRef]
- Hardjito, D.; Wallah, S.E.; Sumajouw, D.M.; Rangan, B.V. On the development of fly ash-based geopolymer concrete. Mater. J. 2004, 101, 467–472. [Google Scholar]
- Mo, B.-H.; Zhu, H.; Cui, X.-M.; He, Y.; Gong, S.-Y. Effect of curing temperature on geopolymerization of metakaolin-based geopolymers. Appl. Clay Sci. 2014, 99, 144–148. [Google Scholar] [CrossRef]









| Size or Granulometric Range | Weight (%) | Reference |
|---|---|---|
| Size < 63 μm | 88% | Natali Murri et al. [31] |
| Fraction ≤ 125 μm | Approximately 90% | Kriskova et al. [24] |
| Fraction ≤ 45 μm | Constitutes more than 50% | Salman et al. [87] |
| 45 μm sieve | 95% passing | Sideris et al. [88] |
| 96 μm sieve | 100% passing | |
| 188 μm sieve | 90% passing | Sultana and Islam [81] |
| 16.0 μm sieve | 10% passing |
| Value m2/kg | Type | Processing | Reference |
|---|---|---|---|
| 206 | Blaine | Not processed | Manso et al. [30] |
| 206–309 | Blaine | After removing particles > 1 mm | Rodriguez et al. [54] |
| 350 | – | Sieving, magnetic separation, and grinding | Adolfsson et al. [89] |
| 282 | – | Sieved through the 100 µm sieve | Papayianni and Anastasiou [82] |
| 849 | Sieved through the 45 µm sieve | ||
| 660 | Ground | ||
| 700 | BET (*) | Sieved at <125 µm | Kriskova et al. [24] |
| 318 | Blaine | Crushed and pulverized | Mahoutian et al. [90] |
| 247 | Blaine | ||
| 282 | Blaine | Crushing | Herrero et al. [83] |
| 165 | Blaine | Not processed | |
| 346 | – | Ground | Fang et al. [91] |
| 2886 | – | – | Wang et al. [92] |
| Value | Reference | Value | Reference |
|---|---|---|---|
| 2.65 | Manso et al. [30] | 2.76 | Silva et al. [80] |
| 2.59 | Papayianni and Anastasiou [93] | 3.07 | |
| 3.03 | Tossavainen et al. [16] | 2.98 | |
| 3.00 | Bonenfant et al. [94] | 2.89 | Lopes et al. [70] |
| 2.83 | Rodriguez et al. [54] | 2.8 | López-Ausín et al. [95] |
| 2.75 | Herrero et al. [83] | 2.59 | Naik et al. [96] |
| 3.03 | 2.88 | Peceño et al. [97] | |
| 2.85 | Wang et al. [98] | 2.68 | Revilla-Cuesta et al. [99] |
| 3.218 | Bocci [100] | 2.74 | |
| 3.137 | 2.79 | Skaf et al. [101] | |
| 2.45 | Sideris et al. [102] | 2.83 | Pasetto et al. [103] |
| Statistics | Mean = 2.83; Max = 3.22; Min = 2.45 | ||
| Oxide/ Element (%) | Number of Values | Mean | Standard Deviation | Max | Min |
|---|---|---|---|---|---|
| MnO | 65 | 1.01 | 1.24 | 7.28 | 0.05 |
| P2O5 | 20 | 0.25 | 0.60 | 2.73 | 0.01 |
| Fe (*) | 10 | 0.98 | 0.87 | 3.00 | 0.19 |
| S | 68 | 0.66 | 0.41 | 2.23 | 0.01 |
| TiO2 | 43 | 0.60 | 0.51 | 2.51 | 0.10 |
| FeO | 28 | 4.91 | 6.40 | 21.80 | 0.57 |
| Na2O | 24 | 0.36 | 0.44 | 1.60 | 0.02 |
| K2O | 27 | 0.11 | 0.20 | 1.00 | 0.01 |
| Cr2O3 | 21 | 0.82 | 1.79 | 7.59 | 0.01 |
| f-CaO | 13 | 5.42 | 5.93 | 19.00 | 0.00 |
| f-MgO | 6 | 8.17 | 3.71 | 14.00 | 3.00 |
| F | 7 | 1.84 | 0.95 | 3.65 | 0.59 |
| CO2 | 13 | 1.11 | 1.42 | 5.57 | 0.15 |
| LOI (**) (%) | 33 | 6.52 | 5.68 | 26.20 | −1.30 |
| Reference | CaO | SiO2 | Al2O3 | Fe2O3 | MgO | Amorphous | Major Phases |
|---|---|---|---|---|---|---|---|
| Tossavainen et al. [16] | 42.5 | 14.2 | 22.9 | 2.23 | 12.6 | Almost amorphous (98%) | Periclase |
| Vlcek et al. [111] | 34.4 | 24.1 | 16.9 | 1.79 | 21.5 | Almost amorphous | Periclase |
| Islam et al. [152] | 46.14 | 31.42 | 2.95 | 0.88 | 2.13 | No amorphous halo | Calcio olivine, åkermanite and low quartz |
| Silva et al. [80] | 52.30 | 16.50 | 3.28 | 15.50 | 6.82 | No amorphous halo | Calcium silicate, portlandite, calcite, quartz, periclase and cuspidine |
| Authors of this paper | 38.66 | 18.63 | 9.39 | 22.16 | 13.23 | Almost amorphous | Periclase, merwinite, dicalcium silicate, iron |
| Grinding Characteristics | Intend of Use | Reference |
|---|---|---|
| The grinding process consisted of two steps: firstly, performed using a rod mill for 20 min followed by another 20 min, then followed by a second step in a ball mill for 20 min followed by an additional 120 min. | Mortars made with 50%LFS/50%GGBFS (*) | Adolfsson et al. [89] |
| – | Potential adsorbent | Rađenović et al. [25] |
| The received LFS had a d50 of 34 µm and was ball milled to achieve d10, d50, and d90 of 1.32, 8, and 34.58 µm, respectively. | Alkali activation | Adesanya et al. [86] |
| The LFS underwent processing in a modified Los Angeles test machine for two consecutive periods of four hours each, resulting in at least 50% of the particles ≤ 40 mm. | Alkaline activation | Pinheiro et al. [14] |
| The initial LFS was pulverized using a ring-and-puck mill for a duration of two minutes. | Carbonation for use as cementing material | Zhang et al. [115] |
| – | OPC replacement | Fang et al. [91] |
| – | Hydration and carbonation | Yi et al. [117] |
| An MA500 mill, equipped with an alumina ceramic jar (1 L capacity) and 40 ceramic balls measuring 20 mm in diameter, was employed. The grinding process involved cycles of 15 min at a speed of 200 rpm for every 400 g of LFS. | Partial replacement of OPC | Silva et al. [80] |
| – | Carbonation and geopolymerization | Fang et al. [158] |
| LFS was ground in a ball mill for 30 min. | OPC replacement in concrete | Naik et al. [96] |
| Replacement Rate and Remarks | Cement Composite | Reference |
|---|---|---|
| 25% as OPC replacement and 25% sand replacement are acceptable considering all short- and long-term physical and mechanical properties | Masonry mortars | Manso et al. [30]; Rodriguez et al. [54]; Manso et al. [62]; Prieto et al. [125] |
| 10%–20% LFS seems acceptable in terms of physical–mechanical performance, durability, and microstructure | Masonry mortars | Herrero et al. [83] |
| 30% is recommended when the LFS is silicon-rich, while a substitution rate of 20% can be considered for aluminate-rich LFS | Mortars | Santamaria et al. [132] |
| 20%–30% offers interesting strengths, although they remain lower than those of the reference (100% OPC); however, replacement rates of 20% may be acceptable | Mortars | Araos et al. [181] |
| 10% or less by aluminum-rich LFS shows slightly higher strengths than the reference (100% OPC) | Cement pastes | Fang et al. [91]; Fang et al. [172] |
| Incorporating up to 15% silicon-rich LFS (water-quenched) as replacement of OPC improves the compressive and tensile strength | High-performance self-compacting concrete | Islam et al. [152] |
| 5%–10% replacement has better or similar strengths than the reference; the replacement of OPC with LFS up to 15% would be appropriate; 25% replacement would be suitable for concrete in non-structural work | Mortars, ordinary concretes, and self-placing concretes | Sultana and Islam [81]; Sultana and Sadiqul Islam [178]; Naik et al. [96] |
| Factors Affecting the Unconfined Compressive Strength (UCS) | Some References |
|---|---|
| Salman et al. [87] and Xu and Yi [144]; Yong-Sing et al. [147]; Hui-Teng et al. [146] |
| Shi [28] |
| Natali Murri et al. [31]; Papayianni et al. [138] |
| Nguyen et al. [85]; Gaibor et al. [193] |
| Bignozzi et al. [77]; Yong-Sing et al. [147]; Hui-Teng et al. [146]; Gaibor et al. [193] |
| Adesanya et al. [11] |
| Salman et al. [87]; Češnovar et al. [135]; Yong-Sing et al. [147] |
| Natali Murri et al. [31] |
Disclaimer/Publisher’s Note: The statements, opinions and data contained in all publications are solely those of the individual author(s) and contributor(s) and not of MDPI and/or the editor(s). MDPI and/or the editor(s) disclaim responsibility for any injury to people or property resulting from any ideas, methods, instructions or products referred to in the content. |
© 2024 by the authors. Licensee MDPI, Basel, Switzerland. This article is an open access article distributed under the terms and conditions of the Creative Commons Attribution (CC BY) license (https://creativecommons.org/licenses/by/4.0/).
Share and Cite
Ouffa, N.; Benzaazoua, M.; Trauchessec, R.; Belem, T.; Taha, Y.; Diliberto, C. Potential Reuse of Ladle Furnace Slag as Cementitious Material: A Literature Review of Generation, Characterization, and Processing Methods. Minerals 2024, 14, 1204. https://doi.org/10.3390/min14121204
Ouffa N, Benzaazoua M, Trauchessec R, Belem T, Taha Y, Diliberto C. Potential Reuse of Ladle Furnace Slag as Cementitious Material: A Literature Review of Generation, Characterization, and Processing Methods. Minerals. 2024; 14(12):1204. https://doi.org/10.3390/min14121204
Chicago/Turabian StyleOuffa, Noureddine, Mostafa Benzaazoua, Romain Trauchessec, Tikou Belem, Yassine Taha, and Cécile Diliberto. 2024. "Potential Reuse of Ladle Furnace Slag as Cementitious Material: A Literature Review of Generation, Characterization, and Processing Methods" Minerals 14, no. 12: 1204. https://doi.org/10.3390/min14121204
APA StyleOuffa, N., Benzaazoua, M., Trauchessec, R., Belem, T., Taha, Y., & Diliberto, C. (2024). Potential Reuse of Ladle Furnace Slag as Cementitious Material: A Literature Review of Generation, Characterization, and Processing Methods. Minerals, 14(12), 1204. https://doi.org/10.3390/min14121204

