Simultaneous Recovery of Niobium and Sulfur from Carbonate Niobite Ore with Flotation
Abstract
1. Introduction
2. Materials and Methods
3. Results
3.1. Recovery of Sulfur
3.1.1. Effect of CMC Dosage on Sulfur Flotation
3.1.2. Effect of MB Dosage on Sulfur Flotation
3.2. Recovery of Niobite
3.2.1. Effect of Grinding Fineness on Niobite Flotation
3.2.2. Effect of DB-11 Dosage on Niobite Flotation
3.2.3. Effect of Pb(NO3)2 Dosage on Niobite Flotation
3.2.4. Effect of CMC Dosage on Niobite Flotation
3.2.5. Optimization of Niobite Concentrate Flotation
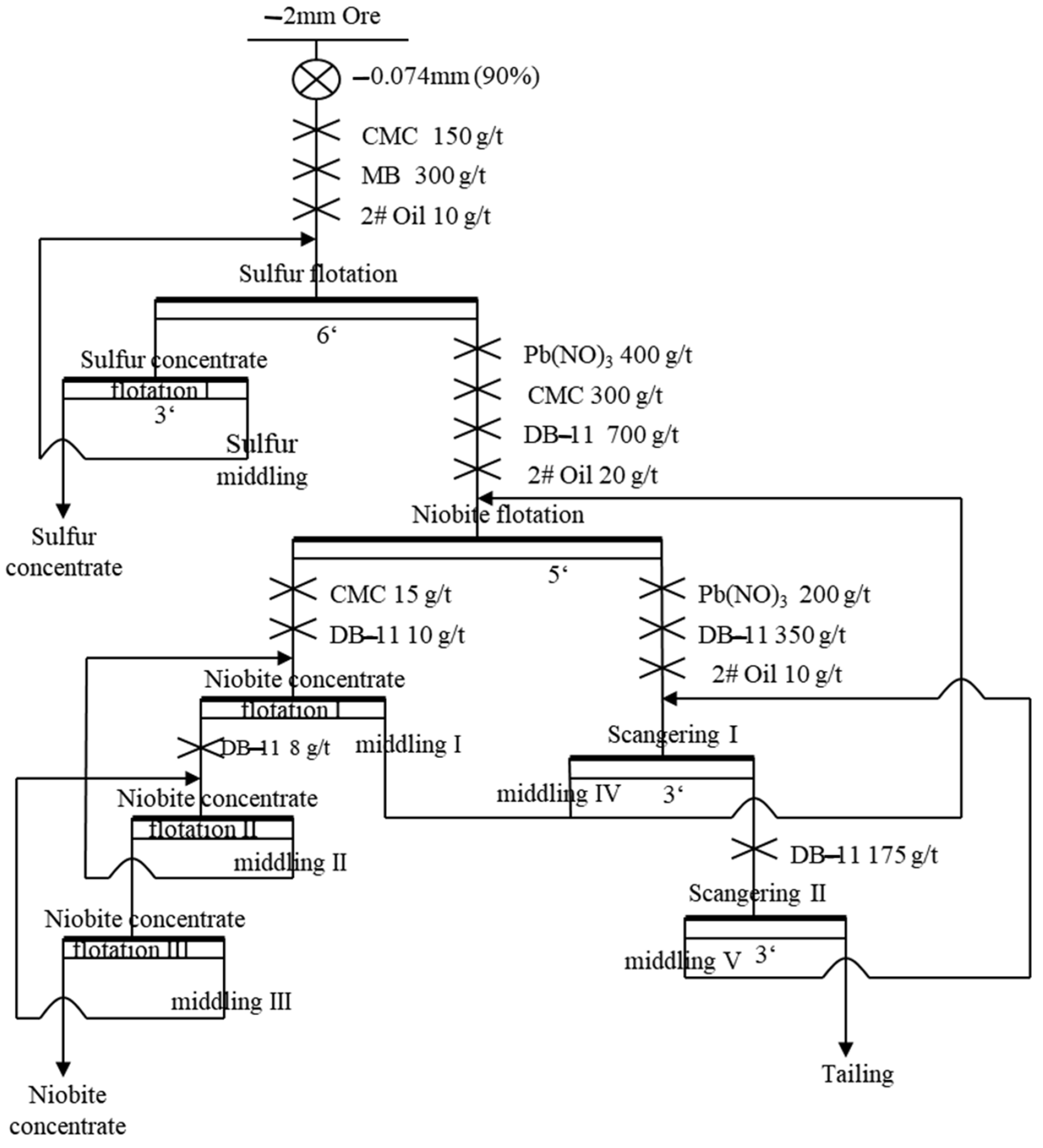
3.3. Closed-Circuit Experiment
3.4. Leaching of Niobite Concentrate
3.5. Economic Evaluation
4. Conclusions
Author Contributions
Funding
Data Availability Statement
Acknowledgments
Conflicts of Interest
References
- Ober, J.A. Mineral Commodity Summaries; US Geological Survey: Reston, VA, USA, 2017.
- Bailey, D. British Geological Survey Annual Science Review 2012–2013; 2013; Available online: https://www.bgs.ac.uk/geological-research/bufi/bufi-publications/ (accessed on 3 March 2022).
- De Oliveira Cordeiro, P.F.; Brod, J.A.; Palmieri, M.; de Oliveira, C.G.; Barbosa, E.S.R.; Santos, R.V.; Gaspar, J.C.; Assis, L.C. The Catalão I niobium deposit, central Brazil: Resources, geology and pyrochlore chemistry. Ore Geol. Rev. 2011, 41, 112–121. [Google Scholar] [CrossRef]
- Gibson, C.; Kelebek, S.; Aghamirian, M. Niobium oxide mineral flotation: A review of relevant literature and the current state of industrial operations. Int. J. Miner. Process. 2015, 137, 82–97. [Google Scholar] [CrossRef]
- Ren, H.; Song, G.; Ji, F. Flotation of niobite, fersmite, and ilmenorutile. Int. J. Miner. Metall. Mater. 2009, 16, 249–254. [Google Scholar] [CrossRef]
- Filho, A.I.; Riffel, B.F.; Sousa, C. Some aspects of the mineralogy of CBMM niobium deposit and mining and pyrochlore ore processing—Araxa, MG—Brazil. Int. Symp. Niobium. 2001, 2001, 53–65. [Google Scholar]
- Gómez, R.E. Recovery of Pyrochlore from Slimes Discarded at Niobec by Column Flotation; 1987; Available online: https://core.ac.uk/display/41923617 (accessed on 3 March 2022).
- Ni, X.; Parrent, M.; Cao, M.; Huang, L.; Bouajila, A.; Liu, Q. Developing flotation reagents for niobium oxide recovery from carbonatite Nb ores. Miner. Eng. 2012, 36–38, 111–118. [Google Scholar] [CrossRef]
- Gibson, C.; Kelebek, S.; Aghamirian, M.; Yu, B. Flotation of pyrochlore from low grade carbonatite gravity tailings with benzohydroxamic acid. Miner. Eng. 2015, 71, 97–104. [Google Scholar] [CrossRef]
- Gibson, C.E.; Kelebek, S.; Aghamirian, M. Pyrochlore flotation from silicate gangue minerals: Amine adsorption mechanisms and the effect of modifying reagents. Miner. Eng. 2021, 171, 107100. [Google Scholar] [CrossRef]
- Liu, M.; Li, H.; Jiang, T.; Liu, Q. Flotation of coarse and fine pyrochlore using octyl hydroxamic acid and sodium oleate. Miner. Eng. 2018, 132, 191–201. [Google Scholar] [CrossRef]
- Chen, G.; Tao, D.; Ren, H.; Ji, F.; Qiao, J. An investigation of niobite flotation with octyl diphosphonic acid as collector. Int. J. Miner. Process. 2005, 76, 111–122. [Google Scholar] [CrossRef]
- Ren, H.; Wang, Z.; Ji, F.; Zhang, Y.; Huang, T.; Bian, Z. The DFT Study of Salicylohydroxamic Acid and Methylenediphosphonic Acid as Collectors in Niobium Minerals Flotation. DEStech. Trans. Eng. Technol. Res. 2017, 2017, 22–26. [Google Scholar] [CrossRef][Green Version]
- He, M.; Li, S.; Cao, M.; Gao, Y.; Bu, H.; Meng, Q. Activation mechanism of tantalum niobium flotation by lead ions in a combined collector flotation system, Physicochem. Probl. Miner. Process. 2021, 57, 29–38. [Google Scholar]
- Sun, K. Experimental study on processing of a rutile ore. Min. Metall. 2017, 26, 29–41. [Google Scholar]
- Chen, X.; Liao, D. Study on magnetized flotation of a refractory wolframite. Non-Ferr. Met. Benef. Part. 2020, 3, 47–51. [Google Scholar]
- Yulin, H.; Xiong, T.; Guohua, Y.; Feng, R. General situation of research on flotation reagents of tantalum-niobium minerals. Chin. J. Rare Met. 2006, 30, 870–876. [Google Scholar]










| Oxides | REO | Nb2O5 | SiO2 | CaO | Al2O3 | MgO | Na2O | K2O |
| Content (%) | 0.533 | 0.125 | 4.95 | 48.85 | 1.7 | 2.54 | 0.11 | 1.06 |
| Oxides | TiO2 | P2O5 | S | MnO | Fe2O3 | Lost | Organic carbon | |
| Content (%) | 0.23 | 2.13 | 0.85 | 0.95 | 4.12 | 31.765 | 0.62 | |
| Oxides | REO | Nb2O5 | SiO2 | Al2O3 | Fe2O3 | CaO | MgO |
| Content (%) | 1.04 | 19.11 | 3.47 | 0.9 | 25.25 | 14.08 | 2.83 |
| Oxides | TiO2 | MnO | S | P2O5 | K2O | Na2O | Lost |
| Content (%) | 18.05 | 0.78 | 2.12 | 1.94 | 0.36 | 0.3 | 10.81 |
| Oxides | REO | Nb2O5 | SiO2 | Al2O3 | Fe2O3 | CaO | MgO |
| Content (%) | 1.81 | 30.19 | 5.29 | 1.26 | 26.6 | 0.54 | 0.01 |
| Oxides | TiO2 | MnO | S | P2O5 | K2O | Na2O | Lost |
| Content (%) | 25.71 | 0.5 | 3.67 | 0.13 | 0.37 | 0.24 | 3.68 |
| Items | Units | Unit Consumption | Unit Price | Sum (CNY) | |
|---|---|---|---|---|---|
| Original ore | Mining | Ton | 388 | 40.00 | 15,520.00 |
| Transport | Ton | 388 | 15.00 | 5820.00 | |
| Water and electricity | Water | Ton | 1300 | 1.00 | 1300.00 |
| Electricity | KW/h | 2500 | 1.00 | 2500.00 | |
| Auxiliary materials | Activator | Kg | 139.54 | 18.00 | 2511.00 |
| Depressor | Kg | 70.00 | 0.65 | 45.00 | |
| CMC | Kg | 35.00 | 8.00 | 280.00 | |
| MB | Kg | 70.00 | 12.00 | 840.00 | |
| DB-11 | Kg | 280.00 | 80.00 | 22,400.00 | |
| Hydrochloric acid | Kg | 80.00 | 5.00 | 400.00 | |
| 2# oil | Kg | 9.30 | 6.80 | 63.00 | |
| Lube | 80.00 | ||||
| Others | Machinery depreciation and maintenance | 150.00 | |||
| Salary and other | 1800.00 | ||||
| Management cost | 200.00 | ||||
| Contingencies | 150.00 | ||||
| Total | 54,060.00 | ||||
Publisher’s Note: MDPI stays neutral with regard to jurisdictional claims in published maps and institutional affiliations. |
© 2022 by the authors. Licensee MDPI, Basel, Switzerland. This article is an open access article distributed under the terms and conditions of the Creative Commons Attribution (CC BY) license (https://creativecommons.org/licenses/by/4.0/).
Share and Cite
Liu, S.; Yang, L.; Yi, H.; Song, S. Simultaneous Recovery of Niobium and Sulfur from Carbonate Niobite Ore with Flotation. Minerals 2022, 12, 432. https://doi.org/10.3390/min12040432
Liu S, Yang L, Yi H, Song S. Simultaneous Recovery of Niobium and Sulfur from Carbonate Niobite Ore with Flotation. Minerals. 2022; 12(4):432. https://doi.org/10.3390/min12040432
Chicago/Turabian StyleLiu, Shuang, Lang Yang, Hao Yi, and Shaoxian Song. 2022. "Simultaneous Recovery of Niobium and Sulfur from Carbonate Niobite Ore with Flotation" Minerals 12, no. 4: 432. https://doi.org/10.3390/min12040432
APA StyleLiu, S., Yang, L., Yi, H., & Song, S. (2022). Simultaneous Recovery of Niobium and Sulfur from Carbonate Niobite Ore with Flotation. Minerals, 12(4), 432. https://doi.org/10.3390/min12040432

