Evaluating the Application of Rock Breakage without Explosives in Underground Construction—A Critical Review of Chemical Demolition Agents
Abstract
1. Introduction
2. Explosive-Free Specialized Methods
2.1. Thermal Fragmentation
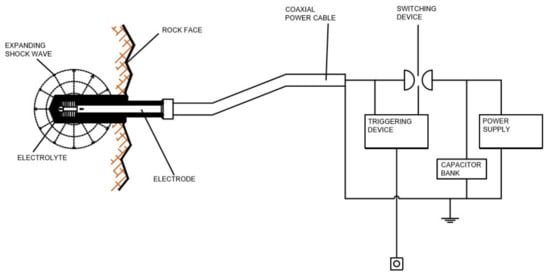
2.2. Plasma Blasting Technology
2.3. Controlled Foam Injection
2.4. Radial-Axial Splitter
2.5. Supercritical Carbon Dioxide
3. Soundless Chemical Demolition Agents (SCDAs)
4. Types of SCDA
- Type K
- Type M
- Type S
- Class G
5. Challenges Associated with SCDA Application to Underground Construction
6. Conclusions
Author Contributions
Funding
Data Availability Statement
Conflicts of Interest
References
- Hinze, J.; Brown, J. Properties of soundless chemical demolition agents. Constr. Eng. Manag. 1994, 120, 816–827. [Google Scholar] [CrossRef]
- Dhekne, P.Y. Environmental impacts of rock blasting and their mitigation. Int. J. Chem. Environ. Biol. Sci. 2015, 3, 46–50. [Google Scholar]
- Özmen, İ.; Aksoy, E. Respiratory Emergencies and Management of Mining Accidents. Turk. Thorac. J. 2015, 16 (Suppl. S1), S18. [Google Scholar] [CrossRef]
- Brisebois, D. Thermal Rock Fragmentation Application in Narrow Vein Extraction. U.S. Patent 7,195,320, 27 March 2007. [Google Scholar]
- Encardio Rite. Available online: https://www.encardio.com/blog/all-about-tunnel-boring-machine-components-types-advantages/ (accessed on 22 January 2022).
- Maidl, B.; Schmid, L.; Ritz, W.; Herrenknecht, M. Hardrock Tunnel Boring Machines; John Wiley & Sons: Berlin, Germany, 2008; pp. 15–19. [Google Scholar]
- Stewart, P.; Ramezanzadeh, A.; Knights, P. Benchmark drill and blast and mechanical excavation advance rates for underground hard-rock mine development. In Proceedings of the 2006 Australian Mining Technology Conference, Hunter Valley, NSW, Australia, 26–27 September 2006. [Google Scholar]
- Fitzgibbon, K.E.; Veasey, T.J. Thermally assisted liberation—A review. Miner. Eng. 1990, 3, 181–185. [Google Scholar] [CrossRef]
- Kingman, S.W.; Vorster, W.; Rowson, N.A. The influence of mineralogy on microwave-assisted grinding. Miner. Eng. 2000, 13, 313–327. [Google Scholar] [CrossRef]
- Satish, H. Exploring Microwave-Assisted Rock Breakage for Possible Space Mining Applications. Master’s Thesis, McGill University, Montreal, QC, Canada, 2005. [Google Scholar]
- Lindroth, D.P.; Berglund, W.R.; Morrell, R.J.; Blair, J.R. Microwave assisted drilling in hard rock. Tunn. Tunn. 1993, 25, 24–27. [Google Scholar]
- Hassani, F.; Nekoovaght, P.M.; Gharib, N. The influence of microwave irradiation on rocks for microwave-assisted underground excavation. J. Rock Mech. Geotech. Eng. 2016, 8, 1–15. [Google Scholar] [CrossRef]
- Nekoovaght, P.M. Physical and Mechanical Properties of Rock Exposed to Microwave Irradiation: Potential Application to Tunnel Boring. Ph.D. Thesis, McGill University, Montreal, QC, Canada, 2015. [Google Scholar]
- Lu, G.M.; Feng, X.T.; Li, Y.H.; Zhang, X. The microwave-induced fracturing of hard rock. Rock Mech. Rock Eng. 2019, 52, 3017–3032. [Google Scholar] [CrossRef]
- Xu, T.; He, L.; Zheng, Y.; Zou, X.; Badrkhani, V.; Schillinger, D. Experimental and numerical investigations of microwave-induced damage and fracture formation in rock. J. Therm. Stresses 2020, 44, 513–528. [Google Scholar] [CrossRef]
- Zheng, Y.L.; Ma, Z.J.; Yang, S.Q.; Zhao, X.B.; He, L.; Li, J.C. A microwave fracturability index (MFI) of hard igneous rocks. Int. J. Rock Mech. Min. 2021, 138, 104566. [Google Scholar] [CrossRef]
- Poirier, S.; Fecteau, J.-M.; Laflamme, M.; Brisebois, D. Thermal rock fragmentation: Applications in narrow-vein extraction. CIM Bull. 2003, 96, 66–71. [Google Scholar]
- Kitzinger, F.; Nantel, J. Plasma Blasting Method. U.S. Patent 5,106,164, 21 April 1992. [Google Scholar]
- Ikkurthi, V.R.; Tahiliani, K.; Chaturvedi, S. Simulation of crack propagation in rock in plasma blasting technology. Shock Waves 2002, 12, 145–152. [Google Scholar] [CrossRef]
- Zhou, H.; Xie, X.; Feng, Y. Rock breaking methods to replace blasting. IOP Conf. Ser. Mater. Sci. Eng. 2018, 322, 022014. [Google Scholar] [CrossRef]
- Pickering, R.G.B.; Young, C. Controlled foam injection: A new and innovative non-explosive rockbreaking technology. J. S. Afr. Inst. Min. Metall. 2017, 117, 237–243. [Google Scholar] [CrossRef][Green Version]
- Young, C., III. Controlled Foam Injection Method and Means for Fragmentation of Hard Compact and Rock and Concrete. U.S. Patent 6,375,271, 23 April 2002. [Google Scholar]
- De Graaf, W.W.; Spiteri, W. A preliminary qualitative evaluation of a hydraulic splitting cylinder for breaking rock in deep-level mining. J. S. Afr. Inst. Min. Metall. 2018, 118, 891–897. [Google Scholar] [CrossRef]
- Anderson, S.J.; Swanson, D.E. Capability Evaluation of the Radial-Axial Splitter; Report No. 9071; US Bureau of Mines: Minneapolis, MN, USA, 1987; 35p. [Google Scholar]
- Paraszczak, J.; Planeta, S. Feasibility of Narrow Vein Mining Using a Mechanical Rock Splitter. Mine Plan. Equip. Sel. 2003, 1, 415–422. [Google Scholar]
- Ishida, T.; Aoyagi, K.; Niwa, T.; Chen, Y.; Murata, S.; Chen, Q.; Nakayama, Y. Acoustic emission monitoring of hydraulic fracturing laboratory experiment with supercritical and liquid CO2. Geophys. Res. Lett. 2012, 39. [Google Scholar] [CrossRef]
- Caldwell, T. A comparison of non-explosive rock breaking techniques. In Proceedings of the 12th Australian Tunnelling Conference, Sofitel, Australia, 17–20 April 2005. [Google Scholar]
- Gupta, A.P. Feasibility of Supercritical Carbon Dioxide as a Drilling Fluid for Deep Underbalanced Drilling Operations. Master’s Thesis, Louisiana State University, Baton Rouge, LA, USA, 2006. [Google Scholar]
- Kolle, J.J. Coiled-tubing drilling with supercritical carbon dioxide. In Proceedings of the SPE/CIM International Conference on Horizontal Well Technology, Calgary, AB, Canada, 6–8 November 2000. [Google Scholar]
- Du, Y.K.; Wang, R.H.; Ni, H.J.; Li, M.K.; Song, W.Q.; Song, H.F. Determination of rock-breaking performance of high-pressure supercritical carbon dioxide jet. J. Hydrodynam. B 2012, 24, 554–560. [Google Scholar] [CrossRef]
- Wang, H.; Li, G.; Shen, Z. A Feasibility Analysis on Shale Gas Exploitation with Supercritical Carbon Dioxide. Energy Sources Part A Recovery Util. Environ. Eff. 2012, 34, 1426–1435. [Google Scholar] [CrossRef]
- Liu, H.; Wang, F.; Zhang, J.; Meng, S.; Duan, Y. Fracturing with carbon dioxide: Application status and development trend. Pet. Explor. Dev. 2014, 41, 513–519. [Google Scholar] [CrossRef]
- Wang, H.; Li, G.; Shen, Z.; Tian, S.; Sun, B.; He, Z.; Lu, P. Experiment on rock breaking with supercritical carbon dioxide jet. J. Pet. Sci. Eng. 2015, 127, 305–310. [Google Scholar] [CrossRef]
- Li, Q.Y.; Chen, G.; Luo, D.Y.; Ma, H.P.; Liu, Y. An experimental study of a novel liquid carbon dioxide rock-breaking technology. Int. J. Rock Mech. Min. 2020, 128, 104244. [Google Scholar] [CrossRef]
- Harada, T.; Idemitsu, T.; Watanabe, A.; Takayama, S. The Design Method for the Demolition of Concrete with Expansive Demolition Agents. In Fracture of Concrete and Rock; Shah, S.P., Swartz, S.E., Eds.; Springer: New York, NY, USA, 1989; pp. 47–57. [Google Scholar]
- Betonamit Technical Manual—Non-Explosive Cracking Agent. Available online: http://www.betonamit.com/technical-manual/ (accessed on 9 April 2021).
- ASTM International. Standard Specification for Expansive Hydraulic Cement. In Annual Book of ASTM Standards; 845 Standard; ASTM International: West Conshohocken, PA, USA, 2004; pp. 390–393. [Google Scholar]
- Arshadnejad, S.; Goshtasbi, K.; Aghazadeh, J. A model to determine hole spacing in the rock fracture process by non-explosive expansion material. Int. J. Miner. Metall. 2011, 18, 509–514. [Google Scholar] [CrossRef]
- Sarkar, S.L. Strength Enhancement in Type K Expansive Cement Using Additives. J. Mater. Civ. Eng. 1990, 2, 1–14. [Google Scholar] [CrossRef]
- Natanzi, A.S.; Laefer, D.F.; Connolly, L. Cold and moderate ambient temperatures 965 effects on expansive pressure development in soundless chemical demolition agents 966. Constr. Build. Mater. 2016, 110, 117–127. [Google Scholar] [CrossRef]
- Laefer, D.F.; Natanzi, A.S.; Zolanvari, S.M.I. Impact of thermal transfer on hydration heat of a Soundless Chemical Demolition Agent. Constr. Build. Mater. 2018, 187, 348–359. [Google Scholar] [CrossRef]
- Natanzi, A.S.; Laefer, D.F.; Connolly, L. Temperature-Induced Chemical Changes in Soundless Chemical Demolition Agents. J. Mater. Civ. Eng. 2019, 31, 04019098. [Google Scholar] [CrossRef]
- Soeda, K.; Hida, T.; Hayashi, H.; Kanbayashi, M. The Influence of Additives on the Expansive Stress of Quick Lime. Gypsum & Lime. J. Korean Ceram. Soc. 1992, 44, 79–84. [Google Scholar]
- Soeda, K.; Matsuhisa, M.; Hayashi, H.; Tsuchiya, K. The Influence of Chemical Composition on the Properties of Non-explosive Demolition Agent for Low Temperatures. Gypsum Lime J-Stage 1993, 247, 442–449. [Google Scholar]
- Dessouki, A.E.; Mitri, H. Rock Breakage Using Expansive Cement. Engineering 2011, 3, 168–173. [Google Scholar] [CrossRef]
- De Silva, V.R.S.; Ranjith, P.G. Intermittent and multi-stage fracture stimulation to optimize fracture propagation around a single injection well for enhanced in-situ leaching applications. Eng. Fract. Mech. 2019, 220, 106662. [Google Scholar] [CrossRef]
- Habib, K. Laboratory Investigation into Soundless Chemical Demolition Agents for Rock Breakage in Underground Mines. Master’s Thesis, McGill University, Montreal, QC, Canada, 2019. [Google Scholar]
- De Silva, V.R.S.; Ranjith, P.G.; Perera, M.S.A.; Wu, B.; Rathnaweera, T.D. Investigation of the mechanical, microstructural and mineralogical morphology of soundless cracking demolition agents during the hydration process. Mater. Charact. 2017, 130, 9–24. [Google Scholar] [CrossRef]
- Fu, Y.; Sheikh, S.A.; Hooton, R.D. Microstructure of Highly Expansive Cement Pastes. ACI Mater. J. 1994, 91-M6, 46–53. [Google Scholar]
- Etkin, M.B.; Azarkovich, A.E. Effect of Non-Explosive Splitting Compounds and Rational Work Parameters. Power Technol. Eng. 2006, 40, 23–29. [Google Scholar]
- Xu, Q.; Jiang, N.; Long, Y.; Liao, Y.; Yang, T.; Ji, R. Investigation of the Large-Scale Borehole Soundless Cracking Experiment on the Concrete Members. Appl. Mech. Mater. 2015, 782, 219–226. [Google Scholar] [CrossRef]
- Cho, H.; Nam, Y.; Kim, K.; Lee, J.; Sohn, D. Effective Arrangement of Non-Explosive Demolition Agents and Empty Holes for Improving Fragmentation of Square Concrete Structures. J. Comput. Struct. Eng. Inst. Korea 2017, 30, 145–151. [Google Scholar] [CrossRef]
- Hutapea, E.H.; Simangunsong, G.M.; Widodo, N.P. Laboratory Investigation to Determine Hole Spacing into Rock Fracturing Using Non-Explosive Demolition Agent. In Proceedings of the ISRM Specialized Conference, Jeju, Korea, 10 May 2017. [Google Scholar]
- Kim, K.; Cho, H.; Sohn, D.; Koo, J.; Lee, J. Prediction of the Minimum Required Pressure of Soundless Chemical Demolition Agents for Plain Concrete Demolition. J. Comput. Struct. Eng. Inst. Korea 2018, 31, 221–258. [Google Scholar] [CrossRef]
- Leroy, M.N.L.; Chebou, G.N. Numerical Study of Stresses around Holes Drilled and Filled by Expansive Cement: Case of Isotropic Linear Elastic Block of Rock. Adv. Mater. Sci. Eng. 2018, 2018, 8718452. [Google Scholar] [CrossRef]
- Wu, S.; Zhai, C.; Xu, J.; Qin, L.; Sun, Y.; Dong, R. The performance of soundless cracking agents for weakening rock roof under different notch angles. Arab. J. Geosci. 2019, 12, 365. [Google Scholar] [CrossRef]
- Arshadnejdad, S. Design of hole pattern in static rock fracture process due to expansion pressure. Int. J. Rock Mech. Min. 2019, 123, 104100. [Google Scholar] [CrossRef]
- Labuz, J.F.; Shah, S.P.; Dowding, C.H. Experimental analysis of crack propagation in granite. Int. J. Rock Mech. Min. 1985, 22, 85–98. [Google Scholar] [CrossRef]
- Gambatese, J.A. Controlled concrete demolition using expansive cracking agents. J. Constr. Eng. Manag. 2003, 129, 98–104. [Google Scholar] [CrossRef]
- Musunuri, A.; Mitri, H. Laboratory investigation into rock fracturing with expansive cement. Int. J. Min. Miner. 2009, 1, 327–345. [Google Scholar] [CrossRef]
- Gomez, C.; Mura, T. Stresses Caused by Expansive Cement in Borehole. J. Eng. Mech. 1984, 110, 1001–1005. [Google Scholar] [CrossRef]
- Tarricone, P. Less Bang for the Buck. Civ. Eng. 1990, 60, 64–66. [Google Scholar]
- Abudayyeh, O.; Sawhney, A.; El-Bibany, H.; Buchanan, D. Concrete Bridge Demolition Methods and Equipment. J. Bridge Eng. 1998, 3, 117–125. [Google Scholar] [CrossRef]
- Laefer, D.F.; Ambrozevitch-Cooper, N.; Huynh, M.P.; Midgette, J.; Ceribasi, S.; Wortman, J. Expansive fracture agent behaviour for concrete fracking. Mag. Concr. Res. 2010, 62, 443–452. [Google Scholar] [CrossRef]
- Natanzi, A.S.; Laefer, D.F. Using Chemicals as Demolition Agents Near Historic Structures. In Proceedings of the 9th International Conference on Structural Analysis of Historical Constructions, Mexico City, Mexico, 14–17 October 2014. [Google Scholar]
- Laefer, D.F. Emerging city-scale damage prediction options for urban tunnelling. In Proceedings of the 10th International Conference on Structural Analysis of Historical Constructions, Leuven, Belgium, 13–15 September 2016. [Google Scholar]
- De Silva, V.R.S.; Ranjith, P.G.; Perera, M.S.A. An Alternative to Conventional Rock Fragmentation Methods Using SCDA: A Review. Energy J. 2016, 9, 958. [Google Scholar] [CrossRef]
- Natanzi, A.S.; Laefer, D.F.; Mullane, S. Chemical Demolition of Unit Masonry: A Preparatory Study. In Proceedings of the 10th International Conference on Structural Analysis of Historical Constructions: Anamnesis, Diagnosis, Therapy, Controls, Leuven, Belgium, 13–15 September 2016. [Google Scholar]
- Natanzi, A.S. Soundless Chemical Demolition Agents Performance under Cold and Cool Temperatures in Concrete and Masonry Structures. Ph.D. Thesis, University College Dublin, Dublin, Ireland, 2017. [Google Scholar]
- Wiggenhauser, H.; Kopp, C.; Timofeev, J.; Azari, H. Controlled Cracks in Concrete for Non-destructive Testing. J. Nondestr. Eval. 2018, 37, 67. [Google Scholar] [CrossRef]
- Saltas, V.; Peraki, D.; Vallianatos, F. The use of acoustic emissions technique in the monitoring of fracturing in concrete using soundless chemical demolition agent. Frat. Integrita Strutt. 2019, 13, 505–516. [Google Scholar] [CrossRef]
- Hoff, G.C. Expansive Cements and Their Use; U.S. Army Engineer Waterways Experiment Station Concrete Laboratory: Vicksburg, MS, USA, 1972. [Google Scholar]
- Huynh, M.-P.; Laefer, D.F. Expansive cements and soundless chemical demolition agents: Sate of technology review. In Proceedings of the 11th Conference on Science and Technology, Tsukuba, Japan, 21–23 October 2009. [Google Scholar]
- Dowding, C.H.; Labuz, J.F. Fracturing of Rock with Expansive Cement. J. Geotech. Eng. 1982, 108, 1288–1299. [Google Scholar] [CrossRef]
- Ingraffea, A.R.; Beech, J.F. Discussion to “Fracturing of Rock with Expansive Cement”. J. Geotech. Eng. 1983, 109, 1205–1208. [Google Scholar] [CrossRef]
- Hanif, M.; Al-Maghrabi, M.-N.N.H. Effective Use of Expansive Cement for the Deformation and Fracturing of Granite. Gazi Univ. J. Sci. 2007, 20, 1–5. [Google Scholar]
- Bhardwaj, G.S.B.; Sharma, S. Granite Extraction and Treatment Techniques: A Study on Cost Effective Geo-Technical Aspects. Min. Eng. J. 2010, 11, 11–19. [Google Scholar]
- Arshadnejad, S.; Goshtasbi, K.; Aghazadeh, J. Stress Concentration analysis between two neighboring circular holes under internal pressure of a non-explosive expansion material. J. Earth Sci. Appl. Res. Cent. Hacet. Univ. 2009, 30, 259–270. [Google Scholar]
- Gholinejad, M.; Arshadnejad, S. An experimental approach to determine the hole-pressure under expansion load. J. S. Afr. Inst. Min. Metall. 2012, 112, 631–635. [Google Scholar]
- Arshadnejad, S. Analysis of the First Cracks Generating between Two Holes under Incremental Static Loading with an Innovation Method by Numerical Modelling. Math. Comput. Sci. 2017, 2, 120–129. [Google Scholar] [CrossRef][Green Version]
- Cho, H.; Nam, Y.; Kim, K.; Lee, J.; Sohn, D. Numerical Simulations of crack path control using soundless chemical demolition agents and estimation of required pressure for plain concrete demolition. Mater. Struct. 2018, 51, 169. [Google Scholar] [CrossRef]
- Tiam, F.F.K.; Danwe, R.; Konai, N.; Meva’a, L. Experimental Study and Numerical Simulation Using Extended Finite Element Method (XFEM) Combined with Cohesive Zone Model (CZM), of Crack Growth Induced by Non-Explosive Expansive Materials on Two Neighboring Circular Holes of A Gneiss Rock. Open J. Appl. Sci. 2020, 10, 592–612. [Google Scholar] [CrossRef]
- Parker, P.N.; Wahl, W.W. Expanding Cement—A New Development in Well Cementing. J. Pet. Technol. 1966, 18, 559–564. [Google Scholar] [CrossRef]
- De Silva, V.R.S.; Ranjith, P.G.; Perera, M.S.A.; Wu, B.; Rathnaweera, T.D. A modified, hydrophobic soundless cracking demolition agent for non-explosive demolition and fracturing applications. Process Saf. Environ. Prot. 2018, 119, 1–13. [Google Scholar] [CrossRef]
- De Silva, V.R.S.; Ranjith, P.G.; Perera, M.S.A.; Wu, B. Artificial Fracture Stimulation of Rock Subjected to Large Isotropic Confining Stresses in Saline Environments: Application in Deep-Sea Gas Hydrate Recovery. Nat. Resour. Res. 2019, 28, 563–583. [Google Scholar] [CrossRef]
- De Silva, V.R.S.; Ranjith, P.G.; Perera, M.S.A.; Wu, B. The effect of saturation conditions on fracture performance of different soundless cracking demolition agents (SCDAs) in geological reservoir rock formations. J. Nat. Gas Sci. Eng. 2019, 62, 157–170. [Google Scholar] [CrossRef]
- Xu, S.; Hou, P.; Li, R.; Cai, M. An Experimental Study on the Mechanical Properties and Expansion Characteristics of a Novel Self-Swelling Cartridge for Rock Breakage. Rock Mech. Rock Eng. 2020, 54, 819–832. [Google Scholar] [CrossRef]
- Dunn, P.G. The Non-Explosive Mechanization of the South African Gold Mine Stoping Operation. Master’s Thesis, University of the Witwatersrand, Johannesburg, South Africa, 1989. [Google Scholar]
- Xu, J.; Cheng, Z.; Ranjith, P.G.; Sun, Y.; Qin, L.; Ma, H.; Guo, J.; Ma, Z. Investigation of non-explosive expansion material in roof caving field application. Int. J. Rock Mech. Min. 2019, 120, 50–57. [Google Scholar] [CrossRef]
- Tang, W.; Zhai, C.; Xu, J.; Sun, Y.; Cong, Y.; Zheng, Y. The influence of borehole arrangements of soundless cracking demolition agents (SCDAs) on weakening the hard rock. Int. J. Min. Sci. Technol. 2021, 31, 197–207. [Google Scholar] [CrossRef]
- Zhang, Q.; He, M.; Wang, J.; Guo, S.; Guo, Z.; Liu, X.; Hu, J.; Ma, Z.; Fan, L.; Guo, P. Instantaneous expansion with a single fracture: A new directional rock-breaking technology for roof cutting. Int. J. Rock Mech. Min. 2020, 132, 104399. [Google Scholar] [CrossRef]
- Tang, S.B.; Huang, R.Q.; Wang, S.Y.; Bao, C.Y.; Tang, C.A. Study of the fracture process in heterogeneous materials around boreholes filled with expansion cement. Int. J. Solids. Struct. 2017, 112, 1–15. [Google Scholar] [CrossRef]
- Cui, X.; Zhang, J.; Guo, L.; Gong, X. Experimental Investigation of the Use of Expansive Materials to Increase Permeability in Coal Seams through Expansive Fracturing. Shock Vib. 2020, 2020, 7925724. [Google Scholar] [CrossRef]
- Akhvlediani, T.; Mataradze, E.; Chikhradze, N.; Gabadadze, T.; Suladze, I. Investigation of New Non-Explosive Demolition Agent for Use at Underground Mining of Hard Ores. Min. Geol. Int. Sci. Conf. 2008, 1, 281. [Google Scholar]







Publisher’s Note: MDPI stays neutral with regard to jurisdictional claims in published maps and institutional affiliations. |
© 2022 by the authors. Licensee MDPI, Basel, Switzerland. This article is an open access article distributed under the terms and conditions of the Creative Commons Attribution (CC BY) license (https://creativecommons.org/licenses/by/4.0/).
Share and Cite
Habib, K.-M.; Shnorhokian, S.; Mitri, H. Evaluating the Application of Rock Breakage without Explosives in Underground Construction—A Critical Review of Chemical Demolition Agents. Minerals 2022, 12, 220. https://doi.org/10.3390/min12020220
Habib K-M, Shnorhokian S, Mitri H. Evaluating the Application of Rock Breakage without Explosives in Underground Construction—A Critical Review of Chemical Demolition Agents. Minerals. 2022; 12(2):220. https://doi.org/10.3390/min12020220
Chicago/Turabian StyleHabib, Kelly-Meriam, Shahé Shnorhokian, and Hani Mitri. 2022. "Evaluating the Application of Rock Breakage without Explosives in Underground Construction—A Critical Review of Chemical Demolition Agents" Minerals 12, no. 2: 220. https://doi.org/10.3390/min12020220
APA StyleHabib, K.-M., Shnorhokian, S., & Mitri, H. (2022). Evaluating the Application of Rock Breakage without Explosives in Underground Construction—A Critical Review of Chemical Demolition Agents. Minerals, 12(2), 220. https://doi.org/10.3390/min12020220

