Production Methods for Regular Aggregates and Innovative Developments in Poland
Abstract
:1. Introduction
- FI—the percentage by weight of irregular grains in the grinding product;
- aiN—the percentage of irregular grains in the i-th grain fraction;
- γi—the percentage of the i-th fraction in the grain composition of the product.
2. Possibilities of Increasing the Share of Regular Particles in Mineral Aggregates
2.1. The Use of Appropriate Crushers
2.2. Systems with Closed Material Circulation
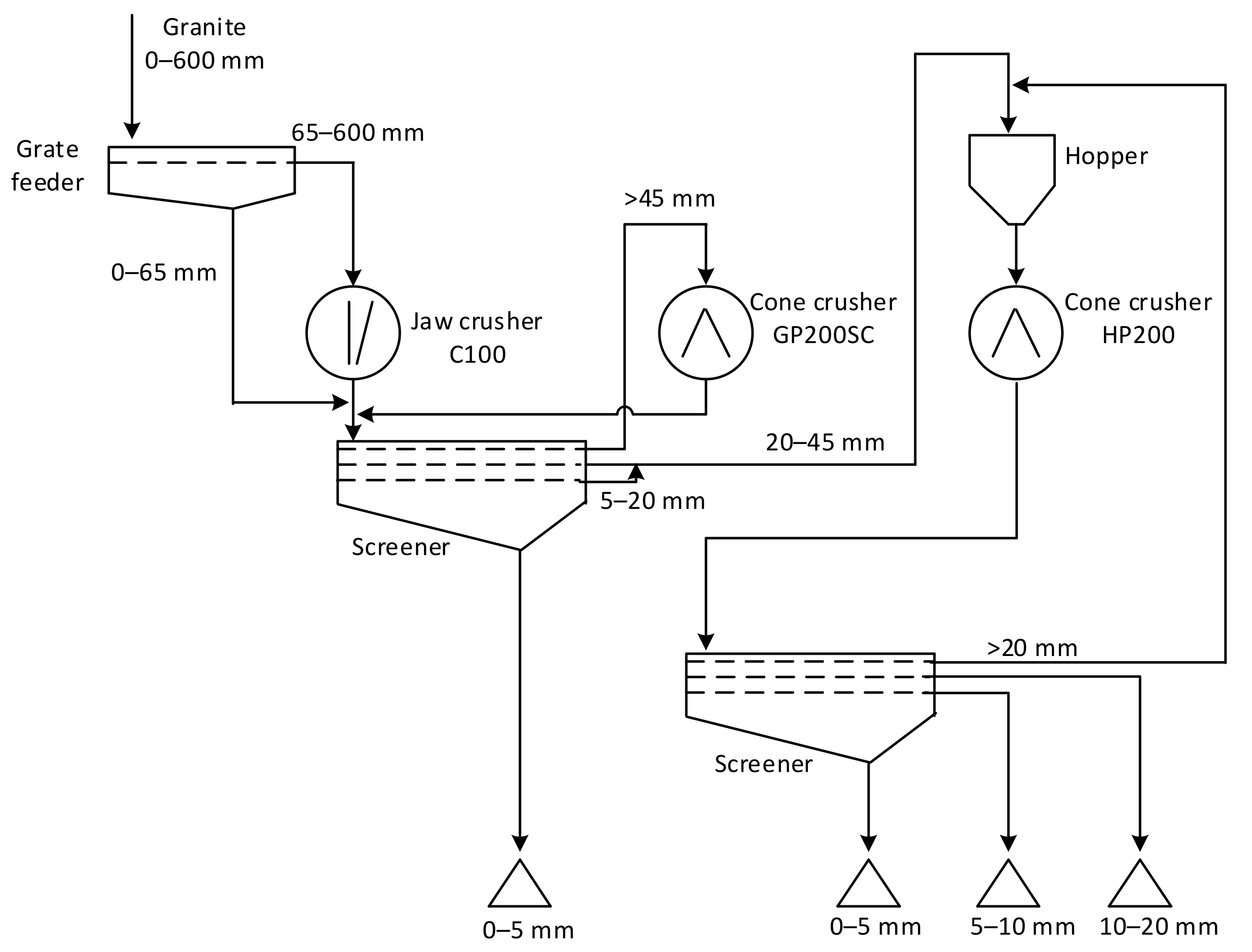
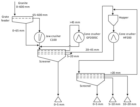
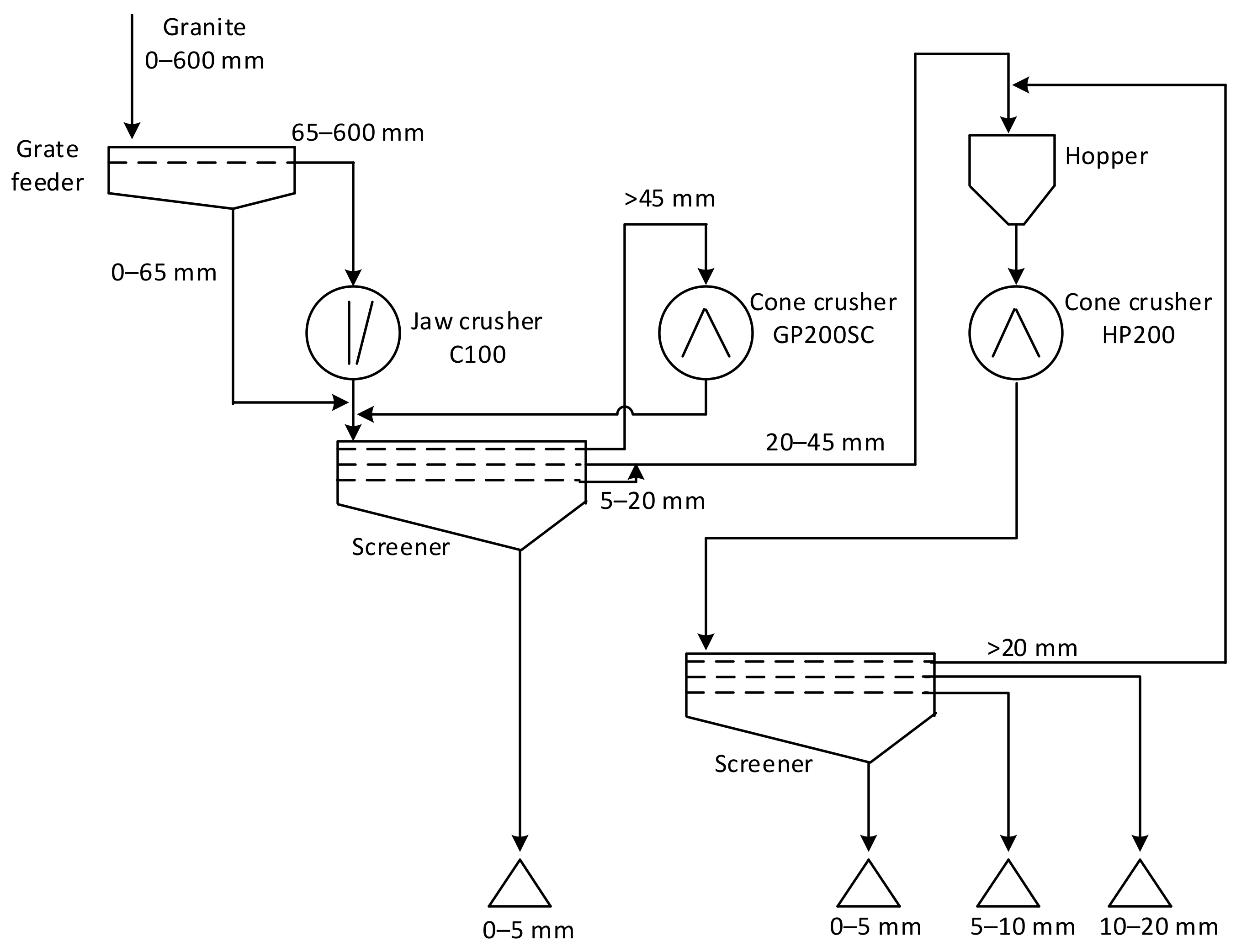
2.3. Multistage Crushing Systems
3. Innovative Technological System to Produce Aggregates with Increased Contents of Regular Particles
3.1. Aggregate Production Circuit with a Closed Recirculation for Selective Screening and Crushing Operations
- -
- Metal wire of mesh 4 mm × 20 mm shaped lengthwise (MD lengthwise);
- -
- Metal wire of mesh 20 mm × 4 mm shaped transversely (MD transverse);
- -
- Polyurethane of mesh 4 mm × 20 mm shaped lengthwise (PU lengthwise);
- -
- Polyurethane of mesh 20 mm × 4 mm shaped transversely (PU transverse).
3.2. Vibrating Multi-Deck Screening Machine
4. Benefits of Using Innovative Solutions
4.1. Process Innovation
4.2. Product Innovation
5. Summary
6. Patents
Funding

Data Availability Statement
Conflicts of Interest
References
- Adessina, A.; Fraj, A.B.; Barthélémy, J.-F.; Chateau, C.; Garnier, D. Experimental and micromechanical investigation on the mechanical and durability properties of recycled aggregates concrete. Cem. Concr. Res. 2019, 126, 105900. [Google Scholar] [CrossRef]
- Piasta, W.; Budzyński, W.; Góra, J. Wpływ rodzaju kruszywa grubego na odkształcalność betonów zwykłych. Przegląd Bud. 2012, 7–8, 35–38. [Google Scholar]
- Ostrowski, K.; Sadowski, Ł.; Stefaniuk, D.; Wałach, D.; Gawenda, T.; Oleksik, K.; Usydus, I. The effect of the morphology of coarse aggregate on the properties of self-compacting high-performance fibre-reinforced concreto. Materials 2018, 11, 1372. [Google Scholar] [CrossRef] [PubMed] [Green Version]
- Barreto Santos, M.; De Brito, J.; Santos Silva, A. A Review on Alkali-Silica Reaction Evolution in Recycled Aggregate Concrete. Materials 2020, 13, 2625. [Google Scholar] [CrossRef] [PubMed]
- Molugaram, K.; Shanker, J.S.; Ramesh, A. A study on influence of shape of aggregate on strength and quality of concrete for buildings and pavements. Adv. Mater. Res. 2014, 941–944, 776–779. [Google Scholar] [CrossRef]
- Ganapati Naidu, P.; Adiseshu, S. Influence of coarse aggregate shape factors on bituminous mixtures. Int. J. Eng. Res. Appl. 2011, 1, 2013–2024. [Google Scholar]
- Akçaoğlu, T. Determining aggregate size & shape effect on concrete microcracking under compression by means of a degree of reversibility method. Constr. Build. Mater. 2017, 143, 376–386. [Google Scholar] [CrossRef]
- Zieliński, Z. Korelacja Parametrów Technologicznych Mechanicznego Kruszenia i Przesiewania Materiałów Skalnych Stosowanych w Budownictwie Drogowym; Wyd. Uczelniane Politechniki Szczecińskiej: Szczecin, Poland, 1983; p. 228. [Google Scholar]
- Adams, M.P.; Ideker, J.H. Influence of aggregate type on conversion and strength in calcium aluminate cement concrete. Cem. Concr. Res. 2017, 100, 284–296. [Google Scholar] [CrossRef]
- Rocco, C.; Elices, M. Effect of aggregate shape on the mechanical properties of a simple concrete. Eng. Fract. Mech. 2009, 76, 286–298. [Google Scholar] [CrossRef]
- Kurdowski, W. Chemia Cementu i Betonu; Wydawnictwo Naukowe PWN: Kraków, Poland, 2010. [Google Scholar]
- Mora, C.F.; Kwan, A.K.H. Sphericity, shape factor and convexity measurement of coarse aggregate for concerete using Digital image processing. Cem. Concr. Res. 2000, 30, 351–358. [Google Scholar] [CrossRef]
- Stempkowska, A.; Wójcik, Ł.; Izak, P.; Staszewska, M.; Mastalska-Popławska, J. Investigation of post-industrial pollutions’ immobilization in a hydraulic self-solidifying clay-cement binder. In 2018 IOP Conference Series: Materials Science and Engineering; IOP Publishing: Bristol, UK, 2018; Volume 427, pp. 1–10. [Google Scholar] [CrossRef] [Green Version]
- Liu, Q.-F.; Feng, G.-L.; Xia, J.; Yang, J.; Li, L.-Y. Ionic transport features in concrete composites containing various shaped aggregates: A numerical study. Compos. Struct. 2018, 183, 371–380. [Google Scholar] [CrossRef] [Green Version]
- Abyaneh, S.D.; Wong, H.S.; Buenfeld, N.R. Computational investigation of capillary absorption in concrete using a three-dimensional mesoscale approach. Comput. Mater. Sci. 2014, 87, 54–64. [Google Scholar] [CrossRef] [Green Version]
- Abyaneh, S.D.; Wong, H.S.; Buenfeld, N.R. Modelling the diffusivity of mortar and concrete using a three-dimensional mesostructure with several aggregate shapes. Comput. Mater. Sci. 2013, 78, 63–73. [Google Scholar] [CrossRef] [Green Version]
- Marzouk, H.; Langdon, S. The effect of alkali-aggregate reactivity on the mechanical properties of high and normal strength concrete. Cem. Concr. Compos. 2003, 25, 549–556. [Google Scholar] [CrossRef]
- Ahmed, T.; Burley, E.; Rigden, S.; Abu-Tair, A.I. The Effect of Alkali Reactivity on the Mechanical Properties of Concrete. Constr. Build. Mater. 2003, 17, 123–144. [Google Scholar] [CrossRef]
- Neville, A.M. Właściwości Betonu; Polski Cement: Kraków, Poland, 2000. [Google Scholar]
- PN-EN 933-4:2008. Badania Geometrycznych Właściwości Kruszyw—Część 4: Oznaczanie Kształtu Ziaren—Wskaźnik Kształtu; Polski Komitet Normalizacyjny: Warszawa, Poland, 2008. [Google Scholar]
- PN-EN 933-3:2012. Badania Geometrycznych Właściwości Kruszyw—Część 3: Oznaczanie Kształtu Ziaren za Pomocą Wskaźnika Płaskości; Polski Komitet Normalizacyjny: Warszawa, Poland, 2012. [Google Scholar]
- Tumidajski, T.; Naziemiec, Z. Wpływ warunków procesu kruszenia na kształt ziaren kruszyw mineralnych. In Proceedings of the IV Konferencja Kruszywa Mineralne—Surowce—Rynek—Technologie—Jakość, Szklarska Poręba, Poland, 14–16 April 2004; Wydawnictwo Politechnika Wrocławska: Wrocław, Poland, 2004. [Google Scholar]
- Gawenda, T. Principles for selection of crushers and technological crushing circuits in crushed-stone aggregate production. In Dissertations Monographs 304; Press. AGH: Kraków, Poland, 2015. [Google Scholar]
- Katalog Reklamowy Firmy Makrum. Available online: www.makrum.pl (accessed on 7 October 2021).
- Katalog Reklamowy Firmy PSP Engineering a.s.: Systemy Kruszenia i Przesiewania Surowców Mineralnych i Recyklingu. Available online: www.hard.com.pl/kruszarki (accessed on 3 October 2021).
- Katalog Reklamowy Firmy Magotteaux. Available online: www.magotteaux.com (accessed on 22 October 2021).
- Eloranta, J. Sposoby wpływania na jakość kruszyw. Prezentacja badań firmy Metso Minerals na nośniku CD. In Proceedings of the 2006 VI Konferencja, „Kruszywa Mineralne—Surowce—Rynek—Technologie—Jakość”, Szklarska Poręba, Poland, 26–28 April 2006; OWPW: Wrocław, Poland, 2006. [Google Scholar]
- Nowak, A.; Gawenda, T. Analiza porównawcza kruszarek w wielostadialnych układach rozdrabniania skał bazaltowych. Górnictwo Geoinżynieria 2006, 30, 267–278. [Google Scholar]
- Katalog Reklamowamy Frmy SBM. Available online: www.sbm-mp.at (accessed on 2 October 2021).
- Gawenda, T. The influence of rock raw materials comminution in various crushers and crushing stages on the quality of mineral aggregates. Miner. Resour. Manag. 2013, 29, 53–65. [Google Scholar] [CrossRef]
- Gawenda, T. Comparative analysis of mobile and stationary technological sets for screening and grinding. Annu. Set Environ. Prot. 2013, 15, 1318–1335. [Google Scholar]
- Ministerstwo Nauki i Szkolnictwa Wyższego, Departament Strategii i Rozwoju Nauki. Podręcznik Oslo. Zasady Gromadzenia i Interpretacji Danych Dotyczących Innowacji, 3rd ed.; wydanie polskie; Organizacja Współpracy Gospodarczej i Rozwoju Urząd Statystyczny Wspólnot Europejskich: Warszawa, Poland, 2006.
- Europejski Fundusz Rozwoju Regionalnego. Available online: https://www.degamex.pl/europejski-fundusz-rozwoju-regionalnego (accessed on 24 October 2021).
- Saramak, D. Analiza Możliwości Produkcji Kruszyw Żwirowych Łamanych o Ziarnach Foremnych w Klasach 5–8 mm i 8–11 mm Pochodzących z Kopalni w Straszęcinie za Pomocą Przeróbki Mechanicznej; Praca B+R zlecona 11.02.2019 r przez Kopalnie Kruszywa „Jarosz” Piotr i Adam Jarosz s.c.; Akademia Górniczo-Hutnicza w Krakowie: Kraków, Poland, 2019. [Google Scholar]
- ICiMB Sieć Badawcza Łukasiewicz. Wykonanie Badań Dostarczonych 4 Prób Kruszywa w Zakresie Oznaczenia Odporności na Rozdrabnianie (Los Angeles) i Odporności na Ścieranie (Mikro-Deval); Sprawozdanie z badań nr SB/185/19/K dnia 20.05.2019; ICiMB Sieć Badawcza Łukasiewicz: Kraków, Poland, 2019. [Google Scholar]
- ICiMB Sieć Badawcza Łukasiewicz. Badania Odporności na Rozdrabnianie LA wg Normy PN-EN 1097-2 i Odporności na Ścieranie Mikro Deval wg Normy PN-EN 1097-1 dla Innowacyjnego Kruszywa Foremnego i Typowego Kruszywa w Granulacji 8–16 mm - Złoże Bobrowniki Skałka 1; Sprawozdanie nr SB/444/19 oraz nr SB/445/19; Zlecenie nr 787/3L 179 B19 przez firmę Jaka Sp. z o.o. Sp. k.; ICiMB Sieć Badawcza Łukasiewicz: Kraków, Poland, 2019. [Google Scholar]
- PN-EN 12620. Kruszywa do Betonu; Polski Komitet Normalizacyjny: Warszawa, Poland, 2010. [Google Scholar]
- PN-EN 1097-2. Badania Mechanicznych i Fuzycznych Właściwosci Kruszyw. Oznaczanie Odporności na Rozdrabnianie (Los Angeles); Polski Komitet Normalizacyjny: Warszawa, Poland, 2010. [Google Scholar]
- PN-EN 1097-1. Badania Mechanicznych i Fuzycznych Wlaściwosci Kruszyw. Oznaczanie Odporności na Ścieranie (Mikro-Deval); Polski Komitet Normalizacyjny: Warszawa, Poland.
- Ostrowski, K.; Sadowski, Ł.; Wałach, D.; Gawenda, T. The influence of coarse aggregate shape on the properties of self-compacting high-performance fibre-reinforced concrete. In Proceedings of the W: EAC-02 International RILEM/COST Conference on Early Age Cracking and Serviceability in Cement-Based Materials and Structures, Brussels, Belgium, 12–14 September 2017. [Google Scholar]
- Ostrowski, K. The influence of coarse aggregate shape on the properties of high-performance, self-compacting concrete. Tech. Trans. Civ. Eng. 2017, 5, 25–33. [Google Scholar] [CrossRef] [Green Version]
- Ostrowski, K.; Oleksik, K. Comparative analysis of the coarse aggregate shapes used to manufacturing high performance self-compacting concrete. Tech. Trans. 2018, 115, 75–86. [Google Scholar] [CrossRef] [Green Version]
- Stempkowska, A.; Gawenda, T.; Naziemiec, Z.; Adam Ostrowski, K.; Saramak, D.; Surowiak, A. Impact of the Geometrical Parameters of Dolomite Coarse Aggregate on the Thermal and Mechanic Properties of Preplaced Aggregate Concrete. Materials 2020, 13, 4358. [Google Scholar] [CrossRef] [PubMed]
- Ostrowski, K.; Stefaniuk, D.; Sadowski, Ł.; Krzywiński, K.; Gicala, M.; Różańska, M. Potential use of granite waste sourced from rock processing for the application as coarse aggregate in high-performance self-compacting concreto. Construction and Building. Constr. Build. Mater. 2020, 238, 117794. [Google Scholar] [CrossRef]
- Naziemiec, Z.; Saramak, D. Effective methods of chalcedonite processing. Min. Sci. 2021, 28, 7–18. [Google Scholar] [CrossRef]
- Surowiak, A.; Gawenda, T.; Stempkowska, A.; Niedoba, T.; Nad, A. The Influence of Selected Properties of Particles in the Jigging Process of Aggregates on an Example of Chalcedonite. Minerals 2020, 10, 600. [Google Scholar] [CrossRef]
- Gawenda, T.; Saramak, D.; Stempkowska, A.; Naziemiec, Z. Assessment of Selected Characteristics of Enrichment Products for Regular and Irregular Aggregates Beneficiation in Pulsating Jig. Minerals 2021, 11, 777. [Google Scholar] [CrossRef]




















| Aggregate’s Fraction [mm] | Mean Irregular Particles Contents [%] | ||||||
|---|---|---|---|---|---|---|---|
| Impact Crushers | Cone Crushers | Jaw Crushers | |||||
| Makrum Type 40.77 Type 40.76 | Makrum Type 44.51 VSI | Nordberg VSI | Makrum LJ Simple Jaw Motion | Makrum L 44.41 Complex Jaw Motion | |||
| Triangular Grooves | Traphesoidal Grooves | Triangular Grooves | Traphesoidal Grooves | ||||
| 6.3–12.5 | 5.9 | 8.7 | 15.2 | 33.0 | 26.2 | 27.5 | 27.9 |
| 12.5–16 | 4.5 | 8.1 | 9.0 | 20.8 | 15.5 | 31.4 | 24.7 |
| Averagely 6.3–16 | 5.2 | 8.4 | 12.1 | 26.9 | 20.9 | 29.5 | 26.5 |
| Crushing Stage | Percentage of Irregular Particle Contents in Fractions | |||
|---|---|---|---|---|
| Non-Selective System | Selective System | |||
| 5–10 [mm] | 10–20 [mm] | 5–10 [mm] | 10–20 [mm] | |
| II | 50 | 30 | n/a | n/a |
| III | 20 | 15 | 15 | 10 |
| final product | 34 | 22 | 15 | 10 |
| Type of Sieve | Yield [%] | RP and IP Content in Yield [%] | Contents in Final Product [%] | |||||
|---|---|---|---|---|---|---|---|---|
| γg Upper | γd Lower | γg RP Upper | γd RP Lower | γg IP Upper | γd IP Lower | RP Regular Particles | IP Irregular Particles | |
| MD lengthwise 4 mm × 20 mm | 78.3 | 21.7 | 76.1 | 0.4 | 2.2 | 21.3 | 97.2 | 2.8 |
| MD transverse 20 mm × 4 mm | 77.5 | 22.5 | 75.0 | 0.5 | 2.5 | 21.4 | 96.7 | 3.3 |
| PU lengthwise 4 mm × 20 mm | 91.2 | 8.8 | 75.7 | 0.5 | 15.4 | 8.3 | 83.1 | 16.9 |
| PU transverse 20 mm × 4 mm | 91.7 | 8.3 | 75.3 | 0.9 | 16.4 | 7.4 | 82.1 | 17.9 |
| Fraction [mm] | Feed [%] | Sieve Mesh Size [mm] | Lower Product [%] | Upper Product [%] | ||
|---|---|---|---|---|---|---|
| IP | IP | RP | IP | RP | ||
| 12–14 | 32.0 | 10 × 60 | 56.5 | 43.5 | 0.7 | 99.3 |
| 10–12 | 35.6 | 8 × 50 | 57.6 | 42.4 | 6.6 | 93.4 |
| 8–10 | 31.5 | 7 × 60 | 46.3 | 53.7 | 0.5 | 99.5 |
| 8–14 | FI = 33.4 | FI = 3.5 | 96.5 | |||
| Fraction [mm] | Feed [%] | Sieve Mesh Size [mm] | Lower Product [%] | Upper Product [%] | ||
|---|---|---|---|---|---|---|
| IP | IP | RP | IP | RP | ||
| 12–14 | 31.9 | 7 × 60 | 99.3 | 0.7 | 11.6 | 88.4 |
| 12–14 | 44.4 | 8 × 50 | 84.0 | 16.0 | 8.2 | 91.8 |
| 12–14 | 45.0 | 8 × 50 | 81.2 | 18.8 | 6.2 | 93.8 |
| 12–14 | 32.0 | 10 × 60 | 56.5 | 43.5 | 0.7 | 99.3 |
| Tested Aggregate | Flakiness Index [%] | Grinding Resistance Index LA [%] | Category |
|---|---|---|---|
| gravel deposit Skałka1 8–16 mm (innovative product) | FI = 3 | 33 | LA35 |
| gravel deposit Skałka1 8–16 mm (typical product) | FI = 24 | 36 | LA40 |
| gravel deposit Straszęcin 5–11 mm (innovative product) | FI = 3 | 24 | LA25 |
| gravel deposit Straszęcin 5–11 mm (typical product) | FI = 20 | 31 | LA35 |
| Limestone deposit Lipa1 4–8 mm (innovative product) | FI = 3 | 23 | LA25 |
| Limestone deposit Lipa1 4–8 mm (typical product) | FI = 23 | 26 | LA30 |
| Tested Aggregate | Flat Index [%] | Micro Deval Abrasion Test MDE [%] | Category |
|---|---|---|---|
| gravel deposit Skałka1 8–16 mm (innovative product) | FI = 3 | 23 | MDE 25 |
| gravel deposit Skałka1 8–16 mm (typical product) | FI = 24 | 28 | MDE 30 |
| Limestone deposit Lipa1 4–8 mm (innovative product) | FI = 3 | 13 | MDE 15 |
| Limestone deposit Lipa1 4–8 mm (typical product) | FI = 23 | 19 | MDE 20 |
Publisher’s Note: MDPI stays neutral with regard to jurisdictional claims in published maps and institutional affiliations. |
© 2021 by the author. Licensee MDPI, Basel, Switzerland. This article is an open access article distributed under the terms and conditions of the Creative Commons Attribution (CC BY) license (https://creativecommons.org/licenses/by/4.0/).
Share and Cite
Gawenda, T. Production Methods for Regular Aggregates and Innovative Developments in Poland. Minerals 2021, 11, 1429. https://doi.org/10.3390/min11121429
Gawenda T. Production Methods for Regular Aggregates and Innovative Developments in Poland. Minerals. 2021; 11(12):1429. https://doi.org/10.3390/min11121429
Chicago/Turabian StyleGawenda, Tomasz. 2021. "Production Methods for Regular Aggregates and Innovative Developments in Poland" Minerals 11, no. 12: 1429. https://doi.org/10.3390/min11121429
APA StyleGawenda, T. (2021). Production Methods for Regular Aggregates and Innovative Developments in Poland. Minerals, 11(12), 1429. https://doi.org/10.3390/min11121429
