Next Article in Journal
A Computational Analysis of Spectral Properties and Energies of Distance-Based Matrices for Selected Hydrocarbons
Previous Article in Journal
Enhanced Deep Reinforcement Learning for Robustness Falsification of Partially Observable Cyber-Physical Systems
 
 
Font Type:
Arial Georgia Verdana
Font Size:
Aa Aa Aa
Line Spacing:
Column Width:
Background:
Article

A Symmetric Variable Gain for a Sliding Mode Controller Applied to a Power Converter System in a Small Wind Turbine

by
Eduardo Campos-Mercado
1,*,†,
Jonathan Benitez-Ovando
2,†,
Efraín Dueñas-Reyes
2,†,
Isaac Montoya-De Los Santos
2,†,
Hugo Francisco Abundis-Fong
3,†,
Adán Acosta-Banda
1,† and
Emmanuel Hernández-Mayoral
4,†
1
Instituto de Estudios de la Energía, SECIHTI-Universidad del Istmo, Sto. Domingo Tehuantepec, Oaxaca 70760, Mexico
2
Instituto de Estudios de la Energía, Universidad del Istmo, Oaxaca 70760, Mexico
3
Tecnológico Nacional de México/I.T de Pachuca, Pachuca de Soto, Hidalgo 42080, Mexico
4
Institute of Renewable Energies, SECIHTI-Universidad Nacional Autónoma de México, Temixco 62580, Mexico
*
Author to whom correspondence should be addressed.
These authors contributed equally to this work.
Symmetry 2026, 18(2), 305; https://doi.org/10.3390/sym18020305
Submission received: 10 December 2025 / Revised: 27 January 2026 / Accepted: 30 January 2026 / Published: 7 February 2026
(This article belongs to the Special Issue Symmetry and Asymmetry in Dynamical Systems)

Abstract

Interest in wind energy systems of different power ratings has increased significantly in recent years; however, low-power wind turbines are particularly sensitive to wind gust disturbances, which strongly affect their power electronic systems. In this work, a control strategy is proposed for regulating the output voltage of a buck converter integrated into a small wind turbine. To this end, a symmetric variable gain is incorporated into the classical sliding mode control framework, enabling the controller to dynamically adjust the control effort according to the operating conditions. The main objective of the proposed approach is to mitigate output voltage fluctuations induced by Extreme Operating Gusts (EOGs), which have a more pronounced impact on low-power wind turbines. The effectiveness of the proposed controller is validated through both simulation and experimental results.

1. Introduction

Small wind turbines (SWTs) constitute a distinct class of wind energy conversion systems and cannot be regarded as a simple scaled-down version of large wind turbines [1]. Unlike utility-scale turbines, SWTs are typically characterized by simpler mechanical structures, lower hub heights, and permanent magnet generators, and they usually operate under highly variable and turbulent wind conditions. Their operation is often associated with off-grid or weak-grid applications, where power quality, voltage regulation, and system protection become critical issues. Furthermore, due to their reduced inertia and the absence of sophisticated pitch control mechanisms, SWTs are more sensitive to wind speed fluctuations and extreme operating gusts, which may lead to significant voltage variations and increased electrical stress. As a consequence, the efficiency and reliability of SWTs depend not only on aerodynamic performance but also strongly on the design and control of the power electronic system. In this context, DC-DC converters play a key role by regulating the DC-link voltage, decoupling the generator from the load or grid, and mitigating the adverse effects of wind variability. These particular characteristics motivate the present research, which focuses on the development of a robust control strategy for the DC-DC power converter in a small wind turbine system, aiming to enhance voltage regulation and system performance under extreme wind conditions.
The performance of wind turbines depends on several factors, including wind speed, blade aerodynamic design, rotor size, the configuration of the power electronic system, tower height, local environmental conditions, and generator efficiency [2]. In [1], a detailed aerodynamic analysis is presented that describes wind turbine performance in terms of the electrical power produced with respect to the average wind speed. However, several studies indicate that sudden variations in wind speed significantly affect the operation of small wind turbines, primarily impacting the power electronic subsystem [3]. In [4,5], analyses of operational reliability highlight that the power electronic system is the component most affected by abrupt changes in wind speed. Therefore, analyzing the main characteristics of sudden wind speed variations is essential to mitigate their adverse effects on the power electronic systems used in small wind turbines.
To further characterize these effects, several studies describe the characteristics of wind speed behavior. For example, Refs. [6,7,8] define wind gusts as rapid variations in wind speed characterized by short duration increases in magnitude. In [9,10,11,12], it is reported that wind variability indirectly affects the switching behavior of power converters through fluctuations in the input voltage and, in some cases, can cause permanent device damage. Other authors address the problem of wind gusts through control strategies for power electronic systems based on maximum power point tracking (MPPT) techniques [13]. These strategies optimize energy extraction by exploiting the relationship between wind turbine output power and wind speed; however, they do not explicitly consider the effects of wind gusts.
Recent reviews [14,15,16] examine a wide range of control strategies for DC–DC converters, highlighting their importance for system operation, performance, and stability. In [17], different converter topologies for wind turbine applications are analyzed, with emphasis on a sliding mode-based controller. Within this context, the DC–DC buck converter plays a critical role in maintaining voltage regulation under wind-induced disturbances. This ensures stable power delivery to the inverter or, when applicable, to a battery bank, thereby maintaining energy quality within the system. In [18], the authors analyze a buck converter controlled by a sinusoidal signal, focusing on the origin of abrupt changes observed in the system dynamics.
To reduce the impact of wind gusts on the performance of the buck converter, this work proposes a symmetric variable gain sliding mode controller developed following an approach similar to that described in [19]. In that study, a variable gain PID controller was used to regulate the output voltage of a buck converter under variable input voltage, considering only step type perturbations and not wind gusts. Building on that contribution, and after evaluating different control strategies, the present work adopts a sliding mode controller to combine the benefits of a symmetric variable gain with the inherent robustness of sliding mode control against external disturbances and parametric uncertainties [20].
Experimental validation plays a key role in assessing the closed-loop performance of advanced control strategies for power electronic systems. For this reason, an experimental platform was developed to implement the controller and regulate the output voltage of a buck converter operating within a small wind turbine system under wind gust conditions. The main contributions of this work are summarized as follows:
  • Design of a symmetric variable gain sliding mode controller for output voltage regulation of a buck converter integrated into a small wind turbine system under wind gust disturbances.
  • Definition of a mathematically simple symmetric variable gain formulation based on a saturation function driven by the accumulated error, avoiding model-based adaptation laws, online parameter estimation, and learning mechanisms commonly adopted in existing variable gain or adaptive sliding mode controllers.
  • Experimental implementation and validation of the proposed controller, including a direct comparison between constant gain and variable gain sliding mode control strategies under realistic operating conditions.
The remainder of this article is organized as follows. Section 2 describes the wind gust profile used as a case study. Section 3 presents the experimental platform corresponding to a modified small wind turbine. Section 4 details the design of the buck converter, while Section 5 describes the development of the symmetric variable gain sliding mode controller. Section 6 describes the experimental results. Finally, Section 7 and Section 8 provide the discussion and conclusions, respectively.

2. Extreme Operating Gust

According to the IEC 61400-2 international standard [21], wind gusts are defined as short-duration variations in wind speed characterized by a rapid increase followed by a subsequent decrease in magnitude. This standard specifies several deterministic extreme wind models for the structural and control assessment of small wind turbines, including the Extreme Operating Gust (EOG), Extreme Direction Change (EDC), Extreme Coherent Gust with Direction Change (ECD) and Extreme Coherent Gust (ECG). Among these, the EOG is commonly adopted as a representative worst-case operating disturbance [8]. Consequently, the EOG model, depicted in Figure 1, is selected in this work to evaluate the impact of extreme wind conditions on a low-power wind energy conversion system.
To evaluate the effect of the EOG in both simulation and experimental tests, the mathematical model recommended by the IEC 61400-2 standard is adopted. The instantaneous wind speed during the gust is defined as:
M E O G ( t ) = u z 0.37 u g sin 3 π ( t t 1 ) t 2 t 1 1 cos 2 π ( t t 1 ) t 2 t 1 t [ t 1 , t 2 ] u z t [ t 1 , t 2 ]
where u z is the mean wind speed at the measurement height, t 1 and t 2 denote the initial and final times of the gust event, respectively. The gust amplitude u g is defined according to IEC 61400-2 as:
u g = 1.35 ( u max u z )
where u max is the maximum wind speed reached during the gust event.
To characterize realistic wind gust conditions, wind speed measurements were obtained from a meteorological station compliant with IEC 61400-2 specifications, located at the Centro Regional de Tecnología Eólica (CERTE) in La Ventosa, Oaxaca, Mexico. The data were recorded at a sampling frequency of 1 Hz using a Wind Master 3D anemometer (Gill Instruments, Lymington, UK) installed at a height of 40 m. Figure 2 shows the wind speed profile corresponding to a 24-h period, where short duration wind speed fluctuations associated with gust events can be observed.
Extreme Operating Gust events were identified using a time-domain detection approach based on velocity increments exceeding a predefined threshold. Using this criterion, seven EOG events with amplitudes greater than or equal to 3 m/s were detected within the 24-h dataset. Any of these events could be used for performance evaluation; however, without loss of generality, the first detected EOG, shown in Figure 3, was selected for further analysis.
For the selected EOG event, the mean wind speed was u z = 5.75 m / s , while the maximum wind speed reached u max = 8.5 m / s , resulting in a gust amplitude of u g = 3.71 m / s . The gust duration was defined by t 1 = 5 s and t 2 = 27 s, corresponding to a total duration of 22 s. These values are consistent with typical operating conditions of a low-power (600 W) small wind turbine operating near its rated wind speed.
Figure 4 compares the reconstructed EOG obtained from Equation (1) with the measured gust event, showing a close agreement in both amplitude and duration. This reconstructed EOG profile was used consistently in both simulation and experimental evaluations to assess the robustness of the proposed control strategy under extreme operating wind conditions.

3. Experimental Platform

This section describes the experimental platform developed to validate the proposed control strategy under extreme operating gust conditions. The setup is designed to reproduce the electrical behavior of a small wind turbine and its associated power electronic system. Figure 5 shows the overall drive-train topology of the small wind turbine system considered in this work and implemented in the experimental platform. The schematic illustrates the complete energy conversion chain, including the wind turbine rotor, the permanent magnet synchronous generator (PMSG), the diode rectifier, the DC-DC buck converter, and the regulated DC-side load.
Due to the absence of pitch control and the inherently turbulent wind conditions associated with small wind turbines, the rectified DC voltage is unregulated and subject to significant variations, particularly under extreme operating gusts. In this system, the DC-DC buck converter acts as the main power electronic interface between the generator and the load, allowing the DC voltage to be regulated independently of the generator-side dynamics.
The buck converter is controlled through a sliding mode control strategy with a variable gain, which directly adjusts the duty cycle of the power switch. This control approach provides a fast dynamic response to voltage disturbances induced by wind speed variations and contributes to maintaining a stable DC voltage during experimental operation. Consequently, the proposed power electronic system and control scheme play a key role in the experimental evaluation of robust voltage regulation under extreme operating conditions.
Based on the overall topology shown in Figure 5, an experimental platform was implemented to analyze the effect of an Extreme Operating Gust (EOG). The platform is based on a modified small wind turbine known as PELICAN SF-5 and includes a 600 W permanent magnet synchronous generator (PMSG) (1), a stepper motor used to emulate the dynamics of the wind turbine rotor (2), a power supply with analog input for controlling the angular velocity of the stepper motor (3), a programmable power supply PSW-250-13 (4), an oscilloscope for voltage measurement (5), two incandescent light bulbs acting as a resistive load (6), and a high-power three-phase diode bridge rectifier MDS100A (7), as depicted in Figure 6.
The programmable power supply PSW-250-13 is used to generate the analog input voltage signal, ranging from 0 to 10 V, required by the stepper motor power supply. To characterize the system, a set of experimental tests was conducted based on the manufacturer’s datasheet of the small wind turbine. These tests showed that an analog input voltage of 2 V emulates turbine operation at a wind speed of 3.5 m/s, which corresponds to the cut-in wind speed. Nominal operating conditions are achieved with an analog input of 10 V, equivalent to a wind speed of 12 m/s. Accordingly, to emulate the EOG described by Equation (1), the following linear relationship was obtained:
u v o l t s ( t ) = 0.9412 M E O G ( t ) 1.2941
where M E O G ( t ) represents the wind speed in m/s and u v o l t s ( t ) corresponds to the voltage programmed in the PSW-250-13 power supply to generate the analog input signal for the stepper motor drive.
By combining Equations (1) and (3), the effect of an EOG on the small wind turbine was successfully emulated, as shown in Figure 7. As expected, both the frequency and amplitude of the three-phase voltages generated by the PMSG are affected by the gust event. The alternating current (AC) generated by the PMSG is then converted into direct current (DC) through the high-power three-phase diode bridge rectifier MDS100A, resulting in a rectified voltage waveform that follows the EOG profile, as illustrated in Figure 8.
Notice that the output voltage of the AC–DC converter varies approximately between 15 V and 30 V. Consequently, this voltage must be regulated using a DC–DC converter before being supplied to downstream electrical loads. In this work, a buck converter was implemented to regulate the rectified voltage to 12 V, a commonly used voltage level for devices such as portable chargers, battery chargers, and power electronic inverters.

4. Buck Converter System

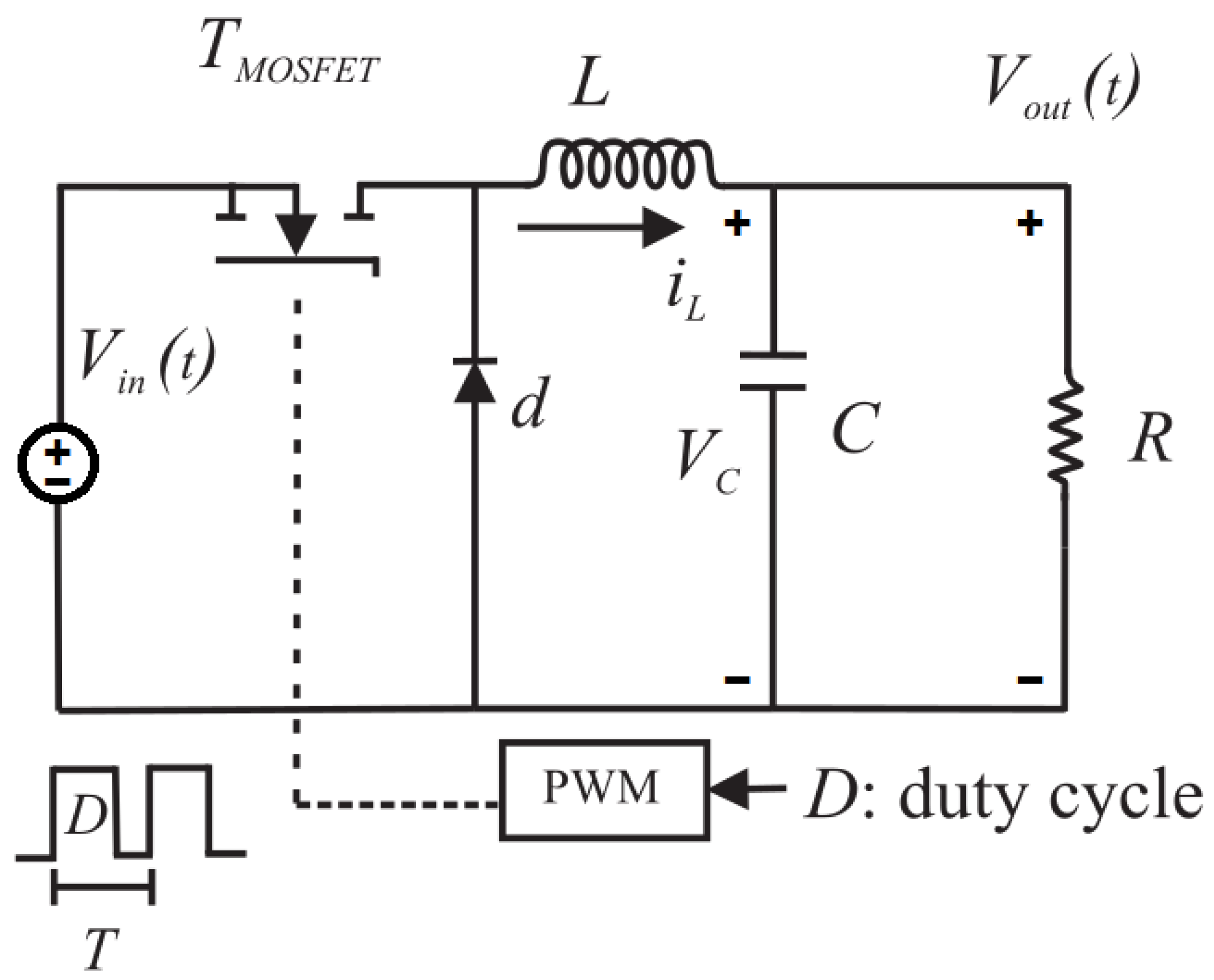
The buck converter is a basic type of DC-DC power electronic converter that produces an output voltage V o u t ( t ) lower than its input voltage V i n ( t ) . In this section, the main components, design parameters, and nominal behavior of the buck converter used in this work are described. Figure 9 illustrates the topology of the buck converter, which consists of a power switch ( T M O S F E T ) , an inductor ( L ) , a diode ( d ) , a capacitor ( C ) , and a resistive load ( R ) . The primary objective of the buck converter is to regulate the output voltage V o u t ( t ) at the load terminals. To achieve this, the power switch is driven by a pulse-width modulation (PWM) signal with a constant switching period T, as described in [22].
To perform the experimental tests with the small wind turbine described in the previous section, the technical specifications used for the design of the buck converter are summarized in Table 1.
Based on the standard design equations reported in [22], the duty cycle D, inductor L, and capacitor C values were calculated. The duty cycle is given by
D = V o u t ( t ) V i n ( t ) = 0.3
while the inductor value is given by the following equation:
L = V o u t ( t ) ( 1 D ) Δ I o u t f = V o u t ( t ) ( 1 D ) 0.2 ( P l o a d / V o u t ( t ) ) f = 840 × 10 6 H
and the output capacitor value is calculated as:
C = V o u t ( t ) ( 1 D ) 8 Δ V o u t L f 2 = 31.2 × 10 6 F
Based on the calculated values in (5) and (6), commercially available components were selected. Accordingly, the buck converter shown in Figure 10 was implemented using an inductor of L = 905 × 10 6 H and a capacitor of C = 33 × 10 6 F. An Arduino Due development board was used to measure the output voltage and to generate the PWM signal required to drive the power switch. The PWM frequency was set to 20 kHz with a 10-bit resolution. Although the Arduino Due supports up to 12-bit PWM resolution, a 10-bit configuration was adopted in the experimental implementation. Consequently, the duty cycle was implemented as an integer value in the range D [ 0 , 1023 ] .
To evaluate the behavior of the buck converter under nominal operating conditions, a constant input voltage of V i n ( t ) = 40 V was supplied using a programmable power source, while two incandescent light bulbs (30 W) were used as the load. A fixed PWM duty cycle of D = 307 , corresponding to the value computed in (4), was programmed into the Arduino Due. As shown in Figure 11, the output voltage V o u t ( t ) remains close to the required value of 12 V, satisfying the design specifications.
Figure 8 shows the voltage produced by the AC-DC converter when an EOG acts on the small wind turbine. Before applying this voltage as the input V i n ( t ) of the buck converter, the PWM duty cycle must be adjusted to maintain the desired output voltage. Considering (4) and a steady-state input voltage of V i n ( t ) = 20 V, a new duty-cycle value of D = 614 was calculated and programmed into the Arduino Due. The resulting output voltage V o u t ( t ) is shown in Figure 12. Although the output voltage remains close to 12 V during steady-state conditions, the regulation performance degrades under the effect of the EOG. This behavior motivates the implementation of a closed-loop control algorithm, which is introduced in the following section.

5. Control Strategy

The proposed solution to regulate the output voltage of the buck converter system is to implement a control algorithm that computes the duty cycle D ( t ) of the PWM signal, as depicted in Figure 13, considering a reference voltage ( V r e f ) of 12 V. Although many control techniques exist in the literature, a sliding mode controller with a symmetric variable gain was chosen due to its advantages, namely insensitivity to parametric uncertainty and external disturbances during sliding mode operation. Additionally, this control strategy is relatively simple to design and implement on embedded platforms such as the Arduino Due board.
The dynamic equations of a buck converter operating in continuous conduction mode (CCM) are expressed in [23] as:
d i L ( t ) d t = 1 L V o u t ( t ) + V i n ( t ) L D ( t )
d V o u t ( t ) d t = 1 C i L ( t ) 1 R C V o u t ( t )
where i L represents the inductor current, and D ( t ) is the duty cycle of the PWM signal. To obtain an alternative representation that incorporates the buck converter dynamics while simplifying the analysis of the control strategy, the output voltage and its time derivative are defined through the following change of variables:
x 1 ( t ) = V o u t ( t ) x 2 ( t ) = d V o u t ( t ) d t
Taking the time derivatives of the variables defined in Equation (9) yields:
x ˙ 1 ( t ) = d V o u t ( t ) d t = x 2 ( t )
x ˙ 2 ( t ) = d d t ( d V o u t ( t ) d t )
Substituting Equation (8) into (11) gives:
x ˙ 2 ( t ) = d d t ( 1 C i L ( t ) 1 R C V o u t ( t ) )
By further substituting Equation (7), x ˙ 2 ( t ) can be expressed as a function of the output voltage:
x ˙ 2 ( t ) = 1 C ( 1 L V o u t ( t ) + V i n ( t ) L D ( t ) ) 1 R C d V o u t ( t ) d t
Using Equations (10) and (13), the state-space representation of the averaged buck converter system becomes:
x ˙ 1 ( t ) = x 2 ( t )
x ˙ 2 ( t ) = x 1 ( t ) L C x 2 ( t ) R C + V i n ( t ) L C D ( t )
To design the controller, the voltage error is defined as shown in Figure 13:
e ( t ) = V r e f ( t ) V o u t ( t )
By considering Equation (9) and defining x d ( t ) = V r e f ( t ) , the error can be rewritten as:
e ( t ) = x d ( t ) x 1 ( t )
Since the buck converter is a linear system with two state variables, the sliding mode function is designed as:
s ( t ) = α e ( t ) + e ˙ ( t ) , α > 0
where α satisfies the Hurwitz condition, as described in [24]. Considering x d ( t ) as a constant, the derivative of the sliding surface is:
s ˙ ( t ) = α x ˙ 1 ( t ) x ¨ 1 ( t )
Substituting Equations (14) and (15) into the above equation yields:
s ˙ ( t ) = α x 2 ( t ) + x 1 ( t ) L C + x 2 ( t ) R C V i n ( t ) L C D ( t )
To guarantee the stability of the closed-loop system by satisfying s ( t ) s ˙ ( t ) < 0 , the sliding mode controller is defined as:
D ( t ) = L C V i n ( t ) [ α x 2 ( t ) + x 1 ( t ) L C + x 2 ( t ) R C + K sgn ( s ( t ) ) ]
where K is strictly positive. This ensures:
s ( t ) s ˙ ( t ) = K s ( t ) < 0
Simulation of the closed-loop system was performed in the Matlab–Simscape toolbox, considering α = 20 and K = 500 × 10 9 . The input voltage V i n ( t ) was generated according to Equation (1), emulating the AC–DC converter output under Extreme Operating Gust (EOG) conditions.
The PWM duty cycle computed by the controller is shown in Figure 14, noting that the Arduino Due board bounds the duty cycle between 0 and 1023.
Figure 15 illustrates the output voltage. The system closely tracks the reference value; however, deviations occur during the peak of the EOG.
To improve the closed-loop performance of the system, the constant gain K in the controller described in Equation (21) is replaced by a symmetric variable gain defined through a saturation function with a varying parameter, following a similar philosophy to that reported in [25], and expressed as follows:
K ( t ) = k 1 ( · ) | 0 t e ( τ ) d τ |
with
k 1 ( · ) = b | 0 t e ( τ ) d τ | ( μ 1 ) i f | 0 t e ( τ ) d τ | > d b d ( μ 1 ) i f | 0 t e ( τ ) d τ | d
μ [ 0 , 1 ]   and   b , d > 0
where μ , d, and b are the tuning parameters of the proposed gain. The parameter μ represents the saturation level that the gain can reach, d defines the interval in which the gain remains constant, and b corresponds to the saturation value.
The proposed gain formulation is symmetric with respect to positive and negative error due to the use of the absolute value of the accumulated error. Moreover, by construction, the variable gain satisfies K ( t ) > 0 for all operating conditions. Consequently, the sliding mode reaching condition remains satisfied and can be expressed as:
s ˙ ( t ) s ( t ) = K ( t ) | s ( t ) | < 0
which guarantees finite time convergence of the system trajectories to the sliding surface. Once the sliding surface is reached, the reduced order dynamics ensure stable closed-loop voltage regulation.
Remark 1.
The proposed symmetric variable gain ( K ( t ) ) is continuous, positive, and bounded for all admissible operating conditions due to the saturation-based formulation. Therefore, the closed-loop stability properties of the controller follow directly from the classical sliding mode control framework, without introducing additional adaptive dynamics or Lyapunov-based adaptation laws.
Finally, it is important to highlight that the parameters of the symmetric variable gain are tuned heuristically, guided by their clear and intuitive influence on the controller behavior. The parameter d determines the transition between the variable-gain region and the constant-gain region. Smaller values of d lead to a faster transition and a more aggressive response, whereas larger values allow smoother operation around the sliding surface. The parameter b directly controls the gain magnitude within the saturation region. Consequently, μ is set to zero at the beginning of the tuning process in order to isolate the effect of b. Once the steady-state error is minimized, the parameter μ [ 0 , 1 ] is adjusted to regulate the saturation level of the gain. When μ = 0 , the gain exhibits constant saturation, whereas μ 0 enables a smooth and progressive gain increase. It was observed that the closed-loop performance is not highly sensitive to moderate variations of these parameters. Based on these considerations, the tuning procedure is summarized as follows:
  • First, select d, taking into account that the interval [ d , d ] is where k 1 ( · ) remains constant.
  • The value of b is initially tuned with μ = 0 , so that the saturation remains constant. Then, the parameter b is progressively increased until the steady-state error approaches zero.
  • Finally, the parameter μ [ 0 , 1 ] is adjusted as needed, according to the closed-loop system response.
Considering the proposed symmetric variable gain introduced into the sliding mode controller described by Equation (21), the simulation of the PWM duty cycle was obtained, as illustrated in Figure 16.
In Figure 17, the behavior of the output voltage is depicted. It can be observed that, by implementing the symmetric variable gain described in Equation (23), the closed-loop performance exhibits an improved dynamic response compared to the result shown in Figure 15.
It is worth mentioning that another advantage of implementing the symmetric variable gain lies in the simplicity of the tuning process. Essentially, the parameters μ , d, and b are defined to bound the value of K ( t ) , ensuring that the gain remains limited and satisfies the necessary and sufficient conditions to guarantee the stability of the closed-loop system. The evolution of the proposed symmetric variable gain, given by Equation (23) with b = 400 × 10 10 , d = 50 , and μ = 0 , is shown in Figure 18.

6. Experimental Results

Based on the simulation results previously obtained, it is expected that the proposed symmetric variable gain sliding mode controller improves the closed-loop performance under Extreme Operating Gust (EOG) conditions. Nevertheless, despite the availability of a mathematical model, experimental implementations are inevitably affected by unmodeled dynamics, parameter uncertainties, sensor noise, and discretization effects. Consequently, discrepancies between simulation and experimental results may arise.
To experimentally validate the proposed control strategy, the results are organized into two test scenarios for clarity, following the same presentation adopted in the simulation results. In Scenario 1, a classical sliding mode controller with a constant gain was implemented. In Scenario 2, the same experimental test was repeated under identical operating conditions using the proposed symmetric variable gain sliding mode controller, as described in the control Algorithm 1’s pseudocode.
Algorithm 1 Control algorithm for comparative evaluation
Start:
1. Define the PWM switching frequency (20,000 Hz).
2. Initialize system variables and parameters.
3. Select test scenario (Scenario 1 or Scenario 2):
4. Measure the output voltage V o u t ( t ) and compute the error:
    e ( t ) = V r e f ( t ) V o u t ( t )
5. Apply the Alpha–Beta filter to reduce noise in e ( t ) and estimate
  its time derivative e ˙ ( t ) .
6. Compute the integral of the error.
7. Compute the sliding surface:
    s ( t ) = α e ( t ) + e ˙ ( t )
8. The duty cycle value D ( t ) is computed in the range [0, 1023].
9. Update the duty cycle in the PWM signal.
10. If t < test duration, return to Step 4.
11. End.
The control algorithm was executed with a fixed sampling period of 0.001 s. The output voltage of the buck converter was measured using a resistive voltage divider and acquired through the analog input of the Arduino Due. The control law was implemented within the main loop() function, ensuring real-time execution synchronized with the sampling period. Owing to the low computational complexity of the proposed controller, the execution time remained well below the sampling interval.
Using the experimental platform shown in Figure 6, the input voltage V i n ( t ) generated by the AC-DC rectifier under EOG conditions was obtained, as illustrated in Figure 8. The objective of the controller is to regulate the output voltage of the buck converter to a reference value of 12 V, which is commonly used in low-power applications such as battery chargers, portable electronic devices, and DC power supplies.

6.1. Scenario 1: Constant Gain Sliding Mode Controller

Once the sliding mode control algorithm was implemented, experimental tests were first conducted using a constant gain of K = 530 × 10 9 . Figure 19 shows the resulting PWM duty cycle generated by the control law in Equation (21). As expected for classical sliding mode control, the duty cycle exhibits high-frequency variations associated with the discontinuous control action.
Figure 20 presents the corresponding output voltage of the buck converter. Although the output voltage is successfully regulated around the reference value, noticeable voltage deviations are observed during the EOG event, indicating a degradation of regulation performance under severe input disturbances.
To quantitatively assess the regulation accuracy, the Root Mean Square Error (RMSE) was computed as
R M S E = 1 n i = 1 n e i 2
where n denotes the total number of experimental samples and e i represents the instantaneous voltage error. For the constant gain sliding mode controller, the obtained value is
R M S E S M K = 0.2724 V

6.2. Scenario 2: Symmetric Variable Gain Sliding Mode Controller

In Scenario 2, the classical constant gain was replaced by the proposed symmetric variable gain defined in Equation (23). The resulting PWM duty cycle is shown in Figure 21. Compared with Scenario 1, the duty cycle exhibits a smoother behavior, reflecting the variable nature of the gain, which increases during large deviations and decreases near steady-state operation.
The corresponding output voltage is shown in Figure 22. A clear improvement in voltage regulation can be observed during the EOG event, with reduced voltage ripple and smaller deviations from the reference value when compared to the constant gain case.
The RMSE obtained with the symmetric variable gain controller is
R M S E S M K ( t ) = 0.1564 V
Comparing both scenarios, the relative reduction in RMSE is given by
0.2724 0.1564 0.2724 = 0.4258
which corresponds to an improvement of approximately 42%. These results quantitatively demonstrate that the proposed symmetric variable gain enhances disturbance rejection and voltage regulation performance under EOG conditions.
Figure 23 shows the experimental evolution of the symmetric variable gain K ( t ) for b = 400 × 10 10 , d = 50 , and μ = 0 . The gain increases during transient disturbances and decreases during steady-state operation, confirming the intended variable behavior of the proposed control strategy.
Finally, to provide a comprehensive evaluation of the controllers, all performance metrics were computed using the experimental dataset. Table 2 summarizes the resulting performance indices for both control scenarios.

7. Discussion

From a comparative perspective, the main contribution of the proposed control strategy is the introduction of a symmetric variable gain sliding mode mechanism driven by the accumulated error, which ensures a balanced control response under both positive and negative disturbances. In contrast to previously reported variable gain sliding mode controllers that rely on heuristic tuning rules or asymmetric gain adaptation, the proposed approach increases the control effort only when significant deviations from the reference occur, such as those induced by Extreme Operating Gust (EOG) conditions.
Compared with other control strategies, such as fuzzy logic, adaptive, and artificial intelligence-based controllers, which often require training processes, extensive parameter tuning, or higher computational resources, the proposed method provides a deterministic control structure with low computational complexity. This characteristic makes it particularly suitable for real-time implementation in small wind turbine systems. Although an explicit parametric sensitivity analysis is not included in this work, sliding mode control is well known for its robustness against moderate parameter variations. Furthermore, the proposed variable gain mechanism dynamically adjusts the control effort according to the accumulated error, indirectly compensating for variations in the electrical parameters L, C, and R.
In buck converter applications, chattering may lead to increased output voltage ripple, higher switching losses, and additional electrical and thermal stress on both power semiconductor devices and passive components, ultimately reducing overall efficiency and long-term system reliability. Although the proposed symmetric variable gain strategy does not eliminate the chattering phenomenon, it reduces its amplitude, which contributes to lower output voltage ripple and improved output voltage regulation without compromising system robustness.
The main advantage of the symmetric variation of the sliding mode controller lies in its mathematical formulation, which explicitly defines the variable gain as a function of the accumulated error. This formulation ensures a uniform and balanced control response to both positive and negative disturbances, avoiding asymmetric gain amplification. As a result, the tuning process of the variable gain is simplified, since its evolution remains predictable and consistent over the entire operating range.
Finally, due to its robustness and low computational burden under fluctuating operating conditions, the proposed control strategy can be extended to standalone microgrids and hybrid renewable energy systems incorporating DC-DC power conversion stages. A systematic sensitivity analysis and broader system-level applications are considered as part of future work.

8. Conclusions

An experimental platform was developed to emulate the effect of Extreme Operating Gusts (EOGs) in a low-power wind turbine, enabling the experimental evaluation of their impact on the associated power electronic system, particularly the buck converter. This experimental approach represents a relevant contribution, as many related studies reported in the literature are limited to simulation-based validation.
The proposed control strategy incorporates a symmetric variable gain into the classical sliding mode control framework, allowing the control effort to be dynamically adjusted according to the accumulated error. Experimental results demonstrate that this approach improves output voltage regulation under EOG conditions when compared with a classical constant gain sliding mode controller. Although the proposed strategy does not eliminate the chattering phenomenon inherent to sliding mode control, it reduces its amplitude, leading to smoother control action and enhanced voltage regulation without compromising closed-loop stability or robustness.
Finally, the experimental validation confirms the practical feasibility and real-time implementability of the proposed controller for low-power wind turbine applications. Owing to its robustness, deterministic structure, and low computational complexity, the proposed strategy constitutes a suitable solution for power electronic systems operating under highly fluctuating and disturbed conditions. Future work will address a systematic parametric sensitivity analysis and the extension of the proposed approach to standalone microgrids and hybrid renewable energy systems.

Author Contributions

Conceptualization, E.C.-M., J.B.-O., E.D.-R., I.M.-D.L.S., H.F.A.-F., A.A.-B. and E.H.-M.; investigation, E.C.-M., J.B.-O., E.D.-R., I.M.-D.L.S., H.F.A.-F., A.A.-B. and E.H.-M.; resources, E.C.-M., J.B.-O., E.D.-R., I.M.-D.L.S., H.F.A.-F., A.A.-B. and E.H.-M.; writing—original draft preparation, E.C.-M., J.B.-O., E.D.-R., I.M.-D.L.S., H.F.A.-F., A.A.-B. and E.H.-M. All authors have read and agreed to the published version of the manuscript.

Funding

This research received no external funding.

Data Availability Statement

Data is contained within the article.

Conflicts of Interest

The authors declare no conflicts of interest.

Nomenclature

SymbolDescription
V i n ( t ) Input voltage of the buck converter (V)
V o u t ( t ) Output voltage of the buck converter (V)
V r e f ( t ) Reference output voltage (V)
i L ( t ) Inductor current (A)
LInductance of the buck converter (H)
CCapacitance of the buck converter (F)
RLoad resistance ( Ω )
D ( t ) PWM duty cycle
fSwitching frequency (Hz)
TSwitching period (s)
Δ V o u t Output voltage ripple (V)
Δ I o u t Inductor current ripple (A)
P l o a d Load power (W)
x 1 ( t ) Output voltage state variable, x 1 ( t ) = V o u t ( t )
x 2 ( t ) Derivative of output voltage, x 2 ( t ) = V ˙ o u t ( t )
e ( t ) Voltage error, e ( t ) = V r e f ( t ) V o u t ( t )
s ( t ) Sliding surface
α Sliding surface parameter ( α > 0 )
KConstant sliding mode gain
K ( t ) Symmetric variable sliding mode gain
bSaturation gain parameter
dThreshold defining constant gain region
μ Saturation exponent, μ [ 0 , 1 ]
u z Mean wind speed (m/s)
u max Maximum wind speed during gust (m/s)
u g Gust amplitude (m/s)
M E O G ( t ) Extreme Operating Gust wind speed profile (m/s)
RMSERoot Mean Square Error
MAEMean Absolute Error

References

  1. Wood, D. Small Wind Turbines: Analysis, Design, and Application; Springer: London, UK, 2011. [Google Scholar]
  2. Bashir, M.B.A. Principle parameters and environmental impacts that affect the performance of wind turbine: An overview. Arab. J. Sci. Eng. 2022, 47, 7891–7909. [Google Scholar] [CrossRef] [PubMed]
  3. Lumbreras, C.; Guerrero, J.M.; García, P.; Briz, F.; Reigosa, D.D. Control of a small wind turbine in the high wind speed region. IEEE Trans. Power Electron. 2014, 31, 4896–4903. [Google Scholar]
  4. Ye, S.; Zhou, D.; Yao, X.; Blaabjerg, F. Component-level reliability assessment of a direct-drive PMSG wind power converter considering thermal cycles and parameter sensitivity analysis. IEEE Trans. Power Electron. 2021, 36, 10037–10050. [Google Scholar] [CrossRef]
  5. Jaiswal, S.; Pahuja, G.L. Effect of reliability of wind power converters on productivity of wind turbines. In Proceedings of the 6th India International Conference on Power Electronics (IICPE), Kurukshetra, India, 8–10 December 2014. [Google Scholar]
  6. Zhou, K.; Cherukuru, N.; Sun, X.; Calhoun, R. Wind gust detection and impact prediction for wind turbines. Remote Sens. 2018, 10, 514. [Google Scholar] [CrossRef]
  7. El-Rafei, M.; Sherwood, S.; Evans, J.P.; Ji, F. Analysis of extreme wind gusts using a high-resolution Australian regional reanalysis. Weather Clim. Extrem. 2023, 39, 100537. [Google Scholar] [CrossRef]
  8. Hu, W.; Letson, F.; Barthelmie, R.J.; Pryor, S.C. Wind gust characterization at wind turbine relevant heights in moderately complex terrain. J. Appl. Meteorol. Climatol. 2018, 57, 1459–1476. [Google Scholar] [CrossRef]
  9. Xie, K.; Jiang, Z.; Li, W. Effect of wind speed on wind turbine power converter reliability. IEEE Trans. Energy Convers. 2012, 27, 96–104. [Google Scholar] [CrossRef]
  10. Teixeira, L.; Zhang, Y.; Kang, Y. Stability analysis of power systems with wind power under wind gust and short-circuit fault conditions. In Proceedings of the 4th International Conference on Electric Utility Deregulation and Restructuring and Power Technologies (DRPT), Weihai, China, 6–9 July 2011; pp. 1072–1075. [Google Scholar]
  11. Sharkey, F.; Bannon, E.; MacEnri, J.; Gaughan, K.; Conlon, M. Voltage flicker evaluation for wave energy converters assessment guidelines. In Proceedings of the ICOE, Dublin, Ireland, 19 October 2012. [Google Scholar]
  12. Fischer, K.; Pelka, K.; Puls, S.; Poech, M.-H.; Mertens, A.; Bartschat, A.; Tegtmeier, B.; Broer, C.; Wenske, J. Exploring the causes of power-converter failure in wind turbines based on comprehensive field data. Energies 2019, 12, 593. [Google Scholar] [CrossRef]
  13. Pande, J.; Nasikkar, P.; Kotecha, K.; Varadarajan, V. A review of maximum power point tracking algorithms for wind energy conversion systems. J. Mar. Sci. Eng. 2021, 9, 1187. [Google Scholar] [CrossRef]
  14. Sarvi, M.; Zohdi, H.Z. A comprehensive overview of DC–DC converter control methods and topologies in DC microgrids. Energy Sci. Eng. 2024, 12, 2017–2036. [Google Scholar] [CrossRef]
  15. Kumaraguruparan, S.; Elango, K. Optimal control strategies for high-efficiency non-isolated DC–DC buck converters in IoT applications. Heliyon 2024, 10, e38119. [Google Scholar] [CrossRef] [PubMed]
  16. Martínez-Vera, E.; Bañuelos-Sánchez, P.; Etcheverry, G. Comparative examination of control strategies in DC–DC power converters. J. Intell. Syst. Comput. 2023, 2, 82–98. [Google Scholar]
  17. Melicio, R.; Mendes, V.; Catalão, J. Modeling and simulation of wind energy systems with power converters. IEEE Lat. Am. Trans. 2009, 7, 78–84. [Google Scholar] [CrossRef]
  18. Morcillo, J.D.; Muñoz, J.G.; Olivar, G. Simulation and analysis of complex behaviors in a DC–DC buck converter. IEEE Lat. Am. Trans. 2021, 19, 68–74. [Google Scholar] [CrossRef]
  19. Campos-Mercado, E.; Mendoza-Santos, E.F.; Torres-Muñoz, J.A.; Román-Hernández, E.; Moreno-Oliva, V.I.; Hernández-Escobedo, Q.; Perea-Moreno, A.-J. Nonlinear controller for set-point regulation of a buck converter system. Energies 2021, 14, 5760. [Google Scholar] [CrossRef]
  20. Utkin, V.I. Sliding Modes in Control and Optimization; Springer: Berlin, Germany, 1992. [Google Scholar]
  21. IEC 61400-2; Wind Turbines—Part 2: Small Wind Turbines. IEC: Geneva, Switzerland, 2013.
  22. Kazimierczuk, M.K. Pulse-Width Modulated DC–DC Power Converters, 2nd ed.; Wiley: Hoboken, NJ, USA, 2015. [Google Scholar]
  23. Nettari, Y.; Kurt, S. Design of a non-singular robust control using synergetic theory for DC–DC buck converters. Electrica 2018, 18, 292–299. [Google Scholar] [CrossRef]
  24. Farrell, J.A.; Polycarpou, M.M. Adaptive Approximation Based Control; Wiley: Hoboken, NJ, USA, 2006. [Google Scholar]
  25. Campos, E.; Chemori, A.; Creuze, V.; Torres, J.; Lozano, R. Saturation-based nonlinear depth and yaw control of underwater vehicles. Mechatronics 2017, 45, 49–59. [Google Scholar] [CrossRef]
Figure 1. Taxonomy of the Extreme Operating Gust (EOG).
Figure 1. Taxonomy of the Extreme Operating Gust (EOG).
Symmetry 18 00305 g001
Figure 2. Wind speed recorded on 12 September 2017 at La Ventosa, Oaxaca, Mexico.
Figure 2. Wind speed recorded on 12 September 2017 at La Ventosa, Oaxaca, Mexico.
Symmetry 18 00305 g002
Figure 3. Extreme Operating Gust obtained from meteorological measurements.
Figure 3. Extreme Operating Gust obtained from meteorological measurements.
Symmetry 18 00305 g003
Figure 4. Measured Extreme Operating Gust and reconstructed EOG using the IEC-based model.
Figure 4. Measured Extreme Operating Gust and reconstructed EOG using the IEC-based model.
Symmetry 18 00305 g004
Figure 5. Overall drive-train topology of the small wind turbine system and power electronic interface.
Figure 5. Overall drive-train topology of the small wind turbine system and power electronic interface.
Symmetry 18 00305 g005
Figure 6. Experimental platform developed to emulate the effect of an EOG.
Figure 6. Experimental platform developed to emulate the effect of an EOG.
Symmetry 18 00305 g006
Figure 7. Extreme Operating Gust acting on a small wind turbine.
Figure 7. Extreme Operating Gust acting on a small wind turbine.
Symmetry 18 00305 g007
Figure 8. Produced signal of the high-power three-phase diode bridge rectifier MDS100A in the presence of an EOG.
Figure 8. Produced signal of the high-power three-phase diode bridge rectifier MDS100A in the presence of an EOG.
Symmetry 18 00305 g008
Figure 9. Topology of a buck converter system.
Figure 9. Topology of a buck converter system.
Symmetry 18 00305 g009
Figure 10. Buck converter implemented using an Arduino Due board.
Figure 10. Buck converter implemented using an Arduino Due board.
Symmetry 18 00305 g010
Figure 11. Output voltage ( V o u t ( t ) ) of buck converter in nominal conditions.
Figure 11. Output voltage ( V o u t ( t ) ) of buck converter in nominal conditions.
Symmetry 18 00305 g011
Figure 12. Output voltage ( V o u t ( t ) ) of the buck converter system in the presence of an EOG.
Figure 12. Output voltage ( V o u t ( t ) ) of the buck converter system in the presence of an EOG.
Symmetry 18 00305 g012
Figure 13. Buck converter system in closed-loop.
Figure 13. Buck converter system in closed-loop.
Symmetry 18 00305 g013
Figure 14. Simulated duty cycle of the PWM signal computed by the sliding mode controller given by Equation (21).
Figure 14. Simulated duty cycle of the PWM signal computed by the sliding mode controller given by Equation (21).
Symmetry 18 00305 g014
Figure 15. Simulation of the output voltage generated by the buck converter system implementing the sliding mode controller described by Equation (21) with a constant gain.
Figure 15. Simulation of the output voltage generated by the buck converter system implementing the sliding mode controller described by Equation (21) with a constant gain.
Symmetry 18 00305 g015
Figure 16. Simulated duty cycle of the PWM signal computed by the sliding mode controller using a symmetric variable gain.
Figure 16. Simulated duty cycle of the PWM signal computed by the sliding mode controller using a symmetric variable gain.
Symmetry 18 00305 g016
Figure 17. Simulation of the output voltage generated by the buck converter system implementing the sliding mode controller described by Equation (21) with a symmetric variable gain.
Figure 17. Simulation of the output voltage generated by the buck converter system implementing the sliding mode controller described by Equation (21) with a symmetric variable gain.
Symmetry 18 00305 g017
Figure 18. Simulated of the proposed symmetric variable gain K ( t ) given by Equation (23).
Figure 18. Simulated of the proposed symmetric variable gain K ( t ) given by Equation (23).
Symmetry 18 00305 g018
Figure 19. Experimental results of the PWM duty cycle computed by the sliding mode controller given by Equation (21) with a constant gain.
Figure 19. Experimental results of the PWM duty cycle computed by the sliding mode controller given by Equation (21) with a constant gain.
Symmetry 18 00305 g019
Figure 20. Experimental results of the output voltage generated by the buck converter system implementing the sliding mode controller described by Equation (21) with a constant gain.
Figure 20. Experimental results of the output voltage generated by the buck converter system implementing the sliding mode controller described by Equation (21) with a constant gain.
Symmetry 18 00305 g020
Figure 21. Experimental results of the PWM duty cycle computed by the sliding mode controller given by Equation (21) with a symmetric variable gain.
Figure 21. Experimental results of the PWM duty cycle computed by the sliding mode controller given by Equation (21) with a symmetric variable gain.
Symmetry 18 00305 g021
Figure 22. Experimental results of the output voltage generated by the buck converter system implementing the sliding mode controller described by Equation (21) with a symmetric variable gain.
Figure 22. Experimental results of the output voltage generated by the buck converter system implementing the sliding mode controller described by Equation (21) with a symmetric variable gain.
Symmetry 18 00305 g022
Figure 23. Experimental results of the symmetric variable gain described by Equation (23).
Figure 23. Experimental results of the symmetric variable gain described by Equation (23).
Symmetry 18 00305 g023
Table 1. Technical specifications of the buck converter.
Table 1. Technical specifications of the buck converter.
ParameterSymbolValueUnit
Input voltage V i n ( t ) 40V
Output voltage V o u t ( t ) 12V
Maximum load power P l o a d 30W
Switching frequencyf20kHz
Inductor current ripple Δ I o u t 0.2 I o u t ( t ) A
Output voltage ripple Δ V o u t 0.1V
Table 2. Quantitative performance metrics computed from experimental dataset.
Table 2. Quantitative performance metrics computed from experimental dataset.
MetricConstant GainVariable Gain
Root Mean Squared Error (RMSE) [V]0.27240.1564
Mean Absolute Error (MAE) [V]0.21530.1319
RMS Ripple Voltage [V]0.21990.1552
Maximum Overshoot [%]11.834.17
Average Steady-State Error [V]−0.1605−0.0136
Disclaimer/Publisher’s Note: The statements, opinions and data contained in all publications are solely those of the individual author(s) and contributor(s) and not of MDPI and/or the editor(s). MDPI and/or the editor(s) disclaim responsibility for any injury to people or property resulting from any ideas, methods, instructions or products referred to in the content.

Share and Cite

MDPI and ACS Style

Campos-Mercado, E.; Benitez-Ovando, J.; Dueñas-Reyes, E.; Montoya-De Los Santos, I.; Abundis-Fong, H.F.; Acosta-Banda, A.; Hernández-Mayoral, E. A Symmetric Variable Gain for a Sliding Mode Controller Applied to a Power Converter System in a Small Wind Turbine. Symmetry 2026, 18, 305. https://doi.org/10.3390/sym18020305

AMA Style

Campos-Mercado E, Benitez-Ovando J, Dueñas-Reyes E, Montoya-De Los Santos I, Abundis-Fong HF, Acosta-Banda A, Hernández-Mayoral E. A Symmetric Variable Gain for a Sliding Mode Controller Applied to a Power Converter System in a Small Wind Turbine. Symmetry. 2026; 18(2):305. https://doi.org/10.3390/sym18020305

Chicago/Turabian Style

Campos-Mercado, Eduardo, Jonathan Benitez-Ovando, Efraín Dueñas-Reyes, Isaac Montoya-De Los Santos, Hugo Francisco Abundis-Fong, Adán Acosta-Banda, and Emmanuel Hernández-Mayoral. 2026. "A Symmetric Variable Gain for a Sliding Mode Controller Applied to a Power Converter System in a Small Wind Turbine" Symmetry 18, no. 2: 305. https://doi.org/10.3390/sym18020305

APA Style

Campos-Mercado, E., Benitez-Ovando, J., Dueñas-Reyes, E., Montoya-De Los Santos, I., Abundis-Fong, H. F., Acosta-Banda, A., & Hernández-Mayoral, E. (2026). A Symmetric Variable Gain for a Sliding Mode Controller Applied to a Power Converter System in a Small Wind Turbine. Symmetry, 18(2), 305. https://doi.org/10.3390/sym18020305

Note that from the first issue of 2016, this journal uses article numbers instead of page numbers. See further details here.

Article Metrics

Back to TopTop