Mechanical Behavior and Bearing Capacity Calculation of Ultra-High Performance Concrete (UHPC)-Reinforced Tunnel Linings
Abstract
1. Introduction
2. Reinforcement Mechanism
3. Numerical Analysis
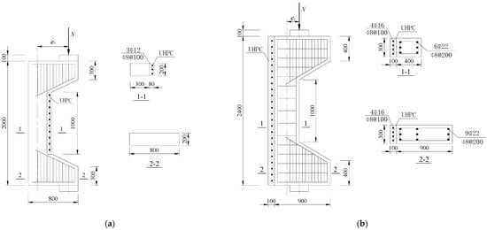
3.1. Specimen Design
3.2. Finite Element Model
3.3. Material Properties
3.4. Failure Modes
3.5. Load-Displacement Curves
4. Calculation of Load-Bearing Capacity
4.1. Assumptions
- The cross-section of a structure remains approximately planar after experiencing force-induced deformation, with strain varying linearly along the height of the section.
- The steel bars remain bonded to the concrete or UHPC without relative slippage [40].
- The UHPC reinforcing layer has no relative displacement with the concrete column, and they always remain closely adhered.
- When considering the effects of secondary loading, the lagging strain in the UHPC should be determined based on the initial state of the column before reinforcement.
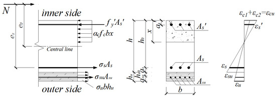
- To facilitate the calculation, the tensile stress of concrete is neglected, and the stress–strain relationship of concrete in the compression zone is simplified, as shown in Figure 5 and Equation (1) [36].where is the compressive strain of concrete. is the compressive stress of concrete corresponding to . Ec is the elastic modulus of concrete. is the uniaxial compressive strength of concrete. is the compressive strain of concrete corresponding to . is the ultimate strain of concrete under compression.
- In the ultimate limit state, an equivalent coefficient αc is introduced to take the stress distribution of concrete in the compression zone as a rectangular distribution while ignoring the stress in the tension zone of the concrete.
- The mechanical behavior of UHPC before reaching its peak strength is modeled as a linear elastic stress–strain relationship. After UHPC attains its ultimate tensile stress, the embedded steel fibers can still provide residual tensile resistance. For safety considerations, the post-peak descending branches are neglected in this analysis. The stress–strain relationship of UHPC is illustrated in Figure 6 and described by Equations (2) and (3) [38,41].
4.2. Failure Modes
4.3. Theoretical Derivation
4.3.1. Bearing Capacity of the NCU Column
- Outer-side reinforcement
- 2.
- Inner-side reinforcement
4.3.2. Bearing Capacity of the RCU Column
- Outer-side reinforcement
- 2.
- Inner-side reinforcement
4.4. Formulas Verification
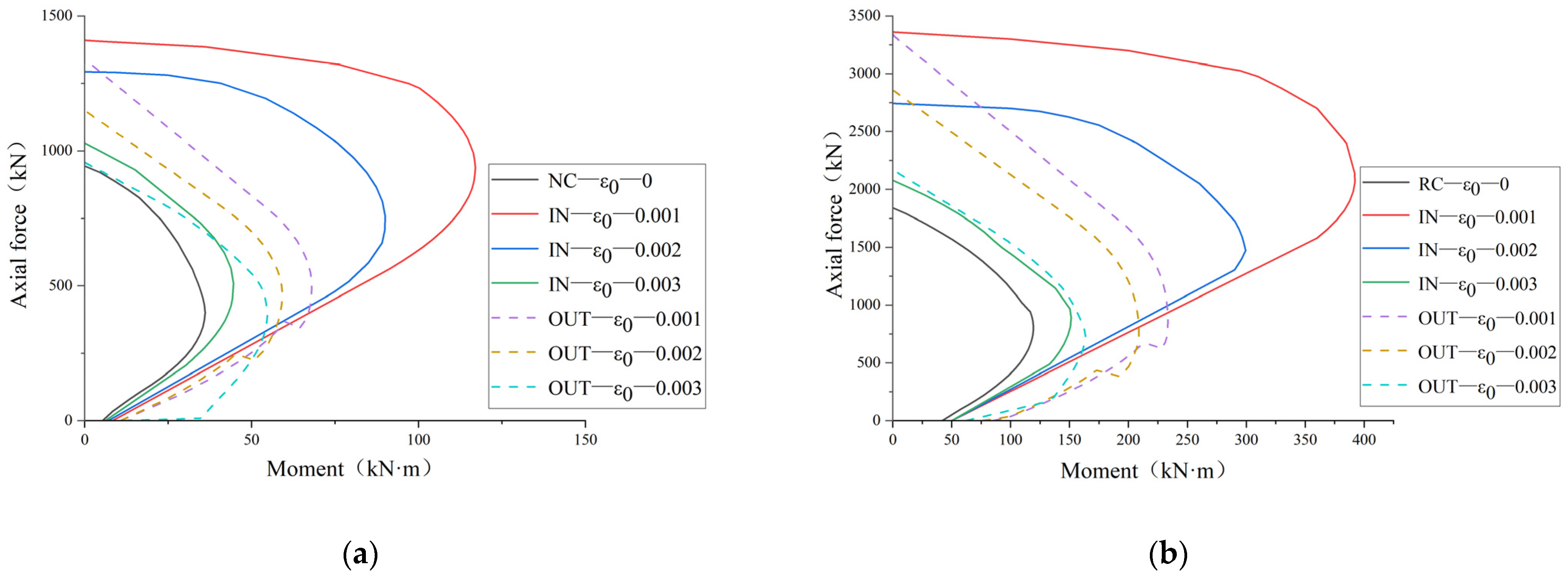
5. Parametric Analysis
5.1. Reinforcement Layer Thickness
5.2. Reinforcement Ratio
5.3. UHPC Strength
5.4. Initial Strain
6. Discussion
7. Conclusions
- (1)
- The study found that UHPC reinforcement significantly enhanced the ultimate bearing capacity of both normal concrete (NC) and reinforced concrete (RC) columns. The improvements ranged from 84% to 184.6% for NC columns and 38.3% to 286.5% for RC columns compared to unreinforced specimens. This enhancement is attributed to the superior mechanical properties of UHPC, which effectively redistributes stress and delays crack propagation.
- (2)
- UHPC-reinforced specimens exhibited enhanced stiffness and superior ductility, maintaining deformation capacity at higher load levels. This is due to the effective stress redistribution provided by the reinforcement system, which allows the structure to better resist deformation and maintain structural integrity under load.
- (3)
- Theoretical formulas for the bearing capacity of UHPC-reinforced eccentric columns under secondary loading were derived using the plane section assumption and stress diagram equivalence method. These formulas were validated through numerical simulations, with deviations maintained within 10%. This consistency confirms the reliability of the theoretical models and their applicability for engineering design.
- (4)
- Secondary loading significantly influences the ultimate load-bearing capacity of UHPC-reinforced columns. As initial strain increases, the reinforcement layer faces greater challenges in providing resistance through subsequent deformation. Excessive initial strain reduces the bearing capacity improvement and compromises reinforcement effectiveness. This highlights the importance of controlling initial strain to maximize reinforcement benefits.
- (5)
- When eccentricity exceeds a certain threshold, UHPC may crack or fail to reach its ultimate strength, diminishing its reinforcement effect. Conversely, for small eccentricities (less than 0.5 h), UHPC exhibits significant reinforcement effectiveness, especially for internally reinforced columns, which show much higher ultimate bearing capacity than externally reinforced ones. This suggests that internal reinforcement is more effective for small eccentricities.
- (6)
- The bearing capacity of eccentrically loaded columns increases with the thickness, strength, and reinforcement ratio of the UHPC layer. Specifically, increasing the thickness of the UHPC layer significantly enhances bearing capacity. While higher UHPC strength also improves capacity, excessively high strength may lead to underutilization and material waste. A moderate reinforcement ratio is recommended for practical applications, with additional FRP bars or thin steel plates suggested for localized reinforcement when greater resistance is needed.
- (7)
- Tunnel linings typically experience compression and bending with small eccentricities (less than 0.5 h). The study demonstrates that a thin UHPC arch reinforcement can significantly enhance the load-bearing capacity of lining structures and effectively control tunnel deformation. This makes UHPC a promising material for tunnel reinforcement, offering both theoretical and practical validation for its use in engineering applications.
Author Contributions
Funding
Data Availability Statement
Conflicts of Interest
References
- Ye, F.; Qin, N.; Liang, X.; Ouyang, A.; Qin, Z.; Su, E. Analyses of the defects in highway tunnels in China. Tunn. Undergr. Space Technol. 2021, 107, 103658. [Google Scholar] [CrossRef]
- Xu, G.; Gutierrez, M. Study on the damage evolution in secondary tunnel lining under the combined actions of corrosion degradation of preliminary support and creep deformation of surrounding rock. Transp. Geotech. 2021, 27, 100501. [Google Scholar] [CrossRef]
- Ai, Q.; Yuan, Y.; Shen, S.L.; Wang, H.; Huang, X. Investigation on inspection scheduling for the maintenance of tunnel with different degradation modes. Tunn. Undergr. Space Technol. 2020, 106, 103589. [Google Scholar] [CrossRef]
- Jiang, Y.; Wang, L.; Zhang, B.; Dai, X.; Ye, J.; Sun, B.; Zhao, Y. Tunnel lining detection and retrofitting. Autom. Constr. 2023, 152, 104881. [Google Scholar] [CrossRef]
- Miliziano, S.; de Lillis, A.; Santarelli, S. Maintenance and refurbishment of existing tunnels. In Handbook on Tunnels and Underground Works; CRC Press: Boca Raton, FL, USA, 2022; pp. 333–350. [Google Scholar]
- Sharma, R.; Jang, J.G.; Bansal, P.P. A comprehensive review on effects of mineral admixtures and fibers on engineering properties of ultra-high-performance concrete. J. Build. Eng. 2022, 45, 103314. [Google Scholar] [CrossRef]
- Sohail, M.G.; Wang, B.; Jain, A.; Kahraman, R.; Ozerkan, N.G.; Gencturk, B.; Belarbi, A. Advancements in concrete mix designs: High-performance and ultrahigh-performance concretes from 1970 to 2016. J. Mater. Civ. Eng. 2018, 30, 04017310. [Google Scholar] [CrossRef]
- Akhnoukh, A.K.; Buckhalter, C. Ultra-high-performance concrete: Constituents, mechanical properties, applications and current challenges. Case Stud. Constr. Mater. 2021, 15, e00559. [Google Scholar] [CrossRef]
- Shafieifar, M.; Farzad, M.; Azizinamini, A. Experimental and numerical study on mechanical properties of Ultra High Performance Concrete (UHPC). Constr. Build. Mater. 2017, 156, 402–411. [Google Scholar] [CrossRef]
- Azmee, N.M.; Shafiq, N. Ultra-high performance concrete: From fundamental to applications. Case Stud. Constr. Mater. 2018, 9, e00197. [Google Scholar] [CrossRef]
- Prem, P.R.; Bharatkumar, B.H.; Iyer, N.R. Mechanical properties of ultra high performance concrete. World Acad. Sci. Eng. Technol. 2012, 68, 1969–1978. [Google Scholar]
- Tayeh, B.A.; Abu Bakar, B.H.; Megat Johari, M.A. Characterization of the interfacial bond between old concrete substrate and ultra high performance fiber concrete repair composite. Mater. Struct. 2013, 46, 743–753. [Google Scholar] [CrossRef]
- Feng, S.; Xiao, H.; Ma, M.; Zhang, S. Experimental study on bonding behaviour of interface between UHPC and concrete substrate. Constr. Build. Mater. 2021, 311, 125360. [Google Scholar] [CrossRef]
- Semendary, A.A.; Svecova, D. Factors affecting bond between precast concrete and cast in place ultra high performance concrete (UHPC). Eng. Struct. 2020, 216, 110746. [Google Scholar] [CrossRef]
- Valikhani, A.; Jahromi, A.J.; Mantawy, I.M.; Azizinamini, A. Experimental evaluation of concrete-to-UHPC bond strength with correlation to surface roughness for repair application. Constr. Build. Mater. 2020, 238, 117753. [Google Scholar] [CrossRef]
- Park, J.S.; Kim, Y.J.; Cho, J.R.; Jeon, S.J. Early-age strength of ultra-high performance concrete in various curing conditions. Materials 2015, 8, 5537–5553. [Google Scholar] [CrossRef]
- He, Z.H.; Jiang, Y.Y.; Shi, J.Y.; Qin, J.; Liu, D.E.; Yalçınkaya, Ç.; He, Y.F. Effect of silica fume on the performance of high-early-strength UHPC prepared with magnesium ammonium phosphate cement. Case Stud. Constr. Mater. 2024, 20, e03351. [Google Scholar] [CrossRef]
- Keke, L.; Yong, L.; Liuliu, X.; Junjie, Z.; Kangning, L.; Dingqiang, F.; Rui, Y. Rheological characteristics of Ultra-High performance concrete (UHPC) incorporating bentonite. Constr. Build. Mater. 2022, 349, 128793. [Google Scholar] [CrossRef]
- Hung, C.C.; El-Tawil, S.; Chao, S.H. A review of developments and challenges for UHPC in structural engineering: Behavior, analysis, and design. J. Struct. Eng. 2021, 147, 03121001. [Google Scholar] [CrossRef]
- Xiao, J.L.; Yang, T.Y.; Nie, X.; Li, B.Y.; Fan, J.S.; Shu, B.A. Experimental and numerical investigation on mechanical performance of continuous steel-UHPC composite slabs. Eng. Struct. 2022, 270, 114804. [Google Scholar] [CrossRef]
- Tayeh, B.A.; Bakar, B.H. Ultra-High-Performance Concrete (UHPC)-Applications Worldwide: A State-of-the-Art Review. J. Eng. Res. Technol. 2023, 10. [Google Scholar]
- Menétrey, P. UHPFRC cladding for the Qatar National Museum. In Proceedings of the International Symposium on Ultra-High Performance Fiber-Reinforced Concrete, Marseille, France, 21–23 October 2013; pp. 1–3. [Google Scholar]
- Abdal, S.; Mansour, W.; Agwa, I.; Nasr, M.; Abadel, A.; Onuralp Özkılıç, Y.; Akeed, M.H. Application of ultra-high-performance concrete in bridge engineering: Current status, limitations, challenges, and future prospects. Buildings 2023, 13, 185. [Google Scholar] [CrossRef]
- Mathern, A.; von der Haar, C.; Marx, S. Concrete support structures for offshore wind turbines: Current status, challenges, and future trends. Energies 2021, 14, 1995. [Google Scholar] [CrossRef]
- Tan, L.B.; Hafezolghorani, M.; Mohamed, A.; Ghaedi, K.; Voo, T.L. Utilizing Ultra-High Performance Concrete Overlay for Road Pavement Repair and Strengthening Applications. Adv. Technol. Innov. 2023, 8, 290–302. [Google Scholar] [CrossRef]
- Zeng, J.J.; Hao, Z.H.; Sun, H.Q.; Zeng, W.B.; Fan, T.H.; Zhuge, Y. Durability assessment of ultra-high-performance concrete (UHPC) and FRP grid-reinforced UHPC plates under marine environments. Eng. Struct. 2025, 323, 119313. [Google Scholar] [CrossRef]
- Zeng, J.J.; Zeng, W.B.; Ye, Y.Y.; Liao, J.; Zhuge, Y.; Fan, T.H. Flexural behavior of FRP grid reinforced ultra-high-performance concrete composite plates with different types of fibers. Eng. Struct. 2022, 272, 115020. [Google Scholar] [CrossRef]
- Lu, Z.; Feng, Z.G.; Yao, D.; Li, X.; Jiao, X.; Zheng, K. Bonding performance between ultra-high performance concrete and asphalt pavement layer. Constr. Build. Mater. 2021, 312, 125375. [Google Scholar] [CrossRef]
- Abbas, S.; Nehdi, M.L. Mechanical behavior of ultrahigh-performance concrete tunnel lining segments. Materials 2021, 14, 2378. [Google Scholar] [CrossRef] [PubMed]
- Wang, Z.; Fei, J.; Ma, W.; Chen, X. Full-scale loading experiments on performance of UHPC joints for prefabricated mountain tunnel. Tunn. Undergr. Space Technol. 2023, 131, 104784. [Google Scholar] [CrossRef]
- Cheng, Q.; Li, Z.; Deng, S.; Jiang, H.; Tian, Y.; Geng, J. Full-scale experimental study on flexural performance of the new precast UHPC diaphragm slab in utility tunnels. Buildings 2023, 13, 1349. [Google Scholar] [CrossRef]
- Chen, R.P.; Fan, M.; Cheng, H.Z.; Wu, H.N.; Zhang, Y.; Ruan, S.Q.; Gao, B.Y. Experimental and analytical study on the mechanical response of shield tunnel segmental linings strengthened by a steel-UHPC composite. Tunn. Undergr. Space Technol. 2024, 150, 105824. [Google Scholar] [CrossRef]
- Gao, B.Y.; Chen, R.P.; Wu, H.N.; Chen, T.; Zhang, Y. Enhancement mechanism of UHPC secondary lining on the mechanical performance at joints of shield tunnels: Full-scale experiment and simulation. Tunn. Undergr. Space Technol. 2025, 157, 106282. [Google Scholar] [CrossRef]
- Luo, X.; Zhang, S.; Li, A.; Zhang, C.; Zhang, Y. Reinforcement effects on tensile behavior of ultra-high-performance concrete (UHPC) with low steel fiber volume fractions. Materials 2024, 17, 2418. [Google Scholar] [CrossRef] [PubMed]
- Zeng, J.J.; Guo, Y.C.; Liao, J.; Shi, S.W.; Bai, Y.L.; Zhang, L. Behavior of hybrid PET FRP confined concrete-filled high-strength steel tube columns under eccentric compression. Case Stud. Constr. Mater. 2022, 16, e00967. [Google Scholar] [CrossRef]
- GB50010; Code for Design of Concrete Structures. Ministry of Housing and Urban-Rural Development of the People’s Republic of China: Beijing, China; China Architecture and Building Press: Beijing, China, 2010.
- GB/T50010; Code for Design of Concrete Structures. Ministry of Housing and Urban-Rural Development of the People’s Republic of China: Beijing, China; China Architecture and Building Press: Beijing, China, 2010.
- T/CCES; Technical Specification for Ultra-High Performance Concrete Girder Bridge. China Civil Engineering Society: Beijing, China; Architecture and Building Press: Beijing, China, 2021.
- Lin, Z.Y. Performance Study of Partially Reinforced Prefabricated Concrete Columns with UHPC Shell. Master’s Thesis, Southeast University, Nanjing, China, 2022. [Google Scholar]
- Zhang, D.; Ma, X.; Shen, H.; Guo, S.; Liu, C. Analysis of Structural Parameters of Steel–NC–UHPC Composite Beams. Materials 2023, 16, 5586. [Google Scholar] [CrossRef]
- Zhu, Y.; Zhang, Y.; Hussein, H.H.; Chen, G. Flexural strengthening of reinforced concrete beams or slabs using ultra-high performance concrete (UHPC): A state of the art review. Eng. Struct. 2020, 205, 110035. [Google Scholar] [CrossRef]














| Schemes | Eccentrically Loaded Column | Reinforcement Layer | Loading Condition | |||||
|---|---|---|---|---|---|---|---|---|
| Cross- Section (b × h) (mm2) | Bars/ HRB400 | Thickness hu (mm) | Bars/ HRB400 | e0 (mm) | △Dinitial (mm) | |||
| No. | Dia. (mm) | No. | Dia. (mm) | |||||
| NC-180 | 200 × 300 | — | — | — | — | — | 180 | — |
| NC-500 | 200 × 300 | — | — | — | — | — | 500 | — |
| NCU-OUT-180 | 200 × 300 | — | — | 30 | 3 | 6 | 180 | 0.55 |
| NCU-OUT-500 | 200 × 300 | — | — | 30 | 3 | 6 | 500 | 0.50 |
| NCU-IN-180 | 200 × 300 | — | — | 30 | 3 | 6 | 180 | 0.55 |
| NCU-IN-500 | 200 × 300 | — | — | 30 | 3 | 6 | 500 | 0.50 |
| RC-200 | 300 × 400 | 6 | 12 | — | — | — | 200 | — |
| RC-550 | 300 × 400 | 6 | 12 | — | — | — | 550 | — |
| RCU-OUT-200 | 300 × 400 | 6 | 12 | 50 | 4 | 10 | 200 | 0.70 |
| RCU-OUT-550 | 300 × 400 | 6 | 12 | 50 | 4 | 10 | 550 | 0.50 |
| RCU-IN-200 | 300 × 400 | 6 | 12 | 50 | 4 | 10 | 200 | 0.70 |
| RCU-IN-550 | 300 × 400 | 6 | 12 | 50 | 4 | 10 | 550 | 0.50 |
| Material | Grade | E | ν | ρ | ψ | ξ | Kc | μ | ||||
|---|---|---|---|---|---|---|---|---|---|---|---|---|
| GPa | kg·m−3 | MPa | MPa | MPa | ° | |||||||
| UHPC | UC120 | 41.9 | 0.2 | 2600 | — | 6 | 84 | 15 | 0.1 | 1.16 | 0.6667 | 0.0005 |
| Concrete | C25 | 28 | 0.2 | 2400 | — | 1.78 | 16.7 | 30 | 0.1 | 1.16 | 0.6667 | 0.0005 |
| Hoop bars | HPB300 | 210 | 0.3 | 7850 | 300 | — | — | — | — | — | — | — |
| Longitudinal bars | HPB400 | 200 | 0.3 | 7850 | 400 | — | — | — | — | — | — | — |
| Loading Phase | Loading Position | ||||
| e0 = 180 mm | |||||
| Phase I | △Dinitial = 0.55 mm | ||||
![]() | ![]() | ||||
| DAMAGET | DAMAGEC | ||||
| A high compressive stress is observed on the inner side at the middle of the column, whereas no cracks are present on the outer side. | |||||
| Phase II | Unreinforced | ![]() | ![]() | ||
| DAMAGET | DAMAGEC | ||||
| The concrete is crushed at 1/3 and 2/3 of the column’s height, with concrete splitting occurring from both the upper and lower pads into the column body. | |||||
| Loading Phase | Loading Position | ||||
| e0 = 180 mm | |||||
| Phase II | Reinforced | ![]() | ![]() | ![]() | ![]() |
| DAMAGET | DAMAGEC | DAMAGET | DAMAGEC | ||
| Inner-side reinforcement | Outer-side reinforcement | ||||
| The inner concrete of the column body experiences crushing and cracking, with the upper and lower ends of the internal UHPC reinforcement layer being crushed. | The concrete is crushed from the inner side to the outer at 1/3 and 2/3 of the column’s height, with severe concrete splitting from both the pads into the column body. The UHPC exhibits tensile stress without any signs of cracking. | ||||
| Loading Phase | Loading Position | ||||
| e0 = 500 mm | |||||
| Phase I | △Dinitial = 0.5 mm | ||||
![]() | ![]() | ||||
| DAMAGET | DAMAGEC | ||||
| Several horizontal micro cracks appear at a height of 1/3 to 2/3 on the outer side of the column, and compressive stress appears on the inner side of the column. | |||||
| Phase II | Unreinforced | ![]() | ![]() | ||
| DAMAGET | DAMAGEC | ||||
| A few sparse cracks appear on the outer side of the column body and quickly extend inward, whereas the concrete on the inner side is crushed. | |||||
| Loading Phase | Loading Position | ||||
| e0 = 180 mm | |||||
| Phase II | Reinforced | ![]() | ![]() | ![]() | ![]() |
| DAMAGET | DAMAGEC | DAMAGET | DAMAGEC | ||
| Inner-side reinforcement | Outer-side reinforcement | ||||
| As the load increases, the cracks begin to interconnect, and sparse cracks initially appear on the outer side of the column. Later, the cracks slowly extend to the interface and then further develop from the interface towards the outer side at 1/3 and 2/3 of the height, causing dense cracks. Until final failure, the UHPC has not reached its ultimate compressive stress. | Cracks successively appear on the outer side of the column; they are densely distributed and slowly extend inward. At the locations of the column cracks, the outer UHPC also develops some cracks. A small area of crushing occurs near the lower bracket on the inner side of the column. | ||||
| Loading Phase | Loading Position | ||||
| e0 = 200 mm | |||||
| Phase I | △Dinitial = 0.70 mm | ||||
![]() | ![]() | ||||
| DAMAGET | DAMAGEC | ||||
| A high compressive stress was observed on the inner side of the column, with no cracks present on the outer surface. | |||||
| Phase II | Unreinforced | ![]() | ![]() | ||
| DAMAGET | DAMAGEC | ||||
| Fine and shallow cracks appear on the outer side of the column body. The concrete in the middle of the column collapses, developing from the inner side towards the outer side, and eventually about 3/4 of the cross-sectional area of the column is crushed. | |||||
| Loading Phase | Loading Position | ||||
| e0 = 200 mm | |||||
| Phase II | Reinforced | ![]() | ![]() | ![]() | ![]() |
| DAMAGET | DAMAGEC | DAMAGET | DAMAGEC | ||
| Inner-side reinforcement | Outer-side reinforcement | ||||
| The concrete in the middle of the column is crushed, accompanied by splitting on the inner side. Additionally, compression failure occurs in the UHPC near the brackets. | The concrete in the middle of the column is completely crushed. Tensile failure occurs at both the upper and lower ends of the interface. However, the UHPC reinforcement layer remains undamaged. | ||||
| Loading Phase | Loading Position | ||||
| e0 = 550 mm | |||||
| Phase I | ΔDinitial = 0.50 mm | ||||
![]() | ![]() | ||||
| DAMAGET | DAMAGEC | ||||
| Multiple minor cracks appear on the outside of the column body, while the compressive stress on the inner side is relatively low. | |||||
| Phase II | Unreinforced | ![]() | ![]() | ||
| DAMAGET | DAMAGEC | ||||
| Multiple roughly equidistant horizontal cracks successively appear on the outer side of the column from the middle towards both ends and then propagate inward. The concrete on the inner side reaches its peak compressive stress, resulting in compression failure. | |||||
| Loading Phase | Loading Position | ||||
| e0 = 550 mm | |||||
| Phase II | Reinforced | ![]() | ![]() | ![]() | ![]() |
| DAMAGET | DAMAGEC | DAMAGET | DAMAGEC | ||
| Inner-side reinforcement | Outer-side reinforcement | ||||
| Multiple approximately equidistant horizontal cracks initially appear on the outer side of the column and propagate inward toward the interface. The auxiliary brackets experience slight crushing at their corners. However, the UHPC’s compressive stress remains substantially lower than its ultimate strength, with no observable signs of distress or damage. | As the load increases, the cracks begin to interconnect, and numerous closely distributed cracks appear on the outer side of the column. At the positions where the column cracks occur, some cracks in the outer UHPC also develop from the interface to the outer side. Meanwhile, the concrete on the inner side of the column is crushed. | ||||
| Outer-Side Reinforcement | Inner-Side Reinforcement | ||
|---|---|---|---|
| Large Eccentricity | Small Eccentricity | Large Eccentricity | Small Eccentricity |
The concrete on the unreinforced side reaches the ultimate compressive strain εcu, and the concrete on the reinforced side cracks. The following conditions may occur for the UHPC reinforcing layer:
| The concrete on the unreinforced side reaches the ultimate compressive strain εcu. The concrete, UHPC, and steel bars on the reinforced side are all under compression. | UHPC reaches the ultimate compressive strain εcu, and the steel bar reaches the yield strength fy. The concrete near the reinforcing layer is crushed, and the concrete on the unreinforced side cracks. | UHPC reaches the ultimate compressive strain εcu, and the steel bar reaches the yield strength fy. The concrete near UHPC is crushed, and the concrete on the unreinforced side is not cracked. |
| Outer-Side Reinforcement | Inner-Side Reinforcement | ||
|---|---|---|---|
| Large Eccentricity | Small Eccentricity | Large Eccentricity | Small Eccentricity |
The concrete on the unreinforced side reaches the ultimate compressive strain εcu, and the steel bar reaches the yield strength fy. The concrete on the reinforced side cracks. The following conditions may occur for the UHPC reinforcing layer:
| On the unreinforced side, the concrete reaches the ultimate compressive strain εcu, and the steel bar reaches the yield strength fy. The concrete, UHPC, and steel bars on the reinforced side are all under compression. | For the reinforcing layer, UHPC reaches the ultimate compressive strain εcu, and the steel bar reaches the yield strength fy. For the original column, the concrete near the reinforcing layer is crushed, and the steel bars reach the yield strength fy; the concrete on the unreinforced side cracks, and the steel bars reach the yield strength fy. | For the reinforcing layer, UHPC reaches the ultimate compressive strain εcu, and the steel bar reaches the yield strength fy. For the original column, the concrete near the reinforcing layer is crushed, and the steel bars reach the yield strength fy; the concrete and steel bars on the unreinforced side are all under compression. |
| Column Number | ε1 | Theoretical Values | Numerical Values | (MNUM-MTHE)/MNUM (%) |
|---|---|---|---|---|
| (MTHE/kNm) | (MNUM/kNm) | |||
| NCU-OUT-180 | 0.00012 | 313.4 | 331.9 | 8.14% |
| NCU-IN-180 | 0.00012 | 551.6 | 612.5 | 9.23% |
| NCU-OUT-500 | 0.00007 | 86.4 | 94.3 | 9.14% |
| NCU-IN-500 | 0.00007 | 53.1 | 56.8 | 6.97% |
| RCU-OUT-200 | 0.00016 | 1155.1 | 1209.3 | 4.69% |
| RCU-IN-200 | 0.00016 | 1966.8 | 2011.4 | 6.34% |
| RCU-OUT-500 | 0.00005 | 280.7 | 299.2 | 6.59% |
| RCU-IN-500 | 0.00005 | 157.3 | 166.8 | 6.04% |
Disclaimer/Publisher’s Note: The statements, opinions and data contained in all publications are solely those of the individual author(s) and contributor(s) and not of MDPI and/or the editor(s). MDPI and/or the editor(s) disclaim responsibility for any injury to people or property resulting from any ideas, methods, instructions or products referred to in the content. |
© 2025 by the authors. Licensee MDPI, Basel, Switzerland. This article is an open access article distributed under the terms and conditions of the Creative Commons Attribution (CC BY) license (https://creativecommons.org/licenses/by/4.0/).
Share and Cite
Luo, L.; Liu, H.; Hu, H.; Chen, T.; Lei, G. Mechanical Behavior and Bearing Capacity Calculation of Ultra-High Performance Concrete (UHPC)-Reinforced Tunnel Linings. Symmetry 2025, 17, 1493. https://doi.org/10.3390/sym17091493
Luo L, Liu H, Hu H, Chen T, Lei G. Mechanical Behavior and Bearing Capacity Calculation of Ultra-High Performance Concrete (UHPC)-Reinforced Tunnel Linings. Symmetry. 2025; 17(9):1493. https://doi.org/10.3390/sym17091493
Chicago/Turabian StyleLuo, Lina, Hui Liu, Haibo Hu, Tehan Chen, and Gang Lei. 2025. "Mechanical Behavior and Bearing Capacity Calculation of Ultra-High Performance Concrete (UHPC)-Reinforced Tunnel Linings" Symmetry 17, no. 9: 1493. https://doi.org/10.3390/sym17091493
APA StyleLuo, L., Liu, H., Hu, H., Chen, T., & Lei, G. (2025). Mechanical Behavior and Bearing Capacity Calculation of Ultra-High Performance Concrete (UHPC)-Reinforced Tunnel Linings. Symmetry, 17(9), 1493. https://doi.org/10.3390/sym17091493

































