Next Article in Journal
Vehicle Motion State Recognition Method Based on Hidden Markov Model and Support Vector Machine
Previous Article in Journal
Existence of Blow-Up Solution to the Cauchy Problem of Inhomogeneous Damped Wave Equation
 
 
Font Type:
Arial Georgia Verdana
Font Size:
Aa Aa Aa
Line Spacing:
Column Width:
Background:
Review

Recent Advancements in Multilevel Inverters: Topologies, Modulation Techniques, and Emerging Applications

by
Taha Abdulsalam Taha
1,*,
Mohamed Shalaby
2,
Noor Izzri Abdul Wahab
1,
Hussein Ibzir Zaynal
3,
Mohd Khair Hassan
4,
Sulaiman Al-Sowayan
2 and
Mohamad A. Alawad
2
1
Advanced Lightning, Power and Energy Research (ALPER), Department of Electrical and Electronics Engineering, University Putra Malaysia, Serdang 43400, Malaysia
2
Department of Electrical Engineering, College of Engineering, Imam Mohammad Ibn Saud Islamic University (IMSIU), Riyadh 11432, Saudi Arabia
3
Department of Medical Instrumentation Techniques Engineering, Technical Engineering College, Al-Kitab University, Kirkuk 36001, Iraq
4
Department of Electrical and Electronics Engineering, University Putra Malaysia, Serdang 43400, Malaysia
*
Author to whom correspondence should be addressed.
Symmetry 2025, 17(7), 1010; https://doi.org/10.3390/sym17071010
Submission received: 17 April 2025 / Revised: 30 May 2025 / Accepted: 5 June 2025 / Published: 26 June 2025
(This article belongs to the Section Engineering and Materials)

Abstract

Multilevel inverters (MLIs) have become fundamental in contemporary power electronics, providing enhanced performance compared to conventional two-level inverters regarding their output voltage quality, efficiency, and scalability. This study comprehensively assesses multilevel inverter technologies, including their topologies, control systems, and various applications. The study starts with a comprehensive examination of the core concepts of MLIs, subsequently embarking on a detailed evaluation of both conventional and innovative topologies, such as diode-clamped, flying capacitor, cascaded H-bridge, and modular multilevel converters. The study further examines the control systems used in MLIs, including Pulse Width Modulation (PWM), space vector modulation (SVM), and Model Predictive Control (MPC), emphasizing their benefits and drawbacks. The applications of MLIs in renewable energy systems, electric cars, industrial drives, and grid integration are comprehensively examined. The study closes by examining growing trends, difficulties, and future research paths, emphasizing the ability of MLIs to transform power conversion systems.

1. Introduction

Power electronics technologies are advancing rapidly to meet the growing demands for greater efficiency, reliability, and power quality. Among these advancements, multilevel inverters (MLIs) have emerged as a key innovation, offering substantial advantages over traditional two-level inverters, particularly in high-power and high-voltage applications. MLIs are designed to create a stepped output voltage that closely resembles a smooth sine wave, which greatly lowers harmonic distortion, reduces electromagnetic interference (EMI), and boosts the overall system efficiency. These characteristics make MLIs highly beneficial in various applications, including renewable energy systems, electric vehicles (EVs), industrial motor drives, and grid-connected energy systems [1,2,3].
The growing emphasis on renewable energy and electric vehicles has further elevated the importance of MLIs. In renewable energy systems such as those using solar and wind power, MLIs are crucial in converting the generated direct current (DC) into an alternating current (AC) compatible with the power grid. Generating a high-quality output voltage with minimal harmonic distortion ensures seamless integration with the grid. In electric vehicles, MLIs drive motors, providing advantages such as a higher power density, increased efficiency, and precise control over the motor performance [4].
Despite the numerous benefits offered by MLIs, challenges remain in their design and implementation phases. These challenges include the complexity of selecting appropriate topologies, maintaining the voltage balance, and developing efficient control strategies. Researchers and engineers are focusing on developing innovative topologies, advanced control algorithms, and next-generation semiconductor materials to address these challenges. In particular, the adoption of wide-bandgap (WBG) semiconductor materials such as silicon carbide (SiC) and gallium nitride (GaN) has been a game-changer in MLI technology. These materials significantly improve the system efficiency by enabling higher switching frequencies, reducing energy losses, and offering better thermal performance [5]. Specifically, SiC devices have been shown to reduce switching losses by up to 50%, enhancing the system’s overall performance. These devices also operate with higher switching frequencies and generate less heat, which results in improved efficiency and compact system designs. Using SiC and GaN in dynamic multilevel inverters further improves the energy conversion efficiency and facilitates the design of more cost-effective, scalable systems. A thorough study by Ruiqing Cheng and his team (2019) looked at how SiC and GaN devices enhance the performance of multilevel inverters, giving a complete overview of how they affect switching losses and efficiency [6].
Also, using optimization algorithms and machine learning (ML) methods is becoming more common to make MLIs work better in real time, find problems faster, and set up systems for predicting maintenance needs. AI-based control algorithms make energy use more efficient by allowing for faster reactions to changes in how things are working, which is important for keeping performance steady when loads and environmental conditions change. Moreover, advancements in virtual modeling, such as the use of digital twin technology [7], are accelerating the design and testing processes, which allows for faster development cycles and more efficient system integration.
Looking ahead, MLI technology is progressing toward more modular and scalable designs. Modern systems, such as cascaded H-bridge (CHB) and flying capacitor topologies, offer increased reliability by providing higher fault tolerance and redundancy. These advanced topologies also improve the system’s flexibility and performance, especially in applications that require high availability and robustness. Furthermore, integrating MLIs with innovative grid systems will enhance coordination with distributed energy resources and energy storage systems, enabling more efficient and dynamic energy distribution [8]. Although traditional multilevel inverters (MLIs) offer several advantages, some significant limitations restrict their performance, especially in high-power and high-voltage applications:
  • Complex Design and Control Structures: Traditional MLIs require multiple switching devices and complex control algorithms. This increases the complexity of both the design and control of the inverters. At higher power levels, the control strategies become more intricate, which complicates the optimization processes necessary to ensure system accuracy. Additionally, the use of high-quality components can lead to increased costs [3].
  • Switching Losses and Efficiency Issues: Switching losses in traditional MLIs have a considerable impact on efficiency. As the switching frequencies increase, these losses tend to rise, leading to thermal management problems. This can adversely affect the overall efficiency and reliability of the system [9].
  • Harmonic Distortion: MLIs are designed to generate an ideal sinusoidal output voltage. However, when low-quality components are used, harmonic distortion can occur. This can degrade the power quality and lead to issues such as electromagnetic interference (EMI), which can hurt the system’s performance [10].
  • High Cost: The use of numerous switching elements and components in MLI systems can increase the overall system cost. In industrial applications and those requiring high power, the hardware costs of MLIs can be significantly higher compared to those of traditional inverters [11]. Overcoming these limitations is crucial for improving energy efficiency, reducing costs, and ensuring the reliability of the system.
This paper reviews the current state of multilevel inverter technology, examining its various topologies, modulation techniques, and applications. It highlights recent advancements in these areas and their transformative impact on power conversion systems. Through this study, the significant contributions of MLIs to the field of power electronics are made clear, illustrating their role in driving forward the development of sustainable energy solutions. Ongoing research and technological advancements are set to further enhance the efficiency, reliability, and adaptability of MLIs, ensuring that they remain a pivotal technology in modern power systems.
Understanding that all scientific work should enrich the reader’s knowledge, this study aims to bridge gaps in the existing literature regarding MLI development and provide new insights and methodologies. It comprehensively reviews recent advancements in various MLI topologies, modulation techniques, and emerging applications, contributing valuable knowledge to academic research and industrial practices. This paper presents these innovations, emphasizing their significant impact on the scientific community and real-world applications.

2. Multilevel Inverters

Multilevel inverters (MLIs) create an alternating current (AC) output voltage in several steps, which leads to less distortion and better quality than those provided by regular two-level inverters. This property has rendered MLIs highly favorable in medium- and high-voltage applications and high-power contexts. Although conventional two-level inverters are favored for low-voltage applications owing to their high switching frequencies and voltage tolerance constraints, multilevel inverters excel in high-power and -voltage scenarios [12].
The fundamental working idea of MLIs is to provide a high-power output voltage by using many low-voltage DC levels, thereby minimizing the voltage stress on each semiconductor switching component. This method enhances the system’s overall efficiency and reduces switching losses. Moreover, MLI topologies provide compact configurations requiring reduced spatial requirements and lower installation costs and confer benefits like enhanced modularity, less complexity, and fewer components [13].
Another significant benefit of MLIs is their ability to generate high voltage levels with little harmonic distortion, obviating the need for large and expensive transformers. These characteristics render MLIs essential across various applications, including photovoltaic (PV) systems, wind energy conversion systems, fuel cells, electric vehicles, induction motor drives, active power filters, wireless power transfer, high-voltage direct current (HVDC) transmission, and flexible alternating current transmission systems (FACTSs) [14].
The input supply of MLIs is typically direct current (DC) energy sourced from wind turbines, solar panels, fuel cells, or energy storage devices. The multilevel structure of an MLI converts this DC energy into a high-quality AC output. Classic multilevel inverter topologies are categorized as diode-clamped, flying capacitor, and cascaded H-bridge inverters. Specific benefits and constraints in various application domains distinguish each of these topologies. The subsequent sections will elaborate on a thorough examination and comparison of these topologies.
The exceptional attributes provided by MLIs have resulted in their growing utilization in contemporary energy systems and industrial applications. The significance of MLIs is growing, particularly in domains such as renewable energy integration, energy efficiency, and electric mobility. This paper aims to explain the current state and future potential of this technology by closely examining the basic ideas, designs, and control methods related to MLIs and the areas where MLIs are used. Figure 1 depicts conventional multilevel inverters, and their key features are further examined in the following subsections.
In multilevel converter topologies, three voltage levels are typically considered the minimum. By incorporating bidirectional switches, a multilevel voltage-source converter can operate as both a rectifier and an inverter. In such cases, “converter” is often used instead of “inverter” to reflect this dual function. These converters can switch their input or output nodes between multiple voltage or current levels, surpassing the basic two levels. Figure 2 shows the switching variation of the inverter according to the number of levels. Figure 2a illustrates the two-level, Figure 2b the three-level, and Figure 2c the m-level single-phase inverter output switching states.
As the number of voltage levels increases, the output’s Total Harmonic Distortion (THD) approaches zero, resulting in a cleaner, more sinusoidal waveform. However, the number of achievable voltage levels is limited by factors such as the voltage imbalance, the need for voltage-clamping elements, the circuit design complexity, the controller’s packaging constraints, and the associated capital and maintenance costs.
To minimize the THD and produce a pure sinusoidal voltage waveform, particularly for nonlinear loads, the design of the output filter is essential. The output filter plays a critical role in shaping the waveform by attenuating high-frequency harmonics, ensuring that the output voltage closely resembles a pure sine wave. The design process involves selecting appropriate components, such as inductors and capacitors, to achieve the desired harmonic attenuation and bandwidth. These calculations also consider the load characteristics, the switching frequency of the converter, and the harmonic profile generated by the nonlinear load. By carefully designing the output filter, the THD can be minimized, improving efficiency and reliability. Moreover, the design must balance factors such as the size, cost, and performance to ensure that the converter meets technical requirements while being economically feasible. The output voltage waveform formula for multi-level inverter specifications is given in Figure 3.

2.1. Cascaded H-Bridge Multilevel Inverters

Baker and Bannister introduced the first multilevel inverter structure in 1975. However, the cascade H-bridge inverter was fully developed and patented by Lai and Peng in 1996. Their design improved Baker’s model by adding an anti-parallel diode and explaining the three-phase circuit structure.
Due to its modular structure and flexibility, the cascaded H-bridge multilevel inverter (CHB-MLI) is widely used in high-power applications, particularly in flexible alternating current transmission systems (FACTSs) control. This topology combines multiple isolated voltage levels to achieve a near-sinusoidal waveform at the inverter output. Adding more H-bridges can increase the reactive power without redesigning the power stage, and built-in redundant H-bridges provide fault tolerance. Additionally, this topology ensures phase balancing, a feature not available in common DC bus topologies. Its cell-based structure allows for the easy scaling of the voltage and power levels.
The converter topology is based on the series connection of single-phase inverters with discrete DC sources. In this case, at least two full-bridge inverters are required to realize the cascading concept. Using K units of H-bridge inverters, a cascade-connected H-bridge inverter with m = 2k + 1 levels can be created (m represents the number of levels). Each module is powered by an isolated DC voltage source, as shown in Figure 4a, and consists of four semiconductor elements. A single full-bridge inverter can produce three voltage levels: +VDC, −VDC, and 0 volts. The output voltage waveform of a single-phase full-bridge inverter is demonstrated in Figure 4b.
Figure 5 shows the circuit structure of a five-level CHB-MLI, while Figure 6a–c show the upper module, lower module, and inverter total output voltage waveforms, respectively. The switching states for the five-level CHB-MLI are given in Table 1, demonstrating the level concept.

2.2. Diode-Clamped Multilevel Inverters

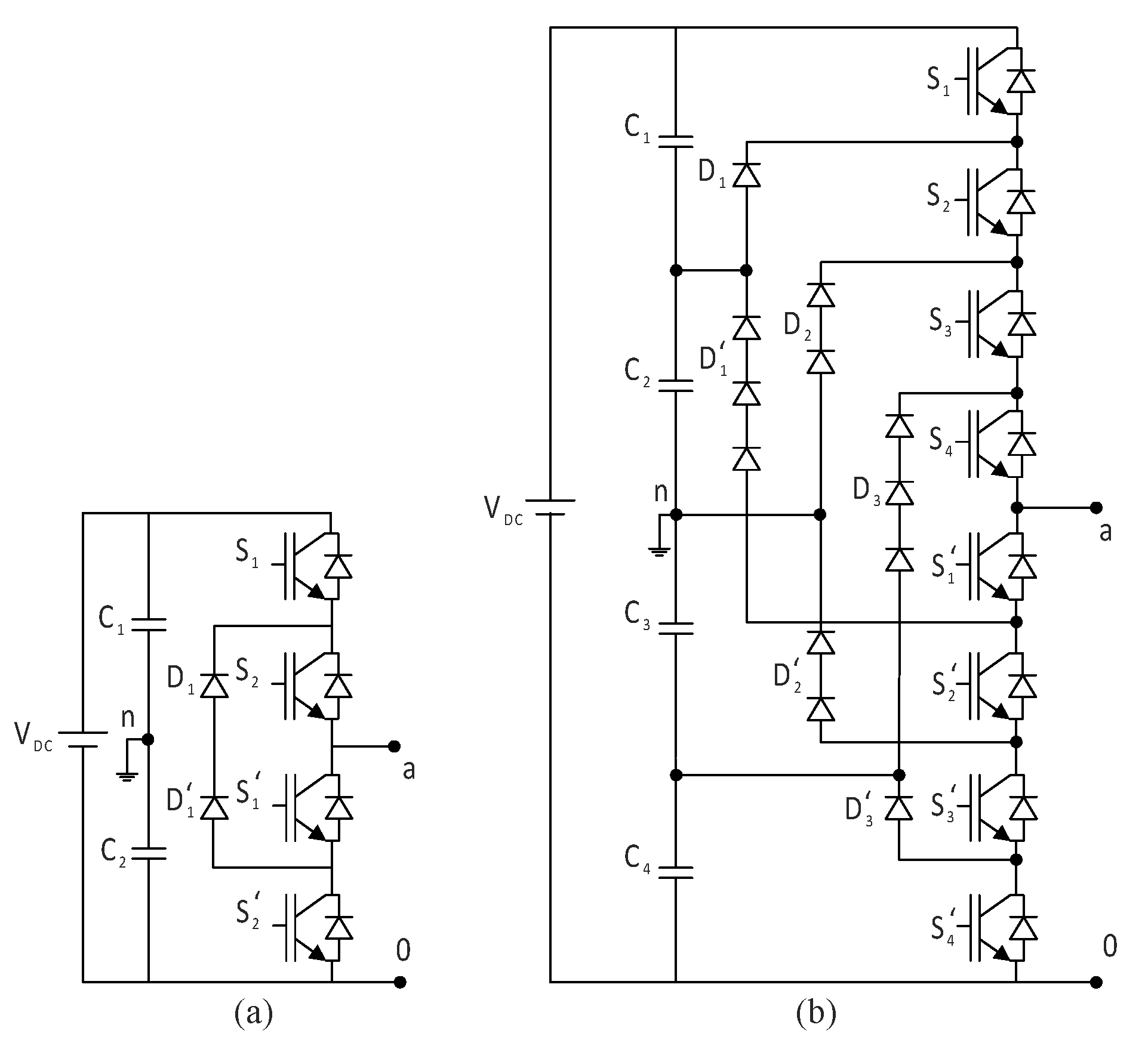
The most-used multilevel topology is the diode-clamped multilevel inverter (DCMLI), in which diodes clamp the DC bus voltage to achieve a multilevel waveform. The diode-clamped multilevel inverter (DCMLI) was derived from the cascade inverter in 1980 [10]. The first proposed diode-clamped inverter was a three-level inverter. The neutral-point-clamped (NPC) inverter is a diode-clamped inverter [16]. The initial application of this topology was implemented in 1981 using Pulse Width Modulation (PWM) [17].
Increasing the number of voltage levels improves the output voltage quality, causing the voltage waveform to more closely resemble a sinusoidal waveform. However, in high-level inverters, capacitor voltage balancing becomes a critical issue. When the levels are sufficiently high, the voltage of diodes and switching elements will increase, rendering the system impractical. If an inverter operates under PWM conditions, the reverse blocking voltage of the clamping diodes becomes the primary design challenge.
In a five-level diode-clamped inverter, the voltage across each capacitor is VDC/4. We take the midpoint of the capacitors connected to the DC voltage as neutral, thereby obtaining negative voltages. Table 2 shows the relationship between the output voltage of a five-level diode-clamped inverter and the open/closed state of the switch.
Figure 7 illustrates the topologies of three-level and five-level diode-clamped multilevel inverters. As shown in Figure 7a, a three-level diode-clamped multilevel inverter consists of two complementary switch pairs and two clamping diodes. Each switch pair operates in a complementary mode, while the clamping diodes provide access to the midpoint voltage.
In a three-level inverter, each phase shares a common DC bus, divided into three voltage levels by two DC capacitors (C1 and C2). The DC bus voltage (VDC) is split into three levels using the series connection of these capacitors: +VDC/2, 0, and −VDC/2. The clamping diodes (D1 and D1’) limit the voltage stress across each switching device to VDC/2. The inverter’s output voltage (Van) can take three values: +VDC/2, 0, and −VDC/2 [17]. Two switches conduct at any given time in a three-level inverter, whereas in a five-level inverter, four switches conduct simultaneously. This pattern continues as the number of levels increases.
In a diode-clamped inverter setup, the output voltage (Van) is measured between points a and n, which shows the AC voltage from the phase to neutral. The voltage between points a and 0 (Va0) shows the DC voltage from the phase to ground. If the output voltage is measured from points a-0 instead of a-n, the inverter works like a DC/DC converter.
The diode-clamped multilevel inverter topology uses clamping diodes with different reverse blocking voltages. For instance, diode D1’ blocks 3 VDC/4, diodes D2 and D2’ block 2 2VDC/4, and diode D3 blocks 3 VDC/4. These diodes clamp VDC/4, 2 VDC/4, and VDC/4 from the DC bus voltage (VDC) to the output.
Practical applications introduce a time limit for the switching signals of complementary switch pairs. This time limit ensures that both switches in a complementary pair are turned off briefly, reducing switching losses and minimizing the risk of short circuits.

2.3. Flying Capacitor Multilevel Inverters

The flying capacitor multilevel inverter, also known as the capacitor-clamped multilevel inverter, made its debut in 1992 [18]. The difference between the capacitor clamp inverter topology and the diode clamp topology is that capacitors are used instead of diodes. Each capacitor leg has a voltage that determines each step’s voltage level. Figure 8 shows capacitor clamp multilevel inverter schematic diagrams for three and five levels.
A three-level capacitor-clamped inverter will generate three different voltage levels between terminals a and n: Van = +VDC/2, 0, and −VDC/2. Turning on switches S1 and S1’ charges the clamping capacitor C1, while turning on switches S2 and S2’ discharges capacitor C1, determining the charge balance of capacitor C1. Capacitor-clamped inverters offer more flexible switching combinations for achieving specific voltage levels than diode-clamped inverters. Table 3 shows the relationship between the output voltage and the switches’ on/off states in a five-level capacitor-clamped inverter.

2.4. Other Multilevel Inverter Structures

Multilevel inverters, also known as MLIs, have generated substantial interest in power electronics due to their capacity to provide high-quality output waveforms while simultaneously reducing the THD and switching losses and improving efficiency compared to traditional two-level inverters. These inverters are particularly useful in medium- and high-voltage applications, such as renewable energy systems, electric vehicles, and high-voltage direct current (HVDC) transmission. Over the years, researchers have developed various multilevel inverter topologies beyond the conventional neutral-point-clamped (NPC), flying capacitor (FC), and cascaded H-bridge (CHB) structures to address the limitations of the switch count, complexity, and cost.
Recently, researchers have been focusing on reducing the number of components in MLI systems to decrease their size and cost. As a result, numerous innovative topologies have been introduced. Reduced-component topologies can be classified into three main types: symmetric MLI topologies, asymmetric MLI topologies, and hybrid MLI topologies. These MLIs are designed to achieve high output voltage levels while improving efficiency.

2.4.1. Symmetrical Multilevel Inverter Topologies

In a symmetric multilevel inverter (MLI) topology, all DC power supplies have equal voltage values. The process of generating the output voltage consists of two stages: level generation and polarity generation.
Based on this classification, symmetric MLI topologies are categorized into two types: H-bridge symmetric MLI topologies and H-bridgeless symmetric MLI topologies. An H-bridge symmetric MLI topology utilizes a standard H-bridge as a polarity control module, which directs the output voltage waveform and generates both positive and negative half-cycles of the AC output. In contrast, an H-bridgeless symmetric MLI topology eliminates the need for a dedicated polarity module. Instead, it relies entirely on the level generation stage to synthesize the complete output waveform.
H-Bridge Symmetrical Multilevel Inverter
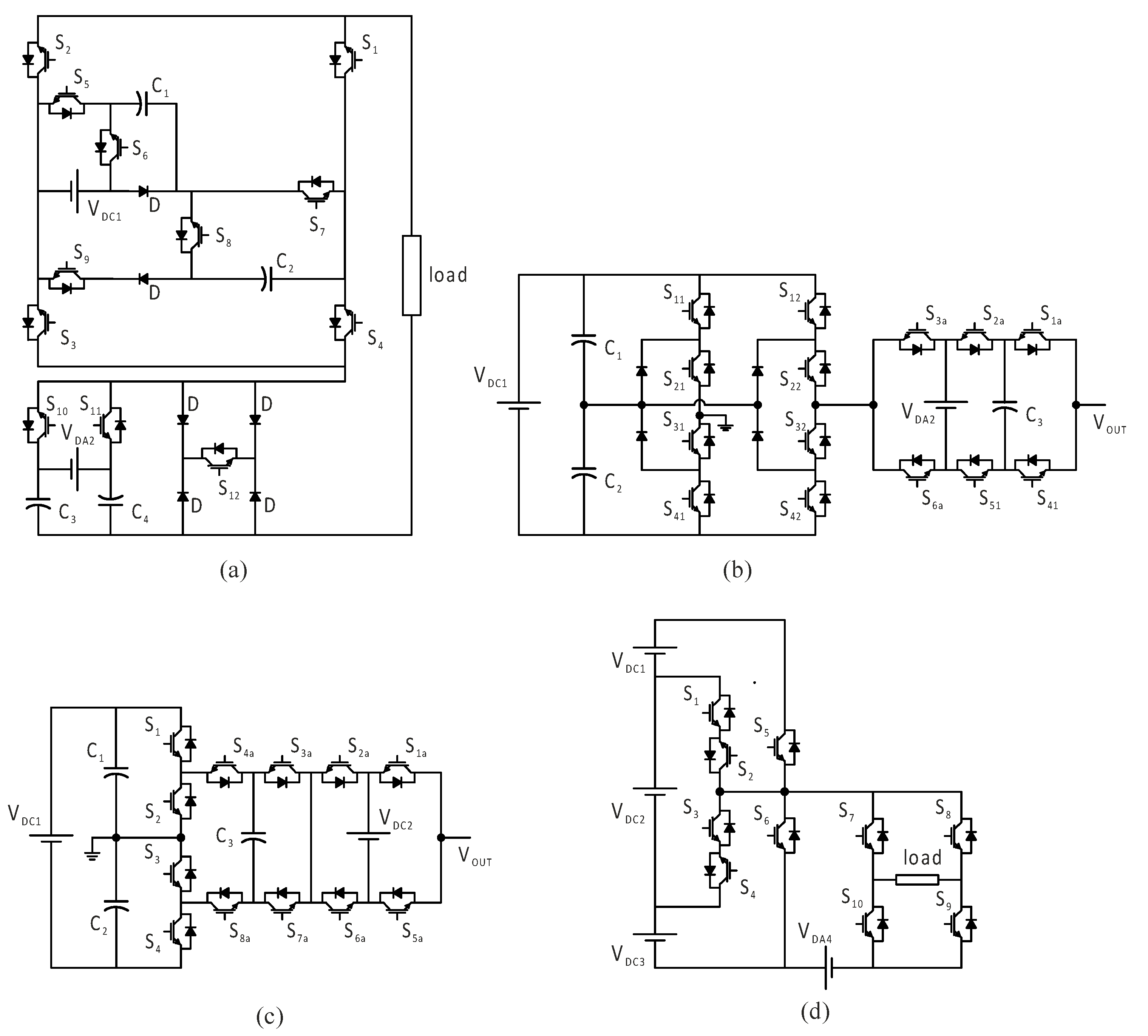
Symmetric MLI topologies have two key parts: the level generation module, which creates various voltage levels using DC sources and switches, and the Polarity Generation Module, which is a single H-bridge that manages the direction of the output voltage. In most cases, the control scheme of these topologies utilizes a low switching frequency for the polarity module and a high switching frequency for the switches in the level generation module. The asterisk (*) in Figure 9 refers to the bidirectional main switch, which controls the direction of current flow in the MLI system, enabling the reversal of voltage polarity as needed.
Figure 9a illustrates a nine-level symmetric MLI topology [19], while Figure 9b presents an eleven-level symmetric MLI topology [20]. Additionally, level and polarity modules are incorporated into these topologies. Prime examples of applications that these topologies are particularly well-suited for are renewable energy systems, such as photovoltaic (PV) farms, which require multi-terminal DC sources for proper system operation.
Figure 9. H-bridge symmetric MLI (a) nine-level symmetric MLI topology [19]; (b) eleven-level symmetric MLI topology [19]; (c) cascaded half-bridge-based MLI topology [21]; (d) unit modules consisting of three DC sources and five unidirectional switches topology [22].
Figure 9. H-bridge symmetric MLI (a) nine-level symmetric MLI topology [19]; (b) eleven-level symmetric MLI topology [19]; (c) cascaded half-bridge-based MLI topology [21]; (d) unit modules consisting of three DC sources and five unidirectional switches topology [22].
Symmetry 17 01010 g009
Figure 9c depicts a cascaded half-bridge-based MLI topology [21]. This structure achieves the desired output voltage levels with fewer switching devices than conventional topologies. The proposed topology consists of a series connection of multiple half-bridges, each powered by an independent DC source, while an H-bridge is used for polarity control.
Figure 9d introduces an enhanced cascaded module-based multilevel inverter topology [22]. This topology incorporates unit modules consisting of three DC sources and five unidirectional switches. An extra DC source with two switches is also placed between the H-bridge and level modules. The proposed topology supports a modular structure, extending its output voltage to unlimited levels by cascading additional modules. Compared to traditional inverters, this topology reduces the number of switches and operates at the fundamental switching frequency.
H-Bridgeless Symmetrical Multilevel Inverter
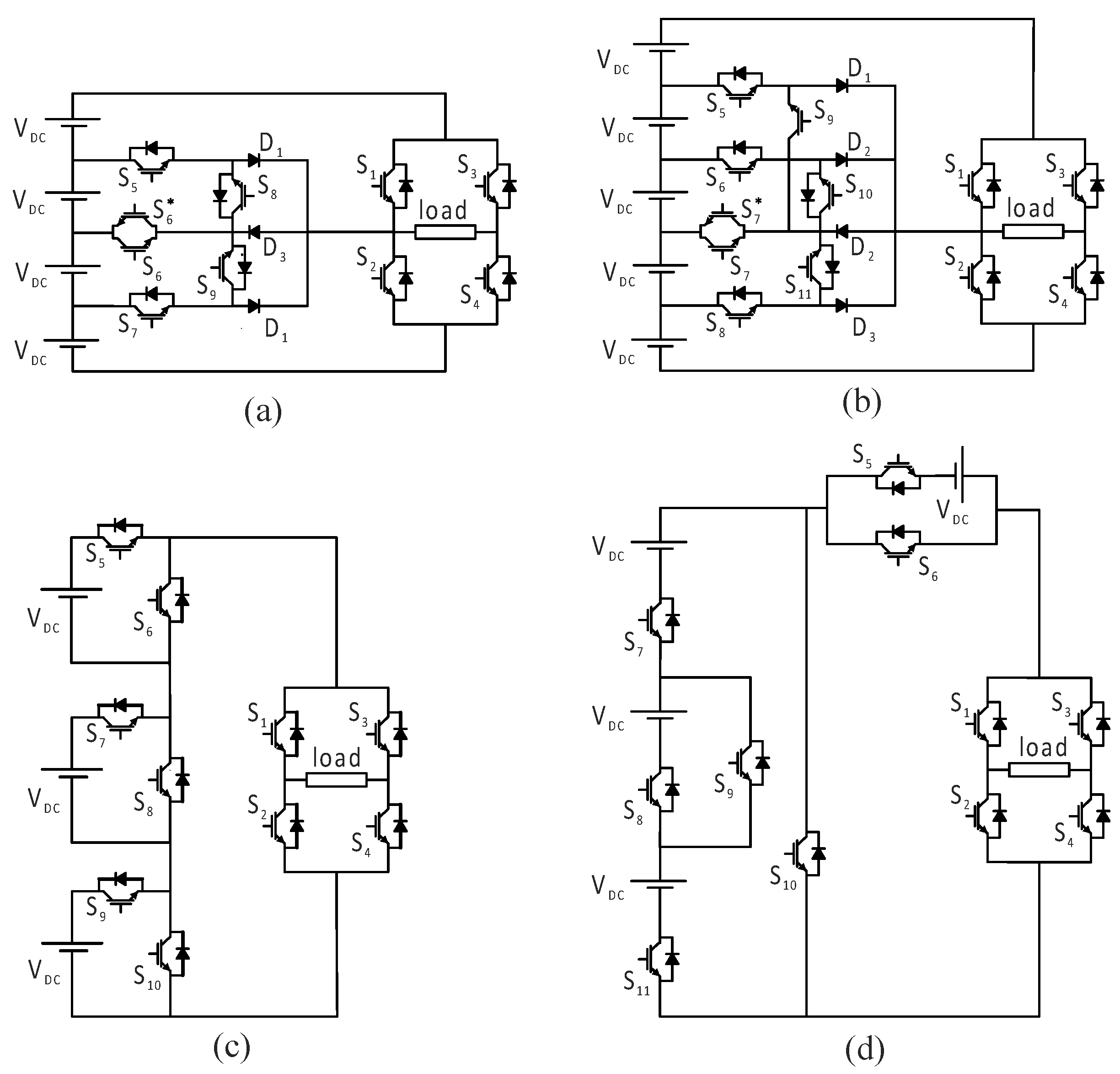
H-bridgeless symmetric MLI topologies do not require a polarity generation stage to direct the positive and negative portions of the output voltage. The level generation stage instead assumes this functionality, resulting in a single-stage output voltage generation process.
Figure 10a presents bidirectional switch-based MLI structures with fewer switches, comprising a series connection of multiple cells [23]. Each cell consists of an isolated DC source connected via four bidirectional switches. The proposed topology supports cascaded expansion, increasing output voltage levels, and an extended power range. However, due to the use of bidirectional switches, this topology inherently requires a high number of switching devices, and as the number of levels increases, the switch count correspondingly escalates.
The packaged U-cell CSI topology shown in Figure 10b was proposed by [24]. In this topology, a minor modification was made to the previous structure by replacing bidirectional switches with unidirectional switches. This modification reduced the component count while maintaining the same output voltage level as that of the topology in Figure 10a. However, a significant drawback of this topology is the requirement for a balancing circuit to regulate the capacitor voltage.
Figure 10c presents a topology similar to that in Figure 10b. A discrete DC source powers each cell in the proposed topology [20], which also incorporates two unidirectional switches arranged in a stepped configuration. This topology is scalable by increasing the number of cells to achieve higher voltage levels. Moreover, in the event of a failure in one of the cells, the topology can continue supplying power to the load, albeit with reduced output levels and a lower peak voltage. Due to its structure, this topology is well-suited for renewable energy applications, particularly photovoltaic (PV) systems, where isolated DC sources are used uniformly.
As shown in Figure 10d, a cross-switched CSI topology was introduced by [26]. This topology utilizes fewer components and operates at a lower voltage across the switches, enhancing its overall efficiency.

2.4.2. Asymmetric Multilevel Inverter Topologies

In symmetric multilevel inverters (MLIs), each DC source provides a single voltage level, requiring more sources to achieve higher output levels, which increases the complexity and cost. Asymmetric MLI topologies address such issues by using DC sources with varying voltages, optimizing the power density, reducing the component count, and enhancing cost efficiency without sacrificing output quality. These topologies can be implemented by converting symmetric structures, using repetitive cell-based designs, or modifying the topology to accommodate asymmetric sources. Based on their structural configuration, asymmetric MLIs are classified into H-bridge-based and H-bridgeless topologies.
H-Bridge Asymmetrical Multilevel Inverter
In H-bridge asymmetric inverter topologies, at least one H-bridge MLI is present. Asymmetrical cascade MLI topologies employ DC sources of varying magnitudes to reduce the component count. Compared to traditional topologies, asymmetric topologies are composed of a few components, thus maintaining a low cost while offering the flexibility for expansion to achieve the desired output voltage levels.
Figure 11a shows a setup made by linking two DC sources together in a simple cell design to create a three-level output voltage [27]. You can expand the structure by connecting multiple essential cells to achieve the required output power. However, in this configuration, capacitor voltage balancing becomes more complex.
Figure 11b presents another asymmetric H-bridge MLI circuit [28]. This design includes a series of connected sub-multilevel cells that can work as either a symmetric or asymmetric MLI, based on the size of the power sources. Compared to a traditional cascade H-bridge MLI, this configuration uses fewer switches to achieve the same output voltage level. However, the maximum blocking voltage of this topology is higher than that of conventional cascade H-bridge structures.
Figure 11c shows a topology comprising two half-bridges connected in series with a single H-bridge unit [29]. The provided structure leans more toward a hybrid configuration than a purely asymmetric one. This topology offers a reduction in the switch count when compared to other traditional topologies.
Figure 11d demonstrates a topology designed to reduce the number of switches [30]. Adding multiple and triple DC sources can expand the structure’s output voltage to higher levels. Additionally, this topology can operate with both base and higher switching frequencies.
H-Bridgeless Asymmetrical Multilevel Inverter
These topologies are among the most well-known out of the various categories of DCSs (Distributed Control Systems). The primary objective of these topologies is to achieve the desired output waveform level while optimizing component usage. Additionally, improving the quality and efficiency of the output voltage is a key consideration. These topologies combine components to generate the required output waveform without needing a dedicated polarity generation section. The input DC sources can be organized in a binary, a ternary, or any other configuration that effectively generates the desired output voltage levels.
Figure 12a shows the main part of an asymmetric MLI system that creates a seven-level output voltage using fewer parts [31]. The topology consists of two DC sources and six switches. Adding more switches and DC sources can extend the output voltage to the desired level.
A square T-type modular MLI, which can be seen in Figure 12b, was presented by [32]. This design provides a 17-level output voltage by using four DC sources that are not equal and twelve switches that only operate in one way. It is possible to increase the output voltage by cascading numerous units together.
Figure 12c illustrates modified multilevel inverters using streamlined configurations composed of packed U-cells [33]. The fundamental module of the proposed architecture comprises six unidirectional switches and two DC sources, as seen in the picture. This design may achieve higher voltage levels by cascading fundamental modules or augmenting the quantity of DC sources and switches inside the same cell. The suggested architecture provides a decreased component count and little voltage stress on the switches.
Figure 12d depicts a topology consisting of three asymmetric DC sources and eight switches arranged in a specific configuration [34]. The proposed inverter provides an optimized design regarding the number of DC voltage sources and switching devices. This topology can be expanded to higher power levels.

2.4.3. Hybrid Multilevel Inverter Topologies

A hybrid system combines two or more distinct topologies in series to extend the output power while minimizing the number of components, resulting in improved efficiency and performance. These systems can use regular multilevel designs or a mix of balanced and unbalanced MLI units to meet certain design goals.
In Figure 13a, a balanced hybrid MLI system is presented, made up of a capacitor-switching MLI unit and a capacitor-clamped MLI unit. These two units are integrated into isolated sub-units and cascaded. The proposed system delivers a 19-level output voltage, which helps reduce power losses and enhances the overall efficiency [35].
Figure 13b displays a different hybrid MLI system that mixes a hybrid neutral-point-clamped module with stacked series-level multiplier modules [36]. In this configuration, the authors introduced a new switching control technique that ensures the self-balancing of all capacitor voltages. The harmonics associated with the switching frequency were also eliminated from the output voltage frequency spectrum. This topology can be expanded by replicating the series-connected voltage multiplier modules.
An improved active-neutral-point-clamped (ANPC) hybrid system, shown in Figure 13c, integrates a cascaded capacitor-clamped MLI unit with an ANPC unit [37]. This system generates an 11-level output voltage and requires fewer high-frequency switches, reducing losses and lowering costs.
As explained above, multilevel inverter topologies are numerous, with each having different characteristics. We should compare the advantages and disadvantages of the topologies to distinguish these various types and choose the right one for each specific application.

2.4.4. Modular Multilevel Converter

Lesnicar and Marquardt introduced the modular multilevel converter (MMC) in 2003, presenting a topology suitable for a wide power range [39]. Siemens first commercialized this converter in the San Francisco Transbay project in 2010. The MMC offers several advantages [40], including low voltage and current ratings for power switches, high modularity, easy scalability, and excellent output performance. These features have attracted significant attention and rapid development since their commercial launch [34]. The MMC is used in many different power systems, including high-voltage direct current (HVDC) transmission systems, medium-voltage motor drives, renewable energy systems, battery energy storage systems (BESSs), static synchronous compensators (STATCOMs), and chargers and drivers for (hybrid) electric vehicles.
Despite its advantages, the half-bridge submodule of the MMC has limited DC fault tolerance. However, it remains commercially favored due to its simple configuration and low cost. Recently, efforts have been made to improve its overall design, control methods—like managing the output voltage and current, balancing submodules, and controlling circulating currents—and modulation techniques to boost the performance of the MMC [13]. Furthermore, the introduction of wide-bandgap (WBG) technology has changed power electronics by allowing for different modulation techniques in MMC applications, which can improve efficiency and performance.
Submodule Topologies
Figure 14 shows the generalized circuit architecture of a three-phase MMC, which includes a DC terminal, an AC terminal, and three-phase legs. There are two identical arms, one for each leg or phase. A series connection between two sets of identical submodules in the upper and lower arms serves as an inductor to dampen the arm current’s higher frequencies. A multi-mode converter (MMC) can convert electricity in both directions.
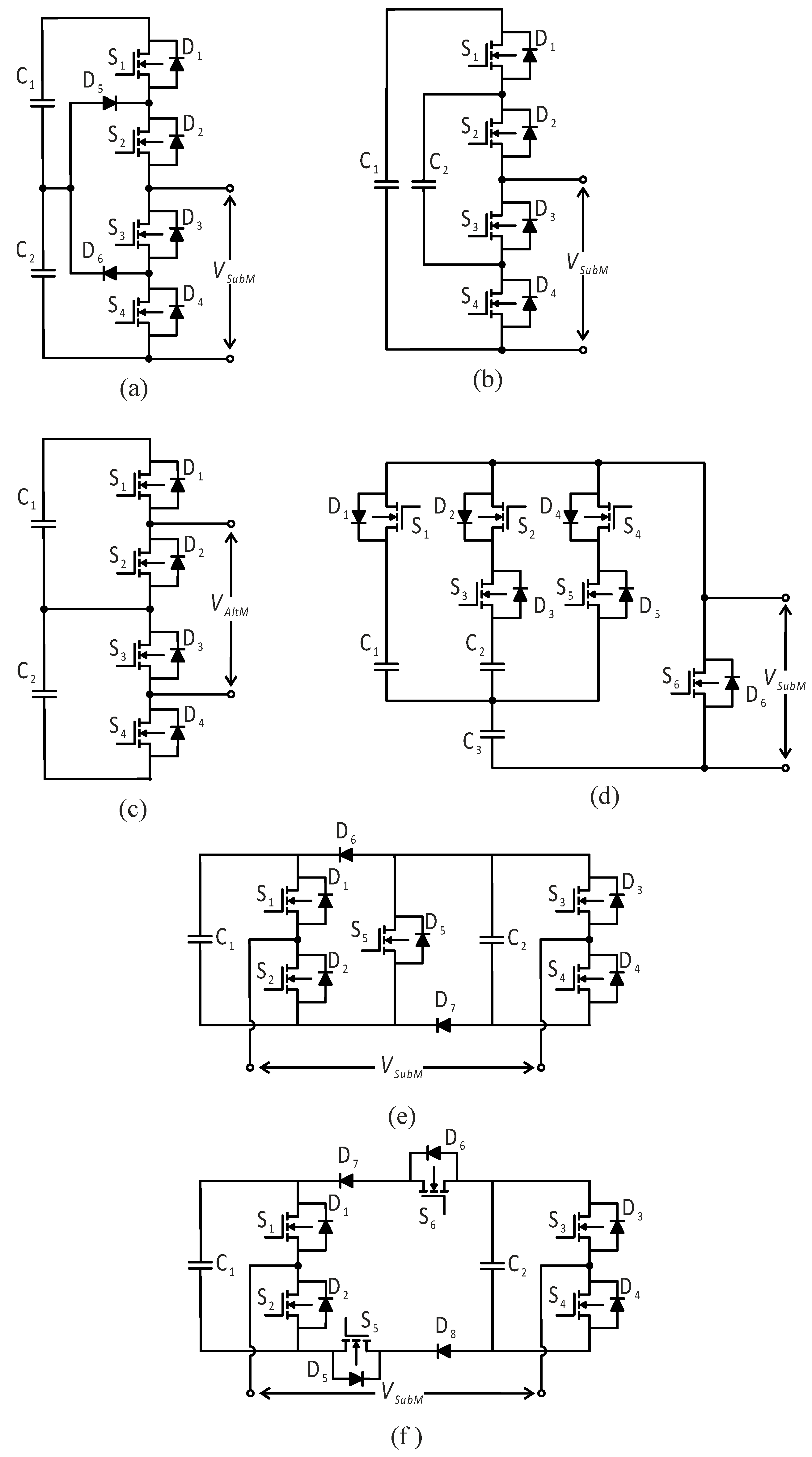
Figure 15 illustrates the different submodule topologies used in Modular Multilevel Converters (MMCs), with detailed explanations provided below.
Two-Level Submodule Topologies: Among all SubM topologies, the half-bridge submodule (HBSubM) is the most popular due to its simple structure and low system cost [19]. The HBSubM, as shown in Figure 16, consists of two power switches with an anti-parallel diode and a floating capacitor. Depending on whether the capacitor is bypassed or connected, the submodule voltage can be either zero or the capacitor voltage (VC1). Therefore, we also refer to the HBSubM as a “clipping” SubM. A significant disadvantage of the HBSubM is its vulnerability to DC fault currents.
The two most-used power converters are voltage-source converters (VSCs) and current-source converters (CSCs). Regarding current-source modular multilevel converters (MMCs), they utilize an inductor instead of a capacitor in the half-bridge submodule (HB-SubM) [41]. Figure 16b illustrates the series connection of anti-parallel diodes with switching devices. Without L1 in the circuit, the output current will be zero. If L1 is bypassed, the output current will match the inductor current.
Additionally, another widely used submodule (SubM) topology for MMCs has been discussed: the full-bridge structure (FB-SubM) [42]. The FB-SubM consists of two half-bridge legs, each equipped with flying capacitors. On each leg, there are two anti-parallel diodes paired with switches. The circuit layout for this configuration is shown in Figure 16c. To withstand DC fault currents, the output voltages in FB-SubMs can be zero, +Vc, or −Vc. Several studies have suggested using monodirectional topologies that employ diodes in place of some IGBTs to reduce the cost of power devices [43].
Figure 16d presents a self-balancing submodule structure [44]. This topology, which incorporates an inductor and a diode, enables the capacitor voltage of the submodule to be automatically balanced due to the D3 clamp diode, eliminating the need for a voltage-balancing algorithm.
A single-clamping submodule (SC-SubM) has been introduced to enhance the DC fault blocking capability of the HB-SubM [45]. The SC-SubM, a self-blocking, single-pole, full-bridge submodule, consists of two structural configurations of half-bridge modules connected by transistors and diodes (Figure 16e,f). Under regular operation, switch S3 remains active. During a DC fault, the circuit disables all transistors to stop the flow of the short-circuit current.
One approach to addressing the vulnerability of the half-bridge submodule (HB-SubM) during DC faults is to use a thyristor-based half-bridge cell. To mitigate the issues arising from DC fault conditions, single-thyristor-based HB-SubM and double-thyristor-based HB-SubM circuit topologies have been proposed, as shown in Figure 16g and Figure 16h, respectively [46]. Thyristors typically remain off during normal operation and are triggered when a DC short-circuit fault is detected, allowing the current to flow through them. The double-thyristor structure offers an advantage over the single-thyristor cell, particularly for a bidirectional current. Additionally, since there are no extra switching power losses during regular operation, this topology is cost-effective compared to other topologies with DC fault blocking functions, such as the full-bridge submodule (FB-SubM).

2.5. Multilevel Submodule Topologies

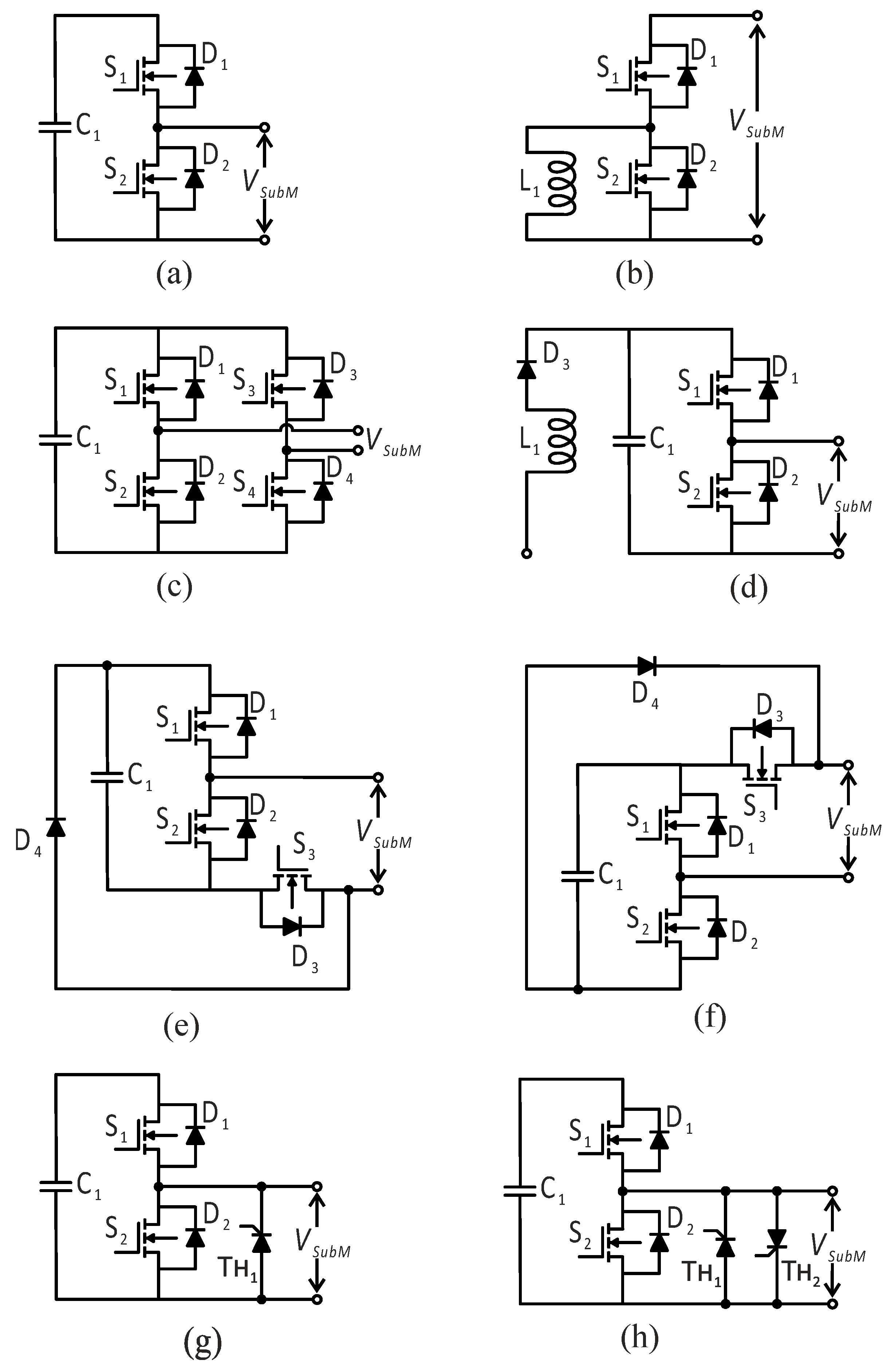
Within multilevel converter design, two traditional topologies are commonly used: neutral-point-clamped (NPC) and capacitor-clamped (CC). These topologies also extend to modular multilevel converters (MMCs), which include three-level submodules. Figure 16a shows the circuit configuration of the NPC submodule (NPC-SubM), while Figure 16b shows the configuration of the CC submodule (CC-SubM) [47]. The NPC-SubM consists of four integrated gate bipolar transistors (IGBTs), two clamp diodes, two capacitors, and one anti-parallel diode. The CC-SubM has similar components, except for the clamp diodes. For the NPC-SubM, the three possible voltage levels are VC1 + VC2, VC2, and zero. For the CC-SubM, the three possible voltage levels are VC1, VC1 − VC2, and zero.
Another structure capable of generating three voltage levels is the cascaded half-bridge submodule (CHB-SubM), as shown in Figure 16c [48]. This topology consists of two half-bridge cells connected in series, producing the voltage levels VC1 + VC2, VC1/VC2, and zero.
The storage capacitor significantly influences the size and weight of the submodule. Figure 16d illustrates a compact submodule architecture with stacked switched capacitors (SSCs) as an energy buffer designed to minimize the space taken up [49]. The SSC energy buffer comprises elements S5 and S3 and capacitors C1, C2, and C3. Capacitors C1 and C2 assist capacitor C3, which serves as the primary voltage source. The total volume of capacitors in the SSC-SubM can be reduced by at least 40% compared to that in the HB-SubM [50].
Figure 16e shows the circuit structure of the dual-clamping submodule (CD-SubM) [51]. This structure consists of two identical half-bridge submodules, with two additional diodes and an IGBT that remains on during normal operation. A dual-clamping cell can generate three voltage levels: VC1 + VC2, VC1/VC2, and zero. In the event of a DC fault, all power devices are turned off to prevent short-circuit currents.
In the CD-SubM, in the blocking mode, the capacitor voltages (−VC1 or −VC2) are only half-utilized. Therefore, we can use an additional IGBT to set −2VC1 as the output’s blocking voltage. This configuration is illustrated in Figure 16f [52]. A clear disadvantage of using the CD-SubM is the increased power losses due to all switches operating during normal operation.
Hybrid submodules (H-SubMs) primarily aim to address DC faults with fewer components, which is why these structures typically rely on half-bridge submodules [53]. As shown in Figure 16g, a hybrid cell consists of a series connection between the HB-SubM and FB-SubM. Compared to using a full-bridge submodule, a half-bridge module tolerates DC faults with only three-quarters of the number of semiconductor devices. Similarly, researchers have proposed a hybrid submodule that combines the Hyb-SubM and CD-SubM [54]. In this structure, the addition of an extra diode between submodules quickly clears the DC fault current and ensures a proper capacitor distribution.
Figure 16h shows a cross-connected submodule (X-SubM), which consists of two HB-SubMs connected in series via two IGBTs with anti-parallel diodes [55]. The X-SubM can generate five symmetric voltage levels: ±(VC1 + VC2), (±VC1/±VC2), and zero. This topology is fault-tolerant to DC short-circuit currents due to its ability to cut off the cross-connected IGBTs S5 and S6. However, the cross-connected IGBTs operate alternately during normal operation, leading to increased power losses.
A new switched capacitor submodule (SC-SubM) has been proposed by researchers, as shown in Figure 16i [55]. This structure consists of two capacitors and six IGBTs with anti-parallel diodes. The two capacitors are connected in series for a 2VC output and in parallel for a VC output, enabling the SC-SubM to perform voltage balancing with only half the number of voltage sensors compared to that of other submodules. In the SC-SubM topology, a DC link short circuit can be prevented by turning off all the IGBTs.
Figure 16j presents a three-level combined submodule (TC-SubM) incorporating two capacitors, six power switches, and a diode [56]. The key feature of the TC-SubM is its ability to provide solutions for blocking alternative DC faults, including entirely blocked, partially blocked, and stage-blocked modes. To prevent an excessive current, all the IGBTs are put in the blocking mode. In the partially blocked mode, switches S3 and S5 open to connect capacitors C1 and C2 in parallel, thereby balancing the capacitor voltages effectively. The stage blocking mode combines both full and partial blocking. These DC fault blocking schemes, especially the full and partial blocking modes, enable the TC-SubM to handle DC fault currents and address capacitor imbalances.
Table 4 provides a comparative summary of the submodule topologies, evaluating factors such as the control complexity, number of devices, switching components, output voltage levels, bidirectional operation, DC fault blocking, power losses, and costs [57]. The HB-SubM has the lowest power losses and cost due to its simple structure but cannot handle bidirectional power flow and is vulnerable to DC short-circuit faults. Topologies like the FB-SubM, CD-SubM, and H-SubM offer bidirectional operation and DC fault blocking but with increased structural complexity. Achieving an optimal submodule design involves balancing complexity and performance while minimizing the cost.
To provide a comprehensive comparison of the various types of MLI (multilevel inverter) topologies presented in the literature, it is necessary to consider several key factors, including their size, cost, component count, load types, and performance parameters. These factors significantly influence the selection and application of different MLI topologies.

2.5.1. Size

Basic MLI Topologies: Topologies like the DC-MLI and FC-MLI typically have a relatively simpler design with fewer components, leading to smaller physical sizes. However, they may not be suitable for higher-power applications due to their limited number of voltage levels. MLI Topologies with a Reduced Switch Count: These topologies, such as hybrid MLI configurations, are generally more compact since they reduce the number of switching elements, contributing to smaller sizes while maintaining multiple voltage levels.

2.5.2. Cost

Basic MLI Topologies: These generally have lower initial costs because they have fewer components. The DC-MLI and FC-MLI are cost-effective for low-power applications but may not scale well for larger systems. MLI Topologies with a Reduced Switch Count: While the initial investment might be higher due to their more complex design, hybrid topologies that reduce the switch counts (e.g., H-bridge configurations) can offer more cost-effective solutions for higher-power systems by minimizing the number of switches while still offering multiple voltage levels.
The comparison of various MLI topologies based on key factors is summarized in Table 5. Each topology is evaluated based on factors such as size, switch count, DC sources, applications, and their respective advantages and limitations.

2.5.3. Number of Components in Design

Basic MLI Topologies: DC-MLI: This involves fewer components, making it less complex and cheaper but limited in terms of its performance. FC-MLI: This uses capacitors in addition to the basic components but remains relatively simple and cost-effective. CHB-MLI: This can have a larger number of components as the voltage levels increase, resulting in more complex designs. MLI Topologies with a Reduced Switch Count: The symmetric MLI topologies, such as H-bridge and H-bridgeless configurations, require a balanced number of components, optimizing the system’s reliability while ensuring that the load can handle higher power levels. Asymmetric MLI Topologies: These reduce the switch count and complexity, offering a simpler design, but this may affect the system balance and performance.

2.5.4. Load Types

Basic MLI Topologies: DC-MLI: This is the best for low-power applications such as small electronics or low-capacity systems. FC-MLI: This is typically used in medium-power applications like renewable energy systems (e.g., solar PV inverters) where efficient voltage control is needed. CHB-MLI: This is used for high-power systems where multiple voltage levels are required for efficient operation. MLI Topologies with a Reduced Switch Count: Hybrid MLI Topologies: These are ideal for applications requiring a balance between their size, cost, and performance, such as industrial motor drives and electric vehicles (EVs), where high efficiency and a moderate power handling capacity are essential.

2.5.5. Performance Parameters

Basic MLI Topologies: DC-MLI: This performs well for low-frequency applications but suffers from a higher Total Harmonic Distortion (THD) as more power levels are added. FC-MLI: This performs better with a reduced THD due to the additional voltage levels but can suffer from capacitor balancing issues. CHB-MLI: This provides excellent harmonic reduction and high efficiency, especially in high-power applications, but its complexity and size can be a limitation. MLI Topologies with a Reduced Switch Count: Symmetric MLI Topologies: These offer improved performance in terms of voltage stability and the THD, making them suitable for high-voltage and high-power applications with moderate complexity. Hybrid MLI Topologies: These provide a satisfactory compromise between performance and complexity, making them ideal for EVs, industrial drives, and renewable energy applications where both the cost and performance are critical.

3. Impact of Mean Load Lifetime (MLLT) Analysis on Power Converter Design

Mean Load Lifetime (MLLT) analysis plays a critical role in predicting the lifespan of power converters. This analysis calculates the average load level a power converter will experience throughout its lifetime. It assesses the impact of this load on the wear and degradation of the converter’s components. MLLT analysis is especially important in high-power applications, serving as a key tool in optimizing the design and operational conditions to ensure the long-term reliability and efficiency of the device.
The importance of the MLLT (Mean Load Lifetime Test) analysis of power converters lies in its ability to predict the lifespan of critical components. The components in power converters, such as transistors, diodes, and capacitors, operate under certain load conditions. High currents and voltages expose these components to wear over time, significantly reducing their lifespan. MLLT analysis plays a vital role in predicting how long these components can function under the average load levels, thus providing a reliable estimate of their expected lifetime. Power converters, especially those operating at high switching frequencies, often face significant thermal challenges. As the load on these components increases, their temperature rises, which can shorten their operational lifespan. MLLT analysis helps assess the effectiveness of thermal management strategies, such as the design of cooling systems, and identifies the critical temperature levels necessary for optimizing the device’s longevity. Switching losses are another primary concern, particularly in systems with high switching frequencies, as these losses reduce the system’s efficiency and increase the thermal load, thereby accelerating the wear of components. MLLT analysis can estimate these losses and determine the optimal operating conditions that will minimize them. Finally, power converters are typically expected to operate under varying load conditions, and the duration of time they operate under load and the frequency with which they reach their highest load levels directly affect their lifespan. MLLT analysis accounts for these variations in the load profile and operational conditions, offering helpful insights throughout the design phase of power converters to ensure optimal performance and an extended device life.
The role of MLLT (Mean Load Lifetime Test) analysis in power converter design is crucial for enhancing the performance and longevity of these devices. MLLT analysis plays a significant role in evaluating and optimizing the design and operational conditions of power converters. By identifying the most suitable design parameters, MLLT analysis enables improvements that extend the device’s lifespan. For instance, operating components at lower load levels, efficiently managing the temperature, and reducing the switching frequencies are all strategies that can contribute to increasing the longevity of the converter. In addition to improving devices’ lifespan, MLLT analysis also aids in identifying strategies for enhancing efficiency and reducing energy consumption. Systems that operate at lower load levels generate less heat, which boosts the system efficiency and reduces the overall wear on components, thereby extending their lifespan. Moreover, power converters with longer lifespans help reduce maintenance and replacement costs. By optimizing energy consumption and improving the cost efficiency, MLLT analysis supports the development of systems that consume less energy and last longer, ultimately leading to significant cost savings over time [62].
The performance of various inverters is influenced by numerous factors, including the diversity of DC sources (VDC), load parameters, switching characteristics, losses, load types, Total Harmonic Distortion (THD) levels, efficiency, and transient voltage stability (TSV), among others. These factors significantly impact the operation and lifespan of power converters, yet they are often inadequately addressed in the context of MLLT (Mean Load Lifetime Test) analysis [63]. For example, the variability in DC sources leads to different voltage levels, which can directly affect the converter’s performance and place varying stress levels on its components. Similarly, the load parameters and switching characteristics affect the converter’s efficiency and the thermal and mechanical stress imposed on its components over time. Previous studies have emphasized the value of incorporating switching characteristics and DC voltage levels in the lifetime prediction models of inverters [35,36].
The MLLT analysis of power converters, including factors such as component load and wear, and thermal management, is summarized in Table 6. This table highlights the key aspects of MLLT and its application in power converter longevity and efficiency.
Furthermore, THD levels and efficiency play a pivotal role in determining power converters’ long-term reliability and operational lifespan. Higher levels of distortion and inefficiency accelerate the degradation of the components [37]. Expanding MLLT analysis to encompass these factors could yield a more precise prediction of a power converter’s lifespan under real-world operating conditions. Such an approach would provide a more comprehensive evaluation of the device’s reliability, particularly under diverse operational scenarios and environmental conditions.
MLLT analysis is critical for predicting the lifespan of power converters and enhancing these systems’ reliability. By evaluating the component wear, thermal challenges, and switching losses, this analysis ensures that the system can operate efficiently for an extended period. Incorporating MLLT analysis into the design of power converters results in devices that are more efficient, reliable, and long-lasting. Therefore, MLLT analysis plays a vital role in the design and maintenance processes of power electronics systems.

4. Modulation Techniques for Multilevel Inverters

Modulation techniques play a critical role in inverter performance, as they directly impact the overall system efficiency. The primary objective of a modulation signal is to generate the stepped waveform that best approximates the fundamental reference signal, which exhibits a sinusoidal profile with variations in its amplitude and frequency. By controlling the output voltage/current waveform, modulation techniques influence key performance metrics such as the switching losses and %THD.
With the advancement of MLI topologies, extending conventional modulation methods to multilevel converters presents a significant challenge. The inherent increase in controllable power semiconductor devices introduces additional complexity. However, the expanded switching state space provides additional degrees of freedom, enabling novel modulation strategies. Many modulation approaches have been created or modified based on the application and converter architecture, each with unique benefits and drawbacks.
Figure 17 shows a categorization of the most used modulation techniques for MLIs. We divide these approaches into two categories based on the switching frequency: high-switching-frequency techniques and basic-switching-frequency techniques.
  • Fundamental switching frequency modulation is characterized by one or two commutations per fundamental cycle. This category includes
    • Selective Harmonic Elimination (SHE);
    • Switching Angle Computation Techniques;
    • Space Vector Control (Nearest Vector Control, NVC);
    • Nearest Level Control (NLC).
  • High-switching-frequency modulation involves multiple commutations per cycle, with the switching frequencies typically exceeding 1 kHz [65]. This category includes
    • Carrier-Based Pulse Width Modulation (PWM);
    • Space vector modulation (SVM).
The following sections provide an in-depth analysis of both low- and high-switching-frequency modulation techniques, emphasizing their operational principles, performance characteristics, and implementation considerations.

4.1. Low-Frequency Switching Techniques

Low-frequency switching techniques are used in various power electronics applications, such as in power supplies, motor drives, and energy conversion systems. These techniques are instrumental when high-frequency switching is either unfeasible or undesirable due to considerations like electromagnetic interference (EMI), thermal losses, or component limitations [71].

4.1.1. Switching Angle Calculation Techniques

Switching angles are critical in minimizing harmonic distortion within the output voltage and current waveforms of multilevel inverters. The improper selection of switching angles can result in an increased Total Harmonic Distortion (THD), leading to degraded power quality and operational inefficiencies. Therefore, optimal switching angles are essential to enhance the power quality and synthesize an accurate output voltage waveform [72]. The switching angle can be interpreted as the moment of level transition in a stepped waveform. Figure 18 illustrates the generalized output voltage waveform of a CHB-MLI. This waveform exhibits odd-quarter symmetry, where the negative half-cycle is centrally symmetric to the positive half-cycle. An m-level inverter generally requires k = (m − 1)/2 primary switching angles. Determining the switching angles within the first quarter cycle (0–90°) is sufficient to derive the switching instances for the remaining quarters using symmetrical properties. You can compute the angles for different quadrants in the following way:
  • Second quarter (90–180°): Computed using the transformation θ′ = π − θ1;
  • Third quarter (180–270°): Determined using θ″ = π + θ(m − 1)/2;
  • Fourth quarter (270–360°): Derived from θ‴ = 2π − θ1.
To optimize the switching angles, several established computational approaches are employed. The four principal methods for switching angle determination are
  • The Equal Phase (EP) Method;
  • The Half Equal Phase (HEP) Method;
  • The Half-Height (HH) Method;
  • The Feed-Forward (FF) Method.
The following sections will elaborate on these methodologies, outlining their mathematical formulations, optimization criteria, and practical implementation strategies.
Equal Phase (EP) Method
The Equal Phase (EP) Method is the most straightforward approach for distributing switching angles uniformly within the 0−π range. The primary switching angles are determined using the following equation:
θ i = i 180 / m   where ,   i = 1 , 2 ( m 1 ) / 2  
In this method, the angles are narrowly spaced, resulting in a waveform that resembles a triangular shape. This triangular waveform is a significant drawback of the EP Method, leading to a higher THD than that of the other methods.
Half Equal Phase (HEP) Method
To mitigate the disadvantage of the Equal Phase (EP) Method, the Half Equal Phase (HEP) Method is employed. This technique determines the primary switching angles over a broader range, ensuring more refined voltage waveform generation [73]. Despite its advantages, the output voltage waveform produced using the HEP Method does not closely resemble a sinusoidal waveform. Below is the mathematical formulation for calculating the primary switching angles during the first quarter cycle.
θ i = i 180 / m + 1   where ,   i = 1 , 2 ( m 1 ) / 2
Half-Height (HH) Method
To address the shortcomings of the Equal Phase (EP) Method and the Half Equal Phase (HEP) Method, a new way to calculate the switching angle, called the Half-Height (HH) Method, has been created for multilevel inverters (MLIs) [73]. This method was formulated based on sinusoidal characteristics. The switching angle is generated when the function value reaches half of the peak amplitude. We provide the mathematical expression below to determine the switching angles under the HH Method.
θ i = sin 1 2 i 1 m 1   where ,   i = 1 , 2 ( m 1 ) / 2
One important feature of this method is that the output waveform has a larger space between the positive and negative halves, which affects the harmonic profile and frequency distribution of the created voltage waveform.
Feed-Forward (FF) Method
By employing the Equal Phase (EP), Half Equal Phase (HEP), and Half-Height (HH) Methods, it becomes evident that the output waveform exhibits wider gaps between the positive and negative half-cycles. To mitigate these gaps and enhance the waveform quality, an alternative switching angle calculation method, the Feed-Forward (FF) Method, has been introduced [73]. This method aims to optimize the switching angles to achieve a more continuous waveform structure. We provide the general mathematical expression below for determining the switching angles using the FF Method.
θ i = sin 1 2 i 1 m 1 2   where ,   i = 1 , 2 ( m 1 ) / 2
For multilevel inverter configurations ranging from 3 levels to 35 levels, the THD values of the output voltage, calculated using all the methods, are presented in Table 7. The Half-Height (HH) Method yields the lowest THD value, demonstrating its superior effectiveness in harmonic reduction.

4.1.2. Selective Harmonic Elimination (SHE)

Converters are usually controlled by low-switching-frequency algorithms that run at below 1 kHz for high-power applications. If traditional carrier-based PWM methods are used at low frequencies, the output voltage will have unwanted low-order harmonics, which can cause distortion and lower performance. A well-established low-switching-frequency PWM technique developed for conventional converters is Selective Harmonic Elimination (SHE). In this method, a small number of specific switching angles (usually between three and seven) are chosen within a quarter of the main cycle, making sure that unwanted low-order harmonics are removed using Fourier analysis [74].
Fundamentally, the SHE method expresses the predefined switched waveform (with unknown switching angles) in terms of a Fourier series expansion. This step leads to the formulation of a set of nonlinear transcendental equations. We then solve these equations offline using numerical methods to identify the optimal switching angles that minimize harmonic distortion. The concept of SHE (Selective Harmonic Elimination) has also been extended to multilevel waveforms [31]. The basic idea remains the same: a predefined voltage waveform with a fixed number of switching angles is generated by the converter, as shown in Figure 18. By correctly calculating these switching angles in advance, several undesirable low-order harmonics can be eliminated from the output voltage. We obtain k controllable degrees of freedom (corresponding to k equations) with k switching angles in a quarter cycle. One of these equations controls the fundamental voltage, while the remaining (k − 1) equations are used to eliminate the unwanted/selected harmonics. In the multilevel SHE method, as in the conventional SHE method, one can obtain the corresponding Fourier coefficients of the predefined waveform by calculating the unknown variables (switching angles) from the equations.
h n = 4 V d a n π i = 1 k cos n θ i
where hn represents the amplitude of the nth harmonic. The switching angles must satisfy the θ1 < θ2 < … < θk < π/2 condition. A value of zero is set for the harmonics that must be removed. Then, to cover different modulation indices (amplitudes for the fundamental component), the system of equations is repeatedly solved numerically. After that, a table containing the solutions (angles) modulates the converter.
As an example of a three-level converter, such as a cascaded H-bridge, a typical waveform considering three switching angles (θ1 < θ2 < θ3 < π/2) is shown in Figure 19. The Fourier series corresponding to the waveform in the figure is as follows:
v a N = 4 V d a π n = 1 1 n cos n θ 1 + cos n θ 2 + cos n θ 3 sin ( n ω t )
Equation (7) shows that the Fourier series in Equation (6) can be extended into three distinct equations. The first equation represents the fundamental component. The remaining equations are set to the appropriate low-order harmonics to be removed and set to the desired modulation index. To eliminate the fifth and seventh harmonics, the fifth and seventh coefficients are set to zero in this case.
M π 4 = cos θ 1 + cos θ 2 + cos θ 3 0 = cos 5 θ 1 + cos 5 θ 2 + cos 5 θ 3 0 = cos 7 θ 1 + cos 7 θ 2 + cos 7 θ 3
In this context, we denote the modulation index as M. Often, people do not use SHE to eliminate the third harmonic and its multiples, as the three-phase load connection naturally eliminates them. To show that the fifth and seventh harmonics have been successfully removed, Figure 20 shows the output voltage, the angles used, the related spectrum, and the application diagram.
The voltage waveform in higher-level converters, like CHB converters, has a step-like shape because it uses SHE (Selective Harmonic Elimination) modulation, which is also called step or staircase modulation. The core concept is similar to that of conventional SHE, but the key difference is that a specific angle is assigned to each inverter cell. This method links each cell at certain angles to create a multilevel output waveform with minimal commutations. Figure 21 demonstrates the operation of multilevel SHE. Using the same SHE principles can determine the only required angle for each power cell.
The primary advantage of using the SHE method is the reduction in switching losses, as fewer switches are activated per period. Eliminating low-order harmonics also allows for smaller, lighter, and more cost-effective output filters. SHE requires the use of numerical methods for solving various modulation indices, which involve large offline computations. As real-time execution is impossible with current microprocessors, the solutions are stored in a table, and values are interpolated for unresolved indices. Due to this, SHE-based modulation is unsuitable for applications requiring high dynamic performance. Recent advancements in algorithms and solution techniques for the SHE-PWM formulation have focused on optimizing and finding multiple solutions, as discussed in the following section (Figure 22).
Numerical Approaches
Numerical methods are fast, iterative techniques for finding optimal solutions, but they rely on initial estimates and can get trapped in local minima. Early approaches to solving SHE-PWM equations used iterative methods like the Newton–Raphson method [75], with the use of predictive and Bayesian [76] models aiding initial estimates. Advanced methods, including Walsh functions [77], homotopy algorithms [78], and gradient optimization [79], still face initial estimation challenges.
Estimating the initial values is feasible for simple waveforms but difficult for complex inverters with many switching angles. Numerical techniques often fail to capture multiple solutions. Walsh function analysis makes calculations easier by turning complicated equations into simpler linear ones, and harmonic amplitudes can be applied using digital curve fitting [80].
Achieving a global solution requires the adjustment of the initial conditions, but limiting changes to a single angle may miss solutions involving multiple angles. How accurate the results are relies on the PWM sampling points, and while this makes calculations more complex, using pulse block functions helps manage adjustments for multiple angles.
Algebraic Methods
Algebraic methods can overcome the limitations of numerical methods and obtain solvable solutions to the SHE-PWM equations without requiring initial values. Changing the complex equations of the SHE problem into simpler polynomial equations using trigonometric identities is a well-known approach and has been researched for both two-level and multilevel waveforms [81]. The SHE equations are converted into an equivalent polynomial system by assuming x1 = cos(α1), x2 = cos(α2), …, xi = cos(αi). We then apply the Result Theory to find all the solutions for the switching angles of a specific SHE-PWM waveform. To reduce the computational load, the degree of the polynomial equations can be reduced by using symmetric polynomials [69] or power sums [82]. Another approach is Wu’s method, which can transform polynomial equations into a characteristic triangular set with the same zero set as the original ones using symmetric polynomial theory [83]. A procedure for solving SHE-PWM equations can be determined using the expansion theorem in Groebner basis theory, and all suitable solutions can then be found.
The main limitations of algebraic methods are as follows [83]:
  • As the number of harmonics to be eliminated increases, the degree of the polynomials also increases. Therefore, these methods are readily applicable only when a few harmonics are considered. As the number of harmonics (or switching angles) to be considered increases, the degree/order of the polynomials rises, which increases the computational load and causes a decrease in efficiency.
  • When there are multiple DC sources, the degrees of the polynomials become substantial, significantly increasing the computational load of the resulting polynomials (as required by elimination theory).
  • Suppose multilevel inverters with unequal DC voltage sources are considered. The transcendental equations are no longer symmetric in this case, and a series of high-degree equations must be solved. Determining the solution to these equations exceeds the capabilities of contemporary computer computations.
Meta-Heuristic Algorithms
Meta-heuristic algorithms use nature-inspired computational techniques to solve complex optimization problems [84]. These iterative, population-based methods minimize the reliance on initial guesses and are easily implemented in MATLAB R2020b. or similar software. Their success depends on defining a practical objective function.
Intelligent optimization methods have recently gained popularity for solving SHE-PWM problems by reformulating them as constrained optimization tasks. Techniques like Differential Evolution (DE) [85] and random search-based minimization [86] have been applied to find the optimal switching angles.
Various optimization methods have been successfully used for SHE-PWM, including the Genetic Algorithm (GA) [87], Particle Swarm Optimization (PSO) [88], the Firefly Algorithm (FA) [89], Ant Colony Optimization (ACO) [90], the Clonal Selection Algorithm (CSA) [91], the Dwarf Mongoose Optimization Algorithm (DMO) [92,93], the Weevil Damage Optimization Algorithm (WDOA) [94], the Dung Beetle Optimizer (DBO) [95], the Bonobo Optimizer (BO) [96,97,98], the Gray Wolf Optimizer (GWO) [99], and the Red Deer Algorithm (RDA) [100,101]. The reasons for the popularity of intelligent optimization methods can be defined as follows:
  • They have lower requirements than numerical methods for solving PWM formulations or are less dependent on determining initial values. The demand for this arises due to the increasing use of high-power converters in various applications and the inadequacy of methods requiring initial values in such situations.
  • Due to the significant development of artificial intelligence techniques over the last few decades, these methods are easy to understand and implement.
Meta-heuristic methods can solve SHE-PWM equations without needing starting values, but they require the careful adjustment of settings and take longer to find solutions compared to numerical methods. A key challenge in real-time applications is uncertainty about the presence of feasible solutions and whether a failure is due to the algorithm settings or the absence of a valid solution. Thus, developing new meta-heuristic algorithms is essential.
Other Improved Methods for Real-Time/Online SHE-PWM Applications
Most SHE-PWM solution techniques rely on offline computation, making real-time implementation challenging due to the equation complexity. However, precomputed switching angles can be applied using simple models or interpolation [102].
Regularly sampled PWM suits simple applications but struggles with nonlinear optimization [103]. Piecewise linear [104] and curve fitting [105] models simplify switching angle representation but depend on the segment accuracy and continuity. Microprocessor-based methods need a lot of memory and processing power for timing tasks, while ANN-based approaches do not need a microprocessor but need a lot of training to be performed beforehand [106].
Model Predictive Control (MPC) allows for the quick removal of harmonics at low switching frequencies, but it takes longer for computation and needs to get rid of the DC component [107]. Chebyshev polynomial-based models can be used digitally but are restricted to only a few switching angles [88].
The SHE-PWM solution methods fall into four categories: numerical methods, algebraic methods, meta-heuristic algorithms, and real-time applications. Research on meta-heuristic algorithms is expanding rapidly, as shown in Figure 22.

4.1.3. Nearest Vector Control

Not to be confused with the motor drive control approach of the same name, Nearest Vector Control (NVC) is another low-switching-frequency modulation method. People have suggested it as a substitute for staircase modulation and SHE. NVC was presented as an alternative to the SHE method, which is known for its poor dynamic performance and offline requirements, as a low-switching-frequency modulation approach [16].
The main idea is to take advantage of the high-level voltage vectors created by a multilevel converter by finding the reference that is closest to the available vector in the α-β plane, which eliminates the need for modulation. Since this avoids averaging the reference across time, we refer to this approach as Nearest Vector Control instead of modulation.
Figure 23 illustrates the working principle of NVC for an 11-level multilevel inverter. Each circle represents the possible voltage vectors that the inverter can generate, and these vectors are enclosed within hexagons that define the boundaries of their respective closest vector regions. The red dashed line indicates the reference trajectory of the voltage space vector along the complex plane. Thus, the inverter will generate the corresponding vector when the reference falls within a specific hexagon. In the illustrative example in Figure 23, the selected vectors are highlighted in blue.

4.1.4. Nearest Level Control

Nearest Level Control (NLC), the rounding method, is the time-domain counterpart of the nearest level vector per phase [107]. The closest voltage level that the inverter can produce is chosen based on the intended output voltage reference, essentially applying the same technique to voltage levels rather than space vectors.
Unlike Space Vector Control (SVC), where the three phases are controlled directly by selecting vectors, NLC controls the three phases independently using their respective 120° phase-shifted references. The main advantage of NLC is that finding the nearest level is much simpler than finding the nearest vector. The NLC algorithm is a significantly simplified method compared to the NVC technique. We reduce the selection of the output voltage level per phase to the following simple expression.
  n e a r e s t   l e v e l = v a N = V D C f round
Here, V*, the reference voltage for the phase output, is normalized by VDC, the voltage difference between the two levels; this reference value is usually the DC link voltage in a cascaded H-bridge. Next, a rounding function, an integer function, is used to evaluate the normalized number. To round x to the closest integer, the function fround(x) is defined. For half-integer values, this definition is unclear. Therefore, we introduce an additional rule: we always round them to the nearest even number. Consider the following: fround (1.5) = 2.
To get the value closest to the reference voltage, the inverter takes the integer closest to it and multiplies it by VDC. Figure 24a shows how a sinusoidal reference works in the first quarter cycle, with the maximum approximation error at VDC/2. Figure 24b illustrates voltage generation using the closest level, where rounding causes a single commutation between levels, leading to a high dv/dt. Since this method does not track references via time-averaged synthesis, it is not a true modulation technique but rather an approximation strategy, valued for its simplicity and efficiency.
Although the NLC technique resembles staircase modulation, it cannot eliminate specific harmonics, making it ineffective for low-level or multilevel converters due to their high number of low-order harmonics. To address this, an adaptive modulation approach integrates duty cycle calculation into the closest level control.

4.2. High-Frequency Switching Techniques

High-frequency switching techniques are crucial in power electronics, particularly in applications such as power supplies, motor drives, and communication systems. These techniques help improve efficiency, reduce the size and weight, and enhance performance. Below are some key high-frequency switching techniques [73,108,109]:

4.2.1. PWM Algorithms

Pulse Width Modulation (PWM) is a widely used technique in power electronics to control the voltage and current in applications like motor drives, inverters, and power supplies. Different PWM algorithms optimize performance based on efficiency, harmonics, and switching losses.
Phase Shift PWM
The phase-shifted Pulse Width Modulation (PSPWM) method is an obvious development from the traditional PWM methods developed for CC and CHB converters, respectively [18]. Two types of PWM approaches may be used: standard bipolar and unipolar approaches. FC cells are two-level converters, whereas CHB cells are three-level inverters.
Each cell may be separately modulated using the same reference signal because of the modularity of these topologies. The carrier signals of neighboring cells undergo a phase shift, resulting in a phase-shifted switching pattern. Joining these components produces a stepped multilevel waveform. Evidence suggests that a phase shift of 1800/k for a CHB converter and 3600/k for an FC converter, where k is the number of power cells, provides the least distortion. The fact that CHB cells produce three voltage levels while FC cells produce two is the reason for this distinction. See Figure 25 for an example of a seven-level CHB and how it works.
Since all the cells are controlled with the same reference and carrier frequency, the switching device utilization and the average power distributed across each cell are equal. In CHB converters, multi-pulse diode rectifiers can reduce the input current harmonics. For CC converters, the benefit of an equal power distribution means that when the clamping capacitors are charged correctly, there is no imbalance because this design automatically balances itself, so there is no need to manage the DC link voltage [18].
Another intriguing aspect is that the overall output voltage displays a switching frequency of k times the individual cell switching frequencies. The carriers’ phase changes cause this multiplication effect. This feature allows for k-times-lower carrier frequencies, improving the THD at the output. Figure 26 shows the technique for implementing the produced waveform displayed in Figure 25.
Level Shift PWM
An obvious development from bipolar PWM for multilevel inverters is level-shifted PWM, or LS-PWM. When deciding between the positive and negative DC buses, bipolar Pulse Width Modulation (PWM) in a voltage-source inverter usually compares a carrier signal to a reference. An m-level inverter, which applies this concept generally, needs u − 1 carriers, where m is the number of levels.
Instead of using phase shifts, the LS-PWM technique arranges carriers using vertical shifts. We call each carrier “level-shifted” because it alternates between two different voltage levels. By sending the control signal to the correct semiconductors, which then produce the needed levels, the same bipolar PWM idea can be applied since each carrier is connected to two levels. The carriers encompass all the possible amplitude ranges that the converter can output.
In the Phase Disposition PWM (PD-PWM) method, also known as In-Phase Disposition (IPD-PWM), all the carrier signals are arranged using vertical shifts while remaining in phase. In the Phase Opposition Disposition PWM (POD-PWM) method, all the positive carriers are in the same phase, while all the negative carriers are in the opposite phase. In the Alternate Phase Opposition Disposition PWM (APOD-PWM) method, adjacent carriers are arranged alternately in opposite phases (one in phase, the next in opposite phase).
For a five-level inverter (which requires four carriers), examples of these arrangements are shown in Figure 27a–c. Because each carrier signal can easily connect to the two power switches of the converter, this modulation method is useful for neutral-point-clamped (NPC) converters, which are also known as diode-clamped (DC) converters. Figure 28 provides a qualitative illustration of a three-level NPC converter. Figure 28a shows that when the reference value is greater than both carrier signals, the upper switches connecting the road to the positive bus are turned ON. The output connects to the neutral point (N) when the reference value falls between the two carrier signals. Finally, when the reference value is lower than both the carriers, the lower switches connecting the load to the negative bus are turned ON. The control scheme that implements this algorithm is illustrated in Figure 28b.
Less distortion in the line voltage than in the PWM method results from all the carriers in the LS-PWM approach being in phase [110]. Furthermore, since LS-PWM relies on the output voltage levels of an inverter, it can adapt to any MLI architecture. For CHB and NPC structures, however, this approach is not recommended, as it results in an uneven power distribution across many cells. Using LS-PWM generates distortion in the inverter input current in a CHB architecture. In an NPC topology, a capacitor imbalance is yielded.
Hybrid PWM Method
Hybrid PWM (HPWM), as defined by Holmes and Lipo [110], is an extension of the PWM approach used for CHB converters employing uneven DC sources. Lower switching losses in the converter can be achieved by lowering the frequency at which higher-power cells switch. Therefore, rather than employing high-frequency carrier-based PWM approaches for all the cells, higher-power cells are switched at a low frequency using square wave patterns; only small power cells are controlled using unipolar PWM.
For example, consider a CHB inverter with three cells per phase, where the three unequal DC source voltage values satisfy V1 < V2 < V3. The control scheme in Figure 29 shows that square wave operation for cell 3 can be achieved simply by comparing the reference with ±h3 = ±(V1 + V2). As can be seen, the output of the comparator can produce three voltage levels at the output of this cell: −V3, zero, or +V3. When using a sinusoidal reference, the output voltage for cell 3 from this comparator changes at the main frequency, switching on and off once each cycle, as shown in Figure 30a. For a three-cell inverter, the optimal asymmetry sequence that meets these conditions is V1:V2:V3 = 1:2:6. Figure 30d illustrates how these input voltage values can generate 19 different output voltage levels.

4.2.2. Space Vector Modulation Algorithms

A fundamental PWM technique is the space vector modulation (SVM) method. Instead of using the time-based method for each phase like in the earlier approaches, the switching times determined using the SVM method are calculated using the three-phase space vector representation of the reference and the inverter switching states.
Inverter’s State-Space Vector Representation
Equation (9) shows how three-phase variables come together to create a unique vector in the α-β complex plane.
  v s = 2 3 v a + a v b + a 2 v c
The variable is represented by α = 1 2 + j 3 2 . In Equation (9), by varying the phase output voltages ( v a , v b , v c ) for each possible switching frequency obtained, the inverter’s state-space vectors are obtained. An example of a three-phase, three-level KK inverter is shown in Figure 31. Since the CC converter has three phases and three output levels, 27 state-space vectors can be generated from 33 possible combinations (generally, the number of state-space vectors for a three-phase m-level converter is m3).
However, only 19 of these 27 vectors are distinct, and 8 are redundant switching states. The zero-state vector contains three redundancies, while six short-state vectors have two. For instance, the zero vector can be obtained in three ways: (1) by connecting the phases to the positive bus corresponding to the (+, +, +) switching state ( v a = v b = v c = + V D C ); (2) by connecting the phases to the neutral point corresponding to the (0, 0, 0) switching state ( v a = v b = v c = 0 ); (3) by connecting the phases to the negative bus corresponding to the (−, −, −) switching state ( v a = v b = v c = V D C ). From a load perspective, the redundant vectors have the same effect, and it does not matter which one is used. However, from the inverter’s perspective, these are different switching states, providing an additional degree of freedom for other control purposes.
Since the possible output voltage levels of the inverters are fixed (−VDC, zero, and +VDC), the state-space vectors are also fixed. While only seven different space vectors can be obtained for a conventional two-level voltage-source inverter [74], adding a third level generates nineteen different space vectors in neutral-point-clamped converters. The number of state-space vectors increases disproportionately with the number of levels, and a denser state-space vector representation is obtained in the α–β plane. This is directly related to the improvement in the output power quality. Likewise, more levels allow for a denser coverage of the amplitude range in the time representation per phase.
Space Vector Modulation Algorithms for Multilevel Balanced Systems
Space vector modulation mixes the inverter’s three state-space vectors in a way that their average over time matches the reference space vector. To obtain a temporal average of the reference in the phase-domain representation, PWM aggregates the levels. The concept of space vector modulation can be simplified as follows:
  v s = 1 τ s t 1 v 1 + t 2 v 2 + t 3 v 3
Here, T s = t 1 + t 2 + t 3 is a fixed modulation period similar to the carrier period in DGM, and v 1 ,   v 2 , and v 3 are the three vectors closest to the reference (highlighted in red in the illustrative example shown in Figure 30). The problem is then reduced to finding the closest vectors to the reference and an algorithm that can compute each vector’s ON times, t1, t2, and t3. Once these are calculated, each vector is produced for the duration corresponding to the desired time average over Ts, which equals the reference.
There are extra challenges, like using the vector redundancies to lower the switching frequency with a certain order of vector production or to manage the DC link voltage imbalance.
Several space vector modulation (SVM) methods have been published based on earlier ideas. The methods by which the closest three vectors are chosen and the switching times are computed, the order in which the vectors are generated, and the amount of computing power needed to execute these algorithms vary. A coordinate transformation was introduced to the α-β plane which shifts the β axis from 90° to 60° in relation to the d axis; this transformation is known as hexagonal coordinates or the h-g plane [111]. The advantage of this transformation is that when normalized, each vector can be expressed using two integer values in the h and g axes rather than fractional complex components in the β axis. This modification greatly simplifies the process of selecting the three nearest vectors, as they can be located using rounding functions (floor and ceiling). Furthermore, the fractional parts of the reference in the h and g axes provide an easy way to obtain the ON times.
A different SVM technique based on an iterative approach has been introduced [111]. The primary distinction is that basic geometric concepts guide the computation of the space vectors and ON times. This geometric method further reduces the computing cost by avoiding rotation in the iterative procedure. Furthermore, the minimal computing cost of this approach is constant and independent of the converter’s level count [112].
Using the normalized reference voltage vector as the input, the geometric modulation technique stays independent of DC link voltages and converter voltage levels. Thus, where np is the number of levels in the multilevel converter, the state-space vectors of the converter are positioned in the control area at geometric positions expressed by values between 0 and np − 1. Additionally, this reference voltage is adjusted again, and the imaginary part is scaled and divided by the value, which creates a control area shaped like a triangle slanted at 45°. This lets elementary online computations find the ON times and switching sequences.
As outlined in Table 8, various Pulse Width Modulation (PWM) techniques present distinct advantages and limitations based on their specific application and operational requirements. Sinusoidal PWM (SPWM) is characterized by its simplicity and ease of implementation, offering good efficiency under normal conditions. However, at lower modulation indices, it tends to produce a higher THD, which limits its effectiveness in high-power applications where lower harmonic distortion is critical. In contrast, space vector modulation (SVM) provides superior performance by reducing the switching losses and minimizing harmonic distortion, making it ideal for high-performance applications. However, its computational complexity and reliance on offline calculations prevent real-time execution, which may limit its applicability in specific systems. SHE-PWM offers significant reductions in the THD by selectively eliminating specific harmonic frequencies. However, this method requires extensive numerical calculations that are unsuitable for real-time control, restricting its use in dynamic systems. Carrier-based PWM is a straightforward method that can be implemented for both single-phase and three-phase systems. However, its efficiency tends to decrease in high-power applications due to the need for additional filtering. Finally, modified PWM enhances efficiency and reduces harmonic distortion compared to traditional methods. However, it necessitates careful tuning to optimize performance and may not be universally applicable across all system types. Choosing the right PWM technique depends a lot on the specific needs of the system, like the limits on harmonic distortion, efficiency goals, how complex the system is, and the need for real-time performance.

5. Harmonic Distortion and Output Filter Design in Multilevel Inverters

5.1. Harmonic Distortion in Multilevel Inverters

Multilevel inverters (MLIs) naturally lower harmonic distortion by creating several distinct voltage levels, making the output waveform closer to a smooth sine wave compared to regular two-level inverters. However, issues like switching errors, uneven voltage levels, and nonlinear loads (like those caused by diode rectifiers and thyristor loads) can still produce leftover harmonics. These harmonics can increase the Total Harmonic Distortion (THD), cause electromagnetic interference (EMI), and lower the power quality, which can negatively impact the system performance and reliability [10].

5.2. Output Filter Design Principles

To address harmonic issues, the integration of an LC output filter is critical. The filter works like a low-pass filter, reducing high-frequency switching harmonics while allowing the main frequency to pass through with little loss and distortion.
The cutoff frequency of the LC filter is determined by
  f c = 1 2 π L C
where L is the inductance and C is the capacitance. The design goal is to position fc above the fundamental frequency (50 or 60 Hz) and below the inverter’s switching frequency (typically several kHz to tens of kHz). Damping resistors may be included to suppress resonance and improve the system stability, especially under nonlinear load conditions.
This configuration ensures the following:
  • The significant attenuation of high-frequency switching harmonics beyond the filter’s cutoff frequency, thereby improving the spectral purity of the output voltage.
  • The main voltage remains mostly unchanged in its strength and timing, making sure that power is delivered accurately to the load.
  • A reduction in electromagnetic interference (EMI), achieved by smoothing out quick changes in the voltage (dv/dt), which helps lower unwanted signals that can travel through power connections.

5.3. Achieving Pure Sinusoidal Output Under Nonlinear Loads

Nonlinear loads create current harmonics that can affect inverter output impedances, which may lead to higher voltage distortion. An effective LC filter mitigates these effects by smoothing the output voltage waveform and minimizing the THD. Advanced methods like Selective Harmonic Elimination PWM (SHE-PWM) and space vector modulation (SVM), along with the right filter design, improve the inverter’s ability to produce a smooth sinusoidal output even when faced with difficult nonlinear loads.
Well-designed MLI systems with output filters meet international standards like IEEE 519 [113] and IEC 61000 [114], making sure they work well with the power grid and do not cause electromagnetic interference (EMC). Such compliance is particularly crucial in emerging applications, including renewable energy integration, electric vehicle drives, and industrial motor control, where stringent power quality requirements must be met. Table 9 lists important factors and design tips for output filters in multilevel inverters, highlighting how they help reduce harmonics and improve the power quality.

6. Applications for Multilevel Inverters

This section explores the key applications of multilevel inverters in renewable energy systems, electric vehicles (EVs), and industrial motor drives, highlighting their functional significance and advantages. Their role in enhancing efficiency and reliability in energy conversion systems has driven extensive research and development. Multilevel inverters are essential for integrating renewable energy sources into the grid, efficiently converting DC power into AC with minimal harmonic distortion. Their use ensures grid stability and supports the transition to sustainable energy solutions.
In EVs, multilevel inverters improve the power conversion efficiency, directly impacting the vehicle range and performance. Optimized energy conversion enhances the “kilometers per weight” metric, making EVs more efficient and appealing to consumers. With increasing industrial energy demands, multilevel inverters enhance the power quality, reduce system losses, and lower environmental impacts. Their integration into Flexible AC Transmission Systems (FACTSs) further optimizes industrial efficiency.

6.1. Applications in Renewable Energy Systems

Due to concerns about fossil fuel depletion and pollution, the focus has shifted to renewable energy sources. Wind, solar, biomass, geothermal, and hydraulic energy are key alternatives, with wind energy systems and solar PVs proliferating due to their availability and cost-effectiveness. Efficient energy conversion and grid integration are crucial for maximizing renewable energy use [125,126,127].
Multilevel inverters enhance energy harvesting and grid connection by reducing harmonic distortion and enabling high-voltage operation without step-up transformers, lowering the costs and improving reliability. In wind energy systems, they optimize power conversion with fewer switching devices. Despite their benefits, research on using multilevel inverters in renewables remains limited. Environmental factors like dust and temperature variations affect their performance, requiring robust control strategies. Advancements in inverter technology will be essential for the future of renewable energy integration [128].

6.1.1. Solar Photovoltaic Systems

Multilevel inverters are essential in solar photovoltaic (PV) systems, converting DC from solar panels into AC for grid integration and applications. Their ability to reduce harmonic distortion and improve the power quality makes them superior to traditional two-level inverters.
The solar PV output depends on the temperature and irradiance, requiring Maximum Power Point Tracking (MPPT) for optimal energy extraction [128]. Advanced inverter technologies enhance the system efficiency, such as modular multilevel inverters with their storage capacity and cascade inverters with their novel switching capabilities.
Despite benefits like reduced energy loss and minimized flicker, multilevel inverters are complex and costly due to their high number of switches. However, their advantages in improving solar energy conversion and grid stability outweigh these challenges. Future research will focus on optimizing control strategies, new topologies, and performance improvements for solar PV applications.

6.1.2. Wind Energy Conversion Systems

Wind energy conversion systems (WECSs) convert wind power into electricity for grid integration. Wind energy is a fast-growing renewable source due to its sustainability and low environmental impact. Multilevel inverters play a crucial role in WECSs, ensuring grid compatibility by reducing harmonics and enhancing scalability.
Wind turbines generate variable AC power, which must be stabilized for grid use. To make the system work better and more reliably, multilevel inverters are used with fixed-speed induction generators, variable-speed doubly fed induction generators (DFIGs), and permanent-magnet synchronous generators (PMSGs).
Using a 15-level modular multilevel converter (MMC) in a single-phase wind energy inverter (WEI) removes the requirement for capacitor banks and FACTS devices while keeping the power factors (PFs) stable and reducing harmonics. The proposed system regulates active and reactive power transfer using a back-to-back converter, ensuring compliance with IEEE standards. As the number of wind turbines increases, multilevel inverters provide a scalable solution to address grid challenges like harmonics and PF issues [129].

6.1.3. Applications in Motor Drives

Multilevel inverters are ideal for use in high-voltage, high-power motor drives, including industrial and electric vehicle (EV) applications. They enhance the propulsion system efficiency, improve torque control, and reduce mechanical vibrations. Their adaptability allows for integration with various AC and DC motor types.
Industries such as the automotive, marine, and metal processing industries benefit from multilevel inverters for their efficiency and ability to handle high-power demands. Their use in EVs and off-highway vehicles enables energy-efficient drivetrains and integration with alternative energy sources.
Despite their added system complexity, multilevel inverters outperform traditional two-level inverters in high-voltage (>1 kV) and high-power (>100 kW) applications. They support various motor types, including AC induction, PMSM, switched reluctance, and DC motors, optimizing performance through advanced control strategies [130].

6.2. Industrial Motor Drives

Multilevel inverters are essential in high-power industrial motor drive applications, offering significant advantages over conventional two-level inverters. They provide superior speed and torque control, enhancing precision, dynamic performance, and energy efficiency. This makes them ideal for the automotive manufacturing, robotics, and semiconductor processing industries, where high control precision and reliability are crucial [131].
These inverters are widely used in systems like plastic injection molding machines, textile manufacturing systems, and rolling mills due to their reduced harmonic distortion and improved system efficiency. However, they come with challenges, including complex control algorithms, higher costs, and potential reliability concerns due to an increased number of power semiconductor devices. To address these issues, advanced control strategies, fault detection methods, and thermal management are necessary.
In the future, research will aim to make modulation techniques better, increase fault tolerance, and use advanced semiconductor technologies like SiC and GaN to improve the performance, efficiency, and cost-effectiveness in multilevel inverter systems [132].

6.3. Power Filters

The increasing integration of nonlinear loads in electrical power systems is a primary contributor to harmonic distortion, leading to several adverse effects, including the excessive heating of electrical components, the erroneous operation of sensitive equipment, and increased power losses. People have widely adopted active power filters (APFs), also known as active harmonic filters (AHFs), as an effective solution to mitigate harmonic distortion. Power electronic-based switching converters play a crucial role in harmonic compensation by generating the required reference current to counteract harmonic disturbances introduced by rectifiers and other nonlinear loads.
Two fundamental configurations of APFs are available: shunt and series configurations. A shunt APF injects compensating currents at the load busbars to neutralize the harmonic content. In contrast, a series APF compensates for voltage distortions at the load terminals, improving the overall power quality. Multilevel inverters have emerged as a highly advantageous topology for implementing APFs because they can generate near-sinusoidal voltage waveforms with minimal harmonic content. Through appropriate modulation techniques, multilevel inverters can achieve a high filtering performance while operating with fewer switching transitions, thereby minimizing the switching losses and improving the system efficiency [133,134,135].
As the number of voltage levels in a multilevel inverter increases, the THD decreases monotonically, improving the waveform quality. Multilevel inverters enable the realization of APFs without requiring additional passive filtering stages, as demonstrated through simulation and experimental validations. These inverters employ multiple series-connected power semiconductor switches to synthesize the desired voltage and current waveforms, significantly reducing the need for bulky passive components.
Multilevel inverter topologies are classified into three major categories: diode-clamped (neutral-point-clamped, NPC), capacitor-clamped (flying capacitor, FC), and cascaded H-bridge (CHB) topologies. Each topology exhibits unique operational characteristics and is selected based on application-specific requirements such as its voltage levels, its power rating, and efficiency considerations. Diode-clamped multilevel converters have been extensively employed in medium-voltage applications due to their well-established performance and reliability. Additionally, multilevel converters can be connected in series to attain higher voltage ratings, facilitating their deployment in high-power applications.
A key advantage of multilevel inverter architectures is their modularity, enabling scalable implementations and the possibility of extending the voltage levels to near-unlimited configurations. This modular nature allows multilevel converters to enhance the power quality, mitigate harmonic distortion, and improve dynamic stability at the utility grid’s point of common coupling (PCC). Over the past few decades, extensive research has led to the development of advanced multilevel inverter topologies tailored for high-power applications, reinforcing their role as a preferred solution for modern power electronic systems [128].
Voltage regulation is a crucial aspect of power conversion, especially in transmission networks and grid-connected systems. MLIs play a significant role in achieving superior voltage regulation by generating high-quality voltage waveforms with minimal harmonic distortion. This feature is particularly beneficial in applications requiring stable voltage levels despite fluctuations in generation or the load [136,137].

6.4. Integration with Energy Storage Systems

The integration of energy storage systems with multilevel inverters enhances the stability and performance of renewable energy systems, such as wind and solar power. Multilevel inverters facilitate the integration of various energy storage systems, including batteries, flywheels, and supercapacitors. While integration offers numerous advantages, challenges concerning compatibility, efficiency, and complex control strategies remain. Ongoing research aims to optimize these systems to enable better performance and broader application [138,139,140].

7. Conclusions

Multilevel inverters have emerged as a crucial technology in modern power electronics, offering significant advantages over conventional two-level inverters in terms of their voltage waveform quality, reduced harmonic distortion, and enhanced efficiency. This literature review has examined various multilevel inverter topologies and control strategies and their wide range of applications.
Among the primary topologies, diode-clamped (NPC), flying capacitor (FC), and cascaded H-bridge (CHB) inverters have been extensively studied and implemented in the industrial, renewable energy, and transportation sectors. While each topology has distinct advantages and limitations, ongoing research continues to optimize these structures for improved performance, reliability, and cost-effectiveness. Additionally, emerging hybrid topologies and modular multilevel converters (MMCs) have demonstrated the potential to further enhance the system scalability and efficiency, particularly in high-power applications.
The control strategies for multilevel inverters have also evolved significantly, with Pulse Width Modulation (PWM), space vector modulation (SVM), and Model Predictive Control (MPC) being widely employed for switching optimization and harmonic reduction. These techniques have proven essential in ensuring stable operation, precise torque control in motor drives, and adequate reactive power compensation in grid applications. Integrating artificial intelligence (AI) and machine learning (ML) in inverter control has also shown promise in enhancing multilevel inverters’ adaptive performance and fault-tolerant capabilities.
Multilevel inverters have found applications across diverse domains, including electric vehicle (EV) drivetrains, renewable energy integration (solar and wind power), industrial motor drives, and power quality improvement solutions such as STATCOMs and active power filters (APFs). Operating at medium-to-high voltage levels with an improved dynamic response makes multilevel inverters a preferred choice for modern power system infrastructures.
Despite their numerous advantages, challenges such as an increased component count, complex control algorithms, and thermal management concerns remain key research areas. Future advancements in wide-bandgap semiconductor devices (such as SiC and GaN), intelligent gate drivers, and advanced digital control techniques will further enhance multilevel inverters’ efficiency, reliability, and applicability.
In conclusion, multilevel inverters continue to evolve as an indispensable power electronics technology. Their superior performance characteristics make them essential for high-power and high-efficiency applications, with ongoing innovations paving the way for more robust and intelligent inverter systems. Future research should focus on improving their fault tolerance, reducing their system complexity, and enhancing their real-time control capabilities to fully harness the potential of multilevel inverter technology in next-generation power systems.

Author Contributions

Conceptualization, T.A.T. and N.I.A.W.; methodology, T.A.T. and H.I.Z.; software, T.A.T. and M.A.A.; validation, T.A.T., N.I.A.W. and H.I.Z.; formal analysis, T.A.T.; investigation, T.A.T., H.I.Z. and M.K.H.; resources, M.K.H. and M.S.; data curation, T.A.T. and H.I.Z.; writing—original draft preparation, T.A.T.; writing—review and editing, N.I.A.W., M.S. and S.A.-S.; visualization, N.I.A.W., H.I.Z. and M.K.H.; supervision, N.I.A.W. and M.K.H.; project administration, M.S., S.A.-S. and M.A.A.; funding acquisition, M.S. All authors have read and agreed to the published version of the manuscript.

Funding

This work was supported and funded by the Deanship of Scientific Research at Imam Mohammad Ibn Saud Islamic University (IMSIU) (grant number IMSIU-DDRSP2503).

Data Availability Statement

No new data were created or analyzed in this study.

Conflicts of Interest

The authors declare no conflicts of interest.

References

  1. Wu, Z.; Zou, Y.; Zheng, F.; Liang, N. Research on Optimal Scheduling Strategy of Microgrid Considering Electric Vehicle Access. Symmetry 2023, 15, 1993. [Google Scholar] [CrossRef]
  2. Zhang, Z.; Xiao, H.; Liu, W.; Huang, Y. Adaptive Switching Control of Voltage Source Converters in Renewable Energy Station Based on Operating Short Circuit Ratio. Symmetry 2025, 17, 629. [Google Scholar] [CrossRef]
  3. Choudhury, S.; Bajaj, M.; Dash, T.; Kamel, S.; Jurado, F. Multilevel inverter: A survey on classical and advanced topologies, control schemes, applications to power system and future prospects. Energies 2021, 14, 5773. [Google Scholar] [CrossRef]
  4. Xia, T.; Peng, F.; Huang, Y. A Discrete-Time Current Control Method for the High-Speed Permanent Magnet Motor Drive Using the Modular Multilevel Converter. Symmetry 2024, 16, 200. [Google Scholar] [CrossRef]
  5. Chen, Z.; Huang, A.Q. Extreme high efficiency enabled by silicon carbide (SiC) power devices. Mater. Sci. Semicond. Process. 2024, 172, 108052. [Google Scholar] [CrossRef]
  6. Cheng, R.; Yin, L.; Wang, F.; Wang, Z.; Wang, J.; Wen, Y.; Huang, W.; Sendeku, M.G.; Feng, L.; Liu, Y.; et al. Anti-Ambipolar Transport with Large Electrical Modulation in 2D Heterostructured Devices. Adv. Mater. 2019, 31, 1901144. [Google Scholar] [CrossRef]
  7. Barbie, A.; Hasselbring, W.; Hansen, M. Digital Twin Prototypes for Supporting Automated Integration Testing of Smart Farming Applications. Symmetry 2024, 16, 221. [Google Scholar] [CrossRef]
  8. Kiasari, M.; Ghaffari, M.; Aly, H.H. A Comprehensive Review of the Current Status of Smart Grid Technologies for Renewable Energies Integration and Future Trends: The Role of Machine Learning and Energy Storage Systems. Energies 2024, 17, 4128. [Google Scholar] [CrossRef]
  9. Srinivasan, G.K.; Rivera, M.; Loganathan, V.; Ravikumar, D.; Mohan, B. Trends and challenges in multi-level inverter with reduced switches. Electronics 2021, 10, 368. [Google Scholar] [CrossRef]
  10. Xu, S.-Z.; Peng, Y.-F.; Li, S.-Y. Suppression effectiveness research on multi-level EMI filter in thermal electromagnetic interactive filed of explosion-proof three-level NPC converter. Case Stud. Therm. Eng. 2019, 15, 100510. [Google Scholar] [CrossRef]
  11. Balal, A.; Dinkhah, S.; Shahabi, F.; Herrera, M.; Chuang, Y.L. A review on multilevel inverter topologies. Emerg. Sci. J. 2022, 6, 185–200. [Google Scholar] [CrossRef]
  12. Rana, R.A.; Patel, S.A.; Muthusamy, A.; Lee, C.W.; Kim, H.-J. Review of Multilevel Voltage Source Inverter Topologies and Analysis of Harmonics Distortions in FC-MLI. Electronics 2019, 8, 1329. [Google Scholar] [CrossRef]
  13. Priya, M.; Ponnambalam, P.; Muralikumar, K. Modular-multilevel converter topologies and applications—A review. IET Power Electron. 2019, 12, 170–183. [Google Scholar] [CrossRef]
  14. Ferreira, H.L.; L’Abbate, A.; Fulli, G.; Häger, U. Flexible Alternating Current Transmission Systems (FACTS) Devices. In Advanced Technologies for Future Transmission Grids; Springer: Berlin/Heidelberg, Germany, 2012; pp. 119–156. [Google Scholar]
  15. Bektaş, Y. Real-time control of Selective Harmonic Elimination in a Reduced Switch Multilevel Inverter with unequal DC sources. Ain Shams Eng. J. 2024, 15, 102719. [Google Scholar] [CrossRef]
  16. Rodriguez, J.; Lai, J.-S.; Peng, F.Z. Multilevel inverters: A survey of topologies, controls, and applications. IEEE Trans. Ind. Electron. 2002, 49, 724–738. [Google Scholar] [CrossRef]
  17. Nabae, A.; Takahashi, I.; Akagi, H. A new neutral-point-clamped PWM inverter. IEEE Trans. Ind. Appl. 1981, IA-17, 518–523. [Google Scholar] [CrossRef]
  18. Meynard, T.; Foch, H. Electronic Device for Electrical Energy Conversion Between a Voltage Source and a Current Source by Means of Controllable Switching Cells. U.S. Patent No. 5,737,201, 7 April 1998. [Google Scholar]
  19. Ali, A.I.M.; Sayed, M.A.; Mohamed, E.E.M.; Azmy, A.M. Advanced single-phase nine-level converter for the integration of multiterminal DC supplies. IEEE J. Emerg. Sel. Top. Power Electron. 2018, 7, 1949–1958. [Google Scholar] [CrossRef]
  20. Hassan, A.M.M.; Yang, X.; Ali, A.I.M.; Ahmed, T.A.; Azmy, A.M. A Study of Level-Shifted PWM Single-Phase 11-Level Multilevel Inverter. In Proceedings of the 2019 21st International Middle East Power Systems Conference (MEPCON), Cairo, Egypt, 17–19 December 2019. [Google Scholar]
  21. Su, G.-J. Multilevel DC-link inverter. IEEE Trans. Ind. Appl. 2005, 41, 848–854. [Google Scholar] [CrossRef]
  22. Babaei, E.; Laali, S.; Bayat, Z. A single-phase cascaded multilevel inverter based on a new basic unit with reduced number of power switches. IEEE Trans. Ind. Electron. 2014, 62, 922–929. [Google Scholar] [CrossRef]
  23. Babaei, E.; Kangarlu, M.F.; Sabahi, M. Mitigation of voltage disturbances using dynamic voltage restorer based on direct converters. IEEE Trans. Power Deliv. 2010, 25, 2676–2683. [Google Scholar] [CrossRef]
  24. Ounejjar, Y.; Al-Haddad, K. A Novel Six-Band Hysteresis Control of the Packed U Cells Seven-Level Converter. In Proceedings of the 2010 IEEE International Symposium on Industrial Electronics, Bari, Italy, 4–7 July 2010. [Google Scholar]
  25. Gupta, R.; Ghosh, A.; Joshi, A. Multiband hysteresis modulation and switching characterization for sliding-mode-controlled cascaded multilevel inverter. IEEE Trans. Ind. Electron. 2009, 57, 2344–2353. [Google Scholar] [CrossRef]
  26. Farhadi Kangarlu, M.; Babaei, E. Cross-switched multilevel inverter: An innovative topology. IET Power Electron. 2013, 6, 642–651. [Google Scholar] [CrossRef]
  27. Ebrahimi, J.; Babaei, E.; Gharehpetian, G.B. A new topology of cascaded multilevel converters with reduced number of components for high-voltage applications. IEEE Trans. Power Electron. 2011, 26, 3109–3118. [Google Scholar] [CrossRef]
  28. Beser, E.; Arifoglu, B.; Beser, E.K. Design and Application of a Novel Structure and Topology for Multilevel Inverter. In Proceedings of the 2008 International Symposium on Power Electronics, Electrical Drives, Automation and Motion, Ischia, Italy, 11–13 June 2008. [Google Scholar]
  29. Waltrich, G.; Barbi, I. Three-Phase Cascaded Multilevel Inverter Using Power Cells with Two Inverter Legs in Series. In Proceedings of the 2009 IEEE Energy Conversion Congress and Exposition, San Jose, CA, USA, 20–24 September 2009. [Google Scholar]
  30. Arif, M.; Ayob, S.; Salam, Z. Asymmetrical nine-level inverter topology with reduce power semicondutor devices. TELKOMNIKA Telecommun. Comput. Electron. Control. 2018, 16, 38–45. [Google Scholar] [CrossRef]
  31. Boora, K.; Kumar, J. General topology for asymmetrical multilevel inverter with reduced number of switches. IET Power Electron. 2017, 10, 2034–2041. [Google Scholar] [CrossRef]
  32. Samadaei, E.; Sheikholeslami, A.; Gholamian, S.A.; Adabi, J. A square T-type (ST-type) module for asymmetrical multilevel inverters. IEEE Trans. Power Electron. 2017, 33, 987–996. [Google Scholar] [CrossRef]
  33. Salari, E.; Falehi, A.D. A novel 49-level asymmetrical modular multilevel inverter: Analysis, comparison and validation. Analog. Integr. Circuits Signal Process. 2019, 101, 611–622. [Google Scholar] [CrossRef]
  34. Rawa, M.; Siddique, M.D.; Mekhilef, S.; Shah, N.M.; Bassi, H.; Seyedmahmoudian, M.; Horan, B.; Stojcevski, A. Design and Implementation of a Hybrid Single T-Type Double H-Bridge Multilevel Inverter (STDH-MLI) Topology. Energies 2019, 12, 1810. [Google Scholar] [CrossRef]
  35. Barzegarkhoo, R.; Zamiri, E.; Moradzadeh, M.; Shadabi, H. Symmetric hybridised design for a novel step-up 19-level inverter. IET Power Electron. 2017, 10, 1377–1391. [Google Scholar] [CrossRef]
  36. Abarzadeh, M.; Al-Haddad, K. An improved active-neutral-point-clamped converter with new modulation method for ground power unit application. IEEE Trans. Ind. Electron. 2018, 66, 203–214. [Google Scholar] [CrossRef]
  37. Abarzadeh, M.; Kojabadi, H.M. A static ground power unit based on the improved hybrid active neutral-point-clamped converter. IEEE Trans. Ind. Electron. 2016, 63, 7792–7803. [Google Scholar] [CrossRef]
  38. Lee, S.S.; Sidorov, M.; Lim, C.S.; Idris, N.R.N.; Heng, Y.E. Hybrid cascaded multilevel inverter (HCMLI) with improved symmetrical 4-level submodule. IEEE Trans. Power Electron. 2017, 33, 932–935. [Google Scholar] [CrossRef]
  39. Marquardt, R. An innovative modular multilevel converter topology suitable for a wide power range. In Proceedings of the 2003 IEEE Bologna Power Tech Conference Proceedings, Bologna, Italy, 23–26 June 2003. [Google Scholar]
  40. Raju, M.N.; Sreedevi, J.; Mandi, R.P.; Meera, K. Modular multilevel converters technology: A comprehensive study on its topologies, modelling, control and applications. IET Power Electron. 2019, 12, 149–169. [Google Scholar] [CrossRef]
  41. Bhesaniya, M.M.; Shukla, A. Norton equivalent modeling of current source MMC and its use for dynamic studies of back-to-back converter system. IEEE Trans. Power Deliv. 2016, 32, 1935–1945. [Google Scholar] [CrossRef]
  42. Adam, G.P.; Davidson, I.E. Robust and Generic Control of Full-Bridge Modular Multilevel Converter High-Voltage DC Transmission Systems. IEEE Trans. Power Deliv. 2015, 30, 2468–2476. [Google Scholar] [CrossRef]
  43. Qian, C.; Gheitaghy, A.M.; Fan, J.; Tang, H.; Sun, B.; Ye, H. Thermal Management on IGBT Power Electronic Devices and Modules. IEEE Access 2018, 6, 12868–12884. [Google Scholar] [CrossRef]
  44. Shu, H.; Lei, S.; Tian, X. A New Topology of Modular Multilevel Converter with Voltage Self-Balancing Ability. IEEE Access 2019, 7, 184786–184796. [Google Scholar] [CrossRef]
  45. Lu, X.; Xiang, W.; Lin, W.; Wen, J. Analytical model of hybrid MMC for dynamic and steady-state studies. J. Eng. 2017, 2017, 2281–2286. [Google Scholar] [CrossRef]
  46. Sun, P.; Li, G.; Konstantinou, G. DC-link Thyristor-based Protection for HB-MMC HVDC Systems under Valve-side Single-phase-to-ground Faults. In Proceedings of the 50th Annual Conference of the IEEE Industrial Electronics Society, Chicago, IL, USA, 3–6 November 2024. [Google Scholar]
  47. Dekka, A.; Wu, B.; Zargari, N.R. Dynamic Voltage Balancing Algorithm for Modular Multilevel Converter with Three-Level Flying Capacitor Submodules. In Proceedings of the 2014 International Power Electronics Conference (IPEC-Hiroshima 2014—ECCE ASIA), Hiroshima, Japan, 18–21 May 2014. [Google Scholar]
  48. Adam, G.P.; Abdelsalam, I.; Fletcher, J.E.; Burt, G.M.; Holliday, D.; Finney, S.J. New Efficient Submodule for a Modular Multilevel Converter in Multiterminal HVDC Networks. IEEE Trans. Power Electron. 2017, 32, 4258–4278. [Google Scholar] [CrossRef]
  49. Tang, Y.; Chen, M.; Ran, L. A Compact MMC Submodule Structure with Reduced Capacitor Size Using the Stacked Switched Capacitor Architecture. IEEE Trans. Power Electron. 2016, 31, 6920–6936. [Google Scholar]
  50. Wang, D.; Hou, M.; Gao, M.; Qiao, F. Travelling wave directional pilot protection for hybrid LCC-MMC-HVDC transmission line. Int. J. Electr. Power Energy Syst. 2020, 115, 105431. [Google Scholar] [CrossRef]
  51. Marquardt, R. Modular Multilevel Converter Topologies with DC-Short Circuit Current Limitation. In Proceedings of the 8th International Conference on Power Electronics—ECCE Asia, Jeju, Republic of Korea, 30 May–3 June 2011. [Google Scholar]
  52. Zhang, W.; Yuan, J.; Zhang, J.; Guo, X. A new topology optimization approach based on Moving Morphable Components (MMC) and the ersatz material model. Struct. Multidiscip. Optim. 2016, 53, 1243–1260. [Google Scholar] [CrossRef]
  53. Meng, Y.; Zou, Y.; Wang, H.; Kong, Y.; Du, Z.; Wang, X. Novel Submodule Topology with Large Current Operation and DC-Fault Blocking Capability for MMC-HVDC. IEEE Trans. Power Deliv. 2021, 36, 1542–1551. [Google Scholar] [CrossRef]
  54. Ji, K.; Tang, G.; Yang, J.; Li, Y.; Liu, D. Harmonic Stability Analysis of MMC-Based DC System Using DC Impedance Model. IEEE J. Emerg. Sel. Top. Power Electron. 2020, 8, 1152–1163. [Google Scholar] [CrossRef]
  55. Nami, A.; Wang, L.; Dijkhuizen, F.; Shukla, A. Five Level Cross Connected Cell for Cascaded Converters. In Proceedings of the 2013 15th European Conference on Power Electronics and Applications (EPE), Lille, France, 2–6 September 2013. [Google Scholar]
  56. Zhang, Y.; Chen, X.; Sun, J. Sequence Impedance Modeling and Analysis of MMC in Single-Star Configuration. IEEE Trans. Power Electron. 2020, 35, 334–346. [Google Scholar] [CrossRef]
  57. Mahmoud, A.A.; Hafez, A.A.; Yousef, A.M. Modular Multilevel Converters for Renewable Energies Interfacing: Comparative review. In Proceedings of the 2019 IEEE Conference on Power Electronics and Renewable Energy (CPERE), Aswan, Egypt, 23–25 October 2019. [Google Scholar]
  58. Prayag, A.; Bodkhe, S. A Comparative Analysis of Classical Three Phase Multilevel (Five Level) Inverter Topologies. In Proceedings of the 2016 IEEE 1st International Conference on Power Electronics, Intelligent Control and Energy Systems (ICPEICES), New Delhi, India, 4–6 July 2016. [Google Scholar]
  59. Sridhar, V.; Umashankar, S. A comprehensive review on CHB MLI based PV inverter and feasibility study of CHB MLI based PV-STATCOM. Renew. Sustain. Energy Rev. 2017, 78, 138–156. [Google Scholar] [CrossRef]
  60. Mahato, B.; Majumdar, S.; Jana, K.C.; Agrawal, A.; Shrivastava, A. A Generalized Series-Connected Multilevel Inverter (MLI) Based on Reduced Power Electronic Devices for Symmetrical/Asymmetrical Sources. Arab. J. Sci. Eng. 2023, 48, 5907–5924. [Google Scholar] [CrossRef]
  61. Noman, A.M.; Alkuhayli, A.; Al-Shamma’a, A.A.; Addoweesh, K.E. Hybrid MLI Topology Using Open-End Windings for Active Power Filter Applications. Energies 2022, 15, 6434. [Google Scholar] [CrossRef]
  62. Ma, K. Thermal Loading Control in Power Converters. In Control of Power Electronic Converters and Systems; Blaabjerg, F., Ed.; Academic Press: New York, NY, USA, 2018; Chapter 26; pp. 403–423. [Google Scholar]
  63. Chang, Y.-Y.; Ko, C.-T.; Yu, T.-H.; Hsieh, Y.-S.; Chen, K.-N. Modeling and Characterization of TSV Capacitor and Stable Low-Capacitance Implementation for Wide-I/O Application. IEEE Trans. Device Mater. Reliab. 2015, 15, 129–135. [Google Scholar] [CrossRef]
  64. Choi, U.M.; Blaabjerg, F.; Jørgensen, S. Power Cycling Test Methods for Reliability Assessment of Power Device Modules in Respect to Temperature Stress. IEEE Trans. Power Electron. 2018, 33, 2531–2551. [Google Scholar] [CrossRef]
  65. Jones-Jackson, S.; Rodriguez, R.; Yang, Y.; Lopera, L.; Emadi, A. Overview of Current Thermal Management of Automotive Power Electronics for Traction Purposes and Future Directions. IEEE Trans. Transp. Electrif. 2022, 8, 2412–2428. [Google Scholar] [CrossRef]
  66. Tang, Y.; Hu, H.; Ding, Y.; Wang, T.; Xie, P.; Yang, W. Thermal Performance Analysis of Integrated Energy Management System for Mold Cooling/Heat Pump/Material Preheating of Injection-Molding Machine. Symmetry 2025, 17, 637. [Google Scholar] [CrossRef]
  67. Hwang, S.-G.; Lee, M.-Y.; Ko, B.-S. Numerical Analysis on Cooling Performances for Connectors Using Immersion Cooling in Ultra-Fast Chargers for Electric Vehicles. Symmetry 2025, 17, 624. [Google Scholar] [CrossRef]
  68. Zou, D.; Sun, X.; Quan, H.; Yin, J.; Peng, Q.; Wang, S.; Dai, W.; Hong, Z. Power Transformer On-Load Capacity-Regulating Control and Optimization Based on Load Forecasting and Hesitant Fuzzy Control. Symmetry 2024, 16, 679. [Google Scholar] [CrossRef]
  69. Chen, Z.; Ma, D.; Yang, L.; Liu, S.; Tong, C.; Zhao, Y. Grid Harmonics Suppression for Three Phase Dual-Frequency Grid-Connected Inverter Based on Feedforward Compensation. Symmetry 2023, 15, 1517. [Google Scholar] [CrossRef]
  70. Jurasz, J.; Guezgouz, M.; Campana, P.E.; Kies, A. On the impact of load profile data on the optimization results of off-grid energy systems. Renew. Sustain. Energy Rev. 2022, 159, 112199. [Google Scholar] [CrossRef]
  71. Jeon, H.; Kim, K.K.; Kim, Y.-B. Fully Integrated on-Chip Switched DC–DC Converter for Battery-Powered Mixed-Signal SoCs. Symmetry 2017, 9, 18. [Google Scholar] [CrossRef]
  72. Edpuganti, A.; Rathore, A.K. A Survey of Low Switching Frequency Modulation Techniques for Medium-Voltage Multilevel Converters. IEEE Trans. Ind. Appl. 2015, 51, 4212–4228. [Google Scholar] [CrossRef]
  73. Zhou, J.; Li, Z. Research on hybrid modulation strategies based on general hybrid topology of multilevel inverter. In Proceedings of the 2008 International Symposium on Power Electronics, Electrical Drives, Automation and Motion, Ischia, Italy, 11–13 June 2008. [Google Scholar]
  74. Holtz, J. Pulsewidth modulation for electronic power conversion. Proc. IEEE 1994, 82, 1194–1214. [Google Scholar] [CrossRef]
  75. Djafer, L.; Taleb, R.; Maamar, A.E.T.; Mehedi, F.; Mostefaoui, S.A.; Rekmouche, H. Analysis and Experimental Implementation of SHEPWM based on Newton-Raphson Algorithm on Three-Phase Inverter using Dspace 1104. In Proceedings of the 2023 2nd International Conference on Electronics, Energy and Measurement (IC2EM), Medea, Algeria, 28–29 November 2023. [Google Scholar]
  76. Wang, H.; Huang, Q.; Li, Z.S. A Dynamic Bayesian Network Control Strategy for Modeling Grid-Connected Inverter Stability. IEEE Trans. Reliab. 2022, 71, 75–86. [Google Scholar] [CrossRef]
  77. Li, S.; Song, G.; Ye, M.; Ren, W.; Wei, Q. Multiband SHEPWM Control Technology Based on Walsh Functions. Electronics 2020, 9, 1000. [Google Scholar] [CrossRef]
  78. Yang, K.-H.; Lu, D.-Y.; Kuang, X.-Q.; Yuan, Z.-B.; Yu, W.-S. Harmonic elimination for multilevel converters with unequal DC levels by using the polynomial homotopy continuation algorithm. In Proceedings of the 2016 35th Chinese Control Conference (CCC), Chengdu, China, 27–29 July 2016. [Google Scholar]
  79. Hu, C.; Huang, H.; Zhang, S.; Cheng, L.; Luo, S.; Wang, G. Power Quality Management of Inverter Based on Gradient Descent Optimization. Electr. Eng. Technol. 2024, 2024, 1883894. [Google Scholar] [CrossRef]
  80. Swift, F.; Kamberis, A. A new Walsh domain technique of harmonic elimination and voltage control in pulse-width modulated inverters. IEEE Trans. Power Electron. 1993, 8, 170–185. [Google Scholar] [CrossRef]
  81. Chiasson, J.N.; Tolbert, L.M.; McKenzie, K.J.; Du, Z. Elimination of harmonics in a multilevel converter using the theory of symmetric polynomials and resultants. IEEE Trans. Control. Syst. Technol. 2005, 13, 216–223. [Google Scholar] [CrossRef]
  82. Fei, W.; Ruan, X.; Wu, B. A Generalized Formulation of Quarter-Wave Symmetry SHE-PWM Problems for Multilevel Inverters. IEEE Trans. Power Electron. 2009, 24, 1758–1766. [Google Scholar] [CrossRef]
  83. Dahidah, M.S.A.; Konstantinou, G.; Agelidis, V.G. A Review of Multilevel Selective Harmonic Elimination PWM: Formulations, Solving Algorithms, Implementation and Applications. IEEE Trans. Power Electron. 2015, 30, 4091–4106. [Google Scholar] [CrossRef]
  84. Sharma, M.; Kaur, P. A Comprehensive Analysis of Nature-Inspired Meta-Heuristic Techniques for Feature Selection Problem. Arch. Comput. Methods Eng. 2021, 28, 1103–1127. [Google Scholar] [CrossRef]
  85. Salam, Z.; Bahari, N. Selective harmonics elimination PWM (SHEPWM) using Differential Evolution approach. In Proceedings of the 2010 Joint International Conference on Power Electronics, Drives and Energy Systems & 2010 Power India, New Delhi, India, 20–23 December 2010. [Google Scholar]
  86. Pulikanti, S.R.; Agelidis, V.G. Hybrid Flying-Capacitor-Based Active-Neutral-Point-Clamped Five-Level Converter Operated With SHE-PWM. IEEE Trans. Ind. Electron. 2011, 58, 4643–4653. [Google Scholar] [CrossRef]
  87. Karaca, H.; Bektas, E. Selective Harmonic Elimination Technique Based on Genetic Algorithm for Multilevel Inverters. In Transactions on Engineering Technologies; Springer: Singapore, 2017. [Google Scholar]
  88. Sadoughi, M.; Pourdadashnia, A.; Farhadi-Kangarlu, M.; Galvani, S. PSO-Optimized SHE-PWM Technique in a Cascaded H-Bridge Multilevel Inverter for Variable Output Voltage Applications. IEEE Trans. Power Electron. 2022, 37, 8065–8075. [Google Scholar] [CrossRef]
  89. Gnana Sundari, M.; Rajaram, M.; Balaraman, S. Application of improved firefly algorithm for programmed PWM in multilevel inverter with adjustable DC sources. Appl. Soft Comput. 2016, 41, 169–179. [Google Scholar] [CrossRef]
  90. Babaei, M.; Rastegar, H. Selective harmonic elimination PWM using ant colony optimization. In Proceedings of the 2017 Iranian Conference on Electrical Engineering (ICEE), Tehran, Iran, 2–4 May 2017. [Google Scholar]
  91. Lou, H.; Mao, C.; Wang, D.; Lu, J. PWM optimisation for three-level voltage inverter based on clonal selection algorithm. IET Electr. Power Appl. 2006, 1, 870–878. [Google Scholar] [CrossRef]
  92. Singh, A.; Jately, V.; Kala, P.; Singhal, R.; Yang, Y. Selective harmonic Elimination using Dwarf mongoose optimization in Single-Phase Seven-Level switched capacitor inverter with reduced components. AEU-Int. J. Electron. Commun. 2025, 195, 155768. [Google Scholar] [CrossRef]
  93. Bektaş, Y. Cüce kuyruksüren optimizasyon algoritması: Çok seviyeli inverter çıkış geriliminin toplam harmonik distorsiyon değerinin azaltılması. Uluslar. Teknol. Bilim. Derg. 2023, 15, 118–128. [Google Scholar] [CrossRef]
  94. Bektaş, E.; Aldabbagh, M.M.; Ahmed, S.R.; Hussain, A.S.T.; Taha, T.A.; Ahmed, O.K.; Ezzat, S.B.; Hashim, A.M. Enhancing Harmonic Reduction in Multilevel Inverters using the Weevil Damage Optimization Algorithm. J. Robot. Control 2024, 5, 717–722. [Google Scholar]
  95. Taha, T.A.; Neamah, M.I.; Ahmed, S.R.; Taha, F.H.; Bektaş, Y.; Desa, H.; Yassin, K.F.; Ibrahim, M.; Hashim, A.M. Enhancing Multilevel Inverter Performance: A Novel Dung Beetle Optimizer-based Selective Harmonic Elimination Approach. J. Robot. Control 2024, 5, 944–953. [Google Scholar]
  96. Taha, T.A.; Wahab, N.I.A.; Hassan, M.K.; Zaynal, H.I.; Taha, F.H.; Hashim, A.M. Real-Time Optimal Switching Angle Scheme for a Cascaded H-Bridge Inverter using Bonobo Optimizer. J. Robot. Control 2024, 5, 918–930. [Google Scholar]
  97. Taha, T.A.; Wahab, N.I.A.; Hassan, M.K.; Zaynal, H.I. Selective Harmonic Elimination in Multilevel Inverters Using the Bonobo Optimization Algorithm. In Forthcoming Networks and Sustainability in the AIoT Era; Springer Nature: Cham, Switzerland, 2024. [Google Scholar]
  98. Almalaisi, T.A.; Wahab, N.I.A.; Zaynal, H.I.; Hassan, M.K.; Majdi, H.S.; Radhi, A.D.; Solke, N.; Sekhar, R. Optimization of Harmonic Elimination in PV-Fed Asymmetric Multilevel Inverters Using Evolutionary Algorithms. Int. J. Robot. Control Syst. 2025, 5, 902–916. [Google Scholar] [CrossRef]
  99. Suman, S.; Chatterjee, D.; Mohanty, R. Comparison of PSO and GWO Techniques for SHEPWM Inverters. In Proceedings of the 2020 International Conference on Computer, Electrical & Communication Engineering (ICCECE), Kolkata, India, 17–18 January 2020. [Google Scholar]
  100. Bektaş, Y.; Karaca, H. Red deer algorithm based selective harmonic elimination for renewable energy application with unequal DC sources. Energy Rep. 2022, 8, 588–596. [Google Scholar] [CrossRef]
  101. Bektaş, Y.; Karaca, H. Red Deer Algorithm Based Harmonic Mitigation for Asymmetric Cascaded Multilevel Inverters. In Proceedings of the 2022 57th International Scientific Conference on Information, Communication and Energy Systems and Technologies (ICEST), Ohrid, North Macedonia, 6–18 June 2022. [Google Scholar]
  102. Sun, J.; Grotstollen, H. Solving nonlinear equations for selective harmonic eliminated PWM using predicted initial values. In Proceedings of the Proceedings of the 1992 International Conference on Industrial Electronics, Control, Instrumentation, and Automation, San Diego, CA, USA, 13 November 1992. [Google Scholar]
  103. Bowes, S.R.; Clark, P.R. Transputer-based harmonic-elimination PWM control of inverter drives. IEEE Trans. Ind. Appl. 1992, 28, 72–80. [Google Scholar] [CrossRef]
  104. Maswood, A.I.; Rashid, M.H.; Jian, L. Optimal PWM-SHE switching on NPC inverter: A winning match for high power conversion. Electr. Power Syst. Res. 1998, 48, 19–24. [Google Scholar] [CrossRef]
  105. Tohtayong, M.; Khan, S.; Yaacob, M.; Yusoff, S.H.; Midi, N.S.; Ahmed, M.M.; Wafa, F.; Aboadla, E.; Aznan, K.A. The combination of Newton-raphson method and curve-fitting method for pwm-based inverter. Int. J. Power Electron. Drive Syst. 2017, 8, 1919–1931. [Google Scholar] [CrossRef]
  106. Filho, F.; Tolbert, L.M.; Cao, Y.; Ozpineci, B. Real-Time Selective Harmonic Minimization for Multilevel Inverters Connected to Solar Panels Using Artificial Neural Network Angle Generation. IEEE Trans. Ind. Appl. 2011, 47, 2117–2124. [Google Scholar] [CrossRef]
  107. Kouro, S.; Rebolledo, J.; Rodriguez, J. Reduced Switching-Frequency-Modulation Algorithm for High-Power Multilevel Inverters. IEEE Trans. Ind. Electron. 2007, 54, 2894–2901. [Google Scholar] [CrossRef]
  108. Vitorino, M.A.; Alves, L.F.S.; de Rossiter Corrêa, M.B. Low-Frequency Power Decoupling in Single-Phase Applications: A Comprehensive Overview. IEEE Trans. Power Electron. 2017, 32, 2892–2912. [Google Scholar] [CrossRef]
  109. Wang, Y.; Lucia, O.; Zhang, Z.; Gao, S.; Guan, Y.; Xu, D. A Review of High Frequency Power Converters and Related Technologies. IEEE Open J. Ind. Electron. Soc. 2020, 1, 247–260. [Google Scholar] [CrossRef]
  110. Holmes, D.G.; Lipo, T.A. Pulse Width Modulation for Power Converters: Principles and Practice; John Wiley & Sons: Hoboken, NJ, USA, 2003. [Google Scholar]
  111. Prats, C.; Francesch, R.; Arboix, M.; Pérez, B. Determination of tylosin residues in different animal tissues by high performance liquid chromatography. J. Chromatogr. B 2002, 766, 57–65. [Google Scholar] [CrossRef]
  112. Franquelo, L.G.; Rodriguez, J.; Leon, J.I.; Kouro, S.; Portillo, R.; Prats, M.A. The age of multilevel converters arrives. IEEE Ind. Electron. Mag. 2008, 2, 28–39. [Google Scholar] [CrossRef]
  113. EEE 519; IEEE Recommended Practice and Requirements for Harmonic Control in Electric Power Systems. IEEE: Piscataway, NJ, USA, 2014.
  114. IEC 61000-2; Electromagnetic Compatibility (EMC)—Part 2-4: Environment—Compatibility Levels in Industrial Plants for Low-Frequency Conducted Disturbances. IEC: Geneva, Switzerland, 2002.
  115. Veerendra, A.; Chavali, P.S.; Shivarudraswamy, R.; Kumari, C.H.N.; Janamala, V. Total Harmonic Distortion Analysis of a Seven-Level Inverter for Fuel Cell Applications. Eng. Proc. 2023, 59, 130. [Google Scholar]
  116. Hafeez, A.; Singh, S. Study of Total Harmonic Distortion (THD) Reduction by Filter in Renewable Energy Inverter. TEST Eng. Manag. 2020, 82, 15019–15023. [Google Scholar]
  117. Darussalam, R.; Rajani, A.; Atmaja, T.D.; Junaedi, A.; Kuncoro, M. Study of Harmonic Mitigation Techniques Based on Ranges Level Voltage Refer to IEEE 519-2014. In Proceedings of the 2020 International Conference on Sustainable Energy Engineering and Application (ICSEEA), Tangerang, Indonesia, 18–20 November 2020. [Google Scholar]
  118. Prabaharan, N.; Palanisamy, K. A comprehensive review on reduced switch multilevel inverter topologies, modulation techniques and applications. Renew. Sustain. Energy Rev. 2017, 76, 1248–1282. [Google Scholar] [CrossRef]
  119. Usman, H.M.; Saminu, S.; Ibrahim, S. Harmonic Mitigation in Inverter Circuits Through Innovative LC Filter Design Using PSIM. J. Ilm. Tek. Elektro Komput. Dan Inform. 2024, 10, 138–153. [Google Scholar] [CrossRef]
  120. Taghvaie, A.; Warnakulasuriya, T.; Kumar, D.; Zare, F.; Sharma, R.; Vilathgamuwa, D.M. A comprehensive review of harmonic issues and estimation techniques in power system networks based on traditional and artificial intelligence/machine learning. IEEE Access 2023, 11, 31417–31442. [Google Scholar] [CrossRef]
  121. Mathews, M.; Ramesh, B.; Sreedhar, T. Minimization of THD in Nine Level Cascaded H-Bridge Inverter Using Artificial Neural Network. arXiv 2022, arXiv:2205.13366. [Google Scholar]
  122. Pourdadashnia, A.; Sadoughi, M.; Farhadi-Kangarlu, M.; Tousi, B. Selective Harmonic Elimination in a Cascaded H-Bridge Multilevel Inverter fed by High-Frequency Isolated DC-DC Converter. In Proceedings of the 2021 IEEE Kansas Power and Energy Conference (KPEC), Manhattan, KS, USA, 19–20 April 2021. [Google Scholar]
  123. Memon, Z.A.; Uquaili, M.A.; Unar, M.A. Harmonics mitigation of industrial power system using passive filters. arXiv 2016, arXiv:1605.06684. [Google Scholar]
  124. Iysaouy, L.E.; Lahbabi, M.; Oumnad, A. A Single Phase DC DC Microinverter with High efficiency and Harmonics Reduction using Passive Filters. arXiv 2019, arXiv:1910.02041. [Google Scholar]
  125. Juma’a, H.; Atyia, T. Design and Implementation of multi-level inverter for PV system with various DC Sources. NTU J. Renew. Energy 2023, 5, 24–33. [Google Scholar] [CrossRef]
  126. Ali, Z.; Abdullah, Z.M.; Naser, B.A.; Daoud, R.W.; Ahmed, A.H. Design of a Single-Phase Inverter for Solar Energy Conversion System. NTU J. Renew. Energy 2021, 1, 38–42. [Google Scholar] [CrossRef]
  127. Albajari, E.H.I.; Aslan, S.R. Exploring the Synergy of Integration: Assessing the Performance of Hydraulic Storage and Solar Power Integration in Kirkuk city. NTU J. Renew. Energy 2023, 5, 1–7. [Google Scholar] [CrossRef]
  128. Abd Halim, W.; Ganeson, S.; Azri, M.; Tengku Azam, T.N.A. Review of multilevel inverter topologies and its applications. J. Telecommun. Electron. Comput. Eng. 2016, 8, 51–56. [Google Scholar]
  129. Sharma, B.; Dahiya, R.; Nakka, J. Effective grid connected power injection scheme using multilevel inverter based hybrid wind solar energy conversion system. Electr. Power Syst. Res. 2019, 171, 1–14. [Google Scholar] [CrossRef]
  130. Fidone, G.L.; Migliazza, G.; Carfagna, E.; Benatti, D.; Immovilli, F.; Buticchi, G.; Lorenzani, E. Common Architectures and Devices for Current Source Inverter in Motor-Drive Applications: A Comprehensive Review. Energies 2023, 16, 5645. [Google Scholar] [CrossRef]
  131. Kim, S.W.; Kong, J.H.; Lee, S.W.; Lee, S. Recent Advances of Artificial Intelligence in Manufacturing Industrial Sectors: A Review. Int. J. Precis. Eng. Manuf. 2022, 23, 111–129. [Google Scholar] [CrossRef]
  132. Jaglan, S. Testing and Investigation of GaN-Based High Voltage Inverters for Electric Drives. Master’s Thesis, Concordia University, Montreal, QC, Canada, 2024. [Google Scholar]
  133. Deffaf, B.; Farid, H.; Benbouhenni, H.; Medjmadj, S.; Debdouche, N. Synergetic control for three-level voltage source inverter-based shunt active power filter to improve power quality. Energy Rep. 2023, 10, 1013–1027. [Google Scholar] [CrossRef]
  134. Smaida, E.; Saulo, M.J.; Abdellah, K.; Nyakoe, G.; Ahuna, M. Solar-powered shunt active power filter using an advanced inverter topology ZSI: A Review. In Proceedings of the 2023 IEEE AFRICON, Nairobi, Kenya, 20–22 September 2023; pp. 1–6. [Google Scholar]
  135. Dash, D.K.; Sadhu, P.K. A review on the use of active power filter for grid-connected renewable energy conversion systems. Processes 2023, 11, 1467. [Google Scholar] [CrossRef]
  136. Stonier, A.A.; Murugesan, S.; Samikannu, R.; Venkatachary, S.K.; Kumar, S.S.; Arumugam, P. Power quality improvement in solar fed cascaded multilevel inverter with output voltage regulation techniques. IEEE Access 2020, 8, 178360–178371. [Google Scholar] [CrossRef]
  137. Thayumanavan, P.; Kaliyaperumal, D.; Subramaniam, U.; Bhaskar, M.S.; Padmanaban, S.; Leonowicz, Z.; Mitolo, M. Combined harmonic reduction and DC voltage regulation of a single DC source five-level multilevel inverter for wind electric system. Electronics 2020, 9, 979. [Google Scholar] [CrossRef]
  138. Bughneda, A.; Salem, M.; Richelli, A.; Ishak, D.; Alatai, S. Review of multilevel inverters for PV energy system applications. Energies 2021, 14, 1585. [Google Scholar] [CrossRef]
  139. Amir, M.; Alam, S.; Haque, A.; Bakhsh, F.I.; Shah, N. Design and implementation of a reduced switch seventeen-level multilevel inverter for grid integration of battery storage system. J. Energy Storage 2024, 86, 111213. [Google Scholar] [CrossRef]
  140. Horrillo-Quintero, P.; García-Triviño, P.; Sarrias-Mena, R.; García-Vázquez, C.A.; Fernández-Ramírez, L.M. Fault-tolerant control for a microgrid with PV systems and energy storage systems integrated into quasi-Z-source cascaded H-bridge multilevel inverter. Electr. Power Syst. Res. 2024, 226, 109938. [Google Scholar] [CrossRef]
Figure 1. Classification of multilevel topologies [15].
Figure 1. Classification of multilevel topologies [15].
Symmetry 17 01010 g001
Figure 2. One branch of (a) two-level, (b) three-level, and (c) m-level single-phase inverters.
Figure 2. One branch of (a) two-level, (b) three-level, and (c) m-level single-phase inverters.
Symmetry 17 01010 g002
Figure 3. Multilevel inverter concept.
Figure 3. Multilevel inverter concept.
Symmetry 17 01010 g003
Figure 4. Single-phase three-level CHB-MLI (a) cascaded full-bridge inverter modules; (b) output voltage waveform.
Figure 4. Single-phase three-level CHB-MLI (a) cascaded full-bridge inverter modules; (b) output voltage waveform.
Symmetry 17 01010 g004
Figure 5. Single-phase five-level CHB-MLI.
Figure 5. Single-phase five-level CHB-MLI.
Symmetry 17 01010 g005
Figure 6. Output waveform of five-level CHB-MLI: (a) upper H-bridge, (b) lower H-bridge, (c) combined sum of modules.
Figure 6. Output waveform of five-level CHB-MLI: (a) upper H-bridge, (b) lower H-bridge, (c) combined sum of modules.
Symmetry 17 01010 g006
Figure 7. Diode-clamped inverter topology: (a) three-level, (b) five-level.
Figure 7. Diode-clamped inverter topology: (a) three-level, (b) five-level.
Symmetry 17 01010 g007
Figure 8. Capacitor-clamped inverter topology: (a) three-level, (b) five-level.
Figure 8. Capacitor-clamped inverter topology: (a) three-level, (b) five-level.
Symmetry 17 01010 g008
Figure 10. H-bridgeless symmetric MLI (a) Bidirectional Switch-Based MLI [23]; (b) Packaged U-Cell CSI with Unidirectional Switches [24]; (c) Discrete DC Source-Based Topology [25]; (d) Cross-Switched CSI Topology [26].
Figure 10. H-bridgeless symmetric MLI (a) Bidirectional Switch-Based MLI [23]; (b) Packaged U-Cell CSI with Unidirectional Switches [24]; (c) Discrete DC Source-Based Topology [25]; (d) Cross-Switched CSI Topology [26].
Symmetry 17 01010 g010
Figure 11. H-bridge asymmetric MLI (a) Dual DC Source Cell Topology [21]; (b) Asymmetric H-Bridge MLI with Sub-Multilevel Cells [16]; (c) Hybrid H-Bridge with Half-Bridge Series [17]; (d) Reduced Switch Asymmetric Topology with Multiple DC Sources [24].
Figure 11. H-bridge asymmetric MLI (a) Dual DC Source Cell Topology [21]; (b) Asymmetric H-Bridge MLI with Sub-Multilevel Cells [16]; (c) Hybrid H-Bridge with Half-Bridge Series [17]; (d) Reduced Switch Asymmetric Topology with Multiple DC Sources [24].
Symmetry 17 01010 g011
Figure 12. H-bridgeless asymmetric ESI (a) Asymmetric MLI with Two DC Sources and Six Switches [27]; (b) Square T-Type Modular MLI [22]; (c) Packed U-Cell Based Modified MLI [23]; (d) Asymmetric MLI with Three DC Sources and Eight Switches [30].
Figure 12. H-bridgeless asymmetric ESI (a) Asymmetric MLI with Two DC Sources and Six Switches [27]; (b) Square T-Type Modular MLI [22]; (c) Packed U-Cell Based Modified MLI [23]; (d) Asymmetric MLI with Three DC Sources and Eight Switches [30].
Symmetry 17 01010 g012
Figure 13. H-bridgeless asymmetric ESI (a) Balanced Hybrid MLI [35]; (b) Hybrid Neutral-Point-Clamped with Stacked Multiplier Modules [36]; (c) Active Neutral-Point-Clamped (ANPC) Hybrid Topology [37]; (d) Improved 4-Level Submodule Hybrid Cascaded MLI [38].
Figure 13. H-bridgeless asymmetric ESI (a) Balanced Hybrid MLI [35]; (b) Hybrid Neutral-Point-Clamped with Stacked Multiplier Modules [36]; (c) Active Neutral-Point-Clamped (ANPC) Hybrid Topology [37]; (d) Improved 4-Level Submodule Hybrid Cascaded MLI [38].
Symmetry 17 01010 g013
Figure 14. Generalized circuit configuration of three-phase modular multilevel converter (MMC).
Figure 14. Generalized circuit configuration of three-phase modular multilevel converter (MMC).
Symmetry 17 01010 g014
Figure 15. Different submodule topologies used in Modular Multilevel Converters (MMCs): (a) Half-Bridge Submodule (HBSM), (b) HBSM with inductor L1 configuration, (c) Full-Bridge Submodule (FBSM), (d) Self-Balancing Submodule (SBSM), (e,f) Clamp-Single Submodule (CSSM) configurations, (g) Single-Thyristor HBSM, and (h) Double-Thyristor HBSM.
Figure 15. Different submodule topologies used in Modular Multilevel Converters (MMCs): (a) Half-Bridge Submodule (HBSM), (b) HBSM with inductor L1 configuration, (c) Full-Bridge Submodule (FBSM), (d) Self-Balancing Submodule (SBSM), (e,f) Clamp-Single Submodule (CSSM) configurations, (g) Single-Thyristor HBSM, and (h) Double-Thyristor HBSM.
Symmetry 17 01010 g015
Figure 16. Multilevel submodule topologies: (a) neutral-point-clamping submodule (NPC-SubM); (b) capacitor-clamping submodule (CC-SubM); (c) cascaded half-bridge submodule (CHB-SubM); (d) stacked switched capacitor submodule (SSC-SubM); (e) double-clamping submodule (CD-SubM) type I; (f) CD-SubM type II; (g) hybrid submodule (Hyb-SubM); (h) cross-connected submodule (X-SubM); (i) switched capacitor submodule (SC-SubM); (j) compound three-level submodule (CT-SubM).
Figure 16. Multilevel submodule topologies: (a) neutral-point-clamping submodule (NPC-SubM); (b) capacitor-clamping submodule (CC-SubM); (c) cascaded half-bridge submodule (CHB-SubM); (d) stacked switched capacitor submodule (SSC-SubM); (e) double-clamping submodule (CD-SubM) type I; (f) CD-SubM type II; (g) hybrid submodule (Hyb-SubM); (h) cross-connected submodule (X-SubM); (i) switched capacitor submodule (SC-SubM); (j) compound three-level submodule (CT-SubM).
Symmetry 17 01010 g016aSymmetry 17 01010 g016b
Figure 17. Graphical representation of modulation techniques used in multilevel inverters.
Figure 17. Graphical representation of modulation techniques used in multilevel inverters.
Symmetry 17 01010 g017
Figure 18. Multilevel SHE waveform.
Figure 18. Multilevel SHE waveform.
Symmetry 17 01010 g018
Figure 19. Three-level SHE waveform.
Figure 19. Three-level SHE waveform.
Symmetry 17 01010 g019
Figure 20. Three-level Selective Harmonic Elimination: (a) angle solutions, (b) application scheme, (c) output voltage, (d) output voltage spectrum [65].
Figure 20. Three-level Selective Harmonic Elimination: (a) angle solutions, (b) application scheme, (c) output voltage, (d) output voltage spectrum [65].
Symmetry 17 01010 g020
Figure 21. Seven-level CHB-MLI step modulation for the inverter.
Figure 21. Seven-level CHB-MLI step modulation for the inverter.
Symmetry 17 01010 g021
Figure 22. Classification of SHE-PWM method algorithms.
Figure 22. Classification of SHE-PWM method algorithms.
Symmetry 17 01010 g022
Figure 23. Multilevel Nearest Vector Control working principle.
Figure 23. Multilevel Nearest Vector Control working principle.
Symmetry 17 01010 g023
Figure 24. Voltage approximation method for inverter output (a) Sinusoidal reference voltage in the first quarter cycle showing maximum approximation error; (b) Voltage generation using the closest level with single commutation causing high dv/dt.
Figure 24. Voltage approximation method for inverter output (a) Sinusoidal reference voltage in the first quarter cycle showing maximum approximation error; (b) Voltage generation using the closest level with single commutation causing high dv/dt.
Symmetry 17 01010 g024
Figure 25. Three-cell (seven-level) PS-PWM waveform.
Figure 25. Three-cell (seven-level) PS-PWM waveform.
Symmetry 17 01010 g025
Figure 26. PS-PWM control diagram for CHB.
Figure 26. PS-PWM control diagram for CHB.
Symmetry 17 01010 g026
Figure 27. Level Shift PWM carrier arrays: (a) PD, (b) POD, and (c) APOD.
Figure 27. Level Shift PWM carrier arrays: (a) PD, (b) POD, and (c) APOD.
Symmetry 17 01010 g027
Figure 28. LS-PWM for DC-MLI: (a) generated waveform and (b) control circuit.
Figure 28. LS-PWM for DC-MLI: (a) generated waveform and (b) control circuit.
Symmetry 17 01010 g028
Figure 29. Hybrid modulation operating principle for CHB with unequal DC sources.
Figure 29. Hybrid modulation operating principle for CHB with unequal DC sources.
Symmetry 17 01010 g029
Figure 30. Output voltages of a three-cell CHB inverter using Hybrid PWM (a) Cell 3 (V3); (b) Cell 2 (V2); (c) Cell 1 (V1); (d) Combined 19-level output voltage.
Figure 30. Output voltages of a three-cell CHB inverter using Hybrid PWM (a) Cell 3 (V3); (b) Cell 2 (V2); (c) Cell 1 (V1); (d) Combined 19-level output voltage.
Symmetry 17 01010 g030
Figure 31. State-space vectors of a three-phase three-level converter.
Figure 31. State-space vectors of a three-phase three-level converter.
Symmetry 17 01010 g031
Table 1. Switching states and output voltage levels of five-level CHB-MLI.
Table 1. Switching states and output voltage levels of five-level CHB-MLI.
Switching StatesVoltage, V0
S11S12S13S14S21S22S23S24
11000101+VDC
11001100+2 VDC
101001010
00110101−VDC
00110011−2 VDC
Table 2. Five-level diode-clamped inverter’s switching states and output voltage levels.
Table 2. Five-level diode-clamped inverter’s switching states and output voltage levels.
Switching StatesVoltage, V0
S1S2S3S4S1S2S3S4
11110000+VDC/2
01111000+VDC/4
001111000
00011110−VDC/4
00001111−VDC/2
Table 3. Five-level FC MLI’s switching states and output voltage levels.
Table 3. Five-level FC MLI’s switching states and output voltage levels.
Switching StatesVoltage, V0
S1S2S3S4S1S2S3S4
11110000+VDC/2
11100100+VDC/4
01111000
10111001
110001100
00111001
10110100
10001010
01001011
01110101
10001110−VDC/4
00010111
00100011
00001111−VDC/2
Table 4. Comparison between different submodule (SubM) topologies.
Table 4. Comparison between different submodule (SubM) topologies.
Performance ParameterHB-SubMFB-SubMSC-SubMNPC-SubMDC-SubMCD-SubMHyb-SubMX-SubM
Number of Sources11122222
Number of Transistors24344566
Number of Diodes24464766
Maximum VoltageVCVCVC2VC2VC2VC2VC2VC
Bipolar OperationNoYesYesNoNoYesYesYes
DC Fault BlockingYesYesYesNoNoYesYesYes
Loss of PowerLowHighLowMediumLowMediumMediumMedium
CostLowMediumMediumHighHighHighHighHigh
Control ComplexityLowLowLowHighHighLowLowHigh
Table 5. MLI comparison based on key factors.
Table 5. MLI comparison based on key factors.
TopologySizeSwitch CountDC SourcesApplicationsAdvantages and Limitations
DC-MLI [12]SmallLowFewLow-power systems, small devicesHigher THD, limited voltage levels
FC-MLI [58]MediumModerateFewSolar PV systems, medium-power applicationsReduced THD, potential capacitor issues
CHB-MLI [59]LargeHighManyHigh-power systemsExcellent THD reduction, high efficiency, complex design
Symmetric MLI [60]MediumModerateBalancedHigh-power systems, industrial EVsGood THD reduction, reliable performance
Asymmetric MLI [60]SmallModerateFewerMedium- to high-power systemsImproved performance, potential imbalance issues
Hybrid MLI [61]Medium to smallModerate to highFewer, complexEVs, industrial motor drivesBalanced performance, moderate THD, and high efficiency
Table 6. MLLT analysis of power converters.
Table 6. MLLT analysis of power converters.
FactorDescriptionMLLT ApproachReferences
Component Load and WearComponents in power converters, such as transistors, diodes, and capacitors, experience wear under high currents and voltages. MLLT analysis helps predict their lifespan under average load levels.Thermal cycling and switching loss analysis[64]
Thermal ManagementPower converters operating at high switching frequencies face thermal challenges. MLLT analysis helps assess thermal management strategies to maintain optimal temperature levels and extend component lifespan.Energy loss and heat dissipation modeling[65,66,67]
Switching Losses and Thermal ChallengesSwitching losses affect efficiency and increase thermal load, reducing component lifespan. MLLT analysis estimates these losses and determines optimal operating conditions to minimize them.Load profile analysis and switching frequency optimization[68,69]
Load Profile and Operational ConditionsPower converters typically operate under varying load conditions. MLLT analysis predicts lifespan based on expected load profile, helping optimize design parameters.Component aging and voltage stress calculation[70]
Table 7. Comparison of level numbers and THD values for different switching methods [73].
Table 7. Comparison of level numbers and THD values for different switching methods [73].
LevelsEP (%)HEP (%)HH (%)FF (%)
380.1748.1930.9031.76
542.7731.7821.1424.86
730.9831.2911.722.17
925.3722.068.3721.30
1122.6220.167.7221.24
1320.2518.747.2521.00
1518.5617.855.6720.92
1717.5516.355.0220.90
1917.2016.444.7520.80
2116.4816.124.7020.76
2316.1515.444.6820.74
2515.7814.904.6320.67
2715.3314.594.5820.64
2915.0214.124.5120.59
3114.6013.794.4620.53
3314.2613.354.3920.46
3513.9312.994.3620.44
Table 8. Comparison of PWM methods for multilevel inverters.
Table 8. Comparison of PWM methods for multilevel inverters.
PWM MethodAdvantagesDisadvantagesRecommended Usage
Sinusoidal PWM (SPWM)Simple implementation and is widely used. Low harmonic distortion (especially at low frequencies). High efficiency.High THD at low modulation indices. Efficiency loss in high-frequency inverters.Good for general applications where simplicity is key, but not ideal for high-power applications.
Space Vector Modulation (SVM)High voltage utilization efficiency. Low harmonic distortion and high performance. Reduced switching losses.Complex calculations and high computational cost. Cannot be performed in real time; requires offline solutions.Best for high-performance applications where efficiency and low harmonic distortion are critical.
Selective Harmonic Elimination (SHE)Reduces THD levels. Selectively eliminates specific harmonics.Requires numerical methods. Not suitable for real-time applications. High computational cost.Ideal for situations where harmonic reduction is a priority but may not be feasible for dynamic, real-time systems.
Carrier-Based PWMSimple implementation. It can be used for both single-phase and three-phase systems. Simple structure.Lower efficiency in high-power applications. May require additional filtering.Used for lower-power applications or when a simple design is needed but not ideal for high-power systems.
Modified PWMImproved efficiency. Reduces harmonic distortion.Not always suitable for all systems. Requires tuning for optimal performance.Useful for systems where efficiency is critical, but may require fine-tuning and may not be suitable for all scenarios.
Table 9. Output filter design for multilevel inverters.
Table 9. Output filter design for multilevel inverters.
AspectDescriptionTypical Values/NotesReference
Harmonic SourcesSwitching harmonics, device nonlinearities, and nonlinear load effects.Diode rectifiers, thyristor-based loads, and voltage imbalances.[115]
Filter TypeA passive low-pass filter to suppress high-frequency spectral components.LC filter; often includes a damping resistor, Rd.[116]
Cutoff Frequency (fc)Frequency at which filtering action begins. f c = 1 2 π L C , typically 1–10 kHz.[117]
Inductance (L)Limits the rate of current change; suppresses high-frequency harmonics.1–10 mH depending on the inverter power level and switching frequency.[118]
Capacitance (C)Provides voltage smoothing and reactive power support.10–100 μF based on ripple and resonance requirements.[119]
Damping Resistor (Rd)Mitigates LC resonance and improves filter stability under load variation.Typically 1–5 Ω; placed in series or parallel with the filter circuit.[120]
THD ReductionReduction in Total Harmonic Distortion is enabled by proper filtering.Often reduced to below 3% in optimized systems.[121]
Modulation TechniquesImpact filter effectiveness and harmonic spectrum.SHE-PWM, space vector modulation (SVM), carrier-based PWM.[122]
Compliance StandardsDefine acceptable harmonic limits for grid-connected systems.Compliance with IEEE 519 [113] and IEC 61000 [114] compliance.[123]
ApplicationsKey sectors requiring low-THD inverter outputs.Renewable energy systems, electric vehicles, and industrial motor drives.[124]
Disclaimer/Publisher’s Note: The statements, opinions and data contained in all publications are solely those of the individual author(s) and contributor(s) and not of MDPI and/or the editor(s). MDPI and/or the editor(s) disclaim responsibility for any injury to people or property resulting from any ideas, methods, instructions or products referred to in the content.

Share and Cite

MDPI and ACS Style

Taha, T.A.; Shalaby, M.; Wahab, N.I.A.; Zaynal, H.I.; Hassan, M.K.; Al-Sowayan, S.; Alawad, M.A. Recent Advancements in Multilevel Inverters: Topologies, Modulation Techniques, and Emerging Applications. Symmetry 2025, 17, 1010. https://doi.org/10.3390/sym17071010

AMA Style

Taha TA, Shalaby M, Wahab NIA, Zaynal HI, Hassan MK, Al-Sowayan S, Alawad MA. Recent Advancements in Multilevel Inverters: Topologies, Modulation Techniques, and Emerging Applications. Symmetry. 2025; 17(7):1010. https://doi.org/10.3390/sym17071010

Chicago/Turabian Style

Taha, Taha Abdulsalam, Mohamed Shalaby, Noor Izzri Abdul Wahab, Hussein Ibzir Zaynal, Mohd Khair Hassan, Sulaiman Al-Sowayan, and Mohamad A. Alawad. 2025. "Recent Advancements in Multilevel Inverters: Topologies, Modulation Techniques, and Emerging Applications" Symmetry 17, no. 7: 1010. https://doi.org/10.3390/sym17071010

APA Style

Taha, T. A., Shalaby, M., Wahab, N. I. A., Zaynal, H. I., Hassan, M. K., Al-Sowayan, S., & Alawad, M. A. (2025). Recent Advancements in Multilevel Inverters: Topologies, Modulation Techniques, and Emerging Applications. Symmetry, 17(7), 1010. https://doi.org/10.3390/sym17071010

Note that from the first issue of 2016, this journal uses article numbers instead of page numbers. See further details here.

Article Metrics

Back to TopTop