Next Article in Journal
Cuffless Blood Pressure Estimation from Phonocardiogram Signals Using Deep Learning with Adaptive Feature Recalibration
Next Article in Special Issue
Soft-Switching, Duty-Cycle-Extended Two-Phase Interleaved Buck with Positive Inductor Coupling for High-Density Consumer Electronics Power Supplies
Previous Article in Journal
CS-SMOTE: An Improved Oversampling Method Combining SMOTE Method and Symmetrical Cube Scoring Mechanism
Previous Article in Special Issue
Modeling, Analysis, and Classification of Asymmetrical DC Faults in a Bipolar Hybrid Cascaded Multi-Terminal HVDC System
 
 
Font Type:
Arial Georgia Verdana
Font Size:
Aa Aa Aa
Line Spacing:
Column Width:
Background:
Article

A Line-Mode Current Slope-Based Protection Scheme for Pole-to-Pole Short-Circuit Faults in DC Distribution Networks

1
College of New Energy Engineering, Jiangsu Vocational Institute of Architectural Technology, Xuzhou 221116, China
2
School of Electrical Engineering, China University of Mining and Technology, Xuzhou 221116, China
3
School of Electrical Engineering, Southeast University, Nanjing 210096, China
*
Author to whom correspondence should be addressed.
Symmetry 2025, 17(11), 1942; https://doi.org/10.3390/sym17111942
Submission received: 21 October 2025 / Revised: 10 November 2025 / Accepted: 11 November 2025 / Published: 13 November 2025

Abstract

DC distribution networks exhibit inherent symmetry in their balanced power distribution and modular structure, offering high operational flexibility and making them particularly suitable for the integration of distributed generation and modern loads. This symmetric framework positions DC networks as a vital component of new power systems and a key development direction for future power supply systems in industrial and mining enterprises. However, pole-to-pole short-circuit faults disrupt this symmetry, characterized by low system damping, high fault currents, and extremely rapid current rise rates, which pose serious threats to system security and necessitate ultra-fast fault clearance. To address this issue, this paper proposes a novel pilot protection scheme inspired by symmetry principles, based on the slope of the line-mode current for pole-to-pole short-circuit faults in DC distribution networks. First, an equivalent circuit of the system before converter blocking under a pole-to-pole fault is established, and an analytical expression of the fault current is derived, incorporating symmetric analysis of modal components. Subsequently, the variation trends, amplitudes, and phase characteristics of the fault current under faults occurring in different zones of the DC line are analyzed from the perspective of modal symmetry, highlighting the symmetric and asymmetric behaviors of line-mode and zero-mode currents. Furthermore, considering the distinct symmetric properties of these currents during lightning disturbances and pole-to-pole faults, the least squares method is employed to perform linear fitting on the line-mode current, thereby capturing its symmetric variation trend. A pilot protection scheme utilizing the slope of the line-mode current is then proposed, leveraging symmetry in fault discrimination. Finally, simulation models built in MATLAB/Simulink (R2022a) are used for validation. The results demonstrate that the proposed protection method can quickly identify faults within 1.5 ms while exhibiting strong tolerance to a 20 Ω transitional resistance and 50 dB signal noise, indicating good feasibility and broad applicability, with symmetry-based analysis enhancing robustness.

1. Introduction

To accommodate the growing penetration of distributed generation and new types of loads, and to facilitate the global achievement of carbon peak and carbon neutrality goals, it is imperative to enhance the flexibility and controllability of distribution networks [1,2]. DC distribution systems, which offer superior capabilities in integrating distributed renewable energy and DC loads, have emerged as a critical development path for future urban power grids, given their demonstrated advantages in supply distance, controllability, and power quality [3,4,5].
Faults in DC distribution networks can severely compromise power supply security. Although pole-to-pole short-circuit faults occur less frequently than pole-to-ground faults, they are the most severe type. Due to the low system damping in DC systems, fault currents rise extremely rapidly, often reaching several times the rated current within milliseconds, thereby posing a severe threat to system safety. This demands protection schemes with high-speed operation capability, requiring accurate fault identification and clearance based on transient information within a few milliseconds after fault occurrence. Currently, protection principles for DC distribution networks are mainly divided into two categories: single-ended protection and double-ended protection.
  • Single-ended protection relies solely on locally measured signals without the need for communication from the opposite end. Based on their operating principles, these methods mainly include current protection [6,7], voltage protection [8], distance protection [9,10], high-frequency boundary-based protection [11,12,13,14,15,16], and traveling wave protection [17].
  • Double-ended protection has a clear protective boundary and inherently satisfies selectivity requirements. Depending on the principle, it can be categorized into current differential protection [18,19], distance pilot protection [20,21], directional pilot protection, and correlation-based pilot protection [22,23,24,25,26].
Notwithstanding their widespread use, conventional protection solutions for DC distribution systems display notable shortcomings. Single-ended protection schemes are highly dependent on boundary elements and suffer from inherent deficiencies in selectivity and resilience to transition resistance, thereby hindering system-wide high-speed operation. Double-ended protection, while providing absolute selectivity and thus being preferable in intricately configured networks, is adversely affected by distributed capacitance currents, which compromise its speed. Furthermore, such methods necessitate advanced communication capabilities. Schemes such as current differential and distance pilot protection, in particular, require precise data synchronization between both terminals—a requirement often beyond the present communication capabilities of most distribution networks. Although pilot protection based on waveform correlation alleviates synchronization needs, it relies on pronounced waveform distortions and extended data windows to achieve satisfactory identification accuracy. Consequently, there is a clear imperative to investigate novel protection approaches tailored to the fault behavior of flexible DC distribution networks while accommodating realistic operational constraints.
Focusing on a two-terminal Modular Multilevel Converter (MMC)-based DC distribution system, this paper begins by constructing a simplified fault circuit for pole-to-pole short-circuit conditions, from which an analytical expression of the fault current is formulated. The features of the fault current—considering faults across different segments of the line—are thoroughly examined. Leveraging the differential behavior of the line-mode current during in-zone and out-of-zone faults, a novel protection scheme founded on the slope of the line-mode current is developed. Practical influencing factors including lightning strikes, transition resistance, and signal noise are accounted for in the design process. The proposed approach is verified via simulation in MATLAB/Simulink, with results confirming its effectiveness and reliability in safeguarding the system against pole-to-pole faults.

2. Pole-to-Pole Short-Circuit Calculation in DC Distribution Network

This paper investigates a two-terminal MMC-based DC distribution system. The main converter operates under constant DC voltage and reactive power control, while the subordinate converter adopts constant active and reactive power control. Following a pole-to-pole short-circuit fault on the DC line, the transient process can be divided into two distinct stages based on the blocking instant of the converter: pre-blocking, during which the fault current consists of submodule capacitor discharge current and AC feed-in current; and post-blocking, where the discharge path of the submodule capacitors is interrupted, leaving the fault current composed of reactor freewheeling current and short-circuit current fed from the AC system.
After the occurrence of a pole-to-pole short circuit, the submodule capacitors in all three-phase arms of the converter discharge toward the fault point. The corresponding fault circuit is illustrated in Figure 1a. To simplify the characteristic analysis. the following assumptions are made: the power electronic devices in the converter station have ideal switching characteristics, line capacitance is neglected, and the fault resistance is stable. Through equivalent simplification, the fault equivalent circuit is shown in Figure 1b.
R0 and L0 represent the equivalent resistance and reactance of the arm, respectively. Rline and Lline denote the equivalent resistance and reactance of the DC line. L1 is the current-limiting reactor. Ceq represent the equivalent capacitance of the converter. Rf indicates the transition resistance of the ground fault, and ic corresponds to the discharge current of the converter. A modular multilevel converter (MMC) with N = 20 sub-modules per arm, with the increasing number of submodules in Modular Multilevel Converters (MMCs), parameter disparities among submodules lead to a multimodal distribution of fault current peaks.
The dynamics of the circuit in Figure 1b are governed by the following equation:
L e q C e q d 2 U c e q d t 2 + R e q C e q d U c e q d t + U c e q = 0
R e q = 2 R 0 / 3 + R l i n e + R f L e q = 2 L 0 / 3 + 2 L 1 + L l i n e
where Ueq denotes the voltage at the terminals of the equivalent capacitance Ceq. Owing to the low equivalent resistance in the fault path, the discharge process is characterized by an under-damped oscillatory response. Under the initial conditions Uceq(0+) = Uceq(0) = UdcN and ic(0+) = ic(0) = Idc0, the expression for the converter-supplied fault current is derived as
i c ( t ) = e δ 1 t U dcN ω d L e q sin ( ω d t ) I dc 0 ω 0 ω d sin ( ω d t β )
δ 1 = R e q / 2 L e q ω 0 = 1 / L e q C e q ω d = ω 0 2 δ 1 2 β = arctan ( ω d / δ 1 )
where UdcN denotes the rated DC voltage. To mitigate the interrupting burden on circuit breakers—especially considering that the grid-side capacitor also supplies fault current to the fault point—a current-limiting reactor is commonly employed in the discharge path of the DC transformer. This loop exhibits minimal equivalent resistance. Due to the extremely small value of Req, we may assume ωd = ω0, and consequently β = π/2. Given the swift discharge characteristic of the capacitor, where e δ 1 t 1 in the converter current peaks within a few milliseconds, the pre-blocking stage can be reasonably idealized, allowing Equation (3) to be simplified as
i c ( t ) = U dcN 2 C e q L e q + I dc 0 2 sin ( ω d t + γ )
γ = arctan [ ( I dc 0 / U dcN ) ( L e q / C e q ) ]

3. Analysis of Fault Current Characteristics in Pole-to-Pole Short Circuit

Given the operational constraints of medium and low-voltage DC distribution systems—including voltage ratings, power capacity, and the overcurrent tolerance of power electronic devices—fault isolation must be accomplished within 5–8 ms [2]. Since practical circuit breakers typically require nearly 3 ms to operate, the protection algorithm must accurately detect and identify faults within approximately 2 ms. During this initial 2 ms period post-fault, the converter has not yet blocked. According to Equation (5), the current ic demonstrates a well-defined monotonically increasing behavior, which provides a reliable basis for constructing a discriminative criterion to distinguish faulty lines.
Using Figure 2 as a reference, the symmetrical and asymmetrical characteristics of fault current are examined when faults occur in different regions, emphasizing the role of symmetry in fault analysis. During normal operation, current flow from terminal M to terminal N exhibits a symmetrical balance between the positive and negative poles. The annotated red curves convey dual information: the vertical alignment of the arrows signifies whether the fault current is increasing or decreasing in magnitude, while the horizontal alignment reveals the actual physical direction of current flow, which may display symmetrical patterns under balanced conditions or asymmetry during faults. In accordance with the adopted sign convention, red curves plotted below the positive and negative pole lines indicate current values that are negative (flowing opposite to the reference direction), while those above represent positive values (flowing in the reference direction). Moreover, the spatial separation between these curves and the pole lines is proportional to the instantaneous current magnitude, and the symmetry of this separation provides a visual cue for distinguishing fault types.
As shown in Figure 2, in the case of an internal pole-to-pole fault, IMp maintains its original direction and demonstrates a continuous increase in magnitude. Meanwhile, INp initially appears in the opposite direction to the reference direction; as its magnitude grows and transitions through zero, the current direction reverses, followed by a further increase in magnitude. This indicates that the fault current at both ends of the positive pole line shows a consistent increasing tendency. By the same token, the currents at both ends of the negative pole line display a decreasing trend.
In contrast, under external fault conditions, the current passing through line MN is characterized as a through-fault current that exhibits distinctive symmetrical properties. For both the positive and negative poles, the current variation trends at the two line ends demonstrate a perfect antisymmetry—the increase at one terminal invariably corresponds to a decrease at the other, maintaining a consistent symmetrical relationship. This antisymmetrical pattern fundamentally differs from the symmetrical consistency observed in internal faults, where current trends remain identical at both terminals. The comparative analysis clearly highlights how symmetry principles enable discrimination between fault types: internal faults preserve symmetrical current trends, while external faults exhibit antisymmetrical behavior. This symmetrical/antisymmetrical dichotomy provides a reliable physical basis for fault identification, demonstrating the value of symmetry analysis in power system protection.

4. Pole-to-Pole Short-Circuit Fault Protection Scheme

4.1. Protection Activation Criterion

Analysis of transient fault behavior confirms that pole-to-pole faults induce a swift rise in line-mode current and an abrupt decrease in voltage. These measurable responses form the basis of the following startup criterion.
U d c < k u U dcN Δ I 1 > k s e t 1 I s e t 1
Δ I 1 ( t ) = I 1 ( t ) 1 m k = 1 m I 1 ( t k T s Δ t )
where ΔI1 denotes the variation in the line-mode current, which is obtained by subtracting the average value over a previous period from the instantaneous value. Here, Ts represents the sampling period, and Δt refers to the time interval from the current sampling instant. To mitigate the impact of noise and other disturbances, the parameter m is set to 20 and Δt is set to 1 ms. Thus, Formula (8) can be interpreted as the difference between the instantaneous line-mode current at the present moment and the average value of the sampled data within the preceding 1–2 ms.
Due to electromagnetic coupling between the positive and negative poles, phase-mode transformation is applied to decouple the positive and negative pole currents. The reference setting value for the line-mode current, denoted as Iset1, is selected as 2 IdcN based on phase-mode transformation. Under normal operating conditions, the load remains relatively stable within short time frames, resulting in minimal current fluctuations. Consequently, the corresponding current variation is negligible, effectively approximating zero. In the case of external faults, the current transformer’s transformation error—typically constrained within 10%—exhibits no abrupt variation in its operational characteristics. Therefore, the threshold parameter kset1 is conservatively assigned a value of 0.1 to accommodate potential measurement inaccuracies while ensuring protection stability. Furthermore, to prevent maloperation of the protection during single-pole-to-ground faults, a low-voltage threshold is incorporated. The setting principle for this threshold is to override the maximum unbalanced voltage, and a value of ku = 0.8 is generally adopted.

4.2. Fault Identification Criterion

After a pole-to-pole short-circuit fault occurs, there is a significant difference in the variation trend of the line-mode current between faulty and non-faulty lines. Accurate characterization of the changing trend of the fault signal enables reliable discrimination between internal and external faults. To address issues such as poor reliability and weak anti-interference capability under high-impedance fault conditions, the slope of the line-mode current within a short data window after the fault is used to represent its variation trend, enabling rapid and reliable fault identification.
Given that the capacitive discharge is rapid during the initial fault stage, the short-circuit current increases approximately linearly with time [27]. Therefore, the least squares method is applied to perform linear fitting of the line-mode current, and the fitted slope is used to characterize the variation trend of the fault current. The linear fitting expression of the least squares method is given by
y = k x + b
k = n i = 1 n x i y i i = 1 n x i i = 1 n y i n i = 1 n x i 2 i = 1 n x i 2 b = 1 n i = 1 n y i k n i = 1 n x i
where k represents the fitting slope, b denotes the intercept, xi and yi correspond to the sampling time and line-mode current value at the i-th sampling point, respectively, and n indicates the number of sampling points within the data window.
To ensure that the system can complete fault isolation before the converter is blocked, and to acquire sufficient data for reliable protection operation, the data window is set to 1 ms after comprehensive consideration of factors such as circuit breaker operating time and the sampling frequency of the protection device (20 kHz). This setting effectively guarantees the speed of the protection operation.
For fault lines, the variation trends of the line-mode current at both ends are consistent, whereas for non-fault lines, the trends at the two ends exhibit opposite behaviors. Thus, the slope signs of the line-mode current at both ends of a non-fault line are always opposite, while those at the terminals of a fault line remain the same. The following protection criterion is given by
s i g n ( k ) = 1 k > k s e t 1 k < k s e t 0 k s e t < k < k s e t
S = s i g n ( k M ) × s i g n ( k N ) = 1
Here, kM and kN denote the line-mode current slopes corresponding to the beginning and the end of the transmission line. Under high-impedance fault conditions, the line current exhibits a gradual rise due to increased resistance, resulting in a reduced slope when fitted. This study aims to set the maximum high-resistance fault condition at 20 Ω, reflecting the typical severity of pole-to-pole short-circuit faults where the actual fault resistance remains relatively low. Analytical results indicate that for faults with resistance up to 20 Ω, the rate of change in the line-mode current exceeds 0.2 kA/ms. To ensure sufficient sensitivity, the threshold kset is conservatively set at 0.1 kA/ms.
At the same time, the establishment of a predefined threshold serves primarily to enhance noise immunity. Non-faulted lines may experience fluctuations in line-mode current due to electromagnetic interference or measurement noise. However, by employing multi-sample-point fitting to calculate the current slope, the influence of noise is effectively mitigated. Statistical analysis confirms that noise-induced fluctuations in the current slope remain below 0.1 kA/ms, thereby ensuring a balance between sensitivity and operational security.

4.3. Lightning Disturbance Auxiliary Criterion

To prevent maloperation of the protection system caused by lightning disturbances, an auxiliary criterion is introduced to enhance the reliability of protection logic. Since lightning disturbances primarily affect the zero-mode current, while causing minimal change in the line-mode current, and since pole-to-pole short-circuit faults significantly impact the line-mode current while producing nearly zero zero-mode current, this distinctive characteristic is leveraged to formulate the following criterion.
I 0 max I 1 max > k L
where (|I0|)max and (|I1|)max represent the peak absolute values of the zero-sequence and line-mode currents over the specified data window. Lightning strikes often generate impulsive currents amounting to several kA, causing substantial zero-mode current transients—a signature markedly different from that of pole-to-pole short circuits. Considering inherent measurement errors and the need for operational reliability, a safety margin is incorporated by setting kL = 0.2. Exceeding this threshold triggers the classification of the event as a lightning-induced disturbance.

4.4. Flowchart of the Protection Scheme

Figure 3 presents the detailed flowchart of the proposed protection strategy for pole-to-pole short-circuit faults, which utilizes the slope characteristics of the line-mode current for fault identification and classification.

5. Simulation Analysis and Discussion

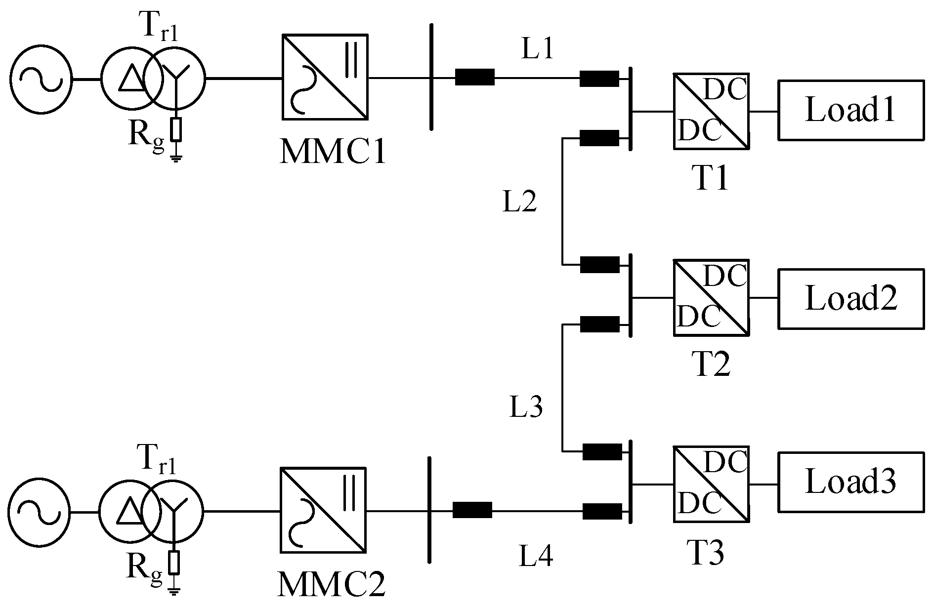
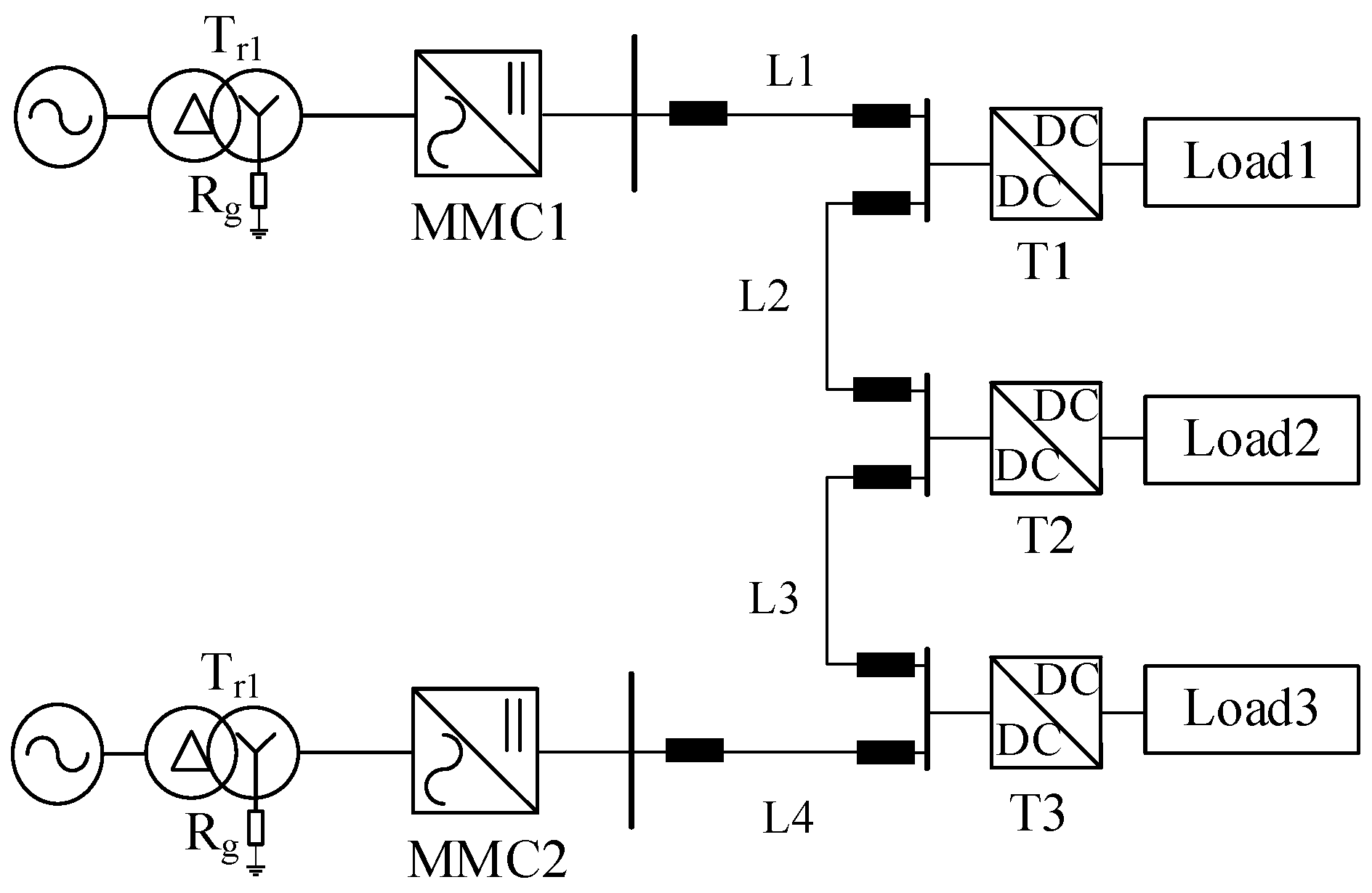
A two-terminal MMC-based DC distribution system simulation model, as illustrated in Figure 4, was developed and implemented in MATLAB/Simulink. The detailed system parameters are provided in Table 1. The system employs a primary–secondary control strategy for the converters: the primary converter utilizes constant DC voltage and reactive power control to maintain grid stability, while the secondary converter operates under constant active and reactive power control to ensure power dispatch accuracy. The protection devices are configured with a sampling frequency of 20 kHz to accurately capture fast transients during fault conditions. Furthermore, communication delays inherent in the pilot protection scheme are modeled with a 1 ms latency, reflecting realistic channel characteristics.

5.1. Verification of the Protection Scheme

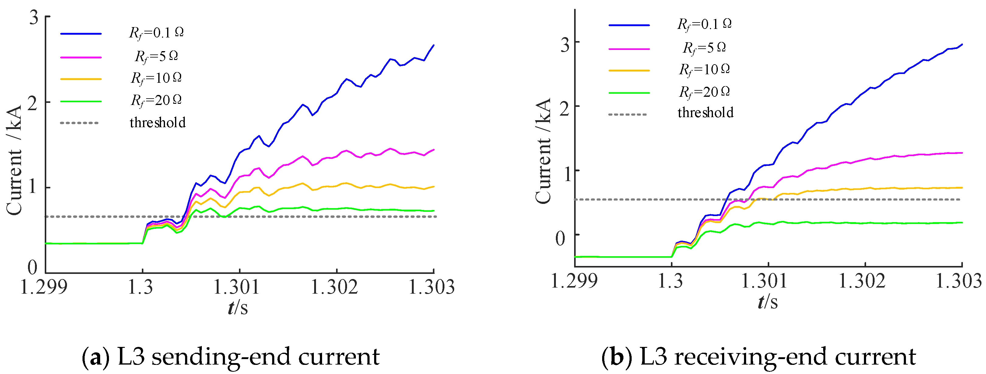
The proposed protection scheme was evaluated through simulation under a specific fault scenario. Following 1.3 s of stable system operation, a Pole-to-Pole fault incorporating a 0.1 Ω transition resistance was initiated at the central point of transmission line L3. Relevant simulation outcomes, demonstrating the system’s dynamic response and protection performance, are presented in Figure 5.
For the fault line L3, upon the occurrence of the fault, the pole-to-pole voltage rapidly dropped below the threshold value of 16 kV, while the line current exhibited a sharp increase. The variation in the line-mode current exceeded the preset setting value, whereas the zero-mode current remained almost unchanged. Using the moment when the startup criterion was first satisfied as the initial time, the amplitude ratio between the zero-mode current and the line-mode current was calculated based on the subsequent 1 ms data window to exclude lightning disturbances. Simultaneously, the least squares method was applied to compute the fitted slope of the line-mode current for fault discrimination. With the fault occurrence time set as t = 0, Figure 6 illustrates the fitting results of the line-mode currents measured at both ends of each line.
It can be observed that despite the presence of fluctuations in the line-mode current, the least squares-based linear fitting robustly captures the underlying variation trend. Specifically, the line-mode current slopes at both terminals of the fault line (L3) possess identical polarity, corresponding to S = 1. Conversely, the slopes at the two ends of the non-fault lines (L2 and L4) demonstrate opposite polarities, leading to S = −1. This consistent behavior allows reliable and accurate identification of internal and external faults.

5.2. Protection Performance Under Different Fault Locations and Transition Resistances

The transition resistance of pole-to-pole short-circuit faults is generally small, typically not exceeding 20 Ω. To evaluate the performance of the protection scheme, faults with various transition resistance values were applied at different locations. The corresponding fault identification results are summarized in Table 2.
The test results summarized in Table 2 confirm that the proposed protection method exhibits excellent transition resistance tolerance, ensuring accurate fault line identification across diverse fault locations and resistance values. Notably, the existence of DC transformers interconnecting the lines, along with their high-side parallel capacitors—which inject additional fault current—leads to discernible differences in the line-mode current slopes of non-fault lines.
With reduced fault severity, the increased equivalent impedance of the fault circuit decelerates the rate of rise in the fault current and shortens the time to reach steady state. As a result, line-mode current slopes at the terminals of non-fault lines located remotely from the fault appear diminished, and in high-resistance cases, may not attain the preset threshold. Nevertheless, the protection remains secure against maloperation.
On the contrary, for the fault line, the convergence of short-circuit currents from system components through both line terminals produces the most significant line-mode current variation and the largest observed slopes. The consistent polarity of these slopes at each end fulfills the in-zone fault condition, guaranteeing correct protective actions in all tested scenarios.

5.3. Impact of Distributed Capacitance

As DC distribution systems evolve toward higher voltage levels, extended supply radii, and increased power capacity, line parameters—particularly distributed capacitance—vary accordingly. This variation may significantly affect protection performance, necessitating a detailed assessment of the immunity of the proposed method to distributed capacitive currents. For this purpose, a case study was conducted where a pole-to-pole short-circuit fault (0.1 Ω) was applied at the midpoint of line L3. The line distributed capacitance was scaled up to twice and three times the base value. Table 3 provides the computed slopes of the fitted curves and the final fault identification outcomes for each line under the considered scenarios.
As evidenced by simulation results, elevated distributed capacitance in the lines introduces higher oscillations in the line-mode current waveform. However, these fluctuations do not disrupt the fundamental variation pattern of the current. The slope derived from linear fitting remains largely unaffected, ensuring consistent and correct fault line identification under varying capacitance conditions. This confirms the robustness of the protection strategy against distributed capacitance effects.

5.4. Impact of Noise

Given the complex operational environment of DC grids, a comprehensive analysis of noise impacts is imperative, particularly addressing the high-frequency electromagnetic interference (EMI) generated by rapid switching of power semiconductors during fault transients, along with measurement noise originating from current transformers (CTs) and voltage sensors. These interference sources significantly compromise measurement accuracy by introducing high-frequency harmonics and stochastic distortions to critical signals such as the line-mode current slope. Furthermore, a comprehensive noise tolerance analysis was conducted to evaluate the robustness of the protection scheme under realistic measurement conditions. A pole-to-pole short-circuit fault with 5 Ω transition resistance was introduced at the midpoint of line L3. To simulate practical signal acquisition scenarios, white noise with SNRs of 20 dB, 30 dB, and 50 dB was superimposed on the fault current waveforms. The performance of the protection algorithm was assessed based on the fitted slopes of the line-mode currents and the final fault discrimination outcomes, as detailed in Table 4.
Cross-referencing the results presented in Table 2 and Table 4 reveals that the addition of noise has negligible impact on the calculated slopes derived from line-mode current fitting. The protection algorithm consistently correctly identifies fault zones even when subjected to 50 dB noise contamination. The fundamental reason for this noise immunity lies in the mathematical foundation of the least squares method: by optimizing the fit through residual minimization, it effectively averages out stochastic errors caused by white noise. Furthermore, the proposed scheme utilizes the macroscopic trend of the line-mode current for fault discrimination, while noise primarily introduces high-frequency fluctuations in amplitude. Consequently, the core decision-making process remains robust against noise interference.

5.5. Impact of Lightning Disturbance

A simulation-based validation was performed to examine the robustness of the lightning discrimination method. At t = 0.6 s, a lightning stroke was applied to the overhead ground wire at the midpoint of line L2. The surge arresters were modeled following the specifications in Ref. [28], and coupling coefficients between the ground wire and DC poles were assigned according to Ref. [29]. Lightning-induced disturbances introduce impulsive currents with closely matching amplitudes and waveforms in both poles, leading to severe transient oscillations in line currents. The performance of the auxiliary lightning identification criterion is quantitatively evaluated in Table 5.
Lightning disturbances induce significant changes in the zero-mode current, while the line-mode current remains relatively stable. This observation confirms that constructing protection criteria based on the line-mode current is an effective approach to mitigate the impact of lightning disturbances, which aligns with the theoretical analysis.
To prevent equipment damage from overvoltage, surge arresters are installed at the outlets of DC transformers and converter stations. These arresters divert most lightning-induced current components to the ground through the arresters at both ends of L2. Consequently, the zero-mode current in other lines is substantially smaller than that in line L2, resulting in lower calculated values of the lightning disturbance auxiliary criterion for lines farther from the disturbance point.
Nevertheless, regardless of the lightning current amplitude, the ratio of zero-mode to line-mode current amplitudes in all lines consistently exceeds the threshold kL = 0.2. This ensures reliable identification of lightning disturbances without maloperation, as demonstrated in Table 5.

5.6. Comparative Analysis of Protection Scheme

To prevent maloperation, traditional protection schemes typically implement a current threshold, usually set at 1.2–1.5 times the system’s rated current. protection is activated when this threshold is exceeded. Assuming initial operation with current flowing from the line’s sending end to the receiving end, Figure 7 illustrates the current waveforms at both ends of the positive pole under pole-to-pole faults with varying transition resistances.
As the transition resistance increases, the magnitude of the fault current exhibits a declining trend, progressively approaching the operational threshold. Under high-resistance fault conditions, the current may fail to reach the threshold value, leading to failure in current direction identification. The protection principle proposed in Reference [30] requires a distinct reversal of current polarity before and after the fault occurrence. However, as illustrated in Figure 7b, under high-resistance faults, the current polarity may remain unchanged before and after the fault, resulting in protection refusal.
This limitation highlights the fundamental constraint of amplitude- and polarity-based methods in high-impedance fault scenarios. In contrast, the proposed method in this study relies solely on the dynamic trend of the line-mode current slope, which remains discernible even under elevated transition resistances, thereby ensuring consistent fault identification independent of absolute current magnitude.
Compared with traditional current-directional pilot protection [25], the operating speed of the protection scheme proposed exhibits considerably less sensitivity to transition resistance. Taking into account practical factors such as the sampling frequency of protection devices, the method enables faulted line identification within 1.5 ms—significantly faster than the 5 ms data window required by the approach in [31], demonstrating superior speed performance in fault clearance. Additionally, by utilizing only local current measurements and communicating simple state variable signals, it avoids the need for high-precision time synchronization or high-speed communication of full data streams, significantly simplifying implementation.

6. Conclusions

Currently, most operational DC distribution networks are implemented as pilot projects, lacking mature technical standards. However, given the requirements of energy transition, DC distribution systems—with their inherent symmetrical structure in positive and negative poles—are poised to become a crucial development direction for future power supply systems in industrial and mining enterprises. When pole-to-pole faults occur in DC networks, they disrupt the system’s symmetrical balance, resulting in fault currents that exhibit large magnitudes and extremely fast rising rates, seriously threatening system security and necessitating rapid fault isolation to restore symmetry. This paper proposes a novel protection scheme based on the slope of the line-mode current, leveraging the characteristic features of pole-to-pole short-circuit faults in DC distribution networks. The method exploits the symmetrical and antisymmetrical patterns of current variations to distinguish fault types, featuring simple principles, straightforward implementation, and eliminating the need for strict communication synchronization.
Theoretical analysis and simulation results demonstrate that the proposed protection scheme offers significant advantages rooted in symmetry principles: (1) Compared to traditional current-directional pilot protection, the operating speed remains unaffected by transition resistance, enabling fault line identification within 1.5 ms by leveraging symmetrical current trends at line ends, thus meeting the speed and selectivity requirements of flexible DC distribution networks. (2) By applying the least squares method to perform linear fitting of the line-mode current, the scheme utilizes the slope of the fitted curve to characterize current variation trends and determines fault conditions based on slope polarity, which reflects the underlying symmetry or asymmetry in fault behavior. The protection demonstrates strong immunity to distributed capacitance currents (which often preserve symmetry), excellent tolerance to transition resistance up to 20 Ω and noise interference up to 50 dB, and effective lightning disturbance rejection by differentiating fault currents from asymmetrical noise, ensuring high reliability.
The proposed protection method maintains correct operation under various challenging conditions by consistently analyzing symmetrical characteristics, demonstrating remarkable robustness and reliability. Its fast response characteristics, combined with simplified communication requirements, make it particularly suitable for complex distribution network topologies where symmetry-based fault discrimination enhances scalability. With these superior performance characteristics, the scheme shows excellent potential for practical engineering applications, offering a viable solution for the protection needs of evolving DC distribution systems while providing valuable insights for future standardization efforts in symmetry-aware power system design.
While the proposed scheme demonstrates notable robustness for pole-to-pole faults, its applicability remains bounded by two key limitations: restricted validation to pole-to-ground and other fault types, and reduced efficacy under extreme high-impedance conditions. To advance practical relevance, future work will extend the method to multi-terminal DC grids—addressing complex fault-path coordination—and implement hardware-in-the-loop validation under realistic delays and sensor errors, thereby transitioning the approach toward a field-ready solution for next-generation DC systems.

Author Contributions

Conceptualization, W.J., S.F. and Y.L.; methodology, W.J.; software, S.F.; validation, W.J., S.F. and Y.L.; formal analysis, W.J., S.F. and Y.L.; investigation, S.F.; resources, S.F.; data curation, S.F.; writing—original draft preparation, W.J. and S.F.; writing—review and editing, W.J., S.F. and Y.L.; visualization, W.J., S.F. and Y.L.; supervision, W.J.; project administration, W.J.; funding acquisition, W.J. All authors have read and agreed to the published version of the manuscript.

Funding

This research was funded by Jiangsu Vocational Institute of Architectural Technology General Research Project, grant number JYA324-27.

Data Availability Statement

The original contributions presented in this study are included in the article. Further inquiries can be directed to the corresponding author.

Conflicts of Interest

The authors declare no conflicts of interest.

References

  1. Huang, X.; Fan, Y.; Li, W.; Fei, J.; Wang, J. Research on Line Selection Method Based on Active Injection Under DC Feeder Single-Pole Grounding Fault. Energies 2025, 18, 4958. [Google Scholar] [CrossRef]
  2. Zhang, S.; Zou, G.; Gao, F.; Wei, X.; Zhou, C. A comprehensive review of multiport DC circuit breakers for MTdc grid protection. IEEE Trans. Power Electron. 2023, 38, 9100–9115. [Google Scholar] [CrossRef]
  3. Wu, Z.J.; Xie, X.F.; Yang, J.G. A review on voltage control strategies in DC distribution network. Electr. Power Eng. Technol. 2021, 40, 59–67. [Google Scholar]
  4. Mu, R.J. Research on key technology of underground DC power supply system in coal mine. M. E. Eng. Technol. 2019, 48, 208–210. [Google Scholar]
  5. Wang, C.B. Research on the Protection of Flexible DC Distribution System with High-Proportion Distributed Photovoltaics. Master’s Thesis, North China Electric Power University (Beijing), Beijing, China, 2020. [Google Scholar]
  6. Lao, Z.X.; Zheng, B.Y.; Guo, F.; Mei, H.; Zhu, W.; Wang, R.; Fang, J. Research on protection scheme of DC microgrid integrated with fault current limiting control technology. South. Energy Constr. 2023, 10, 65–71. [Google Scholar]
  7. Zhou, J.Y.; Li, F.T.; Chen, W.W. Line protection schemes for flexible DC distribution network based on capacitor discharge. Power Syst. Prot. Control 2019, 47, 42–48. [Google Scholar]
  8. Yao, L.Z.; Wu, J.; Wang, Z.B. Studies on DC fault protection strategies for MMC based HVDC grid. Proc. CSEE 2017, 37, 1–11. [Google Scholar]
  9. Ikhide, M.; Tennakoon, S.; Griffiths, A.; Subramanian, S.; Ha, H. Fault detection in multi-terminal modular multilevel converter (MMC) based high voltage DC (HVDC) transmission system. In Proceedings of the 2015 50th International Universities Power Engineering Conference (UPEC), Stoke-on-Trent, UK, 1–4 September 2015; pp. 1–6. [Google Scholar]
  10. Xue, S.M.; Liu, C.; Liu, C.J.; Lu, J.C. Single-terminal fault location principle for DC distribution system based on norm assessment of linear equations coefficient inverse matrix. Proc. CSEE 2020, 40, 1443–1453. [Google Scholar]
  11. Li, R.; Xu, L.; Yao, L. DC fault detection and location in meshed multiterminal HVDC systems based on DC reactor voltage change rate. IEEE Trans. Power Deliv. 2017, 32, 1516–1526. [Google Scholar] [CrossRef]
  12. Chen, S.Y.; Huang, W.T.; Tai, N.L.; Wei, W.; Chen, Y. Protection method based on single-terminal transient voltage for DC distribution network with current limiting reactor. Autom. Electr. Power Syst. 2021, 45, 185–193. [Google Scholar]
  13. Li, Y.; Wu, L.; Li, J.; Xiong, L.; Zhang, X.; Song, G.; Xu, Z. DC fault detection in MTDC systems based on transient high frequency of current. IEEE Trans. Power Deliv. 2019, 34, 950–962. [Google Scholar] [CrossRef]
  14. Liu, J.; Tai, N.; Fan, C. Transient-voltage-based protection scheme for DC line faults in the multiterminal VSC-HVDC system. IEEE Trans. Power Deliv. 2017, 32, 1483–1494. [Google Scholar] [CrossRef]
  15. Deng, F.; Zhang, Z.; Zhong, H.; Zeng, Z. Single-ended traveling wave protection for flexible DC transmission lines based on the main frequency component of the initial traveling wave. Proc. CSEE 2023, 43, 5797–5808. [Google Scholar]
  16. Chen, M.; Jia, K.; Wang, K.D.; Shi, Z.; Chen, C.; Bi, T. Single terminal traveling wave protection for flexible HVDC transmission lines based on forward wave shape information. Power Syst. Technol. 2022, 46, 2386–2393. [Google Scholar]
  17. Tong, N.; Lin, X.N.; Zhang, X.S.; Zhao, B.; Chen, L.; Li, Z.T.; Jin, N. Fault location based single-ended protection strategy for overhead VSC-MTDC independent on boundary component. Proc. CSEE 2019, 39, 2049–2060. [Google Scholar]
  18. Yang, P.; Jia, B.Y.; Zang, Q.; Fan, H.; Li, B.Y.; Zhang, P.; Li, Y.; Liu, X.M. Current differential protection method of line distributed capacitance current compensation in flexible DC distribution network. J. Fuzhou Univ. (Nat. Sci. Ed.) 2023, 51, 49–55. [Google Scholar]
  19. Liu, J.; Lv, R. A novel current differential protection scheme for flexible medium voltage direct current distribution network. Sci. Technol. Eng. 2021, 21, 2720–2724. [Google Scholar]
  20. Lei, Z.Y.; Hao, L.S.; Dai, J.S.; Zhang, L.; Wang, X.; Cui, C.; Qi, J.; Tang, X. A review of fault location methods in HVDC transmission lines. Power Syst. Prot. Control 2022, 50, 178–187. [Google Scholar]
  21. Wu, Y.Q.; Ye, Y.Q.; Ma, X.; Li, Z.; Wu, T.; Xu, H. Single pole-to-ground fault locating method with ability against synchronization error and high fault resistance for DC distribution network. Electr. Power Autom. Equip. 2022, 42, 167–174. [Google Scholar]
  22. Jia, K.; Wang, C.; Bi, T.; Zhu, R.; Xuan, Z. Transient current waveform similarity based protection for flexible DC distribution system. IEEE Trans. Ind. Electron. 2019, 66, 9301–9311. [Google Scholar] [CrossRef]
  23. Zuo, P.F.; Qin, W.P.; Xia, F.L.; Chen, X.; Yang, L. Single-pole ground selection method for DC distribution networks based on zero-mode current correlation. Power Syst. Prot. Control 2022, 50, 86–96. [Google Scholar]
  24. Li, Z.X.; She, S.X.; Xu, H.; Cui, X.L.; Li, Z.H.; Zhang, M.M. Pilot protection of flexible DC line based on Jaccard similarity integration criterion. Electr. Power Eng. Technol. 2023, 42, 94–102. [Google Scholar]
  25. Li, M.; Jia, K.; Zhang, Q.F.; Liu, Y.; Tianshu, B.I.; Yang, Q. Directional pilot protection for flexible DC distribution network based on directional characteristics of instantaneous current. Autom. Electr. Power Syst. 2019, 43, 116–122+130. [Google Scholar]
  26. Jia, K.; Xuan, Z.W.; Li, C.X.; Wang, C.; Li, M.; Bi, T. A directional pilot protection based on phase angle of transient high-frequency impedance for flexible DC distribution grid. Proc. CSEE 2018, 38, 5343–5351. [Google Scholar]
  27. Gao, Y.; Han, Y.; Xiao, F.; Chen, C.; Zhang, J.; Zhang, J.; Zhang, Y.; Li, L. Study on lightning protection scheme of multi-terminal MMC-MVDC distribution system. High Volt. 2020, 5, 605–613. [Google Scholar] [CrossRef]
  28. Gu, Y.B.; Song, G.B.; Guo, A.X.; Tao, R.; Liu, Y. A lightning recognition method for DC line traveling-wave protection of HVDC. Proc. CSEE 2018, 38, 3837–3845+4024. [Google Scholar]
  29. Lü, Y.; Zhu, S.C.; Wang, N.N.; Wang, J.; Zhao, C. Internal pole-to-pole short-circuit fault location of bipolar HVDC grid using sudden-change current information. Proc. CSEE 2019, 39, 4686–4694+4971. [Google Scholar]
  30. Hong, C.; Lin, C.; Gao, W.; Guo, M.F. Application of current integral cosine similarity in fault location for DC distribution lines. Electr. Mach. Control 2022, 26, 88–99. [Google Scholar]
  31. Cai, X.L.; Song, G.B.; Gao, S.P.; Le Suonan, J. Research on applicability of current fault component polarity pilot directional protection for VSC-HVDC cable lines. Power Syst. Prot. Control 2013, 41, 10–16. [Google Scholar]
Figure 1. Equivalent circuit for pole-to-pole short-circuit fault.
Figure 1. Equivalent circuit for pole-to-pole short-circuit fault.
Symmetry 17 01942 g001
Figure 2. Current characteristics in different fault zones.
Figure 2. Current characteristics in different fault zones.
Symmetry 17 01942 g002
Figure 3. Protection scheme flowchart for pole-to-pole fault.
Figure 3. Protection scheme flowchart for pole-to-pole fault.
Symmetry 17 01942 g003
Figure 4. Topology of a DC distribution system.
Figure 4. Topology of a DC distribution system.
Symmetry 17 01942 g004
Figure 5. Simulation results of internal Pole-to-Pole fault.
Figure 5. Simulation results of internal Pole-to-Pole fault.
Symmetry 17 01942 g005aSymmetry 17 01942 g005b
Figure 6. Line-mode current fitting results.
Figure 6. Line-mode current fitting results.
Symmetry 17 01942 g006
Figure 7. Positive-pole current during internal pole-to-pole faults.
Figure 7. Positive-pole current during internal pole-to-pole faults.
Symmetry 17 01942 g007
Table 1. System parameters.
Table 1. System parameters.
ParametersValuesParametersValues
Rated DC Voltage±10 kVRated DC Current500 A
Submodules No. per Arm20MMC Capacity10
Submodule Capacitance5 mFConnection Transformer Ratio110/10 kV
Grounding Resistance2500 ΩArm Inductance10
Line Inductance0.52 mH/kmCurrent-limiting Reactance5
Line Capacitance0.33 μF/kmLine Resistance0.07
T1 Voltage Ratio±10 kV/±375 VT1 Rated Capacity1
T2 Voltage Ratio±10 kV/±375 VT2 Rated Capacity1
T3 Voltage Ratio±10 kV/±375 VT2 Rated Capacity2
L1 Length5 kmL2 Length6
L3 Length4 kmL4 Length5
Table 2. Protection test results under different fault locations and transition resistances.
Table 2. Protection test results under different fault locations and transition resistances.
Fault LineFLFTRL1 ResultL2 ResultL3 ResultL 4 ResultResult
kMkNSkMkNSkMkNSkMkNS
L11 km0.11.302.401−1.251.28−1−0.720.71−1−0.370.31−1Yes
50.931.701−0.880.85−1−0.480.46−1−0.250.18−1Yes
100.641.231−0.630.57−1−0.320.30−1−0.170.10−1Yes
200.350.701−0.360.28−1−0.160.13−1−0.080.020Yes
4 km0.11.123.261−1.701.78−1−1.000.98−1−0.490.45−1Yes
50.712.131−1.101.14−1−0.630.60−1−0.300.25−1Yes
100.481.451−0.740.76−1−0.430.38−1−0.200.14−1Yes
200.190.751−0.380.37−1−0.210.17−1−0.090.030Yes
L23 km0.10.79−0.68−12.052.711−1.511.50−1−0.740.73−1Yes
50.46−0.42−11.291.731−0.960.92−1−0.460.41−1Yes
100.28−0.27−10.861.151−0.650.59−1−0.300.23−1Yes
200.08−0.1300.430.591−0.330.28−1−0.150.080Yes
L32 km0.10.45−0.47−11.31−1.22−12.592.681−1.331.30−1Yes
50.21−0.27−10.76−0.71−11.541.611−0.800.71−1Yes
100.10−0.16−10.46−0.45−10.971.031−0.510.41−1Yes
200.04−0.0900.20−0.21−10.450.491−0.220.16−1Yes
L42.5 km0.10.26−0.27−10.77−0.69−11.52−1.50−12.742.011Yes
50.12−0.15−10.41−0.40−10.91−0.93−11.721.281Yes
100.05−0.0800.23−0.24−10.56−0.61−11.120.751Yes
200.02−0.0400.08−0.1000.25−0.29−10.540.331Yes
FL represents fault location, and FTR represents fault transition resistances, where the FTRs are expressed in Ω. kM and kN are the fitted slopes on both sides of lines, where the slopes are expressed in kA/ms. “’Yes’ denotes correct identification of the faulted line, and ‘No’ denotes correct restraint for a non-faulted line.
Table 3. Test results under different distributed capacitance.
Table 3. Test results under different distributed capacitance.
Distributed CapacitanceLinekMkNSResult
0.33 μF/kmL10.45−0.47−1No
L21.31−1.22−1No
L32.592.681Yes
L4−1.331.3−1No
0.66 μF/kmL10.47−0.4−1No
L21.24−1.26−1No
L32.632.681Yes
L4−1.321.3−1No
0.99 μF/kmL10.39−0.53−1No
L21.35−1.07−1No
L32.472.381Yes
L4−0.981.21−1No
‘Yes’ denotes correct identification of the faulted line, and ‘No’ denotes correct restraint for a non-faulted line.
Table 4. Test results under different lightning disturbances.
Table 4. Test results under different lightning disturbances.
Lightning DisturbanceLinekMkNSResult
50 dBL10.21−0.28−1No
L20.76−0.72−1No
L31.541.611Yes
L4−0.80.71−1No
30 dBL10.23−0.25−1No
L20.77−0.71−1No
L31.541.611Yes
L4−0.80.69−1No
20 dBL10.17−0.26−1No
L20.68−0.69−1No
L31.561.591Yes
L4−0.850.82−1No
‘Yes’ denotes correct identification of the faulted line, and ‘No’ denotes correct restraint for a non-faulted line.
Table 5. The ratio of zero-mode to line-mode current amplitudes under different lightning current.
Table 5. The ratio of zero-mode to line-mode current amplitudes under different lightning current.
Lightning CurrentLineThe Ratio of Line StartThe Ratio of Line End
20 kAL10.670.48
L22.692.80
L31.511.57
L40.810.34
50 kAL10.691.09
L27.915.81
L31.741.79
L40.900.53
100 kAL10.631.50
L212.209.41
L31.891.89
L40.930.74
Disclaimer/Publisher’s Note: The statements, opinions and data contained in all publications are solely those of the individual author(s) and contributor(s) and not of MDPI and/or the editor(s). MDPI and/or the editor(s) disclaim responsibility for any injury to people or property resulting from any ideas, methods, instructions or products referred to in the content.

Share and Cite

MDPI and ACS Style

Jin, W.; Feng, S.; Lu, Y. A Line-Mode Current Slope-Based Protection Scheme for Pole-to-Pole Short-Circuit Faults in DC Distribution Networks. Symmetry 2025, 17, 1942. https://doi.org/10.3390/sym17111942

AMA Style

Jin W, Feng S, Lu Y. A Line-Mode Current Slope-Based Protection Scheme for Pole-to-Pole Short-Circuit Faults in DC Distribution Networks. Symmetry. 2025; 17(11):1942. https://doi.org/10.3390/sym17111942

Chicago/Turabian Style

Jin, Wei, Shiguang Feng, and Yuping Lu. 2025. "A Line-Mode Current Slope-Based Protection Scheme for Pole-to-Pole Short-Circuit Faults in DC Distribution Networks" Symmetry 17, no. 11: 1942. https://doi.org/10.3390/sym17111942

APA Style

Jin, W., Feng, S., & Lu, Y. (2025). A Line-Mode Current Slope-Based Protection Scheme for Pole-to-Pole Short-Circuit Faults in DC Distribution Networks. Symmetry, 17(11), 1942. https://doi.org/10.3390/sym17111942

Note that from the first issue of 2016, this journal uses article numbers instead of page numbers. See further details here.

Article Metrics

Back to TopTop