Model-Free Generalized Super-Twisting Fast Terminal Sliding Mode Control for Permanent Magnet Synchronous Motors
Abstract
1. Introduction
2. System Model
2.1. PMSM Model
2.2. Ultra-Local Model of the Speed Loop for SPMSM
3. Improved Model-Free Generalized Super-Twisting Nonsingular Fast Terminal Sliding Mode Control (MFFTSMC-GSTA)
- (1)
- Design of the MFFTSMC-GSTA reaching law: This combines the Generalized Super-Twisting Algorithm (GSTA) and Fast Terminal Sliding Mode Control (FTSMC) to design the reaching law for MFFTSMC-GSTA, with its stability and reachability proven.
- (2)
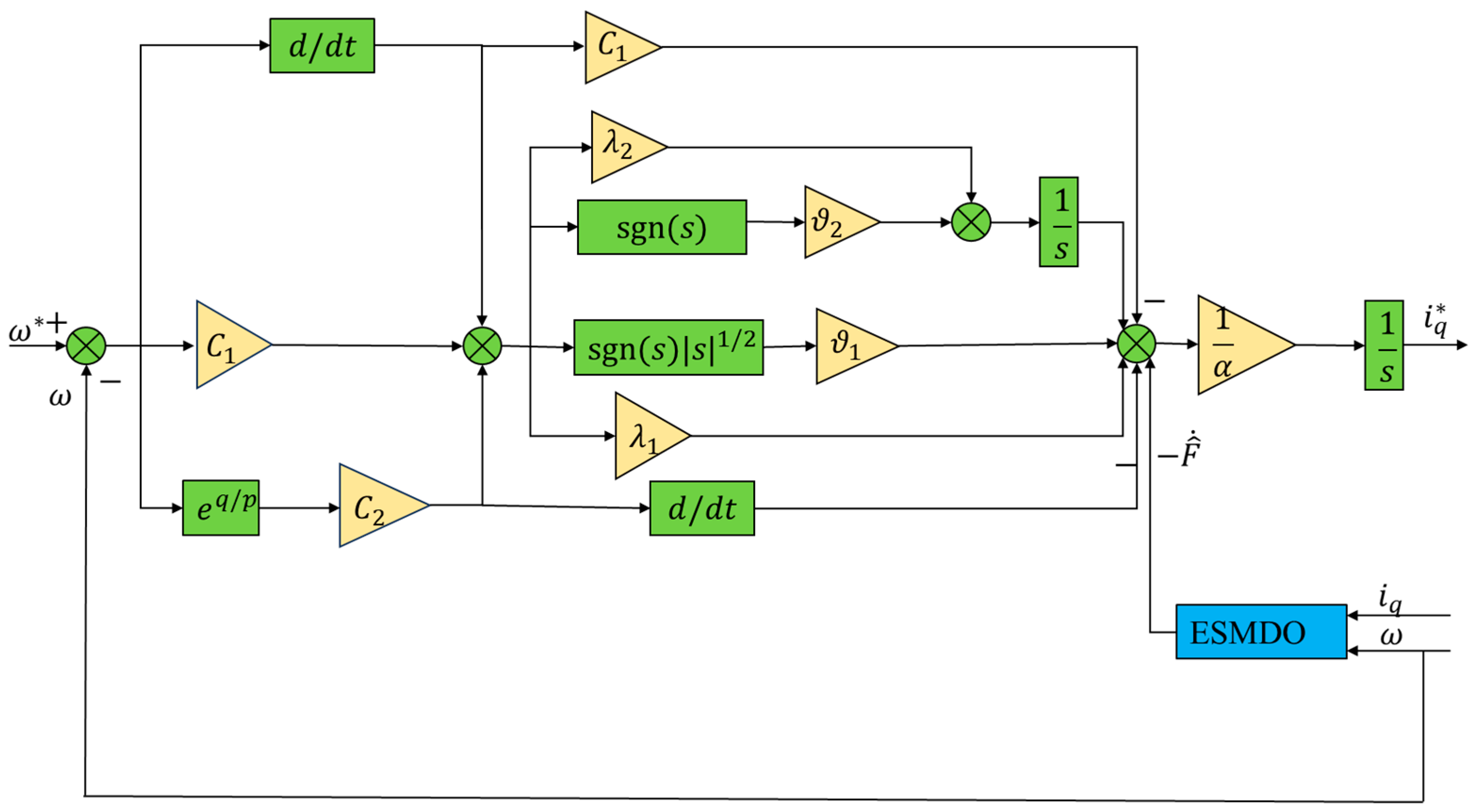
- Design of the Extended Sliding Mode Disturbance Observer (ESMDO): The block diagram of the PMSM speed control system using MFFTSMC-GSTA and ESMDO is shown in Figure 1.
3.1. Design of the MFFTSMC-GSTA Controller
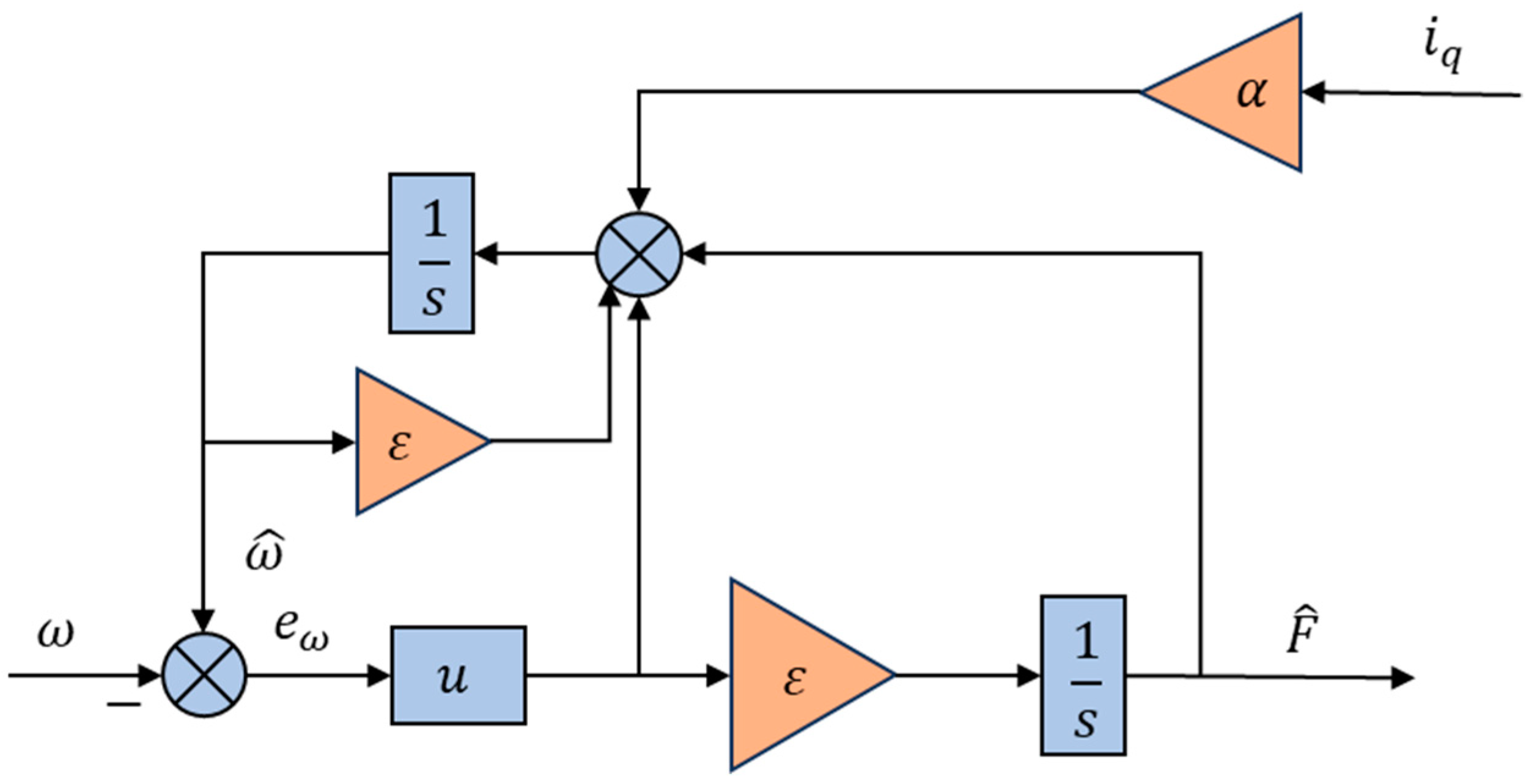
3.2. Design of the ESMDO
4. Simulation
5. Experimental Validation
6. Conclusions
- (1)
- Chattering Suppression and Finite-Time Convergence: By combining GSTA with FTSMC, the proposed strategy effectively suppresses chattering while ensuring finite-time convergence, achieving superior dynamic performance and stability.
- (2)
- Disturbance Estimation and Improved Robustness: The introduction of ESMDO enables real-time estimation of internal uncertainties and external disturbances, significantly enhancing the system’s robustness. When the motor system is subjected to parameter variations and load disturbances, the proposed strategy allows the motor speed to quickly recover to a stable state, improving speed response and robustness performance.
- (3)
- Dynamic and Static Performance Advantages: Compared with MFFTSMC and MFFTSMC-STA, the proposed strategy demonstrates stronger robustness under parameter variations and load disturbances while exhibiting superior dynamic response and steady-state performance.
- (4)
- Practical Applications and Generalizability: Due to its model-free nature, the proposed strategy does not rely on the accurate mathematical model of the system, making it adaptable to other nonlinear systems with uncertainties and disturbances. Furthermore, the control strategy features low computational demand, making it suitable for real-time applications. It has significant practical value in industrial scenarios such as high-performance motor drive systems, robotic servo control, and electric vehicle drives.
Author Contributions
Funding
Data Availability Statement
Conflicts of Interest
Abbreviations
| - and -axes stator voltage (V) | |
| - and -axes stator current (A) | |
| permanent magnet flux linkage (Wb) | |
| - and -axes nominal stator inductances (H) | |
| electrical angular velocity (rad/s) | |
| moment of inertia (kg m2) | |
| stator resistance () |
References
- Zhang, L.; Bai, J.; Wu, J. SPMSM Sliding Mode Control Based on the New Super Twisting Algorithm. Complexity 2021, 2021, 2886789. [Google Scholar] [CrossRef]
- Hou, Q.; Zuo, Y.; Sun, J.; Lee, C.H.T.; Wang, Y.; Ding, S. Modified nonlinear active disturbance rejection control for PMSM speed regulation with frequency domain analysis. IEEE Trans. Power Electron. 2023, 38, 8126–8134. [Google Scholar] [CrossRef]
- Zhang, X.; Chen, Y.; Sun, X. Overview of active disturbance rejection control for permanent magnet synchronous motors. J. Electr. Eng. Technol. 2024, 19, 1237–1255. [Google Scholar] [CrossRef]
- Suganthi, S.; Karpagam, R. Dynamic performance improvement of PMSM drive using fuzzy-based adaptive control strategy for EV applications. J. Power Electron. 2023, 23, 510–521. [Google Scholar] [CrossRef]
- Bai, Y.; Zhang, L.; Meng, X.-M.; Bai, J.; Han, G. A Novel Terminal Sliding Mode Variable Structure Model Reference Adaptive System Observer for Permanent Magnet Synchronous Motors. Int. Trans. Electr. Energy Syst. 2024, 2024, 4528374. [Google Scholar] [CrossRef]
- Wang, Z.; Yu, A.; Li, X.; Zhang, G.; Xia, C. A Novel Current Predictive Control Based on Fuzzy Algorithm for PMSM. IEEE J. Emerg. Sel. Top. Power Electron. 2019, 7, 990–1001. [Google Scholar] [CrossRef]
- Guo, Q.; Han, J.; Peng, W. PMSM Servo Control System Design Based on Fuzzy PID. In Proceedings of the 2017 2nd International Conference on Cybernetics, Robotics and Control (CRC), Chengdu, China, 21–23 July 2017; pp. 85–88. [Google Scholar] [CrossRef]
- Zhang, L.; Sun, C.; Ma, Y.; Huang, J. An Improved Sliding Mode Model Reference Adaptive System Observer for PMSM Applications. Expert Syst. Appl. 2024, 250, 123907. [Google Scholar] [CrossRef]
- Yang, R.; Wang, M.; Li, L.; Zenggu, Y.; Jiang, J. Integrated uncertainty/disturbance compensation with second-order sliding-mode observer for PMLSM-driven motion stage. IEEE Trans. Power Electron. 2019, 34, 2597–2607. [Google Scholar] [CrossRef]
- Kim, C.; Kim, T.; Lyou, J. Robust Speed Control of a PMSM through Sliding Mode Controller Design. In Proceedings of the 2011 IEEE Symposium on Industrial Electronics and Applications, Langkawi, Malaysia, 25–28 September 2011; pp. 30–35. [Google Scholar] [CrossRef]
- Lee, T.H.; Tan, K.K.; Huang, S. Adaptive Friction Compensation with a Dynamical Friction Model. IEEE/ASME Trans. Mechatron. 2011, 16, 133–140. [Google Scholar] [CrossRef]
- Kavikumar, R.; Lee, S.-H.; Sakthivel, R.; Kwon, O.-M. Fuzzy dynamic sliding mode control for permanent magnet synchronous generator model. In Proceedings of the 2023 23rd International Conference on Control, Automation and Systems (ICCAS), Yeosu, Republic of Korea, 17–20 October 2023; pp. 1215–1220. [Google Scholar] [CrossRef]
- Lin, F.J.; Hsieh, H.J.; Chou, P.H. Tracking Control of a Two-Axis Motion System via a Filtering Type Sliding Mode Control with Radial Basis Function Network. IET Control Theory Appl. 2010, 4, 655–671. [Google Scholar] [CrossRef]
- Wang, F.; Wei, Y.; Young, H.; Ke, D.; Xie, H.; Rodríguez, J. Continuous-control-set model-free predictive fundamental current control for PMSM system. IEEE Trans. Power Electron. 2023, 38, 5928–5938. [Google Scholar] [CrossRef]
- Li, Z.; Zhou, S.; Xiao, Y.; Wang, L. Sensorless Vector Control of Permanent Magnet Synchronous Linear Motor Based on Self-Adaptive Super-Twisting Sliding Mode Controller. IEEE Access 2019, 7, 44998–45011. [Google Scholar] [CrossRef]
- Zhao, Z.; Gu, H.; Zhang, J.; Ding, G. Terminal Sliding Mode Control Based on Super-Twisting Algorithm. J. Syst. Eng. Electron. 2017, 28, 145–150. [Google Scholar] [CrossRef]
- Ma, Y.; Li, D.; Li, Y.; Yang, L. A Novel Discrete Compound Integral Terminal Sliding Mode Control with Disturbance Compensation for PMSM Speed System. IEEE/ASME Trans. Mechatron. 2022, 27, 549–560. [Google Scholar] [CrossRef]
- Zhou, Y.; Li, H.; Yao, H. Model-Free Control of Surface-Mounted PMSM Drive System. In Proceedings of the 2016 IEEE International Conference on Industrial Technology (ICIT), Taipei, Taiwan, 14–17 March 2016; pp. 175–180. [Google Scholar] [CrossRef]
- Zhao, K.; Liu, W.; Yin, T.; Zhou, R.; Dai, W.; Huang, G. Model-Free Sliding Mode Control for PMSM Drive System Based on Ultra-Local Model. Energy Eng. 2022, 119, 767–780. [Google Scholar] [CrossRef]
- Ebrahimi, N.; Ozgoli, S.; Ramezani, A. Model-Free Sliding Mode Control, Theory and Application. Proc. Inst. Mech. Eng. Part I J. Syst. Control Eng. 2018, 232, 1292–1301. [Google Scholar] [CrossRef]
- Zhao, K.; Yin, T.; Zhang, C.; He, J.; Li, X.; Chen, Y.; Zhou, R.; Leng, A. Robust Model-Free Nonsingular Terminal Sliding Mode Control for PMSM Demagnetization Fault. IEEE Access 2019, 7, 15737–15748. [Google Scholar] [CrossRef]
- Zhao, K.; Liu, W.; Zhou, R.; Dai, W.; Wu, S.; Qiu, P.; Yin, Y.; Jia, N.; Yi, J.; Huang, G. Model-Free Fast Integral Terminal Sliding-Mode Control Method Based on Improved Fast Terminal Sliding-Mode Observer for PMSM with Unknown Disturbances. ISA Trans. 2023, 143, 572–581. [Google Scholar] [CrossRef] [PubMed]
- Zhang, L.; Tao, R.; Zhang, Z.-X.; Chien, Y.-R.; Bai, J. PMSM Non-Singular Fast Terminal Sliding Mode Control with Disturbance Compensation. Inf. Sci. 2023, 642, 119040. [Google Scholar] [CrossRef]
- Moreno, I.; Osorio, M. A Lyapunov Approach to Second-Order Sliding Mode Controllers and Observer. In Proceedings of the IEEE Conference on Decision and Control, Cancun, Mexico, 9–11 December 2008; pp. 2856–2861. [Google Scholar]
- Zhao, K.; Dai, W.; Zhou, R. A novel model-free sliding mode control for permanent magnet synchronous motor based on extended sliding mode disturbance observer. Proc. CSEE 2022, 42, 2375–2386. [Google Scholar]











| Parameters | Values |
|---|---|
| Number of pole-pairs | 4 |
| Stator resistance | 1.9275 Ω |
| Stator inductance (d-q axes) | 3.2 × 10−3 H |
| Permanent magnet flux linkage | 0.1218 Wb |
| Inertia | 2.45 × 10−4 kg m2 |
| Viscous damping | 0.001 N·m·s |
| MFFTSMC | ; ; ; ; |
| MFFTSMC-STA | ; ; ; ; |
| MFFTSMC-GSTA | ; ; ; ; ; |
| MFFTSMC-ISMC | ; ; |
| Control Methods | Amplitude of Chattering |
|---|---|
| MFFTSMC | 0.02 |
| MFFTSMC-STA | 0.008 |
| MFFTISMC | 0.01 |
| MFFTSMC-GSTA | 0.005 |
| Control Method | Response Time (No-Load Startup, ms) | Speed Variation After Load Disturbance (rpm) | Response Time (Acceleration, ms) |
|---|---|---|---|
| MFFTSMC-GSTA | 4 | 5.7 | 10 |
| MFFTSMC-STA | 12 | 7.5 | 12 |
| MFFTISMC | 14 | 17.1 | 14 |
| MFFTSMC | 12 | 28.5 | 15 |
Disclaimer/Publisher’s Note: The statements, opinions and data contained in all publications are solely those of the individual author(s) and contributor(s) and not of MDPI and/or the editor(s). MDPI and/or the editor(s) disclaim responsibility for any injury to people or property resulting from any ideas, methods, instructions or products referred to in the content. |
© 2024 by the authors. Licensee MDPI, Basel, Switzerland. This article is an open access article distributed under the terms and conditions of the Creative Commons Attribution (CC BY) license (https://creativecommons.org/licenses/by/4.0/).
Share and Cite
Ma, X.; Xu, Y.; Zhang, L.; Bai, J. Model-Free Generalized Super-Twisting Fast Terminal Sliding Mode Control for Permanent Magnet Synchronous Motors. Symmetry 2025, 17, 18. https://doi.org/10.3390/sym17010018
Ma X, Xu Y, Zhang L, Bai J. Model-Free Generalized Super-Twisting Fast Terminal Sliding Mode Control for Permanent Magnet Synchronous Motors. Symmetry. 2025; 17(1):18. https://doi.org/10.3390/sym17010018
Chicago/Turabian StyleMa, Xingyi, Yu Xu, Lei Zhang, and Jing Bai. 2025. "Model-Free Generalized Super-Twisting Fast Terminal Sliding Mode Control for Permanent Magnet Synchronous Motors" Symmetry 17, no. 1: 18. https://doi.org/10.3390/sym17010018
APA StyleMa, X., Xu, Y., Zhang, L., & Bai, J. (2025). Model-Free Generalized Super-Twisting Fast Terminal Sliding Mode Control for Permanent Magnet Synchronous Motors. Symmetry, 17(1), 18. https://doi.org/10.3390/sym17010018

