Abstract
To ensure precise positioning of the macro–micro platform with a symmetrical structure, it is crucial to mitigate the impact of various perturbations, including disturbances, as well as complex factors such as external loads, electrical noise, and model parameter variations. This paper proposes a novel macro–micro master–slave control structure that incorporates adaptive fuzzy linear active disturbance rejection control (AFLADRC). The Kp and Kd parameters of the linear state error feedback (LSEF) are dynamically tuned and adjusted using fuzzy reasoning. This approach enhances the robustness of the system and simplifies the tuning process. In addition, this paper also analyzes the symmetry of the coupling effect between macro and micro, as the coupling will affect the motor force and the reaction potential of the motor. The macro–micro platform adopts a symmetric design; the macro stage is driven by a permanent magnet synchronous linear motor (PMLSM), and the micro stage is driven by a voice coil motor. Finally, we built the macro–micro linear motion experimental platform to verify the control effect of the proposed method by conducting trajectory tracking experiments and comparison experiments.
1. Introduction
Advances in motion control, optical measurement, piezoelectric ceramics, and precision machining have enabled the development of the macro–micro motion platform. This platform is a critical component in high-end precision manufacturing equipment, offering a unique combination of high-speed motion, large-travel range, and high-accuracy positioning capabilities. It is an essential tool for achieving high-speed, long-range, and precise positioning in a variety of scientific fields. Applications include micro–nanomanipulation, optical precision engineering, microelectronics fabrication and packaging, and biomolecular research [1,2,3,4].
The concept of macro–micro composite structures was first proposed by Sharon in 1984 [5] to solve the problem of precision positioning at the end of a robotic arm. After Sharon’s research, the macro–micro dual workbench was first applied to computer numerical control (CNC) manufacturing equipment [6], and then the hard disk drive (HDD) industry began to use the dual-stage, which eventually became a key core application technology for HDD drives. Since then, macro–micro motion platforms have been focused on by scholars and widely used in microelectronics manufacturing, precision engineering, optical engineering, and other important precision motion applications [7,8].
Many studies [9,10,11,12] have shown that macro–micro composite motions need to be controlled by closed-loop control structures. For example, ref. [13] proposed a dual-feedback closed-loop control method based on sampling time delay, which gives the macro and micro control system a reasonable time delay by increasing the sampling rate, thus improving the platform control effect. In [14], a master–slave control structure is explored that allows the micro stage to rapidly counteract system perturbations, outperforming the macro stage. The macro stage’s function is to track the micro stage, ensuring that the micro platform’s final position remains within its operational limits. In addition, when the macro stage moves quickly to a certain error range, the threshold-based switching control structure, which starts the micro stage to compensate for the error to achieve high-speed and high-precision positioning, is also widely used [15,16,17,18,19,20,21].
The macro–micro composite drive concept offers an effective solution to reconcile the conflicting demands of a high-speed, extensive range of motion with high-precision positioning. By integrating a high-speed, high-acceleration, large-travel macro stage with a finely-tuned micro stage, the platform significantly enhances its precision positioning capabilities during high-speed, high-acceleration, and large-stroke operations. However, the platform faces challenges from a range of complex perturbations, including external disturbances, electrical noise, model parameter variations, nonlinear friction, and other factors, during the precision localization process. Additionally, a significant coupling effect between the macro and micro stages affects the platform’s localization accuracy. To tackle this issue, ref. [22] proposed an innovative feed-forward compensated decoupled composite PID control approach that leverages an enhanced disturbance observer within the linear motor control system. Additionally, a dedicated feed-forward compensator is strategically positioned between the macro and micro control loops, ensuring that the micro-stage can precisely offset any discrepancies caused by the macro stage. In [23], Su introduced an adaptive positioning control method for linear motors that utilizes an inverse model of the controlled object and a robust disturbance observer. This innovative approach aims to significantly enhance the platform’s performance by improving its position-tracking accuracy and resilience to disturbances. VanBrussel [24] proposed a two-degree-of-freedom robust control structure that suppresses the effect of external loads, which combines the characteristics of H∞ control and sliding mode control. In [25], a model-referenced adaptive controller was designed for the parameter ingestion problem of the motor to improve the macro–microsystem robustness.
This paper introduces a master–slave control structure that integrates adaptive fuzzy active disturbance rejection control for high-precision, large-stroke, high-speed macro–micro motion platforms utilized in micro-electronics manufacturing, packaging, and beyond. This innovative approach ensures that the macro motion system’s positional accuracy does not compromise the overall macro–micro system’s control precision, thanks to the master–slave configuration. The active disturbance rejection control component effectively mitigates coupling discrepancies and external disturbances. Consequently, the platform’s overall performance is significantly enhanced. The contributions of this paper can be summarized as follows:
- (1)
- Establish the macro–micro master–slave control structure model and conduct a comparative analysis with the parallel structure. The analysis reveals that the master–slave control structure offers superior dynamic performance and tracking precision. Consequently, the macro–micro master–slave control structure merits further investigation.
- (2)
- To attain high-precision control for micro stage voice coil motors, we introduce an adaptive fuzzy active disturbance rejection control (AFLADRC) system, which is designed on the foundation of the LADRC. This advanced control strategy is aimed at mitigating the effects of coupling and external disturbances, thereby enhancing the system’s positioning precision and overall anti-interference capabilities.
- (3)
- A macro–micro linear motion platform is constructed, in which a PMLSM is used to drive the macro-motion stage and a voice coil motor is used to drive the micro-motion stage, and both of them adopt an air-floating structure. A series of experiments have been conducted to validate the efficacy of the proposed method in enhancing the platform’s positioning accuracy.
The rest of the paper is organized as follows. In Section 2, we model the macro–micro master–slave control structure and analyze it in comparison with the control effects of the parallel structure. In Section 3, we design AFLADRC for the micro stage voice coil motor and analyze the stability of the closed-loop control system. In Section 4, a series of experiments are conducted to verify the effectiveness of the proposed method. Finally, the conclusions are presented in Section 5.
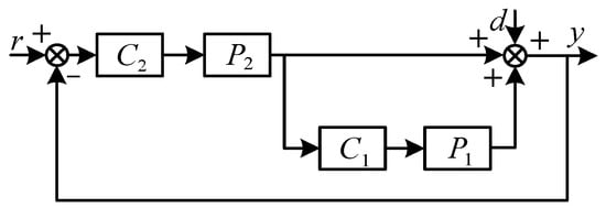
2. Analysis of Macro–Micro Parallel Control Structure, Master–Slave Control Structure, and Macro–Micro Coupling Effect
2.1. Macro–Micro Parallel Control Structure
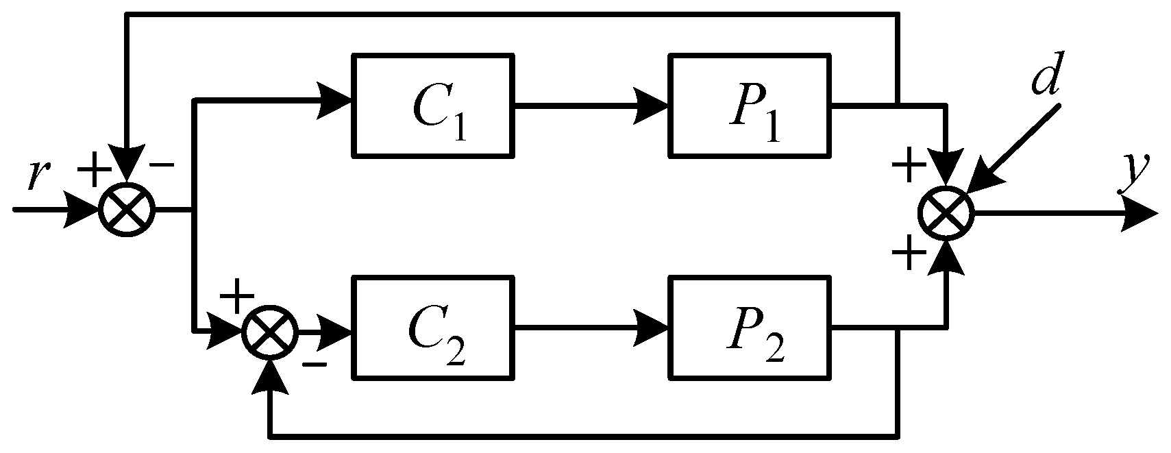
From the point of view of control theory, the macro–micro motion platform is a dual-input–dual-output (DIDO) system in a multiple-input multiple-output system (MIMO), also known as a dual-stage control system. The parallel configuration is shown in Figure 1, with its corresponding closed-loop transfer function presented in Equation (1).
Figure 1.
Parallel structure schematic.
As shown in Figure 2, the macro–micro parallel control architecture concurrently captures the displacements of both the micro and macro stages to serve as feedback signals. The macro stage follows the position command, achieving autonomous coarse positioning, while the micro stage adjusts for any positioning inaccuracies of the macro platform. Concurrently, it is important to note that the micro stage is susceptible to perturbations induced by the macro stage. This control method can effectively circumvent the problem of saturating the output of the micro platform and reduce the complexity of the macro–micro composite motion platform control system design.
Figure 2.
Parallel control structure.
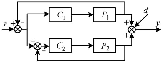
2.2. Macro–Micro Master–Slave Control Structure
The master–slave structure schematic is shown in Figure 3, and its closed-loop transfer function is presented in Equation (2).
Figure 3.
Master–slave structure schematic.
The master–slave structure is controlled by the subordinate relationship between the macro and micro stations, and according to the different subordinate objects, the master–slave control includes two strategies: macro follows micro, and micro follows macro. Figure 4 illustrates the macro-following-micro system architecture, where the micro stage assumes a leading role as the master controller, tasked with following the input reference displacement signal. Conversely, the macro stage operates as the slave controller, responsible for tracking the differential displacement between the micro and macro stages. Ultimately, the absolute displacement of the micro stage represents the system’s displacement output.
Figure 4.
Macro-follows-micro structure.
From the point of view of the measurement sensor, the grating sensor used in the micro-motion stage is more accurate than the linear grating used in the macro-motion stage. In the control strategy where the macro follows the micro, the system control accuracy depends on the microsensor, and the macro stage error is not introduced into the system. The macro–micro parallel control strategy necessitates not only precision in the position measurement sensor for the micro-motion component but also demands an equally high degree of accuracy from the position measurement sensor of the macro-motion stage. This dual requirement is critical for guaranteeing the precision of the control signals. From this point of view, the master–slave control structure of macro-motion following micro-motion is also superior.
Therefore, the macro–micro control system is more suitable for the choice of master–slave control structure.
2.3. Macro–Micro Coupling Analysis
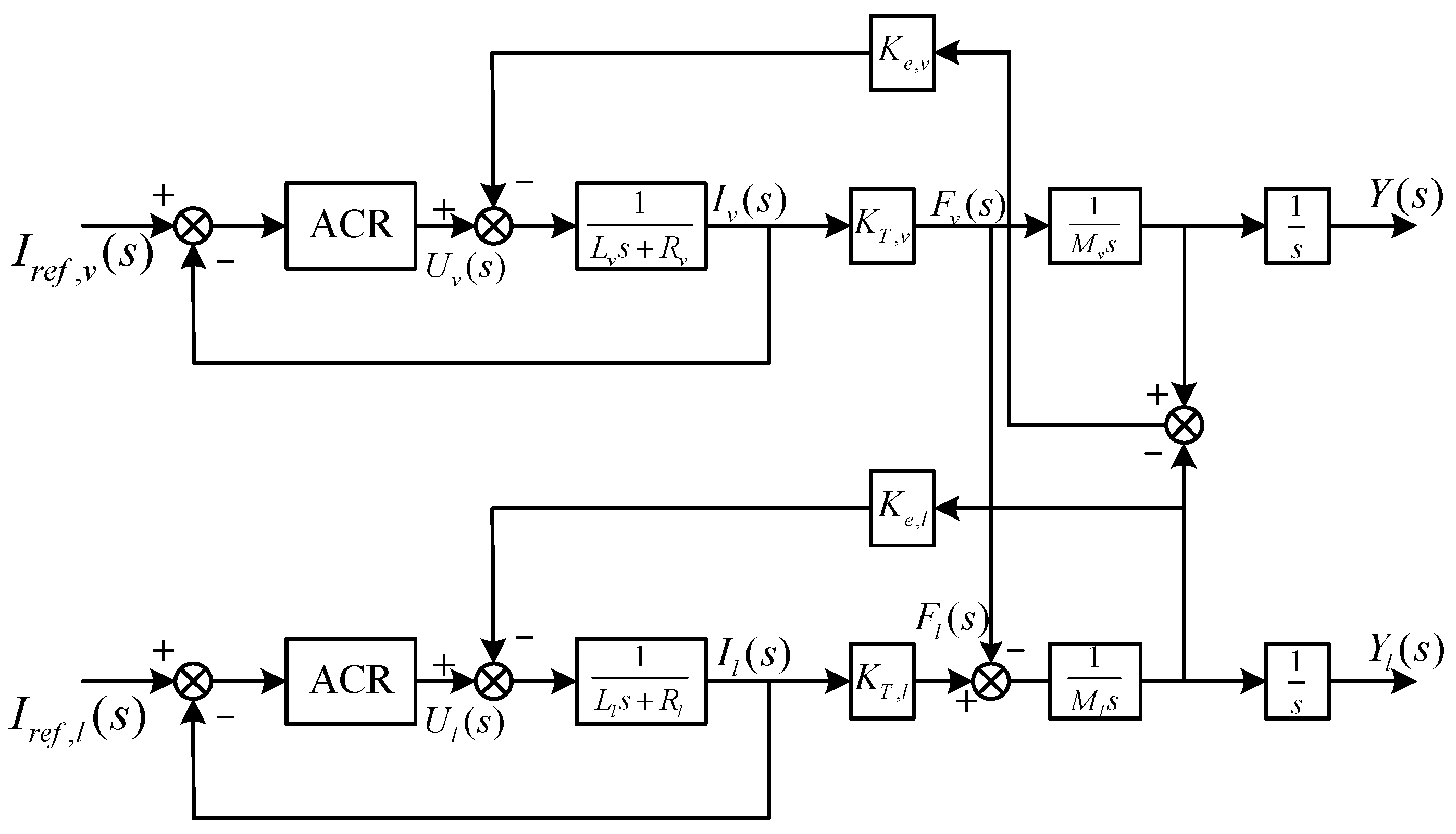
The motion model of the macro–micro stage is shown in Figure 5, where Fl is the linear motor driving power, Fv is the voice coil motor driving power, Yl is the macro stage absolute location, Yv is the relative location of the macro stage and micro stage, Y is the micro stage absolute location, ml is the macro stage quality, and mv is the micro stage quality.
Figure 5.
Motion model of macro–micro linear platform.
Both the macro stage and the micro stage adopt air-bearing guides, thus realizing frictionless motion. Therefore, the viscous damping Cl, Cv, and the elastic coefficients kl, kv of the air film can be ignored. Mechanical relations are established as shown in Equation (3).
The Laplace transform of Equation (3), taking as input and as output, results in Equation (4).
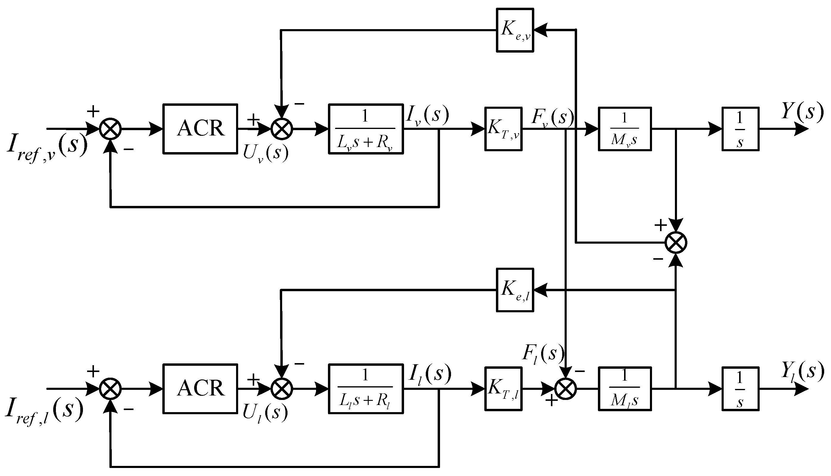
According to Equation (4), the motor transfer function can be obtained via the macro–micro master–slave structure control block diagram shown in Figure 6.
Figure 6.
Control block diagram of macro–micro master–slave structure.
It can be seen that in the master–slave control system, the coupling that exists in the macro–micro system is partly the reaction force of the micro-motion stage on the macro-motion stage and the effect of the speed of the macro-motion stage on the reaction potential of the micro-motion motor. In a macro–micro system where the macro follows the micro, the absolute position output of the micro stage is the position output of the whole macro–micro system. Therefore, for the macro–micro platform, the model coupling part of the direct impact on the platform control performance is the latter one.
3. Design of AFLADRC for Micro-Motion Stage
The essence of linear active disturbance rejection control (LADRC) lies in its ability to dynamically estimate the cumulative disturbances affecting the input channel by analyzing the input and output signals of the system. By proactively deploying a compensatory control action, LADRC effectively mitigates these disturbances, significantly diminishing the system’s inherent uncertainty. By eliminating the total perturbation before it leads to tracking errors in the control loop, the phase is often ahead of the error-based control rate.
3.1. Design of AFLADRC
In this paper, a new adaptive fuzzy active disturbance rejection control (AFLADRC) is designed based on the combination of linear adaptive disturbance rejection control (LADRC) and adaptive fuzzy control. According to [26], the fuzzy control edits the long-term engineering practices of experts and engineers into a computer language, which constitutes a conditional language, and adjusts the gain variables of the self-immobilizing controller online, so that the control system has a higher robustness and a simpler rectification process and can suppress the influence of the external perturbation on the system more effectively. According to the working principle of LSEF in the self-immobilizing controller, in actual use, it is necessary to adjust the values of control gains Kp and Kd of the LSEF according to the system state, so Kp and Kd will be used as the control quantities of the fuzzy controller to realize the adaptive adjustment of parameters.
As shown in Figure 7, the observation errors e1 and e2 are taken as the inputs of the fuzzy controller, and the output quantities are two, ΔKp and ΔKd, which represent the increments of the controlled quantities Kp and Kd, so the new gain of the LSEF in the AFLADRC is defined as Equation (5).
Figure 7.
Principle of AFLADRC.
The expression for Fuzzy-LSEF is updated as Equation (6).
The argument domains of the inputs e1 and e2 and the outputs ΔKp and ΔKd are described by seven linguistic values, respectively. The normalized domain of the input parameters is [0, 1] and the quantized domain of the output parameters is [−6,6]. The fuzzy sets are defined as {NB, NM, NS, ZO, PS, PM, PB}, where each element corresponds to negative large, negative medium, negative small, zero, positive small, positive medium, and positive large, respectively. According to [27], when the slope of the membership function is large, it is very sensitive to the input signal and has a fast convergence speed, but an overshoot phenomenon may occur. When the slope of the membership function is small, the convergence rate will be slow, but the control system is more stable. For macro- and micro-motion systems, the Gaussian function is selected as the membership function of the input variable set, and the triangular function is selected as the membership function of the output variable set, as shown in Figure 8.
Figure 8.
Membership function curves for input and output sets. (a) Input e1 and e2 membership function curves; (b) output ΔKp and ΔKd membership function curves.
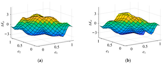
The principle of establishing fuzzy rules is to adjust the values of e1 and e2 to 0. Based on the expert knowledge and the accumulated experience of the skilled operators, the fuzzy control rule table obtained by using the Mamdani-type fuzzy inference principle is shown in Table 1 and Table 2.
Table 1.
Fuzzy control rules of ΔKp.
Table 2.
Fuzzy control rules of ΔKd.
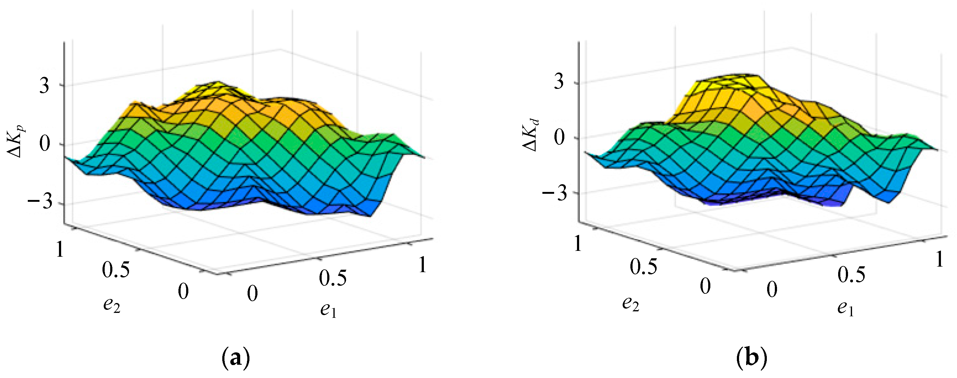
Figure 9 presents the fuzzy inference output surface derived from the aforementioned fuzzy reasoning rules. This surface illustrates that the output for the regulated parameters exhibits continuous variation, signifying that the motor’s input signals maintain a seamless continuity, a critical feature for ensuring the smooth functioning of synchronous motors. Furthermore, the comprehensive coverage of the domain by the fuzzy controller’s output surface suggests an extensive regulation capability, matching the domain’s range and implying a broad speed adjustment range for the motor. To a certain extent, it is verified that the AFLADRC designed in this paper can improve the system’s regulation capability against disturbances and parameter variations.
Figure 9.
The output surface of fuzzy inference. (a) Parameter ΔKp fuzzy output surface; (b) parameter ΔKd fuzzy output surface.
3.2. Stability Analysis of Closed-Loop Control System
The nonlinear time-varying system with single input and single output is shown in Equation (7).
where ω(t) represents the external disturbance, and b signifies a predefined nonzero constant. The system’s input is denoted by u, while y corresponds to the system’s output. The function f (y(n−1)(t), , y(t), ω(t)) encapsulates the dynamics of the controlled object, referred to simply as f. The derivative of f, indicated by , is defined to be h. Introducing “expansion states” x1, x2, , xn+1, satisfy Equation (8), where .
The matrices A, B1, B2, and X are introduced as shown in Equation (9).
The state equation part of Equation (8) can be written in the following matrix form.
denoting the observations of xi (i = 1, ⋯, n + 1) correspondingly by i (i = 1, ⋯, n + 1). The construction of LESO for Equation (10) is shown in (11).
where is the observation vector of the dilation observer, li (i = 1, , n + 1) is the gain constant of LESO, and the matrix L is shown below.
Subtract Equation (11) from Equation (10) to obtain:
making it easy to calculate:
In order to make the estimation error tend to 0, the matrix A − L must be a Hurwitz matrix, which means that its eigenvalues have negative real parts. Select it in the following manner to ensure that:
where ω > 0. According to the binomial theorem, it is known that:
By substituting Equation (16) with Equation (13) and expanding it, Equations (17) and (18) are obtained.
Divide both sides of Equation (17) by ωi−1, and divide both sides of Equation (18) by ωn to obtain:
Then, let
Combining Equations (19) and (20) gives Equation (21).
Assume that the second term of Equation (21) is a bounded linear function of the error, and then the estimation error will asymptotically tend to 0. Thus, the following Theorem 1 is presented.
Theorem 1
([28]). Assuming that h(X, ω) satisfies the global Lipschitz condition with respect to X, that is, there exists a positive constant c, such that for any , it holds that(where denotes the norm), then there exists a sufficiently large positive ω such that:
Let the controlled system (7) track a bounded input r and use the output of the LESO [,,,] to implement the feedback control, as shown in Equation (23).
where k1 > 0, , kn > 0 are the controller parameters. Then, Equation (7) can be written as shown in Equation (24).
Let r = r1, r2 =,, rn+1 = r(n), and εi = ri − xi, i = 1,, n, then Equation (25) is obtained. Here,i is the estimate of xi by the LESO, andi = xi −i (i = 1, ⋯, n + 1) represents the estimation error.
Introduce the matrices ε,, A3, and A4.
Then, Equation (25) can be written in matrix form as:
Theorem 2.
Estimation error of hypothetical dilated state observer:
There exist controller parameters k1 > 0,, kn > 0, such that the tracking error of the closed-loop system (26) tends to 0.
Proof.
The solution of Equation (26) is:
due to Equation (28):
The values of ki (i = 1, ⋯, n) can be chosen such that , where . This ensures that has n distinct eigenvalues, and thus is diagonalizable. That is, there exists an invertible matrix such that . Therefore, for any positive real number t > 0, Equation (30) holds true for Equation (29).
Once (i = 1, , n) is selected, becomes a constant, thus Equation (31) holds.
Similarly, Equation (32) holds:
Because the estimation error of the LESO , the Euclidean norm (2-norm) of has an upper bound α, and for any given η > 0, there exists a positive number t0, such that when t > t0, the Euclidean norm of is less than η.
As shown in Equation (33).
where are constants.
From and the arbitrariness of η, it follows that Equation (34) holds.
Combining Equation (31) with Equation (34), from Equation (27) we obtain:
That is, there exists a linear extended state observer and controller parameters k1 > 0, , kn > 0, such that the tracking error of the closed-loop system is bounded. Consequently, for a bounded input r, the output of the closed-loop system is bounded, meaning that the closed-loop control system is BIBO (bounded-input, bounded-output) stable. □
3.3. Design of the AFLADRC for the Micro Stage
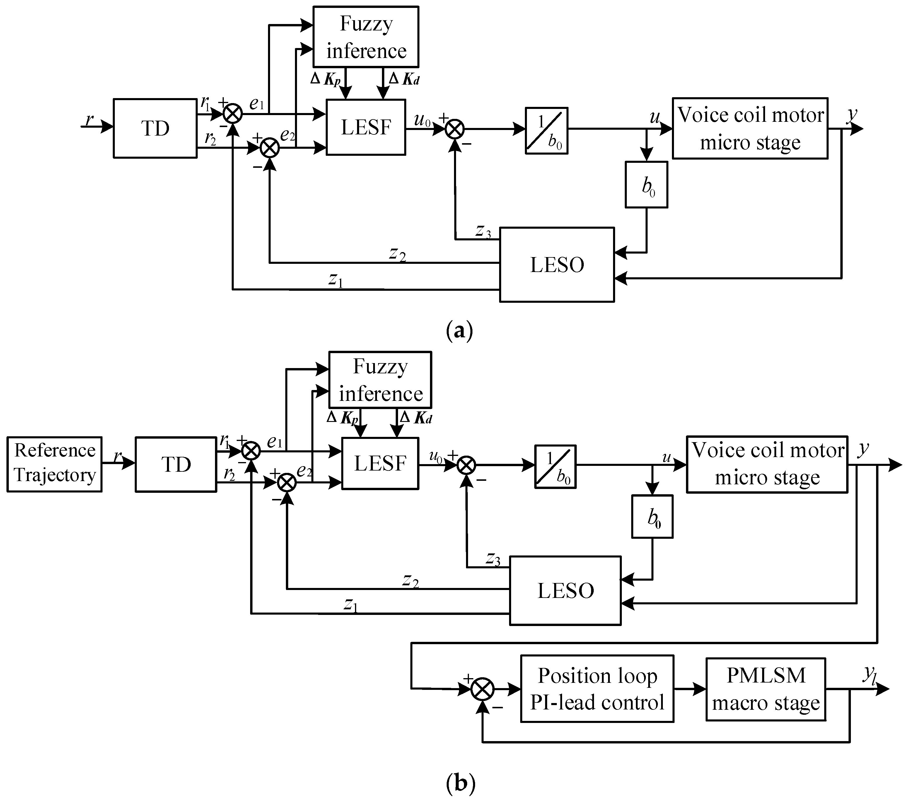
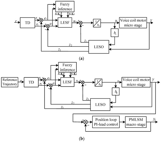
In the master–slave control structure of macro-follows-micro, the control accuracy of the micro stage directly determines the positioning accuracy of the whole system. To achieve high-precision control for the voice coil motor of the micro-motion stage, AFLADRC can be employed. This approach utilizes the LESO to estimate the magnitude of the meter-level perturbation. Concurrently, the controller’s gain variables can be dynamically adjusted in real time. This adjustment serves to suppress coupling effects and external interference, thereby enhancing the system’s positioning accuracy.
For the micro-motion stage, x1 and x2 can be set as its output absolute displacement and velocity, respectively, as shown in Equation (35).
The mathematical expression of the third-order LESO of the micro-motion stage can be obtained as Equation (36), where l1, l2, and l3 are the control parameters of the LESO.
Based on the state variables chosen for the micro-motion platform, the LESO provides estimates for z1 and z2, which correspond to the position and velocity information of the micro stage’s output, respectively. Additionally, z3 represents the estimated system coupling error and disturbances. The block diagram of the control structure is shown in Figure 10.
Figure 10.
Control structure block diagram. (a) Control block diagram of the micro stage; (b) control block diagram of macro–micro system.
4. Experiment Results
To verify the effectiveness of the proposed method, we constructed a macro–micro linear motion platform as shown in Figure 11, where both the PMLSM and the voice coil motor are supported by aerodynamic guides so that friction can be ignored. The PMLSM is driven by a digital servo control system consisting of an inverter and a control unit, and the voice coil motor is driven by a linear power amplifier and a digital servo control system. The inverter consists of three sets of IGBTs, and the control unit is implemented using the TMS320F28379D and the Pango Spartan-6 FPGA. The TMS320F28379D has dual-core CPUs, each with a frequency of 200 Mhz, with strong floating-point computing power. The Pango Spartan-6 FPGA has a rich set of friction-control features, and the TMS320F28379D has a powerful friction-control system. Using an 18-bit high-precision ADC chip for sampling, the resolutions of the incremental encoder for PMLSM and voice coil motor linearity are 0.1 and 0.01 microns, respectively.
Figure 11.
Macro–micro linear motion experiment platform.
In addition, to accurately display the tracking performance of the platform, data such as the platform displacement and tracking error were displayed on the upper computer. Both the switching and sampling frequencies were configured at 10 kHz. The principal parameters of the PMLSM and the voice coil motor are detailed in Table 3 and Table 4, respectively.
Table 3.
Main parameters of PMLSM.
Table 4.
Main parameters of voice coil motor.
4.1. Macro–Micro Composite Linear Platform Feasibility Analysis Experiment
To verify the validity of the macro–micro combination, the micro-stage is locked by means of a rigid connection so that a single PMLSM macro-motion stage can be obtained. Given the S-curve round-trip motion trajectory, the positioning accuracy of the platform in the macro–micro composite mode is compared with that in the single-stage drive mode. The positioning error comparison curves are shown in Figure 12. Given a step signal of amplitude 10 as a reference input at the system position loop, the step response curve of the platform is shown in Figure 13.
Figure 12.
Platform error curves. (a) Position command; (b) comparison curves of tracking errors between the macro–micro composite platform and the single macro-motion platform.
Figure 13.
Platform step response waveforms.
In Figure 12, the maximum tracking error in the single macro-dynamic drive mode is about 580 µm, and the maximum tracking error in the macro–micro composite drive mode is about 50 µm, which is a 91.37% reduction in dynamic error. In the steady-state phase, the error of the single macro-dynamic drive mode is about 4.5 µm, and the error of the macro–micro composite mode is about 1 µm. The steady-state error is greatly reduced. From Figure 13, it can be seen that the settling time of the platform is 0.215 s and 0.175 s in single macro-dynamic drive mode and macro–micro composite mode, respectively. The settling time is reduced. It can be illustrated that the dynamic tracking accuracy and positioning accuracy of the system can be effectively improved by the design of the macro–micro linear platform.
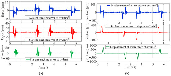
4.2. Experiments on the Performance of Macro–Micro Platform with Different Motion Parameters
The PMLSM in the macro–micro experimental platform adopts PI-lead control and the voice coil motors adopt AFLADRC. Firstly, the stroke of the reference input S-curve trajectory is set to be 50 cm, the maximum velocity of 0.25 m/s is kept unchanged, and the tracking performance experiments of the macro–micro platform are conducted under the maximum acceleration of 1 m/s2, 2 m/s2, and 3 m/s2, respectively. The experimental results are shown in Figure 14. When the acceleration is 1 m/s2, the maximum tracking error of the macro–micro platform is about 10 µm, which meets the performance specification. As the acceleration increases, the tracking error of the system increases, and the displacement of the micro stage also increases, which is because the micro stage needs to output a larger displacement to compensate for the tracking error of the stage.
Figure 14.
Experimental curves of the macro–micro platform under different accelerations. (a) Macro–micro system tracking error curve; (b) micro stage displacement.
Next, keeping the reference input S-curve trajectory with a travel of 50 cm and a maximum acceleration of 2 m/s2 unchanged, the tracking performance experiments of the macro stage and micro stage were carried out at maximum velocities of 0.1 m/s, 0.25 m/s, and 0.4 m/s, respectively. The experimental results are shown in Figure 15.
Figure 15.
Experimental curves of the macro–micro platform under different velocities.
For the motion parameters of 50 cm stroke, 0.4 m/s maximum velocity, and 2 m/s2 maximum acceleration, the tracking error of the platform is about 60 µm, and the positioning accuracy reaches within 1 µm, which can still ensure that the platform realizes high-precision positioning. In addition, under the same stroke and maximum acceleration, the stabilization time of the macro–micro platform increases with the increase of the maximum velocity.
4.3. Comparative Experiments
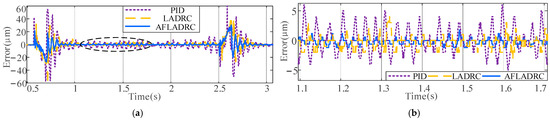
4.3.1. Sinusoidal Signal Tracking Experiments
Inputting the macro–micro linear platform frequency of 0.5 Hz and amplitude of a 100 mm sinusoidal signal obtains the platform in different control algorithms under the experimental results shown in Figure 16. From Figure 16b, it can be seen that AFLADRC has a smaller tracking error compared with PID and LADRC, and its maximum tracking error amplitude is reduced by about 83.3%, because LADRC compensates for the acceleration change information caused by disturbances, and, at the same time, the parameters of the LESF controller are adjusted in real time through fuzzy inference to reduce the disturbances. It can be shown that the AFLADRC controller has better performance.
Figure 16.
Sinusoidal signal tracking comparison test. (a) Comparison of sinusoidal signal tracking curves; (b) sinusoidal signal tracking error comparison.
4.3.2. S-Curve Tracking Experiments
The S-curve trajectory plan with a travel distance of 50 cm, a velocity of 0.25 m/s, and an acceleration of 2 m/s2 is used as a reference input to the platform, as shown in Figure 17. The PMLSM is controlled by position loop PI-lead control and the voice coil motor is controlled by PID control, LADRC, and AFLADRC algorithms, respectively. Figure 18 shows the dynamic tracking error and steady-state positioning accuracy of the macro–micro platform under different methods. It can be seen that the LADRC is significantly better than the PID control, and the tracking error amplitude is reduced by about 20% because the LADRC compensates for the perturbations suffered by the platform during operation with observations. When the adaptive fuzzy control algorithm is added, the AFLADRC adjusts the controller parameters in real time according to the actual running error of the motor, the control performance is further enhanced, and the tracking error amplitude is reduced by about 38.6%. Therefore, the master–slave structure macro–micro control system adopting AFLADRC has higher tracking accuracy and stronger robustness.
Figure 17.
Tracking curve trajectories.
Figure 18.
Comparison of S-curve tracking experiment. (a) Dynamic tracking error comparison; (b) uniform velocity steady-state error comparison.
4.3.3. Experiments on Disturbance Suppression Performance in Steady State
The macro–micro linear platform position command is an S curve. To test the perturbation suppression performance of the macro–micro platform in the steady state using different control methods, a 40 N thrust perturbation was applied to the micro stage before the platform moved to the positioning stable segment; the experimental results are shown in Figure 19. Thrust perturbation was applied abruptly at 4.5 s, the maximum position errors of PID control, LADRC, and AFLADRC were 10 µm, 8.2 µm, and 4.5 µm, respectively, and AFLADRC recovered the steady state faster. This shows that AFLADRC can ensure the macro–micro platform suppresses the applied perturbation quickly in the steady state and has stronger anti-perturbation ability.
Figure 19.
Disturbance suppression comparison experiments. (a) Comparison of tracking curves; (b) comparison of disturbance suppression effect.
5. Conclusions
This paper proposes a combination of an adaptive fuzzy algorithm and linear active disturbance rejection as a control method using fuzzy linear active disturbance rejection control. Compared with LADRC, AFLADRC can more effectively suppress the influence of external disturbances on the macro–micro system by combining the flexibility of fuzzy logic and the robustness of LADRC, which automatically adjusts the control parameters under different operating conditions. The design of fuzzy inference rules for the LESF of the micro stage, including the set of membership functions and the table of control rules, improves the adaptability and flexibility of the system. Furthermore, the paper employs a macro–micro master–slave control architecture. Upon comparison and analysis with the parallel structure control, it is evident that the master–slave configuration offers distinct advantages in terms of tracking precision.
In the experimental part, firstly, the macro–micro linear motion platform was subjected to macro–micro composite feasibility analysis experiments. Compared with the single macro-motion platform, the tracking error of the macro–micro composite platform was reduced by 91.37%, which proved the effectiveness of the macro–micro combination. Secondly, the performance experiments under different motion parameters were carried out to observe the motion performance of the macro–micro platform under different parameters, and the steady-state accuracy reached the index of 1 µm. Finally, the comparison experiment with LADRC and PID control shows that AFLADRC has excellent anti-interference ability and precise motion control effect in the motion control of a macro–micro linear motion platform.
Author Contributions
Conceptualization, M.W.; methodology, M.W. and T.K.; software, T.K.; validation, T.K., M.W. and K.K.; formal analysis, L.L. and C.Z.; investigation, M.W. and L.L.; resources, M.W.; data curation, T.K.; writing—original draft preparation, T.K. and M.W.; writing—review and editing, T.K., M.W. and C.Z.; visualization, K.K.; supervision, M.W. and L.L.; project administration, L.L.; funding acquisition, M.W. All authors have read and agreed to the published version of the manuscript.
Funding
This work was supported in part by the National Natural Science Foundation of China (Grant No. 52077041, Grant No. 52122704, Grant No. 52077044, Grant No. U2141224), the Key Laboratory of Special Machine and High Voltage Apparatus (Shenyang University of Technology), Ministry of Education (KFKT202108), and in part by the Fundamental Research Funds for the Central Universities.
Data Availability Statement
The data presented in this study are available on request from the corresponding author due to privacy restrictions.
Conflicts of Interest
The authors declare no conflicts of interest.
References
- Scire, F.E.; Teague, E.C. Piezodriven 50-Microm Range Stage with Subnanometer Resolution. Rev. Sci. Instrum. 1978, 49, 1735. [Google Scholar] [CrossRef] [PubMed]
- Yun, H.; Liu, L.; Li, Q.; Yang, H. Investigation on Two-Stage Vibration Suppression and Precision Pointing for Space Optical Payloads. Aerosp. Sci. Technol. 2020, 96, 105543. [Google Scholar] [CrossRef]
- He, Y.; Li, Z.; Gao, J.; Cui, C. Research on Synchronization Control Algorithm of Gantry-Type Motion Platform Based on IC Package. In Proceedings of the 2019 20th International Conference on Electronic Packaging Technology(ICEPT), Hong Kong, China, 12–15 August 2019; pp. 1–4. [Google Scholar]
- Binnig, G.; Quate, C.F.; Gerber, C. Atomic Force Microscope. Phys. Rev. Lett. 1986, 56, 930–933. [Google Scholar] [CrossRef] [PubMed]
- Sharon, A.; Hogan, N.; Hardt, D.E. The Macro/Micro Manipulator: An Improved Architecture for Robot Control. Robot. Comput.-Integr. Manuf. 1993, 10, 209–222. [Google Scholar] [CrossRef]
- Staroselsky, S.; Stelson, K.A. Two-Stage Actuation for Improved Accuracy of Contouring. Proc. Am. Control Conf. 1988, 88 Pt 1–3, 127–132. [Google Scholar]
- Kwon, S.; Chung, W.K.; Youm, Y. On the Coarse/Fine Dual-Stage Manipulators with Robust Perturbation Compensator. In Proceedings of the 2001 ICRA. IEEE International Conference on Robotics and Automation (Cat. No.01CH37164), Seoul, Republic of Korea, 21–26 May 2001; Volume 1, pp. 121–126. [Google Scholar]
- Fleming, A.J. Dual-Stage Vertical Feedback for High-Speed Scanning Probe Microscopy. IEEE Trans. Control Syst. Technol. 2011, 19, 156–165. [Google Scholar] [CrossRef]
- Kim, K.; Choi, Y.-M.; Gweon, D.-G.; Lee, M.G. A Novel Laser Micro/Nano-Machining System for FPD Process. J. Mater. Process. Technol. 2008, 201, 497–501. [Google Scholar] [CrossRef]
- Lee, C.-W.; Kim, S.-W. An Ultraprecision Stage for Alignment of Wafers in Advanced Microlithography. Precis. Eng. 1997, 21, 113–122. [Google Scholar] [CrossRef]
- Zhao, B.; Shi, W.; Tan, J. Design and Control of a Dual-Stage Actuation Active Vibration Isolation System. IEEE Access 2019, 7, 134556–134563. [Google Scholar] [CrossRef]
- Clayton, G.M.; Dudley, C.J.; Leang, K.K. Range-Based Control of Dual-Stage Nanopositioning Systems. Rev. Sci. Instrum. 2014, 85, 045003. [Google Scholar] [CrossRef]
- Du, C.; Kong, A.; Zhang, Y. Time Delay and Sampling Rate Effect on Dual-Stage Servo Control Performance. Microsyst. Technol. 2016, 22, 1213–1219. [Google Scholar] [CrossRef]
- Guo, L.; Martin, D.; Brunnett, D. Dual-Stage Actuator Servo Control for High Density Disk Drives. In Proceedings of the 1999 IEEE/ASME International Conference on Advanced Intelligent Mechatronics (Cat. No.99TH8399), Atlanta, GA, USA, 19–23 September 1999; pp. 132–137. [Google Scholar]
- Xu, X.; Wang, M.; Luo, L.; Meng, Z.; Wang, E. An Indoor Pedestrian Localization Algorithm Based on Multi-Sensor Information Fusion. J. Comput. Chem. 2017, 5, 102–115. [Google Scholar] [CrossRef]
- Liu, R.; Yuen, C.; Do, T.-N.; Tan, U.-X. Fusing Similarity-Based Sequence and Dead Reckoning for Indoor Positioning Without Training. IEEE Sens. J. 2017, 17, 4197–4207. [Google Scholar] [CrossRef]
- Yang, L.; Pang, S.; Yang, Y.; Jing, C.; Gao, W.; Liu, Q.; Ma, J. Research on AUV Inertial Navigation Technology Based on 9DOF IMU. Comput. Meas. Control 2016, 24, 133–135+153. [Google Scholar]
- Gu, W.; Zhou, B.; Dai, X. Indoor Mobile Robot Localization Based on ICP Matching Algorithm. J. Huazhong Univ. Sci. Technol. Nat. Sci. Ed. 2013, 41, 262–266. [Google Scholar]
- Chao, Y. Research on Autonomous Localization and Map Construction Technology for Mobile Robots Based on Multi-Sensors. Master’s Thesis, Shandong University, Jinan, China, 2014. [Google Scholar]
- Ren, W.; Chen, Y. Neural Network-Based Multi-Sensor Data Fusion Study for Mobile Robots. Electron. Des. Eng. 2014, 22, 5–8. [Google Scholar]
- Wan, L. Research on Robot Attitude Measurement Technology Based on Multi-Sensor Information Fusion. Master’s Thesis, Beijing Jiaotong University (BJTU), Beijing, China, 2015. [Google Scholar]
- Tan, L.; Gao, J. Coupling Effect and Decoupling Control of Switching Localization of Macro-Micro Composite Platform. Modul. Mach. Tool Autom. Manuf. Tech. 2020, 10, 85–89. [Google Scholar]
- Su, W.-T.; Liaw, C.-M. Adaptive Positioning Control for a LPMSM Drive Based on Adapted Inverse Model and Robust Disturbance Observer. IEEE Trans. Power Electron. 2006, 21, 505–517. [Google Scholar]
- Brussel, H.V.; Braembussche, P.V. den Robust Control of Feed Drives with Linear Motors. CIRP Ann. 1998, 47, 325–328. [Google Scholar] [CrossRef]
- Chen, T.-C.; Sheu, T.-T. Model Reference Robust Speed Control for Induction-Motor Drive with Time Delay Based on Neural Network. IEEE Trans. Syst. Man Cybern.—Part Syst. Hum. 2001, 31, 746–753. [Google Scholar] [CrossRef]
- Kazemy, A.; Moodi, H.; Zhang, B.-L.; Zhang, X.-M. Controller Design for Takagi-Sugeno Fuzzy Systems with Nonlinear Consequent Part Via Sampled-Data Measurements. In Proceedings of the 2018 IEEE 27th International Symposium on Industrial Electronics (ISIE), Cairns, QLD, Australia, 13–15 June 2018; pp. 597–602. [Google Scholar]
- Xie, W.-B.; Xu, B.-L.; Peng, C.; Zhang, J. Nonuniform Piecewise Membership Function Approximation Methods Based Robust Tracking Control Design of T-S Fuzzy Systems. Int. J. Robust Nonlinear Control 2022, 32, 4980–5001. [Google Scholar] [CrossRef]
- Han, J. Active Disturbance Rejection Control Technology—The Control Technology for Estimating and Compensating the Uncertainties; China Defensive Industry Press: Beijing, China, 2008. [Google Scholar]
Disclaimer/Publisher’s Note: The statements, opinions and data contained in all publications are solely those of the individual author(s) and contributor(s) and not of MDPI and/or the editor(s). MDPI and/or the editor(s) disclaim responsibility for any injury to people or property resulting from any ideas, methods, instructions or products referred to in the content. |
© 2024 by the authors. Licensee MDPI, Basel, Switzerland. This article is an open access article distributed under the terms and conditions of the Creative Commons Attribution (CC BY) license (https://creativecommons.org/licenses/by/4.0/).


















