Next Article in Journal
Symmetry-Enhanced LSTM-Based Recurrent Neural Network for Oscillation Minimization of Overhead Crane Systems during Material Transportation
Next Article in Special Issue
Top-Oil Temperature Prediction of Power Transformer Based on Long Short-Term Memory Neural Network with Self-Attention Mechanism Optimized by Improved Whale Optimization Algorithm
Previous Article in Journal
Current Status of the Standard Model Prediction for the Bsμ+μ Branching Ratio
Previous Article in Special Issue
Power Transformer On-Load Capacity-Regulating Control and Optimization Based on Load Forecasting and Hesitant Fuzzy Control
 
 
Font Type:
Arial Georgia Verdana
Font Size:
Aa Aa Aa
Line Spacing:
Column Width:
Background:
Article

Small-Signal Modeling and Frequency Support Capacity Analysis of Power Load Considering Voltage Variation Effect

by
Tao Zhou
1,2,
Yuxin Zheng
1,
Cheng Wang
1,*,
Lei Chen
2,
Bo Liu
3 and
Zhong Chen
3
1
School of Automation, Nanjing University of Science and Technology, Nanjing 210094, China
2
State Key Laboratory of Power System Operation and Control, Tsinghua University, Beijing 100084, China
3
School of Electrical Engineering, Southeast University, Nanjing 210096, China
*
Author to whom correspondence should be addressed.
Symmetry 2024, 16(7), 918; https://doi.org/10.3390/sym16070918
Submission received: 24 April 2024 / Revised: 6 July 2024 / Accepted: 7 July 2024 / Published: 18 July 2024
(This article belongs to the Special Issue Symmetry/Asymmetry Studies in Modern Power Systems)

Abstract

The frequency support capacity of power loads is essential for maintaining active power symmetry and balance between the generation and demand sides of power systems. As the proportion of renewable energy sources and power electronic equipment increases, the inertia on the power generation side decreases, highlighting the growing importance of frequency support on the load side. As it is generally believed that the active power balance of power systems determines the frequency stability, few studies have considered the effect of voltage variation on the frequency response dynamics. It is important to note that the node voltage keeps fluctuating throughout the frequency dynamic process, which affects the active power of loads and should not be neglected. Based on the aforementioned rationales, this paper endeavors to investigate the modeling of power load frequency response and analyze its support capability considering the voltage variation effect. This paper initially establishes the small-signal model of dynamic load under frequency dynamics, derives the transfer function relating active power to system frequency deviation, and subsequently develops its frequency response model. Subsequently, commencing with the ZIP model of static load, the power fluctuation of load nodes is derived from the influence of preceding nodes, and the frequency response model of the static load is formulated and its frequency support capacity is scrutinized. Based on this foundation, a comprehensive aggregation model of the complex load is constructed, and its frequency support capability is assessed using actual data. Finally, the proposed model and analysis results are validated through simulation, confirming their correctness and effectiveness.

1. Introduction

The symmetry between the generation and load sides of power systems plays a crucial role in determining the balance and stability of the overall system [1]. The power load comprises both dynamic and static loads, with their frequency support capabilities playing a pivotal role in maintaining the active power symmetry of power systems [2]. Due to the increasing share of renewable energy and the widespread use of large-scale power electronic equipment, the inertia level in new power systems is on a declining trend, posing a serious threat to their safe operations [3,4,5,6,7]. In comparison with traditional power systems, there has been a gradual decrease in inertia on the generation side and an increase on the load side [8]. Further research is needed to explore the system’s frequency support capabilities within the context of decreasing inertia levels [9]. However, in comparison to traditional synchronous systems, this new system encounters two significant challenges [10,11]. Firstly, there is a pronounced fluctuation and intermittency in the output of renewable energy sources. Secondly, a significant number of wind power and photovoltaic systems, which lack rotational inertia, are replacing synchronous generators [12]. As a result, the frequency stability of the new power system is severely compromised. In comparison to the conventional power system, the frequency response capability of the load side should not be overlooked [13,14]. Therefore, it is crucial to investigate the frequency response capability and response principles of the power load to ensure the symmetry and stability of modern power systems [15,16].
Within the framework of load, two frequently used models are the static load model and the dynamic model. The static load model encompasses the constant impedance, constant current, and constant power load (ZIP) model [17]. Previous research has predominantly focused on investigating the correlation between load frequency and active power, with limited attention given to the impact of voltage fluctuation on frequency response dynamics. It is important to acknowledge that the node voltage undergoes fluctuations throughout the dynamic frequency process, thereby influencing the active power of the load and should not be disregarded.
In [18], in order to determine the parameters of the load model, a time-varying comprehensive load model was established. However, this paper does not focus on the relationship between system frequency and load response and does not focus on the coupling relationship between frequency, voltage, and power. In [19], derived from the fifth-order model of the induction motor, the equivalent conduction function of frequency and active power is constructed, which represents the load model’s dynamic characteristics. However, this paper assumes that the terminal voltage of the induction machine is constant and does not consider that the voltage change also affects the frequency response of the induction machine load. It is very important to construct a comprehensive mathematical model for the load system frequency response, considering voltage variation. The static load model mainly reflects the frequency characteristics of the load side resistance, inductance, and capacitance of the electrical equipment and depicts the relationship among the power, voltage, and frequency of this type of electrical equipment. The authors in [20] investigated how the static load frequency response model affects the stability of the Shanghai power grid. Meanwhile, the authors in [21] thoroughly analyzed the frequency characteristics of the static load model and developed a simulation model using the PSD-BPA software platform, considering the load composition and proportion of the Yunnan power grid. However, these studies mainly focus on the frequency characteristics of the static load, without incorporating small-signal modeling for the static load during small disturbances. Moreover, the voltage at the load node also changes due to system frequency, intensifying the frequency response of the static load. In contrast, the authors in [22] take into account the voltage fluctuation of the static load and analyze its frequency response under small disturbances. However, it does not consider the perspective of the entire power grid, and the voltage change during frequency disturbances remains uncertain.
To address the above issues, this paper aims to establish a comprehensive load model, including static load and dynamic load considering the voltage variation, and its overall frequency supporting capability is analyzed. The main contributions of this paper are outlined below.
This paper proposes a small-signal model of dynamic load under frequency dynamics. Furthermore, the transfer function is derived for the deviation between active power and system frequency, constructing a dynamic load frequency response model and evaluating its capability to support system frequency.
Based on the ZIP model of static load, a frequency response model is established and tested for its ability to support varying frequencies. The frequency response model of the static load encompasses changes in node voltage, effectively capturing the frequency response capability of the static load.
This paper develops a comprehensive load frequency response model incorporating dynamic and static load. The model considers fluctuations in node voltage to more precisely characterize the load behavior. Simulation results demonstrate that, in comparison with the previous load model, the power curve generated by the proposed model closely aligns with the actual curve.
The remainder of this paper is structured as follows: A frequency response model for dynamic load is established in Section 2. A static load frequency response model is developed in Section 3, taking into account variations in node voltage. A comprehensive load frequency response model is developed in Section 4, which incorporates both dynamic and static loads and considers the fluctuation of node voltage to provide a more precise characterization of load behavior. In Section 5, the proposed comprehensive model considering voltage variation and frequency support capability analysis results are verified through simulations using MATLAB, PSASP, and DIgSILENT. Finally, Section 6 concludes this paper.

2. Dynamic Load Modeling and Analysis

The primary sources of dynamic load in power systems are induction machines, which are extensively utilized in textile, machinery, and other industrial applications. Unlike synchronous machines, induction machines exhibit a slip between their speeds and the grid frequency [23]. Nevertheless, they still contribute to the frequency response and provide support for the power grid frequency, serving as the principal resource for inertia support on the load side. On this basis, this section establishes the small-signal model of the induction machine, which includes both the power-frequency and power-voltage balancing. Utilizing the proposed model, the frequency support capability of the dynamics is analyzed.

2.1. Model Derivation

The power system model is shown in Figure 1, where the induction machine is connected to the generation through transmission lines. To focus on the frequency support capability of the induction machine, the generation is simplified to the infinite power supply. When the system’s active power balancing is disturbed, the system frequency will change, which also affects the system power flow [24,25]. Therefore, the terminal voltage of the induction machine also changes, which can be obtained as follows:
U t = ( U n P e m R l + Q e m X l U n ) 2 + ( P e m X l + Q e m R l U n ) 2
where U t denotes the terminal voltage of the induction machine; P e m and Q e m are the active power and reactive power of induction machine; the R l and X l denote the resistance and reactance of induction machine; and U n denotes the terminal voltage of the generation.
In the frequency dynamics of the induction machine, the parameters on the rotor side can be transformed to the stator side. The mechanical transient circuit of the stator and rotor windings of the induction machine is illustrated in Figure 2a. Since the mutual inductance x m of the fixed rotor is much larger than the leakage reactance x r of the rotor winding in practical applications, the mechanical transient equivalent circuit of the induction machine is depicted in Figure 2b with x m neglected.
In Figure 2, the parameters r s and x s represent the equivalent resistance and leakage reactance of the stator windings, while r r and x r denote the equivalent resistance and leakage reactance of the rotor windings. Additionally, x m signifies the mutual inductance of the stationary rotor, and s s l i p denotes the slip rate of an induction motor.
The induction machine model under frequency dynamics is widely used in power system modeling, which is shown below [26].
P e m = U t 2 ( x s + x r ) 2 + ( R s + R r s s l i p ) 2 ( R s + R r s s l i p ) Q e m = U t 2 ( x s + x r ) 2 + ( R s + R r s s l i p ) 2 ( x s + x r )
P m m = k ω r α + 1 α 1 s s l i p ρ
2 H a m d ω r d t = Δ P e m Δ P m m
s s l i p = ω ω r ω r
where x and R denote the induction machine reactance and resistance; the subscript s and r represent the stator winding and rotor winding of induction machine; P m m represents the mechanical power of an induction machine; S s l i p and H a m denote the slip and inertia of the induction machine; α represents the constant torque component; k represents the load factor; ρ represents the mechanical characteristics of induction machine, which is exponential; and ω and ω r are the angular speed of power system and induction machine.
In practical power systems, U n is not an ideal infinite voltage source, but varies due to the active power disturbance. U n and f are inputs, and P e , consumed by the induction motor, is output. According to the small-signal method, Equations (1)–(5) can be linearized to obtain the following equations:
Δ U t = K 1 Δ P e m + K 2 Δ Q e m + K v Δ U n
Δ P e m = K 3 Δ U t + K 4 Δ s s l i p Δ Q e m = K 5 Δ U t + K 6 Δ s s l i p
Δ P m m = K 7 Δ s s l i p + K 8 Δ ω r
Δ s s l i p = K 9 Δ f + K 10 Δ ω r
2 H a m s Δ ω r = Δ P e m Δ P m m
K 1 = R l ( U n 2 P e m 0 R l Q e m X l ) + X l ( P e m 0 X l + Q e m R l ) U n 2 U n P e m 0 R l + Q e m X l U n 2 + P e m 0 X l + Q e m R l U n 2 K 2 = X l ( U n 2 P e m R l Q e m 0 X l ) + R l ( P e m X l + Q e m 0 R l ) U n 2 U n P e m R l + Q e m 0 X l U n 2 + P e m X l + Q e m 0 R l U n 2 K v = U n 0 2 ( P e m R l + Q e m X l 1 ) ( P e m R l + Q e m X l ) U n 0 2 ( P e m X l + Q e m R l ) 2 U n 0 3 ( U n 0 P e m 0 R l + Q e m X l U n 0 ) 2 + ( P e m 0 X l + Q e m R l U n 0 ) 2
K 3 = 2 U t 0 r s + r r s s l i p 0 2 + x s + x r 2 r r s s l i p 0 + r s K 4 = x s + x r 2 r s + r r s s l i p 0 2 U t 2 r r s s l i p 0 2 r s + r r s s l i p 0 2 + x s + x r 2 2 K 5 = 2 U t 0 r s + r r s s l i p 0 2 + x s + x r 2 x s + x r K 6 = x s + x r r s + r r s s l i p 0 U t 2 r r s s l i p 0 2 r s + r r s s l i p 0 2 + x s + x r 2 2
K 7 = k ω r 0 ρ 1 α 1 s s l i p 0 ρ 1 K 8 = k α + 1 α 1 s s l i p 0 ρ
K 9 = 1 ω r K 10 = ω ω r 0 2
where s denotes the differential operator; K 1 K 10 and K v denote the coefficient without s; P e m 0 and Q e m 0 represent the initial values of electromagnetic power and reactive power of the induction machine, respectively; and U t 0 and U n 0 represent the initial values of the induction machine terminal voltage and the generation terminal voltage, respectively.
In the system frequency response model, it is essential to establish the relationship between active power and system frequency, which is also called the frequency characteristics. According to the Equations (7)–(10), the induction model can be established as shown in Figure 3.
As a typical dynamic load, the dynamic characteristics of an induction machine significantly impact the stability of the power system. As depicted in Figure 3, the grid-connected induction machine exhibits dynamic voltage and frequency balance. During a disturbance in the active power, the system frequency is disrupted and undergoes changes, which further affect the slip rate of the induction machine. As in Equations (8) and (10), the variations in the slip affect both the active and mechanical powers of the induction machine. Equation (5) describes how these changes disrupt the power dynamics equilibrium of the induction machine. Equation (9) further elucidates that alterations in slip also influence reactive power variations. The fluctuations in both active and reactive powers of the induction machine subsequently impact changes in system power flow. Due to the variation in the front-end node voltage, the constant voltage of the induction machine node is no longer maintained, thereby amplifying the frequency response of the induction machine [27].

2.2. Analysis of Frequency Support Capability of Dynamic Load

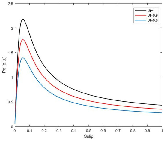
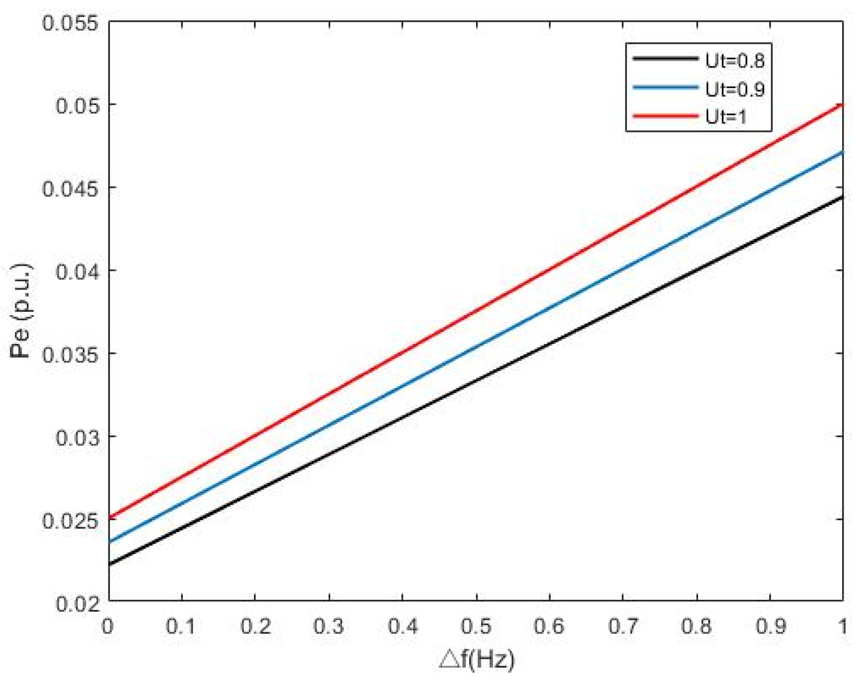
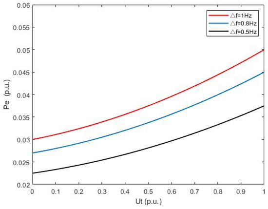
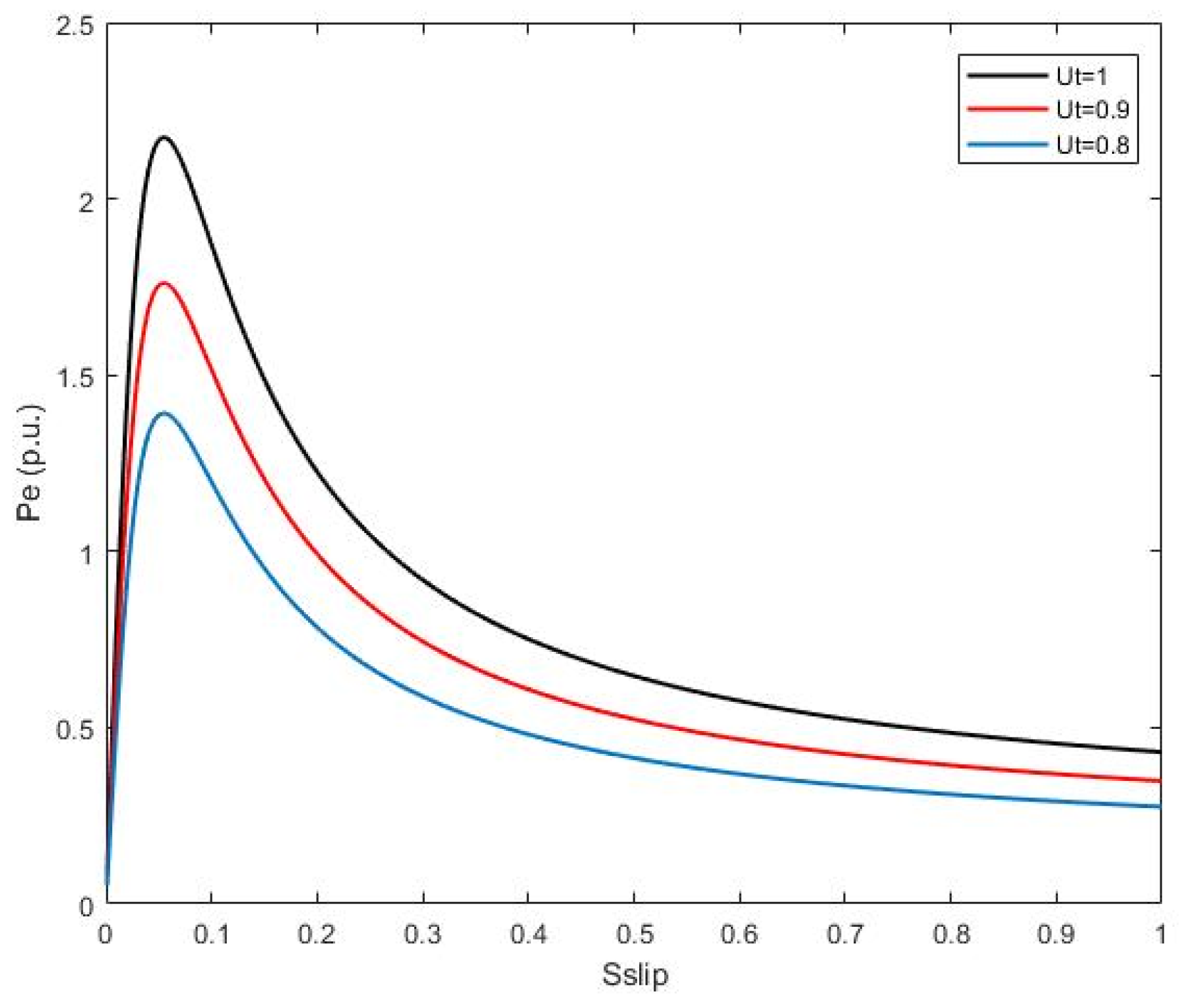
In response to system frequency disturbances, the slip rate of the induction machine undergoes instantaneous changes, leading to an immediate adjustment in active power to counteract the differential power of the system. This alteration in active power disrupts the equilibrium of the rotor motion equation of the induction machine [28]. According to the proposed model, both system frequency and node voltage are identified as key factors influencing the active power of the induction machine. The relationship between them and active power is depicted in Figure 4 and Figure 5.
As the slip of the induction machine increases, the active power initially rises and then declines. The extremum lies within the range of s s l i p = 0.055 , 0.06 . Under normal circumstances, the induction machine’s steady-state slip is between 0.001 and 0.01. Assuming a positive disturbance in the active power of the system, there is a drop in the system frequency. The speed of the induction machine also decreases, albeit at a slower rate than that of the system frequency. As the power system’s frequency decreases, active power from the induction machine is shed, demonstrating its ability to support the system frequency.
The node voltage also affects the active power consumed. According to Equation (2), the relationship between active power and node voltage is expressed as a quadratic function. As the node voltage increases, the active power of the induction machine increases. The reactive power of the induction motor decreases at the same time.
The disruption of the balance of reactive power and voltage in the system leads to a decrease in the system’s reactive power level and node voltage. Simultaneously, the reduction in power consumed by the system lines results in a decrease in line voltage drop. Figure 6 illustrates that changes in the reactive power have a greater impact on system voltage than changes in active power during system power flow. Significant variations in the reactive load force cause an increase in the node voltage for induction machines, leading to contradictory processes and minimal voltage fluctuations at the induction machine nodes, ranging from 0 to 0.01 p . u .

3. Static Load Modeling and Analysis

3.1. Model Derivation

Similar to the topological structure in Figure 1, the system, which replaces the dynamic load with static load, is a static load grid-connected model. The ZIP model is always used in simulations of power system loads [29]. The nonlinear mathematical formulas of the ZIP models are shown as follows:
P e s = P n [ p 1 ( U t U 0 ) 2 + p 2 ( U t U 0 ) + p 3 ] ( 1 + k p Z I P Δ f ) Q e s = Q n [ q 1 ( U t U 0 ) 2 + q 2 ( U t U 0 ) + q 3 ] ( 1 + k q Z I P Δ f )
p 1 + p 2 + p 3 = 1 q 1 + q 2 + q 3 = 1
where P e s and Q e s represent the active power and reactive power; P n , Q n and U 0 represent the nominal active and reactive power and the nominal voltage of the load; p 1 , p 2 , and p 3 represent the participation coefficients of ZIP, respectively, in the active power consumed by the static load; q1, q2, and q3 represent the participation coefficients of ZIP, respectively, in the reactive power consumed by the static load; k p Z I P and k q Z I P denote the frequency participation for the cases of active and reactive power; and Δ f represents the rate of frequency change.
Similarly, in the actual power system, the front-end node voltage of the load will also change under the influence of power disturbance. To investigate the frequency support capability of the static load, the small-signal method is employed to linearize Equations (15) and (16). The linearization results are shown below:
Δ P e s = K 11 Δ U t + K 12 Δ f Δ Q e s = K 13 Δ U t + K 14 Δ f
K 11 = P n 2 p 1 U t 0 U 0 + p 2 U 0 1 + k p z i p f 0 K 12 = P n p 1 U t 0 U 0 2 + p 2 U t 0 U 0 + p 3 · k p z i p K 13 = Q n 2 q 1 U t 0 U 0 + q 2 U 0 1 + k q z i p f 0 K 14 = Q n q 1 U t 0 U 0 2 + q 2 U t 0 U 0 + q 3 · k q z i p
where K 11 K 14 denote the coefficient without s . According to the proposed Equations (17) and (18), the load model can be established as shown in Figure 7.
As shown in Figure 6, similar to the dynamic machine, the grid-connected static load also includes the dynamic voltage balance and dynamic frequency balance. According to Equations (13) and (14), the variation in system frequency is proportional to the active power consumed by the static load. Upon the occurrence of a frequency disturbance in the system, the frequency drives the static load power change and then causes the system power flow change, which leads to the node voltage change. This dynamic process does not end until a new steady state is reached.

3.2. Analysis of Frequency Support Capability of Static Load

The static load is responsible for adjusting the active power output in response to deviations in system frequency. It exhibits prompt reactivity during frequency dynamics, although it is also subject to significant influence from node voltage. Any changes in voltage at the load node that occur in the opposite direction have the potential to exacerbate the differential power within the system.
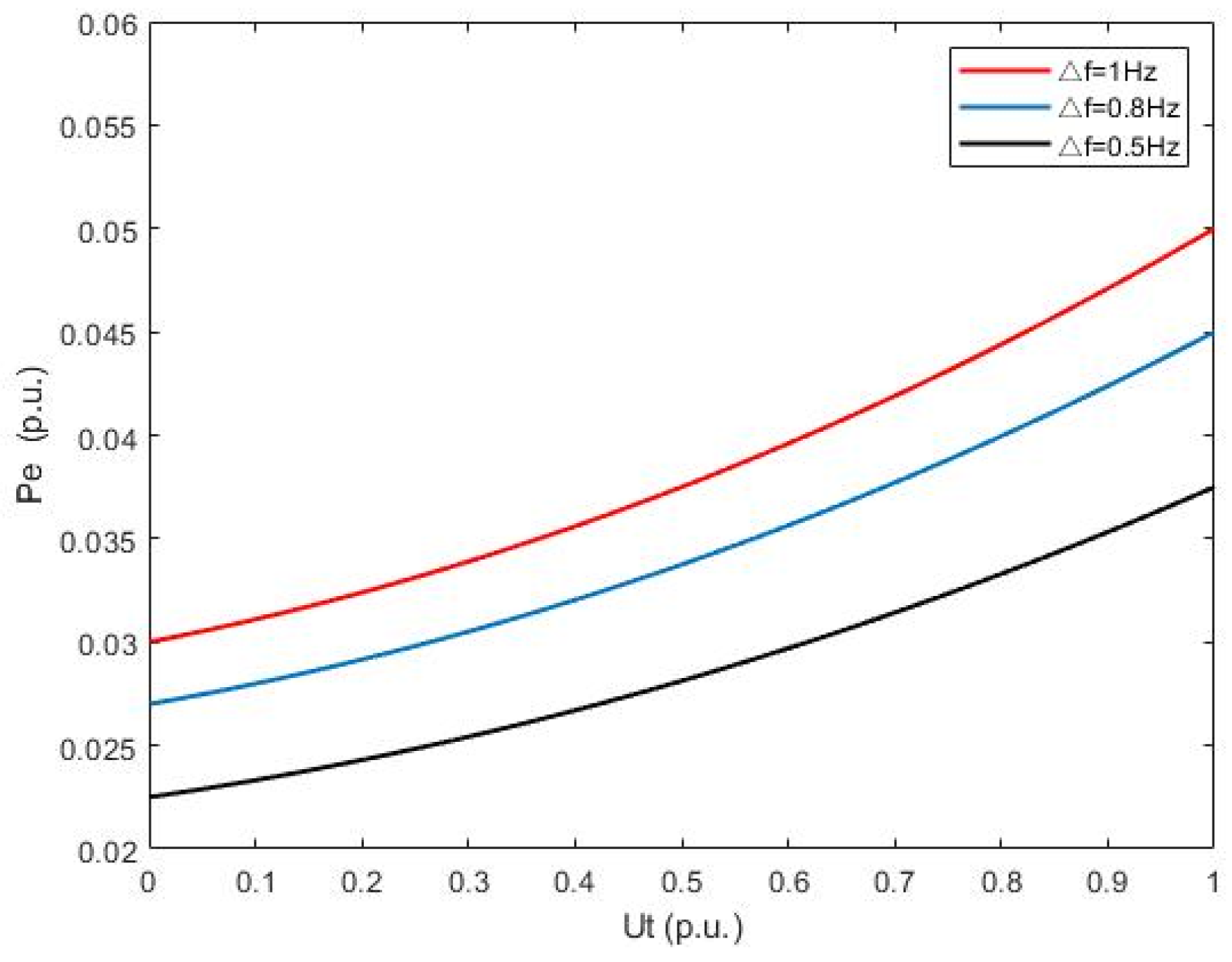
According to the proposed model, the system frequency and node voltage are the key factors affecting the active power of the static load. The relationship between them and active power is shown in Figure 8 and Figure 9, with different voltages.
As shown in Figure 8, the proportionality coefficient k p Z I P is positive. When the variation in the system frequency is positive and increasing, the active power absorbed by the static load demonstrates a concurrent increase. Assuming the active power disturbance of the system is positive, the system frequency decreases. The active power consumed by the static load will also decrease. However, due to the small value of the proportional coefficient k p Z I P and the range of frequency variation in the system is usually between 0 and 0.5 Hz, the range of variation in the active power influenced by the frequency is also very small.
As shown in Figure 9, due to the presence of constant resistance, the voltage has a quadratic relationship with the active power drawn by the static load. As the node voltage rises, the active power is increased by the static load. Similar to the dynamic load, when the system experiences a disturbance in the active power and the system frequency changes, the node voltage of the static load also has a dynamic process. Assuming that the active power disturbance of the system is positive, the system frequency drops. The active and reactive power utilized by the static load will also decrease. The reactive power balance of the system is broken, resulting in a decrease in the total reactive power level and node voltage. At the same time, as the voltage loss on the line decreases, the node voltage level will also increase. The two contradictory dynamic processes continue until a new steady state occurs. Since the proportional coefficient k p Z I P of static load is small and the frequency change is small, the power change in the static load is mainly affected by the node voltage. As for the supporting effect of the system frequency, the static load itself has a supporting effect on the frequency stability. But due to the uncertain change in node voltage, its supporting effect is not obvious compared with the dynamic load. In the actual power system, the node voltage has a variety of voltage regulation methods, including: forward and reverse voltage regulation. The voltage regulating operation will also directly affect the node load state.

4. Frequency Support Capacity Analysis of Complex Load

4.1. Comprehensive Modeling

The node load of a power system encompasses both dynamic and static loads. The active power of the complex load represents the aggregate active power, encompassing both dynamic and static loads, as does the reactive power. Its mathematical expression is shown in (19) and (20):
Δ P e = i = 1 n Δ P e m , i + j = 1 m Δ P e s , j
Δ Q e = i = 1 n Δ Q e m , i + j = 1 m Δ Q e s , j
where Δ P e and Δ Q e denote the active and reactive powers of the complex load; n and m denote the total number of dynamic loads and static loads. Based on the same principle as (1), the voltage changes in this node can be determined through the power flow calculation as follows:
U t = ( U n P e R l + Q e X l U n ) 2 + ( P e X l + Q e R l U n ) 2
As the calculated values are all nominal unit values, each load needs to have a proportional coefficient to represent the load capacity of the complex load. The proportional coefficient is shown as follows:
K i = s i i = 1 n s i + j = 1 m s j
K j = s j i = 1 n s i + j = 1 m s j
where K i and K j denote the proportional coefficients of the dynamic load i and static load j and s i and s j denote the apparent power of the dynamic load i and static load j .
Based on (19) and (21), the configuration of the load model is depicted in Figure 10. Each load has two inputs: node voltage and system frequency. The number of dynamic loads is n , and the number of static loads is m . The output of the complex load comprises both active power and reactive power. It is important to note that the output power must be multiplied by the proportional factor K i or K j for each load. The active and reactive powers of the node are the aggregate values of n dynamic loads and m static loads. Since the power sum has been multiplied by the proportional factor K i or K j , there is no error in the calculation of the identity value. The sum of the active and reactive powers of the nodes is divided into the node voltage dynamic balance, which makes the nodal voltage calculation more accurate. Finally, the voltage U t is fed back into the load transfer function, which forms the dynamic balance of power, frequency, and voltage. The complex load has both dynamic and static load characteristics, which can better reflect node load fluctuations. This further facilitates the analysis of the load’s frequency support capability.

4.2. Parameter Influence Analysis

Some parameters indirectly impact the dynamic balance between active power and frequency, influencing the balance process. Taking an induction machine as an example, both its inertia and rotational speed significantly affect the power-frequency dynamic process. The rotational speed of an induction machine directly affects the amount of kinetic energy stored in its rotor, thereby modifying the machine’s inertia. This inertia plays a crucial role in preventing sudden changes in system frequency and maintaining system stability. Additionally, it can enhance overall system inertia levels and improve frequency stability [19].
The distribution of each component within the ZIP also impacts the frequency response capability. The constant power component lacks the frequency response capability, as its active power remains unchanged regardless of variations in system frequency and voltage. Consequently, a higher proportion of constant power results in a weaker frequency response capability. Additionally, there exists a quadratic relationship between constant impedance loads and node voltage, leading to the power variation in constant impedance loads being more dependent on changes in node voltage.
Table 1 shows the node load components of the U.S. Eastern Interconnection Grid. As a dynamic load has a better frequency support capability than a static load, the higher the proportion of dynamic loads, the better the frequency response capability of the node.

4.3. Overall Framework

Based on the preceding sections, this paper presents a comprehensive load frequency response model that incorporates the impacts of voltage fluctuations and evaluates its frequency support capability. Firstly, the transfer function of power consumption and frequency deviation of the induction machine are derived based on the proposed small-signal model. The frequency support capability of the induction machine is then examined, with an analysis of its response characteristics and parameter influence mechanism at various stages. Furthermore, a static load frequency response model is developed to account for voltage variations, thereby accurately capturing the frequency response capabilities. Based on this foundation, a comprehensive load frequency response model is established to incorporate the impact of voltage fluctuations. This model is integrated into the traditional system frequency response model, and validation and parameter analysis are conducted to assess the load frequency support capacity across different proportions and types, as well as to examine the influence mechanism of parameters. The overall framework of this paper is presented in Figure 11.

5. Case Study and Analysis

In this section, the comprehensive load model proposed in this paper is tested and verified through simulations and analysis using MATLAB/SIMULINK and PSASP. The proposed model in the SFR system is implemented and validated using MATLAB, with corresponding practical examples established with PSASP for comparative analysis and verification. To demonstrate the practicality and viability of this model in power systems with actual frequency characteristics, simulations and analyses are conducted using the IEEE 39-node system on the DIgSILENT PowerFactory platform.

5.1. Model Validation

(1)
Dynamic load model and static load model
The proposed model is firstly verified using MATLAB/SIMULINK and PSASP using the power system model in Figure 1. Parameters of dynamic load and static load are shown in Table 2 and Table 3, respectively. The simulation duration is 50 s, and the system synchronous generator is equipped with primary frequency modulation equipment. The output quantity is system frequency f , node voltage U t , and dynamic load active power offset P e . In the steady-state condition, Δ f = 0 , Δ U t = 0 , and Δ P e = 0 . At t = 0 , a disturbance of Δ P d = 0.05   p . u . is applied, and the changes in system frequency, voltage, and active power of load are shown in Figure 12, Figure 13 and Figure 14. The dynamic load initial point is f = 50   Hz , U t = 1.016   p . u . , and P e s = 1.025   p . u .
Figure 12 shows that when the system experiences a disturbance in the active power, the system frequency first drops to the nadir point and then recovers to a new steady state f n a d i r = 49.94   Hz . As illustrated in Figure 13, the node voltage of the induction machine increases immediately after the frequency changes. The reactive power of the induction machine exhibits a rapid decrease, so that the voltage lost on the line also decreases, leading to the rapid increase in node voltage. The figure illustrates that the node voltage has a small change and the overall change range is within 4.5 × 10 3   p . u .
At the beginning stage of the frequency disturbance, the active power of the induction machine experiences a swift decline, followed by a gradual dissipation of the stored kinetic energy in the rotor, and the active power rises, as shown in Figure 13. This verifies the theory proposed in Section 2.2. Figure 14 has three curves: the actual power curve, the curve under the proposed model, and the curve of the original model. The figure indicates that the curve waveform of the model proposed in this paper aligns with the actual curve and exhibits a higher degree of fitting. This study diverges from traditional approaches that primarily focus on the direct impact of the frequency deviations on the active power balance by incorporating the influence of the voltage variations on the load dynamics. It is observed that voltage fluctuations play a significant role in affecting the active power of loads during frequency dynamics. Therefore, the proposed model in this paper is validated with its precision and reliability. On this basis, a comprehensive analysis of the parameter influence of complex load can be conducted.
Based on the simulation analysis results presented above, it is evident that the proposed model curve aligns well with the actual curve, demonstrating a high degree of fitting in relation to load voltage variations. In contrast to traditional methods, which primarily consider the direct impact of frequency deviation on the active power balance, our proposed model incorporates the influence of voltage fluctuations on load dynamics. It is important to note that in the frequency dynamic process, voltage fluctuations significantly impact the active power of the load.
To verify the frequency response of the static load, the system load is changed to a static load and the same active power disturbance is applied. Figure 15, Figure 16 and Figure 17 show the system frequency variation, node voltage variation, and static load power variation. The static load initial point is f = 50 Hz , U t = 1.017   p . u . , and P e s = 1.025   p . u .
As depicted in Figure 15, the system frequency drops first and then recovers to a new steady state. The nadir point of the system frequency is f n a d i r = 49.928 Hz . Hence, when the system frequency alters, the anti-interference power of the system carrying the dynamic load is much greater than that of the static load. Due to the load-shedding device and the primary frequency modulation device, the system frequency settles into a new steady state.
As illustrated in Figure 16, the fluctuation in node voltage is opposite to that of the dynamic load. When the static load voltage is disturbed by frequency, the voltage decreases first and then increases. The general trend of the voltage variation is consistent with that of the frequency. The voltage variation is not only due to the reduction in the reactive power level of the system but also to the action of the synchronous generator itself. Under the dual action of frequency and voltage, the active power of the static load decreases first and then increases, as shown in Figure 17. The frequency response speed of the static load is the same as that of the dynamic load, but it is mainly passive change according to the change in frequency and voltage. It cannot provide stored kinetic energy to prevent a frequency disturbance as dynamic loads do, and it does not have the active support ability of the frequency response. However, due to voltage and frequency changes, active power changes in the static loads can prevent the aggravation of system frequency deterioration.
Figure 17 contains three curves: the actual power curve, the power curve of the proposed model, and the power curve of the original model. The figure demonstrates that the power curve of the model proposed in this paper aligns closely with the actual power curve waveform, indicating a higher degree of fitting. The power curve of the original model, which is proportional to the frequency change, cannot reflect the actual change in the static load more effectively. Therefore, Figure 17 verifies the accuracy of the model proposed in Section 3.1.
(2)
The complex model
For consideration of complex models containing dynamic loads and static loads, the analysis focuses on the node MISO ATC in the U.S. Eastern Interconnection Grid, as shown in Table 1. The simulation duration is 100 s. At t = 25   s , an active power disturbance of Δ P d = 0.025   p . u . is applied to the system. The complex load initial point is f = 50   Hz , U t = 0.9457   p . u . , and P e = 7.335   p . u .  Figure 18, Figure 19 and Figure 20 show the system frequency variation, node voltage variation, and load power variation.
As depicted in Figure 18, the trend of the system frequency variation corresponds to that shown in Figure 11 and Figure 14, which first reaches the nadir point and then recovers to the new steady state. Due to the large proportion of static load contained in the complex load, the voltage of the complex load node decreases rapidly and then recovers to the new steady state after being disturbed. Therefore, the voltage curve in Figure 19 drops rapidly at first and then rises, gradually returning to a steady state. Figure 20 shows that the active power curve of the load model proposed in this paper is consistent with the waveform of the actual curve. The final data has some deviation because the actual comprehensive load contains some unknown load parameters. The maximum error of the active power curve is 0.008   p . u . , which is in line with the actual engineering error range.

5.2. Parameter Influence Analysis

To investigate the parameter impact of the power load on the system frequency, the minimum point of the system frequency varies with the system inertia value. At time t = 0   s , a disturbance of the same Δ P d =   0.025   p . u . is applied. The final result is shown in Figure 21.
The nadir point serves as an effective metric for assessing the system’s frequency support capability. It can be seen from Figure 21 that with the increase in the inertia of the induction machine, the nadir point of the frequency of the system after the disturbance gradually decreases. It has been demonstrated that the inertia of the induction machine can effectively support the system frequency.
To validate the impact of induction machine speed on the system frequency response, the nadir point of system frequency was measured by applying a disturbance Δ P d = 0.05   p . u . By changing the different speeds of the induction machine, the results are shown in Figure 22.
Figure 22 shows the relationship between rotational speed and nadir points. With the increase in the speed, the nadir point of the system gradually decreases, which proves that the frequency support capacity of the induction machine is stronger. There are two factors contributing to this phenomenon. Firstly, the speed of the induction machine directly affects the size of the slip. Moreover, an increased rotor speed leads to a higher amount of kinetic energy stored in the rotor. When the system is disturbed, the induction motor can release more kinetic energy.
Since constant power loads have no frequency response capability, it is only necessary to adjust the proportion of constant impedance and constant current loads to analyze the frequency response capability of static loads. The initial voltages of the load node are U t = 1.072   p . u . and U t = 0.9459   p . u . A disturbance of Δ P d = 0.05   p . u . was applied to observe the nadir points of the system frequency under static loads of different proportions. The final results are shown in Figure 23.
In order to exclude the mutual influence of two variables, only the constant power load is included in the static load, as the variable. As depicted in Figure 23, as the ratio of constant current and constant impedance increases, the nadir point of the system frequency gradually diminishes, leading to increased stability in the system frequency. According to the curve in the figure, no matter what the node voltage is, the nadir point of the constant impedance load is always lower than that of the constant current load. The results show that the constant impedance load has better frequency support ability than the constant current load.

5.3. Validation and Analysis in Practical System

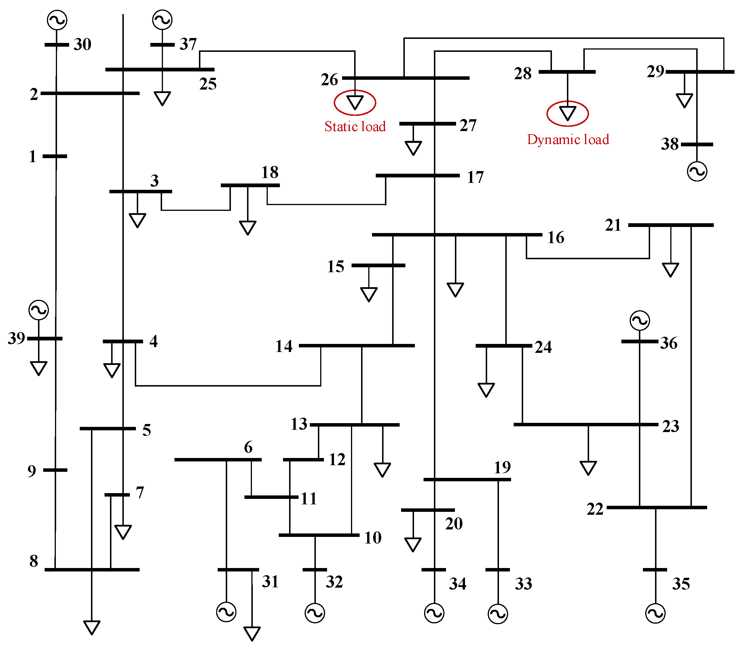
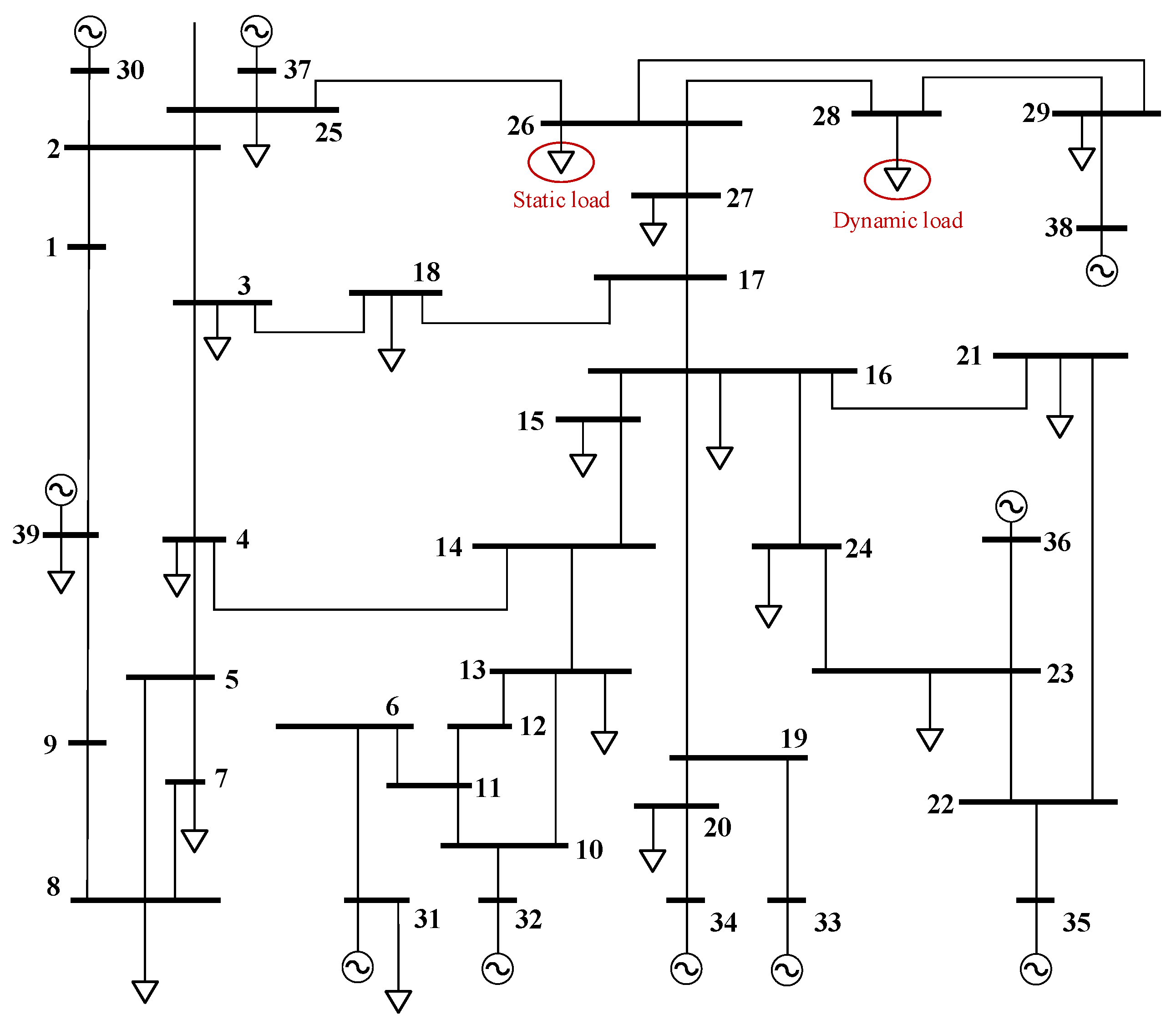
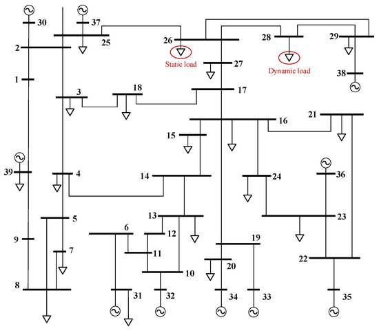
In this section, the accuracy of the proposed model method is validated using the IEEE 39-node system on the DIgSILENT PowerFactory platform. Specifically, Node 26 is designated as static load, Node 28 is designated as dynamic load, and the parameters are detailed in Table 3 and Table 2. The topology of the IEEE 39-node system is shown in Figure 24.
When the power system is in a state of stability, the frequency of the system is maintained at 50 Hz. Upon disturbance by active power, Figure 25, Figure 26 and Figure 27 depict the changes in system frequency, voltage at the load node, and comprehensive load response power curves.
After an active power disturbance, the system frequency undergoes a change, initially dropping to its nadir point before gradually increasing through the operation of frequency modulation equipment. The voltage at the load node experiences a decrease followed by stabilization due to the combined impact of the terminal voltage and comprehensive load. The comprehensive load predominantly consists of a static load, with its total capacity significantly outweighing that of the induction machine. Furthermore, as the static load power response is heavily influenced by voltage, the overall frequency response curve closely mirrors the voltage curve for the comprehensive load. Consequently, under the dual influence of voltage and frequency, the active power curve for comprehensive load first decreases and then rises to establish a new steady state.
The inertia time constant of the comprehensive load induction machine is evaluated by using the nadir point of the system frequency as a crucial parameter index for verification. At time t = 0 , a load disturbance of Δ P = 0.01   p . u . is applied to investigate the frequency response of the induction machine under various inertia time constants, with the results depicted in Figure 28. The nadir point, as the peak of system frequency deviation, serves as an effective indicator of the frequency response and support capabilities of the induction machine. As the inertia time constant increases, the nadir point of the system frequency gradually decreases, indicating a corresponding reduction in the system’s frequency deviation. With equivalent capacity, a higher partial inertia time constant for the comprehensive load induction machine enhances its ability to support frequency and further bolsters the system’s frequency stability.
To investigate the impact of partial rotor speed on the frequency support capacity of a comprehensive load in an induction machine system, a uniform active power disturbance of Δ P = 0.02   p . u . was applied to systems with identical capacity but different rotor speeds. The resulting changes in the nadir point of the system frequency were then observed, leading to the generation of the relationship diagram depicted in Figure 29. As the rotor speed of the induction machine increases under the same capacity, the nadir point of the system frequency gradually decreases. This observation serves as evidence that the frequency support capacity of the comprehensive load also increases gradually with the increase in the rotor speed of the induction machine.
Due to the lack of frequency response capability in a constant power load, it is essential to investigate the impact of the ratio between constant impedance and constant current loads on the frequency response ability of the static load. By adjusting the ratio of various components with constant current and constant impedance, the minimum point image of the system frequency can ultimately be achieved as depicted in Figure 30. In order to mitigate the mutual influence between the two variables, all static loads, other than the variable itself, are maintained as constant power loads. As depicted in the figure, the frequency support capacity of a constant impedance load surpasses that of a constant current load. With an increasing proportion of the constant impedance load within the static load, there is also an increase in the frequency support capacity of the static load.

6. Conclusions

This paper establishes a comprehensive load frequency response model that integrates both dynamic and static loads, accounting for fluctuations in node voltage, thereby providing a more precise depiction of the frequency response behaviors of power loads. Through the utilization of a case study, the proposed comprehensive model and its support capacity analysis results are validated, with its validity and accuracy in addressing voltage variation effects.
(1)
In this paper, a frequency response model for a dynamic load is established for frequency dynamics. The simulation results demonstrate that an induction machine with frequency response capabilities can mitigate its own electromagnetic power, effectively prevent system frequency fluctuations, and support system frequency regulation during occurrences of disturbances in active power imbalances.
(2)
The small-signal model of static load is established to depict its frequency dynamics, considering voltage fluctuations. Changes in the node load voltage resulting from variations in terminal voltage and system power flow subsequently affect the active power of a static load. Simulation results validate the effectiveness and precision of the proposed model with its support capability.
(3)
On the basis of existing modeling and capacity analysis, a comprehensive model of complex load is established containing both dynamic and static loads. The analysis of critical parameters reveals that higher rotor speed and inertia enhance the load’s frequency support capability. Additionally, the proportional coefficients of constant impedance and constant current in the static load component can enhance its frequency support capacity, thereby improving the overall system frequency stability.
In this paper, a load frequency response model for power systems is developed, taking into consideration the impact of voltage fluctuations and providing a more precise depiction of the active load response and frequency support capacity during frequency dynamics. This research can offer valuable insights and guidance for ensuring the safety and stability of power systems, with a high penetration of renewable energy sources. For future research, focus should be drawn to prioritize data-driven approaches in modeling load frequency responses, as they hold the potential to enhance the accuracy and efficiency of predicting and managing system dynamics. In actual grids, due to the random and dynamic nature of the proportion and parameters of each load type, subsequent efforts should be further dedicated using deep-learning methods to address uncertainties in node voltage and random fluctuations in load.

Author Contributions

Conceptualization, T.Z. and C.W.; methodology, Y.Z. and L.C.; software, Y.Z.; validation, Y.Z.; formal analysis, C.W.; data curation, B.L.; writing—original draft preparation, Y.Z.; writing—review and editing, T.Z. and B.L.; supervision, Z.C.; project administration, T.Z. and Z.C.; funding acquisition, T.Z. and L.C. All authors have read and agreed to the published version of the manuscript.

Funding

This project is supported by the State Key Laboratory of Power System Operation and Control (No. SKLD23KM17), the Natural Science Foundation of Jiangsu Province (No. BK20220216) and the Fundamental Research Funds for the Central Universities (No. 30922010709).

Data Availability Statement

Data are contained within the article.

Conflicts of Interest

The authors declare no conflicts of interest.

References

  1. Fu, B.; Ouyang, C.; Li, C.; Wang, J.; Gul, E. An Improved Mixed Integer Linear Programming Approach Based on Symmetry Diminishing for Unit Commitment of Hybrid Power System. Energies 2019, 12, 833. [Google Scholar] [CrossRef]
  2. Wu, M.; Ma, D.; Xiong, K.; Yuan, L. Deep Reinforcement Learning for Load Frequency Control in Isolated Microgrids: A Knowledge Aggregation Approach with Emphasis on Power Symmetry and Balance. Symmetry 2024, 16, 322. [Google Scholar] [CrossRef]
  3. Fu, X.; Wu, X.; Zhang, C.; Fan, S.; Liu, N. Planning of Distributed Renewable Energy Systems Under Uncertainty Based on Statistical Machine Learning. Prot. Control. Mod. Power Syst. 2022, 7, 1–27. [Google Scholar] [CrossRef]
  4. Angizeh, F.; Bae, J.; Chen, J.; Klebnikov, A.; Jafari, M. Impact Assessment Framework for Grid Integration of Energy Storage Systems and Renewable Energy Sources Toward Clean Energy Transition. IEEE Access 2023, 11, 134995–135005. [Google Scholar] [CrossRef]
  5. Sun, Q.; Li, D.; Wang, R.; Sui, Z.; Yao, J. “Double High” Power System: A New Stability Criterion and Stability Classification. CSEE 2024, 44, 1–22. [Google Scholar]
  6. Hu, J.; Liu, X.; Shahidehpour, M.; Xia, S. Optimal Operation of Energy Hubs with Large-Scale Distributed Energy Resources for Distribution Network Congestion Management. IEEE Trans. Sustain. Energy 2021, 12, 1755–1765. [Google Scholar] [CrossRef]
  7. Yang, D.; Wang, X.; Chen, W.; Yan, G. Adaptive Frequency Droop Feedback Control-Based Power Tracking Operation of a DFIG for Temporary Frequency Regulation. IEEE Trans. Power Syst. 2024, 39, 2682–2692. [Google Scholar] [CrossRef]
  8. Sun, X.; Bao, M.; Ding, Y.; Hui, H.; Song, Y.; Zheng, C.; Gao, X. Modeling and Evaluation of Probabilistic Carbon Emission Flow for Power Systems Considering Load and Renewable Energy Uncertainties. Energy 2024, 296, 130768. [Google Scholar] [CrossRef]
  9. Gayathri, K.; Jena, K. A Practical Approach to Inertia Distribution Monitoring and Impact of Inertia Distribution on Oscillation Baselining Study for Renewable Penetrated Power Grid. IEEE Syst. 2023, 17, 3593–3601. [Google Scholar]
  10. Wu, Q.; Bose, A.; Singh, C.; Chow, J. Control and Stability of Large-Scale Power System with Highly Distributed Renewable Energy Generation: Viewpoints from Six Aspects. CSEE J. Power Energy 2023, 9, 8–14. [Google Scholar]
  11. Peng, Q.; Jiang, Q.; Yang, Y.; Liu, T.; Wang, H.; Blaabjerg, F. On the Stability of Power Electronics-Dominated Systems: Challenges and Potential Solutions. IEEE Trans. Ind. Appl. 2019, 55, 7657–7670. [Google Scholar] [CrossRef]
  12. Yang, D.; Jun, L.; Jin, Z. Sequential Frequency Regulation Strategy for DFIG and Battery Energy Storage System Considering Artificial Deadbands. Int. J. Electr. Power Energy Syst. 2024, 155, 109503. [Google Scholar] [CrossRef]
  13. Wang, C.; Ju, P.; Wu, F.; Pan, X.; Wang, Z. A Systematic Review on Power System Resilience from the Perspective of Generation, Network, and Load. Renew. Sustain. Energy Rev. 2022, 167, 112567. [Google Scholar] [CrossRef]
  14. Gulzar, M. Designing of Robust Frequency Stabilization Using Optimized MPC-( 1+PIDN ) Controller for High Order Interconnected Renewable Energy Based Power Systems. Prot Contr Mod Pow 2023, 8, 1–14. [Google Scholar] [CrossRef]
  15. Bustamante, S.; Jorge, W.; Gabriel, J.; Hugo, A. UFLS and Smart Load for Frequency Regulation in Electrical Power System: A Review. IEEE Access 2023, 11, 110967–110984. [Google Scholar] [CrossRef]
  16. Gu, H.; Yan, R.; Saha, T. Review of System Strength and Inertia Requirements for the National Electricity Market of Australia. CSEE 2019, 5, 295–305. [Google Scholar]
  17. Seshapalli, S. Analysis of Hybrid Power Flow Controller using Static load model under Contingency Screening. In Proceedings of the 2019 IEEE International Conference on Clean Energy and Energy Efficient Electronics Circuit for Sustainable Development (INCCES), Krishnankoil, India, 18–20 December 2019; pp. 1–6. [Google Scholar]
  18. Bu, F.; Ma, Z.; Yuan, Y.; Wang, Z. Composite Load Model Parameter Identification Using Evolutionary Deep Reinforcement Learning. IEEE Trans. Smart Grid 2020, 11, 5407–5417. [Google Scholar] [CrossRef]
  19. Chen, L.; Wang, X.; Min, Y. Modelling and Investigating the Impact of Asynchronous Inertia of Induction Motor on Power System Frequency Response. Int. J. Electr. Power 2020, 117, 105708.1–105708.8. [Google Scholar] [CrossRef]
  20. Lu, W.; Zhang, J.; Ren, L. Influence Analysis of Different Load Models on Transient Stability of Shanghai Power Grid. Beijing Jiaotong Univ. 2021, 45, 130–142. [Google Scholar]
  21. Si, D.; Qian, Y.; Sun, S. Influence of Load Model on Frequency Stability of AC/DC System in Asynchronous Network. Yunnan Electr. Power Technol. 2017, 45, 62–65. [Google Scholar]
  22. Sun, H.; Wang, B.; Li, W. Research on Inertia System of Frequency Response for High-proportion Power Electronic Power Systems. CSEE 2020, 40, 5179–5192. [Google Scholar]
  23. Liang, X.; Xu, W.; Chuang, C.; Freitas, W.; Xiong, K. Dynamic Load Models for Industrial Facilities. IEEE Trans. Power Syst. 2012, 27, 69–80. [Google Scholar] [CrossRef]
  24. Marault, J.; Tounzi, A.; Gllon, F.; Hecquet, M. Efficient Approach Based on Equivalent Electric Circuit Model to Determine Rotor Bar Currents of Squirrel Cage Induction Machines. IEEE Trans. Magn. 2021, 57, 8101305. [Google Scholar] [CrossRef]
  25. Liang, X.; He, J. Load Model for Medium Voltage Cascaded H Bridge Multi-Level Inverter Drive Systems. IEEE Power Energy Technol. Syst. 2016, 3, 13–23. [Google Scholar] [CrossRef]
  26. Ge, Y.; Flueck, A.; Kim, D.; Ahn, J.; Lee, J.; Kwon, D. An Event-Oriented Method for Online Load Modeling Based on Synchrophasor Data. IEEE Trans. Smart Grid 2015, 6, 2060–2068. [Google Scholar] [CrossRef]
  27. Shi, L.; Lao, W.; Wu, F.; Zheng, T.; Lee, K. Frequency Regulation Control and Parameter Optimization of Doubly-Fed Induction Machine Pumped Storage Hydro Unit. IEEE Access 2022, 10, 102586–102598. [Google Scholar] [CrossRef]
  28. Batzelis, E.; Anagnostou, G.; Cole, I.; Betts, T.; Pal, B. A State-Space Dynamic Model for Photovoltaic Systems with Full Ancillary Services Support. IEEE Trans. Sustain. Energy 2019, 10, 1399–1409. [Google Scholar] [CrossRef]
  29. DÖŞOĞLU, M.K.; Dursun, M. Investigation with ZIP Load Model of Voltage Stability Analysis in Wind Turbine Integrated Power System. In Proceedings of the 2018 2nd International Symposium on Multidisciplinary Studies and Innovative Technologies (ISMSIT), Ankara, Turkey, 19–21 October 2018; pp. 1–5. [Google Scholar]
Figure 1. Configuration of power system containing dynamic load.
Figure 1. Configuration of power system containing dynamic load.
Symmetry 16 00918 g001
Figure 2. Induction motor mechanical transient time circuit. (a) Induction motor mechanical transient equivalent circuit. (b) Equivalent circuit of induction motor.
Figure 2. Induction motor mechanical transient time circuit. (a) Induction motor mechanical transient equivalent circuit. (b) Equivalent circuit of induction motor.
Symmetry 16 00918 g002
Figure 3. Block diagram illustrating the small-signal model of the induction machine.
Figure 3. Block diagram illustrating the small-signal model of the induction machine.
Symmetry 16 00918 g003
Figure 4. The relation between slip and active power.
Figure 4. The relation between slip and active power.
Symmetry 16 00918 g004
Figure 5. The relationship between voltage and active power at different slip rates.
Figure 5. The relationship between voltage and active power at different slip rates.
Symmetry 16 00918 g005
Figure 6. The relationship between reactive power, active power, and node voltage.
Figure 6. The relationship between reactive power, active power, and node voltage.
Symmetry 16 00918 g006
Figure 7. Block diagram illustrating the small-signal model of static load.
Figure 7. Block diagram illustrating the small-signal model of static load.
Symmetry 16 00918 g007
Figure 8. The relation between frequency and active power.
Figure 8. The relation between frequency and active power.
Symmetry 16 00918 g008
Figure 9. The relationship between voltage and active power under different frequency deviation.
Figure 9. The relationship between voltage and active power under different frequency deviation.
Symmetry 16 00918 g009
Figure 10. The model of complex load.
Figure 10. The model of complex load.
Symmetry 16 00918 g010
Figure 11. Overall framework.
Figure 11. Overall framework.
Symmetry 16 00918 g011
Figure 12. The curve of system frequency considering dynamic load.
Figure 12. The curve of system frequency considering dynamic load.
Symmetry 16 00918 g012
Figure 13. The node voltage of dynamic load.
Figure 13. The node voltage of dynamic load.
Symmetry 16 00918 g013
Figure 14. The curves of active power under different models.
Figure 14. The curves of active power under different models.
Symmetry 16 00918 g014
Figure 15. The curve of system frequency considering static load.
Figure 15. The curve of system frequency considering static load.
Symmetry 16 00918 g015
Figure 16. The node voltage of static load.
Figure 16. The node voltage of static load.
Symmetry 16 00918 g016
Figure 17. Comparison of active power curves of three different models.
Figure 17. Comparison of active power curves of three different models.
Symmetry 16 00918 g017
Figure 18. The curve of system frequency considering comprehensive load.
Figure 18. The curve of system frequency considering comprehensive load.
Symmetry 16 00918 g018
Figure 19. The node voltage of complex load.
Figure 19. The node voltage of complex load.
Symmetry 16 00918 g019
Figure 20. The curve of active power considering the actual model and the proposed model.
Figure 20. The curve of active power considering the actual model and the proposed model.
Symmetry 16 00918 g020
Figure 21. The relation between inertia and nadir point under PSASP.
Figure 21. The relation between inertia and nadir point under PSASP.
Symmetry 16 00918 g021
Figure 22. The relation between rotational speed and nadir point under PSASP.
Figure 22. The relation between rotational speed and nadir point under PSASP.
Symmetry 16 00918 g022
Figure 23. The relation between the proportion of different types of loads and system frequency. (a) U t = 1.072   p . u . (b) U t = 0.9459   p . u .
Figure 23. The relation between the proportion of different types of loads and system frequency. (a) U t = 1.072   p . u . (b) U t = 0.9459   p . u .
Symmetry 16 00918 g023
Figure 24. Topology diagram of the IEEE 39-node system.
Figure 24. Topology diagram of the IEEE 39-node system.
Symmetry 16 00918 g024
Figure 25. The system frequency curves under different models.
Figure 25. The system frequency curves under different models.
Symmetry 16 00918 g025
Figure 26. The load node voltage curves under different models.
Figure 26. The load node voltage curves under different models.
Symmetry 16 00918 g026
Figure 27. The active power curves under different models.
Figure 27. The active power curves under different models.
Symmetry 16 00918 g027
Figure 28. The relation between inertia and nadir point under DIgSILENT PowerFactory.
Figure 28. The relation between inertia and nadir point under DIgSILENT PowerFactory.
Symmetry 16 00918 g028
Figure 29. The relation between rotational speed and nadir point under DIgSILENT PowerFactory.
Figure 29. The relation between rotational speed and nadir point under DIgSILENT PowerFactory.
Symmetry 16 00918 g029
Figure 30. The relation between the proportion of different types of loads and nadir point.
Figure 30. The relation between the proportion of different types of loads and nadir point.
Symmetry 16 00918 g030
Table 1. The node load components of the U.S. Eastern Interconnection Grid.
Table 1. The node load components of the U.S. Eastern Interconnection Grid.
NodeDynamic Load (%)Constant Impedance (%)Constant Current (%)Constant Power (%)Remaining Load (%)
MISO Vectren85.402.1611.341.1
MISO ATC61.77518.614.42514.2
West MA61.4610.2014.4313.91
Table 2. The parameter of dynamic load.
Table 2. The parameter of dynamic load.
Dynamic Load Parameter H a m ω r 0 x s x r r s
parameter values0.50.9730.110.120.011
Table 3. The parameter of static load.
Table 3. The parameter of static load.
Static Load Parameter P n s k p Z I P p 1 p 2 p 3 Q n s k q Z I P q 1 q 2 q 3
per-unit value1.02510.20.20.60.9410.20.20.6
Disclaimer/Publisher’s Note: The statements, opinions and data contained in all publications are solely those of the individual author(s) and contributor(s) and not of MDPI and/or the editor(s). MDPI and/or the editor(s) disclaim responsibility for any injury to people or property resulting from any ideas, methods, instructions or products referred to in the content.

Share and Cite

MDPI and ACS Style

Zhou, T.; Zheng, Y.; Wang, C.; Chen, L.; Liu, B.; Chen, Z. Small-Signal Modeling and Frequency Support Capacity Analysis of Power Load Considering Voltage Variation Effect. Symmetry 2024, 16, 918. https://doi.org/10.3390/sym16070918

AMA Style

Zhou T, Zheng Y, Wang C, Chen L, Liu B, Chen Z. Small-Signal Modeling and Frequency Support Capacity Analysis of Power Load Considering Voltage Variation Effect. Symmetry. 2024; 16(7):918. https://doi.org/10.3390/sym16070918

Chicago/Turabian Style

Zhou, Tao, Yuxin Zheng, Cheng Wang, Lei Chen, Bo Liu, and Zhong Chen. 2024. "Small-Signal Modeling and Frequency Support Capacity Analysis of Power Load Considering Voltage Variation Effect" Symmetry 16, no. 7: 918. https://doi.org/10.3390/sym16070918

APA Style

Zhou, T., Zheng, Y., Wang, C., Chen, L., Liu, B., & Chen, Z. (2024). Small-Signal Modeling and Frequency Support Capacity Analysis of Power Load Considering Voltage Variation Effect. Symmetry, 16(7), 918. https://doi.org/10.3390/sym16070918

Note that from the first issue of 2016, this journal uses article numbers instead of page numbers. See further details here.

Article Metrics

Back to TopTop