Evolution of Hybrid Cellular Automata for Density Classification Problem
Abstract
1. Introduction
- Density conserving—the initial density, corresponding to the input configuration of the system, should be conserved over time.
- Balanced rule—the rule table should demonstrate a density of 0.5 and maintain uniformity across the configuration space.
- An efficient hybrid CA-based solution for DCP that can be used in parallel and distributed systems and applied to many real-world decentralized problems that require a decision to be taken by separating clusters with different values is proposed.
- The technical details and the arguments that illustrate the capability of hybrid CA to combine the two necessary features, density conserving and translation of the information stored in the cells across the lattice, in order to obtain the solution to the DCP are provided.
- The CA-based method for DCP developed here is a general one and is relatively simple and efficient for implementation, as it can be scaled to a larger or a smaller number of cells.
- Experimental results, showcased across different working scenarios, confirm and offer relevant insights into how to improve the exploration of the CA search space and also the ways of creating solutions in the CA context.
2. Materials and Methods
2.1. Fundamentals of the Problem Statement
- Von Neumann model, radius r = 1, where, for establishing the next state of a central cell, three neighboring cells are used in the one-dimensional CA case (Figure 1a) and five neighboring cells, formed by the central cell and its four adjoining horizontal and vertical neighbors, in the two-dimensional CA case (Figure 2a).
- Moore model, radius r = 1, in which three neighboring cells are used in the one-dimensional CA case and nine neighboring cells, formed by the central cell and its eight adjoining neighbors, including diagonals, in the two-dimensional CA case (Figure 2b).
- In the case of one-dimensional CA with radius r = 1:
- 2.
- In the case of one-dimensional CA with radius r = 2:
- 3.
- In the case of two-dimensional CA with radius r = 1 and von Neumann model:
- 4.
- In the case of two-dimensional CA with radius r = 1 and Moore model:
- 5.
- In the case of two-dimensional CA with radius r = 2 and Extended Moore model:
- C stands for cell;
- i and j represent the position of a single cell in a two-dimensional lattice of cells;
- t represents the time step;
- Ci(t+1) represents, in the one-dimensional CA, the output state of the central cell at the time step t+1;
- Ci,j(t+1) represents, in the two-dimensional CA, the output state of the central cell at the time step t+1;
- f represents the evolution function of the CA.
- Rule 30:
- 2.
- Rule 90:
- 3.
- Rule 204:
- 4.
- Rule 226:
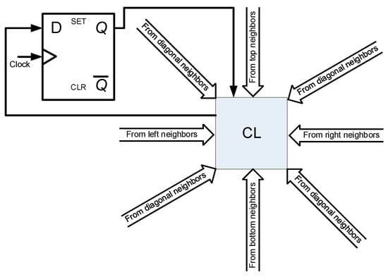
2.2. The Hybrid CA-Based Algorithm for the Problem of Density Classification
- UseRules (Rule64_Rule1_Rule4)—can be used to move the 1′s values to the bottom-right direction in the matrix (see explanations in previous paragraph).
- UseRules (Rule256_Rule1_Rule16)—can be used to move the 1′s values to the bottom-left direction in the matrix.
- UseRules (Rule16_Rule1_Rule256)—can be used to move the 1′s values to the top-right direction in the matrix.
- UseRules (Rule128_Rule1_Rule8)—can be used to move the 1′s values to the bottom direction in the matrix.
- UseRules (Rule32_Rule1_Rule2)—can be used to move the 1′s values to the right direction in the matrix.
3. Implementation of the Proposed Hybrid CA Solution
- If (A=1) then use rule 1 and if (A=0) then use rule B
- If (the states of the three neighborhood cells in the translation direction of rule B is 011) then use rule 1. That means density conserving.
- Else if (the states of the three neighborhood cells in the translation direction of rule B is 110) then use rule C. This means that 0 s will be moved in the translation direction of rule C.
- Else (That means the states of the three neighborhood cells in the translation direction of rule B is 110) then use rule B. This means that 1 s will be moved in the translation direction of rule B.
4. Results
5. Discussion
6. Conclusions
Funding
Data Availability Statement
Conflicts of Interest
References
- Packard, N.H. Adaptation toward the edge of chaos. In Dynamic Patterns in Complex Systems; World Scientific: Singapore, 1988; pp. 293–301. [Google Scholar]
- Oliveira, G.M.B.; Martins, G.A.; de Carvalho, B.; Fynn, E. Some Investigations About Synchronization and Density Classification Tasks in One-dimensional and Two-dimensional Cellular Automata Rule Spaces. Electron. Notes Theor. Comput. Sci. 2009, 252, 121–142. [Google Scholar] [CrossRef]
- Shao, C.; Shao, F.; Liu, X.; Yang, D.; Sun, R.; Zhang, L.; Jiang, K. A Multi-Information Dissemination Model Based on Cellular Automata. Mathematics 2024, 12, 914. [Google Scholar] [CrossRef]
- Anghelescu, P.; Ionita, S.; Sofron, E. Encryption Technique with Programmable Cellular Automata (ETPCA). J. Cell. Autom. 2010, 5, 79–105. [Google Scholar]
- Land, M.; Belew, R.K. No Perfect Two-State Cellular Automata for Density Classification Exists. Phys. Rev. Let. 1995, 74, 5148–5150. [Google Scholar] [CrossRef]
- Anghelescu, P.; Stirbu, C. Cellular Automata Based Algorithm for Image Density Classification Task. In Proceedings of the 6thInternational Conference on Electronics, Computers and Artificial Intelligence, ECAI 2014, Bucharest, Romania, 23–25 October 2014; Volume 6, pp. 5–9. [Google Scholar] [CrossRef]
- Mitchell, M.; Hraber, P.; Crutchfield, J. Revisiting the Edge of Chaos: Evolving Cellular Automata to Perform Computations. Complex Syst. 1993, 7, 89–130. [Google Scholar]
- Mitchell, M.; Crutchfield, P.; Hraber, P.T. Evolving cellular automata to perform computations. Mech. Impediment Phys. D 1994, 75, 361–391. [Google Scholar]
- Jullie, H.; Pollack, J.B. Coevolving the ideal trainer: Application to the discovery of Cellular Automata Rules. In Proceedings of the Third Annual Genetic Programming Conference, San Francisco, CA, USA, 1998; Morgan Kaufmann: Burlington, MA, USA, 1998; pp. 519–527. [Google Scholar]
- Andre, D.; Bennett, F.; Koza, J. Discovery by Genetic Programming of a Cellular Automata Rule that is Better than any Known Rule for the Majority Classification Problem. In Proceedings of the Genetic Programming, First Annual Conference, Stanford, CA, USA, 28–31 July 1996; pp. 3–11. [Google Scholar]
- Oliveira, G.M.B.; de Oliveira, P.P.B.; Omar, N. Evolving solutions of the density classification task in 1D cellular automata, guided by parameters that estimate their dynamic behavior. In Artificial Life VII, Proceedings of the Seventh International Conference on Artificial Life; MIT Press: Cambridge, MA, USA, 2000; pp. 428–436. [Google Scholar] [CrossRef]
- Wolz, D.; De Oliveira, P.P.B. Very Effective Evolutionary Techniques for Searching Cellular Automata Rule Spaces. J. Cell. Autom. 2008, 3, 289–312. [Google Scholar]
- Marques-Pita, M.; Rocha, L.M. Conceptual Structure in Cellular Automata-The Density Classification Task. In Proceedings of the ALife XI: Eleventh International Conference on the Simulation and Synthesis of Living Systems, Winchester, UK, 5–8 August 2008; Bullock, S., Noble, J., Watson, R.A., Bedau, M.A., Eds.; MIT Press: Cambridge, MA, USA, 2008; pp. 390–397. [Google Scholar]
- Laboudi, Z. An Effective Approach for Solving the Density Classification Task by Cellular Automata. In Proceedings of the 4th World Conference on Complex Systems (WCCS), Ouarzazate, Morocco, 22–25 April 2019; pp. 1–8. [Google Scholar] [CrossRef]
- Kari, J.; Le Gloannec, B. Modified traffic cellular automaton for the density classification task. Fundam. Informaticae 2012, 116, 141–156. [Google Scholar] [CrossRef]
- Laboudi, Z.; Chikhi, S. Computational mechanisms for solving the density classification task by cellular automata. J. Cell. Autom. 2019, 14, 69–93. [Google Scholar]
- De Oliveira, P.P.B. On density determination with cellular automata: Results, constructions and directions. J. Cell. Autom. 2014, 9, 357–385. [Google Scholar]
- Wolfram, S. A New Kind of Science; Wolfram Media: Champaign, IL, USA, 2002. [Google Scholar]
- Laboudi, Z.; Chikhi, S. New Solutions for the Density Classification Task in One Dimensional Cellular Automata. In Modelling and Implementation of Complex Systems; Lecture Notes in Networks and Systems; Chikhi, S., Amine, A., Chaoui, A., Saidouni, D., Eds.; Springer: Cham, Switzerland, 2019; Volume 64. [Google Scholar] [CrossRef]
- Capcarrere, M.S.; Sipper, M.; Tommasini, M. Two-state, r=1 Cellular Automaton that Classifies Density. Phys. Rev. Lett. 1996, 77, 4969–4971. [Google Scholar] [CrossRef] [PubMed]
- Capcarrere, M.S.; Sipper, M. Necessary conditions for density classification by cellular automata. Phys. Rev. E 2001, 64, 036113. [Google Scholar] [CrossRef] [PubMed]
- Gabriele, A.R. The Density Classification Problem for Multi-states Cellular Automata. In Advances in Artificial Life; ECAL 2005. Lecture Notes in Computer Science; Capcarrère, M.S., Freitas, A.A., Bentley, P.J., Johnson, C.G., Timmis, J., Eds.; Springer: Berlin/Heidelberg, Germany, 2005; pp. 443–452. [Google Scholar] [CrossRef]
- Fuks, H. Solution of the Density Classification Problem with Two Cellular Automata Rules. Phys. Rev. E 1997, 55, R2081–R2084. [Google Scholar] [CrossRef]
- Wuensche, A.; Lesser, M. The Global Dynamics of Cellular Automata, An Atlas of Basin of Attraction Fields of One-Dimensional Cellular Automata; Studies in the Sciences of Complexity; Addison Wesley: Boston, MA, USA, 1992; pp. 22–60. [Google Scholar]
- Wuensche, A. Basins of Attraction of Cellular Automata and Discrete Dynamical Networks. In Cellular Automata; Encyclopedia of Complexity and Systems Science Series; Adamatzky, A., Ed.; Springer: New York, NY, USA, 2018. [Google Scholar] [CrossRef]
- Maiti, N.S.; Munshi, S.; Chaudhuri, P.P. An Analytical Formulation for Cellular Automata (CA) Based Solution of Density Classification Task (DCT). In Cellular Automata; ACRI 2006; Lecture Notes in Computer Science; El Yacoubi, S., Chopard, B., Bandini, S., Eds.; Springer: Berlin/Heidelberg, Germany, 2006; Volume 4173, pp. 147–156. [Google Scholar] [CrossRef]
- Anghelescu, P. Parallel Optimization of Program Instructions Using Genetic Algorithms. J. Comput. Mater. Contin. 2021, 67, 3293–3310. [Google Scholar] [CrossRef]
- Anghelescu, P.; Sofron, E.; Ionita, S. VLSI Implementation of High-Speed Cellular Automata Encryption Algorithm. In Proceedings of the 30th International Semiconductor Conference, CAS 2007, Sinaia, Romania, 15–17 October 2007; pp. 509–512. [Google Scholar] [CrossRef]
- Stanica, G.; Anghelescu, P. Cryptographic Algorithm Based on Hybrid One-Dimensional Cellular Automata. Mathematics 2023, 11, 1481. [Google Scholar] [CrossRef]
- Vellarayil Mohandas, N.; Jeganathan, L. Classification of Two Dimensional Cellular Automata Rules for Symmetric Pattern Generation. Symmetry 2018, 10, 772. [Google Scholar] [CrossRef]
- Levina, A.; Mukhamedjanov, D.; Bogaevskiy, D.; Lyakhov, P.; Valueva, M.; Kaplun, D. High Performance Parallel Pseudorandom Number Generator on Cellular Automata. Symmetry 2022, 14, 1869. [Google Scholar] [CrossRef]
- Wang, M.; Chen, M.; Li, J.; Yu, C. 3D Copyright Protection Based on Binarized Computational Ghost Imaging Encryption and Cellular Automata Transform. Symmetry 2022, 14, 595. [Google Scholar] [CrossRef]
- Jeon, J.-C. Multi-Layer QCA Shift Registers and Wiring Structure for LFSR in Stream Cipher with Low Energy Dissipation in Quantum Nanotechnology. Electronics 2023, 12, 4093. [Google Scholar] [CrossRef]
- Chatzinikolaou, T.P.; Karamani, R.E.; Fyrigos, I.A. Handling Sudoku puzzles with irregular learning cellular automata. Nat. Comput. 2024, 23, 41–60. [Google Scholar] [CrossRef]
- Li, G.H.Y.; Leefmans, C.R.; Williams, J. Photonic elementary cellular automata for simulation of complex phenomena. Light Sci. Appl. 2023, 12, 132. [Google Scholar] [CrossRef] [PubMed]
- Bandini, S.; Briola, D.; Dennunzio, A. Distance-based affective states in cellular automata pedestrian simulation. Nat. Comput. 2024, 23, 71–83. [Google Scholar] [CrossRef]
- Montalva-Medel, M.; de Oliveira, P.P.B.; Goles, E. A portfolio of classification problems by one-dimensional cellular automata, over cyclic binary configurations and parallel update. Nat. Comput. 2018, 17, 663–671. [Google Scholar] [CrossRef]
















| Rules 1 | 111 | 110 | 101 | 100 | 011 | 010 | 001 | 000 |
|---|---|---|---|---|---|---|---|---|
| 30 | 0 | 0 | 0 | 1 | 1 | 1 | 1 | 0 |
| 90 | 0 | 1 | 0 | 1 | 1 | 0 | 1 | 0 |
| 204 | 1 | 1 | 0 | 0 | 1 | 1 | 0 | 0 |
| 226 | 1 | 1 | 1 | 0 | 0 | 0 | 1 | 0 |
| Left Neighbors of the Central Cell | Top and Bottom Neighbors of the Central Cell | Right Neighbors of the Central Cell |
|---|---|---|
| 64 Shifting of information towards the bottom right. | 128 Shifting of information towards the bottom. | 256 Shifting of information towards the bottom left. |
| 32 Shifting of information towards the right. | 1 1 The densities of 0 s and 1 s remain unchanged, yet no translation occurs. | 2 Shifting of information towards the left. |
| 16 Shifting of information towards the top right. | 8 Shifting of information towards the top. | 4 Shifting of information towards the top left. |
Disclaimer/Publisher’s Note: The statements, opinions and data contained in all publications are solely those of the individual author(s) and contributor(s) and not of MDPI and/or the editor(s). MDPI and/or the editor(s) disclaim responsibility for any injury to people or property resulting from any ideas, methods, instructions or products referred to in the content. |
© 2024 by the author. Licensee MDPI, Basel, Switzerland. This article is an open access article distributed under the terms and conditions of the Creative Commons Attribution (CC BY) license (https://creativecommons.org/licenses/by/4.0/).
Share and Cite
Anghelescu, P. Evolution of Hybrid Cellular Automata for Density Classification Problem. Symmetry 2024, 16, 599. https://doi.org/10.3390/sym16050599
Anghelescu P. Evolution of Hybrid Cellular Automata for Density Classification Problem. Symmetry. 2024; 16(5):599. https://doi.org/10.3390/sym16050599
Chicago/Turabian StyleAnghelescu, Petre. 2024. "Evolution of Hybrid Cellular Automata for Density Classification Problem" Symmetry 16, no. 5: 599. https://doi.org/10.3390/sym16050599
APA StyleAnghelescu, P. (2024). Evolution of Hybrid Cellular Automata for Density Classification Problem. Symmetry, 16(5), 599. https://doi.org/10.3390/sym16050599

