Solving Conformal Mapping Issues in Tunnel Engineering
Abstract
1. Introduction
2. Materials and Methods
2.1. Fundamental Theorems for Conformal Mapping
2.1.1. Existence and Uniqueness Theorem
- Theorem for simply connected domains
- (i)
- is univalent and analytic in D and maps D onto the disk.
- (ii)
- maps , , and into , , and , respectively.
- 2.
- Theorem for doubly connected domains
- 3.
- Theorem for domains with a higher connectivity
2.1.2. Boundary Correspondence Principle
2.1.3. Functional Properties of the Current Mapping Methods Used in Tunnel Engineering
2.2. Inadequacies of Current Mapping Methods in Tunnel Engineering
2.2.1. Inadequacies in Satisfying Bijectivity
2.2.2. Inadequacies in Satisfying Analyticity
2.2.3. Problems of Applied Range
3. Rigorous Conformal Mapping Theory in Complex Analysis Field
3.1. Evolution of the Conformal Mapping Method and Procedure
3.2. Construction and Solving of the Boundary Integral Equation
3.3. Discretization of Piecewise Smooth Boundary
4. Proposed Conformal Mapping Procedure and Application Cases
- Case 1: rectangular tunnel
- Case 2: rectangular tunnels with reinforcement
- Case 3: multiarc tunnel
- Case 4: horseshoe-shaped tunnel
- Case 5: multiple holes in rock masses
- Case 6: twin tunnels with a service tunnel
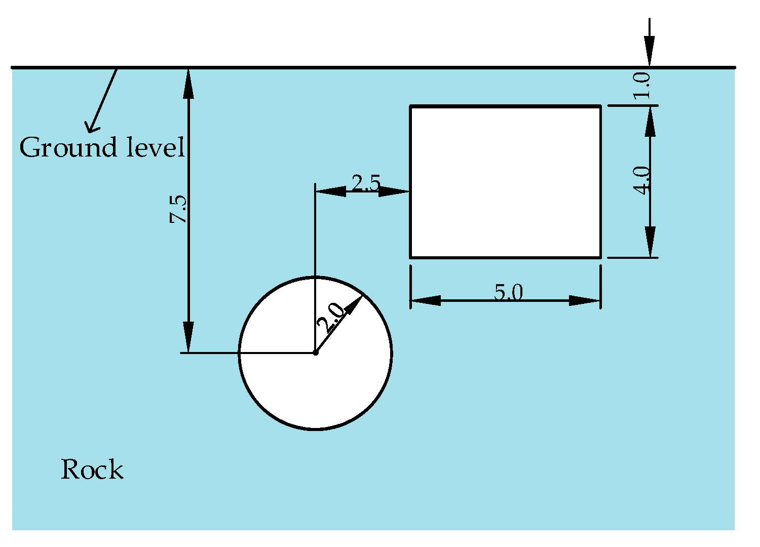
- Case 7: shallow tunnels
5. Discussion and Verification of the Application of the Proposed Procedure
6. Conclusions
Supplementary Materials
Author Contributions
Funding
Data Availability Statement
Acknowledgments
Conflicts of Interest
References
- Muskhelishvili, N.I. Some Basic Problems of the Mathematical Theory of Elasticity; Springer: Dordrecht, The Netherlands, 1977. [Google Scholar] [CrossRef]
- Strack, O.E. Analytic Solutions of Elastic Tunnelling Problems. Ph.D. Thesis, Delft University of Technology, Delft, The Netherlands, 2002. Available online: http://resolver.tudelft.nl/uuid:9f647e91-6496-4ba9-9b5d-63526c845789 (accessed on 1 July 2022).
- Chen, Z.Y. Analytical Method of Rock Mechanics Analysis; China Coal Industry Publishing House: Beijing, China, 1994. [Google Scholar]
- Lu, J.-K. Complex Variable Methods in Plane Elasticity; World Scientific: Singapore, 1995. [Google Scholar] [CrossRef]
- Barber, J.R. Elasticity, 3rd ed.; Springer: Dordrecht, The Netherlands, 2010. [Google Scholar]
- Kantorovich, L.V.; Krylov, V.I. Approximate Methods of Higher Analysis, 3rd ed.; Benster, C.D., Translator; Interscience Publisher: New York, NY, USA, 1958; Available online: http://books.google.com/books/about/Approximate_methods_of_higher_analysis.html?id=TKA8AAAAIAAJ&pgis=1 (accessed on 1 July 2022).
- Melentiev, P. Several New Methods and Devices for Approximate Computations; Nordhoff: Groningen, The Netherlands, 1953. [Google Scholar]
- Setiawan, N.B.; Zimmerman, R.W. A unified methodology for computing the stresses around an arbitrarily-shaped hole in isotropic or anisotropic materials. Int. J. Solids Struct. 2020, 199, 131–143. [Google Scholar] [CrossRef]
- Setiawan, N.B.; Zimmerman, R.W. Semi-analytical Method for Modeling Wellbore Breakout Development. Rock Mech. Rock Eng. 2022, 55, 2987–3000. [Google Scholar] [CrossRef]
- Zhang, D.; Xu, T.; Fang, H.; Fang, Q.; Cao, L.; Wen, M. Analytical modeling of complex contact behavior between rock mass and lining structure. J. Rock Mech. Geotech. Eng. 2021, 14, 813–824. [Google Scholar] [CrossRef]
- Exadaktylos, G.; Liolios, P.; Stavropoulou, M. A semi-analytical elastic stress–displacement solution for notched circular openings in rocks. Int. J. Solids Struct. 2003, 40, 1165–1187. [Google Scholar] [CrossRef]
- Huangfu, P.P.; Wu, F.Q.; Guo, S.F. A new method for calculating mapping function of external area of cavern with arbitrary shape based on searching points on boundary. Rock Soil Mech. 2011, 32, 1418–1424. [Google Scholar] [CrossRef]
- Zhu, J.H.; Yang, J.H.; Shi, G.P.; Wang, J.; Cai, J.P. Calculating method for conformal mapping from exterior of unit circle to exterior of cavern with arbitrary excavation cross-section. Rock Soil Mech. 2014, 35, 175–183. [Google Scholar] [CrossRef]
- Zhou, H.; Liu, H.; Yuan, J. A novel analytical approach for predicting the noncylindrical pile penetration-induced soil displacement in undrained soil by combining use of cavity expansion and strain path methods. Int. J. Numer. Anal. Methods Geomech. 2018, 42, 1270–1305. [Google Scholar] [CrossRef]
- Xu, M.-F.; Wu, S.-C.; Gao, Y.-T.; Ma, J.; Wu, Q.-L. Analytical elastic stress solution and plastic zone estimation for a pressure-relief circular tunnel using complex variable methods. Tunn. Undergr. Space Technol. 2019, 84, 381–398. [Google Scholar] [CrossRef]
- He, K.; Chang, J.; Pang, D.; Sun, B.; Yin, Z.; Li, D. Iterative algorithm for the conformal mapping function from the exterior of a roadway to the interior of a unit circle. Arch. Appl. Mech. 2022, 92, 971–991. [Google Scholar] [CrossRef]
- Bu, W.; Xu, H.; Ji, M. An Analytical Elastic Solution for Right-Angle Trapezoidal Opening in Steeply Inclined Coal Seam. Processes 2022, 10, 110. [Google Scholar] [CrossRef]
- Tan, L.; Ren, T.; Dou, L.; Yang, X.; Qiao, M.; Peng, H. Analytical stress solution and mechanical properties for rock mass containing a hole with complex shape. Theor. Appl. Fract. Mech. 2021, 114, 103002. [Google Scholar] [CrossRef]
- Tan, L.; Wang, G.; Ren, T.; Dou, L.; Yang, X.; Song, S. Stress distribution and mechanical behaviour of rock mass containing two openings underground: Analytical and numerical studies. Geofluids 2021, 2021, 1917443. [Google Scholar] [CrossRef]
- Tong, L.; Zhou, H.; Shen, H.; Liu, H. A Complex variable solution for shallow rectangular tunnel in semi-infinite plane. J. Eng. Mech. 2022, 148, 04022012. [Google Scholar] [CrossRef]
- Lu, A.; Liu, Y.; Cai, H. A reasonable solution to the elastic problem of half-plane. Meccanica 2021, 56, 2169–2182. [Google Scholar] [CrossRef]
- Zhang, Q.; Cheng, K.; Lin, C.; Lou, Y.; Guo, P.; Gan, X. Ground Displacements due to the deformations of shallow tunnels with arbitrary cross sections in soft ground. Adv. Civ. Eng. 2021, 2021, 9916159. [Google Scholar] [CrossRef]
- Lu, A.Z. A New Method of Determintion of the Mapping Function for a Non-circle Tunnel with Full Support. Chin. J. Geotech. Eng. 1995, 17, 269–274. [Google Scholar]
- Lu, A.Z.; Wang, Q.W. New method of determination for the mapping function of tunnel with arbitrary boundary using opti-mization techniques. Chin. J. Rock Mech. Eng. 1995, 14, 269–274. [Google Scholar]
- Lu, A.Z.; Zhang, L.Q. Complex Function Method on Mechanical Analysis of Underground Tunnel; Science Press: Beijing, China, 2007; Available online: https://book.sciencereading.cn/shop/book/Booksimple/show.do?id=BDEB0784367A948FDB66734E9D8B4CE90000 (accessed on 8 August 2022).
- Luqing, Z.; Zhifa, Y.; Aizhong, L. Analytics study on the problem of two holes having arbitrary shapes and arrangements in plane elastostatics. Sci. China Ser. D Earth Sci. 2001, 44, 146–158. [Google Scholar] [CrossRef]
- Qi, C.; Fourie, A.; Chen, Q.; Dong, X. Analytical solution for stress distribution around arbitrary stopes using evolutionary complex variable methods. Int. J. Geomech. 2019, 19, 04019113. [Google Scholar] [CrossRef]
- Li, X.Y.; Liu, G.B. Calculating method for conformal mapping from exterior of cavern with arbitrary excavation cross-section in half-plane to the area between two concentric circles. Chin. J. Rock Mech. Eng. 2018, 37, 3507–3514. [Google Scholar] [CrossRef]
- Wu, H.; Zhao, G.; Liang, W. Investigation of cracking behavior and mechanism of sandstone specimens with a hole under compression. Int. J. Mech. Sci. 2019, 163, 105084. [Google Scholar] [CrossRef]
- Wu, H.; Zhao, G.; Liang, W. Mechanical properties and fracture characteristics of pre-holed rocks subjected to uniaxial loading: A comparative analysis of five hole shapes. Theor. Appl. Fract. Mech. 2019, 105, 102433. [Google Scholar] [CrossRef]
- Tan, L.; Ren, T.; Dou, L.; Yang, X.; Wang, G.; Peng, H. Analytical stress solution and numerical mechanical behavior of rock Mass containing an opening under different confining stress conditions. Mathematics 2021, 9, 2462. [Google Scholar] [CrossRef]
- Ye, Z.K.; Ai, Z.Y. A novel complex variable solution for the stress and displacement fields around a shallow non-circular tunnel. Comput. Geotech. 2023, 164, 105797. [Google Scholar] [CrossRef]
- Lu, A.-Z.; Zhang, N.; Kuang, L. Analytic solutions of stress and displacement for a non-circular tunnel at great depth including support delay. Int. J. Rock Mech. Min. Sci. 2014, 70, 69–81. [Google Scholar] [CrossRef]
- Lu, A.-Z.; Zhang, N.; Qin, Y. Analytical solutions for the stress of a lined non-circular tunnel under full-slip contact conditions. Int. J. Rock Mech. Min. Sci. 2015, 79, 183–192. [Google Scholar] [CrossRef]
- Han, X.; Xia, Y. Analytic Solutions of the Forces and Displacements for Multicentre Circular Arc Tunnels. Math. Probl. Eng. 2018, 2018, 8409129. [Google Scholar] [CrossRef]
- Li, Y.; Chen, S. A complex variable solution for lining stress and deformation in a non-circular deep tunnel II practical application and verification. Math. Comput. Appl. 2018, 23, 43. [Google Scholar] [CrossRef]
- Lu, A.; Wang, S.; Zhang, X.; Zhang, N. Solution of the elasto-plastic interface of circular tunnels in Hoek–Brown media subjected to non-hydrostatic stress. Int. J. Rock Mech. Min. Sci. 2018, 106, 124–132. [Google Scholar] [CrossRef]
- Ma, Y.; Lu, A.; Cai, H. An analytical method for determining the non-enclosed elastoplastic interface of a circular hole. Math. Mech. Solids 2020, 25, 1199–1213. [Google Scholar] [CrossRef]
- Li, Y.S.; Chen, S.G. Analytical solution of frost heaving force in non-circular cold region tunnels. Chin. J. Theor. Appl. Mech. 2020, 52, 196–207. [Google Scholar] [CrossRef]
- Li, Y.S.; Chen, S.G. Analytical solution of stress and deformation of noncircular tunnel considering grouting circle. Zhongguo Gonglu Xuebao/China J. Highw. Transp. 2018, 31, 255. [Google Scholar]
- Zhu, Y.; Li, Y.; Hao, Z.; Luo, L.; Luo, J.; Wang, L. An analytical solution for the frost heaving force and displacement of a noncircular tunnel. Comput. Geotech. 2021, 133, 104022. [Google Scholar] [CrossRef]
- Zeng, X.T.; Lu, A.Z. Analytical stress solution research on an infinte plate contianing two non-circular holes. Lixue Xuebao/Chin. J. Theor. Appl. Mech. 2019, 51, 170–181. [Google Scholar] [CrossRef]
- Wang, H.N.; Jiang, M.J.; Zhao, T.; Zeng, G.S. Viscoelastic solutions for stresses and displacements around non-circular tunnels sequentially excavated at great depths. Acta Geotech. 2019, 14, 111–139. [Google Scholar] [CrossRef]
- Zeng, G.; Wang, H.; Jiang, M. Analytical solutions of noncircular tunnels in viscoelastic semi-infinite ground subjected to surcharge loadings. Appl. Math. Model. 2022, 102, 492–510. [Google Scholar] [CrossRef]
- Zhao, Y.; Zhang, J.; Li, L.; Hu, T.; Zhao, Y. Analytical solution for the temperature field of an elliptical tunnel in cold regions. Cold Reg. Sci. Technol. 2023, 208, 103793. [Google Scholar] [CrossRef]
- Zeng, G.-S.; Cai, H.; Lu, A.-Z. An Analytical Solution for an Arbitrary Cavity in an Elastic Half-Plane. Rock Mech. Rock Eng. 2019, 52, 4509–4526. [Google Scholar] [CrossRef]
- Fang, H.; Zhang, D.; Fang, Q. A semi-analytical method for frictional contact analysis between rock mass and concrete linings. Appl. Math. Model. 2022, 105, 17–28. [Google Scholar] [CrossRef]
- Fang, H.; Zhang, D.; Fang, Q.; Wen, M. A generalized complex variable method for multiple tunnels at great depth considering the interaction between linings and surrounding rock. Comput. Geotech. 2021, 129, 103891. [Google Scholar] [CrossRef]
- Fang, H.C.; Zhang, D.L.; Wen, M. A non-iterative analytical method for mechanical analysis of surrounding rock with arbitrary shape holes. Chin. J. Rock Mech. Eng. 2020, 39, 2204–2212. [Google Scholar] [CrossRef]
- Kargar, A.R.; Haghgouei, H. An analytical solution for time-dependent stress field of lined circular tunnels using complex potential functions in a stepwise procedure. Appl. Math. Model. 2020, 77, 1625–1642. [Google Scholar] [CrossRef]
- Kargar, A.; Rahmannejad, R.; Hajabasi, M. A semi-analytical elastic solution for stress field of lined non-circular tunnels at great depth using complex variable method. Int. J. Solids Struct. 2014, 51, 1475–1482. [Google Scholar] [CrossRef]
- Li, Y.S.; Chen, S.G. Lining and surrounding rock in non-circular tunnel based on complex variable method. Xinan Jiaotong Daxue Xuebao/J. Southwest Jiaotong Univ. 2020, 55, 265–272. [Google Scholar] [CrossRef]
- Yu, Y.; Tang, L.; Ling, X.; Geng, L.; Wei, S.; Zhou, G. Investigation of the soil-lining interaction at a tunnel entrance during freeze-thaw cycling: Model testing and semi-empirical modeling. Tunn. Undergr. Space Technol. 2021, 115, 104028. [Google Scholar] [CrossRef]
- Orloff, J. Complex Variables with Applications: Chapter 11, (2021) 11.1.1-11.1.1. Available online: https://math.libretexts.org/Bookshelves/Analysis/Complex_Variables_with_Applications_(Orloff)/11%3A_Conformal_Transformations/11.01%3A_Geometric_Definition_of_Conformal_Mappings (accessed on 8 August 2022).
- Andrei, B.; Ludmila, B. Complex Analysis; Springer: Singapore, 2021. [Google Scholar] [CrossRef]
- Wen, G.C. Conformal Mappings and Boundary Value Problems; English Translation of Chinese Edition 1984; American Mathematical Society: Providence, RI, USA, 1992. [Google Scholar]
- Ivanov, V.I.; Trubetskov, M.K. Handbook of Conformal Mapping with Computer-Aided Visualization; CRC Press: Boca Raton, FL, USA, 1995. [Google Scholar]
- Zhang, X.; Lu, A.; Song, K.; Wu, G.; Wang, L. Methodology for Determining the Compliance Matrix and Analyzing the Skew Anisotropic Plate with an Arbitrarily Shaped Hole. Adv. Mater. Sci. Eng. 2022, 2022, 5949398. [Google Scholar] [CrossRef]
- Cui, J.B.; Ji, A.Z.; Xiong, G.M. Research on surrounding rock stress distributions for circular tunnels based on the Schwarz-Christoffel Transformation. Appl. Math. Mech. 2019, 40, 1089–1098. [Google Scholar] [CrossRef]
- Xiong, X.; Dai, J.; Xinnian, C.; Ouyang, Y. Complex function solution for deformation and failure mechanism of inclined coal seam roadway. Sci. Rep. 2022, 12, 7147. [Google Scholar] [CrossRef]
- Crowdy, D. The Schwarz–Christoffel mapping to bounded multiply connected polygonal domains. Proc. R. Soc. A Math. Phys. Eng. Sci. 2005, 461, 2653–2678. [Google Scholar] [CrossRef]
- Crowdy, D. Schwarz–Christoffel mappings to unbounded multiply connected polygonal regions. Math. Proc. Camb. Philos. Soc. 2007, 142, 319–339. [Google Scholar] [CrossRef]
- DeLillo, T.K.; Elcrat, A.R.; Pfaltzgraff, J.A. Schwarz–Christoffel Mapping of the Annulus. SIAM Rev. 2001, 43, 469–477. [Google Scholar] [CrossRef]
- Kargar, A.R.; Rahmannejad, R.; Hajabasi, M.A. The stress state around lined non-circular hydraulic tunnels below the water table using complex variable method. Int. J. Rock Mech. Min. Sci. 2015, 78, 207–216. [Google Scholar] [CrossRef]
- Lavrik, V.I.; Savenkov, V.N. A Handbook on Conformal Mappings; Naukova Dumka: Kiev, Ukraine, 1970. [Google Scholar]
- Nehari, Z. Conformal Mapping; Dover Publications, INC.: New York, NY, USA, 1975. [Google Scholar]
- Wegmann, R. Ein Iterationsverfahren zur konformen Abbildung. Numer. Math. 1978, 30, 453–466. [Google Scholar] [CrossRef]
- Wegmann, R. An iterative method for conformal mapping. J. Comput. Appl. Math. 1986, 14, 7–18. [Google Scholar] [CrossRef][Green Version]
- Henrici, P. Applied and Computational Complex Analysis; Wiley: New York, NY, USA, 1986. [Google Scholar]
- Schinzinger, R.; Laura, P.A.A. Conformal Mapping: Methods and Applications; Elsevier: Amsterdam, The Netherlands, 1991. [Google Scholar]
- Kythe, P.K. Computational Conformal Mapping; Birkhäuser: Boston, MA, USA, 1998. [Google Scholar]
- Driscoll, T.A.; Trefethen, L.N. Schwarz-Christoffel Mapping; Cambridge University Press: Cambridge, UK, 2002. [Google Scholar]
- Wegmann, R. Methods for numerical conformal mapping: Dedicated to the memory of Dieter Gaier. In Handbook of Complex Analysis: Geometric Function Theory; Elsevier: Amsterdam, The Netherlands, 2005; Volume 2, pp. 351–477. [Google Scholar] [CrossRef]
- Delillo, T.K.; Elcrat, A.R.; Pfaltzgraff, J.A. Schwarz-Christoffel mapping of multiply connected domains. J. Anal. Math. 2004, 94, 17–47. [Google Scholar] [CrossRef]
- DeLillo, T.K. Schwarz-Christoffel Mapping of Bounded, Multiply Connected Domains. Comput. Methods Funct. Theory 2006, 6, 275–300. [Google Scholar] [CrossRef]
- Crowdy, D. The Schottky-Klein Prime Function on the Schottky Double of Planar Domains. Comput. Methods Funct. Theory 2010, 10, 501–517. [Google Scholar] [CrossRef]
- Crowdy, D. Solving Problems in Multiply Connected Domains, NSF-CBMS Regional Conference Series in Applied Mathematics; SIAM: Philadelphia, PA, USA, 2020. [Google Scholar] [CrossRef]
- Bauer, U.J. Conformal Mappings Onto Simply and Multiply Connected Circular Arc Polygon Domains; Universität Würzburg: Würzburg, German, 2015. [Google Scholar]
- Kythe, P.K. Handbook of Conformal Mappings and Applications; CRC Press: Boca Raton, FL, USA, 2019. [Google Scholar]
- Wegmann, R. Constructive solution of a certain class of Riemann–Hilbert problems on multiply connected circular regions. J. Comput. Appl. Math. 2001, 130, 139–161. [Google Scholar] [CrossRef]
- Wegmann, R.; Murid, A.; Nasser, M. The Riemann–Hilbert problem and the generalized Neumann kernel. J. Comput. Appl. Math. 2005, 182, 388–415. [Google Scholar] [CrossRef]
- Wegmann, R.; Nasser, M.M. The Riemann–Hilbert problem and the generalized Neumann kernel on multiply connected regions. J. Comput. Appl. Math. 2008, 214, 36–57. [Google Scholar] [CrossRef]
- Nasser, M.M.S. A nonlinear integral equation for numerical conformal mapping. Adv. Pure Appl. Math. 2010, 1, 47–63. [Google Scholar] [CrossRef]
- Nasser, M.M.S. Fast solution of boundary integral equations with the generalized Neumann kernel. arXiv 2013, arXiv:1308.5351. [Google Scholar] [CrossRef]
- Nasser, M.M.S. Fast Computation of the Circular Map. Comput. Methods Funct. Theory 2015, 15, 187–223. [Google Scholar] [CrossRef]
- Nasser, M.M.S.; Murid, A.H.M.; Sangawi, A.W.K. Numerical conformal mapping via a boundary integral equation with the adjoint generalized Neumann kernel. arXiv 2013, arXiv:1308.3929. [Google Scholar] [CrossRef]
- Nasser, M.M.S.; Al-Shihri, F.A.A. A Fast Boundary Integral Equation Method for Conformal Mapping of Multiply Connected Regions. SIAM J. Sci. Comput. 2013, 35, A1736–A1760. [Google Scholar] [CrossRef]
- Al-Hatemi, S.A.; Murid, A.H.; Nasser, M.M. Solving a mixed boundary value problem via an integral equation with adjoint generalized Neumann kernel in bounded multiply connected regions. In AIP Conference Proceedings; American Institute of Physics: Johor Bahru, Malaysia, 2013; pp. 508–517. [Google Scholar] [CrossRef]
- Nasser, M.M. Numerical conformal mapping of multiply connected regions onto the fifth category of Koebe’s canonical slit regions. J. Math. Anal. Appl. 2013, 398, 729–743. [Google Scholar] [CrossRef]
- DeLillo, T.K.; Kropf, E.H. Numerical Computation of the Schwarz–Christoffel Transformation for Multiply Connected Domains. SIAM J. Sci. Comput. 2011, 33, 1369–1394. [Google Scholar] [CrossRef][Green Version]
- Yunus, A.A.M.; Murid, A.H.M.; Nasser, M.M.S. Numerical evaluation of conformal mapping and its inverse for unbounded multiply connected regions. Bull. Malays. Math. Sci. Soc. 2014, 37, 1–24. [Google Scholar]
- Luo, W.; Dai, J.; Gu, X.; Yau, S.-T. Numerical conformal mapping of multiply connected domains to regions with circular boundaries. J. Comput. Appl. Math. 2010, 233, 2940–2947. [Google Scholar] [CrossRef]
- Liesen, J.; Sète, O.; Nasser, M.M.S. Fast and Accurate Computation of the Logarithmic Capacity of Compact Sets. Comput. Methods Funct. Theory 2017, 17, 689–713. [Google Scholar] [CrossRef]
- Gopal, A.; Trefethen, L.N. Representation of conformal maps by rational functions. Numer. Math. 2019, 142, 359–382. [Google Scholar] [CrossRef]
- Trefethen, L.N. Numerical Conformal Mapping with Rational Functions. Comput. Methods Funct. Theory 2020, 20, 369–387. [Google Scholar] [CrossRef]
- Trefethen, L.N. SCPACK User’s Guide; Numerical Analysis Report 89-2; MIT Department of Mathematics: Cambridge, MA, USA, 1989. [Google Scholar]
- Trefethen, L.N. Numerical Computation of the Schwarz–Christoffel Transformation. SIAM J. Sci. Stat. Comput. 1980, 1, 82–102. [Google Scholar] [CrossRef]
- Driscoll, T.A. Algorithm 756: A MATLAB toolbox for Schwarz-Christoffel mapping. ACM Trans. Math. Softw. 1996, 22, 168–186. [Google Scholar] [CrossRef]
- Driscoll, T.A. Algorithm 843: Improvements to the Schwarz-Christoffel toolbox for MATLAB. ACM Trans. Math. Softw. 2005, 31, 239–251. [Google Scholar] [CrossRef]
- Driscoll, T.A. Schwarz–Christoffel Toolbox. 2019. Available online: https://github.com/tobydriscoll/sc-toolbox (accessed on 8 August 2022).
- Nasser, M.M. PlgCirMap: A MATLAB toolbox for computing conformal mappings from polygonal multiply connected domains onto circular domains. SoftwareX 2020, 11, 100464. [Google Scholar] [CrossRef]
- Nasser, M.M. Numerical conformal mapping of multiply connected regions onto the second, third and fourth categories of Koebeʼs canonical slit domains. J. Math. Anal. Appl. 2011, 382, 47–56. [Google Scholar] [CrossRef]
- Nasser, M.; Murid, A.; Ismail, M.; Alejaily, E. Boundary integral equations with the generalized Neumann kernel for Laplace’s equation in multiply connected regions. Appl. Math. Comput. 2011, 217, 4710–4727. [Google Scholar] [CrossRef]
- Mayo, A. Rapid methods for the conformal mapping of multiply connected regions. J. Comput. Appl. Math. 1986, 14, 143–153. [Google Scholar] [CrossRef]
- Kress, R. A Nyström method for boundary integral equations in domains with corners. Numer. Math. 1990, 58, 145–161. [Google Scholar] [CrossRef]
- Jeon, Y. A Nyström Method for Boundary Integral Equations on Domains with a Piecewise Smooth Boundary. J. Integral Equations Appl. 1993, 5, 221–242. [Google Scholar] [CrossRef]
- Verruijt, A. A complex variable solution for a deforming circular tunnel in an elastic half-plane. Int. J. Numer. Anal. Methods Geomech. 1997, 21, 77–89. [Google Scholar] [CrossRef]
- Lin, L.-B.; Lu, Y.-P.; Chen, F.-Q.; Li, D.-Y. Analytic study of stress and displacement for shallow twin tunnels subjected to surcharge loads. Appl. Math. Model. 2021, 93, 485–508. [Google Scholar] [CrossRef]
- Guo, Y.; Wang, H.; Jiang, M. Efficient Iterative Analytical Model for Underground Seepage around Multiple Tunnels in Semi-Infinite Saturated Media. J. Eng. Mech. 2021, 147, 04021101. [Google Scholar] [CrossRef]
- Lin, L.-B.; Chen, F.-Q.; Lu, Y.-P.; Li, D.-Y. Complex variable solutions for shallow twin tunnelling in visco-elastic geomaterial considering buoyancy effect and equivalent three-dimensional effects of tunnel faces. Appl. Math. Model. 2021, 91, 149–185. [Google Scholar] [CrossRef]
- Samal, K.P.; Mishra, G.C. Analysis of seepage from a triangular furrow considering soil capillarity using inverse hodograph and conformal mapping technique. ISH J. Hydraul. Eng. 2017, 23, 1–12. [Google Scholar] [CrossRef]
- Wang, L.-Z.; Li, L.-L.; Lv, X.-J. Complex Variable Solutions for Tunneling-Induced Ground Movement. Int. J. Geomech. 2009, 9, 63–72. [Google Scholar] [CrossRef]
- Zeng, G.; Wang, H.; Jiang, M. Analytical study of ground responses induced by the excavation of quasirectangular tunnels at shallow depths. Int. J. Numer. Anal. Methods Geomech. 2019, 43, 2200–2223. [Google Scholar] [CrossRef]
- Zeng, G.S.; Wang, H.N.; Wu, L.; Jiang, M.J. A Generalized Analytical Model for Mechanical Responses of Rock during Multiple-Tunnel Excavation in Viscoelastic Semi-Infinite Ground. Int. J. Geomech. 2021, 21, 04021202. [Google Scholar] [CrossRef]
- Chen, W.B.; Fang, Q.; Zhang, D.L.; Chen, X.H. Mechanical analysis method for deep buried non-circular tunnel considering conformal mapping difference between rock and lining. J. Cent. South Univ. Sci. Technol. 2023, 6, 2349–2359. [Google Scholar] [CrossRef]
- Zhang, Z.; Sun, Y. Analytical solution for a deep tunnel with arbitrary cross section in a transversely isotropic rock mass. Int. J. Rock Mech. Min. Sci. 2011, 48, 1359–1363. [Google Scholar] [CrossRef]
- Wang, H.; Zeng, G.; Jiang, M. Analytical stress and displacement around non-circular tunnels in semi-infinite ground. Appl. Math. Model. 2018, 63, 303–328. [Google Scholar] [CrossRef]
- Lu, D.; Kong, F.; Du, X.; Shen, C.; Gong, Q.; Li, P. A unified displacement function to analytically predict ground deformation of shallow tunnel. Tunn. Undergr. Space Technol. 2019, 88, 129–143. [Google Scholar] [CrossRef]
- Hua, J.; Dai, M. Anti-plane shear of a tunnel in an elastic half-space under surface loading: Analytic algorithm and approximate explicit solution. Discret. Contin. Dyn. Syst. 2022, 73, 42. [Google Scholar] [CrossRef]
- Deng, T.; Wu, L.; Lin, J. Complex Variable Solution for a Tunnel Excavation Problem by Considering Lining Inner Pressure. In Tunneling and Underground Construction; American Society of Civil Engineers: Reston, VA, USA, 2014; pp. 116–124. [Google Scholar] [CrossRef]
- Domaneschi, M.; Casciati, S.; Catbas, N.; Cimellaro, G.P.; Inaudi, D.; Marano, G.C. Structural health monitoring of in-service tunnels. Int. J. Sustain. Mater. Struct. Syst. 2020, 4, 268. [Google Scholar] [CrossRef]
- Rosso, M.M.; Aloisio, A.; Randazzo, V.; Tanzi, L.; Cirrincione, G.; Marano, G.C. Comparative deep learning studies for indirect tunnel monitoring with and without Fourier pre-processing. Integr. Comput. Eng. 2023, 1–20. [Google Scholar] [CrossRef]










































Disclaimer/Publisher’s Note: The statements, opinions and data contained in all publications are solely those of the individual author(s) and contributor(s) and not of MDPI and/or the editor(s). MDPI and/or the editor(s) disclaim responsibility for any injury to people or property resulting from any ideas, methods, instructions or products referred to in the content. |
© 2024 by the authors. Licensee MDPI, Basel, Switzerland. This article is an open access article distributed under the terms and conditions of the Creative Commons Attribution (CC BY) license (https://creativecommons.org/licenses/by/4.0/).
Share and Cite
Chen, W.; Zhang, D.; Fang, Q.; Chen, X.; Yu, L. Solving Conformal Mapping Issues in Tunnel Engineering. Symmetry 2024, 16, 86. https://doi.org/10.3390/sym16010086
Chen W, Zhang D, Fang Q, Chen X, Yu L. Solving Conformal Mapping Issues in Tunnel Engineering. Symmetry. 2024; 16(1):86. https://doi.org/10.3390/sym16010086
Chicago/Turabian StyleChen, Wenbo, Dingli Zhang, Qian Fang, Xuanhao Chen, and Lin Yu. 2024. "Solving Conformal Mapping Issues in Tunnel Engineering" Symmetry 16, no. 1: 86. https://doi.org/10.3390/sym16010086
APA StyleChen, W., Zhang, D., Fang, Q., Chen, X., & Yu, L. (2024). Solving Conformal Mapping Issues in Tunnel Engineering. Symmetry, 16(1), 86. https://doi.org/10.3390/sym16010086

