Algebraic Attacks against Grendel: An Arithmetization-Oriented Primitive with the Legendre Symbol
Abstract
1. Introduction
- Related Works. In [21], the authors proposed the construction of an invertible function using the Legendre symbol, although it was not utilized for cryptographic design. Recently, Grassi et al. [31] re-proposed the use of Legendre symbols for secure multi-party computation (MPC) applications. In the original security analysis of Grendel proposed by the designers in [10], the utilization of S-boxes based on the Legendre symbol was highlighted as a notable advantage. This choice allows a higher algebraic degree to be achieved within a relatively small number of rounds, providing resilience against high-order differential [32,33] and interpolation attacks [34]. Consequently, the focus of the analysis shifted towards the Gröbner basis attack, which presents two distinct approaches for constructing equation systems:- The first approach involves the attacker guessing all the Legendre symbols used in the scheme. Subsequently, they can solve the resulting system of equations and verify the correctness of the guessed symbols based on the obtained solution. The complexity of this attack increases by approximately a factor of 2 for each correctly guessed symbol, considering a probability of accurately guessing of around .
- On the other hand, the second approach avoids guessing the Legendre symbols and instead relies on the introduction of auxiliary variables to facilitate the establishment of the equation system. For more detailed information, please refer to [10].
 
- Our Contribution. In this paper, we further analyze the hash function of Grendel on the basis of [10,22].- We introduce the Constrained Input/Constrained Output (CICO) problem [4] and exploit its solution to obtain preimages of the hash function of Grendel. In this way, we extend the previously proposed technique in [35] and improve the preimage attack by bypassing two additional rounds of the SPN structure. By introducing the CICO problem, our attack is capable of attacking two additional rounds compared to the attack presented in [22], as shown in Table 1.
- Additionally, we employ the CICO problem to formulate a system of multivariate equations for the hash function of Grendel. Through an analysis of intermediate variable introduction and the core intricacies of Gröbner basis attacks, we enhance the understanding of constructing equation systems and executing Gröbner basis attacks.
 
- Organization. Here, we provide a brief overview of the organization of this paper. We present preliminaries in the following section. Section 3 covers the Algebraic Cryptanalysis of the Grendel hash function. In Section 3.3, we discuss our preimage attack on the Grendel hash function, utilizing a construction of a univariate equation system. Section 3.4 delves into the investigation of the Grendel hash function’s security through Gröbner basis attacks. Finally, we conclude the paper in Section 4.
2. Preliminaries
2.1. Notation
- If , then .
- .
- .
2.2. CICO Problem
2.3. Solve the Systems of Algebraic Equations
2.3.1. Solve a System of Univariate Equations
- Compute .The computation of requires field operations with a double-and-add algorithm.
- Compute .H has the same roots as F in , as ; however, its degree is likely much lower. This step [37] requires field operations.
- Factor H.In general, the polynomial H has only a few roots in . Thus, this step is negligible in complexity.
- This root-finding approach using GCD computations is provided in [37], and the final complexity of the algorithm is estimated bywhere is the complexity of multiplying two polynomials with a degree of at most over .
2.3.2. Solve a System of Multivariate Equations
- When launching a Gröbner basis attack, the first step is to construct a set of polynomial equations describing the primitive. After that, a Gröbner basis for the ideal generated by these equations is computed, usually concerning the degrevlex ordering for better efficiency. The algorithm used for the computation of the Gröbner basis could be Buchberger’s algorithm [38], F4 [39], or F5 [40].
- After computing the Gröbner basis for the given system of polynomial equations, the next step is to perform a change of term order to facilitate the computation of the elimination ideals and the elimination of variables. This is typically achieved by going from the degrevlex term order to the lex one using an algorithm such as FGLM [41]. It is worth noting that in many applications, including those in cryptography, the systems of algebraic equations results in zero-dimensional ideals, meaning that they have only finite solutions.
- The final step of a Gröbner basis attack is to solve the univariate equation for the last variable using a polynomial factoring algorithm. This allows the specific value of the last variable to be obtained; this can then be substituted into the remaining equations to obtain the full solution of the system. This step can use the algorithm mentioned above to find the univariate equation system. When the polynomial has been factored, its roots can be easily found, and correspond to the possible values of the last variable. By substituting each root into the remaining equations, it is possible to obtain all possible solutions to the system of equations.
- Cost of Gröbner Basis Computation. For a system of m polynomial equations and n variables, we havewhere , . The complexity of computing a Gröbner basis in degrevlex term order [42] isIn [43], another bound for the complexity of computing the Gröbner basis was provided:where is the linear algebra constant representing the complexity of matrix multiplication and is the degree of regularity. By further comparing these two complexities and computing their ratio, we can observe thatWhen n is small and is large, the complexity calculation of Formula (3) provides a tighter bound. However, the authors of [22] found that when n is small, the complexity of computing the Gröbner basis is asymptotically smaller than the complexity of the FGLM algorithm. Therefore, for small values of n the complexity of the Gröbner basis attack depends on the complexity of the FGLM algorithm. On the other hand, Formula (2) becomes more restrictive when n has a comparatively larger value.
- Cost of FGLM algorithm. When employing the FGLM [41] algorithm, the complexity of converting the degrevlex order to the lex order iswhere n represents the number of variables and denotes the degree of the zero-dimensional ideal.
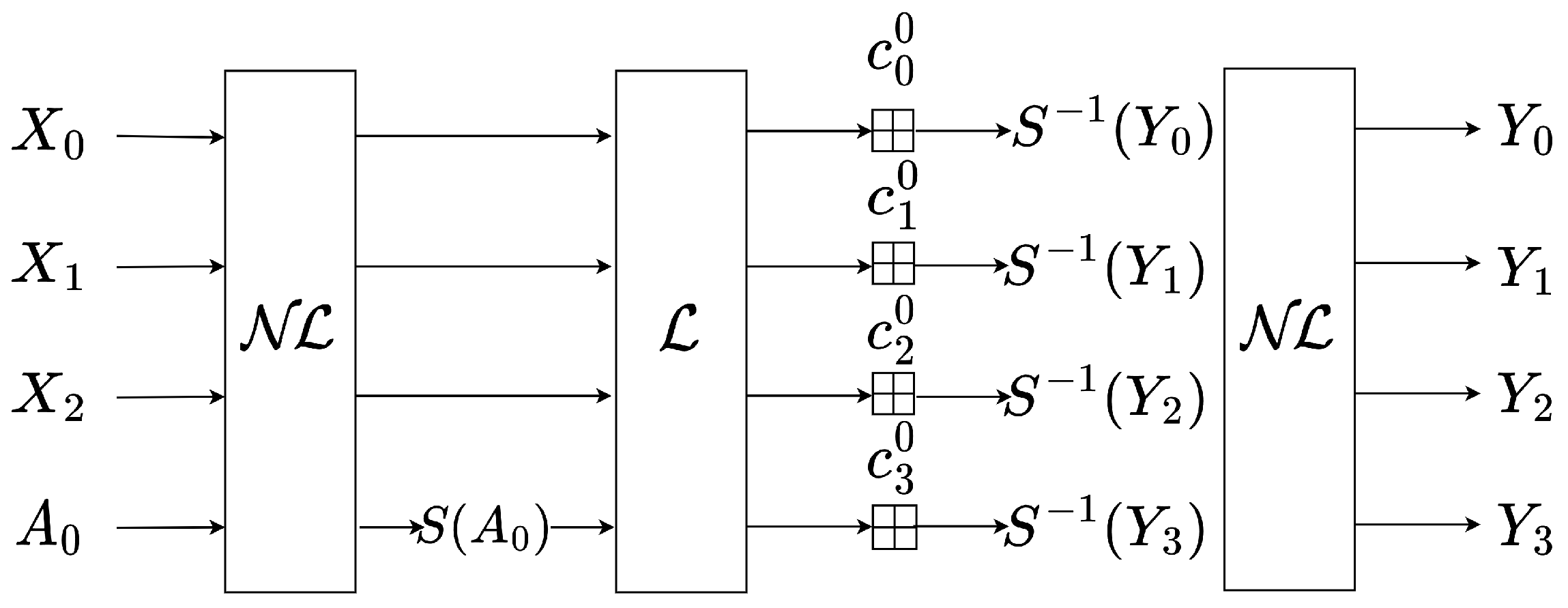
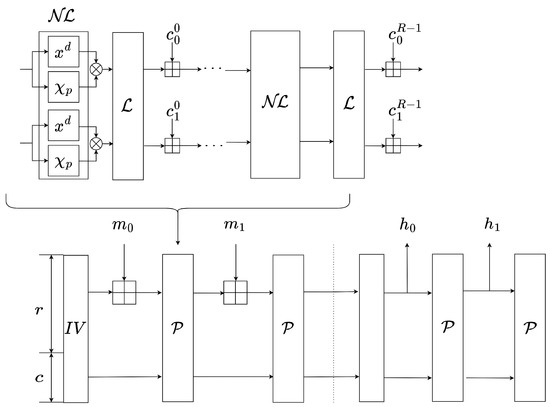
2.4. Description of the Grendel Hash Function
- The Nonlinear Layer: let ; then, consists of independent n identical S-boxes , wherewith being the Legendre symbol. Here, is an integer that satisfies .
- The Linear Layer: is an MDS matrix .
- The Adding Round Constants Step: this involves the utilization of round constants , where and .
- The Grendel round function consists of three parts, and can be described as . The Grendel permutation is iterated over R rounds by , which can be expressed as . The pseudocode describing the Grendel permutation is shown in Algorithm 1.
| Algorithm 1: The Grendel Permutation | 
| Input: ; Output: . 
 | 
- Padding: if the length of the message is already a multiple of r, no padding is necessary; however, if the length is not a multiple of r, we first append to the message, then pad the message with 0 until its length becomes a multiple of r.
- Absorption: the message is divided into blocks of size r. Each block is added to the first r blocks of the state using the addition operation. Afterwards, the entire state is processed by applying the permutation function . Repeat the above operation until all the messages are absorbed.
- Squeezing: in each iteration of the squeezing phase, a block of length r is squeezed out, then the permutation function is applied to the entire state and the squeezed block is extracted. This process is repeated until the squeezing phase is completed.
- collision resistance: such that
- preimage resistance: x, given y such that
- second-preimage resistance: , given such that .
3. Algebraic Cryptanalysis of Grendel Hash Function
3.1. Preimage Attack on Hash Function Grendel in [22]
- Iterating over all possible sets of Legendre symbols. The probability of a Legendre symbol being is approximately , while the probability of it being 0 is . Consequently, the probability that l Legendre symbols are different from zero can be calculated as . For a large number of rounds, if p is approximately , this probability exceeds . In their attack, . In the first round, it is possible to compute Legendre symbols deterministically because there is no linear layer before the initial application of the S-boxes.
- Solving the resulting univariate equation to identify a preimage. The authors focused on the case in which the number of hash output elements is 1. By fixing all Legendre symbols, there is only a single unknown (the input variable) and a single equation of degree at most in the end. The equation system consists of only one univariate equation, and can be solved by applying a root-finding algorithm to this equation.
- Verifying whether the obtained solution is a valid preimage. With the roots discovered, the authors proceeded to verify the validity of the obtained solution. They did this by comparing the computed Legendre symbols to the fixed ones for the given instance. If a inconsistency was found between the computed symbol using their solution and the fixed symbol, they promptly terminated the verification process, indicating an invalid trial. Considering that we only need to compute the first Legendre symbol in each instance with a probability of , the first two symbols with a probability of , etc., we can expect to compute an average of 3 Legendre symbols for each trial before encountering an inconsistency.
3.2. Techniques to Skip SPN Rounds
3.3. Application to Grendel Hash Function
- We first divide the Grendel permutation into two parts, and , as before. The Grendel permutation consists of R rounds. Consider the Grendel hash function with the parameters . The Grendel S-box, denoted as , satisfies Formula (4), which can be easily proven using Proposition 1. Similarly, we set and let be a vector subspace. The Grendel permutation takes an input , where represent the input messages, and produces an output . The initial value IV of Grendel is set to all zeros, and the last c elements of the output are also zeros. Consequently, when passes through it results in . As stated in the previous section, we have , and satisfyThus, for there is only one unknown input variable . The subsequent processing can be carried out in a similar manner as described in [22].
- According to [22], it can be observed that when , the probability of the Legendre symbol being is greater than . Therefore, we only consider guessing . Based on the previous step, has an input with only one unknown variable . The has rounds; we must guess the number of Legendre symbols, which is provided by . Because the Legendre symbol of only needs to be guessed in the first round of , while the other values are constant, the Legendre symbol is known. Consequently, there are at most distinct sets of Legendre symbols to guess until the correct set of Legendre symbols is found.
- After fixing the Legendre symbols, we can construct a polynomial with as an unknown variable. The polynomial equation, as defined in Formula (11), has a degree of . To determine the specific value of we can employ the root-finding algorithm in Section 2.3.1. The complexity of the root-finding algorithm is
- Upon obtaining the value of , we need to verify its validity. This requires checking the correctness of each guessed Legendre symbol. According to [22], for each set of guessed Legendre symbols we only need to verify three of them to exclude an invalid set. The complexity of computing a Legendre symbol [46] is evaluated as for ; therefore, the complexity of this step is .
- Upon obtaining a valid according to the CICO definition, we can always deduce such that they are mapped to the vector subspace through the Grendel permutation. The overall computational complexity of this attack, denoted as T, is represented byTherefore, this particular instance is vulnerable to attack if . As summarized in Table 1, for a security level of it can be observed that under different parameter settings we are able to perform two additional attacking rounds compared to the previous work [22]. However, our advances do not exceed the newly established security margin in [22].
3.4. The Gröbner Basis Attacks for the Grendel Hash Function
- Without Intermediate Variables. Let and be the input and output of the permutation. No additional intermediate variables, such as , are introduced. We can build an equation system with c variables and c equations:We obtain a system of equations with c equations and c variables, where each equation has a degree of . It is evident that the degrees of the equations is much larger than the number of variables. Therefore, Formula (3) is used to calculate the complexity of the Gröbner basis algorithm. Specifically, when setting , we can compare the computational complexities of the Gröbner basis and FGLM algorithms. For a system of c equations in which each equation has a degree of , we can compute the upper bound on the regularity degree of the equation system and the zero-dimensional ideal as follows:Computing the Gröbner basis with respect to the grevlex term order using Formula (3) exhibits asymptotic complexity:Then, applying a fast variant of the FGLM algorithm to perform the change of term order exhibits asymptotic complexity:By evaluating and for , we find thatBased on this, it is clear that is larger than , implying that the FGLM algorithm becomes the bottleneck in the computation of Gröbner bases. As shown in Table 3 for and , by setting , we can evaluate the number of rounds that can be susceptible to Gröbner basis attacks with varying computational complexities. Our practical tests regarding the actual degrees reached in the computation are given in Figure 3.
- Intermediate Variables. Using the input and output of the Grendel permutation directly may be infeasible due to the high degree and dense nature of the polynomials involved. To overcome this challenge, one possible strategy is to introduce intermediate variables. This approach reduces the degrees in the equation system, thereby reducing the number of monomials, although it introduces additional variables. In each round of Grendel permutation, we introduce new variables to prevent an increase in degrees (Figure 4). Let and represent the input and output of the nonlinear layer in the first round, respectively. The relationship between and can be expressed through r equations of degree d and c equations of degree 1. Specifically, , in accordance with the definition of the S-box (excluding the consideration of the Legendre symbol, as it is determined based on the conjecture); consequently, we add n variables in each round. Then, we simply use the output values to construct the system of equations except for the last one, meaning that we have variables and the same number of equations. Among these equations, there are equations with a degree of d and r equations with a degree of 1.
4. Conclusions
- Further Discussion. It is worthwhile to investigate the potential of merging various algebraic methods for the analysis of arithmetization-oriented cryptographic primitives in the future. Similar to the algebraic techniques used in this study, we introduce the CICO problem and employ specific strategies to bypass one round of the cryptographic algorithm, enabling further equation construction or utilization of alternative techniques to build equation systems. This study has focused solely on the analysis of permutation in SPN structures; however, in the future it may be possible to extend this method to Feistel structures.
Author Contributions
Funding
Data Availability Statement
Acknowledgments
Conflicts of Interest
References
- Albrecht, M.R.; Grassi, L.; Rechberger, C.; Roy, A.; Tiessen, T. MiMC: Efficient Encryption and Cryptographic Hashing with Minimal Multiplicative Complexity. In Advances in Cryptology—ASIACRYPT 2016, Proceedings of the 22nd International Conference on the Theory and Application of Cryptology and Information Security, Hanoi, Vietnam, 4–8 December 2016, Proceedings, Part I; Cheon, J.H., Takagi, T., Eds.; Lecture Notes in Computer Science; Springer: Berlin/Heidelberg, Germany, 2016; Volume 10031, pp. 191–219. [Google Scholar] [CrossRef]
- Albrecht, M.R.; Grassi, L.; Perrin, L.; Ramacher, S.; Rechberger, C.; Rotaru, D.; Roy, A.; Schofnegger, M. Feistel Structures for MPC, and More. In Computer Security—ESORICS 2019, Proceedings of the 24th European Symposium on Research in Computer Security, Luxembourg, 23–27 September 2019, Proceedings, Part II; Sako, K., Schneider, S.A., Ryan, P.Y.A., Eds.; Lecture Notes in Computer Science; Springer: Berlin/Heidelberg, Germany, 2019; Volume 11736, pp. 151–171. [Google Scholar] [CrossRef]
- Grassi, L.; Lüftenegger, R.; Rechberger, C.; Rotaru, D.; Schofnegger, M. On a Generalization of Substitution-Permutation Networks: The HADES Design Strategy. In Advances in Cryptology—EUROCRYPT 2020, Proceedings of the 39th Annual International Conference on the Theory and Applications of Cryptographic Techniques, Zagreb, Croatia, 10–14 May 2020, Proceedings, Part II; Canteaut, A., Ishai, Y., Eds.; Lecture Notes in Computer Science; Springer: Berlin/Heidelberg, Germany, 2020; Volume 12106, pp. 674–704. [Google Scholar] [CrossRef]
- Grassi, L.; Khovratovich, D.; Rechberger, C.; Roy, A.; Schofnegger, M. Poseidon: A New Hash Function for Zero-Knowledge Proof Systems. In USENIX Security 2021, Proceedings of the 30th USENIX Security Symposium, 11–13 August 2021; Bailey, M., Greenstadt, R., Eds.; USENIX Association; Springer: Berlin/Heidelberg, Germany, 2021; pp. 519–535. [Google Scholar]
- Ha, J.; Kim, S.; Choi, W.; Lee, J.; Moon, D.; Yoon, H.; Cho, J. Masta: An HE-Friendly Cipher Using Modular Arithmetic. IEEE Access 2020, 8, 194741–194751. [Google Scholar] [CrossRef]
- Dobraunig, C.; Grassi, L.; Helminger, L.; Rechberger, C.; Schofnegger, M.; Walch, R. Pasta: A Case for Hybrid Homomorphic Encryption. Iacr Trans. Cryptogr. Hardw. Embed. Syst. 2023, 2023, 30–73. [Google Scholar] [CrossRef]
- Dobraunig, C.; Grassi, L.; Guinet, A.; Kuijsters, D. Ciminion: Symmetric Encryption Based on Toffoli-Gates over Large Finite Fields. In Advances in Cryptology—EUROCRYPT 2021, Proceedings of the 40th Annual International Conference on the Theory and Applications of Cryptographic Techniques, Zagreb, Croatia, 17–21 October 2021, Proceedings, Part II; Canteaut, A., Standaert, F., Eds.; Lecture Notes in Computer Science; Springer: Berlin/Heidelberg, Germany, 2021; Volume 12697, pp. 3–34. [Google Scholar] [CrossRef]
- Ashur, T.; Mahzoun, M.; Toprakhisar, D. Chaghri—A FHE-friendly Block Cipher. In CCS 2022, Proceedings of the 2022 ACM SIGSAC Conference on Computer and Communications Security, Los Angeles, CA, USA, 7–11 November 2022; Yin, H., Stavrou, A., Cremers, C., Shi, E., Eds.; ACM: New York, NY, USA, 2022; pp. 139–150. [Google Scholar] [CrossRef]
- Grassi, L.; Onofri, S.; Pedicini, M.; Sozzi, L. Invertible Quadratic Non-Linear Layers for MPC-/FHE-/ZK-Friendly Schemes over Fnp Application to Poseidon. IACR Trans. Symmetric Cryptol. 2022, 2022, 20–72. [Google Scholar] [CrossRef]
- Szepieniec, A. On the Use of the Legendre Symbol in Symmetric Cipher Design. Paper 2021/984. Cryptol. ePrint Arch. 2021. Available online: https://eprint.iacr.org/2021/984 (accessed on 17 June 2023).
- Damgård, I. On the Randomness of Legendre and Jacobi Sequences. In Advances in Cryptology—CRYPTO 1988, Proceedings of the 8th Annual International Cryptology Conference, Santa Barbara, CA, USA, 21–25 August 1988, Proceedings; Goldwasser, S., Ed.; Lecture Notes in Computer Science; Springer: Berlin/Heidelberg, Germany, 1988; Volume 403, pp. 163–172. [Google Scholar] [CrossRef]
- Peralta, R. On the Distribution of Quadratic Residues and Nonresidues Modulo a Prime Number. Math. Comput. 1992, 58, 433–440. [Google Scholar] [CrossRef]
- Mauduit, C.; Sárközy, A. On finite pseudorandom binary sequences I: Measure of pseudorandomness, the Legendre symbol. Acta Arith. 1997, 82, 365–377. [Google Scholar] [CrossRef]
- Maksymovych, V.; Shabatura, M.; Harasymchuk, O.; Shevchuk, R.; Sawicki, P.; Zajac, T. Combined Pseudo-Random Sequence Generator for Cybersecurity. Sensors 2022, 22, 9700. [Google Scholar] [CrossRef] [PubMed]
- Tóth, V. Collision and avalanche effect in families of pseudorandom binary sequences. Period. Math. Hung. 2007, 55, 185–196. [Google Scholar] [CrossRef]
- Gyarmati, K.; Mauduit, C.; Sárközy, A. The cross-correlation measure for families of binary sequences. In Applied Algebra and Number Theory; Larcher, G., Pillichshammer, F., Winterhof, A., Xing, C., Eds.; Number Theory; Cambridge University Press: Cambridge, UK, 2014; pp. 126–143. [Google Scholar] [CrossRef]
- Khovratovich, D. Key Recovery Attacks on the Legendre PRFs within the Birthday Bound. Paper 2019/862. Cryptol. ePrint Arch. 2019. Available online: https://eprint.iacr.org/2019/862 (accessed on 17 June 2023).
- Beullens, W.; Beyne, T.; Udovenko, A.; Vitto, G. Cryptanalysis of the Legendre PRF and Generalizations. IACR Trans. Symmetric Cryptol. 2020, 2020, 313–330. [Google Scholar] [CrossRef]
- Kaluđerović, N.; Kleinjung, T.; Kostić, D. Cryptanalysis of the generalised Legendre pseudorandom function. Open Book Ser. 2020, 4, 267–282. [Google Scholar] [CrossRef]
- Seres, I.A.; Horváth, M.; Burcsi, P. The Legendre Pseudorandom Function as a Multivariate Quadratic Cryptosystem: Security and Applications. Paper 2021/182. Cryptol. ePrint Arch. 2021. Available online: https://eprint.iacr.org/2021/182 (accessed on 17 June 2023).
- Shallue, C.J. Permutation polynomials of finite fields. arXiv 2012, arXiv:1211.6044. [Google Scholar]
- Grassi, L.; Khovratovich, D.; Rønjom, S.; Schofnegger, M. The Legendre Symbol and the Modulo-2 Operator in Symmetric Schemes over Fnp Preimage Attack on Full Grendel. IACR Trans. Symmetric Cryptol. 2022, 2022, 5–37. [Google Scholar] [CrossRef]
- Biham, E.; Shamir, A. Differential Cryptanalysis of DES-like Cryptosystems. In Advances in Cryptology—CRYPTO 1990, Proceedings of the 10th Annual International Cryptology Conference, Santa Barbara, CA, USA, 11–15 August 1990, Proceedings; Menezes, A., Vanstone, S.A., Eds.; Lecture Notes in Computer Science; Springer: Berlin/Heidelberg, Germany, 1990; Volume 537, pp. 2–21. [Google Scholar] [CrossRef]
- Matsui, M. Linear Cryptanalysis Method for DES Cipher. In Advances in Cryptology—EUROCRYPT 1993, Proceedings of the Workshop on the Theory and Application of of Cryptographic Techniques, Lofthus, Norway, 23–27 May 1993, Proceedings; Helleseth, T., Ed.; Lecture Notes in Computer Science; Springer: Berlin/Heidelberg, Germany, 1993; Volume 765, pp. 386–397. [Google Scholar] [CrossRef]
- Ashur, T.; Dhooghe, S. MARVELlous: A STARK-Friendly Family of Cryptographic Primitives. Paper 2018/1098. Cryptol. ePrint Arch. 2018. Available online: https://eprint.iacr.org/2018/1098 (accessed on 17 June 2023).
- Beyne, T.; Canteaut, A.; Dinur, I.; Eichlseder, M.; Leander, G.; Leurent, G.; Naya-Plasencia, M.; Perrin, L.; Sasaki, Y.; Todo, Y.; et al. Out of Oddity - New Cryptanalytic Techniques Against Symmetric Primitives Optimized for Integrity Proof Systems. In Advances in Cryptology—CRYPTO 2020, Proceedings of the 40th Annual International Cryptology Conference, CRYPTO 2020, Santa Barbara, CA, USA, 17–21 August 2020, Proceedings, Part III; Micciancio, D., Ristenpart, T., Eds.; Lecture Notes in Computer Science; Springer: Berlin/Heidelberg, Germany, 2020; Volume 12172, pp. 299–328. [Google Scholar] [CrossRef]
- Eichlseder, M.; Grassi, L.; Lüftenegger, R.; Øygarden, M.; Rechberger, C.; Schofnegger, M.; Wang, Q. An Algebraic Attack on Ciphers with Low-Degree Round Functions: Application to Full MiMC. In Advances in Cryptology—ASIACRYPT 2020, Proceedings of the 26th International Conference on the Theory and Application of Cryptology and Information Security, Daejeon, Republic of Korea, 7–11 December 2020, Proceedings, Part I; Moriai, S., Wang, H., Eds.; Lecture Notes in Computer Science; Springer: Berlin/Heidelberg, Germany, 2020; Volume 12491, pp. 477–506. [Google Scholar] [CrossRef]
- Bouvier, C.; Canteaut, A.; Perrin, L. On the algebraic degree of iterated power functions. Des. Codes Cryptogr. 2023, 91, 997–1033. [Google Scholar] [CrossRef]
- Cui, J.; Hu, K.; Wang, M.; Wei, P. On the Field-Based Division Property: Applications to MiMC, Feistel MiMC and GMiMC. In Advances in Cryptology—ASIACRYPT 2022, Proceedings of the 28th International Conference on the Theory and Application of Cryptology and Information Security, Taipei, Taiwan, 5–9 December 2022, Proceedings, Part III; Agrawal, S., Lin, D., Eds.; Lecture Notes in Computer Science; Springer: Berlin/Heidelberg, Germany, 2022; Volume 13793, pp. 241–270. [Google Scholar] [CrossRef]
- Liu, F.; Anand, R.; Wang, L.; Meier, W.; Isobe, T. Coefficient Grouping: Breaking Chaghri and More. In Advances in Cryptology—EUROCRYPT 2023, Proceedings of the 42nd Annual International Conference on the Theory and Applications of Cryptographic Techniques, Lyon, France, 23–27 April 2023, Proceedings, Part IV; Hazay, C., Stam, M., Eds.; Lecture Notes in Computer Science; Springer: Berlin/Heidelberg, Germany, 2023; Volume 14007, pp. 287–317. [Google Scholar] [CrossRef]
- Grassi, L.; Rechberger, C.; Rotaru, D.; Scholl, P.; Smart, N.P. MPC-Friendly Symmetric Key Primitives. In Proceedings of the 2016 ACM SIGSAC Conference on Computer and Communications Security, Vienna, Austria, 24–28 October 2016; Weippl, E.R., Katzenbeisser, S., Kruegel, C., Myers, A.C., Halevi, S., Eds.; ACM: New York, NY, USA, 2016; pp. 430–443. [Google Scholar] [CrossRef]
- Lai, X. Higher order derivatives and differential cryptanalysis. In Communications and Cryptography: Two Sides of One Tapestry; Springer: Berlin/Heidelberg, Germany, 1994; pp. 227–233. [Google Scholar]
- Knudsen, L.R. Truncated and Higher Order Differentials. In Proceedings of the Fast Software Encryption: Second International Workshop, Leuven, Belgium, 14–16 December 1994, Proceedings; Preneel, B., Ed.; Lecture Notes in Computer Science; Springer: Berlin/Heidelberg, Germany, 1994; Volume 1008, pp. 196–211. [Google Scholar] [CrossRef]
- Jakobsen, T.; Knudsen, L.R. The Interpolation Attack on Block Ciphers. In FSE ’97, Proceedings of the Fast Software Encryption, 4th International Workshop, Haifa, Israel, 20–22 January 1997, Proceedings; Biham, E., Ed.; Lecture Notes in Computer Science; Springer: Berlin/Heidelberg, Germany, 1997; Volume 1267, pp. 28–40. [Google Scholar] [CrossRef]
- Bariant, A.; Bouvier, C.; Leurent, G.; Perrin, L. Algebraic Attacks against Some Arithmetization-Oriented Primitives. IACR Trans. Symmetric Cryptol. 2022, 2022, 73–101. [Google Scholar] [CrossRef]
- Nagell, T. Euler’s Criterion and Legendre’s Symbol. In Introduction to Number Theory; Wiley: Hoboken, NJ, USA, 1951; p. 144. [Google Scholar]
- von zur Gathen, J.; Gerhard, J. Modern Computer Algebra, 3rd ed.; Cambridge University Press: Cambridge, UK, 2013. [Google Scholar]
- Buchberger, B. A theoretical basis for the reduction of polynomials to canonical forms. SIGSAM Bull. 1976, 10, 19–29. [Google Scholar] [CrossRef]
- Faugere, J.C. A new efficient algorithm for computing Gröbner bases (F4). J. Pure Appl. Algebra 1999, 139, 61–88. [Google Scholar] [CrossRef]
- Faugere, J.C. A new efficient algorithm for computing Gröbner bases without reduction to zero (F 5). In Proceedings of the 2002 International Symposium on Symbolic and Algebraic Computation, Lille, France, 7–10 July 2002; pp. 75–83. [Google Scholar]
- Faugère, J.; Gianni, P.M.; Lazard, D.; Mora, T. Efficient Computation of Zero-Dimensional Gröbner Bases by Change of Ordering. J. Symb. Comput. 1993, 16, 329–344. [Google Scholar] [CrossRef]
- Bettale, L.; Faugère, J.; Perret, L. Solving polynomial systems over finite fields: Improved analysis of the hybrid approach. In ISSAC’12, Proceedings of the International Symposium on Symbolic and Algebraic Computation, Grenoble, France, 22–25 July 2012; van der Hoeven, J., van Hoeij, M., Eds.; ACM: New York, NY, USA, 2012; pp. 67–74. [Google Scholar] [CrossRef]
- Bardet, M.; Faugère, J.; Salvy, B. On the complexity of the F5 Gröbner basis algorithm. J. Symb. Comput. 2015, 70, 49–70. [Google Scholar] [CrossRef]
- Bertoni, G.; Daemen, J.; Peeters, M.; Van Assche, G. Sponge functions. In Proceedings of the ECRYPT Hash Workshop, Barcelona, Spain, 24–25 May 2007; Volume 2007. [Google Scholar]
- Bertoni, G.; Daemen, J.; Peeters, M.; Assche, G.V. On the Indifferentiability of the Sponge Construction. In Advances in Cryptology—EUROCRYPT 2008, Proceedings of the 27th Annual International Conference on the Theory and Applications of Cryptographic Techniques, Istanbul, Turkey, 13–17 April 2008, Proceedings; Smart, N.P., Ed.; Lecture Notes in Computer Science; Springer: Berlin/Heidelberg, Germany, 2008; Volume 4965, pp. 181–197. [Google Scholar] [CrossRef]
- Brent, R.P.; Zimmermann, P. An O(M(n) logn) Algorithm for the Jacobi Symbol. In Algorithmic Number Theory, Proceedings of the 9th International Symposium, ANTS-IX, Nancy, France, 19–23 July 2010, Proceedings; Hanrot, G., Morain, F., Thomé, E., Eds.; Lecture Notes in Computer Science; Springer: Berlin/Heidelberg, Germany, 2010; Volume 6197, pp. 83–95. [Google Scholar] [CrossRef]





| Instance | Attacked Rounds in [10] | Attacked Rounds in [22] | Our Result | 
|---|---|---|---|
| (2, 3) | 28 | 25 | 27 | 
| (2, 4) | 21 | 20 | 22 | 
| (2, 8) | 11 | 12 | 14 | 
| (2, 12) | 7 | 8 | 10 | 
| (3, 3) | 22 | 22 | 24 | 
| (3, 4) | 16 | 18 | 20 | 
| (3, 8) | 8 | 11 | 13 | 
| (3, 12) | 6 | 8 | 10 | 
| (5, 3) | 16 | 19 | 21 | 
| (5, 4) | 12 | 16 | 18 | 
| (5, 8) | 6 | 10 | 12 | 
| (5, 12) | 4 | 7 | 9 | 
| Abbreviation | Explanation | 
|---|---|
| Finite field with p elements | |
| Vector space with n elements over | |
| Zero vector in of length u | |
| Vector in | |
| i-th component of vector | |
| Vector subspace of spanned by | 
| Instance | Attacked Rounds with | Attacked Rounds with | 
|---|---|---|
| (2, 4) | 16 | 21 | 
| (2, 8) | 8 | 10 | 
| (2, 12) | 5 | 7 | 
| (3, 4) | 12 | 17 | 
| (3, 8) | 6 | 8 | 
| (3, 12) | 4 | 5 | 
| (5, 4) | 9 | 14 | 
| (5, 8) | 4 | 7 | 
| (5, 12) | 3 | 4 | 
| Disclaimer/Publisher’s Note: The statements, opinions and data contained in all publications are solely those of the individual author(s) and contributor(s) and not of MDPI and/or the editor(s). MDPI and/or the editor(s) disclaim responsibility for any injury to people or property resulting from any ideas, methods, instructions or products referred to in the content. | 
© 2023 by the authors. Licensee MDPI, Basel, Switzerland. This article is an open access article distributed under the terms and conditions of the Creative Commons Attribution (CC BY) license (https://creativecommons.org/licenses/by/4.0/).
Share and Cite
Ni, J.; Zhang, J.; Wang, G.; Li, R.; Shen, Y. Algebraic Attacks against Grendel: An Arithmetization-Oriented Primitive with the Legendre Symbol. Symmetry 2023, 15, 1563. https://doi.org/10.3390/sym15081563
Ni J, Zhang J, Wang G, Li R, Shen Y. Algebraic Attacks against Grendel: An Arithmetization-Oriented Primitive with the Legendre Symbol. Symmetry. 2023; 15(8):1563. https://doi.org/10.3390/sym15081563
Chicago/Turabian StyleNi, Jianqiang, Jianhui Zhang, Gaoli Wang, Rui Li, and Yanzhao Shen. 2023. "Algebraic Attacks against Grendel: An Arithmetization-Oriented Primitive with the Legendre Symbol" Symmetry 15, no. 8: 1563. https://doi.org/10.3390/sym15081563
APA StyleNi, J., Zhang, J., Wang, G., Li, R., & Shen, Y. (2023). Algebraic Attacks against Grendel: An Arithmetization-Oriented Primitive with the Legendre Symbol. Symmetry, 15(8), 1563. https://doi.org/10.3390/sym15081563
 
        


 
       