Grey Wolf Optimization and Fed Fast Terminal Sliding Mode Controllers Based on Interleaved Boost Converters for Symmetric PV Systems under Asymmetric Partial Shading
Abstract
1. Introduction
- A comparative analysis using MPPT algorithms with the P&O, GA, PSO, GWO, and GWO-FTSM algorithms
- A comparative analysis carried out to validate the proficiency of PV systems in two separate cases
2. Proposed System Modeling
2.1. PV Modeling
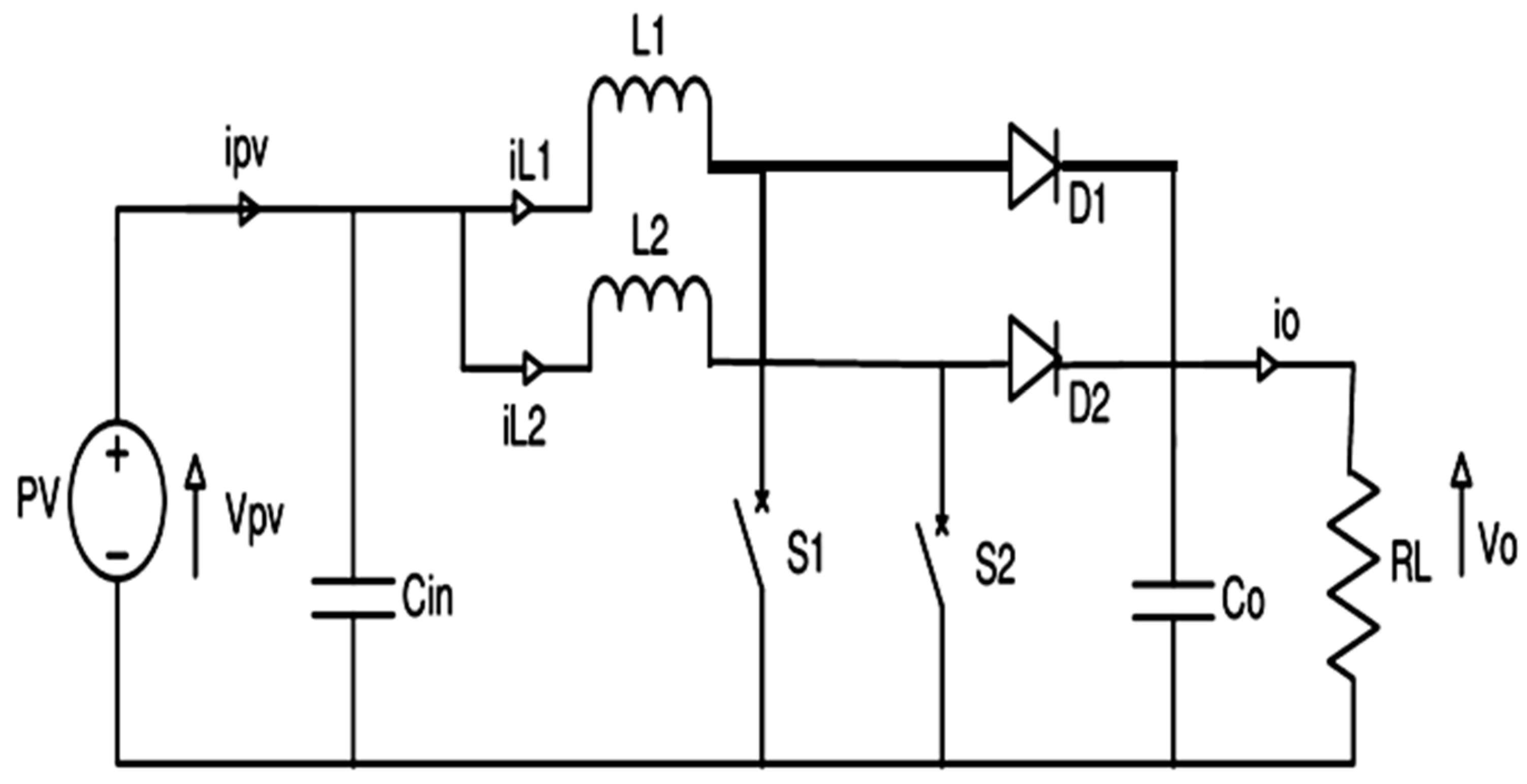
2.2. Interleaved Boost Converter
3. Fast Terminal Sliding Mode Algorithm
3.1. PSO MPPT Algorithm
3.2. GWO MPPT Algorithm
3.3. Perturb and ObserveAlgorithm
3.4. Proposed System
4. Simulation Results and Discussion
4.1. Case 1
4.2. Case 2
5. Experimental Results and Discussions
6. Conclusions
Author Contributions
Funding
Institutional Review Board Statement
Informed Consent Statement
Data Availability Statement
Conflicts of Interest
Appendix A
References
- Xu, M.; Ruan, X.B.; Liu, F.X.; Yang, D.S. Energy Management for hybrid photovoltaic-fuel cell power system. Trans. China Electrotech. Soc. 2010, 25, 166–175. [Google Scholar]
- Zhou, H.H.; Bhattacharya, T.; Duong, T.; Siew, T.S.T.; Khambadkone, A.M. Composite Energy Storage System Involving Battery and Ultracapacitor with Dynamic Energy Management in Microgrid Applications. IEEE Trans. Power Electron. 2011, 26, 923–930. [Google Scholar] [CrossRef]
- Liao, Z.L.; Xu, Y.J.; Shi, W.D. Wind-Photovoltaic Hybrid Double-Input Buck-Boost DC/DC Converter. IEEE Trans. Ind. Electron. 2014, 51, 63–66. [Google Scholar]
- Umuhoza, J.; Zhang, Y.Z.; Zhao, S.; Mantooth, H.A. An adaptive control strategy for power balance and the intermittency mitigation in battery-PV energy system at residential DC microgrid level. In Proceedings of the 2017 IEEE Applied Power Electronics Conference and Exposition (APEC), Tampa, FL, USA, 26–30 March 2017. [Google Scholar]
- Das, S.; Akella, A.K. A control strategy for power management of an isolated micro hydro-pv-battery hybrid energy system. In Proceedings of the ICEES, Chennai, India, 7–9 February 2018. [Google Scholar]
- Xu, Q.; Hu, X.; Wang, P. A Decentralized Dynamic Power Sharing Strategy for Hybrid Energy Storage System in Autonomous DC Microgrid. IEEE Trans. Ind. Electron. 2017, 64, 5930–5941. [Google Scholar] [CrossRef]
- Jia, Y.H.; Liu, T.; Wu, H.F. A SiC-based dual-input buck-boost converter with independent MPPT for photovoltaic power systems. In Proceedings of the IECON, Washington, DC, USA, 21–23 October 2018. [Google Scholar]
- Patel, H.; Gupta, M.; Bohre, A.K. Mathematical modeling and performance analysis of MPPT based solar PV system. In Proceedings of the 2016 International Conference on Electrical Power and Energy Systems (ICEPES), Bhopal, India, 14–16 December 2016. [Google Scholar]
- Anounce, K.; Bouya, M.; Ghazouani, M. Hybrid renewable energy system to maximize the electrical power production. In Proceedings of the IRSEC, Marrakech, Morocco, 14–17 November 2016. [Google Scholar]
- Bayat, P.; Baghramian, A. Analysis and Control of a New Dual-input Impedance-based DC–DC Converter for Hybrid PV-FC Systems. Adv. Electr. Comput. Eng. 2019, 19, 47–56. [Google Scholar] [CrossRef]
- Venmathi, M.; Ramaprabha, R. Investigation on Fuzzy Logic Based Centralized Control in Four-Port SEPIC/ZETA Bidirectional Converter for Photovoltaic Applications. Adv. Electr. Comput. Eng. 2016, 16, 53–60. [Google Scholar] [CrossRef]
- Rezk, H.; Aly, M.; Al-Dhaifallah, M.; Shoyama, M. Design and Hardware Implementation of New Adaptive Fuzzy Logic-Based MPPT Control Method for Photovoltaic Applications. IEEE Access 2019, 7, 106427–106438. [Google Scholar] [CrossRef]
- Ali, M.N.; Mahmoud, K.; Lehtonen, M.; Darwish, M.M. An Efficient Fuzzy-Logic Based Variable-Step Incremental Conductance MPPT Method for Grid-Connected PV Systems. IEEE Access 2021, 9, 26420–26430. [Google Scholar] [CrossRef]
- Priyadarshi, N.; Padmanaban, S.; Holm-Nielsen, J.B.; Blaabjerg, F.; Bhaskar, M.S. An Experimental Estimation of Hybrid ANFIS–PSO-Based MPPT for PV Grid Integration Under Fluctuating Sun Irradiance. IEEE Syst. J. 2020, 14, 1218–1229. [Google Scholar] [CrossRef]
- Al Nabulsi, A.; Dhaouadi, R. Efficiency Optimization of a DSP-Based Standalone PV System Using Fuzzy Logic and Dual-MPPT Control. IEEE Trans. Ind. Inform. 2012, 8, 573–584. [Google Scholar] [CrossRef]
- Zhang, X.; Yang, B.; Yu, T.; Jiang, L. Dynamic Surrogate Model Based Optimization for MPPT of Centralized Thermoelectric Generation Systems Under Heterogeneous Temperature Difference. IEEE Trans. Energy Convers. 2020, 35, 966–976. [Google Scholar] [CrossRef]
- Khanam, N.; Khan, B.H.; Imtiaz, T. Maximum power extraction of solar pv system using meta-heuristic MPPT techniques: A comparative study. In Proceedings of the 2019 International Conference on Electrical, Electronics and Computer Engineering (UPCON), Aligarh, India, 8–10 November 2019. [Google Scholar]
- Omine, L.T.; de Brito, M.A.; Pinto, J.O.; García, R.C. Hybrid MPPT algorithms for photovoltaic systems. In Proceedings of the 2018 IEEE 4th Southern Power Electronics Conference (SPEC), Singapore, 10–13 December 2018. [Google Scholar]
- Ibrahim, A.W.; Shafik, M.B.; Ding, M.; Sarhan, M.A.; Fang, Z.; Alareqi, A.G.; Almoqri, T.; Al-Rassas, A.M. PV maximum power-point tracking using modified particle swarm optimization under partial shading conditions. Chin. J. Electr. Eng. 2020, 6, 106–121. [Google Scholar] [CrossRef]
- Ishaque, K.; Salam, Z.; Amjad, M.; Mekhilef, S. An Improved Particle Swarm Optimization (PSO)–Based MPPT for PV With Reduced Steady-State Oscillation. IEEE Trans. Power Electron. 2012, 27, 3627–3638. [Google Scholar] [CrossRef]
- Nugraha, D.A.; Lian, K.L. A Novel MPPT Method Based on Cuckoo Search Algorithm and Golden Section Search Algorithm for Partially Shaded PV System. Can. J. Electr. Comput. Eng. 2019, 42, 173–182. [Google Scholar] [CrossRef]
- Mohanty, S.; Subudhi, B.; Ray, P.K. A New MPPT Design Using Grey Wolf Optimization Technique for Photovoltaic System Under Partial Shading Conditions. IEEE Trans. Sustain. Energy 2016, 7, 181–188. [Google Scholar] [CrossRef]
- Kumar, N.; Hussain, I.; Singh, B.; Panigrahi, B.K. Single Sensor-Based MPPT of Partially Shaded PV System for Battery Charging by Using Cauchy and Gaussian Sine Cosine Optimization. IEEE Trans. Energy Convers. 2017, 32, 983–992. [Google Scholar] [CrossRef]
- Mohanty, S.; Subudhi, B.; Ray, P.K. A Grey Wolf-Assisted Perturb & Observe MPPT Algorithm for a PV System. IEEE Trans. Energy Convers. 2017, 32, 340–347. [Google Scholar]
- Anwer, A.M.O.; Omar, F.A.; Kulaksiz, A.A. Design of a Fuzzy Logic-based MPPT Controller for a PV System Employing Sensorless Control of MRAS-based PMSM. Int. J. Control Autom. Syst. 2020, 18, 2788–2797. [Google Scholar] [CrossRef]
- Mahdi, A.S.; Mahamad, A.K.; Saon, S.; Tuwoso, T.; Elmunsyah, H.; Mudjanarko, S.W. Maximum power point tracking using perturb and observe, fuzzy logic and ANFIS. SN Appl. Sci. 2020, 2, 89. [Google Scholar] [CrossRef]
- Dhimish, M.; Holmes, V.; Mather, P.; Sibley, M. Novel hot spot mitigation technique to enhance photovoltaic solar panels output power performance. Sol. Energy Mater. Sol. Cells 2018, 179, 72–79. [Google Scholar] [CrossRef]
- Abo-Elyousr, F.K.; Abdelshafy, A.M.; Abdelaziz, A.Y. MPPT based particle swarm and cuckoo search algorithms for PV systems. In Modern Maximum Power Point Tracking Techniques for Photovoltaic Energy Systems; Eltamaly, A.E., Abdelaziz, A.Y., Eds.; Springer: Cham, Switzerland, 2020. [Google Scholar]
- Mao, M.; Zhou, L.; Yang, Z.; Zhang, Q.; Zheng, C.; Xie, B.; Wan, Y. A hybrid intelligent GMPPT algorithm for partial shading PV system. Control Eng. Pract. 2019, 83, 108–115. [Google Scholar] [CrossRef]
- Bonthagorla, P.K.; Mikkili, S. Performance investigation of hybrid and conventional PV array configurations for grid-connected/standalone PV systems. CSEE J. Power Energy Syst. 2020, 8, 682–695. [Google Scholar]
- Swanepoel, N.C.; Richards, C.G.; Nnachi, A.F.; Ehlers, P.J. A comparative study of maximum power point tracking algorithms for PV arrays. In Proceedings of the 2020 6th IEEE International Energy Conference (ENERGYCon), Gammarth, Tunisia, 8 September 2020–1 October 2020; pp. 819–823. [Google Scholar]

















| Algorithms | Input | Output | ||||
| Case I: E = 1000 W/m2 and T = 25 °C, with t1 = 0 to 0.25 (500 W/m2), t2 = 0.25 to 0.5 (750 W/m2), t3 = 0.5 to 0.95 (1000 W/m2), t4 = 1.750 W/m2, and t5 = 1.000 W/m2 | ||||||
| Input Voltage (V) | Input Current (A) | Duty Ratio | Output Voltage (V) | Output Current (A) | Power (W) | |
| P & O | 100 | 8.6 | 0.5 | 200 | 4.3 | 860 |
| GA | 0.5 | 200 | 4.8 | 960 | ||
| PSO | 0.514 | 206 | 4.8 | 984 | ||
| GWO | 0.576 | 236 | 5.8 | 1368 | ||
| GWO-FTSM | 0.6 | 250 | 5.8 | 1450 | ||
| Case II: E = 1000 W/m2 and T = 25 °C, with t1 = 0.25 (500 W/m2), t2 = 0.25 to 0.5 (750 W/m2), t3 = 0.5 to 0.75 (1000 W/m2), and t4 = 0.75 to 1750 W/m2 | ||||||
| GWO | 100 | 8.6 | 0.5967 | 246 | 5.8 | 1438 |
| GWO-FTSM | 0.69 | 256 | 5.8 | 1484 | ||
| Efficiency | Duty Ratio | |
|---|---|---|
| E = 1000 W/m2 and T = 25 °C, with t1 = 0 to 0.25 (500 W/m2), t2 = 0.25 to 0.5 (750 W/m2), t3 = 0.5 to 0.95 (1000 W/m2), t4 = 1750 W/m2, and t5 = 1000 W/m2 | ||
| P&O | 99.00 | 0.5 |
| GA | 99.00 | 0.5 |
| PSO | 99.86 | 0.514 |
| GWO | 99.91 | 0.576 |
| GWO-FTSM | 99.96 | 0.6 |
Disclaimer/Publisher’s Note: The statements, opinions and data contained in all publications are solely those of the individual author(s) and contributor(s) and not of MDPI and/or the editor(s). MDPI and/or the editor(s) disclaim responsibility for any injury to people or property resulting from any ideas, methods, instructions or products referred to in the content. |
© 2023 by the authors. Licensee MDPI, Basel, Switzerland. This article is an open access article distributed under the terms and conditions of the Creative Commons Attribution (CC BY) license (https://creativecommons.org/licenses/by/4.0/).
Share and Cite
Sekar, K.; Arasan, E.; Chandrasekaran, K. Grey Wolf Optimization and Fed Fast Terminal Sliding Mode Controllers Based on Interleaved Boost Converters for Symmetric PV Systems under Asymmetric Partial Shading. Symmetry 2023, 15, 1339. https://doi.org/10.3390/sym15071339
Sekar K, Arasan E, Chandrasekaran K. Grey Wolf Optimization and Fed Fast Terminal Sliding Mode Controllers Based on Interleaved Boost Converters for Symmetric PV Systems under Asymmetric Partial Shading. Symmetry. 2023; 15(7):1339. https://doi.org/10.3390/sym15071339
Chicago/Turabian StyleSekar, Kamalsakthi, Elankurisil Arasan, and Kannan Chandrasekaran. 2023. "Grey Wolf Optimization and Fed Fast Terminal Sliding Mode Controllers Based on Interleaved Boost Converters for Symmetric PV Systems under Asymmetric Partial Shading" Symmetry 15, no. 7: 1339. https://doi.org/10.3390/sym15071339
APA StyleSekar, K., Arasan, E., & Chandrasekaran, K. (2023). Grey Wolf Optimization and Fed Fast Terminal Sliding Mode Controllers Based on Interleaved Boost Converters for Symmetric PV Systems under Asymmetric Partial Shading. Symmetry, 15(7), 1339. https://doi.org/10.3390/sym15071339

