An Input-Series-Output-Parallel Cascaded Converter System Applied to DC Microgrids
Abstract
:1. Introduction
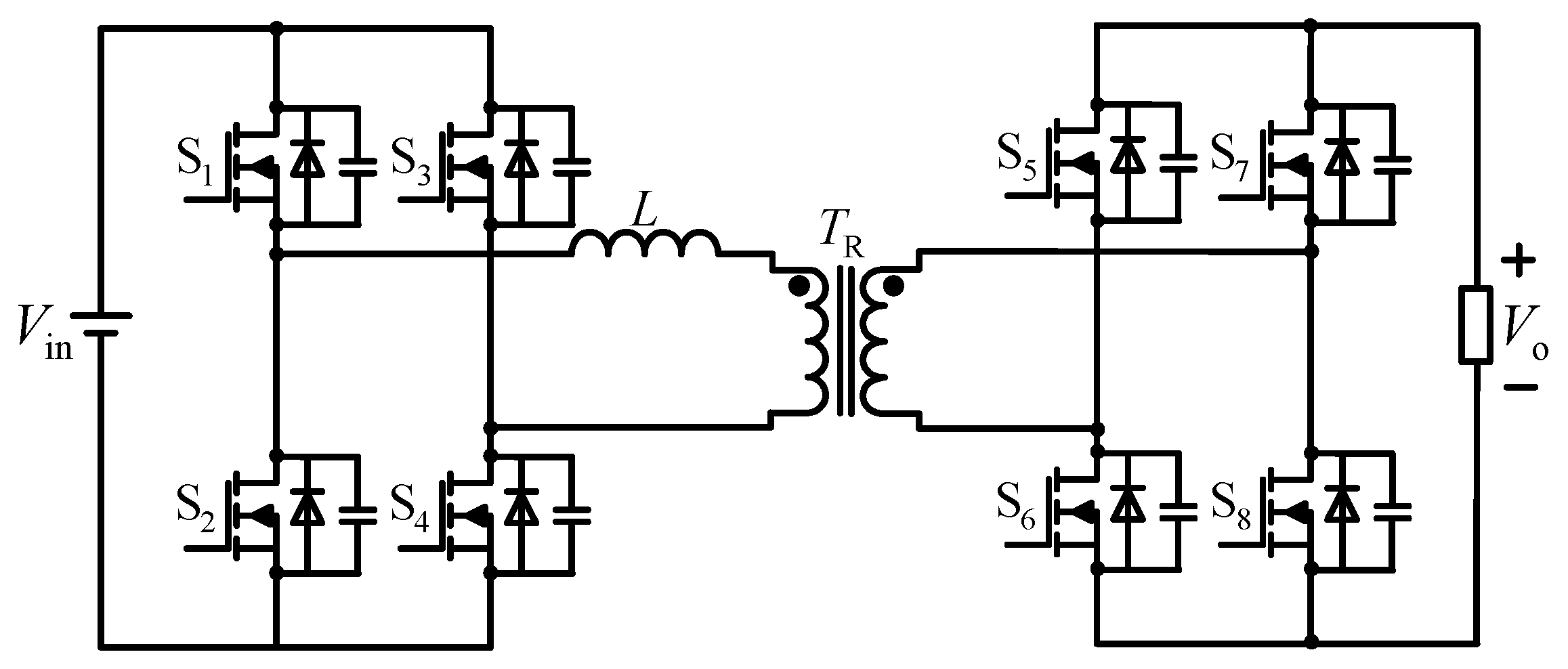
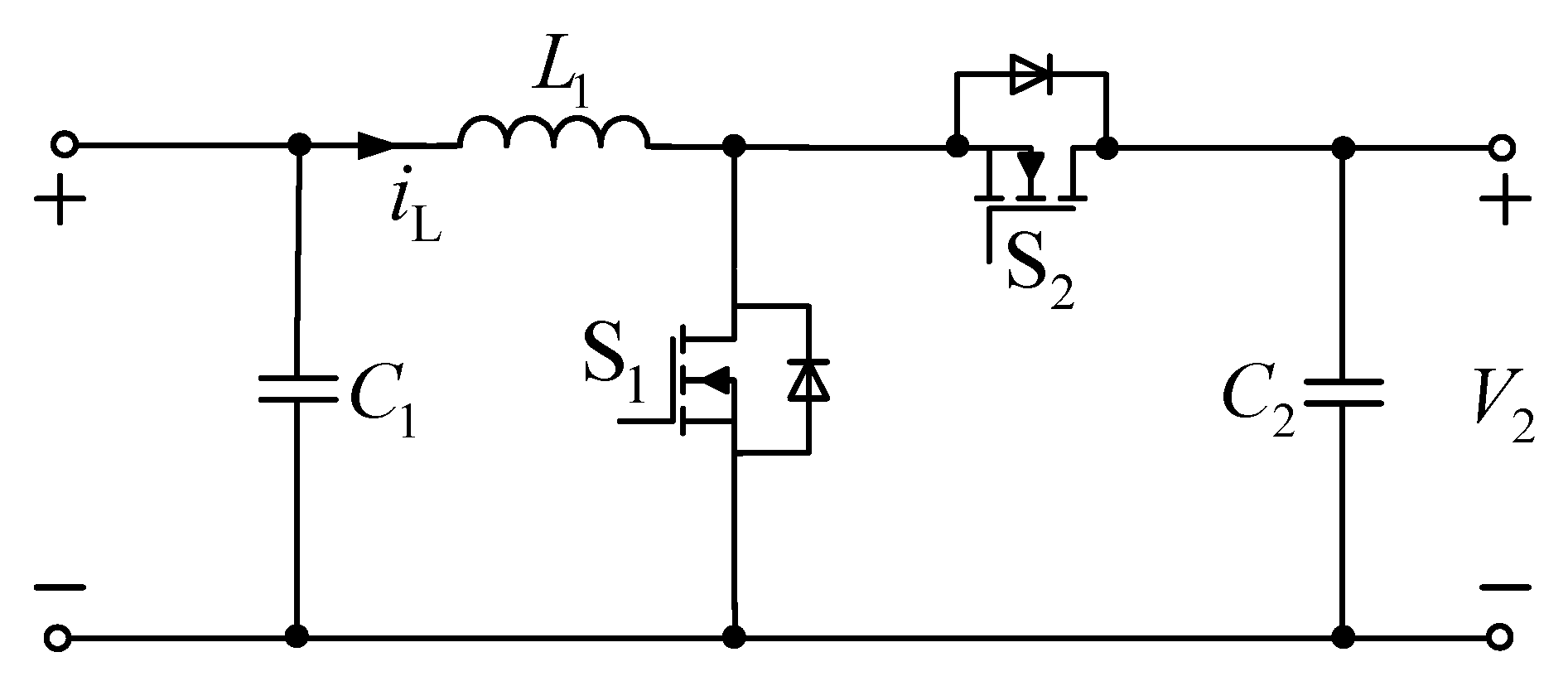
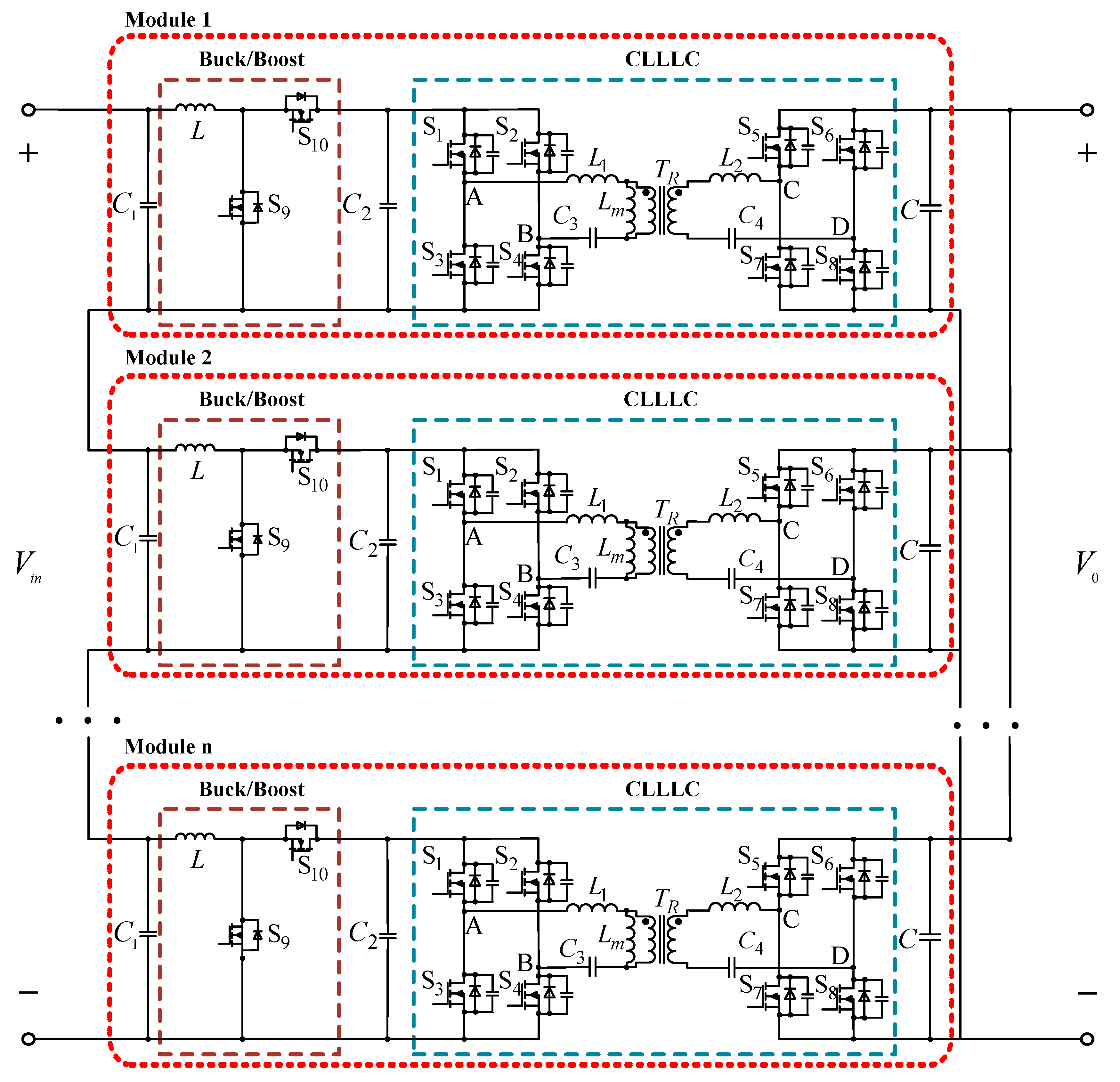
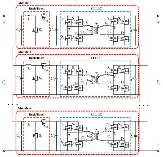
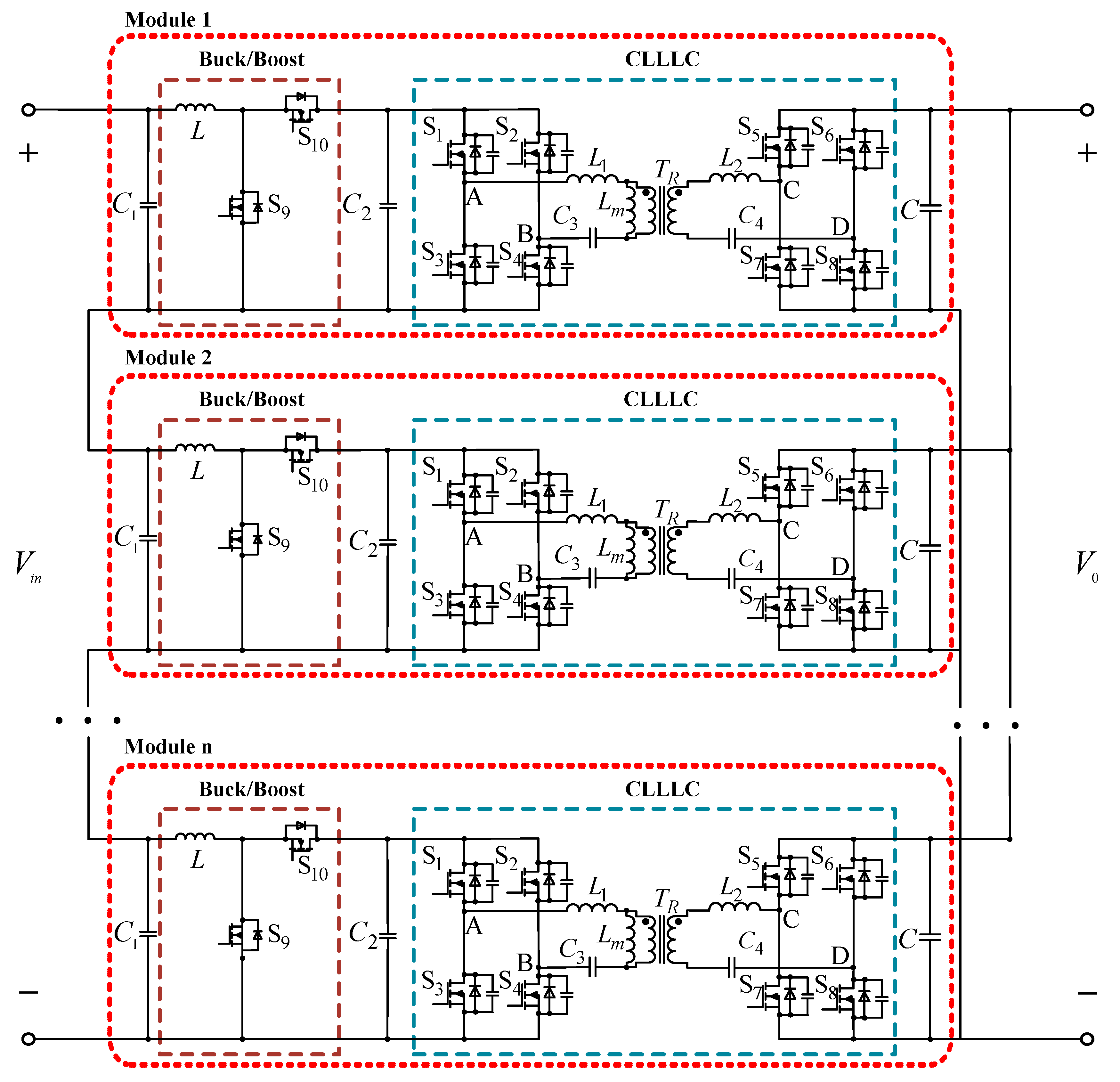
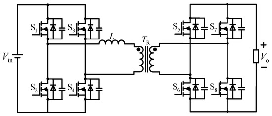
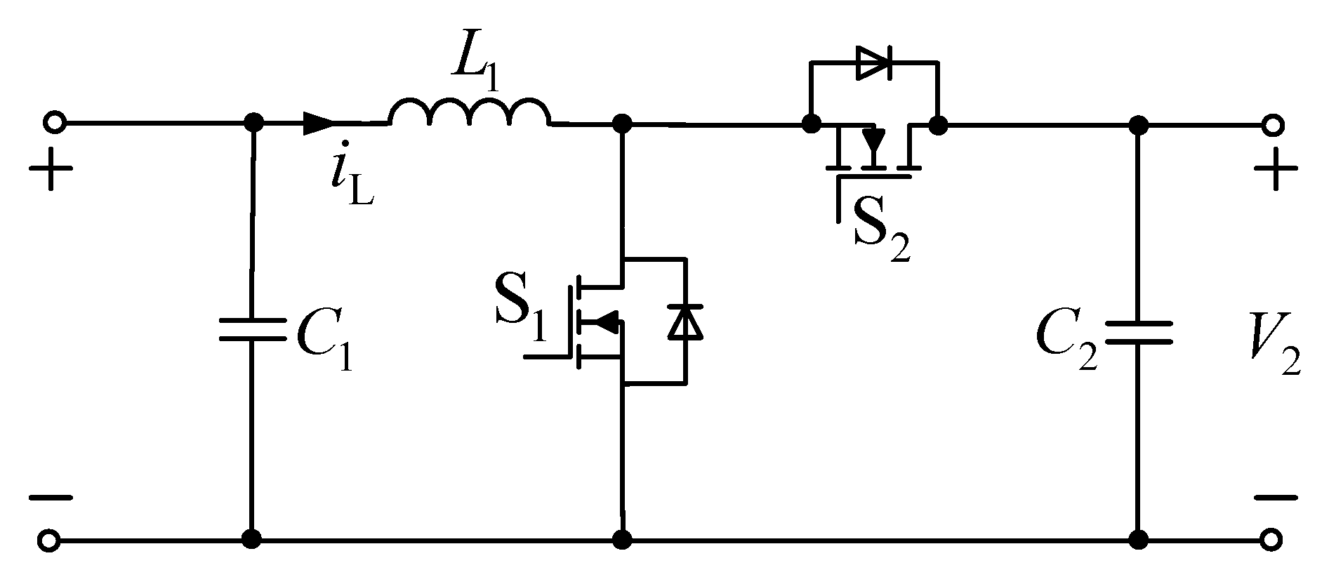
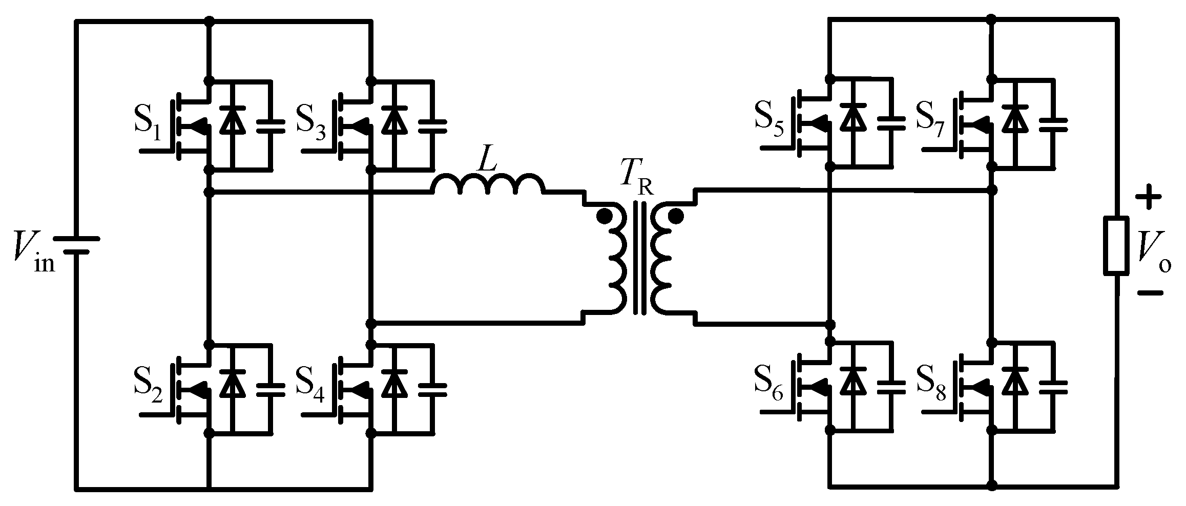
2. Converter Topology and System Structure
2.1. System Structure and Converter Topology
2.2. SubsectionAnalysis of Cascaded Converter Model
3. Parametric Design
4. Simulation Results and Analysis
4.1. Simulation Experiment of Load Sudden Change
4.2. Simulation Experiment of Voltage Sudden Change
5. Experimental Results and Analysis
5.1. Steady-State Experiment of Sub-Moodle Voltage Reduction
5.2. Dynamic Experiment of Sub-Moodle Voltage Reduction
5.3. Steady State Experiment of ISOP System
5.4. Dynamic Experiment of ISOP System
6. Conclusions
Author Contributions
Funding
Data Availability Statement
Acknowledgments
Conflicts of Interest
References
- Mohammadhassani, A.; Teymouri, A.; Mehrizi-Sani, A.; Tehrani, K. Performance Evaluation of an Inverter-Based Microgrid Under Cyberattacks. In Proceedings of the System of Systems Engineering, Budapest, Hungary, 2–4 June 2020. [Google Scholar]
- Dahale, S.; Das, A.; Pindoriya, N.M.; Rajendran, S. An overview of DC-DC converter topologies and controls in DC microgrid. In Proceedings of the International Conference on Power Systems (ICPS), Pune, India, 21–23 December 2017. [Google Scholar]
- Babangida, M.; Md Pauzi, A.; Mufutau, A.S.; Mukhtar, F.H. DC-Based microgrid: Topologies, control schemes, and implementations. Alex. Eng. J. 2023, 70, 61–92. [Google Scholar]
- Oggier, G.G.; Ordonez, M. High-Efficiency DAB Converter Using Switching Sequences and Burst Mode. IEEE Trans. Power Electron. 2016, 31, 2069–2082. [Google Scholar] [CrossRef]
- Fakhri, N.; Naderi, M.S.; Farkoush, S.G.; Khoshdel, A.; Aghili, S.; Choi, S.K.; Rhee, S.B. Optimization of Impedance-Source Galvanically Isolated DC–DC Converters with Reduced Number of Switches. IEEE Access. 2022, 10, 3835–3847. [Google Scholar] [CrossRef]
- James, L.D.; Teixeira, C.A.; Wilkinson, R.H.; McGrath, B.P.; Holmes, D.G.; Riedel, J. Adaptive Modulation of Resonant DAB Converters for Wide Range ZVS Operation with Minimum Reactive Circulating Power. IEEE Trans. Ind. Appl. 2022, 58, 7396–7407. [Google Scholar] [CrossRef]
- Krismer, F.; Kolar, J.W. Closed Form Solution for Minimum Conduction Loss Modulation of DAB Converters. IEEE Trans. Power Electron. 2012, 27, 174–188. [Google Scholar] [CrossRef]
- Shuyu, C.; Sriram, V.B.; Tafti, H.D.; Kishore, K.R.; Li, Y.H.; Tripathi, A.; Pou, J. Modular DAB DC-DC converter low voltage side dc link capacitor two-stage charging-up control for solid state transformer application. In Proceedings of the 2017 Asian Conference on Energy, Power and Transportation Electrification (ACEPT), Singapore, 24–26 October 2017. [Google Scholar]
- Zeng, Y.; Pou, J.; Sun, C.; Mukherjee, S.; Xu, X.; Gupta, A.K.; Dong, J. Autonomous Input Voltage Sharing Control and Triple Phase Shift Modulation Method for ISOP-DAB Converter in DC Microgrid: A Multiagent Deep Reinforcement Learning-Based Method. IEEE Trans. Power Electron. 2023, 38, 2985–3000. [Google Scholar] [CrossRef]
- Wang, H.; Li, Z. A PWM LLC Type Resonant Converter Adapted to Wide Output Range in PEV Charging Applications. IEEE Trans. Power Electron. 2018, 33, 3791–3801. [Google Scholar] [CrossRef]
- Fang, X.; Hu, H.; Chen, F.; Somani, U.; Auadisian, E.; Shen, J.; Batarseh, I. Efficiency-Oriented Optimal Design of the LLC Resonant Converter Based on Peak Gain Placement. IEEE Trans. Power Electron. 2013, 28, 2285–2296. [Google Scholar] [CrossRef]
- Zong, S.; Fan, G.; Yang, X. Double Voltage Rectification Modulation for Bidirectional DC/DC Resonant Converters for Wide Voltage Range Operation. IEEE Trans. Power Electron. 2019, 34, 6510–6521. [Google Scholar] [CrossRef]
- Wang, X.; Liu, B.; Jiang, L.; Zhan, Z. Current Sharing Analysis for Novel Paralleled CLLLC Converters. IEEE Access. 2021, 9, 141307–141320. [Google Scholar] [CrossRef]
- De Doncker, R.W.A.A.; Divan, D.M.; Kheraluwala, M.H. A three-phase soft-switched high-power-density DC/DC converter for high-power applications. IEEE Trans. Ind. Appl. 1991, 27, 63–73. [Google Scholar] [CrossRef]
- Hou, N.; Gunawardena, P.; Wu, X.; Ding, L.; Zhang, Y.; Li, Y.W. An Input-Oriented Power Sharing Control Scheme with Fast-Dynamic Response for ISOP DAB DC–DC Converter. IEEE Trans. Power Electron. 2022, 37, 6501–6510. [Google Scholar] [CrossRef]
- Qu, L.; Wang, X.; Zhang, D.; Bai, Z.; Liu, Y. A High Efficiency and Low Shutdown Current Bidirectional DC-DC CLLLC Resonant Converter. In Proceedings of the 2019 22nd International Conference on Electrical Machines and Systems (ICEMS), Harbin, China, 11–14 August 2019. [Google Scholar]
- Chen, W.; Wang, G.; Ruan, X.; Jiang, W.; Gu, W. Wireless Input-Voltage-Sharing Control Strategy for Input-Series Output-Parallel (ISOP) System Based on Positive Output-Voltage Gradient Method. IEEE Trans. Ind. Electron. 2014, 61, 6022–6030. [Google Scholar] [CrossRef]
- Chen, W.; Jiang, X.; Cao, W.; Zhao, J.; Jiang, W.; Jiang, L. A Fully Modular Control Strategy for Input-Series Output-Parallel (ISOP) Inverter System Based on Positive Output-Voltage-Amplitude Gradient. IEEE Trans. Power Electron. 2018, 33, 2878–2887. [Google Scholar] [CrossRef]
- Yan, X.; Liu, C.; Liu, S.; Guo, X.; Zou, X. An Improved Interleaved Buck/Boost Integrated CLLLC Three-Port DC-DC Converter for Wide Input Range. In Proceedings of the 2021 IEEE 2nd China International Youth Conference on Electrical Engineering (CIYCEE), Chengdu, China, 15–17 December 2021. [Google Scholar]
- Rasoanarivo, I.; Tehrani, K.; Scalcon, F.P.; Nahid-Mobarakeh, B. A Dual Multilevel Adaptive Converter for Microgrid Applications. In Proceedings of the IECON 2022—48th Annual Conference of the IEEE Industrial Electronics Society, Brussels, Belgium, 17–20 October 2022. [Google Scholar]
- Madbouly, S.O.; Adel, M.S. A novel regulation inter-coupled control scheme for doubly fed wind induction system. Electromech. Energy 2016, 1, 8–16. [Google Scholar]
- Wang, Y.; Sun, Z.; Wu, Q.; Wang, Q.; Xiao, L. A Sensorless Input Voltage Sharing Control for ISOP DAB Converters. In Proceedings of the 2021 IEEE 1st International Power Electronics and Application Symposium (PEAS), Shanghai, China, 13–15 November 2021. [Google Scholar]
- Adel, M.S.; Mustafa, E.Ş. A flexible PV-powered battery-charging scheme for electric vehicles. IETE Tech. Rev. 2017, 34, 133–143. [Google Scholar]
- Mohamed, S.; Ebrahim, A.M.; Sharaf, A.M.; Atallah, A.S.; Emarah, A.S. Modified P&O technique for hybrid PV-battery smart grid integrated scheme. Electromech. Energy 2018, 3, 1–7. [Google Scholar]
- Sato, M.; Domoto, K.; Ishizuka, Y.; Manabe, S.; Okubo, H.; Yamaguchi, M.; Itagaki, A. High efficiency design for ISOP converter system with dual active bridge DC-DC converter. In Proceedings of the 2016 IEEE Applied Power Electronics Conference and Exposition (APEC), Long Beach, CA, USA, 20–24 March 2016; pp. 2465–2472. [Google Scholar]
- Kerachev, L.; Trinh, T.H.; Lembeye, Y.; Crebier, J.-C. Design and Implementation of a Highly Integrated Dual Active Bridge Microconverter. IEEE Trans. Power Electron. 2016, 31, 5635–5643. [Google Scholar] [CrossRef]
- Şahin, M.E.; Okumuş, H.İ. Comparison of different controllers and stability analysis for photovoltaic powered buck-boost DC-DC converter. Electr. Power Compon. Syst. 2018, 46, 149–161. [Google Scholar] [CrossRef]
- Aden, I.A.; Kahveci, H.; Şahin, M.E. Single input, multiple output DC-DC buck converter for electric vehicles. Electromech. Energy 2017, 2, 7–13. [Google Scholar]
- Ilyass, A.A.; Hakan, K.; Mustafa, E.Ş. Design and implementation of single-input multiple-output DC–DC buck converter for electric vehicles. J. Circuits Syst. Comput. 2021, 2, 2150228. [Google Scholar]
- Bote-Vazquez, Y.; Estevez-Encarnacion, E.S.; Ramirez-Hernandez, J.; Hernandez-Gonzalez, L.; Juarez-Sandoval, O.U. Predictive Current Control Design Methodology for DC-DC Basic Topologies: Buck, Boost and Buck-Boost Converters. In Proceedings of the 2021 IEEE International Autumn Meeting on Power, Electronics and Computing (ROPEC), Ixtapa, Mexico, 10–12 November 2021. [Google Scholar]
- Şahin, M.E.; Okumuş, H.İ. Parallel-Connected buck–boost converter with FLC for hybrid energy system. Electr. Power Compon. Syst. 2021, 48, 2117–2129. [Google Scholar] [CrossRef]
- Mustafa, E.Ş.; Frede, B. PV powered hybrid energy storage system control using bidirectional and boost converters. Electr. Power Compon. Syst. 2022, 49, 1260–1277. [Google Scholar]
- Mustafa, E.Ş.; Frede, B. A hybrid PV-battery/supercapacitor system and a basic active power control proposal in MATLAB/Simulink. Electronics 2020, 9, 129. [Google Scholar]


























| Transformer Name | Parameter Name | Numerical |
|---|---|---|
| Buck/boost | High-side voltage V1 | 134 V |
| Low-side voltage V2 | 72 V | |
| Rated power P1 | 500 W | |
| Switching frequency fs1 | 20 kHz | |
| Energy storage inductors L/mH | 0.6 | |
| Input capacitor C1/uF | 100 | |
| Output capacitor C2/uF | 120 | |
| Inductor current ripple | <20% | |
| Output voltage ripple | <5% | |
| CLLLC | High voltage V3 | 72 V |
| Low voltage V4 | 48 V | |
| Rated power P2 | 500 W | |
| Switching frequency fs2 | 100 kHz | |
| Resonant inductance L1, L2/μH | 11.53, 5.12 | |
| Resonant capacitors C3, C4/nF | 220,560 | |
| Excitation inductance Lm/μH | 172 |
| Work Conditions | Output | System Simulation | System Experiment |
|---|---|---|---|
| Sudden load change | Output voltage | 48 V | 47.7 V |
| Output current | 20.8 A | 20.4 A | |
| Output power | 998.4 W | 973.08 W | |
| Sudden voltage change | Output voltage | 48 V | 47.5 V |
| Output current | 20.8 A | 20.5 A | |
| Output power | 998.4 W | 973.75 W |
Disclaimer/Publisher’s Note: The statements, opinions and data contained in all publications are solely those of the individual author(s) and contributor(s) and not of MDPI and/or the editor(s). MDPI and/or the editor(s) disclaim responsibility for any injury to people or property resulting from any ideas, methods, instructions or products referred to in the content. |
© 2023 by the authors. Licensee MDPI, Basel, Switzerland. This article is an open access article distributed under the terms and conditions of the Creative Commons Attribution (CC BY) license (https://creativecommons.org/licenses/by/4.0/).
Share and Cite
Lv, M.; Wang, P.; Wei, Y.; Wen, C.; Li, J.; Jia, P.; Wei, Q. An Input-Series-Output-Parallel Cascaded Converter System Applied to DC Microgrids. Symmetry 2023, 15, 1174. https://doi.org/10.3390/sym15061174
Lv M, Wang P, Wei Y, Wen C, Li J, Jia P, Wei Q. An Input-Series-Output-Parallel Cascaded Converter System Applied to DC Microgrids. Symmetry. 2023; 15(6):1174. https://doi.org/10.3390/sym15061174
Chicago/Turabian StyleLv, Menghan, Peng Wang, Yaoquan Wei, Chunxue Wen, Jianlin Li, Pengyu Jia, and Qingxuan Wei. 2023. "An Input-Series-Output-Parallel Cascaded Converter System Applied to DC Microgrids" Symmetry 15, no. 6: 1174. https://doi.org/10.3390/sym15061174
APA StyleLv, M., Wang, P., Wei, Y., Wen, C., Li, J., Jia, P., & Wei, Q. (2023). An Input-Series-Output-Parallel Cascaded Converter System Applied to DC Microgrids. Symmetry, 15(6), 1174. https://doi.org/10.3390/sym15061174

