Adaptive Virtual Inertia Control Strategy for a Grid-Connected Converter of DC Microgrid Based on an Improved Model Prediction
Abstract
:1. Introduction
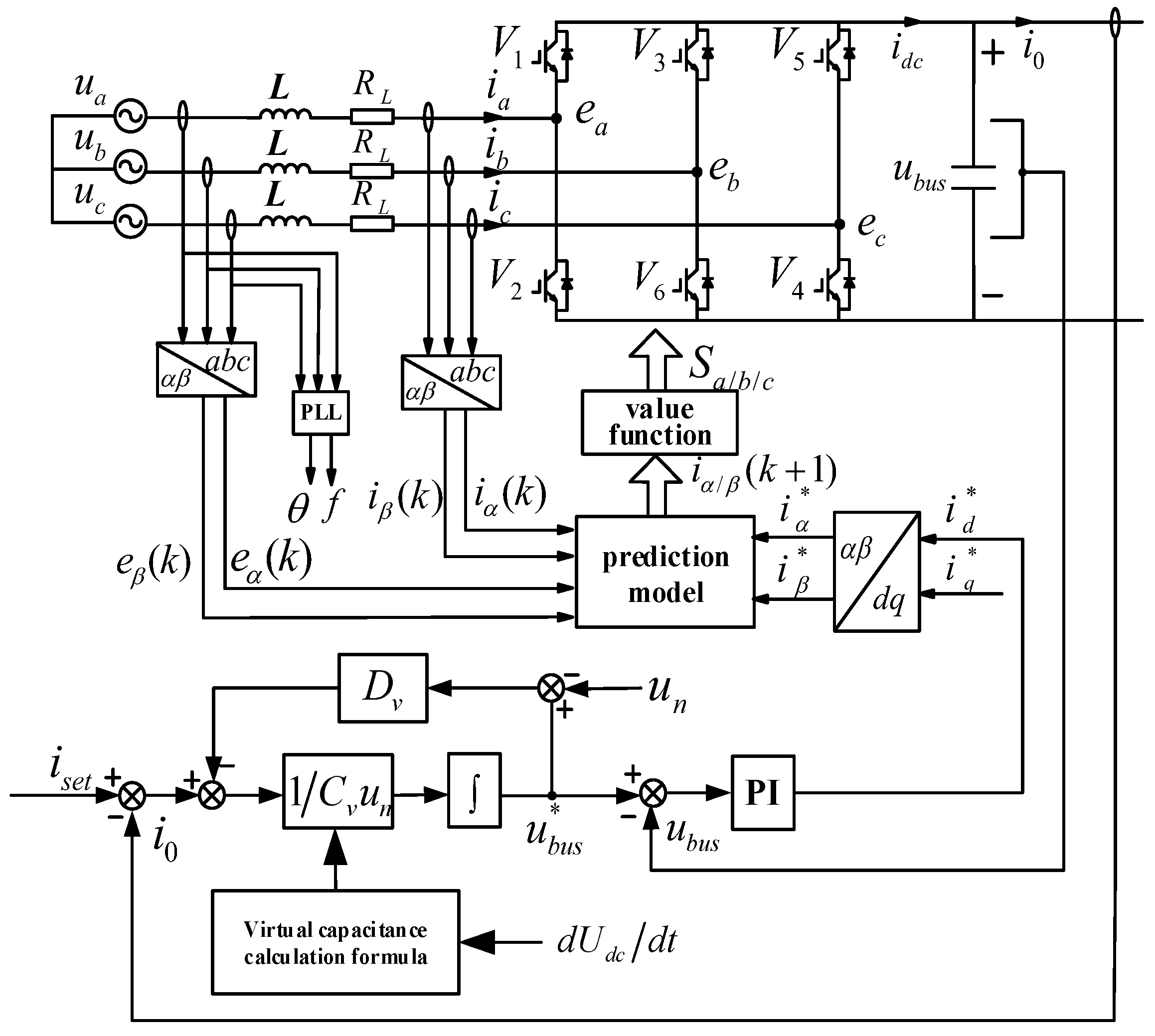
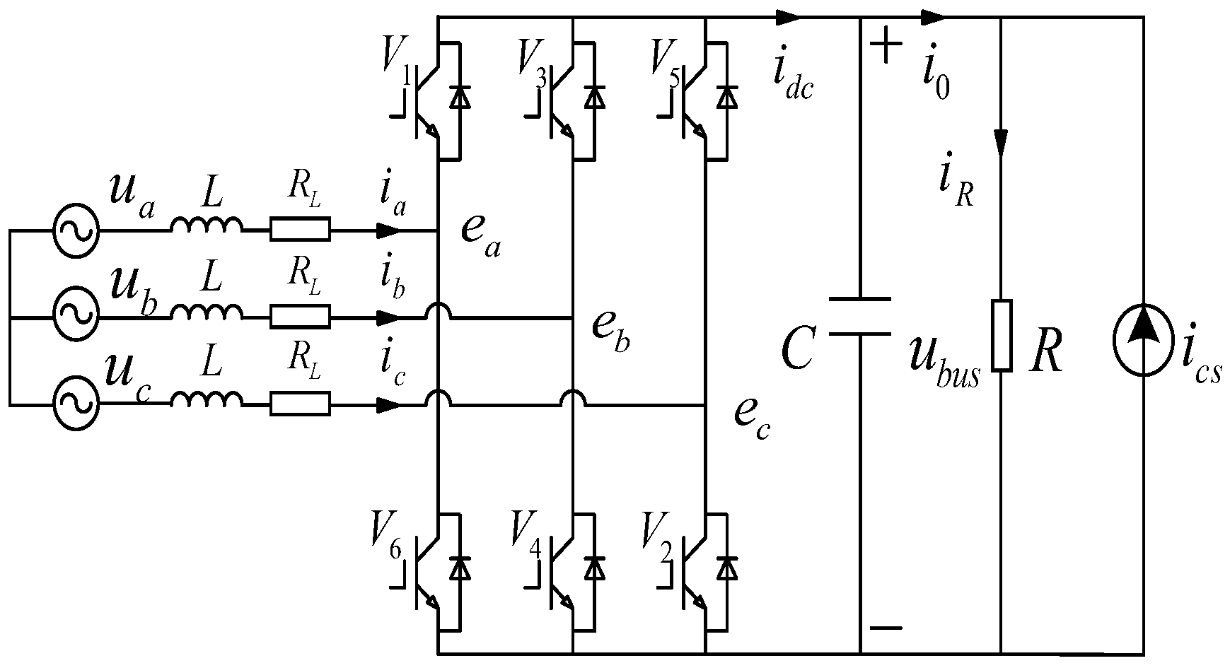
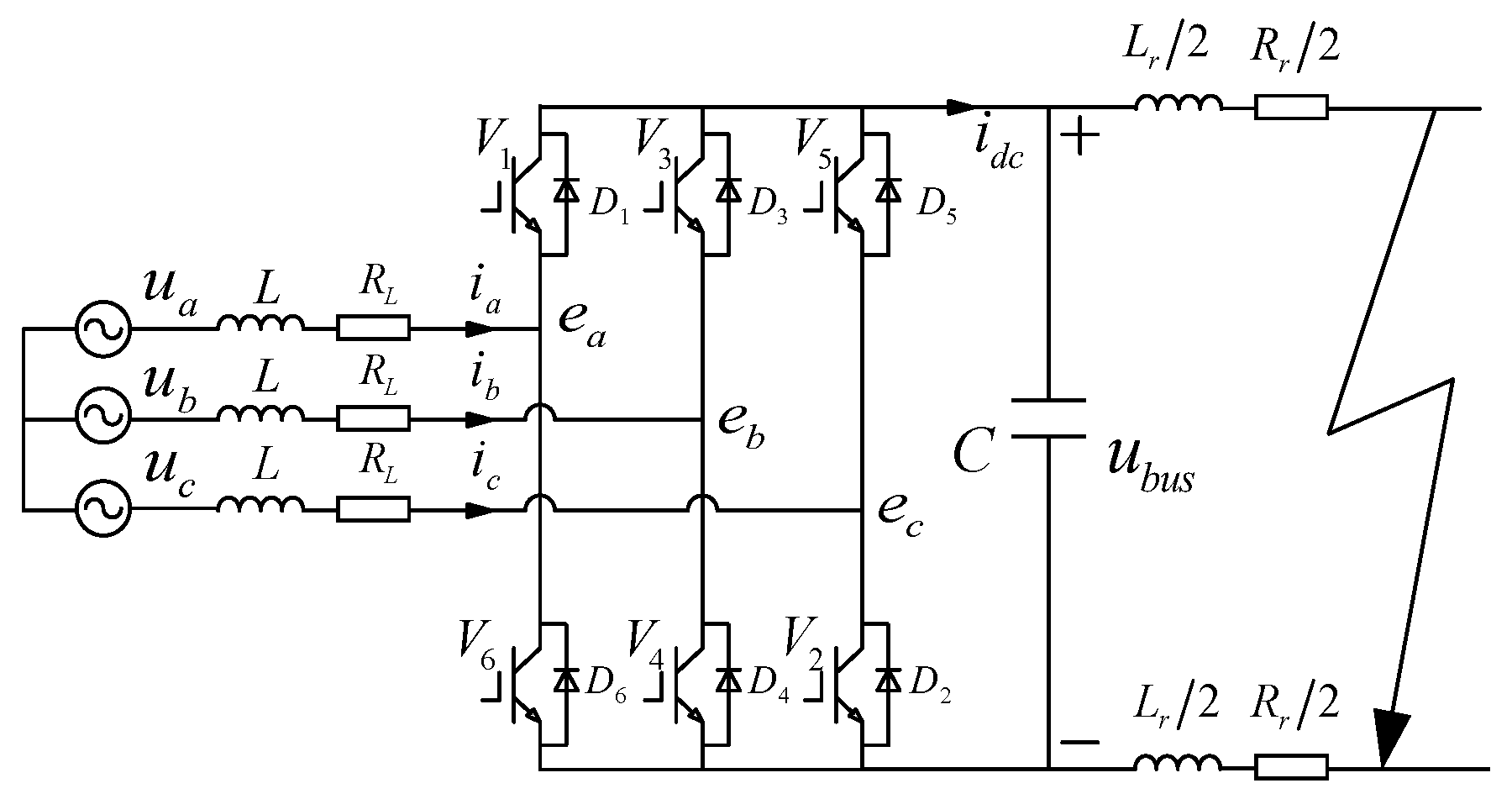
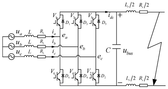
2. DC Microgrid Topology and Control Strategy
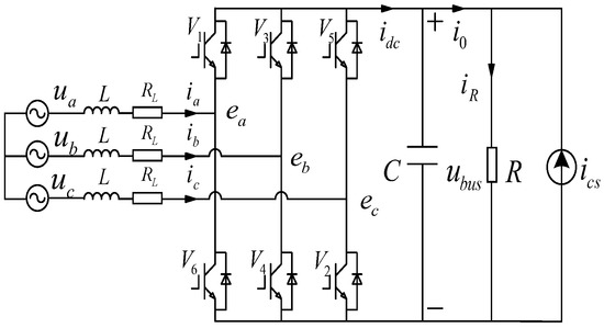
2.1. DC Microgrid Topology
2.2. Traditional Control Strategy of DC Microgrid
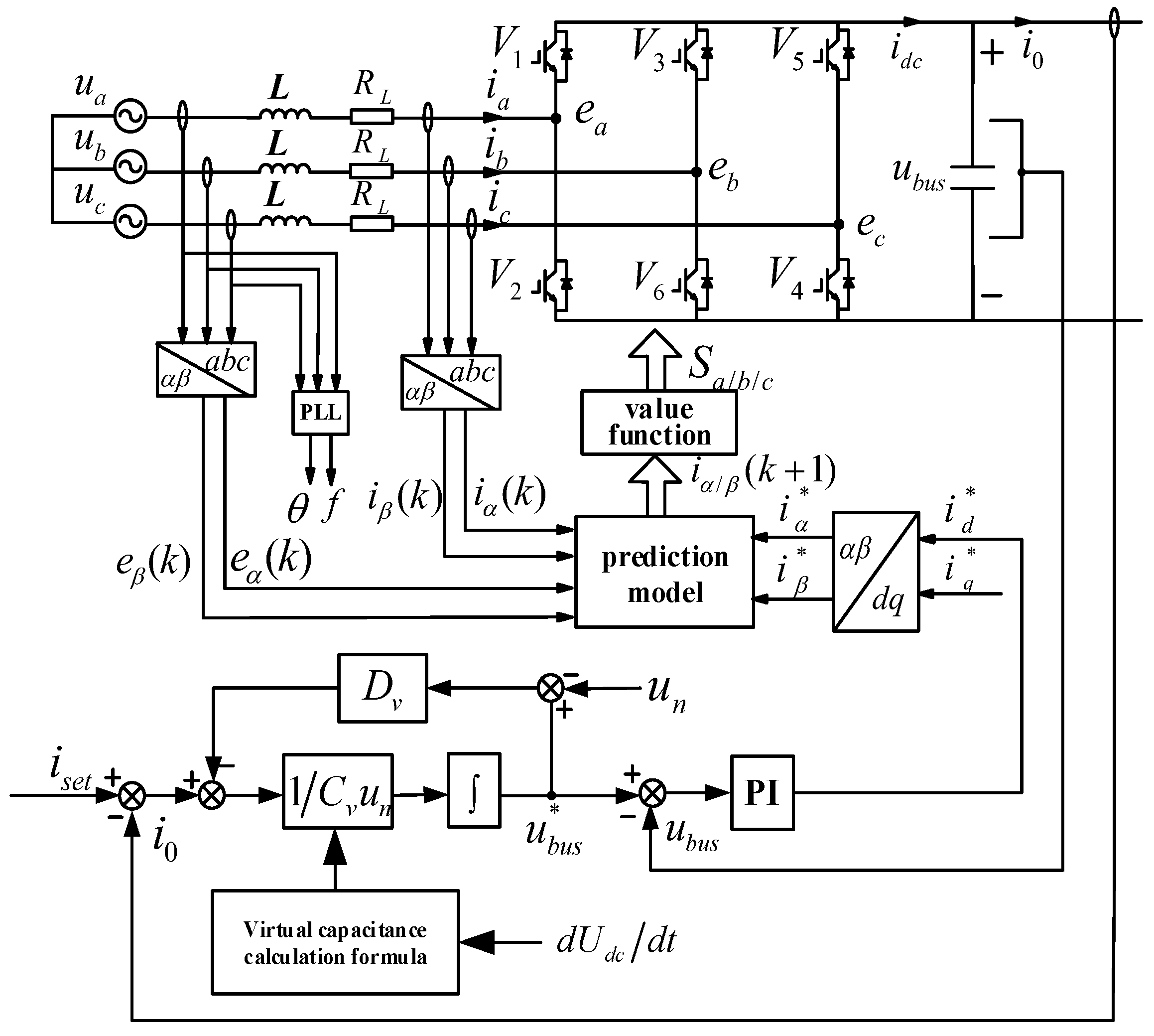
3. Adaptive Virtual Inertia Control Strategy
3.1. Voltage Outer Loop
3.2. Current Inner Loop
- (1)
- Principle of current model predictive control
- (2)
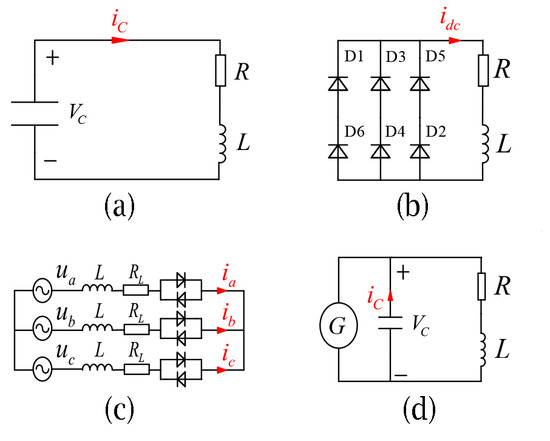
- Prediction model of BGC
- (3)
- Improved model predictive control
3.3. Inertial Control Strategy under DC Inter-Pole Fault
4. Stability Analysis
5. Simulation Analysis
5.1. Unit Step Response of Different Virtual Inertia Parameter
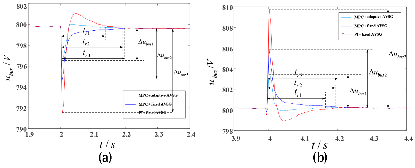
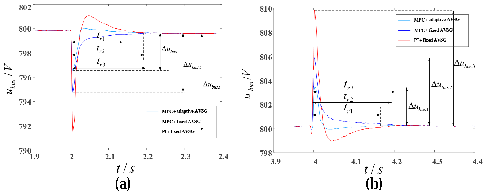
5.2. Simulation Comparison of Load Mutation
5.3. Grid-Side Power Quality Analysis
5.4. Inter-Pole Short Circuit Fault
6. Conclusions
- (1)
- The model predictive control is used in the inner loop, and the two-step predictive delay compensation is used to realize the fast-tracking of the given current value, eliminating the traditional PI controller and PWM regulator and improving the dynamic performance of the control system.
- (2)
- The adaptive AVSG control is introduced in the outer loop. By combining the inertia coefficient in AVSG with the voltage change rate, the flexible adjustment of the inertia parameters is realized. The BGC system using this control strategy can quickly provide additional power when the power difference occurs in the DC microgrid, thereby enhancing the inertia of the DC microgrid and effectively improving the stability of DC bus voltage and the operation ability of the system under asymmetric conditions.
- (3)
- This study focuses exclusively on the developed four-terminal DC microgrid. When multiple grid-connected units or distributed energy sources are incorporated into the grid, complex systems impose stricter requirements on system stability and coordination among individual units. Further research is still needed in order to address these more stringent demands.
Author Contributions
Funding
Data Availability Statement
Conflicts of Interest
Appendix A
| Analogy Term | VSG | AVSG |
|---|---|---|
| Droop equation | ||
| Control objective | ||
| Output | ||
| Inertia | ||
| Storage capacity |
| Switch Status | |||||
|---|---|---|---|---|---|
| 1 | 0 | 0 | 0 | 0 | 0 |
| 2 | 0 | 0 | 1 | 0.8165 Udc | 0 |
| 3 | 0 | 1 | 0 | 0.4083 Udc | 0.7071 Udc |
| 4 | 0 | 1 | 1 | 0.4083 Udc | 0.7071 Udc |
| 5 | 1 | 0 | 0 | 0.8165 Udc | 0 |
| 6 | 1 | 0 | 1 | 0.4083 Udc | 0.7071 Udc |
| 7 | 1 | 1 | 0 | 0.4083 Udc | 0.7071 Udc |
| 8 | 1 | 1 | 1 | 0 | 0 |
| Simulation Parameter | Value |
|---|---|
| 220 | |
| 800 | |
| 3 | |
| 0.05 | |
| 5000 | |
| 10 | |
| 1500 | |
| 5 | |
| 10 | |
| 120 |
| Control Strategy | Voltage Fluctuations Magnitude/V | Voltage Recovery Time t/s |
|---|---|---|
| PI + Fixed AVSG | 8.2 | 0.21 |
| MPC + Fixed AVSG | 5.2 | 0.19 |
| MPC + Adaptive AVSG | 3.4 | 0.14 |
| Control Strategy | Voltage Fluctuations Magnitude/V | Voltage Recovery Time t/s |
|---|---|---|
| PI + Fixed AVSG | 9.8 | 0.22 |
| MPC + Fixed AVSG | 5.9 | 0.19 |
| MPC + Adaptive AVSG | 3.7 | 0.16 |
| Control Strategy | THD/% |
|---|---|
| PI + Fixed AVSG | 5.32 |
| MPC + Fixed AVSG | 3.88 |
| MPC + Adaptive AVSG | 2.98 |
References
- Liu, X.; Liu, Y.; Liu, J.; Xiang, Y.; Yuan, X. Optimal planning of AC-DC hybrid transmission and distributed energy resource system: Review and prospects. CSEE J. Power Energy Syst. 2019, 5, 409–422. [Google Scholar] [CrossRef]
- Li, J.; Xu, Z.; Liu, H.; Wang, C.; Wang, L. A Wasserstein Distributionally Robust Planning Model for Renewable Sources and Energy Storage Systems Under Multiple Uncertainties. IEEE Trans. Sustain. Energy 2023, 14, 1346–1356. [Google Scholar] [CrossRef]
- Muhtadi, A.; Pandit, D.; Nguyen, N.; Mitra, J. Distributed Energy Resources Based Microgrid: Review of Architecture, Control, and Reliability. IEEE Trans. Ind. Appl. 2021, 57, 2223–2235. [Google Scholar] [CrossRef]
- Al-Ismail, F.S. DC Microgrid Planning, Operation, and Control: A Comprehensive Review. IEEE Access. 2021, 9, 36154–36172. [Google Scholar] [CrossRef]
- Ansari, S.; Chandel, A.; Tariq, M. Comprehensive Review on Power Converters Control and Control Strategies of AC/DC Microgrid. IEEE Access. 2021, 9, 17998–18015. [Google Scholar] [CrossRef]
- Reddy, Y.; Jithendranath, J.; Chakraborty, A.K.; Guerrero, J.M. Stability Constrained Optimal Operation of Standalone DC Microgrids Considering Load and Solar PV Uncertainties. IEEE Trans. Power Deliv. 2023, 38, 2673–2681. [Google Scholar]
- Zhou, K.; Liu, Z.; Li, J.; Su, M. Stability Analysis in The Stabilization-Free DC Microgrids with CPLs. In Proceedings of the 12th International Conference on Power and Energy Systems (ICPES), Guangzhou, China, 23–25 December 2022; pp. 407–411. [Google Scholar]
- Xia, Y.; Yu, M.; Tao, X.; Peng, Y.; Wei, W. Decentralized control for parallel bidirectional power converters of a grid-connected DC microgrid. In Proceedings of the 42nd Annual Conference of the IEEE Industrial Electronics Society, Florence, Italy, 23–27 October 2016; pp. 6085–6090. [Google Scholar]
- Wang, L.; Peng, L.; Yang, S. Stability Analysis of a Grid-connected Large-scale DC Microgrid with a Hybrid Wind/Solar Farm. In Proceedings of the 2022 IET International Conference on Engineering Technologies and Applications (IET-ICETA), Changhua, Taiwan, 14–16 October 2022; pp. 1–2. [Google Scholar]
- Wang, W.; Lei, X.; Wei, B.; He, K. Research on Adaptive Droop Control Strategy of DC Active Power and Voltage in DC Microgrid. In Proceedings of the 2023 International Conference on Power Energy Systems and Applications (ICoPESA), Nanjing, China, 24–26 February 2023; pp. 627–632. [Google Scholar]
- Carnaghi, M.; Cervellini, P.; Judewicz, M.; Retegui, R.G.; Funes, M. Garcia Retegui. Stability analysis of a Networking DC microgrid with distributed droop control and CPLs. IEEE Lat. Am. Trans. 2023, 21, 966–975. [Google Scholar] [CrossRef]
- Unamuno, E.; Barrena, J.A. Design and small-signal stability analysis of a virtual-capacitor control for DC microgrids. In Proceedings of the 19th European Conference on Power Electronics and Applications, Warsaw, Poland, 11–14 September 2017; pp. 1–10. [Google Scholar]
- Hosseinipour, A.; Hojabri, H. Virtual inertia control of PV systems for dynamic performance and damping enhancement of DC microgrids with constant power loads. IET Renew. Power Gener. 2018, 12, 430–438. [Google Scholar] [CrossRef]
- Shen, K.; Xue, B.; Zhu, X. Inertia Control Strategy of Direct-driven Wind Generation System in DC Microgrid Based on Analogous Virtual Synchronous Generator. IET Renew. Power Gener. 2023, 49, 2526–2537. [Google Scholar]
- Wen, Z.; Tian, J.; Wang, F. A transient performance improved strategy based on virtual inertia and its allocation for PV-storage DC Microgrid. In Proceedings of the 2022 IEEE International Power Electronics and Application Conference and Exposition (PEAC), Guangzhou, China, 4–7 November 2022; pp. 133–138. [Google Scholar]
- Wang, Y.; Wang, C.; Xu, L. Adjustable Inertial Response from the Converter with Adaptive Droop Control in DC Grids. IEEE Trans. Smart Grid 2019, 10, 3198–3209. [Google Scholar] [CrossRef]
- Yan, X.; Xin, H.; Yuan, F. Research on virtual inertial control technology for improving transient stability of DC distribution network. In Proceedings of the 2017 IEEE Conference on Energy Internet and Energy System Integration (EI2), Beijing, China, 26–28 November 2017; pp. 1–5. [Google Scholar]
- Wu, W. A Virtual Inertia Control Strategy for DC Microgrids Analogized with Virtual Synchronous Machines. IEEE Trans. Ind. Electron. 2017, 64, 6005–6016. [Google Scholar] [CrossRef]
- Yazdani, S.; Ferdowsi, M.; Shamsi, P. Adaptive-Passive Virtual Inertia Control Based on Energy Balance Between a Synchronous Generator and a Three-Phase Inverter. In Proceedings of the 2020 IEEE Energy Conversion Congress and Exposition (ECCE), Detroit, MI, USA, 11–15 October 2022; pp. 133–138. [Google Scholar]
- Liu, J.; Vazquez, S.; Wu, L. Extended State Observer-Based Sliding-Mode Control for Three-Phase Power Converters. IEEE Trans. Ind. Electron. 2017, 64, 22–31. [Google Scholar] [CrossRef]
- Long, B.; Zeng, W.; Rodríguez, J. Voltage Regulation Enhancement of DC-MG Based on Power Accumulator Battery Test System: MPC-Controlled Virtual Inertia Approach. IEEE Trans. Smart Grid 2022, 13, 71–81. [Google Scholar] [CrossRef]
- Zheng, X.; Shi, X.; Li, H. VSG Control Strategy Based on Model Predictive for Islanded Microgrid Inverter. In Proceedings of the IECON 2021–47th Annual Conference of the IEEE Industrial Electronics Society, Toronto, ON, Canada, 13–16 October 2021; pp. 1–7. [Google Scholar]
- Xia, C.; Liu, T.; Shi, T.; Song, Z. A Simplified Finite-Control-Set Model-Predictive Control for Power Converters. IEEE Trans Ind. Inform. 2014, 10, 991–1002. [Google Scholar]



















Disclaimer/Publisher’s Note: The statements, opinions and data contained in all publications are solely those of the individual author(s) and contributor(s) and not of MDPI and/or the editor(s). MDPI and/or the editor(s) disclaim responsibility for any injury to people or property resulting from any ideas, methods, instructions or products referred to in the content. |
© 2023 by the authors. Licensee MDPI, Basel, Switzerland. This article is an open access article distributed under the terms and conditions of the Creative Commons Attribution (CC BY) license (https://creativecommons.org/licenses/by/4.0/).
Share and Cite
Zheng, F.; Su, M.; Liu, B.; Liu, W. Adaptive Virtual Inertia Control Strategy for a Grid-Connected Converter of DC Microgrid Based on an Improved Model Prediction. Symmetry 2023, 15, 2072. https://doi.org/10.3390/sym15112072
Zheng F, Su M, Liu B, Liu W. Adaptive Virtual Inertia Control Strategy for a Grid-Connected Converter of DC Microgrid Based on an Improved Model Prediction. Symmetry. 2023; 15(11):2072. https://doi.org/10.3390/sym15112072
Chicago/Turabian StyleZheng, Feng, Minghong Su, Baojin Liu, and Wanling Liu. 2023. "Adaptive Virtual Inertia Control Strategy for a Grid-Connected Converter of DC Microgrid Based on an Improved Model Prediction" Symmetry 15, no. 11: 2072. https://doi.org/10.3390/sym15112072
APA StyleZheng, F., Su, M., Liu, B., & Liu, W. (2023). Adaptive Virtual Inertia Control Strategy for a Grid-Connected Converter of DC Microgrid Based on an Improved Model Prediction. Symmetry, 15(11), 2072. https://doi.org/10.3390/sym15112072

