Active Mitigation Strategy of Structure-Borne Vibration with Complex Frequency Spectra from Asymmetric Plate-like Mounting Systems in Next Generation Mobilities
Abstract
1. Introduction
2. Problem Formulation
3. Modeling of an Active Mounting System
3.1. Lumped Parameter Approach
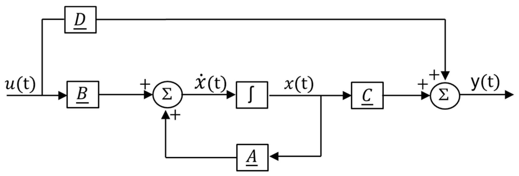
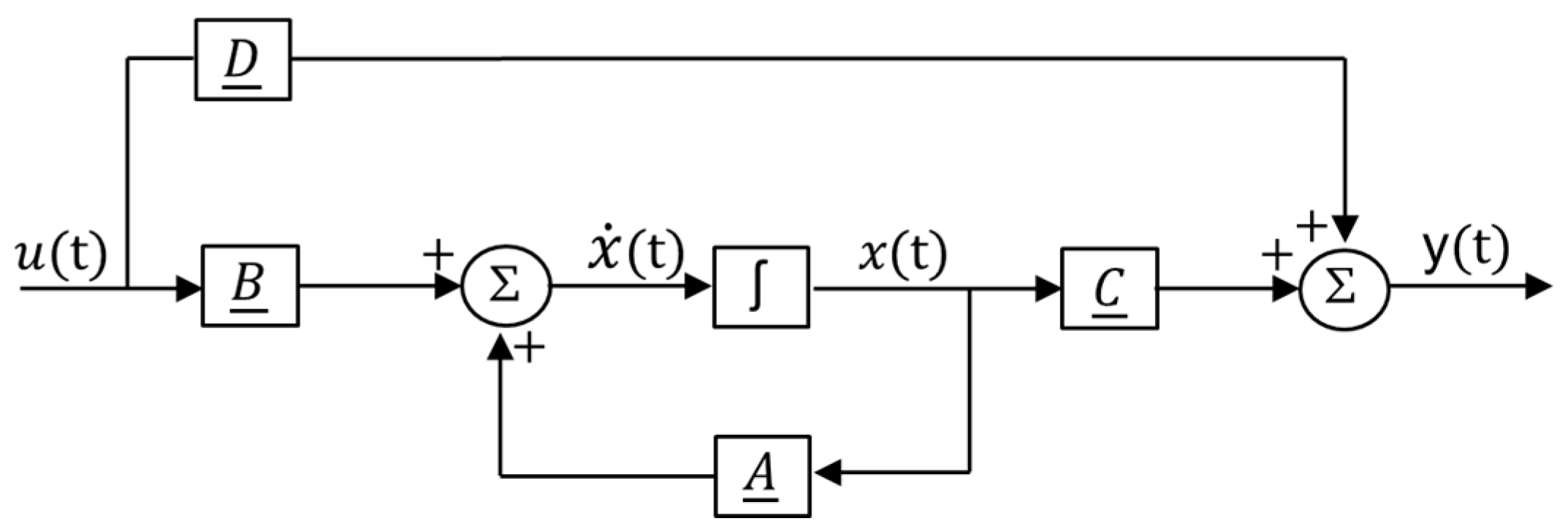
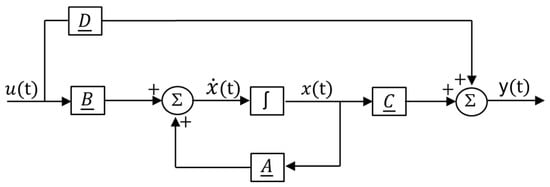
3.2. State-Space Model
4. Multi-NLMS Algorithm
5. Results from Computational Analysis
5.1. Sinusoids
5.2. Amplitude Modulated Signal
5.3. Frequency Modulated Signal
6. Conclusions
Author Contributions
Funding
Data Availability Statement
Conflicts of Interest
References
- Sampath, A.; Balachandran, B. Studies on performance functions for interior noise control. Smart Mater. Struct. 1997, 6, 315–332. [Google Scholar] [CrossRef]
- Moustafa, A.B.; Balachandran, B. Control of enclosed sound fields using zero spillover schemes. J. Sound Vib. 2006, 292, 645–660. [Google Scholar]
- Sui, L.; Xiong, X.; Shi, G. Piezoelectric Actuator Design and Application on Active Vibration Control. In Proceedings of the 2012 International Conference on Solid State Devices and Materials Science, Kyoto, Japan, 25–27 September 2012; Volume 25, pp. 1388–1396. [Google Scholar]
- Roman, K.; Sven, H.; Jonathan, M.; Timo, J. Development of Active Engine Mounts Based on Piezo Actuators. ATZ Worldw. 2014, 116, 46–51. [Google Scholar]
- Santhosh, K.D.; RaviTeja, R.M.; Jayakumar, V.; SaiVirinchy, C.; Hafeez, A.A. Studies on design and material aspects of IC engine mounts for vibration reduction. Int. J. Pure Appl. Math. 2018, 118, 355–366. [Google Scholar]
- Schwibinger, P.; Hendrick, D.; Wu, W. Reduction of vibration and noise in the powertrain of passenger cars with elastomer dampers. SAE Trans. 1991, 100, 787–795. [Google Scholar]
- Jiang, J.; Gao, W.; Wang, L.; Teng, Z.; Liu, Y. Active vibration control based on modal controller considering structure-actuator interaction. J. Mech. Sci. Technol. 2018, 32, 3515–3521. [Google Scholar] [CrossRef]
- Mansour, H.; Arzanpour, S.; Golnaraghi, M.F. Active decoupler hydraulic engine mount design with application to variable displacement engine. J. Vib. Control. 2010, 17, 1498–1508. [Google Scholar] [CrossRef]
- Heng, H.Z.; Wen, K.S. Model of the Secondary Path between the Input Voltage and the Output Force of an Active Engine Mount on the Engine Side. Math. Probl. Eng. 2020, 2020, 6084169. [Google Scholar]
- Bruant, I.; Coffignal, G.; Lene, F.; Verge, M. A methodology for determination of piezoelectric actuator and sensor location on beam structures. J. Sound Vib. 2001, 243, 861–882. [Google Scholar] [CrossRef]
- Chhabra, D.; Bhushan, G.; Chandna, P. Multilevel optimization for the placement of piezo-actuators on plate structures for active vibration control using modified heuristic genetic algorithm. In Industrial and Commercial Applications of Smart Structures Technologies; SPIE: Bellingham, WA, USA, 2014. [Google Scholar]
- Vahid, F.; Abdolreza, O. Robust control of automotive engine using active engine mount. J. Vib. Control. 2012, 19, 1024–1050. [Google Scholar]
- Farjoud, A.; Taylor, R.; Schumann, E.; Schlangen, T. Advanced semi-active engine and transmission mounts: Tools for modelling, analysis, design, and tuning. Veh. Syst. Dyn. 2014, 52, 218–243. [Google Scholar] [CrossRef]
- Bruant, I.; Gallimard, L.; Nikoukar, S. Optimal piezoelectric actuator and sensor location for active vibration control using genetic algorithm. J. Sound Vib. 2010, 329, 1615–1635. [Google Scholar] [CrossRef]
- Tran, H.Q.; Vu, V.T.; Tran, M.T. optimal placement and active vibration control of composite plates integrated piezoelectric sensor/actuator pairs. J. Sci. Technol. 2018, 56, 113–126. [Google Scholar]
- Kim, B.; Washington, N.G.; Singh, R. Control of incommensurate sinusoids using enhanced adaptive filtering algorithm based on sliding mode approach. J. Vib. Control. 2012, 19, 1265–1280. [Google Scholar] [CrossRef]
- Kim, B.; Washington, N.G.; Singh, R. Control of modulated vibration using an enhanced adaptive filtering algorithm based on model-based approach. J. Sound Vib. 2012, 331, 4101–4114. [Google Scholar] [CrossRef]
- Kim, B.; Washington, N.G.; Yoon, H.S. Active vibration suppression of a 1D piezoelectric bimorph structure using model predictive sliding mode control. Smart Mater. Struct. 2013, 11, 623–635. [Google Scholar] [CrossRef]
- Liette, J.; Dreyer, J.T.; Singh, R. Interaction between two active structural paths for source mass motion control over mid-frequency range. J. Sound Vib. 2014, 333, 2369–2385. [Google Scholar] [CrossRef]
- Pelinescu, I.; Balachandran, B. Analytical study of active control of wave transmission through cylindrical struts. Smart Mater. Struct. 2001, 10, 121–136. [Google Scholar] [CrossRef]
- Mahapatra, R.D.; Gopalakrishnan, S.; Balachandran, B. Active feedback control of multiple waves in helicopter gearbox support struts. Smart Mater. Struct. 2001, 10, 1046–1058. [Google Scholar] [CrossRef]









, controlled with NLMS
.
, controlled with NLMS
.

, controlled with NLMS
.
, controlled with NLMS
.
, controlled with NLMS
.
, controlled with NLMS
.

| Parameters | Values | Unit |
|---|---|---|
| or 60 | ||
| ∆L [dB] | Path 1 (Active Path) | Path 2 (Active Path) | Path 3 (Passive Path) |
|---|---|---|---|
| Frequency | 460 Hz | 460 Hz | 460 Hz |
| Original | 284.8 | 286.2 | 191.5 |
| NLMS Control | 219.4 | 219.5 | 156.4 |
| Decreasing Rate | 65.4%↓ | 66.7%↓ | 35.1%↓ |
| ∆L [dB] | Path 1 (Active Path) | Path 2 (Active Path) | Path 3 (Passive Path) | ||||||
|---|---|---|---|---|---|---|---|---|---|
| Frequency | 300 Hz | 460 Hz | 620 Hz | 300 Hz | 460 Hz | 620 Hz | 300 Hz | 460 Hz | 620 Hz |
| Original | 272.6 | 266.5 | 239.6 | 273.9 | 267.8 | 241.1 | 181.7 | 173.3 | 145.7 |
| Multi-NLMS Control | 202.4 | 216.6 | 202.7 | 204.1 | 214.4 | 204.0 | 136.8 | 130.0 | 118.8 |
| Decreasing Rate | 70.2%↓ | 49.9%↓ | 36.9%↓ | 69.8%↓ | 53.4%↓ | 37.1%↓ | 44.9%↓ | 43.3%↓ | 26.9%↓ |
| ∆L [dB] | Path 1 (Active Path) | Path 2 (Active Path) | Path 3 (Passive Path) | ||||||
|---|---|---|---|---|---|---|---|---|---|
| Frequency | 400 Hz | 460 Hz | 520 Hz | 400 Hz | 460 Hz | 520 Hz | 400 Hz | 460 Hz | 520 Hz |
| Original | 247.9 | 222.6 | 236.2 | 249.3 | 224.1 | 237.6 | 155.2 | 129.9 | 142.6 |
| Multi-NLMS Control | 176.7 | 159.3 | 175.2 | 181.7 | 151.9 | 174.3 | 119.3 | 91.5 | 107.2 |
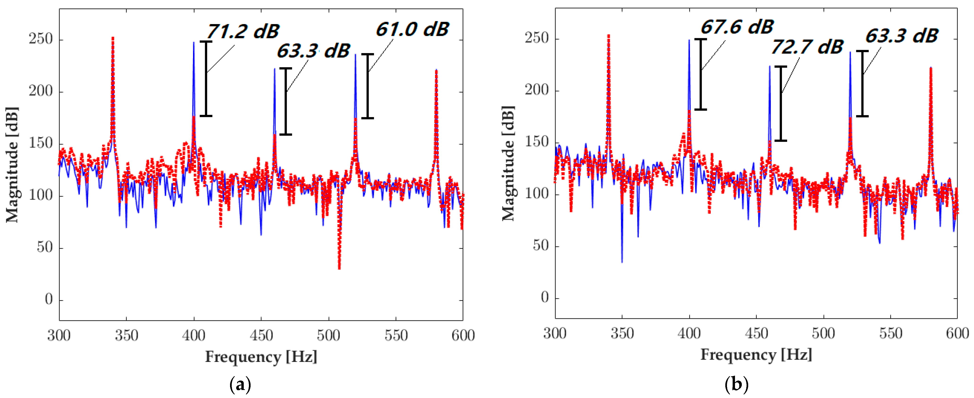
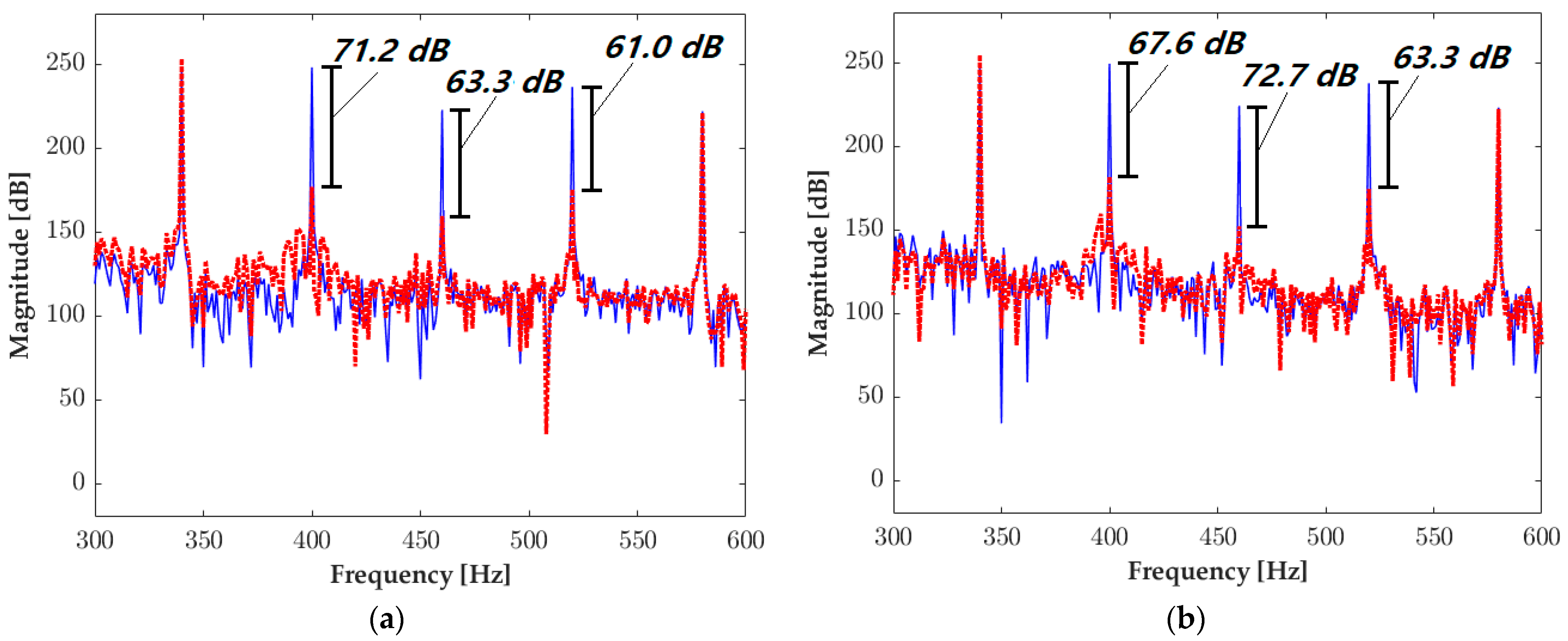
| Decreasing Rate | 71.2%↓ | 63.3%↓ | 61.0%↓ | 67.6%↓ | 72.2%↓ | 63.3%↓ | 35.9%↓ | 38.4%↓ | 35.4%↓ |
Disclaimer/Publisher’s Note: The statements, opinions and data contained in all publications are solely those of the individual author(s) and contributor(s) and not of MDPI and/or the editor(s). MDPI and/or the editor(s) disclaim responsibility for any injury to people or property resulting from any ideas, methods, instructions or products referred to in the content. |
© 2023 by the authors. Licensee MDPI, Basel, Switzerland. This article is an open access article distributed under the terms and conditions of the Creative Commons Attribution (CC BY) license (https://creativecommons.org/licenses/by/4.0/).
Share and Cite
Qiu, Y.; Hong, D.; Kim, B. Active Mitigation Strategy of Structure-Borne Vibration with Complex Frequency Spectra from Asymmetric Plate-like Mounting Systems in Next Generation Mobilities. Symmetry 2023, 15, 178. https://doi.org/10.3390/sym15010178
Qiu Y, Hong D, Kim B. Active Mitigation Strategy of Structure-Borne Vibration with Complex Frequency Spectra from Asymmetric Plate-like Mounting Systems in Next Generation Mobilities. Symmetry. 2023; 15(1):178. https://doi.org/10.3390/sym15010178
Chicago/Turabian StyleQiu, Yang, Dongwoo Hong, and Byeongil Kim. 2023. "Active Mitigation Strategy of Structure-Borne Vibration with Complex Frequency Spectra from Asymmetric Plate-like Mounting Systems in Next Generation Mobilities" Symmetry 15, no. 1: 178. https://doi.org/10.3390/sym15010178
APA StyleQiu, Y., Hong, D., & Kim, B. (2023). Active Mitigation Strategy of Structure-Borne Vibration with Complex Frequency Spectra from Asymmetric Plate-like Mounting Systems in Next Generation Mobilities. Symmetry, 15(1), 178. https://doi.org/10.3390/sym15010178

