Abstract
In the context of energy transformation, new energy technologies are developing rapidly, the penetration rate of new energy is increasing, and the energy structure tends to be low-carbon, which leads to the asymmetry between traditional energy and new energy. At present, the smart power grid can be conceived as a complex cyber-physical system, and its resilience assessment in the face of extreme disasters needs more holistic consideration. Therefore, considering the impact of massive access to new energy on the resilience of the power grid main network, the resilience evaluation index system of the power grid main network under the background of the energy transition is established. It is proposed to use the priority comparison method and CRITIC (Criteria Importance Through Intercriteria Correlation) to determine the subjective weight and subjective and objective weight of the index, respectively, and combine the influence of the two weights to obtain the comprehensive weight. Then, TOPSIS (Technique for Order Preference by Similarity to Ideal Solution) is used to evaluate the regional power grid restoring force. The results of an example show that the proposed method can effectively evaluate the resilience level of the power grid under the background of the energy transition, which has a certain guiding significance for improving the power grid’s resilience under the environment of energy transformation.
1. Introduction
With the continuous progress and maturity of new energy power generation technology, the permeability of renewable energy in the power grid is gradually increasing, which leads to the asymmetry between traditional animation and new energy in the energy structure of the power grid [1,2]. In recent years, abnormal global climate change has led to frequent extreme disasters [3], which have affected the power grid in varying degrees under the background of energy transformation [4,5,6]. Now the smart grid can be conceived as a complex cyber-physical system, and the main network is its main transmission network [7]. It is of great significance to study the resilience evaluation of its response to extreme natural disasters, which can enhance the flexibility of the power grid and reduce the loss of the power grid in the face of extreme natural disasters [8,9].
Many scholars have carried out research on the evaluation of power grid resilience. Literature [10] combines various features of the concept of power system resilience, puts forward a quantitative evaluation framework of power system resilience considering multi-infinitesimal effects, and describes the recovery process from the perspective of resilience according to the severity and types of events. Reference [11] analyzes the role of self-sufficient microgrids and networked microgrids in improving the elasticity of power systems. Reference [12] introduced a set of factors that are utilized for the resiliency quantification of microgrid (MG) systems. Reference [13] proposed an innovative multi-layered architecture to deploy heterogeneous automation and monitoring systems for microgrids. The comprehensive fuzzy evaluation method is proposed in reference [14] to quantify the power grid’s resilience. The above literature shows that the microgrid structure can improve the power grid’s resilience. However, it is necessary to consider the asymmetry of the energy structure caused by the increase in the penetration rate of new energy. In reference [15], a method based on enhancing the flexibility of the distribution network is proposed by combining distributed power planning with network reconfiguration. Literature [16] presented a pre-dispatch model of distribution networks considering the consequences of random failure. Reference [17] proposes a demonstration framework to enhance the resilience of the distribution network by using multi-microgrid and mobile energy storage under extreme operating conditions. However, the research object is limited to the distribution network, and little consideration is given to the resilience of the main network. Reference [18] studies the use of defensive islands to improve the power grid’s resilience to extreme weather events and evaluates the resilience based on the vulnerability curve. However, the research on the specific power grid resilience evaluation methods is insufficient. The research on the power grid resilience assessment in the above literature is mainly focused on the distribution network. There are few studies on the resilience assessment of the main grid, and the impact of new energy access on the power grid resilience is rarely considered.
Given the above problems, this paper constructs the evaluation index system of the resilience of the main network under the background of energy transformation. It puts forward the evaluation method of the resilience of the main network based on comprehensive weight and TOPSIS (Technique for Order Preference by Similarity to Ideal Solution) to quantify the resilience level of the main network. Firstly, according to the time dimension of the recovery process of a severe disaster, the power grid is divided into the pre-disaster prevention stage, disaster development stage, and post-disaster recovery stage. In the spatial dimension, the main network is divided into the power generation side and transmission side. Secondly, we consider the asymmetry of the grid energy structure in the energy transition context. In extreme disasters, the performance losses of new energy units and traditional thermal power units on the generation side are counted and calculated, respectively. The recovery efficiency of new energy units and traditional units in the recovery stage is calculated separately; the key busbar’s load loss rate and the recovery rate are taken as essential indices on the transmission side. And the evaluation index system of power grid resilience under the background of energy transformation is constructed. Finally, to avoid the deficiency of the single weighting method, the subjective weight of the index is obtained by using the priority comparison method, and the CRITIC (Criteria Importance Through Intercriteria Correlation) obtains the objective weight of the index [19], and then the comprehensive weight is obtained by combining the two. On this basis, the TOPSIS is used to comprehensively evaluate the resilience of the main grid [20,21].
The structure of the rest of the paper is as follows. Section 2 constructs the evaluation index system of the main network resilience under the background of energy transformation. Section 3 introduces the calculated index comprehensive weight method and the main network resilience evaluation method and carries on the modelling. Section 4 analyzes the feasibility of the proposed approach through an example, and Section 5 is the conclusion and prospect part.
2. Index System for Evaluating the Resilience of the Main Power Grid under the Background of Energy Transformation
This section first analyzes the influence of the time and space dimensions on the power grid in the face of extreme disasters. It puts forward the corresponding resilience index in the time and space dimensions. Together, each part of the index constitutes the evaluation index system of the resilience of the main power grid.
2.1. Spatio-Temporal Dimension Division of Disaster Recovery Process of the Main Power Grid
The destruction and impact of extreme disasters on the power grid are carried out in space-time [22,23]. To propose a resilience index that can accurately reflect the disaster response capability of the main power grid, we divide the recovery process of extreme disasters into three stages according to the time dimension. As shown in Figure 1, in the pre-disaster prevention stage t0~t1, the power grid can take some disaster prevention measures in the normal working stage, and the resilience index in this stage is mainly related to pre-prevention. In the disaster development stage t1~t3, extreme disasters cause continuous damage to the power grid, and the resilience index in this stage is mainly related to the severity of the loss caused by the disaster to the power grid. In the post-disaster recovery stage t3~t4, the power grid gradually recovers from the damage through adjustment, and the resilience index in this stage is mainly based on recovery efficiency [24].
Figure 1.
The disaster recovery process of the power grid in the time dimension.
Then, in space, the disaster and recovery on the generation side and the disaster and recovery on the transmission side are considered, respectively.
Finally, the corresponding resilience indices are put forward according to the three stages of time division and the two parts of space.
2.2. Index System for Evaluating the Resilience of the Main Network in Space-Time Dimension under the Background of Energy Transformation
With the rapid development of new energy-related technologies, the proportion of renewable energy such as wind power and photovoltaics connected to the power grid is increasing. The relevant indices of traditional power grid resilience evaluation cannot accurately evaluate the resilience of the power grid. Therefore, considering the asymmetry of energy structure, this paper puts forward the evaluation index system of the resilience of the main power grid under the background of energy transformation according to the division of time and space.
Time dimension: consider the prevention capability of the power grid before the disaster, including emergency resource regulation and control capability, uniformity of important load distribution, crisis early warning ability, new energy prediction accuracy, regional standby power coverage. In the catastrophe development stage, the power grid performance loss is mainly considered, and the new energy units are considered separately from the traditional thermal power units. The indices include the power loss of traditional thermal power units, the power loss of new energy units, the loss of key busload, the total load loss, and power outage loss. The recovery efficiency is considered in the post-disaster recovery stage, including traditional unit recovery efficiency, new energy unit recovery efficiency, key load recovery efficiency and total load recovery efficiency.
In terms of spatial dimension, new energy units are considered separately from traditional units on the generation side. These include substation total shutdown check pass rate, traditional unit outage rate, and new energy unit outage rate. The transmission side takes the key bus load-related index as the essential index, including transmission line strength, key bus load loss rate, and total load loss rate.
Power grid resilience considers the ability to minimize load loss under extreme weather conditions, and power grid reliability describes the ability to meet the power supply needs of users under normal operating conditions. Both of them describe the fault state characteristics of the power grid from different angles. The reliability index SAIDI and SAIFI characterize the time to eliminate power grid faults. Their characteristics can also be used to evaluate the power grid’s resilience. Therefore, these two indices are added to the disaster recovery phase of the resilience index system to assess the power grid’s resilience more accurately.
The index system of the resilience of the main power grid is shown in Table 1 below:
Table 1.
Resilience index system of main power grid under the background of energy transition.
The index system proposed in this paper includes, but is not limited to, the indices mentioned in this paper. The index proposed in this paper is the most basic indices for evaluating the power grid’s resilience with the gradual increase of new energy permeability. According to the different extreme disasters suffered in different regions, some indices related to disasters should be increased appropriately.
3. Calculation of Index Weight and Evaluation of Resilience of Main Power Grid
This section first introduces the calculation method of the subjective and objective weight of the index and then combines the two to get the comprehensive weight of the index. Then a model for evaluating the resilience of the main power grid based on TOPSIS is constructed.
3.1. Subjective Weight of Indices
In this paper, the priority order comparison method is used to calculate the subjective weight of the index, which mainly aims at the situation of multiple indices, compares the indices in pairs, and sorts the index in the index system. This method can be easily applied to multi-index problems, and it can also deal with qualitative issues and quantitative issues. This method depends on experts’ subjective experience and judgment and can reflect the importance of indices in the actual power grid.
The specific steps of the priority order comparison method are as follows:
- (1)
- The importance of assignment of indices
The importance judgment level is expressed by the five levels of 1, 2, 3, 4 and 5, and the experts grade the importance of the index by pairwise comparison of the index; if one index importance is 5, the other index importance is 0; if one index is 3, the other index importance is 2.
- (2)
- Calculate the score of each index
Suppose the important assignment of the index is obtained through step 1, as shown in Table 2, and the score of each index is added to get the total score of the index.
Table 2.
Index scores of the priority comparison method.
- (3)
- Calculate the subjective weight of the index
According to the index score obtained in step 2, The score of the index x1, x2, x3, …, xn is A1, A2, A3, ……, An, respectively. Then the subjective weight of the ith index of the sample is αi.
Then the subjective weight vector is .
3.2. Objective Weights of Indices
The objective weights of the indices in this paper are calculated using the CRITIC method. This method characterizes the objective weights of indices in terms of the contrast of index data and the conflicting nature of indices. It uses the objective properties of the data itself to assign weights to indices objectively. With m assessment samples and n evaluation indices, the evaluation matrix X can be obtained as follows:
The calculation steps of the CRITIC for calculating the objective weights are as follows:
- (1)
- Positive indices
Since there are both benefit indices and cost indices in the resilience index system constructed in this paper, the co-existence of the two indices will increase the amount of calculation of the index system. To facilitate the follow-up quantitative evaluation, we forward the indicators, take the cost-based index will be converted into the benefit-based index. The conversion mode is shown in Formula (3).
where, is the maximum value of the ith index, that is, the maximum value of the ith column of the matrix .
After the above forwarding, we get the positive evaluation matrix X′:
- (2)
- Calculate the index contrast and conflict
In the CRITIC, the contrast of the index is expressed by the standard deviation between the indices, that is, the difference between the values of the same index in different schemes, and the conflict between the indices is expressed by the correlation coefficient, indicating the degree of difference between the index and other indices in the index system.
The formula for calculating the contrast of the index is shown in Formula (5):
In the formula, represents the mean value of each scheme of the jth index; represents the standard deviation of the jth index. The larger the , the greater the fluctuation of the index, the more information it reflects, and the more potent its evaluation strength.
The formula for calculating the conflict of indices is shown in Formula (6):
In the formula, represents the correlation coefficient between the evaluation index i and j; indicates the conflict between the j index and other indices. The smaller suggests that the information expressed by this index is similar to other indices, which weakens the evaluation intensity of the index to a certain extent.
Calculate the amount of information and objective weight of the index.
The CRITIC calculates the amount of information contained in the index by analyzing the contrast and conflict of the index. The formula is shown in Formula (7):
indicates the amount of information contained in the index. The larger the , the greater the amount of information contained in the jth index, then the index is relatively important, and the weight should be more significant.
To sum up, the objective weight βj calculation formula is shown in Formula (8):
Then, the objective weight vector is .
3.3. Comprehensive Weight of Indices
The subjective weight vector and objective weight vector are calculated by using the above priority comparison method and CRITIC. Because the subjective weight is subjective, and the objective weight cannot reflect the importance of the index in the actual power grid resilience evaluation, to obtain a more scientific comprehensive weight, according to the principle of minimum discriminant information in information theory, taking the minimum discriminant information as the optimization objective; getting the comprehensive weight is not less than 0 and the sum is 1 as the constraint condition, the objective function is established as shown in Formula (9):
By solving the mathematical optimization model, the comprehensive weight ω j is obtained, as shown in Formula (10):
Then, the comprehensive weight vector is .
3.4. Evaluation of Resilience of Main Power Grid
After obtaining the comprehensive weight of the evaluation index through the above calculation, the weighted index value of each evaluation sample can be obtained by weighted calculation of the index data, and all sample schemes can be comprehensively evaluated and calculated by the weighted index. In this paper, the TOPSIS is used to evaluate the resilience of the main power network of each sampling scheme. The principle of the TOPSIS is to select the optimal solution and the worst solution according to each evaluation scheme and get the ranking results of each scheme by calculating the proximity between the evaluation scheme and the optimal solution. It has the advantages of truthfulness, intuition and reliability and can accurately consider the comprehensive influence of many influence indices. It is a widely used comprehensive evaluation method.
The specific steps of TOPSIS are as follows:
- (1)
- Standardization of indices
When using TOPSIS, to eliminate the influence of different attributes of each index and get more intuitive results, the original index data were subjected to dimensionless normalization.
Let the standardized matrix be X. The calculation of each element in X is shown in Formula (11):
- (2)
- Determine the weighting matrix
According to the standard matrix and the comprehensive weight of the index, the weighted evaluation matrix is calculated, as shown in Formulas (12) and (13):
In the formula: is the j column of and is the j column of .
- (3)
- Calculate the relative distance
After the above indices are positive, standardized and weighted, the larger the value of the calculation result, the better the evaluation result. Therefore, the optimal solution is composed of the maximum value of each index, and the worst solution is composed of the minimum value of each index.
The formula for calculating the distance from the evaluation sample to the optimal solution and the distance to the worst solution is as follows:
In the formula: is the distance from the ith solution to the positive ideal solution, and is the distance from the ith solution to the negative ideal solution.
- (4)
- Calculate the relative closeness
TOPSIS uses relative closeness to characterize the distance relationship between the evaluation sample and the optimal or worst solution. The formula for calculating the relative closeness is shown in the Formula (18):
4. Case Study
This section first shows the example analysis process in the form of a flow chart, then takes a regional power grid as a sample to evaluate and analyze the resilience of its main network.
4.1. Evaluation Process
According to the evaluation index system of the main network resilience under the background of energy transformation, combined with the above evaluation methods, the evaluation process of the main network resilience is shown in Figure 2.
Figure 2.
Assessment process of main grid resilience under the background of energy transformation.
4.2. Case Analysis
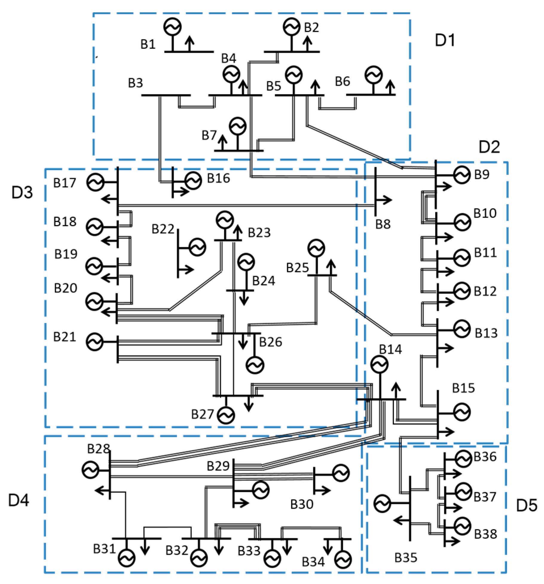
To verify that the evaluation index system and method proposed in this paper can effectively evaluate the resilience level of the main power grid in the context of the energy transition, we take the power grids of four areas in one region as the evaluation samples. The power grids of four areas in a region are taken as evaluation samples. This area is located in a coastal city, and its extreme disasters are mainly typhoons. Taking the typhoon disasters in this area as an example, we evaluated the area’s resilience level after external shocks. The regional grid transmission network is shown in Figure 3.
Figure 3.
Transmission network diagram of a regional power grid.
According to the index system of the article, we organized experts to evaluate and score the qualitative indices of the four sample areas and obtained quantitative indices data through random production simulation and the SCADA (Supervisory Control And Data Acquisition) system. SCADA system can store rich data types, such as digital, analogue, etc. The relevant indices can collect typical data from a large number of historical data and apply them to the evaluation and calculation of this paper. According to historical experience and data statistics, area A performs relatively well in all aspects of extreme disasters; area B performs better in post-disaster recovery and new energy recovery; area C has more comprehensive measures in the pre-disaster prevention phase. However, the performance in the post-disaster recovery of new energy is poor, and area D in the face of extreme disasters needs to be improved in all aspects. In this paper, the model proposed in this paper is realized by MATLAB programming. The obtained data are brought into the model to evaluate the resilience of the main network in the sample area. The specific steps are as follows:
(1) Calculation of subjective and objective weights of indices. Organize relevant experts to score its importance by pairwise comparison of indices. Then calculate the subjective weight of the indicator according to the scoring result. Then calculate the contrast coefficient and conflict coefficient of the index, calculate the information amount of the index, and obtain the objective weight of the index, as shown in Table 3 below.
Table 3.
Subjective and objective weights of indices.
(2) Combining the subjective weight and the objective weight, the final comprehensive weight can be obtained by Formula (9), as shown in Table 4.
Table 4.
Comprehensive weight of indices.
Among them, the comprehensive weights of SAIFI and SAIDI in the resilience index system are 0.0513 and 0.0509, respectively, which shows that the reliability index of fault elimination time still plays an essential role in the resilience index proposed in this paper.
(3) Comprehensive assessment using TOPSIS. After standardizing the indices, they are weighted in combination with Table 3, and the optimal solution and the worst solution are obtained by Formulas (13) and (14). The relative distance of the worst solution is:
= [0.2290, 0.3121, 0.2813, 0.4050];
= [0.4533, 0.3074, 0.2768, 0.2963].
According to Formula (17), calculate the relative closeness of each evaluation sample, as shown in Table 5.
Table 5.
The relative closeness of regional power grids.
The greater the relative closeness, the higher the level of resilience of the main grid in the region. From the calculation results in Table 4, it can be concluded that for the four sample areas A, B, C, and D, the order of the main network resilience is A > B > C > D. Among them, Region A has the highest level of resilience. Regions B and C have different emphases on the actual disaster response and recovery measures, but the comprehensive resilience level is close. Region B has slightly higher resilience than Region C due to the better performance of post-disaster recovery and new energy-related indices. Region D has a low level of resilience and needs to take measures to improve it further. The assessment results align with historical data and disaster response simulations in each region. The evaluation index system proposed in this paper can comprehensively and effectively evaluate the resilience level of the main power grid in the context of the energy transition and has a guiding role in improving the resilience of power grids in the context of the energy transition.
To verify the scientificity and superiority of the comprehensive index weight modelling method based on the priority comparison method and CRITIC, we take the entropy weight method to calculate the index weight and compare it with the article method, as shown in Figure 4.
Figure 4.
Comparison of subjective and objective weights and comprehensive weights of indices.
As shown in Figure 4, the comprehensive weight of the index proposed in this paper is more average, fully considering the influence of subjective and objective factors, and is more in line with the actual power grid.
In Table 6, result 1 is the resilience score of the method proposed in this paper, and result 2 is the resilience evaluation score obtained by using the entropy weight method and grey relational analysis method to evaluate the example. It can be seen that the resilience evaluation result of the latter is A > C > B > D. This indicates that due to the lack of consideration of the increase in the permeability of new energy in the actual power grid, as well as the subjective and practical effects such as the equipment and line strength on the transmission side of the main network, it is concluded that the resilience of area B is lower than that of area C, it is not in line with the performance of the actual power grid in the face of extreme disasters. Therefore, by comparing the above two evaluation results, it is proved that the evaluation method proposed in this paper is accurate and practical.
Table 6.
Comparison of evaluation results.
5. Conclusions
Aiming to evaluate the resilience of the main power grid under the background of energy transformation, we propose a comprehensive evaluation method based on comprehensive weight and TOPSIS and uses this method to evaluate and analyze the resilience of the main power grid in four sample areas of a city. The conclusions are as follows:
- According to the time and space process of power grid disasters and considering the improvement of new energy permeability of the power grid, we analyze the new energy units and traditional units respectively and establish the disaster resistance index system of the main network under the background of energy conversion;
- Using the priority comparison method and the CRITIC method to calculate the subjective and objective weights of the indices, consider the influence of the two weights, and combine the two weights to form a comprehensive weight. Then, the comprehensive weights are integrated into TOPSIS to calculate the relative closeness of the evaluation samples to the ideal samples and realize an effective evaluation of the elasticity level of the main network through the ranking of relative closeness;
- A numerical example is given to verify the effectiveness of the comprehensive evaluation method of the main power network under the background of energy transformation. The example results show that the evaluation results are basically consistent with the actual situation.
This paper puts forward the index system of power grid resilience for extreme disasters and the evaluation method of resilience, which provides a train of thought for the research of an elastic power grid. On this basis, the measures to improve the resilience of the power grid need to be further studied, for example, the power side can plan the new energy stations for the purpose of improving the resiliency, and the role of the microgrid in improving the resilience of the power grid can be studied on the distribution network side. in the future, we need to study further the measures to maximize the resilience of the power grid at a reasonable cost.
Author Contributions
Conceptualization, J.G. and Z.L.; methodology, J.G.; software, Z.L.; validation, J.G. and Z.L.; formal analysis, J.G.; investigation, J.G.; data curation, J.G.; writing—original draft preparation, J.G.; writing—review and editing, J.G. and Z.L.; supervision, J.G. All authors have read and agreed to the published version of the manuscript.
Funding
This work is supported by Science and Technology Project of State Grid Zhejiang Electric Power Co., Ltd. (No.2021ZK30).
Institutional Review Board Statement
Not applicable.
Data Availability Statement
Not applicable.
Conflicts of Interest
The authors declare no conflict of interest.
References
- Chawda, G.S.; Shaik, A.G.; Shaik, M.; Padmanaban, S.; Holm-Nielsen, J.B.; Mahela, O.P.; Kaliannan, P. Comprehensive Review on Detection and Classification of Power Quality Disturbances in Utility Grid with Renewable Energy Penetration. IEEE Access 2020, 8, 146807–146830. [Google Scholar] [CrossRef]
- Wang, S.; Qin, S.; Yang, P.; Sun, Y.; Zhao, B.; Yin, R.; Sun, S.; Tian, C.; Zhao, Y. Research on the New Topology and Coordinated Control Strategy of Renewable Power Generation Connected MMC-Based DC Power Grid Integration System. Symmetry 2021, 13, 1965. [Google Scholar] [CrossRef]
- Yan, J.; Hu, B.; Xie, K.; Tang, J.; Tai, H.-M. Data-Driven Transmission Defense Planning Against Extreme Weather Events. IEEE Trans. Smart Grid 2020, 11, 2257–2270. [Google Scholar] [CrossRef]
- Zhu, X.; Zeng, B.; Li, Y.; Liu, J. Co-Optimization of Supply and Demand Resources for Load Restoration of Distribution System Under Extreme Weather. IEEE Access 2021, 9, 122907–122923. [Google Scholar] [CrossRef]
- Ti, B.; Li, G.; Zhou, M.; Wang, J. Resilience Assessment and Improvement for Cyber-Physical Power Systems Under Typhoon Disasters. IEEE Trans. Smart Grid 2022, 13, 783–794. [Google Scholar] [CrossRef]
- Hou, H.; Yu, S.; Wang, H.; Xu, Y.; Xiao, X.; Huang, Y.; Wu, X. A Hybrid Prediction Model for Damage Warning of Power Transmission Line Under Typhoon Disaster. IEEE Access 2020, 8, 85038–85050. [Google Scholar] [CrossRef]
- Espejo, R.; Lumbreras, S.; Ramos, A. A Complex-Network Approach to the Generation of Synthetic Power Transmission Networks. IEEE Syst. J. 2019, 13, 3050–3058. [Google Scholar] [CrossRef]
- Bhusal, N.; Abdelmalak, M.; Kamruzzaman, M.; Benidris, M. Power System Resilience: Current Practices, Challenges, and Future Directions. IEEE Access 2020, 8, 18064–18086. [Google Scholar] [CrossRef]
- Ciapessoni, E.; Cirio, D.; Pitto, A.; Sforna, M. Quantification of the Benefits for Power System of Resilience Boosting Measures. Appl. Sci. 2020, 10, 5402. [Google Scholar] [CrossRef]
- Younesi, A.; Shayeghi, H.; Safari, A.; Siano, P. A Quantitative Resilience Measure Framework for Power Systems Against Wide-Area Extreme Events. IEEE Syst. J. 2021, 15, 915–922. [Google Scholar] [CrossRef]
- Hussain, A.; Bui, V.; Kim, H. Microgrids as a resilience resource and strategies used by microgrids for enhancing resilience. Appl. Energy 2019, 240, 56–72. [Google Scholar] [CrossRef]
- González, I.; Calderón, A.J.; Portalo, J.M. Innovative Multi-Layered Architecture for Heterogeneous Automation and Monitoring Systems: Application Case of a Photovoltaic Smart Microgrid. Sustainability 2021, 13, 2234. [Google Scholar] [CrossRef]
- Ibrahim, M.; Alkhraibat, A. Resiliency Assessment of Microgrid Systems. Appl. Sci. 2020, 10, 1824. [Google Scholar] [CrossRef] [Green Version]
- Zang, B.; Xie, X.; Zhou, X.; Lu, J. Quantitative Assessment Method of Power Grid Disaster Response Capability Based on Fuzzy Comprehensive Evaluation and Comprehensive Weight. IOP Conf. Ser. Earth Environ. Sci. 2021, 675, 012035. [Google Scholar] [CrossRef]
- Wang, H.; Wang, S.; Yu, L.; Hu, P. A Novel Planning-Attack-Reconfiguration Method for Enhancing Resilience of Distribution Systems Considering the Whole Process of Resiliency. Int. Trans. Electr. Energy Syst. 2020, 30, e12199. [Google Scholar] [CrossRef]
- Huang, T.; Wu, Z.; Wang, Y.; Tang, J.; Li, X.; Mo, Y.; Li, C.; Wu, W.; Xu, S.; Niu, T.; et al. A Novel Pre-Dispatching Strategy of Power System under Extreme Weather. Processes 2021, 9, 2112. [Google Scholar] [CrossRef]
- Mishra, D.K.; Ghadi, M.J.; Li, L.; Zhang, J.; Hossain, M.J. Active Distribution System Resilience Quantification and Enhancement through Multi-Microgrid and Mobile Energy Storage. Appl. Energy 2022, 311, 118665. [Google Scholar] [CrossRef]
- Panteli, M.; Trakas, D.N.; Mancarella, P.; Hatziargyriou, N.D. Boosting the Power Grid Resilience to Extreme Weather Events Using Defensive Islanding. IEEE Trans. Smart Grid 2016, 7, 2913–2922. [Google Scholar] [CrossRef]
- Shi, H.; Li, Y.; Jiang, Z.; Zhang, J. Comprehensive Power Quality Evaluation Method of Microgrid with Dynamic Weighting Based on CRITIC. Meas. Control. 2021, 54, 1097–1104. [Google Scholar] [CrossRef]
- Zhao, L.; Li, H.; Wang, Z.; Peng, D.; Xue, Y.; Ai, X. Comprehensive Evaluation of Power Grid Security and Benefit Based on BWM Entropy Weight TOPSIS Method. IOP Conf. Ser. Earth Environ. Sci. 2020, 619, 012053. [Google Scholar] [CrossRef]
- Zhang, M.; Sun, Q.; Yang, X. Research on the Assessment of the Capacity of Urban Distribution Networks to Accept Electric Vehicles Based on the Improved TOPSIS Method. IET Gener. Transm. Distrib. 2021, 15, 2804–2818. [Google Scholar] [CrossRef]
- Zhao, N.; Yu, X.; Hou, K.; Liu, X.; Mu, Y.; Jia, H.; Wang, H.; Wang, H. Full-Time Scale Resilience Enhancement Framework for Power Transmission System under Ice Disasters. Int. J. Electr. Power Energy Syst. 2021, 126, 106609. [Google Scholar] [CrossRef]
- Yang, Y.; Tang, W.; Liu, Y.; Xin, Y.; Wu, Q. Quantitative Resilience Assessment for Power Transmission Systems Under Typhoon Weather. IEEE Access 2018, 6, 40747–40756. [Google Scholar] [CrossRef]
- Li, Z.; Shahidehpour, M.; Aminifar, F.; Alabdulwahab, A.; Al-Turki, Y. Networked Microgrids for Enhancing the Power System Resilience. Proc. IEEE 2017, 105, 1289–1310. [Google Scholar] [CrossRef]
Publisher’s Note: MDPI stays neutral with regard to jurisdictional claims in published maps and institutional affiliations. |
© 2022 by the authors. Licensee MDPI, Basel, Switzerland. This article is an open access article distributed under the terms and conditions of the Creative Commons Attribution (CC BY) license (https://creativecommons.org/licenses/by/4.0/).



