A Highly Accurate Mathematical Model for Analyzing Modular Multilevel Converters in Transformer-Less Applications
Abstract
1. Introduction
- A highly accurate mathematical analysis model is firstly proposed for MMCs in transformer-less applications. Based on this model, all the electrical quantities of the MMC under the transformer-less connection scheme can be easily calculated, and the interactions among the electrical quantities can be fully seen. It is worth noting that the model is established in the time domain; as a result, the amplitude and phase angle of every harmonic component in each quantity can be directly obtained.
- Taking the zero-sequence current flow loop into consideration, the ac-side and dc-side equivalent models of MMCs in transformer-less applications are studied. The equivalent circuit model is established in both a–b–c stationary and d–q rotating coordinate systems, which can be used for analyzing the relationships among the external electrical quantities of the MMC.
- Case studies under various typical situations are carried out. The waveforms of typical electrical quantities are presented, and the calculated values are compared with the actual waveforms. The comparison results prove that the calculation error is small enough to be negligible; hence the proposed mathematical model can provide a powerful tool for the performance analysis and main circuit parameter design of MMCs in transformer-less applications.
2. Foundations
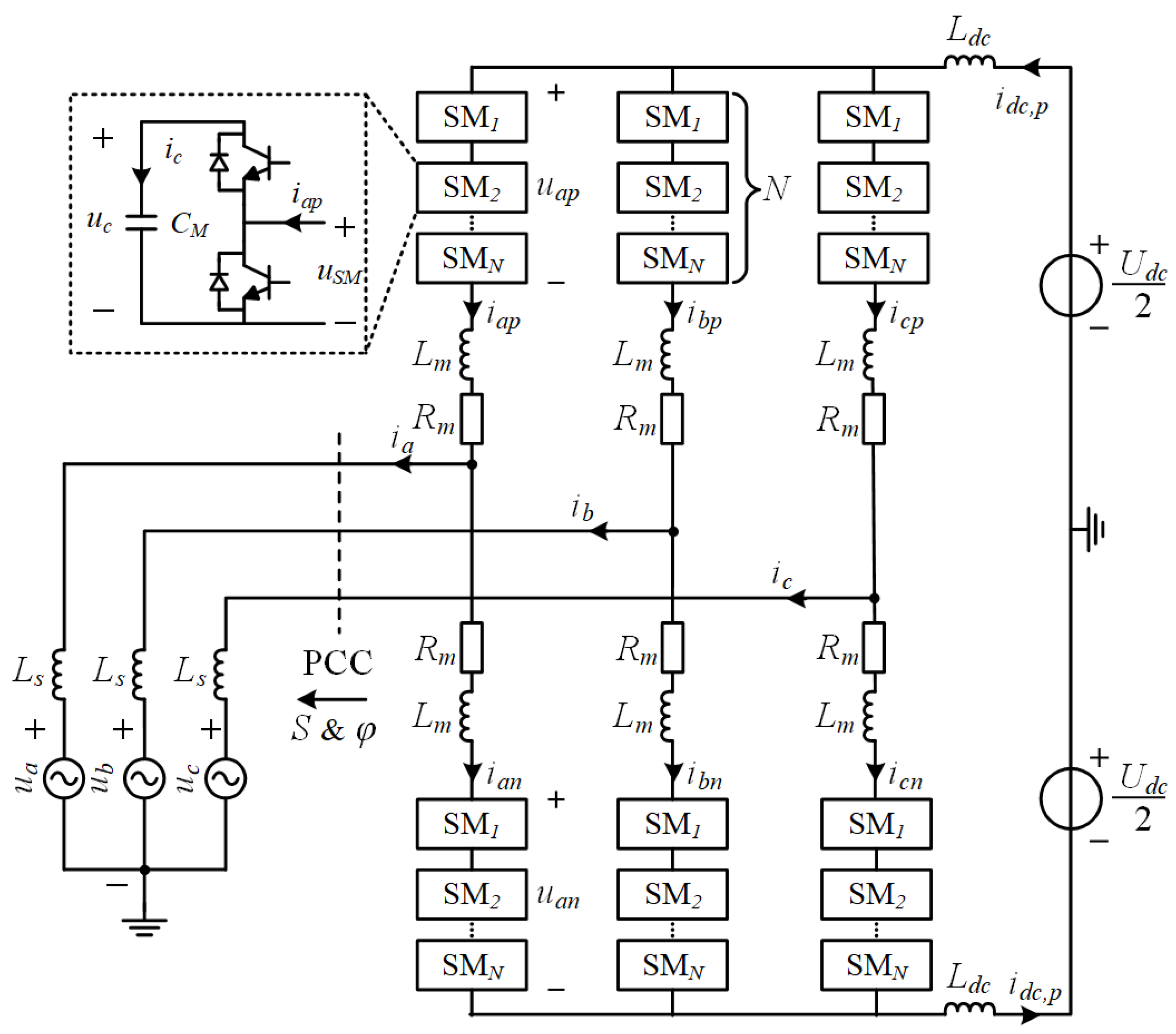
3. Equivalent Circuit Model for MMCs in Transformer-Less Applications
4. Mathematical Analysis Model for MMCs in Transformer-Less Applications
- STEP 1: The main circuit parameters of the MMC are input. These parameters include the SM capacitance CM, number of SM in one arm N, arm inductance Lm, dc-side rated voltage Udc, ac-side rated voltage Us, inductance of dc-current reactor Ldc, and equivalent ac system inductance Ls. These are the prerequisite parameters determining an MMC system.
- STEP 2: The six unknowns (Uc,dc, A1, α1, A2, α2, Im3, and β3) can be solved from the derived six equivalent equations shown in (24). The equivalent equations can be easily solved by numerical methods, such as Newton’s method, which is well known [31].
- STEP 3: After the amplitude and phase angle of the modulation signal are obtained, its time-varying values can be calculated by equations shown in (13).
- STEP 5: The upper- and lower-arm currents can be directly calculated by (5).
- STEP 6: The SM capacitor voltages in the upper and lower arms can be directly calculated based on the derived equations shown in (19) and (20).
- STEP 7: Finally, the time-varying values of the electrical quantities in the MMC can be obtained.
5. Case Study and Verification
5.1. Converter System Current in Transformer-Less Applications
5.2. SM Capacitor Voltage and Modulation Signals
5.3. Influence of Main Circuit Parameters
- Situation 1: The arm inductance Lm is changed to be 20 mH. The waveforms of electrical quantities are presented in Figure 7.
- Situation 2: The equivalent inductance of the ac-side system Ls is changed to be 20 mH. The waveforms of electrical quantities are presented in Figure 8.
- Situation 3: The inductance of the dc-side current reactor Ldc is changed to be 20 mH. The waveforms of electrical quantities are presented in Figure 9.
6. Conclusions
Author Contributions
Funding
Conflicts of Interest
References
- Rocabert, J.; Luna, A.; Blaabjerg, F.; Rodríguez, P. Control of power converters in AC microgrids. IEEE Trans. Power Electron. 2012, 27, 4734–4749. [Google Scholar] [CrossRef]
- Debnath, S.; Qin, J.; Bahrani, B.; Saeedifard, M.; Barbosa, P. Operation, control, and applications of the modular multilevel converter: A review. IEEE Trans. Power Electron. 2015, 30, 37–53. [Google Scholar] [CrossRef]
- Liu, Z.; Li, K.-J.; Guo, Z.; Wang, J.; Qian, J. Evaluating the over-modulation risk of modular multilevel converters by using dynamic modulation ratio. IEEE J. Emerg. Sel. Top. Power Electron. 2021. [Google Scholar] [CrossRef]
- Ansari, J.A.; Liu, C.; Khan, S.A. MMC based MTDC grids: A detailed review on issues and challenges for operation, control and protection schemes. IEEE Access 2020, 8, 168154–168165. [Google Scholar] [CrossRef]
- Yu, X.; Zhao, B.; Wang, S.; Wang, T.; Zhang, L. A topology analysis-based MMC-HVDC grid transmission capacity calculation method. Symmetry 2021, 13, 822. [Google Scholar] [CrossRef]
- Liu, Z.; Li, K.; Wang, J.; Li, L. A side-effect-free method of reducing capacitance requirement for modular multilevel converters. High Volt. 2022, 7, 461–472. [Google Scholar] [CrossRef]
- Farias, J.A.V.M.; Cupertino, A.F.; Pereira, H.A.; Seleme, S.I.; Teodorescu, R. On converter fault tolerance in MMC-HVDC systems: A comprehensive survey. IEEE J. Emerg. Sel. Top. Power Electron. 2021, 9, 7459–7470. [Google Scholar] [CrossRef]
- Wang, S.; Qin, S.; Yang, P.; Sun, Y.; Zhao, B.; Yin, R.; Sun, S.; Tian, C.; Zhao, Y. Research on the new topology and coordinated control strategy of renewable power generation connected MMC-Based DC power grid integration system. Symmetry 2021, 13, 1965. [Google Scholar] [CrossRef]
- Liu, Z.; Li, K.; Sun, Y.; Wang, J.; Wang, Z.; Sun, K.; Wang, M. A steady-state analysis method for modular multilevel converters connected to permanent magnet synchronous generator-based wind energy conversion systems. Energies 2018, 11, 461. [Google Scholar] [CrossRef]
- Novakovic, B.; Nasiri, A. Modular multilevel converter for wind energy storage applications. IEEE Trans. Ind. Electron. 2017, 64, 8867–8876. [Google Scholar] [CrossRef]
- Zhou, Y.; Jiang, D.; Hu, P.; Guo, J.; Liang, Y.; Lin, Z. A prototype of modular multilevel converters. IEEE Trans. Power Electron. 2014, 29, 3267–3278. [Google Scholar] [CrossRef]
- Nguyen, T.H.; Hosani, K.A.; Moursi, M.S.E.; Blaabjerg, F. An overview of modular multilevel converters in HVDC transmission systems with STATCOM operation during pole-to-pole DC short circuits. IEEE Trans. Power Electron. 2019, 34, 4137–4160. [Google Scholar] [CrossRef]
- Ronanki, D.; Williamson, S.S. Modular multilevel converters for transportation electrification: Challenges and opportunities. IEEE Trans. Transp. Electrif. 2018, 4, 399–407. [Google Scholar] [CrossRef]
- Ma, F.; Xu, Q.; He, Z.; Tu, C.; Shuai, Z.; Luo, A.; Li, Y. A railway traction power conditioner using modular multilevel converter and its control strategy for high-speed railway system. IEEE Trans. Transp. Electrif. 2016, 2, 96–109. [Google Scholar] [CrossRef]
- Zhang, B.; Nademi, H. Modeling and harmonic stability of MMC-HVDC with passive circulating current filters. IEEE Access 2020, 8, 129372–129386. [Google Scholar] [CrossRef]
- Miet, G.P.A.; Mieee, O.A.-L.; Mieee, G.B.; Smieee, J.M. Transformerless STATCOM based on a five-level modular multilevel converter. In Proceedings of the 2009 13th European Conference on Power Electronics and Applications, Barcelona, Spain, 8–10 September 2009; pp. 1–10. [Google Scholar]
- Mohammadi, P.H.; Bina, M.T. A transformerless medium-voltage STATCOM topology based on extended modular multilevel converters. IEEE Trans. Power Electron. 2011, 26, 1534–1545. [Google Scholar]
- Timofejevs, A.; Gamboa, D.; Liserre, M.; Teodorescu, R.; Chaudhary, S.K. Control of transformerless MMC-HVDC during asymmetric grid faults. In Proceedings of the IECON 2013—39th Annual Conference of the IEEE Industrial Electronics Society, Vienna, Austria, 10–13 November 2013; pp. 2016–2021. [Google Scholar]
- Hu, J.; Tang, J.; Mei, Y.; Hu, S.; Li, W.; He, X. Common-mode voltage analysis and suppression in five-level modular composited converter. In Proceedings of the 2017 IEEE Energy Conversion Congress and Exposition (ECCE), Cincinnati, OH, USA, 1–5 October 2017; pp. 4873–4878. [Google Scholar]
- Yadav, A.; Singh, S.N.; Das, S.P. Analysis of transformerless mmc and suppression of third order harmonic current. In Proceedings of the 2019 National Power Electronics Conference (NPEC), Tiruchirappalli, India, 13–15 December 2019; pp. 1–6. [Google Scholar]
- Yu, Y.; Jiang, D.; Liang, Y.; Chen, J. Research on the transformerless connection mode for DC power distribution system. J. Eng. 2019, 2019, 3378–3382. [Google Scholar] [CrossRef]
- Song, Q.; Liu, W.; Li, X.; Rao, H.; Xu, S.; Li, L. A steady-state analysis method for a modular multilevel converter. IEEE Trans. Power Electron. 2013, 28, 3702–3713. [Google Scholar] [CrossRef]
- Ilves, K.; Antonopoulos, A.; Norrga, S.; Nee, H.-P. Steady-state analysis of interaction between harmonic components of arm and line quantities of modular multilevel converters. IEEE Trans. Power Electron. 2012, 27, 57–68. [Google Scholar] [CrossRef]
- Li, X.; Song, Q.; Liu, W.; Xu, S.; Zhu, Z.; Li, X. Performance analysis and optimization of circulating current control for modular multilevel converter. IEEE Trans. Ind. Electron. 2016, 63, 716–727. [Google Scholar] [CrossRef]
- Wang, J.; Liang, J.; Gao, F.; Dong, X.; Wang, C.; Zhao, B. A closed-loop time-domain analysis method for modular multilevel converter. IEEE Trans. Power Electron. 2017, 32, 7494–7508. [Google Scholar] [CrossRef]
- Perez, M.A.; Bernet, S.; Rodriguez, J.; Kouro, S.; Lizana, R. Circuit topologies, modeling, control schemes, and applications of modular multilevel converters. IEEE Trans. Power Electron. 2015, 30, 4–17. [Google Scholar] [CrossRef]
- Priya, M.; Ponnambalam, P.; Muralikumar, K. Modular-multilevel converter topologies and applications—A review. IET Power Electron. 2019, 12, 170–183. [Google Scholar] [CrossRef]
- Liu, Z.; Li, K.-J.; Guo, Z.; Wang, J.; Qian, J. A comprehensive study on the modulation ratio for modular multilevel converters. IEEE Trans. Ind. Appl. 2022, 58, 3205–3216. [Google Scholar] [CrossRef]
- Li, J.; Konstantinou, G.; Wickramasinghe, H.R.; Pou, J. Operation and control methods of modular multilevel converters in unbalanced AC grids: A review. IEEE J. Emerg. Sel. Top. Power Electron. 2019, 7, 1258–1271. [Google Scholar] [CrossRef]
- Liu, Z.; Li, K.-J.; Wang, J.; Javid, Z.; Wang, M.; Sun, K. Research on capacitance selection for modular multi-level converter. IEEE Trans. Power Electron. 2019, 34, 8417–8434. [Google Scholar] [CrossRef]
- Kelley, C.T. Solving Nonlinear Equations with Newton’s Method (Fundamentals of Algorithms); SIAM: Philadelphia, PA, USA, 2003. [Google Scholar]
- Dennetière, S.; Saad, H.; Clerc, B.; Mahseredjian, J. Setup and performances of the real-time simulation platform connected to the INELFE control system. Electr. Power Syst. Res. 2016, 138, 180–187. [Google Scholar] [CrossRef]
- Li, G.; Zhang, D.; Xin, Y.; Jiang, S.; Wang, W.; Du, J. Design of MMC hardware-in-the-loop platform and controller test scheme. CPSS Trans. Power Electron. Appl. 2019, 4, 143–151. [Google Scholar] [CrossRef]
- Peralta, J.; Saad, H.; Dennetiere, S.; Mahseredjian, J.; Nguefeu, S. Detailed and averaged models for a 401-level MMC–HVDC system. IEEE Trans. Power Deliv. 2012, 27, 1501–1508. [Google Scholar] [CrossRef]









| Parameter | Values |
|---|---|
| Rated power | 100 MVA |
| Rated system frequency | 50 Hz |
| Rated line voltage | 110 kV |
| Dc link voltage | ±100 kV |
| Number of SMs per arm | 100 |
| SM capacitor capacitance | 3000 μF |
| Arm inductance | 10 mH |
| Equivalent ac system inductance | 10 mH |
| Dc current reactor | 10 mH |
Publisher’s Note: MDPI stays neutral with regard to jurisdictional claims in published maps and institutional affiliations. |
© 2022 by the authors. Licensee MDPI, Basel, Switzerland. This article is an open access article distributed under the terms and conditions of the Creative Commons Attribution (CC BY) license (https://creativecommons.org/licenses/by/4.0/).
Share and Cite
Liu, J.; Xu, W.; Xu, T. A Highly Accurate Mathematical Model for Analyzing Modular Multilevel Converters in Transformer-Less Applications. Symmetry 2022, 14, 2498. https://doi.org/10.3390/sym14122498
Liu J, Xu W, Xu T. A Highly Accurate Mathematical Model for Analyzing Modular Multilevel Converters in Transformer-Less Applications. Symmetry. 2022; 14(12):2498. https://doi.org/10.3390/sym14122498
Chicago/Turabian StyleLiu, Jinshuo, Wenhua Xu, and Tao Xu. 2022. "A Highly Accurate Mathematical Model for Analyzing Modular Multilevel Converters in Transformer-Less Applications" Symmetry 14, no. 12: 2498. https://doi.org/10.3390/sym14122498
APA StyleLiu, J., Xu, W., & Xu, T. (2022). A Highly Accurate Mathematical Model for Analyzing Modular Multilevel Converters in Transformer-Less Applications. Symmetry, 14(12), 2498. https://doi.org/10.3390/sym14122498

