FPGA Hardware Realization of Membrane Calculation Optimization Algorithm with Great Parallelism
Abstract
1. Introduction
- This paper implements the SCA optimization algorithm proposed by our team in FPGAs, verifies the performance of the membrane-computing optimization algorithm in the hardware chip, and realizes the miniaturization and specialization of the membrane-computing optimization system.
- This paper designs the control, HSP and submembrane modules of the SCA, realizes the parallel computation of submembrane modules with a symmetric structure, constructs the FPGA hardware optimization system of the SCA, and provides the theoretical basis for further development of the distributed computational model of population cells.
- This paper uses the finite state machine (FSM) and non-blocking assignment language features of the FPGA, and the extreme parallelism of membrane computation is realized. It verifies that the maximum-parallelism theory and the distributed structure of membrane computing can significantly improve computing speed without reducing computing accuracy.
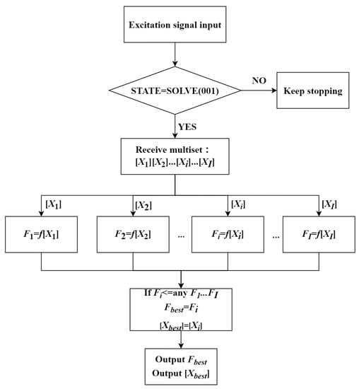
2. Single Membrane Optimization Algorithm
2.1. Formal Definition of SCA
2.2. Optimize the Process
3. Hardware Design
3.1. Cyclone IV E FPGA
3.2. System Design
3.2.1. SCA Hardware Module Structure
3.2.2. Sequential Model
3.3. Module Design
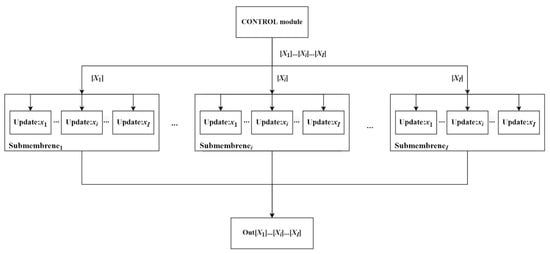
3.3.1. Control Module
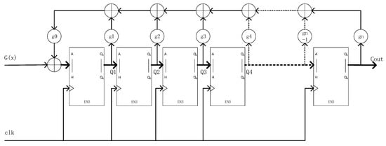
3.3.2. HSP Generation Module
3.3.3. Fitness Module
3.3.4. Submembrane Module
3.3.5. Random Module
3.3.6. Initial Value Module
4. Experiment and Result Analysis
4.1. Sphere Function
4.2. SCA-Specific Formal Definition
4.3. FPGA Hardware Architecture
4.4. Test Waveform
5. Result Analysis
5.1. Use of Decimals in FPGAs
5.2. Comparison of FPGA and Matlab Platform Results
5.3. Simulation Time Comparison
6. Conclusions
Author Contributions
Funding
Institutional Review Board Statement
Informed Consent Statement
Data Availability Statement
Conflicts of Interest
References
- Păun, G. Computing with Membranes. J. Comput. Syst. Sci. 2000, 61, 108–143. [Google Scholar] [CrossRef]
- Păun, G. Membrane Computing: An Introduction; Springer: Berlin, Germany, 2002; ISBN 978-3-642-56196-2. [Google Scholar]
- Song, B.; Li, K.; Orellana-Martín, D.; Pérez-Jiménez, M.J.; Pérez-Hurtado, I. A Survey of Nature-Inspired Computing. ACM Comput. Surv. 2021, 54, 1–31. [Google Scholar] [CrossRef]
- Ionescu, M.; Păun, G.; Yokomori, T. Spiking neural P systems. Fundam. Inform. 2006, 71, 279–308. [Google Scholar]
- Martín-Vide, C.; Păun, G.; Pazos, J.; Rodríguez-Patón, A. Tissue P systems. Theor. Comput. Sci. 2003, 296, 295–326. [Google Scholar] [CrossRef]
- Christinal, A.H.; Díaz-Pernil, D.; Mathu, T. A Uniform Family of Tissue P Systems with Protein on Cells Solving 3-Coloring in Linear Time. Nat. Comput. 2018, 17, 311–319. [Google Scholar] [CrossRef]
- Chen, H.; Ionescu, M.; Ishdorj, T.-O.; Păun, A.; Păun, G.; Pérez-Jiménez, M.J. Spiking neural P systems with extended rules: Universality and languages. Nat. Comput. 2008, 7, 147–166. [Google Scholar] [CrossRef]
- Păun, G.; Rozenberg, G.; Salomaa, A. (Eds.) The Oxford Handbook of Membrane Computing; Oxford University Press: Oxford, UK, 2009. [Google Scholar]
- Păun, G.; Pérez-Jiménez, M.J.; Riscos-Núñez, A. Tissue P systems with cell division. Int. J. Comput. Commun. Control. 2008, 3, 295–303. [Google Scholar] [CrossRef]
- Díaz-Pernil, D.; Gutiérrez-Naranjo, M.A.; Jiménez, M.J.P.; Núñez, A.R. A uniform family of tissue P systems with cell division solving 3-COL in a linear time. Theor. Comput. Sci. 2008, 404, 76–87. [Google Scholar] [CrossRef]
- Díaz-Pernil, D.; Jiménez, M.J.P.; Núñez, A.R.; Romero-Jiménez, Á. Computational efficiency of cellular division in tissue-like membrane systems. Rom. J. Inf. Sci. Technol. 2008, 11, 229–241. [Google Scholar]
- Martínez-Del-Amor, M.; Pérez-Hurtado, I.; Orellana-Martín, D.; Pérez-Jiménez, M.J. Adaptative parallel simulators for bioinspired computing models. Future Gener. Comput. Syst. 2020, 107, 469–484. [Google Scholar] [CrossRef]
- Pérez-Jiménez, M.; Sanuy, J. A bio-inspired computing model as a new tool for modeling ecosystems: The avian scavengers as a case study. Ecol. Model. 2011, 222, 33–47. [Google Scholar] [CrossRef]
- Martinez-Del-Amor, M.; Perez-Hurtado, I.; Perez-Jimenez, M.; Riscos-Nunez, A.; Colomer, M.A. A new simulation algorithm for multienvironment probabilistic P systems. In Proceedings of the 2010 IEEE Fifth International Conference on Bio-Inspired Computing: Theories and Applications (BIC-TA), Changsha, China, 23–26 September 2010; pp. 59–68. [Google Scholar] [CrossRef]
- Colomer Cugat, M.Á.; García Quismondo, M.; Valencia Cabrera, L. Membrane System-Based Models for Specifying Dynamical Population Systems. In Applications of Membrane Computing in Systems and Synthetic Biology; Frisco, P., Gheorghe, M., Pérez-Jiménez, M.J., Eds.; Springer: Cham, Switzerland, 2014; pp. 97–132. [Google Scholar] [CrossRef]
- Huang, Y.; Song, Q.; Song, H.; Xu, S.; Han, T. Application Of The Population Dynamics Membrane System in COVID-19 Propagation Model. In Proceedings of the ICMC 2021 (International Conference on Membrane Computing 2021), Chengdu, China and Debrecen, Hungary Online Session, 25–26 August 2021. [Google Scholar]
- Singh, G.; Deep, K. A new membrane algorithm using the rules of Particle Swarm Optimization incorporated within the framework of cell-like P-systems to solve Sudoku. Appl. Soft Comput. 2016, 45, 27–39. [Google Scholar] [CrossRef]
- Pérez-Hurtado, I.; Martínez-Del-Amor, M.; Zhang, G.; Neri, F.; Pérez-Jiménez, M.J. A membrane parallel rapidly-exploring random tree algorithm for robotic motion planning. Integr. Comput. Eng. 2020, 27, 121–138. [Google Scholar] [CrossRef]
- Rong, H.; Yi, K.; Zhang, G.; Dong, J.; Paul, P.; Huang, Z. Automatic Implementation of Fuzzy Reasoning Spiking Neural P Systems for Diagnosing Faults in Complex Power Systems. Complexity 2019, 2019, 2635714. [Google Scholar] [CrossRef]
- Pérez-Hurtado, I.; Valencia-Cabrera, L.; Pérez-Jiménez, M.J.; Colomer, M.A.; Riscos-Núñez, A. MeCoSim: A general purpose software tool for simulating biological phenomena by means of P systems. In Proceedings of the IEEE Fifth International Conference on Bioinpired Computing: Theories and Applications (BIC-TA 2010) I (2010), Changsha, China, 23–26 September 2010; pp. 637–643. [Google Scholar]
- MeCoSim Project Website. Available online: http://www.p-lingua.org/mecosim/ (accessed on 12 February 2021).
- Zhang, G.; Shang, Z.; Verlan, S.; Martínez-Del-Amor, M.; Yuan, C.; Valencia-Cabrera, L.; Pérez-Jiménez, M.J. An Overview of Hardware Implementation of Membrane Computing Models. ACM Comput. Surv. 2021, 53, 1–38. [Google Scholar] [CrossRef]
- Ben Ameur, M.S.; Sakly, A. FPGA based hardware implementation of Bat Algorithm. Appl. Soft Comput. 2017, 58, 378–387. [Google Scholar] [CrossRef]
- Hassanein, A.; El-Abd, M.; Damaj, I.; Rehman, H.U. Parallel hardware implementation of the brain storm optimization algorithm using FPGAs. Microprocess. Microsyst. 2020, 74, 103005. [Google Scholar] [CrossRef]
- Ortiz, A.; Mendez, E.; Balderas, D.; Ponce, P.; Macias, I.; Molina, A. Hardware implementation of metaheuristics through LabVIEW FPGA. Appl. Soft Comput. 2021, 113, 107908. [Google Scholar] [CrossRef]
- Ettouil, M.; Smei, H.; Jemai, A. Particle Swarm Optimization on FPGA. In Proceedings of the 2018 30th International Conference on Microelectronics (ICM), Sousse, Tunisia, 16–19 December 2018; pp. 32–35. [Google Scholar] [CrossRef]
- Scheuermann, B.; So, K.; Guntsch, M.; Middendorf, M.; Diessel, O.; ElGindy, H.; Schmeck, H. FPGA implementation of population-based ant colony optimization. Appl. Soft Comput. 2004, 4, 303–322. [Google Scholar] [CrossRef]
- Ben Ameur, M.S.; Sakly, A.; Mtibaa, A. A Hardware Implementation of Genetic Algorithms using FPGA Technology. Sens. Circuits Instrum. Syst. Ext. Pap. 2018, 6, 129–144. [Google Scholar] [CrossRef]
- Attarmoghaddam, N.; Li, K.F.; Kanan, A. FPGA Implementation of Crossover Module of Genetic Algorithm. Information 2019, 10, 184. [Google Scholar] [CrossRef]
- Petreska, B.; Teuscher, C. A recongurable hardware membrane system. In International Workshop on Membrane Computing (WMC’ 03) (Lecture Notes in Computer Science); Martín-Vide, C., Mauri, G., Paun, G., Rozenberg, G., Salomaa, A., Eds.; Springer: Berlin/Heidelberg, Germany, 2003; Volume 2933, pp. 269–285. [Google Scholar]
- Nguyen, V. An Implementation of the Parallelism, Distribution and Nondeterminism of Membrane Computing Models on Recongurable Hardware. Ph.D. Thesis, University of South Australia, Adelaide, Australia, 2010. [Google Scholar]
- Nguyen, V.; Kearney, D.; Gioiosa, G. An extensible, maintainable and elegant approach to hardware source code generation in Reconfig-P. J. Log. Algebraic Program. 2010, 79, 383–396. [Google Scholar] [CrossRef][Green Version]
- Song, Q.; Huang, Y.; Lai, W.; Han, T.; Xu, S.; Rong, X. Multi-membrane search algorithm. PLoS ONE 2021, 16, e0260512. [Google Scholar] [CrossRef] [PubMed]
- Jamil, M.; Yang, X.-S. A literature survey of benchmark functions for global optimisation problems. Int. J. Math. Model. Numer. Optim. 2013, 4, 150–194. [Google Scholar] [CrossRef]

























| SAT Problem | Boolean satisfiability problem |
| FPGA | Field-programmable gate array |
| SCA | Single-cell-membrane algorithm |
| MA-PSO-M | Cell-like P systems with particle swarm optimization |
| PSO | Particle swarm optimization |
| RGBSO | Random grouping brain storm optimization |
| ACO | Ant colony optimization |
| MSA | Multi-membrane search algorithm |
| GA | Genetic algorithm |
| FSM | Finite state machine |
| Multiset | Signed Binary | Decimal | |||
|---|---|---|---|---|---|
| Sign Bit | High 7 Bits | Lower 8 Bits | |||
| 1 | X1_best | 1 | 1111111 | 11111110 | −7.81 × 10−3 |
| X2_best | 0 | 0000000 | 00000010 | 7.81 × 10−3 | |
| X3_best | 0 | 0000000 | 00000000 | 0 | |
| 2 | X1_best | 0 | 0000000 | 00000000 | 0 |
| X2_best | 0 | 0000000 | 00000000 | 0 | |
| X3_best | 0 | 0000000 | 00000001 | 3.90 × 10−3 | |
| 3 | X1_best | 1 | 1111111 | 11111101 | −3.90 × 10−3 |
| X2_best | 1 | 0000000 | 00000001 | 7.80 × 10−3 | |
| X3_best | 0 | 1111111 | 11111100 | −3.90 × 10−3 | |
| 4 | X1_best | 1 | 1111111 | 11111101 | −1.17 × 10−2 |
| X2_best | 0 | 0000000 | 00000001 | 3.90 × 10−3 | |
| X3_best | 1 | 1111111 | 11111100 | −1.56 × 10−2 | |
| 5 | X1_best | 1 | 1111111 | 11111111 | −3.90 × 10−3 |
| X2_best | 1 | 1111111 | 11111100 | −1.56 × 10−2 | |
| X3_best | 0 | 0000000 | 00000000 | 0 | |
| FITmin | Signed Binary | Decimal | ||
|---|---|---|---|---|
| Sign Bit | High 16 Bits | Lower 16 Bits | ||
| 1 | 0 | 0000000000000000 | 0000000000001000 | 1.22 × 10−4 |
| 2 | 0 | 0000000000000000 | 0000000000000001 | 1.52 × 10−5 |
| 3 | 0 | 0000000000000000 | 0000000000000110 | 9.15 × 10−5 |
| 4 | 0 | 0000000000000000 | 0000000000011010 | 3.97 × 10−4 |
| 5 | 0 | 0000000000000000 | 0000000000010001 | 2.59 × 10−4 |
| FPGA | 1 | 2 | 3 | 4 | 5 | AVE | Std | BEST | WORST |
| 1.22 × 10−4 | 1.52 × 10−5 | 9.15 × 10−5 | 3.97 × 10−4 | 2.59 × 10−4 | 1.77 × 10−4 | 1.51 × 10−4 | 1.52 × 10−5 | 3.97 × 10−4 | |
| Matlab | 1 | 2 | 3 | 4 | 5 | AVE | Std | BEST | WORST |
| 2.45 × 10−4 | 1.01 × 10−5 | 3.82 × 10−4 | 2.17 × 10−4 | 2.13 × 10−5 | 1.75 × 10−4 | 1.58 × 10−4 | 1.01 × 10−5 | 3.82 × 10−4 |
| Matlab Time | FPGA Time | |
|---|---|---|
| 1 | 0.013 s | 412,017 ns ≈ 0.000412 s |
| 2 | 0.012 s | 412,099 ns ≈ 0.000412 s |
| 3 | 0.012 s | 416,414 ns ≈ 0.000416 s |
| 4 | 0.012 s | 407,500 ns ≈ 0.000407 s |
| 5 | 0.012 s | 409,580 ns ≈ 0.000409 s |
| AVE | 0.0122 s | 411,522 ns ≈ 0.000411 s |
Publisher’s Note: MDPI stays neutral with regard to jurisdictional claims in published maps and institutional affiliations. |
© 2022 by the authors. Licensee MDPI, Basel, Switzerland. This article is an open access article distributed under the terms and conditions of the Creative Commons Attribution (CC BY) license (https://creativecommons.org/licenses/by/4.0/).
Share and Cite
Song, Q.; Huang, Y.; Lai, W.; Xu, J.; Xu, S.; Han, T.; Rong, X. FPGA Hardware Realization of Membrane Calculation Optimization Algorithm with Great Parallelism. Symmetry 2022, 14, 2199. https://doi.org/10.3390/sym14102199
Song Q, Huang Y, Lai W, Xu J, Xu S, Han T, Rong X. FPGA Hardware Realization of Membrane Calculation Optimization Algorithm with Great Parallelism. Symmetry. 2022; 14(10):2199. https://doi.org/10.3390/sym14102199
Chicago/Turabian StyleSong, Qi, Yourui Huang, Wenhao Lai, Jiachang Xu, Shanyong Xu, Tao Han, and Xue Rong. 2022. "FPGA Hardware Realization of Membrane Calculation Optimization Algorithm with Great Parallelism" Symmetry 14, no. 10: 2199. https://doi.org/10.3390/sym14102199
APA StyleSong, Q., Huang, Y., Lai, W., Xu, J., Xu, S., Han, T., & Rong, X. (2022). FPGA Hardware Realization of Membrane Calculation Optimization Algorithm with Great Parallelism. Symmetry, 14(10), 2199. https://doi.org/10.3390/sym14102199

