Next Article in Journal
A Robust Model for the Assessment of Oil Spill Hazards over Land and Water Bodies
Previous Article in Journal
Water Consumption and the Water Footprint in Aquaculture: A Review
 
 
Font Type:
Arial Georgia Verdana
Font Size:
Aa Aa Aa
Line Spacing:
Column Width:
Background:
Article

Piano Key Weir (PKW)—Improvement in Conventional Geometry for Augmented Discharge Capacity

1
R&D Hydraulic Laboratory, Vattenfall AB, 81426 Älvkarleby, Sweden
2
Civil & Architectural Engineering, KTH Royal Institute of Technology, 10044 Stockholm, Sweden
*
Author to whom correspondence should be addressed.
Water 2024, 16(23), 3375; https://doi.org/10.3390/w16233375
Submission received: 20 October 2024 / Revised: 13 November 2024 / Accepted: 22 November 2024 / Published: 24 November 2024
(This article belongs to the Section Hydraulics and Hydrodynamics)

Abstract

The conventional piano key weir (PKW), characterized by a rectangularly cranked planform, is an effective discharge structure. Its hydraulic performance is primarily influenced by several geometrical parameters, including crest length, key width, and weir height. To enhance its hydraulic efficiency, each key is modified with an isosceles triangle at both the crest and the vertical base surface. In this way, the weir crest is extended both up and downstream; the key floor is lowered accordingly, resulting in a triangular prism-shaped floor. Laboratory tests are conducted to compare the hydraulic performance of this modified weir with that of the standard design. The results demonstrate that the geometrical adjustments noticeably improve the overflow discharge. With an equilateral triangle extending the crest length by ~23%, the discharge capacity is enhanced by 16–20% within the examined flow conditions. The modified weir outperforms the conventional design in terms of hydraulic performance. The improvements can be attributed to several factors: elongated crest length enhancing the flow capacity; triangular upstream overhangs improving the inflow condition along the inlet key’s height; lowered inlet key floor increasing the flow volume, promoting better flow movement towards the crest; lowered outlet key floor reducing the submergence effect under high flow conditions; and the triangular crest of the inlet key facilitating jet spreading and promoting air entrainment. These modifications make the redesigned PKW a promising option for improved hydraulic performance in engineering applications.

1. Introduction

The spillway of a dam is perhaps the most critical structure with respect to its safety. Extreme floods must be released without jeopardizing the structural stability of the dam. Governed by the design-flood guidelines, often in combination with other reasons, many existing spillways have been rebuilt in Sweden. In some dams, new spillways have been added to augment their flood discharge capacity and elevate the safety standard.
Schleiss [1] and Lempérière et al. [2] reviewed different overflow weir types and summarized the evolution from the labyrinth weir to the piano key weir (PKW). The PKW is a cost-effective alternative to gated or ungated overflow spillways. To manage floods at low reservoir water stages, an increasing number of dam upgrade projects include this weir type as an alternative. Since the construction of the first PKW at the Goulours dam, France, more than 30 such structures have been built in different countries [3,4,5].
Anderson and Tullis [6] and Yang et al. [7] reviewed, in some detail, the influencing factors on the PKW flow behavior, which include inlet and outlet widths, weir crest length, weir height (floor slope), overhang length and cross-sectional area of each key, crest thickness, crest shape, presence of parapet wall, and nose shape beneath the upstream overhang. With this in mind, no further review is made herein; only those that are related to geometrical modifications are cited below.
Cicero et al. [8] performed both physical and numerical studies to examine the effect of trapezoidal key planform with slightly sloping sidewalls on discharge capacity. It was found that, if the inlet key is wider than the outlet one, the trapezoidal shape was more efficient than the rectangular one, and the gain in discharge was greater than 5%. In their experiments, Shen and Oertel [9] compared non-symmetrical trapezoidal and rectangular PKWs with varied ratios of key widths. They found that the overall discharge capacity was improved by up to 8%, which was due to the incorporation of a rectangular inlet section into the trapezoidal planform. This combination might have potential for further enhancement of hydraulic efficiency. By means of physical and numerical modeling, Mishra et al. [10] examined the effect of the non-linear slope profile of outlet keys on discharge efficiency. The longitudinal ogee floor profile was found to be more efficient than the linear counterpart, with a maximum increase in discharge of 9%. However, this was only valid for large water heads.
In studies made by Ouamane et al. [11], Belaabed and Ouamane [12], and Belaabed et al. [13], the effects of flow submergence on discharge capacity were examined. A stepped longitudinal profile in the outlet key was also an option for the straight-sloping floor. Owing to the steps, the energy dissipation became more effective. They showed that a triangular planform of the upstream (outlet) overhang had potential to improve the hydraulic performance. However, the contribution of the triangular overhang to the flow was not separately addressed. The downstream (inlet) overhang remained rectangular in the studies. In labyrinth weirs, the use of different nose shapes is common, including rectangular, triangular, circular, trapezoidal, etc. [1,2].
It cannot be denied that the conventional PKW of rectangular planform is an effective structure for flow discharge; other overflow spillways can hardly be juxtaposed with it. However, its shape is not impeccable. With the intention to enhance the overflow behavior, a modified PKW is proposed. The modified planform, as opposed to the rectangular one, is developed and assessed through experiments. This study is a continuation of the previous one, in which an elliptical configuration was designed and evaluated, and the enhancement in discharge capacity and performance was found to be significant [7]. The sections below cover the acquisition of the modified configuration, experimental setup, results, and comparative analysis with discussions.

2. Configuration of Improved PKW

The improved weir is, for each key, characterized by an isosceles triangular crest and a lowered floor of a triangular prism. For comparison, the typical parameters of both the conventional and improved weirs are derived, including developed crest length. An equilateral triangular modification for both keys is evaluated in the experiments.

2.1. Conventional Layout

Figure 1 shows a conventional PKW (type A) and its parameter definition, in which Wi, Wo = inlet and outlet key width, Ts = wall crest thickness, Pi, Po = inlet and outlet key height, Bb = base length, Bi, Bo = crest length of inlet and outlet key overhang (excluding Ts), Si and So = parapet wall height, αi, αo = inlet and outlet key floor angle, and subscripts i and o denote the inlet and the outlet key, respectively. The layout is treated as a reference weir in the study (denoted by subscript ref).
A weir cycle comprises one inlet key and one outlet key. The cycle width reads
W = Wi + Wo + 2Ts
Inclusive of the walls, the streamwise weir crest length (B) is
B = Bi + Bo + Bb + 2Ts
The angle of each key floor with the horizontal plane is
tan(αi) = (PiSi)/(Bb + Bi)
tan(αo) = (PoSo)/(Bb + Bo)
Measured along the crest centerline, the developed crest length of a single cycle is
Lref = 2B + Wi + Wo
As shown by Anderson and Tullis [6], the dominating ratios affecting its hydraulic efficiency include Lref/W, Wi/Wo, and Bi/Bo.

2.2. Modified Configuration

Based on the reference weir, Figure 2 delineates the configuration of the modified one (denoted by subscript mod). With the parameters Wi, Wo, Bb, Ts, Si, and So unchanged, the unit width remains the same, i.e., W = Wi + Wo + 2Ts. The parapet walls, if present, are kept the same. The modifications are made with the following specifications:
(i)
With the weir length (B) and wall thickness (Ts) maintained, the rectangular crest of each key is extended with an isosceles triangle. For simplicity, the same vertex angle (θ) applies. The inner vertex stretches by xi = 0.5Wi/tan(0.5θ) for the inlet key (in the flow direction) and by xo = 0.5Wo/tan(0.5θ) for the outlet one (opposite the flow direction).
(ii)
Along the centerline, the crest length of one triangular side is yi = 0.5(Wi + Ts)/sin(0.5θ) for the inlet key, and yo = 0.5(Wo + Ts)/sin(0.5θ) for the outlet one. Excluding the crest wall thickness, the overhang crest length becomes Bi,mod = Bi + xi + Ts for the inlet key, and Bo,mod = Bo + xo + Ts for the outlet one.
(iii)
At the upstream (vertical) surface of the weir base, the inlet key floor is lowered with an isosceles triangle of the same angle θ. Its vertex is thus xi = 0.5Wi/tan(0.5θ) below the original floor; the inlet key height (from the crest elevation to this vertex) becomes Pi,mod = Pi + xi. At the downstream (vertical) base surface, the outlet key floor is, in a similar manner, formed with a downward isosceles triangle of angle θ. The vertex is thus xo = 0.5Wo/tan(0.5θ) below the original floor level; the outlet key height becomes Po,mod = Po + xo.
(iv)
Thus, adapted to its two triangles at the crest and in the base, each key floor is lowered to create an isosceles triangular prism. The cross-sectional angle of this downward prism is larger than θ and varies somewhat with elevation. For each key, the floor angle (α) differs from that in the conventional layout.
(v)
Over the overhang length inclusive of the parapet wall, the modification leads to a triangular exterior (facade) for both keys.
The streamwise crest length including crest walls, Bmod, and its increase relative to the conventional one, ΔB, read
BmodB + 0.5(Wi + Wo)/tan(0.5θ) + 2Ts
ΔB ≈ 0.5(Wi + Wo)/tan(0.5θ) + 2Ts
The angle of the key floor with the horizontal plane becomes
tan(αi) = (Pi,modSi)/(Bb + Bi,md)
= [PiSi + 0.5Wi/tan(0.5θ)]/[Bb + Bi + Ts + 0.5Wi/tan(0.5θ)]
tan(αo) = (Po,modSo)/(Bb + Bo,mod)
= [PoSo +0.5Wo/tan(0.5θ)]/[Bb + Bo + Ts + 0.5Wo/tan(0.5θ)]
The developed crest length of one weir cycle (Lmod) reads
Lmod ≈ 2B + (Wi + Wo + 2Ts)/sin(0.5θ)
The increment in developed crest length is
ΔL = LmodLref = [(Wi + Wo)(1 − sin(0.5θ)) + 2Ts]/sin(0.5θ)
Let β = ΔL/Lref, defining the relative increase in developed crest length. If B, Wi, Wo and Ts are given, β is only dependent on θ.
In this study, an equilateral triangle is used for both the crest and the vertical base surfaces, implying that θ = 60°. Considering both the hydraulic and structural aspects, this angle is a moderate choice. Thus, Equations (6)–(11) reduce to
BmodB + (Wi + Wo)cos30° + 2Ts
ΔB ≈ (Wi + Wo)cos30° + 2Ts
tan(αi) = (PiSi + Wicos30°)/(Bb + Bi + Ts + Wicos30°)
tan(αo) = (PoSo + Wocos30°)/(Bb + Bo + Ts + Wocos30°)
Lmod ≈ 2B + 2(Wi + Wo) + 4Ts
ΔLWi + Wo + 4Ts
Thus, for the given θ value, ΔL and β are constants dependent on Wi, Wo and Ts.

3. PKW Dimensions

In an ongoing upgrade of a dam facility in North Sweden, a PKW solution of rectangular planform is suggested to replace the existing embankment dam upstream and, at the same time, enhance its spillway discharge capacity. Once the PKW is constructed, the embankment dam is to be partially removed to facilitate the approach flow. A total of 25 weir units are designed, forming approximately a 100 m long PKW placed on a low concrete foundation. The prototype PKW dimensions are shown in Table 1, with W = 3.90 m, B = 8.35 m, and Lref = 19.9 m [14]. The total weir height is P = 6.15 m. The weir crest is not sharp-edged in cross-section but with a 5 cm chamfer on each side. The weir dimensions were previously finalized by means of hydraulic model tests.
For the modified weir with triangular overhangs, Table 2 lists its prototype dimensions, with θ = 60°, xi = 1.56 m, xo = 1.21 m, yi = 2.15 m, and yo = 1.75 m. The crest is also given a chamfer-edged geometry as on the reference weir, with 5 cm chamfers on both sides. With Wi, Wo, and Ts remaining the same, Bmod = B + (Wi + Wo)cos30° + 2Ts = 11.82 m and Lmod = Lref + Wi + Wo + 4Ts = 24.50 m. Thus, ΔL = 4.60 m and β = 4.6/19.9 = 23.1%. This implies that, in comparison with the reference weir, the modified one has a 4.60 m longer crest, corresponding to an increase of 23.1%.
The PKW models and flow rates should be made as large as possible so as to remove or mitigate the scale effects in the tests. Taking into account the pumping capacity in the laboratory and other governing factors, the chosen model scale for the hydraulic model tests is λ = 12. Either weir model comprises three weir units, with a 51.25 cm height and a 97.50 cm width. The resulting dimensions are illustrated in Figure 3 and Figure 4.
As compared with the reference PKW, Figure 5 shows a configuration of the modified version at θ = 60° (an equilateral triangle at the crest and the base surface).
The PKW models are 3D-printed to achieve high manufacture quality. The printing layer height (1.1 mm) and the nozzle diameter (6.0 mm) are the same, rendering almost the same surface roughness structures. Note that the study aims to examine the difference in discharge behavior between the two weirs, not the effect of the model surface roughness itself on discharges. The manufacturing cost of this modified weir is on the same level as the elliptical one in [7].

4. Test Rig Description

As shown in Figure 6, the model tests are performed in an 11.0 m long and 2.0 m wide flume, with the weirs mounted at its downstream end. A 200 mm pipe conveys water into the test rig, with a perforated barrier installed close to the downward inlet to damp the flow turbulence. As the model width (3W = 97.50 cm) is smaller than the flume width, a channel is set up in the middle, with a streamlined transition upstream.
A magnetic flow meter measures flow rates in the flume. At locations M3 and M4, point gauges read water levels along the flume centerline. They are 3.0 and 4.0 m upstream of the weir’s vertical front, respectively. At a given flow rate, the crest water depths are estimated directly with a custom-made stainless steel ruler.
The weir base is placed flush with the flume floor (Figure 7). In this way, the falling jets are aerated from behind, with the atmospheric pressure as surrounding pressure. This means that the overflows with falling jets are not subject to any negative air pressure that would otherwise have bearing on the discharge behavior.
The maximum flume flow rates are ~257 and ~298 L/s, respectively, for the reference and triangular weirs, which, along with their corresponding water heads, are listed in Table 3. It can be mentioned that the flow rates amounted to ~315 and ~350 L/s for the reference and elliptical ones in [7]; the water heads corresponded to 16.0 and 12.3 cm.

5. Experimental Results

In comparison with the reference weir, the modified one is evaluated in terms of hydraulic characteristics such as flow capacity, discharge coefficient, crest flow depth, overflow patterns, etc. In this section, the factors that contribute to the improvement are explained. The examined weir has the vertex angle θ = 60°; as an alternative, the layout at θ = 90° is also described.

5.1. Discharge Capacity

The PK weir features free-surface overflow, with freely falling jets if well aerated. Based upon the developed crest length (L) of a single weir cycle, the flow rate, Q, is expressed as
Q = 2 3 C L 2 g H T 3
in which HT = total water head (= H + V 0 2 /(2g)), H = weir water head, i.e., the difference between the undisturbed upstream water level and the weir crest elevation, V0 = average approach velocity, C = discharge coefficient, and g = gravitational acceleration. The water stage (head) at point M3 is used for the determination of discharge-water head of each weir. The relative increment in flow discharge between the two weirs is defined as
ξ % = ( Q m o d Q r e f ) / Q r e f
The analyses of the experimental results are based on prototype dimensions. As a function of HT/W, Figure 8 and Figure 9 compare Qmod with Qref and Cmod with Cref. Figure 10 presents the ξ results.
The tested HT/W range is 0.432 for the reference weir, and 0.442 for the modified one, which is seemingly the upper limit in Swedish conditions (a reservoir water stage higher than this limit requires that the dam itself be heightened, which is not cost-effective). The test results show that, at a given HT/W, the modified weir releases more water, leading to a significant increment in discharge capacity. Within the examined flow range, the enhancement in discharge ranges between ξ = 16% and 20%. At HT/W > 0.35, the increase drops somewhat, which is presumably due to the submergence effects in the outlet key.
Figure 9 shows that the difference in C between the two weirs is negligible. The two curves follow, as a function of HT/W, the same trend and collapse almost onto each other. From the low to high HT/W values, C increases first to a maximum (0.54–0.56) and then declines to 0.31–0.33, at which the tests terminate. The trend of the C changes is also consistent with the findings from the studies in [7,9,15,16,17,18].
The discharge coefficient, C, is dependent on the weir configuration, including crest thickness and cross-sectional profile. For the elliptical weir [7], its C value amounts to C ≈ 0.60 at maximum. With a flat crest, its wall thickness is 1.50 cm. For the triangular one, its maximum value is C ≈ 0.54. With a chamfer-edged geometry, its crest is 2.92 cm thick. The chamfer-edged crest is more beneficial for the overflow, especially at low discharges, while a thicker wall has the opposite effect. Other geometrical aspects also affect the coefficient. At high HT/W values, the two weirs lead to roughly the same C level (C ≈ 0.44).

5.2. Crest Flow Depth

For a given reservoir water stage, the resulting water depth along the weir crest, denoted by h, is a parameter of interest. Its streamwise distribution also mirrors the spatial unit discharge along the crest, which to some extent reflects the hydraulic efficiency of the weirs. Along the crest centerline of half a weir cycle (Figure 11), seven points are denoted, numbered from ① to ⑦ from up to downstream, with point ① on the outlet key axis, point, ⑦ on the inlet key axis, and points ② and ⑥ at the crest vertices. A coordinate is set up along the crest, with its origin (x = 0) at the middle of the straight side-wall crest (between points ② and ⑥). Table 4 lists their coordinates (both normalized with respect to 0.5Lref). For the reference weir, 0.5Lref = 9.95 m, for the modified one, 0.5Lmod = 12.25 m.
As a function of x/(0.5Lref), Figure 12 plots the h variations at three selected cases of flow from low to high, i.e., H ≈ 4.0, 8.0, and 12.0 cm in the model, corresponding to their prototype values H ≈ 0.48, 0.96, and 1.44 m. The tests show that the crest water-depth changes of the two weirs follow roughly the same pattern from up to downstream; the modified weir leads to a somewhat smoother profile. At a specific location, its depth is partially a result of surface-flow acceleration in the inlet key and the change of flow direction from streamwise to sideward.
Some distinctions are observed at the triangular crests. For the reference weir, the water depth in the middle of the upstream crest facing the flow (near point ①) is smaller than at point ②, which usually has the largest crest water depth. There is also a notable drop in depth from point ② to ③, especially at high discharges. For the modified weir, its triangular crest vertex sticks an extra distance x0 + Ts/cos(0.5θ) into the reservoir, which facilitates the water intake over the crest triangle, resulting in a relatively smooth crest water surface.
For the reference weir, the water level at point ⑥ is usually the lowest, with abrupt changes in its vicinity. The modified weir mitigates this with a gradual profile. Instead, the water depth at point ⑦ becomes the smallest, which is somewhat negative for discharge. However, the positive is that the shallower crest water generates a falling jet that is easier to break up, thus facilitating aeration of the air cavity across the jet and mitigating the need for an artificial air supply. This is perhaps true at low and medium flows.
The unit discharge, q = Q/L, refers to the flow rate divided by the developed crest of the length of a weir cycle. It is an averaged nominal quantity without distinction of crest locations. As a function of H/W, Figure 13 plots the q changes for both weirs. The results imply that the q values are identical for H/W ≤ 0.31. For H/W > 0.31, the modified weir becomes somewhat less effective. This result is also consistent with the change in the discharge coefficient.

5.3. Overflow Patterns

Examining the overflow patterns helps to understand the similarities as well as differences between the two weirs. Considering energy dissipation, the behavior of the falling jet from the inlet key has practical implications. At the three water heads from low to high, Figure 14, Figure 15 and Figure 16 compare their flow patterns, seen from both downstream and above. One may see some differences in color between the photos. The reason is that extra light is placed above the modified weir during the tests, and its pictures become brighter.
The floor angle of the outlet key is θ = 25.8° and 29.6° for the reference and modified weirs. At a given H, the outflows behave in a similar way. At H/W = 0.28–0.30 for both weirs, the submergence in the outlet key starts to take effect. The “ridge” is formed along the middle of the key and swings slightly sidewards. At H/W = 0.33–0.35, the ridge is relatively steady, and the overflow becomes submerged constantly. Within the examined flow range, the ridge covers 50–60% of the weir length in the flow direction. With respect to the submergence effect, the modified weir does not improve the outflow, but it does not exacerbate it either despite the fact that its discharge is larger at the same water head.
The inlet key triangle extends further downstream, which, together with its longer crest length, contributes to a wider spreading of the falling water jet. The tests show that the falling jets impact the floor farther downstream. Furthermore, the jets spread more sideward. This pattern is favorable for energy dissipation.

5.4. Factors Contributing to Efficiency Enhancement

The enhancement in the discharge efficiency can be sought in the following factors, i.e., weir crest length, side contraction of inflow, inlet key volume, outlet key volume, etc.
(1)
The improved weir extends more both up and downstream and prolongs accordingly the developed crest length.
(2)
The exterior of the upstream overhang is triangularly shaped in the vertical direction. This planform is not an ideally streamlined form. However, compared to the rectangular planform, it mitigates the side-contraction effect and improves the inflow to the inlet keys.
(3)
With a lowered floor in the inlet key, the inflow passage area (volume) is enlarged, which facilitates the approaching flow to the crest.
(4)
The lowered floor of the outlet key enlarges the outflow cross-sectional area (volume) and alleviates the submergence effect in it. Its contribution takes effect first at high flows.
(5)
The downstream crest triangle fans out the falling jet more in both sidewise and streamwise directions, which mitigates the jet impacts downstream and facilitates energy dissipation.
All these factors are conducive to the enhanced performance of the modified weir. The combination of the second and third factors helps to achieve a relatively smooth water surface in the flow direction. The contributing factors are similar to those of the elliptical PKW [7].
As compared with the elliptical weir, the triangular one has a shorter extension of overhang crests, a somewhat smaller increment in key volume (in both keys), and less streamlined inflow conditions. However, it is seemingly less difficult to manufacture (by either pre-fabrication or in situ construction).
In the studies made by Pralong et al. [19] and Savage et al. [20], CFD simulations were performed to explore the effects of geometrical parameters on the flows. One can imagine that detailed flow structures can be examined by means of CFD for both the elliptical and rectangular PKW, which would help understand the performance enhancement.

5.5. Alternative Layout

The examined weir is assigned θ = 60° both at the crest and in the floors. Another option is to assign θ = 90°. This alternative layout is shaped as follows:
(a)
In the flow direction, the original crest (length B) is extended with a right-angled isosceles triangle for either key. The crest thickness is kept the same (Ts). For the inlet key, its inner vertex extends by 0.5Wi downstream; for the outlet key, its inner vertex extends by 0.5Wo upstream.
(b)
Along the wall crest centerline, the crest length of one triangular side is (Wi + Ts)/ 2 for the inlet key and (Wo + Ts)/ 2 for the outlet one.
(c)
At the upstream vertical surface, the inlet key floor is lowered with a 90° isosceles triangle. The vertex is 0.5Wi below the original floor elevation; the inlet key height becomes Pi + 0.5Wi.
(d)
At the downstream surface, the outlet key floor is also lowered with a 90° isosceles triangle. The vertex is 0.5Wo below the original floor level; the inlet key height becomes Po + 0.5Wi.
(e)
Thus, either key floor is lowered and adapted to have a triangular shape in cross-section. Instead of a rectangular planform, the modification leads to a triangular exterior (facade) of either overhang over its height.
The major parameters are listed below.
Bmod = B + 0.5(Wi + Wo) + 2Ts
tan(αi) = (PiSi + 0.5Wi)/(Bb + Bi + Ts + 0.5Wi)
tan(αo) = (PoSo + 0.5Wo)/(Bb + Bo + Ts + 0.5Wo)
L m o d = 2 B + 2 ( W i + W o ) + 2 2 T s
Δ L = ( 2 1 ) ( W i + W o ) + 2 2 T s
The use of the same Wi, Wo, and Ts values leads to β = 11.7%. This implies that, compared to the reference weir, the modified configuration with θ = 90° gains an 11.7% longer crest, which is somewhat less superior to the θ = 60° version.

6. Conclusions

Considering the imperfections, albeit limited, of the rectangular planform, a modified layout is worked out, featuring triangular overhangs with key floor adaptations. The aim of the study is, therefore, twofold: to devise a modified layout and to evaluate its performance. With the purpose of improving hydraulic efficiency, this effort is a continuation of the previous one, in which a PKW with an elliptical crest and key-floor shapes were examined.
Comparative laboratory tests of the reference and modified weirs are carried out, in which notable improvements in the hydraulic performance of the latter are observed. The results are summarized as follows.
The conventional weir is modified by incorporating isosceles triangles on the crest and at the vertical base surface, forming a triangular prism beneath the weir floor. Given a vertex angle, the increase in developed crest length depends on the key widths and the crest wall width. With an equilateral triangle (θ = 60°) and the chosen weir dimensions, the developed crest length is extended by 23.1%.
PKW models are 3D printed and tested in a large flume, each consisting of three cycles. The experiments reveal that the modified PKW outperforms the reference design, with an increase in discharge capacity ranging from 16% to 20% within the tested flow range. The difference in discharge coefficient between the two weirs is negligible. Additionally, the modified weir produces a smoother water surface over the streamwise crest; the triangular inlet key crest contributes to a broader spreading of the falling jet in both sidewise and streamwise directions.
Several factors contribute to the improved performance: a longer developed crest, more favorable inflow conditions owing to reduced side contraction from the triangular planform, an enlarged inlet key allowing more water volume to reach the crest, and a deeper outlet key reducing submergence effects at high discharges.
Only one pair of weirs (reference + modified) is examined in the study. One can imagine that, with another reference weir layout, the improvement in discharge capacity might be somewhat different.
Compared to the conventional weir, the modified version is more efficient and is a viable alternative for practical applications, particularly if constraints on the reservoir water level or spillway construction footprint exist. The triangular vertex is vulnerable to impacts from floating debris, so rounding and protective measures should be considered. In comparison with the elliptical PKW [7], the triangular one exhibits a somewhat lower efficiency, but it is seemingly easier in pre-fabrication or on-site construction. The degree of difficulty in manufacturing the rectangular and triangular weirs should be comparable.

Author Contributions

Conceptualization, design modification, funding acquisition, methodology, resources, experiments, formal analysis, writing of original manuscript and revision, J.Y.; Participation in planning, check of the results, quality control, manuscript review and revision, S.L. All authors have read and agreed to the published version of the manuscript.

Funding

As part of the research project “Innovative design & experimental-numerical studies of piano key spillway for enhanced discharge and hydraulic performance”, the study is funded by the Swedish Centre for Sustainable Hydropower (SVC), Contract No. VKU32022. As an industry in-kind, Vattenfall R&D covers the costs for the test rig and experimental assistance. The SVC has been established by the Swedish Energy Agency, Energiforsk, and Svenska Kraftnät together with KTH Royal Institute of Technology, Luleå University of Technology, Chalmers University of Technology, and Uppsala University. Participating companies and industry associations are AFRY, Andritz Hydro, Boliden, Fortum Generation, Holmen Energi, Jämtkraft, Karlstads Energi, LKAB, Mälarenergi, Norconsult, Rainpower, Skellefteå Kraft, Sollefteåforsens, Statkraft Sverige, Sweco Energuide, Sweco Infrastructure, Tekniska verken i Linköping, Uniper, Vattenfall R&D, Vattenfall Vattenkraft, Voith Hydro, WSP Sverige and Zinkgruvan.

Data Availability Statement

The data are contained in the article and can be shared upon request.

Acknowledgments

The PKW study is performed at Vattenfall’s hydraulic laboratory, Älvkarleby. James Yang is indebted to Erik Skepparkrans for CAD and supervision of model manufacture, to Anna Helgesson for experimental assistance with flow measurements, to Anders Sjödin for coordination of laboratory resources, to Jennifer Persson for model refinement and installation, and to Patrik Lidberg for instrumentation. Project administration by Emma Hagner and Carolina Holmberg of the Swedish Centre for Sustainable Hydropower (SVC) and Professor Anders Ansell of KTH Royal Institute of Technology is appreciated.

Conflicts of Interest

The authors declare no conflicts of interest. The authors also declare that this study received funding from the Swedish Centre for Sustainable Hydropower (SVC). The funder was not involved in the design, collection, analysis, and interpretation of data, the writing of this article, or the decision to submit it for publication.

Notation

The following symbols are used in this paper:
B, BmodTotal crest length in the flow direction (incl. crest walls) (m)
BbWeir base length (m)
Bi, Bi,modCrest length of inlet key overhang (excl. crest wall) (m)
Bo, Bo,modCrest length of outlet key overhang (excl. crest wall) (m)
CDischarge coefficient based on developed crest length (-)
gGravitational acceleration (m/s2)
HWater head (m)
HTTotal water head (m)
hCrest flow depth (m)
Lref, LmodDeveloped crest length (m)
ΔLIncrement in developed crest length (= LmodLref) (m)
PTotal weir height (m)
Pi, Pi,modInlet key height (m)
Po, Po,modOutlet key height (m)
QFlow rate over one weir cycle (m3/s)
qAverage flow rate per developed crest length (m2/s)
Si, SoInlet and outlet key’s parapet wall height (m)
TsCrest wall thickness (m)
V0Average approach velocity upstream of the weir (m/s)
WWidth of one weir cycle (m)
Wi, WoInlet and outlet key width (m)
xCrest coordinate (along crest centerline) (m)
xi, xoTriangular vertex protrusion at the crest (m)
yi, yoEquilateral triangular side length (along crest centerline) (m)
αi, αoKey floor angle with the horizontal plane (°)
βRelative increment in developed crest length (-)
θVertex angle (°)
ξRelative increase in flow discharge (-)
Subscript iInlet key
Subscript oOutlet key
Subscript refReference weir
Subscript modModified weir

References

  1. Schleiss, A. From labyrinth to piano key weirs—A historical review. In Labyrinth and Piano Key Weirs—PKW 2011; Erpicum, S., Laugier, F., Pfister, M., Pirotton, M., Cicero, G.-M., Schleiss, A.J., Eds.; CRC Press: London, UK, 2011. [Google Scholar]
  2. Lempérière, F.; Vigny, J.P.; Ouamane, A. General comments on labyrinths and piano key weirs: The past and present. In Labyrinth and Piano Key Weirs—PKW 2011; Erpicum, S., Laugier, F., Pfister, M., Pirotton, M., Cicero, G.-M., Schleiss, A.J., Eds.; CRC Press: London, UK, 2011. [Google Scholar]
  3. Available online: https://www.uee.uliege.be/cms/c_5026433/en/world-register-of-piano-key-weirs-prototypes (accessed on 15 November 2024).
  4. Laugier, F. Design and construction of the first piano key weir spillway at the Goulours Dam. Int. J. Hydropower Dams 2007, 14, 94–101. [Google Scholar]
  5. Laugier, F.; Vermeulen, J.; Blancher, B. Overview of design and construction of 11 piano key weir spillways developed in France by EDF from 2003 to 2006. In Labyrinth and Piano Key Weirs III—PKW 2017; Erpicum, S., Laugier, F., Pfister, M., Pirotton, M., Cicero, G.-M., Schleiss, A.J., Eds.; CRC Press: London, UK, 2017. [Google Scholar]
  6. Anderson, R.M.; Tullis, B.P. Piano key weir hydraulics and labyrinth weir comparison. J. Irrig. Drain. Eng. 2013, 139, 246–253. [Google Scholar] [CrossRef]
  7. Yang, J.; Li, S.C.; Helgesson, A.; Skepparkrans, E.; Ansell, A. Geometric modification of piano key weirs to enhance hydraulic performance and discharge capacity. Water 2023, 15, 4148. [Google Scholar] [CrossRef]
  8. Cicero, G.M.; Delisle, J.R.; Lefebvre, V.; Vermeulen, J. Experimental and numerical study of the hydraulic performance of a trapezoidal Piano Key weir. In Labyrinth and Piano Key Weirs II—PKW 2013; Erpicum, S., Laugier, F., Pfister, M., Pirotton, M., Cicero, G.-M., Schleiss, A.J., Eds.; CRC Press: London, UK, 2013. [Google Scholar]
  9. Shen, X.Y.; Oertel, M. Comparative study of nonsymmetrical trapezoidal and rectangular piano key weirs with varying key width ratios. J. Hydraul. Eng. 2021, 147, 04021045. [Google Scholar] [CrossRef]
  10. Mishra, R.K.; Chaudhary, R.K.; Bento, A.M.; Ahmad, Z. Hydraulic performance analysis of piano key weirs with curvilinear keys: A numerical and experimental study. ISH J. Hydraul. Eng. 2024, 30, 1–11. [Google Scholar] [CrossRef]
  11. Ouamane, A.; Debabeche, M.; Lempérière, F.; Vigny, J.P. Twenty years of research in Biskra University for labyrinths and piano key weirs and associated fuse plugs. In Labyrinth and Piano Key Weirs III—PKW 2017; Erpicum, S., Laugier, F., Pfister, M., Pirotton, M., Cicero, G.-M., Schleiss, A.J., Eds.; CRC Press: London, UK, 2017. [Google Scholar]
  12. Belaabed, F.; Ouamane, A. Submerged flow regimes of Piano Key weir. In Labyrinth and Piano Key Weirs II—PKW 2013; Erpicum, S., Laugier, F., Pfister, M., Pirotton, M., Cicero, G.-M., Schleiss, A.J., Eds.; CRC Press: London, UK, 2013. [Google Scholar]
  13. Belaabed, F.; Athmani, B.; Ouamane, A.; Laiadi, A. Study of the influence of submergence on the upstream flow of piano key weir. In Labyrinth and Piano Key Weirs III—PKW 2017; Erpicum, S., Laugier, F., Pfister, M., Pirotton, M., Cicero, G.-M., Schleiss, A.J., Eds.; CRC Press: London, UK, 2017. [Google Scholar]
  14. Yang, J.; Helgesson, A. Flood discharge safety at Lillflyforsen dam–hydraulic model studies 2024. In Technical Report, No. VRD-R51-2024; Vattenfall AB Research & Development: Älvkarleby, Sweden, 2024. [Google Scholar]
  15. Anderson, R.M.; Tullis, B.-P. Piano key weir: Reservoir versus channel application. J. Irrig. Drain. Eng. 2012, 138, 773–776. [Google Scholar] [CrossRef]
  16. Oertel, M.; Bremer, F. Analysis of Various Piano Key Weir Geometries Concerning Discharge Coefficient Development. In Proceedings of the 4th IAHR Europe Congress, Liege, Belgium, 27–29 July 2016. [Google Scholar]
  17. Machiels, O.; Erpicum, S.; Archambeau, P.; Dewals, B.J.; Pirotton, M. Piano Key Weirs, Experimental Study of an Efficient Solution for Rehabilitation. In Proceedings of the 8th International Conference on Flood and Urban Water Management, Wessex Institute of Technology, Southampton, UK, 6–8 July 2010. [Google Scholar]
  18. Kabiri-Samani, A.; Javaheri, A. Discharge coefficient for free and submerged flow over piano key weirs. J. Hydraul. Res. 2012, 50, 114–120. [Google Scholar] [CrossRef]
  19. Pralong, J.; Montarros, F.; Blancher, B.; Laugier, F. A sensitivity analysis of piano key weirs geometrical parameters based on 3D numerical modeling. In Labyrinth and Piano Key Weirs—PKW 2011; Erpicum, S., Laugier, F., Pfister, M., Pirotton, M., Cicero, G.-M., Schleiss, A.J., Eds.; CRC Press: London, UK, 2011. [Google Scholar]
  20. Savage, B.M.; Crookston, B.M.; Paxson, G.S. Physical and numerical modeling of large headwater ratios for a 15 degree labyrinth spillway. J. Hydraul. Eng. 2016, 142, 04016046. [Google Scholar] [CrossRef]
Figure 1. Parameter definition of a conventional PKW (type A) of a rectangular planform. The arrow indicates the flow direction.
Figure 1. Parameter definition of a conventional PKW (type A) of a rectangular planform. The arrow indicates the flow direction.
Water 16 03375 g001
Figure 2. Modified PKW configuration. Each key overhang crest is extended with an isosceles triangle. The inlet (outlet) key floor at the upstream (downstream) base face is also lowered with a downward-isosceles triangle. Each key floor is adapted accordingly to form a triangular prism. (a) Longitudinal profile; (b) Plan view. The arrow indicates the flow direction.
Figure 2. Modified PKW configuration. Each key overhang crest is extended with an isosceles triangle. The inlet (outlet) key floor at the upstream (downstream) base face is also lowered with a downward-isosceles triangle. Each key floor is adapted accordingly to form a triangular prism. (a) Longitudinal profile; (b) Plan view. The arrow indicates the flow direction.
Water 16 03375 g002
Figure 3. Reference weir of rectangular planform—model dimensions (unit mm). (a) plan view; (b) longitudinal profile.
Figure 3. Reference weir of rectangular planform—model dimensions (unit mm). (a) plan view; (b) longitudinal profile.
Water 16 03375 g003
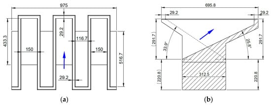
Figure 4. Modified weir with triangular overhangs—model dimensions (unit mm). (a) Plan view; (b) Longitudinal profile. The blue arrow indicates the flow direction.
Figure 4. Modified weir with triangular overhangs—model dimensions (unit mm). (a) Plan view; (b) Longitudinal profile. The blue arrow indicates the flow direction.
Water 16 03375 g004
Figure 5. A 3D view of the modified PKW at θ = 60° and the reference one (the arrow indicates the flow direction).
Figure 5. A 3D view of the modified PKW at θ = 60° and the reference one (the arrow indicates the flow direction).
Water 16 03375 g005
Figure 6. Experimental layout in a 2.0 m wide and 11.0 m long flume. Each model is composed of three weir cycles (model width 3W = 0.975 m and height 51.25 cm).
Figure 6. Experimental layout in a 2.0 m wide and 11.0 m long flume. Each model is composed of three weir cycles (model width 3W = 0.975 m and height 51.25 cm).
Water 16 03375 g006
Figure 7. The weirs in the flume—the weir base is mounted flush with the floor at the flume’s lower end, resulting in free falling jets onto the floor. (a) Reference weir; (b) Modified weir.
Figure 7. The weirs in the flume—the weir base is mounted flush with the floor at the flume’s lower end, resulting in free falling jets onto the floor. (a) Reference weir; (b) Modified weir.
Water 16 03375 g007
Figure 8. Discharges over one weir unit (Q)—comparison between the reference and modified weirs.
Figure 8. Discharges over one weir unit (Q)—comparison between the reference and modified weirs.
Water 16 03375 g008
Figure 9. Discharge coefficient (C) of both weirs defined by developed crest length (L).
Figure 9. Discharge coefficient (C) of both weirs defined by developed crest length (L).
Water 16 03375 g009
Figure 10. Increase in flow discharge of the modified weir in comparison with the reference one.
Figure 10. Increase in flow discharge of the modified weir in comparison with the reference one.
Water 16 03375 g010
Figure 11. Characteristic points ①–⑦ from up to downstream for measurement of crest flow depth. (a) Modified weir; (b) Reference weir. The arrow indicates the flow direction.
Figure 11. Characteristic points ①–⑦ from up to downstream for measurement of crest flow depth. (a) Modified weir; (b) Reference weir. The arrow indicates the flow direction.
Water 16 03375 g011
Figure 12. Water-depth changes along the weir crests: (a) H ≈ 4.0 cm; (b) H ≈ 8.0 m; (c) H ≈ 12.0 m.
Figure 12. Water-depth changes along the weir crests: (a) H ≈ 4.0 cm; (b) H ≈ 8.0 m; (c) H ≈ 12.0 m.
Water 16 03375 g012
Figure 13. Averaged unit flow rate along the crest—q as function of H/W.
Figure 13. Averaged unit flow rate along the crest—q as function of H/W.
Water 16 03375 g013
Figure 14. Overflow patterns at H ≈ 4.0 cm: the first row (a1,a2) is the reference weir; the second row (b1,b2) is the modified weir. Left column (a1,b1) is looking upstream; right column (a2,b2) is from above. The red arrow indicates the flow direction.
Figure 14. Overflow patterns at H ≈ 4.0 cm: the first row (a1,a2) is the reference weir; the second row (b1,b2) is the modified weir. Left column (a1,b1) is looking upstream; right column (a2,b2) is from above. The red arrow indicates the flow direction.
Water 16 03375 g014
Figure 15. Overflow patterns at H ≈ 8.0 cm: the first row (a1,a2) is the reference weir; the second row (b1,b2) is the modified weir. Left column (a1,b1) is looking upstream; right column (a2,b2) is from above. The red arrow indicates the flow direction.
Figure 15. Overflow patterns at H ≈ 8.0 cm: the first row (a1,a2) is the reference weir; the second row (b1,b2) is the modified weir. Left column (a1,b1) is looking upstream; right column (a2,b2) is from above. The red arrow indicates the flow direction.
Water 16 03375 g015
Figure 16. Overflow patterns at H ≈ 12.0 cm: the first row (a1,a2) is the reference weir; the second row (b1,b2) is the modified weir. Left column (a1,b1) is looking upstream; right column (a2,b2) is from above. The red arrow indicates the flow direction.
Figure 16. Overflow patterns at H ≈ 12.0 cm: the first row (a1,a2) is the reference weir; the second row (b1,b2) is the modified weir. Left column (a1,b1) is looking upstream; right column (a2,b2) is from above. The red arrow indicates the flow direction.
Water 16 03375 g016
Table 1. The reference PKW of rectangular planform—prototype dimensions adopted in the study (length unit m, angle unit degree).
Table 1. The reference PKW of rectangular planform—prototype dimensions adopted in the study (length unit m, angle unit degree).
ParameterWiWoWTsBiBbBoB
Value1.801.403.900.351.453.752.458.35
ParameterSiSoαiαoPiPoPLref
Value00.5033.925.83.503.506.1519.9
Table 2. The modified PKW with triangular overhangs—resulting prototype dimensions (length unit m, angle unit degree).
Table 2. The modified PKW with triangular overhangs—resulting prototype dimensions (length unit m, angle unit degree).
ParameterWiWoWTsBi,modBbBo,modBmod
Value1.801.403.900.353.363.754.0111.82
ParameterSiSoαiαoPi,modPo,modPLmod
Value00.5036.8129.615.064.716.1524.50
Table 3. Maximum flow rates and water heads in the study.
Table 3. Maximum flow rates and water heads in the study.
WeirMaximum flow rate (per weir cycle)Maximum water head
Model (L/s)Prototype (m3/s)Model (cm)Prototype (m)
Reference weir85.842.8213.221.59
Modified weir99.550.1313.211.59
Table 4. Curvilinear coordinates of characteristic crest points (along half of the developed crest length of each weir).
Table 4. Curvilinear coordinates of characteristic crest points (along half of the developed crest length of each weir).
Weir TypePoint
Reference weirx (m)−4.875−4.00−2.0002.004.005.075
x/(0.5Lref)−0.490−0.402−0.20100.2010.4020.510
Modified weirx (m)−5.925−4.00−2.0002.004.006.325
x/(0.5Lref)−0.595−0.402−0.20100.2010.4020.636
Disclaimer/Publisher’s Note: The statements, opinions and data contained in all publications are solely those of the individual author(s) and contributor(s) and not of MDPI and/or the editor(s). MDPI and/or the editor(s) disclaim responsibility for any injury to people or property resulting from any ideas, methods, instructions or products referred to in the content.

Share and Cite

MDPI and ACS Style

Yang, J.; Li, S. Piano Key Weir (PKW)—Improvement in Conventional Geometry for Augmented Discharge Capacity. Water 2024, 16, 3375. https://doi.org/10.3390/w16233375

AMA Style

Yang J, Li S. Piano Key Weir (PKW)—Improvement in Conventional Geometry for Augmented Discharge Capacity. Water. 2024; 16(23):3375. https://doi.org/10.3390/w16233375

Chicago/Turabian Style

Yang, James, and Shicheng Li. 2024. "Piano Key Weir (PKW)—Improvement in Conventional Geometry for Augmented Discharge Capacity" Water 16, no. 23: 3375. https://doi.org/10.3390/w16233375

APA Style

Yang, J., & Li, S. (2024). Piano Key Weir (PKW)—Improvement in Conventional Geometry for Augmented Discharge Capacity. Water, 16(23), 3375. https://doi.org/10.3390/w16233375

Note that from the first issue of 2016, this journal uses article numbers instead of page numbers. See further details here.

Article Metrics

Back to TopTop