Enhanced Organics Removal Using 3D/GAC/O3 for N-Containing Organic Pharmaceutical Wastewater: Accounting for Improved Biodegradability and Optimization of Operating Parameters by Response Surface Methodology
Abstract
1. Introduction
2. Materials and Methods
2.1. Chemicals and Reagents
2.2. Pharmaceutical Wastewater Samples
2.3. N-Containing Pharmaceutical Organic Solvents
2.4. Electrode Materials
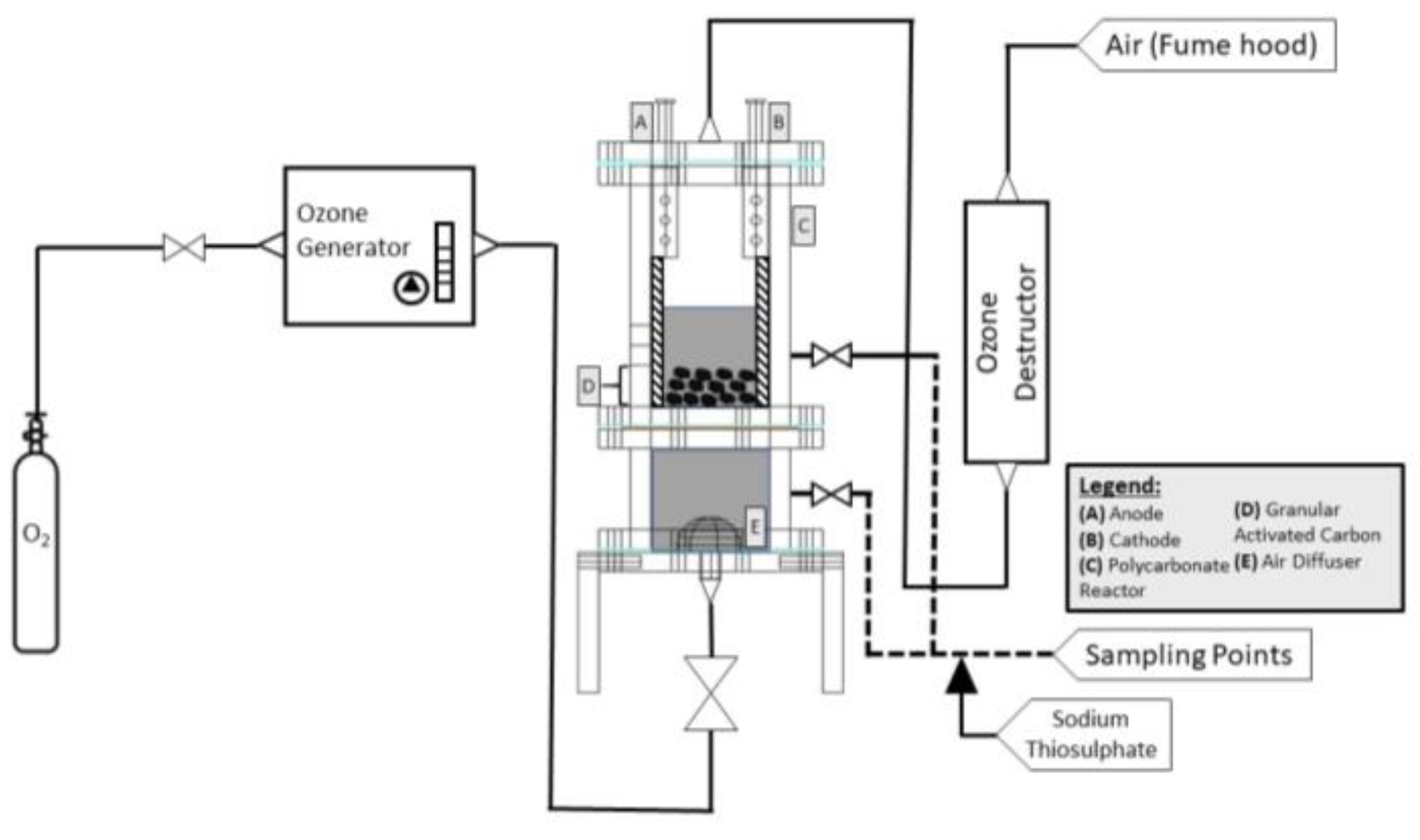
2.5. The 3D/GAC/O3 Process
2.6. Electrochemical Characterization
2.7. Analytical Method
2.8. Design of 3D/GAC/O3 by Response Surface Methodology
2.9. Non-Linear Fitting (Adsorption Models)
3. Results and Discussion
3.1. The 3D/GAC/O3 Process for Pharmaceutical Wastewater Treatment
3.1.1. Electrochemical Characterization of BDD with Pharmaceutical Wastewater
3.1.2. Comparison Between Processes on Organics Removal
3.2. Determining the •OH Production and Reactions in 3D/GAC/O3
3.3. Reactions Contributing to the Generation of •OH for 3D/GAC/O3
3.3.1. Peroxone Reaction
3.3.2. Catalytic Ozonation
3.3.3. O3-Electrolysis
3.4. Model Development, Regression and Variance Analysis, and Optimization
3.4.1. Influence of Single Variables
3.4.2. Interaction between Variables
3.4.3. Pareto Analysis
3.4.4. Optimization of Parameters
3.5. Degradation and Changes of Amides and Imides
3.6. Biodegradability and Toxicity Between Different Processes
3.7. Organic Fractions Between Different Processes
4. Conclusions
Supplementary Materials
Author Contributions
Funding
Data Availability Statement
Acknowledgments
Conflicts of Interest
References
- Gadipelly, C.; Pérez-González, A.; Yadav, G.D.; Ortiz, I.; Ibáñez, R.; Rathod, V.K.; Marathe, K.V. Pharmaceutical industry wastewater: Review of the technologies for water treatment and reuse. Ind. Eng. Chem. Res. 2014, 53, 11571–11592. [Google Scholar] [CrossRef]
- Wu, M.; Atchley, D.; Greer, L.; Janssen, S.; Rosenberg, D.; Sass, J. Dosed Without Prescription: Preventing Pharmaceutical; Natural Resources Defense Council NRDC Inc.: Washington, DC, USA, 2009. [Google Scholar]
- Guo, Y.; Qi, P.S.; Liu, Y.Z. A review on advanced treatment of pharmaceutical wastewater. IOP Conf. Ser. Earth Environ. Sci. 2017, 63, 012025. [Google Scholar] [CrossRef]
- Shi, X.; Leong, K.Y.; Ng, H.Y. Anaerobic treatment of pharmaceutical wastewater: A critical review. Bioresour. Technol. 2017, 245, 1238–1244. [Google Scholar] [CrossRef]
- Shi, X.; Lefebvre, O.; Ng, K.K.; Ng, H.Y. Sequential anaerobic–aerobic treatment of pharmaceutical wastewater with high salinity. Bioresour. Technol. 2014, 153, 79–86. [Google Scholar] [CrossRef] [PubMed]
- Hu, H.; Jiang, C.; Ma, H.; Ding, L.; Geng, J.; Xu, K.; Huang, H.; Ren, H. Removal characteristics of DON in pharmaceutical wastewater and its influence on the N-nitrosodimethylamine formation potential and acute toxicity of DOM. Water Res. 2017, 109, 114–121. [Google Scholar] [CrossRef]
- Ji, J.-Y.; Xing, Y.-J.; Ma, Z.-T.; Zhang, M.; Zheng, P. Acute toxicity of pharmaceutical wastewaters containing antibiotics to anaerobic digestion treatment. Chemosphere 2013, 91, 1094–1098. [Google Scholar] [CrossRef] [PubMed]
- Bello, M.M.; Raman, A.A.A. Synergy of adsorption and advanced oxidation processes in recalcitrant wastewater treatment. Environ. Chem. Lett. 2019, 17, 1125–1142. [Google Scholar] [CrossRef]
- Zhan, J.; Li, Z.; Yu, G.; Pan, X.; Wang, J.; Zhu, W.; Han, X.; Wang, Y. Enhanced treatment of pharmaceutical wastewater by combining three-dimensional electrochemical process with ozonation to in situ regenerate granular activated carbon particle electrodes. Sep. Purif. Technol. 2019, 208, 12–18. [Google Scholar] [CrossRef]
- Wang, T.; Song, Y.; Ding, H.; Liu, Z.; Baldwin, A.; Wong, I.; Li, H.; Zhao, C. Insight into synergies between ozone and in-situ regenerated granular activated carbon particle electrodes in a three-dimensional electrochemical reactor for highly efficient nitrobenzene degradation. Chem. Eng. J. 2020, 394, 124852. [Google Scholar] [CrossRef]
- Olvera-Vargas, H.; Gore-Datar, N.; Garcia-Rodriguez, O.; Mutnuri, S.; Lefebvre, O. Electro-Fenton treatment of real pharmaceutical wastewater paired with a BDD anode: Reaction mechanisms and respective contribution of homogeneous and heterogeneous OH. Chem. Eng. J. 2021, 404, 126524. [Google Scholar] [CrossRef]
- Tekle-Röttering, A.; Lim, S.; Reisz, E.; Lutze, H.V.; Abdighahroudi, M.S.; Willach, S.; Schmidt, W.; Tentscher, P.R.; Rentsch, D.; McArdell, C.S.; et al. Reactions of pyrrole, imidazole, and pyrazole with ozone: Kinetics and mechanisms. Environ. Sci. Water Res. Technol. 2020, 6, 976–992. [Google Scholar] [CrossRef]
- Tekle-Röttering, A.; Jewell, K.S.; Reisz, E.; Lutze, H.V.; Ternes, T.A.; Schmidt, W.; Schmidt, T.C. Ozonation of piperidine, piperazine and morpholine: Kinetics, stoichiometry, product formation and mechanistic considerations. Water Res. 2016, 88, 960–971. [Google Scholar] [CrossRef] [PubMed]
- Lewis, D. The absorption spectrum of the titanium (iv)–hydrogen peroxide complex. J. Phys. Chem. 1958, 62, 1145–1146. [Google Scholar] [CrossRef]
- Elovitz, M.S.; von Gunten, U. Hydroxyl radical/ozone ratios during ozonation processes. I. The Rct concept. Ozone Sci. Eng. 1999, 21, 239–260. [Google Scholar] [CrossRef]
- von Gunten, U.; von Sonntag, C. Chemistry of Ozone in Water and Wastewater Treatment; OAPEN: Pague, The Netherlands, 2012. [Google Scholar]
- Yao, C.D.; Haag, W.R. Rate constants for direct reactions of ozone with several drinking water contaminants. Water Res. 1991, 25, 761–773. [Google Scholar]
- Annadurai, G.; Sheeja, R.Y. Use of Box-Behnken design of experiments for the adsorption of verofix red using biopolymer. Bioprocess Eng. 1998, 18, 463–466. [Google Scholar] [CrossRef]
- Zolgharnein, J.; Shahmoradi, A.; Ghasemi, J.B. Comparative study of Box–Behnken, central composite, and Doehlert matrix for multivariate optimization of Pb (II) adsorption onto Robinia tree leaves. J. Chemom. 2013, 27, 12–20. [Google Scholar] [CrossRef]
- Nam, S.-N.; Cho, H.; Han, J.; Her, N.; Yoon, J. Photocatalytic degradation of acesulfame K: Optimization using the Box–Behnken design (BBD). Process Saf. Environ. Prot. 2018, 113, 10–21. [Google Scholar] [CrossRef]
- Wu, C.J.; Hamada, M.S. Experiments: Planning, Analysis, and Optimization; Wiley: Hoboken, NJ, USA, 2011; Volume 552. [Google Scholar]
- Ferro, S.; De Battisti, A.; Duo, I.; Comninellis, C.; Haenni, W.; Perret, A. Chlorine evolution at highly boron-doped diamond electrodes. J. Electrochem. Soc. 2000, 147, 2614. [Google Scholar] [CrossRef]
- Scialdone, O.; Galia, A.; Randazzo, S. Electrochemical treatment of aqueous solutions containing one or many organic pollutants at boron doped diamond anodes. Theoretical modeling and experimental data. Chem. Eng. J. 2012, 183, 124–134. [Google Scholar] [CrossRef]
- Chaplin, B.P. Critical review of electrochemical advanced oxidation processes for water treatment applications. Environ. Sci. Process. Impacts 2014, 16, 1182–1203. [Google Scholar] [CrossRef] [PubMed]
- Ganiyu, S.O.; Martínez-Huitle, C.A. Nature, Mechanisms and Reactivity of Electrogenerated Reactive Species at Thin-Film Boron-Doped Diamond (BDD) Electrodes During Electrochemical Wastewater Treatment. ChemElectroChem 2019, 6, 2379–2392. [Google Scholar] [CrossRef]
- Zhu, X.; Ni, J.; Xing, X.; Li, H.; Jiang, Y. Synergies between electrochemical oxidation and activated carbon adsorption in three-dimensional boron-doped diamond anode system. Electrochim. Acta 2011, 56, 1270–1274. [Google Scholar] [CrossRef]
- Georgi, A.; Kopinke, F.-D. Interaction of adsorption and catalytic reactions in water decontamination processes: Part I. Oxidation of organic contaminants with hydrogen peroxide catalyzed by activated carbon. Appl. Catal. B Environ. 2005, 58, 9–18. [Google Scholar] [CrossRef]
- Turkay, O.; Ersoy, Z.G.; Barışçı, S. The application of an electro-peroxone process in water and wastewater treatment. J. Electrochem. Soc. 2017, 164, E94. [Google Scholar] [CrossRef]
- Sánchez-Polo, M.; von Gunten, U.; Rivera-Utrilla, J. Efficiency of activated carbon to transform ozone into OH radicals: Influence of operational parameters. Water Res. 2005, 39, 3189–3198. [Google Scholar] [CrossRef]
- García-Morales, M.A.; Roa-Morales, G.; Barrera-Díaz, C.; Bilyeu, B.; Rodrigo, M.A. Synergy of electrochemical oxidation using boron-doped diamond (BDD) electrodes and ozone (O3) in industrial wastewater treatment. Electrochem. Commun. 2013, 27, 34–37. [Google Scholar] [CrossRef]
- Kishimoto, N.; Morita, Y.; Tsuno, H.; Oomura, T.; Mizutani, H. Advanced oxidation effect of ozonation combined with electrolysis. Water Res. 2005, 39, 4661–4672. [Google Scholar] [CrossRef]
- Qiu, C.; Yuan, S.; Li, X.; Wang, H.; Bakheet, B.; Komarneni, S.; Wang, Y. Investigation of the synergistic effects for p-nitrophenol mineralization by a combined process of ozonation and electrolysis using a boron-doped diamond anode. J. Hazard. Mater. 2014, 280, 644–653. [Google Scholar] [CrossRef]
- Deshpande, A.M.; Ramakant; Satyanarayan, S. Treatment of pharmaceutical wastewater by electrochemical method: Optimization of operating parameters by response surface methodology. J. Hazard. Toxic Radioact. Waste 2012, 16, 316–326. [Google Scholar] [CrossRef]
- Garcia-Segura, S.; Ocon, J.D.; Chong, M.N. Electrochemical oxidation remediation of real wastewater effluents—A review. Process Saf. Environ. Prot. 2018, 113, 48–67. [Google Scholar] [CrossRef]
- Xia, G.; Wang, Y.; Wang, B.; Huang, J.; Deng, S.; Yu, G. The competition between cathodic oxygen and ozone reduction and its role in dictating the reaction mechanisms of an electro-peroxone process. Water Res. 2017, 118, 26–38. [Google Scholar] [CrossRef]
- Basturk, I.; Murat-Hocaoglu, S.; Varank, G.; Yazici-Guvenc, S. Comparison of Ozonation and Electro-Fenton Processes for Sodium Azide Removal in Medical Laboratory Wastewater by Using Central Composite Design. Sep. Sci. Technol. 2021, 56, 2951–2966. [Google Scholar] [CrossRef]
- Domínguez, J.R.; González, T.; Palo, P.; Sánchez-Martín, J.; Rodrigo, M.A.; Sáez, C. Electrochemical degradation of a real pharmaceutical effluent. Water. Air. Soil Pollut. 2012, 223, 2685–2694. [Google Scholar] [CrossRef]
- Chen, Y.; Li, B.; Qiu, Y.; Xu, X.; Shen, S. A novel chemical/biological combined technique for N, N-dimethylformamide wastewater treatment. Environ. Technol. 2015, 37, 1088–1093. [Google Scholar] [CrossRef]
- Hu, X.; Dong, H.; Zhang, Y.; Fang, B.; Jiang, W. Mechanism of N, N-dimethylformamide electrochemical oxidation using a Ti/RuO2–IrO2 electrode. RSC Adv. 2021, 11, 7205–7213. [Google Scholar] [CrossRef] [PubMed]
- Kong, Z.; Li, L.; Li, Y.Y. Long-term performance of UASB in treating N, N-dimethylformamide-containing wastewater with a rapid start-up by inoculating mixed sludge. Sci. Total Environ. 2019, 648, 1141–1150. [Google Scholar] [CrossRef] [PubMed]
- Cai, S.; Cai, T.; Liu, S.; Yang, Q.; He, J.; Chen, L.; Hu, J. Biodegradation of N-methylpyrrolidone by Paracoccus sp. NMD-4 and its degradation pathway. Int. Biodeterior. Biodegrad. 2014, 93, 70–77. [Google Scholar] [CrossRef]
- Chen, X.; Yang, C.; Wang, W.; Ge, B.; Zhang, J.; Liu, Y.; Nan, Y. Biodegradation of N, N-dimethylacetamide by Rhodococcus sp. strain B83 isolated from the rhizosphere of pagoda tree. J. Environ. Sci. 2017, 53, 88–98. [Google Scholar] [CrossRef]
- Kumar, S.S.; Kumar, M.S.; Siddavattam, D.; Karegoudar, T.B. Generation of continuous packed bed reactor with PVA–alginate blend immobilized Ochrobactrum sp. DGVK1 cells for effective removal of N, N-dimethylformamide from industrial effluents. J. Hazard. Mater. 2012, 199, 58–63. [Google Scholar] [CrossRef]
- Ramirez, F.; Monroy, O.; Favela, E.; Guyot, J.P.; Cruz, F. Acetamide degradation by a continuous-fed batch culture of Bacillus sphaericus. In Biotechnology for Fuels and Chemicals; Springer: Berlin/Heidelberg, Germany, 1998; pp. 215–223. [Google Scholar]
- Bhojani, G.; Jani, S.; Saha, N.K. Facile biodegradation of N, N-dimethylformamide, N, N-dimethylacetamide and N-methyl-2-pyrrolidone by source-derived Bacillus strain APS1 for water reclamation and reuse. J. Clean. Prod. 2022, 334, 130098. [Google Scholar] [CrossRef]
- U.S. Department of Health and Human Services Food and Drug Administration. Q3C-Tables and List Guidance for Industry; U.S. Food and Drug Administration: Washton, DC, USA, 2017; p. 7.
- Byrne, F.P.; Jin, S.; Paggiola, G.; Petchey, T.H.M.; Clark, J.H.; Farmer, T.J.; Hunt, A.J.; McElroy, C.R.; Sherwood, J. Tools and techniques for solvent selection: Green solvent selection guides. Sustain. Chem. Process. 2016, 4, 7. [Google Scholar] [CrossRef]
- Imamura, S. Catalytic and noncatalytic wet oxidation. Ind. Eng. Chem. Res. 1999, 38, 1743–1753. [Google Scholar] [CrossRef]
- Groth, G.; Kronauer, K.; Freundt, K.J. Effects of N, N-dimethylformamide and its degradation products in zebrafish embryos. Toxicol. Vitr. 1994, 8, 401–406. [Google Scholar] [CrossRef] [PubMed]
- Gescher, A.; Gibson, N.W.; Hickman, J.A.; Langdon, S.P.; Ross, D.; Atassi, G. N-methylformamide: Antitumour activity and metabolism in mice. Br. J. Cancer 1982, 45, 843–850. [Google Scholar] [CrossRef]
- Scailteur, V.; de Hoffmann, E.; Buchet, J.-P.; Lauwerys, R. Study on in vivo and in vitro metabolism of dimethylformamide in male and female rats. Toxicology 1984, 29, 221–234. [Google Scholar] [CrossRef]
- Whitby, H.; Gescher, A.; Levy, L. An investigation of the mechanism of hepatotoxicity of the antitumour agent N-methylformamide in mice. Biochem. Pharmacol. 1984, 33, 295–302. [Google Scholar] [CrossRef] [PubMed]
- Borenfreund, E.; Shopsis, C. Toxicity monitored with a correlated set of cell-culture assays. Xenobiotica 1985, 15, 705–711. [Google Scholar] [CrossRef]
- Kennedy, G.L.; Short, R.D. Biological effects of acetamide, formamide, and their monomethyl and dimethyl derivatives. CRC Crit. Rev. Toxicol. 1986, 17, 129–182. [Google Scholar] [CrossRef]
- Villacorte, L.O. Liquid chromatography–organic carbon detection (LC-OCD). In Encyclopedia of Membranes; Springer: Berlin/Heidelberg, Germany, 2014; pp. 1–3. [Google Scholar]
- Wirz, K.C.; Studer, M.; Straub, J.O. Environmental risk assessment for excipients from galenical pharmaceutical production in wastewater and receiving water. Sustain. Chem. Pharm. 2015, 1, 28–35. [Google Scholar] [CrossRef]













| Parameters | Values |
|---|---|
| pH | 11.30–11.70 |
| Conductivity (mS/m) | 84–170 |
| BOD5 (mg/L) | 27,000–31,200 |
| COD (mg/L) | 130,000–210,000 |
| TOC (mg/L) | 68,700–90,100 |
| Total Nitrogen (mg/L) | 18,800–20,700 |
| Total Alkalinity as CaCO3 (mg/L) | 43,200–44,600 |
| TDS (mg/L) | 85,000–125,000 |
| Cl− (mg/L) | 26,000–45,600 |
| SO42− (mg/L) | 1200–2000 |
| Na+ (mg/L) | 33,100–38,000 |
| NH4+ (mg/L) | 2000–2500 |
| Level | ||||
|---|---|---|---|---|
| Factor | Variable | −1 | 0 | 1 |
| Χ1 | GAC Dosage (g/L) | 50 | 100 | 200 |
| Χ2 | Current Density (mA/cm2) | 15 | 30 | 45 |
| Χ3 | Ozone Dosage (mg/L) | 30 | 80 | 120 |
Disclaimer/Publisher’s Note: The statements, opinions and data contained in all publications are solely those of the individual author(s) and contributor(s) and not of MDPI and/or the editor(s). MDPI and/or the editor(s) disclaim responsibility for any injury to people or property resulting from any ideas, methods, instructions or products referred to in the content. |
© 2024 by the authors. Licensee MDPI, Basel, Switzerland. This article is an open access article distributed under the terms and conditions of the Creative Commons Attribution (CC BY) license (https://creativecommons.org/licenses/by/4.0/).
Share and Cite
Goh, J.W.; Tan, R.J.H.; Wu, W.; Huang, Z.; Ong, S.L.; Hu, J. Enhanced Organics Removal Using 3D/GAC/O3 for N-Containing Organic Pharmaceutical Wastewater: Accounting for Improved Biodegradability and Optimization of Operating Parameters by Response Surface Methodology. Water 2024, 16, 3138. https://doi.org/10.3390/w16213138
Goh JW, Tan RJH, Wu W, Huang Z, Ong SL, Hu J. Enhanced Organics Removal Using 3D/GAC/O3 for N-Containing Organic Pharmaceutical Wastewater: Accounting for Improved Biodegradability and Optimization of Operating Parameters by Response Surface Methodology. Water. 2024; 16(21):3138. https://doi.org/10.3390/w16213138
Chicago/Turabian StyleGoh, Jun Wei, Raphael Jun Hao Tan, Weiyi Wu, Zhaohong Huang, Say Leong Ong, and Jiangyong Hu. 2024. "Enhanced Organics Removal Using 3D/GAC/O3 for N-Containing Organic Pharmaceutical Wastewater: Accounting for Improved Biodegradability and Optimization of Operating Parameters by Response Surface Methodology" Water 16, no. 21: 3138. https://doi.org/10.3390/w16213138
APA StyleGoh, J. W., Tan, R. J. H., Wu, W., Huang, Z., Ong, S. L., & Hu, J. (2024). Enhanced Organics Removal Using 3D/GAC/O3 for N-Containing Organic Pharmaceutical Wastewater: Accounting for Improved Biodegradability and Optimization of Operating Parameters by Response Surface Methodology. Water, 16(21), 3138. https://doi.org/10.3390/w16213138

