Abstract
In recent years, more and more emphasis has been placed on the use of home filtration systems as a coarse pre-filtration step. The PP (polypropylene) filter cartridge is one of the most common of these systems, with the role of retaining solid suspensions from drinking water. However, few studies have focused on the fouling analysis of PP cartridges using EDS (Energy-Dispersive X-ray Spectroscopy) analysis methods. Through this study, a clear and in-depth view of the structures and morphology of PP filter cartridges as well as their impurity retention capacities and their impact is provided with the help of an SEM (Scanning Electron Microscope) analyzer. To achieve these goals, it was necessary to establish a specialized preparation methodology for this type of material in order to analyze it using the SEM and, at the same time, determine the optimal setting of the SEM parameters (improved resolution, reduced acceleration voltage, reduced data acquisition time, etc.) depending on the analysis performed for the visualization and detailed characterization of surfaces. Based on the SEM-EDS analysis and characterization, an uneven distribution of impurities on the surface of the PP fibers was identified. The number of impurities varied according to the depth of the cartridge due to the sieving effect that occurred owing to the varied sizes and shapes of the impurities, but also the structural differences and pore sizes of the filter material. So, the most common chemical elements identified were Al, Si, Na, Cl, Ca, Fe, and S, having a predominantly higher intensity from the inside to the outside of the PP filter cartridge due to pressure forces and the uneven flow of filtered water.
1. Introduction
According to a control report carried out in 2021 by the “State Sanitary Inspection” in Romania, it appears that 97.5% of the companies whose activity profile is water treatment, to make their water potable, carry out monthly qualitative and quantitative control monitoring. This certifies that the water resulting from the treatment process has a superior degree of quality [1,2,3,4,5,6].
Once the purified water has been transported to the public distribution network, its quality changes. Depending on wear and tear, the condition of the distribution network, and the materials from which the pipes are made, the purified water can be contaminated with both physical agents (sediments and heavy metals resulting from the erosion processes found on the inner surface of the pipes) and microbiological agents (microfauna, bacteria, parasites, and viruses) found in distribution pipes [1,7]. The presence of these contaminants in drinking water can have a significant impact on the health of the final consumer [2,8,9,10,11,12]. One of the prophylactic and effective solutions recommended by the specialized literature consists of the application or installation of domestic drinking water filtration systems by the final consumer [2,13].
In general, a household filtration system is composed of several materials and configurations of filter cartridges, among which are the following: cotton fiber, glass fiber, polypropylene (PP) fiber, wool, PTFE (Polytetrafluoroethylene), ceramic filter, activated carbon filter, etc. [12,13,14,15,16]. Several studies were found in the specialized literature that focused on the removal efficiency of a single pollutant or the investigation of some operating parameters, specifically on the hydraulic performance of filter cartridges [13,15]. Taking into account the degree of retention, ceramic, polypropylene (PP), and fabric filters are the most effective. PP and fabric filters are more economical compared to ceramic filters [2,7]. Another study focused on the low-pressure turbidity removal efficiency analysis of three cartridges (one spun PP cartridge, one wound PP cartridge, and one pleated polyester cartridge), and, by reusing them in a maximum of three cycles, the author concluded that, compared to the other materials, the pleated polyester filters had the best turbidity removal capacity at low pressures, also proving to be very sustainable [15].
PP filters are part of the class most used in domestic drinking water filtration systems because they are much cheaper, with the approximate cost reaching 2 EUR/piece, and are resistant during exploitation. Also, PP filters are found in the form of synthetic fibers, resistant to basic and acidic environments, and, compared to polyamide fibers, they have better elasticity and resistance to wear [17,18]. Contrary to the advantages they present, PP filters are not effective in reducing viruses in drinking water; in this sense, their efficiency is much lower than activated carbon filters, the latter having the ability to reduce viruses by 99% [19]. The integration of three pleated PP filter cartridges (1 μm, 10 μm, 25 μm) in a domestic water treatment system, to which UVC disinfection and a final chlorination step were added, particularly applied to meet the needs of a household of five people, can represent an alternative solution in the case of water with a turbidity of <10 NTU. Following research that had already been carried out, it was found that the 25 μm pleated PP cartridge filters were the most resistant to the high loads of solids in the treated water, over a period of 69 days of testing, and, at the same time, they proved to be more effective for the subsequent UVC disinfection step [20]. Optimization of the retention process of arsenic adsorption was possible using the surface modification of P fibers with hematite nanoparticles. This was achieved through applying a coating method by immersing the PP filter material in a solution with suspended hematite electrostatically stabilized under vacuum conditions. After modifying the PP filter, it was exposed to an ultrasonic bath to test the coating’s strength. [21]. Another approach was reproduced in a study where the behavior of three PP filters with lengths of 20, 60, and 100 cm and different filtration flows (20, 40, and 80 m3/h) was highlighted for retaining water loaded with various solids. Following the above-mentioned research, it was found that PP filters with lengths of 60 and 100 cm can filter water with a content of less than 0.5 NTU, at a flow rate between 40 and 80 m3/h [22].
Few studies have focused on the analysis of the capacity of PP filters to retain suspensions from drinking water from municipal distribution systems using SEM technology [2,23,24].
Depending on the purpose and complexity of the characterization of the filter materials, the most representative methods of quantitative and qualitative analysis are chosen. Among these, we can mention the following: optical microscopy with phase contrast or polarized light; transmission electron microscopy (TEM), SEM, atomic force microscopy (AFM), or scanning tunneling (STM); Fourier-transform infrared (FTIR) or secondary ion mass spectroscopy (SIMS); contact angle or zeta potential measurements; electron resonance (ESR); and X-ray diffraction (XRD) [25,26]. Compared to the methods of analysis and characterization of the filter materials’ properties mentioned above, the SEM microscope provides high-resolution images with detailed topography and morphology [26,27]. Thanks to multiple sensors, this technique incorporates BSE, EDS, and SEI analysis at a higher precision and quality. Excluding the special advantages it has on imaging characteristics, SEM, with the help of EDS sensors, can perform a quantitative and qualitative analysis on the composition of a filter material as well as the types of impurities caught by it [2,21,27].
Unlike TEM, in which sample preparation is much more complex, influencing, at the same time, the characteristics of the sample, in the case of SEM, all sample preparation procedures for the vacuum chamber are minimalistic. This technique is used in the vast majority of research applications because it analyzes and processes data in a very short time. Depending on the SEM technology used, these tools can be much more cost-effective compared to other more complex [21,28,29].
One of the most relevant studies in this field of interest, investigated using several methods, including SEM analysis, involved two filter cartridges covered with one and five layers of polypropylene, respectively, used between the ultrafiltration and nanofiltration processes of a water purification station in China. Through this method, both the morphology and structure of the filter cartridges and the distribution and composition of the suspensions retained by the two filter cartridges covered with PP were analyzed with the help of an EDX analyzer [23,24,30,31].
Starting from the SEM analysis method together with the EDX analyzer applied in the aforementioned study, the purpose of this work is to analyze and characterize in depth the structure of the PP filter cartridge used in small filtration systems, as well as its degree of dirtiness, through the quantitative and qualitative evaluation of the impurities identified on the filter’s surface, in a well-defined time interval, using EDS-SEM determination methods.
2. Materials and Methods
2.1. Characterization of the Polypropylene (PP) Filter Cartridge
In the present study, a polypropylene (PP) filter cartridge was analyzed and characterized, which, according to the technical data issued by the supplier, is a multilayer filter, without lubricants, made by the thermos-welding process.
Both the PP filter cartridge and its related dimensions are shown in Figure 1.
Figure 1.
Image of the PP filter cartridge with relevant dimensions: (a) side view; (b) section.
In general, the PP filter cartridge is designed at a standard level and is an integral part of home filtration systems, made by the vast majority of suppliers. It is also positioned before the reverse osmosis (RO) stage, precisely to ensure pre-filtration, with the role of retaining solid materials from the water to be purified. The general characteristics of the PP filter cartridge are shown in Table 1.
Table 1.
General characteristics of the PP filter cartridge.
The PP cartridge is part of a standard household filtration system, located at the entrance of a sink in a laboratory of the Faculty of Engineering, “Vasile Alecsandri” in Bacau, which is supplied with drinking water from the municipal distribution system, used for drinking, hand hygiene and washing certain laboratory utensils.
It is important to note that the PP cartridge has a maximum filtration capacity of 4000 L. This was used for approximately nine months. Because it works at minimum capacity (5 L/min) and over irregular intervals, the average cumulative water consumption was achieved in a time of 6 min/day, which means a total of 30 L/day. On average, the sink is used 15 days/month, which means a total consumption of 4050 L (4.05 m3) for nine months of use.
2.2. Description of the PP Filter Cartridge Analysis Method Customized for SEM Analysis
For the detailed characterization and analysis of the composition of the PP filter material, the Tescan Mira 4 (TESCAN GROUP, a.s, Kohoutovice, Czech Republic)equipment was used, at the research laboratory of the Faculty of Engineering of the “Vasile Alecsandri” University in Bacău. This is an SEM using super-resolution field emission.
In general, the SEM equipment is composed of the electron source, which has the role of generating the electron beam; the electron column or lens, which directs the electron beam to the sample; the objective through which the beam of electrons is focused, ultimately obtaining high-precision images on a very small scale; SEM detectors (EDS, BSE, SE) that have the role of collecting retro-reflected or secondary electrons, depending on the required information; the scanning system and vacuum chamber [27,28,32].
The EDS detector is equipped with a detection crystal, and following interactions with the electron beam, it measures and collects the X-rays generated by the sample. The identification of the chemical elements on the sample is carried out with the help of an energy analyzer that measures the energy of the X-rays generated, and subsequently the data collected by the detector are processed by the EDS software [27,28,32].
In another vein, with the help of this equipment, a thorough characterization of the PP filter material was achieved, and at the same time, it was possible to determine the distribution and quantity of the compounds present in the filter material, accumulated over a period of nine months of use.
For this to be achieved, it was necessary to create an analysis method in which the relevant stages for obtaining the best results are highlighted. The analysis method is valid for both black reference samples and used samples, following the same steps for testing. In this context, the following stages can be mentioned:
- -
- Preparation of the sample, which, in the present case, is both the reference cartridge (blank) and the cartridge used in the household PP filtration system. In this first stage, 3 sectioning areas S1, S2 and S3 were selected from the spent cartridge, resulting in 3 sections × 3 samples/section = 9 samples to be analyzed, marked according to Figure 2.
Figure 2. Sample preparation and sampling: P—sample; S—section.
The 9 samples were cut into a square shape with a side of 1 cm, to fit on the support in the microscope chamber:
- -
- Dehydration of the samples was carried out with the help of a hot air oven, for 24 h, at a temperature of 100 °C. Of course, both before and after drying, the samples were weighted to be able to observe the reduced degree of moisture;
- -
- The sample analysis was performed according to the technical instructions provided by the manufacturer Tescan Mira 4. So, to obtain images of the structure and morphology of the PP samples, it was necessary to operate at optimal parameters, which were the acceleration voltage, measured in kV, represents the different electrical potential between the anode (which is a source of acceleration) and the cathode (which is a source of electrons)—this was minimal throughout the analysis period to avoid damage to the samples; the focal depth adjustment distance, which is expressed with the symbol WD, is very important for obtaining high-quality images at the greatest possible depth (at the nano and micro level). In other words, it represents the physical distance between the source of the electron beam and the sample fixed on the support; current regulation is measured in nA and plays an important role in the formation of the image by the transition of some electrons through the selected sample. To obtain a better image, it is necessary to use a higher current, that is, to pass through the detector a higher flow of electrons. Minimizing the scan time can be achieved by adjusting the resolution, the focus of the analysis area, the acceleration voltage that was explained above, etc., to minimize or eliminate the degradation of the non-conducting material as a result of the interaction of the sample surface with the electron beam [28,32]. These parameters were modified according to the desired result.
All samples mentioned above were subjected to EDS (black and dirty) analysis. More precisely, 10 analysis points were selected for each sample to provide an overview of the degree of dirt found on their surface.
For the in-depth analysis of the structures and profiles of the fibers (especially for the observation and analysis of the suspensions on them), two SEM imaging commands were used: black/white—SE and color 4Q-BSE Color.
3. Results and Discussion
3.1. Morphological and Structural Analysis of the PP Filter Cartridge
Both the reference sample and the sample of the used PP filter material were subjected to SEM via the 4Q-BSE Color method, operated with the Tescan software (Version 1.0.8.0 build 3456 (21 December 2020)). Therefore, in Figure 3a,b, the morphological and structural differences are presented, as well as the related charge of the compounds.
Figure 3.
Morphological and structural differences of PP fibers observed with the help of SEM microscope—4Q-BSE Color: (a) surface of clean PP fibers; (b) surface of PP fibers fouled with solid suspensions.
The PP filter material used in the present study is characterized by a sequence of heat-welded fibers arranged in random form, either crossed, straight, or parallel, submitted by layering. In Figure 3a, it can be seen that the reference material (black), taken from Section 1, Sample 1, contains clean fibers without any impurity on its surface. On the opposite side, the SEM image from Figure 3b represents Sample 1 from Section 1, and clearly shows the deposition of impurities distributed and adhered to the PP fibers. The light intensity observed can be due both to the concentration of solid suspensions on the surface of the fibers and to the energy applied for the SEM analysis, expressed in KeV. Through the color microscopic analysis, it is possible to get an overview of the load of solid suspensions on the surface of the fibers.
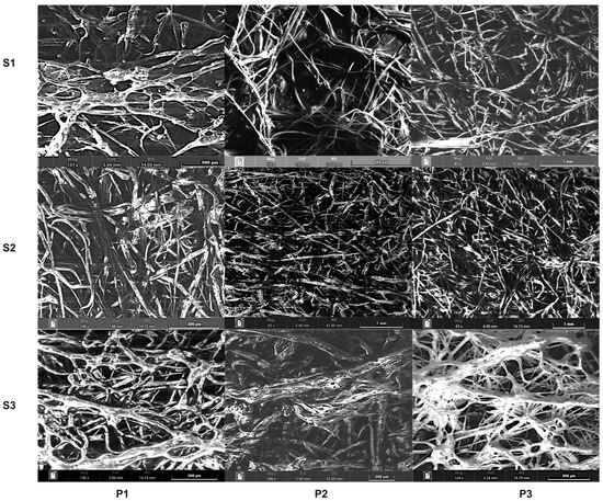
In Figure 4, SEM images are presented, taken using SEM (white/black) of all nine samples, according to the mentioned stages. Therefore, Figure 4 shows the overall images of each sample, with the differences in the loadings of the related solid suspensions.
Figure 4.
SEM scans of the samples taken from the PP filter cartridge: S 1, 2, 3—represents the cut section of the filter cartridge; P1, 2, 3—represent the number of samples taken from each section.
According to the images shown in Figure 4, major differences can be observed both from a structural point of view and as regards the impurity load on the surface of the PP fibers. Analyzing the SEM images vertically, we can see that in Sample P1 of all three sections, there are solid suspensions with larger shapes and sizes that adhere to the surface of the filter cartridge. This differs from Samples P2 and P3, where the solid suspensions have smaller sizes and are captured in the depth of the filter. The impurity load varies from one section to another, in the case of Samples P2 and P3, but in particular, the presence of solid suspensions is much more intense in Sample P3, which can also be observed in the graphic data presented below. Also, the particles adhering to the surface of the PP fibers have irregular shapes and different sizes, as can be seen in Figure 4. Looking horizontally, at the level of the three sections, the concentration of solid suspensions varies. The most representative concentration of solid suspensions can be found in Section S3, with larger sizes on the surface (sample P1) and smaller sizes in the depth of the filter (Sample P3), which were absorbed and adhered to the surface of the PP fibers. This can be explained by the fact that the entering water has first contact with the surface of the filter cartridge, achieving the retention of larger particles, according to the sieve effect. A similar approach is shown in a study that analyzed at a microscopic level the morphology of the particles deposited on the surface of the fibers, with the difference that the analysis was carried out on some filter cartridges with different configurations, covered with layers of dense PP [23].
3.2. Compositional Analysis of the Solid Suspensions Deposited on the PP Filter Material
The integral part of the SEM technique, EDS (Energy-Dispersive X-ray Spectroscopy), was used for the chemical analysis of the surface samples taken from the PP filter cartridge. Fifteen chemical elements were identified and analyzed in terms of the content expressed in % using EDS (C, O, Al, Si, Mg, Na, S, Cl, K, Ca, Fe, P, F, Cu, In). The majority of the chemical elements identified in the study were also found in another study that had as its focus the anamnesis of two filter media covered with one layer or five layers, using the ICP-OES technique [23]. The contents of these chemical elements in solid suspensions have been differentiated according to the depth and location of the material, which can be observed in the graphic analysis of each individual element. At the same time, for the most accurate precision of data regarding the contents of chemical elements resulting from the EDS analysis, 10 points per sample were selected. The obtained data were later processed using the calculation of the arithmetic mean for each identified chemical element.
To exemplify the EDS-SEM analysis procedure applied to the identified chemical elements, a point was randomly taken from sample P1 in section S1. Figure 5 shows the selected map on the surface of the solid suspensions stuck to the sample, and also shows the chemical elements identified by EDS.
Figure 5.
Identification, selection and EDS analysis of a point within a sample.
According to EDS analysis, which identifies and measures the X-rays emitted by chemical elements (for the randomly selected point that is part of Sample P1 in Section S1), nine chemical elements were identified and distributed over the entire surface of the map. Apart from identifying the distribution of chemical elements on the surface of the spot, EDS also provides information on the amount of the analyzed chemical element.
In Table 2, the concentration of each element expressed as a percentage of the atomic fraction or percentage by weight is shown.
Table 2.
The concentration of each element.
Both in the case of atomic fractions and in the case of weight fractions, the total sum of the identified elements is 100%. Throughout the processing and interpretation of the data, the weight fraction was used because the mass of the atoms was taken into account and not the number of atoms specific to each chemical element.
Based on the EDS analysis, as can be seen in Figure 6, the spectrum relates the intensity of the emitted X-rays according to the energy of the identified chemical elements.
Figure 6.
The variation of X-ray intensity depending on the energy of the identified chemical elements.
It is very important to mention that the EDS-SEM component does not analyze chemical compounds but only chemical elements made up of identical atoms. In other words, only the chemical elements were analyzed by their atomic weight.
3.2.1. Determination of Components from Solid Suspensions
In Figure 7 and Figure 8, the variation of the average concentration of carbon and oxygen identified by EDS, randomly distributed on the surface of the PP fibers, is plotted.
Figure 7.
A graphic representation of the concentration of C.
Figure 8.
A graphic representation of the concentration of O.
The PP filter cartridge consists of three carbon atoms and six hydrogen atoms [22]. Thus, the concentration of C has the greatest weight compared to the other identified chemical elements, where it appears that the C content is an integral part of the structure of the PP filter material [21]. The concentration of C is not part of the composition of the solid suspensions stuck to the fibers of the PP filter material. Analyzing the concentration of C at the level of each section, relatively minor differences can be observed between them. In Section 2, the maximum average value of the total C concentration was identified at 89.57%, followed by Section 3 with 88.39%. On the other hand, the minimum average total C concentration was identified in Section 1, at 86.27%, which does not differ much from Sections 2 and 3. In the blank sample, the highest C content was found (100%), followed by Section 1 Sample P2 with 99.42%. The lowest level was identified in the case of Section 3 of Sample P1, with a maximum average value of 90.25%. This difference can be explained by the fact that the level of solid suspensions is higher. In the case of Section 1, the median tends to increase from the value of 83.4% (in sample P1) to the value of 88.37% (in sample P3), followed by Section 2, where the median value decreases from Sample P1 (90.1%) to Sample P3 by (88.18%), and finally, this fluctuation of the median tends to increase in Section 3, from sample P1, with 82.46%, to sample P3, with 90.4%.
In the case of the oxygen concentration graphically represented in Figure 8, it can be seen that it differs from one section to another, so the maximum is found in Sample P2 at Section 1, with 22.85%, and the lowest level is found in Sample P2, at Section 3, with 8.37%. As can be seen, in addition to the blank sample (0%), the minimum average (0%) was also identified in Samples P2 and P3 from Section 1, followed by 1.62% in Sample P3 from Section 3. As in in the case of the C content, the average maximum values of the oxygen concentrations detected by EDS-SEM on the PP filter material were determined. So the highest content of O was identified in Section 1, with a total average of 10.97%. In the case of Sections 2 and 3, the total average values were closer, at 8.55% and 8.19%, respectively. The variation of the median concentration of O at the level of each section tended to fluctuate downward from Sample P1 of Section 1, followed by an increase from Sample P3 of Section 2 to Sample P1 of Section 3, where this variation subsequently decreased in Sample P2 and increased in the case of Sample P3 from the same section.
The average sulfur concentration, calculated by taking into account all sampling points carried out during the EDS-SEM analysis, showed that the highest S content was identified in Sample P1 from Section 3, 2.99%, followed by 1.08% in the case of Sample P1 in Section 1, according to Figure 9. Excluding the samples with 0% S content, in Sample P2 from Section 3, the lowest average concentration was identified, at 0.001%. The S content was lower compared to the other elements, and so the median values obtained varied very little, except for sample P1 in Section 3, which gave 0.4%. The variation was smaller as a result of the reduced volume of values obtained. A more intense distribution of Si solid suspensions was detected in sample P2 from Section 1, with a maximum of 9.09% (Figure 10). And the lowest average was identified in Sample P1 from Section 1, with 0.44%. The vast majority of samples taken from all sections of the PP filter cartridge showed a minimum average of 0%, except for Sample P1 in Section 2, where the minimum average value was 0.08%. As can be deduced from the maximum average value identified in Sample P2 from Section 1, the most representative total average value was also identified within the same section, with a 0.67% Si content. At the level of Sections 2 and 3, the total average values of the Si content were closer, at 0.26% and 0.22%, respectively.
Figure 9.
A graphic representation of the concentration of S.
Figure 10.
A graphic representation of the concentration of Si.
Unlike the variation in the S content, which was smaller, Si was identified in several samples, yielding a larger volume of data and implicitly a more representative median variation. It displayed a sinusoidal variation with raises and drops on Section 1, a little increase in Sample P2 of Section 2, and subsequently downward and upward shifts in the median variation in Sample P3 of Section 3.
High concentrations of Cl and Ca, distributed on the surface of PP fibers, were identified in Sample P1 of Section 3, with 4.96% for Cl and 21.30% for Ca (Figure 11 and Figure 12).
Figure 11.
A graphic representation of the concentration of Cl.
Figure 12.
A graphic representation of the concentration of Ca.
As can be seen in the graphs in Figure 11 and Figure 12, the distributions of the concentrations of Ca and Cl along the cartridge differed according to the retention process of the filter system. Alternatively, it should be mentioned that EDS was used to identify these two chemical elements, with Sample P1 from Section 3 having the highest concentration. In particular, the Cl content was reduced; this can also be observed in the graph in Figure 11, where the minimum average value is 0% in all samples. The variation in the median Cl content reduced; it varied from 0.001% in the case of Sample P2 from Section 2 to a maximum of 0.53% determined in Sample P1 from Section 3. According to the determinations of the total average Cl contents at the level of each section, it was found that the highest content was identified in Section 3, with 0.31%, followed by Section 1 with 0.14%, and the lowest total average value was determined at the level of Section 2, with 0.09%.
The total average value determined in the case of the Ca content was similar in terms of variation to the Cl content. So, according to Figure 12, in Section 1, the most representative value of the total average was 1.09%, followed by Section 3 with 0.89%, and the total average value of the lowest Ca content was determined in Section 2, with 0.88%. As can be seen from this analysis, the total mean value was very close for Sections 2 and 3. Unlike the detected Cl content, the Ca content was detected in more samples, thus resulting in a larger volume of data. The median values show a relatively minor fluctuation due to the range of low Ca concentration identified on the surfaces of the fibers within the PP material.
Na and P elements were detected on PP fibers in different concentrations and distributions, as shown in Figure 13 and Figure 14. Thus, Sample P1 in Section 2 had a Na content of 1.31%, while Sample 1 in Section 3 had the most typical average of 5.02%. The lowest Na content, except for the blank sample, was identified in Sample P3 from Section 2 and Sample P2 from Section 3, with 0%. It should be noted that in all samples, the minimum average was 0% and the maximum average varied from sample to sample, as can be seen in the graph in Figure 11. It fluctuated between 0.25 in Sample P2 in Section 2 and 5.02% in Sample P1 of Section 3.
Figure 13.
A graphic representation of the concentration of Na.
Figure 14.
A graphic representation of the concentration of P.
At the level of each section, the total average differed depending on the volume of data obtained and the ability of EDS to identify this chemical element on the surface of the PP filter. In this way, the lowest overall average was identified in Section 2, with 0.11% Na content, followed by 0.12% determined in Section 1. In another vein, the maximum overall average was identified in Section 3 with 0.24% Na content. Regarding P concentration, Sample P2 (Section 2) reported the most typical average at 1.51%, followed by Sample P3 in the same section, at 1.41%. The variance in P concentration is graphically depicted in Figure 13. Conversely, the lowest mean was identified in several samples as 0%. The presence of P increases the risk of compound deposition on the surface of a membrane or filter material [23]. The variation of the median P concentration is here very small due to the small volume of data obtained from the EDS-SEM analysis. When it comes to Sections 1 and 2, where the average P concentration variation was 0.12%, and Section 3, where the average was 0%, the P concentration variation found at each level of the PP filter cartridge can be inferred to be equal. Based on the previously mentioned findings, it was discovered that the surfaces of the fibers within the PP filter cartridge had a lower concentration of P, according to the EDS-SEM study.
Figure 15 shows that the concentration of K was found at a maximum proportion of 2.03% in Sample P1 in Section 3, and in the opposite direction, several samples with 0% K were detected. As can be seen, the median variation tended to show very little fluctuation in Sections 1 and 2 across the three samples. The median fluctuation in Section 3 of sample P1 increased to 0.32% due to the increased volume of data from the EDS analysis, after which it fell for the remaining points in the section. The total mean of K concentration was equal in the cases of Sections 1 and 2, at 0.03%, and the most representative total mean value was determined at the level of Section 3, where 0.13% K concentration was obtained. This case is similar to the total average P concentration, in the context of which Sections 1 and 2 were equal.
Figure 15.
A graphic representation of the concentration of K.
The concentration of F was identified in Sample P2 from Section 2, shown in Figure 16, at a proportion of 4.55%, and in the case of the other samples, the presence of this element was 0%. As can be seen, the lowest concentration of F was here detected compared to the other identified chemical elements. This is also very easily observed in the case of the total average value, from which it appears that only in Section 2 was a 0.15% concentration of F obtained, and in the case of Sections 1 and 3, the total average was 0%.
Figure 16.
A graphic representation of the concentration of F.
The average fluctuation of the In concentration found within the PP cartridge by the EDS-SEM analysis method is shown in the graph in Figure 17. A single concentration of In was identified, in Sample P3 from Section 3, with an average of 0.87%. Therefore, the concentrations of In and F were insignificant in the whole PP filter cartridge.
Figure 17.
A graphic representation of the concentration of In.
The content of Al in the PP filter material was detected with a maximum average concentration of 9.16% in Sample P2 from Section 1, followed by 0.45% identified in Sample P2 from Section 3. The minimum average value, as can be seen in graph in Figure 18, was detected in Sample P1 from Section 1, with 0.49%, followed by 0.63% in Sample P2 from Section 2. Unlike the other heavy metals identified, the Al content was more representative; this is also evidenced by the variation in the median. This variation showed insignificant upward and downward fluctuations between samples, except for Sample P2 in Section 3, where the median was 0.1%. Another representative observation was also found in the case of the total average determined for each section, where the minimum value was found in Section 2, with 0.20% Al content. Additionally, Section 3 yielded the highest concentration of the overall median Al content, at 0.49%, while Section 1 found the lowest concentration, at 0.43%.
Figure 18.
A graphic representation of the concentration of Al.
Unlike Al, of which the maximum concentration was detected in Sample P2 from Section 1, at 9.16%, the most significant concentration of Mg was identified in Sample P1 from Section 3, with 1.34%, according to Figure 19. At the same time, the concentration of Mg was lower compared to the concentration of Al, but it did not show smaller variations than Fe and Cu. The total average of Mg content showed minor differences between Sections 1 and 2, with values of 0.03% and 0.02%, respectively. On the other hand, unlike the first sections, Section 3 presented the highest level of the total average, 0.11%. The variation in the median showed a minor fluctuation, whereas Section 3 tended to show an upward direction due to the high Mg content. The fluctuation was minor because the volume of data identified by the EDS analyzer was small.
Figure 19.
A graphic representation of the concentration of Mg.
For the cases of Fe and Cu, Figure 20 and Figure 21 show similar variance, with Sample P1 from Section 3 containing the highest concentration of the two metals, followed by Sample P2 from the same section. In the particular case of the variation of the average Fe content, the maximum concentration was identified in Section 3 of sample P1, with 9.19%. The maximum value of the average Fe concentration was approximately similar to the maximum Al concentration, of 9.16%. Instead, the lowest value of the mean was identified in most of the points in Sections 1 and 2, as a result of the low content of Fe in the PP filter material. The variation in the median was maintained both in Section 1 and 2, at a low level of fluctuation, and in Section 3, it increased to 0.65%, where later, as can be seen in the graph from Figure 20, it decreased. The total average of the Fe content varied in tandem with the fluctuation shown in the graph in Figure 20. So, in Section 2, a total average of 0% was obtained, followed by 0.04% in Section 1, and in Section 3 it was determined that the maximum total average was 0.50%.
Figure 20.
A graphic representation of the concentration of Fe.
Figure 21.
A graphic representation of the concentration of Cu.
The concentration of copper showed a variation similar to that encountered in the case of the Fe content; in Sample P1 from Section 1, the Cu content was 0%. The amount of data obtained from the EDS analysis on the Cu content is very small; this is also confirmed by the total average determined, where, in Sections 1 and 2 it was 0%, and in Section 3 it was 0.33%.
3.2.2. Analysis of the Average Total Concentration of Impurities Present in the Three Sections of the PP Filter Cartridge
For a thorough analysis of the concentrations of impurities detected by the SEM-EDS analyzer, in Figure 22, both the concentration level expressed in percentages and the number of chemical elements identified at the level of the three sections of the filter cartridge are presented graphically, as derived from PP.
Figure 22.
The figure represents the total average of the concentration of impurities identified at the level of each individual section: (a) Section S1, (b) Section S2, (c) Section S3.
Through this analysis, it was possible to identify the degree of occupation of the impurities, which, as can be seen in Figure 22, differed from one section to another of the cartridge.
Thus, in Figure 22a, the total average of the impurity concentration found in Section S1 is graphically represented. In total, 12 chemical elements were identified, of which the predominant concentrations were C (86.27%), O (10.97%), Ca (1.09%), Si (0.67%) and Al (0.43). On the other hand, the lowest levels were found in Fe (0.04%), Mg (0.03) and K (0.03).
The number of chemical elements detected in Section S1 of Figure 22a is similar to the number of those identified in Section S2 of Figure 22b, with the difference that instead of Fe, a concentration of 0.15% was detected. For this section, important concentrations were found of C (86.27), O (8.55%), Ca (0.88%), Si (0.26) and Al (0.20), and the lowest total average values were found for S (0.03), K (0.03%) and Mg (0.02%).
In Section S3, shown in Figure 22c, an additional chemical element, In, was detected, with the lowest concentration (0.04%). It can be observed, however, that in Section S3 the detected impurities had a higher concentration. This was confirmed in C (88.30%), O (8.19%), Ca (0.89%), Fe (0.50%), Al (0.49) and Cu (0.33%).
In all three sections, the variations were similar in the cases of C, O and Ca, thus differing by their concentration alone. It is important to note that most of the chemical elements with higher concentrations were detected in Section S3, followed by S1 and S2. This confirms that the identified chemical elements behaved differently from one section to another. The non-uniform distribution of impurities on the filter material was due to the radial filtration pressure and flow (defined according to [33,34]), which were not constant, as the potable water supply was not continuous. Another important aspect concerns the deposition mechanisms; given that the filtration was carried out in the depth of the cartridge, the adhesion and capture of impurities were progressive, taking into account their size. The physical and chemical characteristics of the impurities in drinking water define their uniform or non-uniform behavior in their deposition on the filter material [13,33].
3.2.3. Average Total Concentration of Solid Suspensions Identified at the Level of the PP Filter Cartridge
A visual representation of the overall average concentration of solid suspensions found across the whole PP filter cartridge, which is part of a drinking water filtration system, can be found in Figure 23. In total, 15 chemical elements, with different concentrations and distributions, were analyzed using EDS-SEM. The important concentrations were found in O and Ca, followed by Si and Al, excluding C, which was ascribed to the PP filter material. The lowest concentrations were identified for the elements In, F, Mg and K. By summing the total percentage averages of all identified chemical elements, the global degree of dirtiness of the cartridge after nine months of use was 10.73%.
Figure 23.
Representation of the total average of the concentrations of solid suspensions detected over the entire surface of the PP filter material.
4. Conclusions
The results presented in this paper focus on the analysis of the concentration of solid suspensions present in the PP filter cartridge used in a domestic drinking water filtration system. This was done with the help of the SEM analyzer, after which both the blank filter cartridge and the used filter cartridge were compared in terms of morphology, structure, and the load of solid suspensions adhering to the surface of the PP fibers.
Following the SEM scanning of the nine samples, nine images were obtained in which the solid suspensions’ concentrations, or the degree of dirt distribution, were uneven, differing from one section to another as well as from one sample to another. This can be explained by the fact that the highest pressure is created at the bottom of the cartridge as a result of the accumulation of water, from where, due to the radial flow of water, the solid suspensions tend to adhere and be captured more in the lower part of the cartridge. For this reason, in Section S3, there are the most solid suspensions, and the degree of contamination is higher.
Based on the EDS component of the SEM analyzer, the compositional analysis of the solid suspensions on the surfaces of the nine samples taken was carried out.
In this way, it was found that the C content changes depending on the intensity of the identified chemical elements or the degree of occupation of the solid suspensions on the surfaces of the PP fibers. More specifically, the concentration of impurities varies in percentage, influencing the net amount of C in the PP material. All the impurities identified by EDS show different behaviors, both in terms of filter depth and in terms of filtering mechanisms and feed flows.
The presence of oxygen was due either to the oxidizing agents used in the polymerization process, or to the concentration of solid suspensions deposited on the PP fibers. Also, the contents of Ca and Cl were identified in a higher concentration as a result of the application of these elements in drinking water treatment processes (as a preventive measure for the wear of the drinking water distribution network). The contamination of PP fibers with Al, Mg, Cu and Fe is caused by the wear and tear of drinking water distribution pipes. Among all these heavy metals, the concentration of Al was the highest.
By identifying these chemical elements, it appears that the total average degree of dirt accumulated over a period of 9 months was 10.73%.
Even if the quality of drinking water is below the legal limit, the requirement to install a household filtration system is a preventive measure for the health of the final consumer, as a result of the occurrence of accidental pollution from the modification or wear of the water distribution system. Determination by EDS gives results that are much more economical and much easier to determine; it does not require analysis kits and chemicals; it is an ecological method of determination, and last but not least, it provides accurate information in a very short time.
Having said this, thorough attention should be paid to the analysis of the degree of clogging of the PP filter material as a result of the impurity deposition process, thus improving its lifetime.
Author Contributions
Conceptualization, review, supervision, methodology, formal analysis, and editing, A.Z., E.M. and V.N.; software, A.Z. and E.M.; validation, V.N. and J.A.L.-R.; validation and data curation, J.A.L.-R. and N.B.; writing—original draft preparation, C.T.; visualization, M.L.-P. and J.K. All authors have read and agreed to the published version of the manuscript.
Funding
This research received no external funding.
Data Availability Statement
The data presented in this study are available on request from the corresponding author.
Conflicts of Interest
The authors declare no conflicts of interest. The funders had no role in the following: the design of the study; the collection, analyses, or interpretation of the data; the writing of the manuscript; or the decision to publish the results. The data presented in this study are available on request from the corresponding author. The data are not publicly available because they are part of experimental research for a PhD thesis.
References
- Romanian State Sanitary Inspection. Report on the Thematic Control Action Regarding the Drinking Water Supply Conditions of Localities in the Urban Area. (In Romanian). Available online: https://ms.ro/media/documents/Raport-apa-potabila-zona-urbana-2022-ptr-site.docx (accessed on 21 April 2023).
- Horea, G.-C.; Florina, S.; Bîrleanu, C.; Pustan, M.; Crișan, O.-A. An Efficient Method for Testing the Quality of Drinking-Water Filters Used for Home Necessities. Int. J. Environ. Res. Public Health. 2022, 19, 4085. [Google Scholar]
- Turcu, M.; Barsan, N.; Irimia, O.; Joita, I.; Belciu, M. Application of synthetic chemical compounds in petroleum sludge treatment. Environ. Eng. Manag. J. 2014, 13, 1751–1756. [Google Scholar] [CrossRef]
- Cochiorca, A.; Barsan, N.; Nedeff, F.M.; Sandu, I.; Mosnegutu, E.F.; Lehadus, M.P.; Chitimus, D.; Irimia, O.; Sandu, I.G. Surface water quality assessment from a mining area case study, Groapa Burlacu lake, Targu Ocna, Romania. Rev. Chim. Buchar. 2019, 70, 3678–3680. [Google Scholar] [CrossRef]
- Zhang, K.; Chang, S.; Fu, Q.; Sun, X.; Fan, Y.; Zhang, M.; Tu, X.; Qadeer, A. Occurrence and risk assessment of volatile organic compounds in multiple drinking water sources in the Yangtze River Delta region, China. Ecotoxicol. Environ. Saf. 2021, 225, 112741. [Google Scholar] [CrossRef] [PubMed]
- Tirtoaca, O.; Lehadus, P.M.; Nedeff, V.; Sandu, I.; Tomozei, C.; Cretu, V.V.; Sandu, A.V. Experimental results regarding the groundwater quality in Bacau City, Romania. Rev. Chim. Buchar. 2019, 70, 3378–3382. [Google Scholar] [CrossRef]
- Alim, M.A.; Ali Ashraf, A.F.M.; Rahman, A.; Tao, Z.; Roy, R.; Khan, M.M.; Shirin, S. Experimental investigation of an integrated rainwater harvesting unit for drinking water production at the household level. J. Water Process. Eng. 2021, 44, 102318. [Google Scholar] [CrossRef]
- Tirtoaca, O.I.; Tomozei, C.; Panainte, M.; Mosnegutu, E.F.; Barsan, N. Efficiency of filters with different filtering materials: Comparative study in water treatment. Environ. Eng. Manag. J. 2013, 12, 35–40. [Google Scholar]
- Pinar-Méndez, A.; Fernández, S.; Baquero, D.; Vilaró, C.; Galofré, B.; González, S.; Rodrigo-Torres, L.; Arahal, D.R.; Macián, M.C.; Ruvira, M.A.; et al. Rapid and improved identification of drinking water bacteria using the Drinking Water Library, a dedicated MALDI-TOF MS database. Water Res. 2021, 203, 117543. [Google Scholar] [CrossRef]
- Tirtoaca, O.; Chitimus, D.; Nedeff, F.M.; Sandu, I.; Lehadus, P.M.; Sandu, A.V.; Irimia, O.T. Experimental Application of a Laboratory SBR Plant Used for Domestic Wastewater Treatment. Rev. Chim. Buchar. 2019, 70, 4098–4101. [Google Scholar]
- Humă, C. Consumul de apa—Indicator al Calității; Institutul de Cercetare a Calității Vieții al Academiei Române: Bucharest, Romania, 2015; Volume XXVI, pp. 67–84. [Google Scholar]
- Jennifer, L.C.; Dahling, D.R. Evaluation of a method to re-use electropositive cartridge filters for concentrating viruses from tap and river water. J. Virol. Methods 2006, 132, 13–17. [Google Scholar]
- Evangelista, S.; Viccione, G.; Siani, O. A new cost effective, long life and low resistance filter cartridge for water treatment. J. Water Process Eng. 2019, 27, 1–14. [Google Scholar] [CrossRef]
- Eyvaz, M.; Arslan, S.; Gürbulak, E.; Yüksel, E. Textile Materials in Liquid Filtration Practices: Current Status and Perspectives in Water and Wastewater Treatment. In Textiles for Advanced Applications; Indian Institute of Technology: Delhi, India, 2017; pp. 293–320. [Google Scholar]
- Afkhami, A.; Marotta, M.; Dixon, D.; Ternan, N.G.; Luis, J.M.J.; Hincapie, M.; Galeano, L.; Pilar, F.I.; Dunlop, S.M.P. Assessment of low-cost cartridge filters for implementation in household drinking water treatment systems. J. Water Process Eng. 2021, 39, 101710. [Google Scholar] [CrossRef]
- Kaur, S.; Gopal, R.; Ng, W.J. Next-Generation Fibrous Media for Water Treatment. MRS Bull. 2008, 33, 21–26. [Google Scholar] [CrossRef]
- Rivera-Gómez, C.; Galán-Marín, C.; Bradley, F. Analysis of the Influence of the Fiber Type in Polymer Matrix/Fiber Bond Using Natural Organic Polymer Stabilizer. Polymers 2014, 6, 977–994. [Google Scholar] [CrossRef]
- Cescon, A.; Jiang, J.Q. Filtration Process and Alternative Filter Media Material in Water Treatment. Water 2020, 12, 3377. [Google Scholar] [CrossRef]
- Pang, L.; Lin, S.; McGill, E.; Tham, A.; Hewitt, J.; Nokes, C.; Ward, V. Reductions of human enteric viruses in 10 commonly used activated carbon, polypropylene and polyester household drinking-water filters. Water Res. 2022, 213, 118174. [Google Scholar] [CrossRef] [PubMed]
- Paulo, M.F.M.; Natália de Melo, N.F.; Antônio, W.L.; Pilar, F.-I.; John, A.B.; Lyda, P.S.P. Household water purification system comprising cartridge filtration, UVC disinfection and chlorination to treat turbid raw water. J. Water Process Eng. 2021, 43, 102203. [Google Scholar]
- Tomaszewska, J.; Jakubiak, S.; Michalski, J.; Wouter, P.; Hug, S.H.; Kurzydłowski, J.K.A. Polypropylene cartridge filter with hematite nanoparticles for solid particles retention and arsenic removal. Appl. Surf. Sci. 2016, 366, 529–534. [Google Scholar] [CrossRef]
- Alice, K.M.M.; Marco, A.P.R. Fiber filter built with polypropylene fibers applied to water clarification. Water Supply 2019, 19, 1036–1043. [Google Scholar]
- Xin, H.; Yulin, T.; Haowei, W.; Shaohua, W.; Lixian, S.; Bin, X.; Naiyun, G. Fouling investigation of cartridge filter (CF) used as “firewall” in a nanofiltration drinking water plant. Environ. Res. 2022, 212, 113289. [Google Scholar]
- Maddah, H.A. Polypropylene as a promising plastic: A review. Am. J. Polym. Sci. 2016, 6, 1–11. [Google Scholar]
- Lee, A.; Elam, J.W.; Darling, S.B. Membrane materials for water purification: Design, development, and application. Environ. Sci. Water Res. Technol. 2016, 2, 17–42. [Google Scholar] [CrossRef]
- Venkateshaiah, A.; Padil, V.V.T.; Nagalakshmaiah, M.; Wacławek, S. Microscopic Techniques for the Analysis of Micro and Nanostructures of Biopolymers and Their Derivatives. Polymers 2020, 12, 512. [Google Scholar] [CrossRef] [PubMed]
- Choudhary, O.P.; Choudhary, P. Scanning Electron Microscope: Advantages and Disadvantages in Imaging Components. Int. J. Curr. Microbiol. Appl. Sci. 2017, 6, 1877–1882. [Google Scholar] [CrossRef]
- Temiz, C.; Mhadhbi, M. Scanning Electron Microscopy. In Electron Microscopy; National Institute of Research and Physicochemical Analysis: Sidi Thabet, Tunisia, 2022. [Google Scholar]
- Brodusch, N.; Brahimi, S.V.; Barbosa De Melo, E.; Song, J.; Yue, S.; Piché, N.; Gauvin, R. Scanning Electron Microscopy versus Transmission Electron Microscopy for Material Characterization: A Comparative Study on High-Strength Steels. Scanning 2021, 2021, 5511618. [Google Scholar] [CrossRef]
- Guo, Y.; Li, T.Y.; Xiao, K.; Wang, X.M.; Xie, Y.F. Key foulants and their interactive effect in organic fouling of nanofiltration membranes. J. Membr. Sci. 2022, 610, 118252. [Google Scholar] [CrossRef]
- Chun, Y.; Ha, P.T.; Powell, L.; Lee, J.; Kim, D.; Choi, D.; Lovitt, R.W.; Kim, I.S.; Mitra, S.S.; Chang, I.S. Exploring microbial communities and differences of cartridge filters (CFs) and reverse osmosis (RO) membranes for seawater desalination processes. Desalination 2012, 298, 85–92. [Google Scholar] [CrossRef]
- Girão, A.V.; Caputo, G.; Ferro, M.C. Application of Scanning Electron Microscopy-Energy Dispersive X-ray Spectroscopy (SEM-EDS). In Comprehensive Analytical Chemistry; Elsevier: Amsterdam, The Netherlands, 2017. [Google Scholar]
- Viccione, G.; Evangelista, S.; De Marinis, G. Experimental Analysis of the Hydraulic Performance of Wire-Wound Filter Cartridges in Domestic Plants. Water 2018, 10, 309. [Google Scholar] [CrossRef]
- Viccione, G.; Evangelista, S.; De Marinis, G. Experimental Analysis of the Hydraulic Performance of Filtering Cartridges in Drinking Water Networks. Water 2018, 10, 629. [Google Scholar] [CrossRef]
Disclaimer/Publisher’s Note: The statements, opinions and data contained in all publications are solely those of the individual author(s) and contributor(s) and not of MDPI and/or the editor(s). MDPI and/or the editor(s) disclaim responsibility for any injury to people or property resulting from any ideas, methods, instructions or products referred to in the content. |
© 2023 by the authors. Licensee MDPI, Basel, Switzerland. This article is an open access article distributed under the terms and conditions of the Creative Commons Attribution (CC BY) license (https://creativecommons.org/licenses/by/4.0/).






















