Seawater Greenhouse Equipped with a Novel Solar Humidification-Dehumidification Desalination Unit in MAKRAN Coast: Fabrication and Experimental Study
Abstract
1. Introduction
- Using a new air-to-air condenser instead of conventional condensers that have corrosion problems and higher operating costs;
- Evaluating the performance of an HD desalination unit in low temperatures;
- Providing the thermal energy needed for desalination of seawater using solar energy.
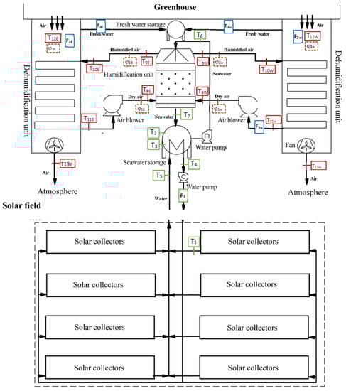
2. Technology Description
- HD desalination with indirect tubular condenser;
- HD desalination with direct contact condenser on packing;
- HD desalination with underground condenser;
- Compression refrigeration cycle for simultaneous production of cooling and water in greenhouse;
- Absorption refrigeration cycle for the simultaneous production of cooling and water production;
- HD desalination using cold air from the ventilation system (fan and pad) of the greenhouse.
3. Fabrication and Installation of the HD Desalination Unit
3.1. Condensers
3.2. Humidifier
3.3. Hot Seawater Tank
3.4. Solar Farm
4. Measurements and Data Gathering
5. Results and Discussion
5.1. Effect of Greenhouse Air Temperature
5.2. Effect of Hot Seawater Circulation Rate
6. Conclusions
Author Contributions
Funding
Informed Consent Statement
Data Availability Statement
Acknowledgments
Conflicts of Interest
References
- Shah, S.M.K.; Rasheed, T.U.; Ali, H.M. Smart integrated decentralization strategies of solar power system in buildings. Int. J. Photoenergy 2022, 2022, 9311686. [Google Scholar] [CrossRef]
- Fahim, T.; Laouedj, S.; Abderrahmane, A.; Alotaibi, S.; Younis, O.; Ali, H.M. Heat Transfer Enhancement in Parabolic through Solar Receiver: A Three-Dimensional Numerical Investigation. Nanomaterials 2022, 12, 419. [Google Scholar] [CrossRef] [PubMed]
- Shoeibi, S.; Saemian, M.; Khiadani, M.; Kargarsharifabad, H.; Agha Mirjalily, S.A. Influence of PV/T waste heat on water productivity and electricity generation of solar stills using heat pipes and thermoelectric generator: An experimental study and environmental analysis. Energy Convers. Manag. 2023, 276, 116504. [Google Scholar] [CrossRef]
- Shoeibi, S.; Saemian, M.; Kargarsharifabad, H.; Hosseinzade, S.; Rahbar, N.; Khiadani, M.; Rashidi, M.M. A review on evaporation improvement of solar still desalination using porous material. Int. Commun. Heat Mass Transf. 2022, 138, 106387. [Google Scholar] [CrossRef]
- Paton, A.C.; Davis, P.A. The Seawater Greenhouse for Arid Lands. In Proceedings of the Mediterranean Conference on Renewable Energy Sources for Water Production, Santorini, Italy, 10–12 June 1996. [Google Scholar]
- Davies, P.; Turner, K.; Paton, C. Potential of the Seawater Greenhouse in Middle Eastern Climates. In Proceedings of the International Engineering Conference, Mutah University, Mutah, Jordan, 26–28 April 2004. [Google Scholar]
- Davies, P.A.; Paton, C. The Seawater Greenhouse in the United Arab Emirates: Thermal modelling and evaluation of design options. Desalination 2005, 173, 103–111. [Google Scholar] [CrossRef]
- Perret, J.S.; Al-Ismaili, A.M.; Sablani, S.S. Development of a Humidification-Dehumidification System in a Quonset Greenhouse for Sustainable Crop Production in Arid Regions. Biosyst. Eng. 2005, 91, 349–359. [Google Scholar] [CrossRef]
- Dawoud, B.; Zurigat, Y.H.; Klitzing, B.; Aldoss, T.; Theodoridis, G. On the possible techniques to cool the condenser of seawater greenhouses. Desalination 2006, 195, 119–140. [Google Scholar] [CrossRef]
- Davies, P.A. A solar cooling system for greenhouse food production in hot climates. Solar Energy 2005, 79, 661–668. [Google Scholar] [CrossRef]
- Mahmoudi, H.; Abdul-Wahab, S.A.; Goosen, M.F.A.; Sablani, S.S.; Perret, J.; Ouagued, A.; Spahis, N. Weather data and analysis of hybrid photovoltaic-wind power generation systems adapted to a seawater greenhouse desalination unit designed for arid coastal countries. Desalination 2008, 222, 119–127. [Google Scholar] [CrossRef]
- Zaragoza, G.; Buchholz, M.; Jochum, P.; Pérez-Parra, J. Watergy project: Towards a rational use of water in greenhouse agriculture and sustainable architecture. Desalination 2007, 211, 296–303. [Google Scholar] [CrossRef]
- Janssen, H.J.J.; Gieling, T.H.; Speetjens, S.L.; Stigter, J.D.; Van Straten, G. Watergy: Towards a closed greenhouse in semiarid regions: Infra structure for process control. ISHS Acta Hort. 2004, 691. Available online: https://www.actahort.org/books/691/691_101.htm (accessed on 27 December 2022).
- Speetjens, S.L. Towards Model Based Adaptive Control for the Watergy Greenhouse. Ph.D. Thesis, Wageningen University, Wageningen, The Netherlands, 2008. [Google Scholar]
- Zurigat, Y.H. Greenhouse-State of the Art Review and Performance Evaluation of Dehumidifier; MEDRC Project No.03-AS-003; MEDRC: Muscat, Oman, 2008. [Google Scholar]
- Paton, A.C. Seawater Greenhouse Development for Oman: Thermodynamic Modelling and Economic Analysis; MEDRC Project No.97-AS-005b; MEDRC: Muscat, Oman, 2001. [Google Scholar]
- Tahri, T.; Douani, M.; Abdul-Wahab, S.A.; Amoura, M.; Bettahar, A. Simulation of the vapor mixture condensation in the condenser of seawater greenhouse using two models. Desalination 2013, 317, 152–159. [Google Scholar] [CrossRef]
- Mahmoudi, H.; Spahi, N.; Abdul-Wahab, S.A.; Sablani, S.S.; Goosen, M.F.A. Improving the performance of a Seawater Greenhouse desalination system by assessment of simulation models for different condensers. Renew. Sustain. Energy Rev. 2010, 14, 2182–2188. [Google Scholar] [CrossRef]
- Zamen, M.; Amidpour, M.; Firoozjaei, M.R. A novel integrated system for fresh water production in greenhouse: Dynamic simulation. Desalination 2013, 322, 52–59. [Google Scholar] [CrossRef]
- Al-Ismaili, A.M.; Jayasuriya, H.; Al-Mulla, Y.; Kotagama, H. Empirical model for the condenser of the seawater greenhouse. Chem. Eng. Commun. 2018, 205, 1252–1260. [Google Scholar] [CrossRef]
- Akinaga, T.; Generalis, S.; Paton, C.; Igobo, O.; Davies, P. Brine tilization for cooling and salt production in wind-driven seawater greenhouses: Design and modelling. Desalination 2018, 426, 135–154. [Google Scholar] [CrossRef]
- Zarei, T.; Behyad, R. Predicting the water production of a solar seawater greenhouse desalination unit using multi-layer perceptron model. Solar Energy 2019, 177, 595–603. [Google Scholar] [CrossRef]
- Xu, L.; Chen, Y.P.; Wu, P.H.; Huang, B.J. Humidification–Dehumidification (HDH) Desalination System with Air-Cooling Condenser and Cellulose Evaporative Pad. Water 2020, 12, 142. [Google Scholar] [CrossRef]
- El-Ashtoukhy, E.-S.Z.; Abdel-Aziz, M.H.; Farag, H.A.; El Azab, I.H.; Zoromba MSh Naim, M.M. An innovative unit for water desalination based on humidification dehumidification technique. Alexandria Eng. J. 2022, 61, 8729–8742. [Google Scholar] [CrossRef]
- Soufaria, S.M.; Zamena, M.; Amidpour, M. Performance optimization of the humidification–dehumidification desalination process using mathematical programming. Desalination 2009, 237, 305–317. [Google Scholar] [CrossRef]


















| Parameter | Value |
|---|---|
|
|
|
|
|
|
|
|
|
|
|
|
|
|
|
|
Disclaimer/Publisher’s Note: The statements, opinions and data contained in all publications are solely those of the individual author(s) and contributor(s) and not of MDPI and/or the editor(s). MDPI and/or the editor(s) disclaim responsibility for any injury to people or property resulting from any ideas, methods, instructions or products referred to in the content. |
© 2023 by the authors. Licensee MDPI, Basel, Switzerland. This article is an open access article distributed under the terms and conditions of the Creative Commons Attribution (CC BY) license (https://creativecommons.org/licenses/by/4.0/).
Share and Cite
Zamen, M.; Kahani, M.; Zarei, G. Seawater Greenhouse Equipped with a Novel Solar Humidification-Dehumidification Desalination Unit in MAKRAN Coast: Fabrication and Experimental Study. Water 2023, 15, 539. https://doi.org/10.3390/w15030539
Zamen M, Kahani M, Zarei G. Seawater Greenhouse Equipped with a Novel Solar Humidification-Dehumidification Desalination Unit in MAKRAN Coast: Fabrication and Experimental Study. Water. 2023; 15(3):539. https://doi.org/10.3390/w15030539
Chicago/Turabian StyleZamen, Mohammad, Mostafa Kahani, and Ghasem Zarei. 2023. "Seawater Greenhouse Equipped with a Novel Solar Humidification-Dehumidification Desalination Unit in MAKRAN Coast: Fabrication and Experimental Study" Water 15, no. 3: 539. https://doi.org/10.3390/w15030539
APA StyleZamen, M., Kahani, M., & Zarei, G. (2023). Seawater Greenhouse Equipped with a Novel Solar Humidification-Dehumidification Desalination Unit in MAKRAN Coast: Fabrication and Experimental Study. Water, 15(3), 539. https://doi.org/10.3390/w15030539

