Abstract
Seagrass planting techniques have shown to be an effective tool for restoring degraded meadows and ecosystem function. In the Mediterranean Sea, most restoration efforts have been addressed to the endemic seagrass Posidonia oceanica, but cost-benefit analyses have shown unpromising results. This study aimed at evaluating the effectiveness of environmental engineering techniques generally employed in terrestrial systems to restore the P. oceanica meadows: two different restoration efforts were considered, either exploring non-degradable mats or, for the first time, degradable mats. Both of them provided encouraging results, as the loss of transplanting plots was null or very low and the survival of cuttings stabilized to about 50%. Data collected are to be considered positive as the survived cuttings are enough to allow the future spread of the patches. The utilized techniques provided a cost-effective restoration tool likely affordable for large-scale projects, as the methods allowed to set up a wide bottom surface to restore in a relatively short time without any particular expensive device. Moreover, the mats, comparing with other anchoring methods, enhanced the colonization of other organisms such as macroalgae and sessile invertebrates, contributing to generate a natural habitat.
1. Introduction
Coastal marine ecosystems have been degraded or transformed by anthropogenic impacts with a consequent loss of the goods and services they provide [1,2,3]. Rapidly increasing rates of ecosystem degradation, coastal development, environmental change, and low rates of natural recovery suggest that passive protection should be urgently implemented by effective restoration efforts capable of promoting recovery of coastal ecosystems and remediating their value services [4,5,6]. In the last decades, the main coastal habitats such as coral reefs, mangroves, kelps, oyster reefs, and seagrass beds have been the object of restoration efforts [7].
Seagrass beds are among the most sensitive ecosystems to human disturbance and they are declining worldwide [8]. Seagrass planting techniques have shown to be an effective tool for restoring degraded meadows and ecosystem function [9,10,11]. Restoration efforts have been performed worldwide to compensate or mitigate seagrass loss [12,13,14], but with very variable success [15,16].
In the Mediterranean Sea, most restoration efforts have been addressed to the endemic seagrass Posidonia oceanica (L.) Delile, due to the extension and ecological role of its meadows [17]. Conservation of P. oceanica meadows is a national and international priority [18] and many experimental restoration projects [19,20,21,22,23,24,25] or finalized to the active restoration of degraded areas [26,27] have been performed. A wide range of techniques have been used, such as grids, concrete frames, and metal sticks, to anchor vegetative shoots [20,24,28,29]. Sods [26,30] and seedlings [31,32] have also been employed. However, the success has been very variable, but normally quite low in front of very high costs [26]. Transplant success was found to be influenced by the nature of the substratum, anchoring techniques, characteristics of transplant material, and of donor meadows [33,34]. In many cases, effective techniques for small-scale experiments have failed on large-scale projects (authors’ personal communication). P. oceanica spreads on different substrata, in exposed areas and at a depth ranging from the surface to about 40 meters, making the restoration of meadows particularly difficult [34]. To date, a very effective technique for P. oceanica restoration in terms of transplant survival and costs needs to be identified.
The study aimed at evaluating the effectiveness of environmental engineering techniques generally employed in terrestrial systems to restore the P. oceanica meadows. These techniques, if suitable to seagrass anchoring, will provide a cost-effective restoration tool appropriate for large-scale projects. Moreover, in order not to threaten natural meadows [35], the suitability of drifting P. oceanica cuttings (naturally uprooted) and seedlings to be employed in restoration programs coupled with engineering techniques was evaluated. To achieve these goals, two different restoration efforts were considered, employing either non-degradable mats already used [36,37] or degradable mats never utilized before.
2. Material and Methods
Two restoration efforts were considered. The first was performed within the Marine Protected Area (MPA) of Capo Carbonara in southern Sardinia (Figure 1) where a wide and high structured Posidonia oceanica meadow is present. Within the meadow, some areas of dead matte were detected at a depth ranging between 15 and 20 m, for a total surface of about 1000 m2 (Figure 2). These degraded areas show long-standing signs, probably due to the mechanical impact of anchoring before the establishment of the MPA [38]. The second effort was done at Elba Island in the Tuscan Archipelago (Figure 1). Some degraded areas were found at the edge of a meadow at a depth of about 15 m probably related to anchoring (Figure 2). Anchoring was actually forbidden in the study sites. The two transplanting sites have similar environmental features. Both sites were located in exposed areas with prevailing winds from West, South West for Capo Carbonara and East, North-East for Elba Island. Both sites were located on dead matte and characterized by clear oligotrophic water with similar pH and salinity (37 ppt). In both sites, the tidal excursion is less than 0.4 m.
Figure 1.
Localization of the two transplant efforts.
Figure 2.
Degraded areas at Capo Carbonara (A) and Elba Island (B).
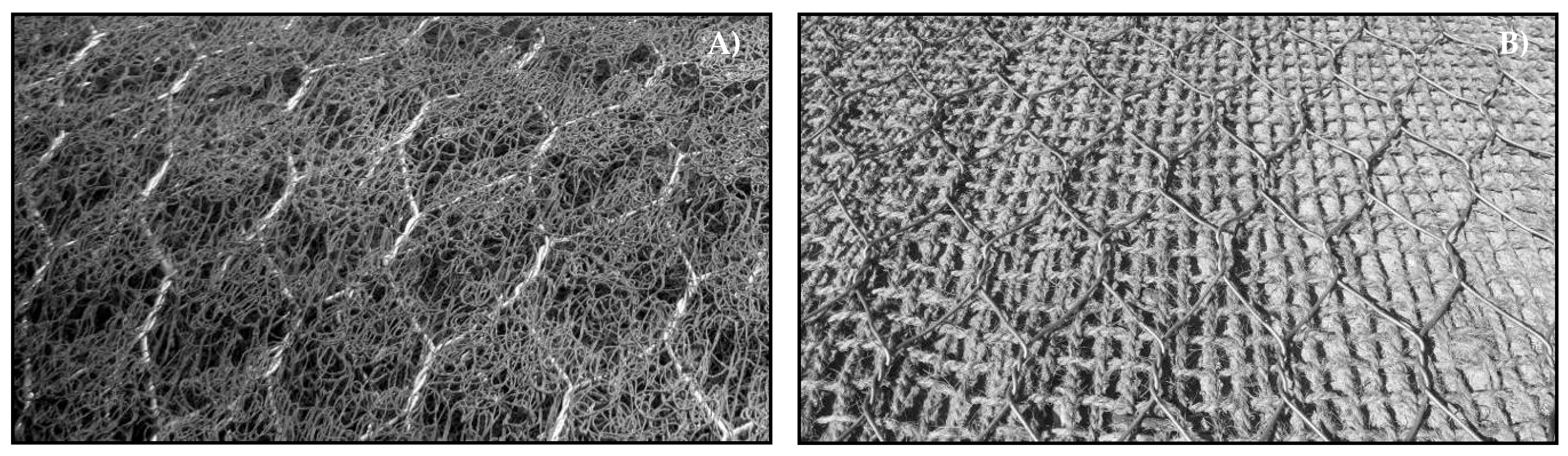
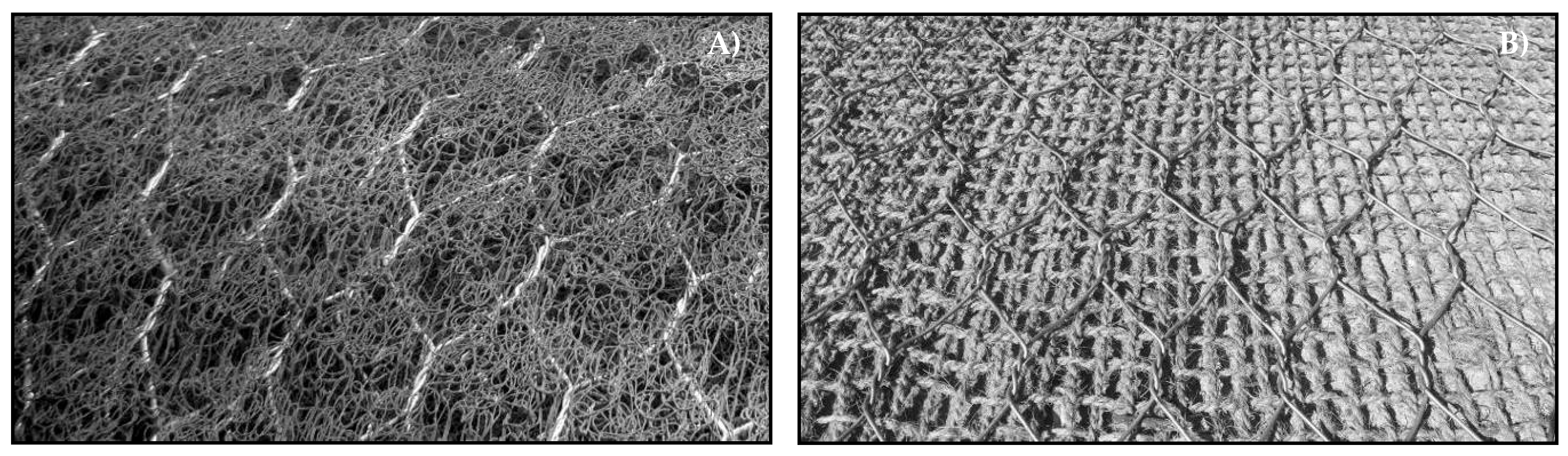
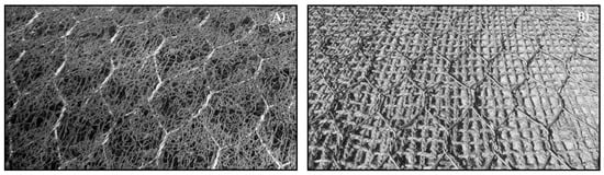
In both efforts, strips of the mat from 10 m2 to 25 m2 in size were employed. In the Capo Carbonara MPA, Macmat® R (Maccaferri, Bologna, Italy) geomats were used, a reinforced geomat obtained by a three-dimensional polymer matrix extruded onto a double twisted steel woven mesh (Figure 3A). The use of Macmat® R to restore P. oceanica dead matte has been explored by a pilot transplanting project that provided promising results [36,37]. Conversely, in the Elba Island degradable mats made of natural coconut meshes coupled with a double twisted steel woven mesh R.E.C.S.® (Figure 3B) were employed. Both mats have a mesh size of 8 × 10 cm and a thickness of about 5 cm. The mats were anchored by metal pickets 120 cm long to the dead matte at a depth of 15–20 m (with a mean of 1 picket per m2). In both efforts, drifting P. oceanica cuttings naturally uprooted were collected on the surrounding bottoms by SCUBA scientific divers. At Capo Carbonara, the cuttings were harvested in natural storage sites characterized by sand bottom clearing areas within the extensive meadow where the restoration was set up (Figure 4A). At Elba Island, natural storage sites occurred in small bays adjacent to the transplanting site (Figure 4B). The exposition to storms of both transplanting sites was crucial to determine the availability of cuttings. The cuttings to be used as transplanting material were selected on the basis of their size, number of shoots, and health conditions visually estimated. Where necessary, cuttings were split to obtain the required size. For both efforts, one cutting consists of a fragment of the rhizome of about 20 cm bearing 1–3 shoots. At Elba Island, 300 P. oceanica seedlings collected in accumulation areas along the coast or found on the surrounding bottoms by SCUBA scientific divers, were also used. Both shoots and seedlings were anchored to the substrate through manual inclusion in the mats previously fixed to the bottom (Figure 5). At Capo Carbonara, 40 mats of 25 m2 were positioned, for a total surface of 1000 m2 of transplanting area; twelve plots (with 30 plant cuttings each) were placed on each mat for a total of 480 plots (Figure 6A and Figure 7A,B). At Elba Island 10 mats of 10 m2 each were positioned, for a total surface of 100 m2; ten plots (with 20 plant cuttings each) were placed on each mat for a total of 100 plots (Figure 6B and Figure 8A). Moreover, one mat was used exclusively for seedlings (Figure 9). Within each plot, cuttings were positioned about 8 cm from each other; the centers of plots were distant about 1 m from each other. Seedlings were positioned about 5 cm distance between them.
Figure 3.
Details of Macmat® R geomat (A) and degradable mat (B).
Figure 4.
Example of natural storage site where cuttings were harvested at Capo Carbonara (A) and Elba Island (B).
Figure 5.
Mats positioned on the bottom at Capo Carbonara (A) and at Elba Island (B) and manual inclusion of cuttings in the mat (C,D).
Figure 6.
Arrangement of transplanting plots at Capo Carbonara (A) and at Elba Island (B).
Figure 7.
Transplants at Capo Carbonara after the set-up (A,B) and after three years (C,D).
Figure 8.
Transplants at Elba Island after the set-up (A) and after one year (B).
Figure 9.
Transplanted seedlings at Elba Island.
The restoration set up at Capo Carbonara MPA was completed in Spring 2017 and at Elba Island in Spring 2019 and, to date, monitored for 36 and 12 months, respectively. The transplant efforts were surveyed every year. During each survey, the conditions of mats were visually evaluated and the number of transplant plots still in situ, and the number of cuttings per each plot and of seedlings (where applicable) were counted.
The number of shoots per plot was also counted in the 10% of the transplanted plots in the two surveys at Capo Carbonara and at the end of the survey period and six months before at Elba Island. The performance of transplant effort was evaluated as the percentage of transplanting plots still in situ since transplant. The survival of cuttings was evaluated as the percentage of living cuttings per plot compared to the starting number.
After one year since transplant, the survival of cuttings was compared between restoration efforts through a one-way permutational analysis of variance (PERMANOVA) [39] on the Euclidean distance matrix, where the mats have been treated as replicates.
3. Results
At the end of the study period, in both efforts, the mats were intact, well anchored, and colonized by algal assemblages, except for two mats at Capo Carbonara dislocated by storms between 2018 and 2019. Furthermore, some cuttings and seedlings were dislodged throughout all the patches, but those still attached were vital (Figure 7C,D and Figure 8B).
In Capo Carbonara MPA, three years after the set-up, 92.5% of the transplant plots were still in situ (Figure 10A). The survival of cuttings in the plots still present was 46.5% (Figure 10B).
Figure 10.
Percentage of plots remained in situ (A) and mean (±SE) survival of cuttings (B) in Capo Carbonara and Elba efforts every year to date.
At Elba Island, after 12 months all the plots were in situ (Figure 10A), with the survival of 55% and 61.7% for cuttings and seedlings, respectively (Figure 10B).
The number of shoots per plot was stable in both restoration efforts between the last two surveys: 25.0 ± 4.1 (mean ± SE) to 20.9 ± 5.5 at Capo Carbonara and 29.9 ± 2.0 to 32.2 ± 1.9 at Elba Island.
PERMANOVA showed no significant differences in the survival of cuttings between Capo Carbonara and Elba efforts one year after transplants (Table 1).
Table 1.
PERMANOVA results on the survival of cuttings of the two restoration efforts after one year to start.
4. Discussion
Both efforts provided encouraging results, as the loss of transplanting plots was null or very low and the survival of cuttings stabilized to about 50%. A loss of cuttings in the early phases since transplanting is a common pattern for Posidonia oceanica, as survival becomes stable after about one year from the set-up [25]. Moreover, in both the transplant efforts, naturally uprooted and drifting cuttings were used, to not threaten natural meadows. However, this has precluded any control on the quality of the original transplant material in terms of donor beds (e.g., depth), besides checking vitality (e.g., leaf color), thus ignoring how much variability was due to the material used. This issue may be the reason for lower survival values compared to previous experimental transplants [22,25]. However, the survival of the studied efforts can be considered non-negative [34] as the loss of plots was near zero and a loss of 50% of cuttings per plot in the early phases should not be considered a failure as the survived cuttings may allow the spread of the patches. In fact, 30% of living and well-established P. oceanica cuttings are enough for a successful re-colonization of the site [34].
The suitability of non-degradable geomats on dead matte has been already tested on small-scale pilot projects [36,37], and positive results of large-scale projects could be hypothesized. On the contrary, the suitability of degradable meshes was not obvious and the achievement of performance similar to those obtained through geomats is to be considered a very interesting result. In fact, the availability of a degradable anchoring technique with positive performances allows planning large-scale projects avoiding undesirable effects related to pollution. To date no information about the degradability of meshes at sea are available, so results from monitoring the Elba effort will be crucial to understand the reliability of degradable material.
The use of mats, especially the degradable ones, provides a useful and cost-effective technique for large-scale restoration projects that ensure the anchorage of cutting to the dead matte. Moreover, the technique is time effective, allowing the restoration of the wide bottom surface in a relatively short time. In fact, the total recovery of 1000 m2 of the degraded surface with 1000 plots of 25 cuttings each, involves 10 days of work for 4 commercial divers and 10 scientific divers, employing three boats, with a total cost of material of 15,000 euros and a total cost estimated of about 100,000 euros (considering about 20,000 euro for mat positioning, 15,000 euro for cutting collecting, 50,000 euro for transplanting). The technique is to be considered very cost-effective if compared to the other methods of transplanting P. oceanica which have been estimated to cost 3–5 million euro per hectare (authors, personal communication). The technique does not require particular expensive devices such as those employed in soc transplants [30] and avoids the use of permanent anchoring structures [28]. The technique also allows for anchoring the seedlings, which represent a more delicate material [31,40].
To date, all anchoring methods used for P. oceanica transplanting were based on structures that maintained cuttings on the bottom, such as grids, concrete frames, and metal sticks [41]. The mats, in agreement with recent advancements in transplant designs and based on engineering, mimic key emergent traits that generate self-facilitation [42]. Many marine organisms are able to reduce physical stress through emergent traits that allow them to inhabit otherwise unsuitable conditions [42]. P. oceanica is able to form a structure made of rhizomes and the trapped sediments, named matte, which constitutes a secondary substrate from few decimeters to several meters high. The matte trap sediments stabilize the bottom, change the hydrodynamic conditions, enhance the colonization of macroalgae, and the anchoring of seagrass rhizomes and seedlings [43,44]. The mats mimic emergent traits, such as dense aggregations of roots or rhizomes, leading to self-facilitation naturally generated by established conspecifics. The mats, comparing to other anchoring methods, enhance the colonization of other organisms such as macroalgae and sessile invertebrates, contributing to re-creating the natural structure of the system. At Capo Carbonara, after three years from the positioning, the mats were completely covered by sessile organisms and algal turfs (Figure 7C,D). This aspect is particularly important as the presence of a natural assemblage leads to the re-establishment of ecological interactions, favoring the restoration of ecosystem structure and functioning, thus increasing the restoration success of the seagrass meadows [45].
In conclusion, although longer monitoring is needed to implement data obtained in the present study, especially for the Elba project, results are promising and allow for hypothesizing further large-scale applications of the method. In fact, the employment of degradable mats on dead matte has proved cost and time-effective, as it allowed for the restoration of large surfaces of degraded P. oceanica meadows in a relatively short time, without the necessity of persistent structures. The method favored the anchoring of cuttings and seedlings mimicking natural self-facilitation of the plant and concurrently enhanced the colonization of other benthic organisms, leading to the restoration of ecosystem structures. Moreover, the suitability of naturally uprooted cuttings to restore P. oceanica meadows is a very interesting finding, as to date all P. oceanica transplanting efforts employed cuttings collected from natural populations. The use of naturally uprooted cuttings may allow large-scale restoration efforts avoiding uncontrolled ecological consequences on donor meadows.
Author Contributions
Conceptualization: S.A., F.A., F.F., L.P.; Formal Analysis: L.P.; Investigation: S.A., L.L., M.F.C., F.F.; Funding Acquisition: S.A., F.A., G.C.; Writing—Original Draft Preparation: L.P., G.C., M.F.C. All authors have read and agreed to the published version of the manuscript.
Funding
The study has been funded by Italian Ministry of Education and Research: PRIN 2017 (MHHWBN) “Marine Habitats restoration in a climate change-impared Mediterranean Sea (MAHRES)”. The Capo Carbonara project was supported by the LIFE+ project “RES MARIS-Recovering Endangered habitatS in the Capo Carbonara MARIne area, Sardinia”. The Elba project was funded by LUSH Italia.
Institutional Review Board Statement
Not applicable.
Informed Consent Statement
Not applicable.
Data Availability Statement
The data presented in this study are available on request from the corresponding author.
Acknowledgments
We wish to thank V. Paoletti and L. Paoletti of the Cavo Diving Sporting Club for supporting the field activities at Elba Island and M. Pera for English revision. We are grateful to F. Cinelli for his contribution to develop the transplanting techniques here described
Conflicts of Interest
The authors declare no conflict of interest.
References
- Valiela, I.; Bowen, J.L.; York, J.K. Mangrove forests: One of the world’s threatened major tropical environments. BioScience 2001, 51, 807–815. [Google Scholar] [CrossRef]
- Halpern, B.S.; Walbridge, S.; Selkoe, K.A.; Kappel, C.V.; Micheli, F.; D’Agrosa, C.; Bruno, J.F.; Casey, K.S.; Ebert, C.; Fox, H.E.; et al. A global map of human impact on marine ecosystems. Science 2008, 319, 948–952. [Google Scholar] [CrossRef] [PubMed]
- Wilkinson, C. Status of Coral Reefs of the World: 2008; Global Coral Reef Monitoring Network and Reef and Rainforest Research Centre: Townsville, Australia, 2008; pp. 1–296. [Google Scholar]
- Elliott, M.; Burdon, D.; Hemingway, K.L.; Apitz, S.E. Estuarine, coastal and marine ecosystem restoration: Confusing management and science—A revision of concepts. Estuar. Coast. Shelf Sci. 2007, 74, 349–366. [Google Scholar] [CrossRef]
- Abelson, A.; Halpern, B.S.; Reed, D.C.; Orth, R.J.; Fendrick, G.A.; Beck, M.W.; Belmaker, J.; Frause, G.; Edgar, G.J.; Airoldi, L.; et al. Upgrading marine ecosystem restoration using ecological-social concepts. BioScience 2015, 66, 156–163. [Google Scholar] [CrossRef] [PubMed]
- Bayraktarov, E.; Saunders, M.; Abdullah, S.; Mills, M.; Beher, J.; Possingham, H.P.; Mumby, P.J.; Lovelock, C.E. The cost and feasibility of marine coastal restoration. Ecol. Appl. 2016, 26, 1055–1074. [Google Scholar] [CrossRef] [PubMed]
- Basconi, L.; Cadier, C.; Guerrero-Limón, G. Challenges in Marine Restoration Ecology: How techniques, assessment metrics, and ecosystem valuation can lead to improved restoration success. In YOUMARES 9—The Oceans: Our Research, Our Future; Jungblut, S., Liebich, V., Bode-Dalby, M., Eds.; Springer: Cham, Switzerland, 2020; pp. 83–99. [Google Scholar]
- Orth, R.J.; Carruthers, T.J.B.; Dennison, W.C.; Duarte, C.M.; Fourqurean, J.W.; Heck, K.L., Jr.; Hughes, A.R.; Kendrick, G.A.; Kenworthy, W.J.; Olyarnik, S.; et al. A global crisis for seagrass ecosystems. BioScience 2006, 56, 987–996. [Google Scholar] [CrossRef]
- Lefcheck, J.S.; Scott, M.R.; Orth, R.J. Restored Eelgrass (Zostera marina L.) as a refuge for epifaunal biodiversity in mid-western Atlantic coastal bays. Estuar. Coasts 2017, 40, 200–212. [Google Scholar] [CrossRef]
- Matheson, F.E.; Reed, J.; Dos Santos, V.M.; Mackay, G.; Cummings, V.J. Seagrass rehabilitation: Successful transplants and evaluation of methods at different spatial scales. N. Z. J. Mar. Freshw. Res. 2017, 51, 96–109. [Google Scholar] [CrossRef]
- Tan, Y.M.; Dalby, O.; Kendrick, G.A.; Statton, J.; Sinclair, E.A.; Fraser, M.W.; Macreadie, P.I.; Gillies, C.L.; Coleman, R.A.; Waycott, M.; et al. Seagrass restoration is possible: Insights and lessons from Australia and New Zealand. Front. Mar. Sci. 2020, 7, 617. [Google Scholar] [CrossRef]
- Paling, E.I.; Fonseca, M.; van Katwijk, M.M.; van Keulen, M. Seagrass restoration. In Coastal Wetlands: An Integrated Ecosystem Approach; Perillo, G., Wolanski, E., Cahoon, D., Brinson, M., Eds.; Elsevier: Amsterdam, The Netherland, 2009; pp. 687–713. [Google Scholar]
- Orth, R.J.; McGlathery, K.J. Eelgrass recovery in the coastal bays of the Virginia Coast Reserve, USA. Mar. Ecol. Prog. Ser. 2012, 448, 173–176. [Google Scholar] [CrossRef]
- Paulo, D.; Cunha, A.H.; Boavida, J.; Serrão, E.A.; Gonçalves, E.J.; Fonseca, M. Open coast seagrass restoration. Can we do it? Large scale seagrass transplants. Front. Mar. Sci. 2019, 6, 52. [Google Scholar] [CrossRef]
- Fonseca, M.S.; Kenworthy, W.J.; Thayer, G.W. Guidelines for the Conservation and Restoration of Seagrasses in the United States and Adjacent Waters; NOAA Coastal Ocean Program Decision Analysis Series; NOAA Coastal Ocean Office: Silver Spring, MD, USA, 1998; Volume 12, pp. 1–222.
- Van Katwijk, M.M.; Thorhaug, A.; Marbà, N.; Orth, R.J.; Duarte, C.M.; Kendrick, G.A.; Althuizen, I.H.J.; Balestri, E.; Bernard, G.; Cambridge, M.L.; et al. Global analysis of seagrass restoration: The importance of large-scale planting. J. Appl. Ecol. 2016, 53, 567–578. [Google Scholar] [CrossRef]
- Pergent, G.; Romero, J.; Pergent-Martini, C.; Mateo, M.A.; Boudouresque, C.F. Primary production, stocks and fluxes in the Mediterranean seagrass Posidonia oceanica. Mar. Ecol. Prog. Ser. 1994, 106, 139–146. [Google Scholar] [CrossRef]
- Díaz-Almela, E.; Duarte, C.M. Management of Natura 2000 Habitats. 1120 Posidonia Beds (Posidonion Oceanicae); European Commission Technical Report 2008 01/24; European Commission: Brussels, Belgium, 2008; pp. 1–28. [Google Scholar]
- Cooper, G. Réimplantation de Posidonia oceanica. Protection des implants. Bull. Ecol. 1982, 13, 65–73. [Google Scholar]
- Molenaar, H.; Meinesz, A. Vegetative reproduction in Posidonia oceanica II. Effects of depth changes on transplanted orthotropic shoots. Mar. Ecol. 1992, 13, 175–185. [Google Scholar] [CrossRef]
- Meinesz, A.; Caye, G.; Loques, F.; Molenaar, H. Polymorphism and development of Posidonia oceanica transplanted from different parts of the Mediterranean into the National Park of Port-Cross. Bot. Mar. 1993, 36, 209–216. [Google Scholar] [CrossRef]
- Meinesz, A.; Molenaar, H.; Caye, G. Transplantations de phanerogames marines en Méditerranée. Boll. Oceanol. Teorica Appl. XI 1993, 3–4, 183–190. [Google Scholar]
- Molenaar, H.; Meinesz, A.; Caye, G. Vegetative reproduction in Posidonia oceanica survival and development in different morphological types of transplanted cuttings. Bot. Mar. 1993, 36, 481–488. [Google Scholar] [CrossRef]
- Molenaar, H.; Meinesz, A. Vegetative reproduction in Posidonia oceanica: Survival and development of transplanted cuttings according to different spacings, arrangements and substrates. Bot. Mar. 1995, 38, 313–322. [Google Scholar] [CrossRef]
- Piazzi, L.; Balestri, E.; Magri, M.; Cinelli, F. Experimental transplanting of Posidonia oceanica (L.) Delile into a disturbed habitat in the Mediterranean Sea. Bot. Mar. 1998, 41, 593–601. [Google Scholar] [CrossRef]
- Sanchez-Lizaso, J.L.; Fernandez Torquemada, Y.; Gonzalez-Correa, J.M. Evaluation of the viability of Posidonia oceanica transplants associated with a marina expansion. Bot. Mar. 2009, 52, 471–476. [Google Scholar] [CrossRef]
- Domínguez, M.; Celdrán, D.; Muñoz-Vera, A.; Infantes, E.; Martinez-Baños, P.; Marín, A.; Terrados, J. Experimental evaluation of the restoration capacity of a fish-farm impacted area with Posidonia oceanica (L.) Delile seedlings. Restorat. Ecol. 2012, 20, 180–187. [Google Scholar] [CrossRef]
- Valiante, L.M.; Carannante, F.; Casola, E.; Di Dato, P.; Di Nuzzo, F.; Scardi, M.; Fresi, E. Monitoraggio a lungo termine di trapianti di Posidonia oceanica su grande scala. In Proceedings of the XX Congresso della S.I.Te., Roma, Italy, 27–30 September 2010. [Google Scholar]
- Tomasello, A.; Pirrotta, M.; Calvo, S. Construction underwater landscape by using Posidonia oceanica transplanting combined with innovative artificial reefs. In Proceedings of the 6th Mediterranean Symposium on Marine Vegetation, Antalya, Turkey, 14–18 January 2019; pp. 92–96. [Google Scholar]
- Descamp, P.; Cornu, T.; Bougerol, M.; Boissery, P.; Ferlat, C.; Delaruelle, G.; Deter, J.; Gobert, S. Experimental transplantation of Posidonia oceanica. In Proceedings of the 13th International MEDCOAST Congress on Coastal and Marine Sciences, Engineering, Management and Conservation, Mellieha, Malta, 31 October–4 November 2017; Ozhan, E., Ed.; Mediterranean Coastal Foundation: Ortaca, Turkey, 2017. [Google Scholar]
- Balestri, E.; Piazzi, L.; Cinelli, F. Survival and growth of transplanted and natural seedlings of Posidonia oceanica (L.) Delile in a damaged coastal area. J. Exp. Mar. Biol. Ecol. 1998, 228, 209–225. [Google Scholar] [CrossRef]
- Alagna, A.; Fernández, T.V.; Anna, G.D.; Magliola, C.; Mazzola, S.; Badalamenti, F. Assessing Posidonia oceanica Seedling Substrate Preference: An Experimental Determination of Seedling Anchorage Success in Rocky vs. Sandy Substrates. PLoS ONE 2015, 10, 0125321. [Google Scholar] [CrossRef]
- Procaccini, G.; Piazzi, L. Genetic polymorphism and transplantation success in the Mediterranean seagrass Posidonia oceanica. Restor. Ecol. 2001, 9, 332–338. [Google Scholar] [CrossRef]
- Pirrotta, M.; Tomasello, A.; Scannavino, A.; Di Maida, G.; Luzzu, F.; Bellissimo, G.; Bellavia, C.; Costantini, C.; Orestano, C.; Sclafani, G.; et al. Transplantation assessment of degraded Posidonia oceanica habitats: Site selection and long-term monitoring. Medit. Mar. Sci. 2015, 16, 591–604. [Google Scholar] [CrossRef]
- Balestri, E.; Vallerini, F.; Lardicci, C. Storm-generated fragments of the seagrass Posidonia oceanica from beach wrack—A potential source of transplants for restoration. Biol. Conserv. 2011, 144, 1644–1654. [Google Scholar] [CrossRef]
- Cinelli, F.; Boccalaro, F.; Burgassi, M.; Piazzi, L.; Rende, F.; Zanella, M. Technique de fixation des boutures de Posidonia oceanica (L.) Delile en Méditerranée: Adaptation en milieu marin d’un système déjà utilisé sur terre. In Proceedings of the Troisième Symposium Méditerranéen sur la Végétation Marine, Marseille, France, 27–29 March 2007; pp. 257–258. [Google Scholar]
- Cinelli, F.; Boccalaro, F.; Burgassi, M.; Rende, F.; Piazzi, L.; Zanella, M. Utilizzo sperimentale in mare di sistemi tecnici già impiegati dall’ingegneria naturalistica terrestre. Biol. Mar. Medit. 2007, 14, 342–343. [Google Scholar]
- Acunto, S.; Bacchetta, G.; Bordigoni, A.; Cadoni, N.; Cinti, M.F.; Duràn Navarro, M.; Frau, F.; Lentini, L.; Liggi, M.G.; Masala, V.; et al. The LIFE+ project “RES MARIS-Recovering Endangered habitats in the Capo Carbonara MARIne area, Sardinia”: First results. Plant. Sociol. 2017, 54, 85–95. [Google Scholar]
- Anderson, M.J. A new method for a non-parametric multivariate analysis of variance. Aust. Ecol. 2001, 26, 32–46. [Google Scholar]
- Terrados, J.; Marín, A.; Celdrán, D. Use of Posidonia oceanica seedlings from beach-cast fruits for seagrass planting. Bot. Mar. 2013, 56, 185–195. [Google Scholar] [CrossRef]
- Bacci, T.; La Porta, B.; Maggi, C.; Nonnis, O.; Paganelli, D.; Rende, F.S.; Targusi, M. (Eds.) Conservazione e Gestione Della Naturalità Negli Ecosistemi Marino-Costieri. Il Trapianto Delle Praterie di Posidonia oceanica; Manuali e Linee Guida n.106/2014; ISPRA: Rome, Italy, 2014; pp. 1–97. [Google Scholar]
- Temmink, R.J.M.; Christianen, M.J.A.; Fivash, G.S.; Angelini, C.; Boström, C.; Didderen, K.; Engel, S.M.; Esteban, N.; Gaeckle, G.L.; Gagnon, K.; et al. Mimicry of emergent traits amplifies coastal restoration success. Nat. Commun. 2020, 11, 3668. [Google Scholar] [CrossRef] [PubMed]
- Piazzi, L.; Acunto, S.; Cinelli, F. In situ survival and development of Posidonia oceanica (L.) Delile seedlings. Aquat. Bot. 1998, 6, 103–112. [Google Scholar] [CrossRef]
- Piazzi, L.; Balata, D. Invasion of alien macroalgae in different Mediterranean habitats. Biol. Invasions 2009, 11, 193–204. [Google Scholar] [CrossRef]
- Valdez, S.R.; Zhang, Y.S.; van der Heide, T.; Vanderklift, M.A.; Tarquinio, F.; Orth, R.J.; Silliman, B.R. Positive ecological interactions and the success of seagrass restoration. Front. Mar. Sci. 2020, 7, 91. [Google Scholar] [CrossRef]
Publisher’s Note: MDPI stays neutral with regard to jurisdictional claims in published maps and institutional affiliations. |
© 2021 by the authors. Licensee MDPI, Basel, Switzerland. This article is an open access article distributed under the terms and conditions of the Creative Commons Attribution (CC BY) license (http://creativecommons.org/licenses/by/4.0/).









