The Operating Characteristics of Partial Nitrification by Controlling pH and Alkalinity
Abstract
1. Introduction
2. Materials and Methods
2.1. Partial Nitrification Seed Sludge and the Composition of Influent
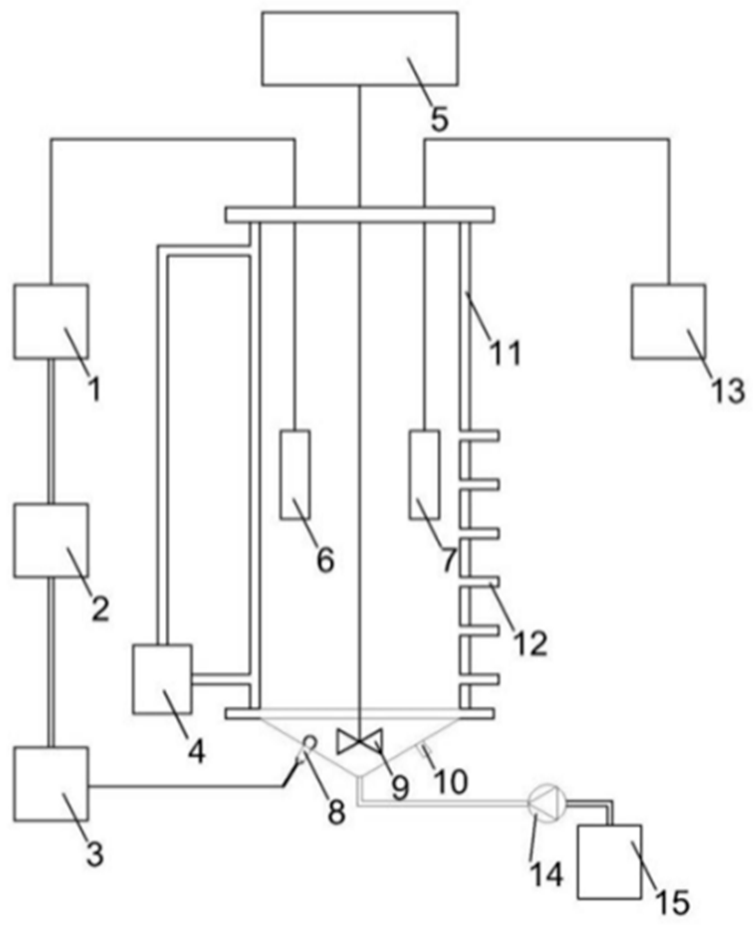
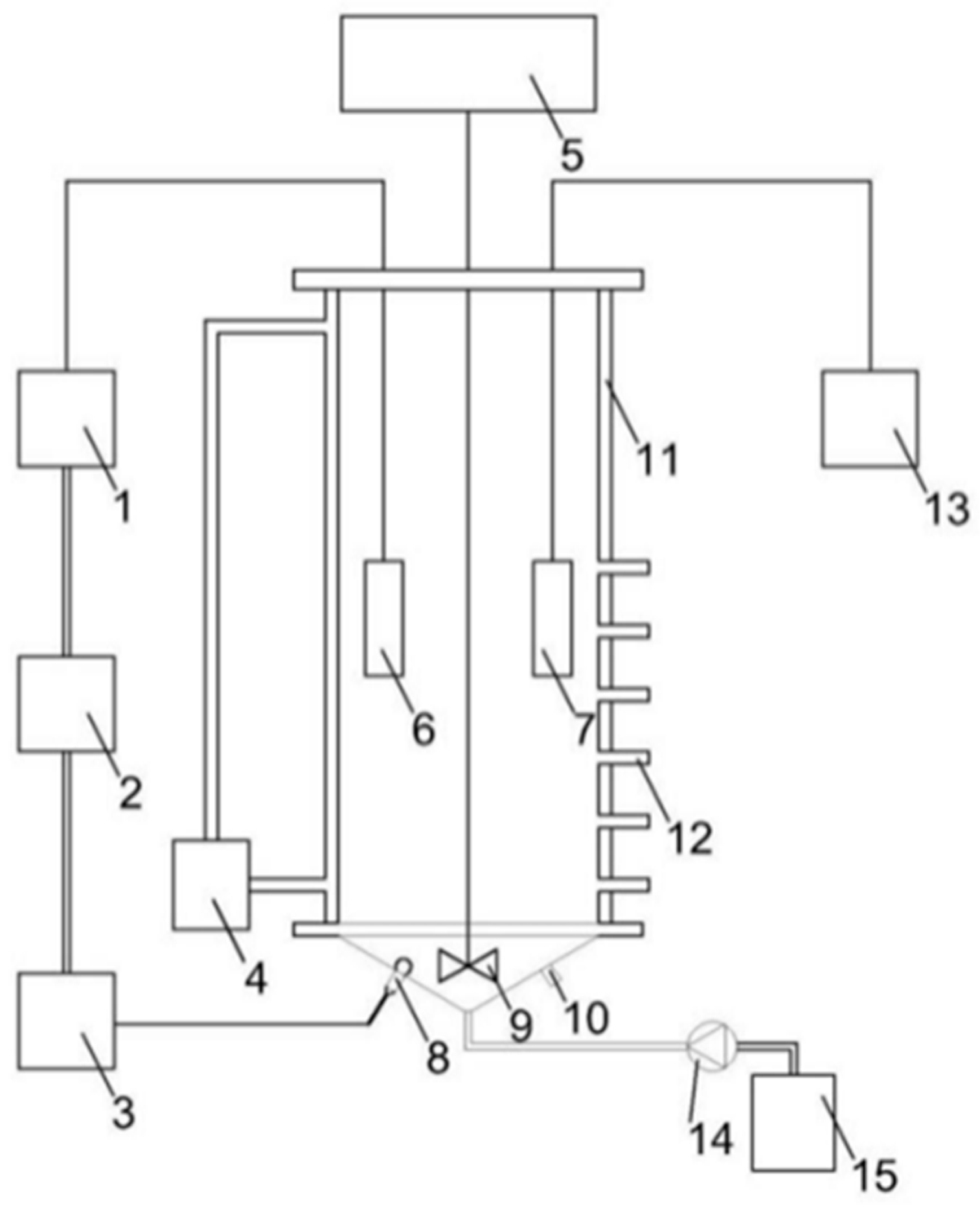
2.2. Reactor System and the Operation Strategy
2.3. Analytical Methods
3. Results
3.1. Overview of the Partial Nitrification Operation Started by Controlling pH
3.2. Analysis of Partial Nitrification Process
4. Conclusions
Author Contributions
Funding
Institutional Review Board Statement
Informed Consent Statement
Data Availability Statement
Conflicts of Interest
References
- Du, R.; Cao, S.B.; Peng, Y.Z.; Zhang, H.Y.; Wang, S.Y. Combined Partial Denitrification (PD)-Anammox: A method for high nitrate wastewater treatment. Environ. Int. 2019, 126, 707–716. [Google Scholar] [CrossRef] [PubMed]
- Li, J.L.; Li, J.W.; Peng, Y.Z.; Wang, S.Y.; Zhang, L.; Yang, S.H.; Li, S. Insight into the impacts of organics on anammox and their potential linking to system performance of sewage partial nitrification-anammox (PN/A): A critical review. Bioresour. Technol. 2020, 300. [Google Scholar] [CrossRef] [PubMed]
- Wiesmann, U. Biological nitrogen removal from wastewater. In Biotechnics/Wastewater; Springer: Berlin/Heidelberg, Germany, 1994; Volume 51, pp. 113–154. [Google Scholar] [CrossRef]
- Hallingsørensen, B. Process chemistry and biochemistry of denitrification. In Removal of Nitrogen Compounds from Wastewater; Elsevier Science: Amsterdam, The Netherlands, 1993. [Google Scholar]
- Ahn, J.H.; Kwan, T.; Chandran, K. Comparison of Partial and Full Nitrification Processes Applied for Treating High-Strength Nitrogen Wastewaters: Microbial Ecology through Nitrous Oxide Production. Environ. Sci. Technol. 2011, 45, 2734–3740. [Google Scholar] [CrossRef] [PubMed]
- Xiao, J.; Tang, J.H. Nitrogen Removal with Nitrification and Denitrification via Nitrite. In Advanced Materials Research; Trans Tech Publications Ltd.: Stafa-Zurich, Switzerland, 2014; Volume 908, pp. 175–178. [Google Scholar] [CrossRef]
- Peng, Y.; Zhu, G. Biological nitrogen removal with nitrification and denitrification via nitrite pathway. Appl. Microbiol. Biotechnol. 2006, 73, 15–26. [Google Scholar] [CrossRef] [PubMed]
- Blackburne, R.; Yuan, Z.; Keller, J. Partial nitrification to nitrite using low dissolved oxygen concentration as the main selection factor. Biodegradation 2008, 19, 303–312. [Google Scholar] [CrossRef] [PubMed]
- Jianlong, W.; Ning, Y. Partial nitrification under limited dissolved oxygen conditions. Process Biochem. 2004, 39, 1223–1229. [Google Scholar] [CrossRef]
- Guo, J.; Peng, Y.; Wang, S.; Zheng, Y.; Huang, H.; Ge, S. Effective and robust partial nitrification to nitrite by real-time aeration duration control in an SBR treating domestic wastewater. Process Biochem. 2009, 44, 979–985. [Google Scholar] [CrossRef]
- Wan, C.; Sun, S.; Lee, D.; Liu, X.; Wang, L.; Yang, X.; Pan, X. Partial nitrification using aerobic granules in continuous-flow reactor: Rapid startup. Biores. Technol. 2013, 142, 517–522. [Google Scholar] [CrossRef] [PubMed]
- Mosqueracorral, A.; Gonzalez, F.L.V.; Campos, J.L.; Mendez, R. Partial nitrification in a SHARON reactor in the presence of salts and organic carbon compounds. Process Biochem. 2005, 40, 3109–3118. [Google Scholar] [CrossRef]
- Zhang, X.; Jian, Z.; Zhen, H.; Xie, H.; Li, W. Effect of influent COD/N ratio on performance and N2O emission of partial nitrification treating high-strength nitrogen wastewater. Rsc Adv. 2015, 5, 61345–61353. [Google Scholar] [CrossRef]
- Guo, J.; Peng, Y.; Huang, H.; Wang, S.; Ge, S.; Zhang, J.; Wang, Z. Short- and long-term effects of temperature on partial nitrification in a sequencing batch reactor treating domestic wastewater. J. Hazard. Mater. 2010, 179, 471–479. [Google Scholar] [CrossRef] [PubMed]
- Teichgräber, B. Alkalinity and pH-Control in Activated Sludge Plants with Nitrification. In Instrumentation, Control and Automation of Water and Wastewater Treatment and Transport Systems, Proceedings of the 5th IAWPRC Workshop Held in Yokohama and Kyoto, Japan, 26 July–3 August 1990; Elsevier Science: Amsterdam, The Netherlands, 1990. [Google Scholar] [CrossRef]
- Sinha, B.; Annachhatre, A.P. Partial nitrification—Operational parameters and microorganisms involved. Rev. Environ. Sci. Bio/Technol. 2007, 6, 285–313. [Google Scholar] [CrossRef]
- Mota, C.; Head, M.A.; Ridenoure, J.A.; Cheng, J.J.; Francis, L. Effects of Aeration Cycles on Nitrifying Bacterial Populations and Nitrogen Removal in Intermittently Aerated Reactors. Appl. Environ. Microbiol. 2006, 71, 8565–8572. [Google Scholar] [CrossRef] [PubMed]
- Guo, X.; Kim, J.H.; Behera, S.K.; Park, H.S. Influence of dissolved oxygen concentration and aeration time on nitrite accumulation in partial nitrification process. Int. J. Environ. Sci. Technol. 2008, 5, 527–534. [Google Scholar] [CrossRef]
- Mousavi, S.A.; Ibrahim, S.; Aroua, M.K. Effect of carbon source on acclimatization of nitrifying bacteria to achieve high-rate partial nitrification of wastewater with high ammonium concentration. Appl. Water Sci. 2017, 7, 165–173. [Google Scholar] [CrossRef][Green Version]
- Zhang, X.J.; Li, D.; Zhang, Y.L.; He, Y.P.; Zhang, J. Influence of Alkalinity on Partial Nitrification Treating Domestic Sewage and the Microbial Community in MBR. Adv. Mater. Res. 2013, 807, 1564–1569. [Google Scholar] [CrossRef]
- Wang, X.; Gao, D. In-situ restoration of one-stage partial nitritation-anammox process deteriorated by nitrate build-up via elevated substrate levels. Sci. Rep. 2016, 6. [Google Scholar] [CrossRef] [PubMed]
- Xiong, L.; Wang, Y.Y.; Tang, C.J.; Chai, L.Y.; Xu, K.Q.; Song, Y.X.; Ali, M.; Zheng, P. Start-Up Characteristics of a Granule-Based Anammox UASB Reactor Seeded with Anaerobic Granular Sludge. Biomed Res. Int. 2013, 2013. [Google Scholar] [CrossRef] [PubMed]










| Item | Concentration |
|---|---|
| Chemical oxygen demand (COD) | 70–100 mg/L |
| NH4+–N | 50–170 mg/L |
| Total phosphorous (TP) | 20% of TN |
| KCl | 110 mg/L |
| MgSO4·7H2O | 50 mg/L |
| pH | 8.2–8.5 |
| Alkalinity | 300–320 mg/L |
| Item | Method | Instrument |
|---|---|---|
| NH4+–N | HJ 535-2009 | HACH DR6000 |
| NO2−–N | ISO 6777-1984 | HACH DR6000 |
| NO3−–N | HJ/T 346-2007 | HACH DR6000 |
| TN | HJ 636-2012 | HACH DR6000 |
| pH | B&C PH7615 | |
| DO | Triton DO8 |
Publisher’s Note: MDPI stays neutral with regard to jurisdictional claims in published maps and institutional affiliations. |
© 2021 by the authors. Licensee MDPI, Basel, Switzerland. This article is an open access article distributed under the terms and conditions of the Creative Commons Attribution (CC BY) license (http://creativecommons.org/licenses/by/4.0/).
Share and Cite
Chen, C.; Song, Y.; Yuan, Y. The Operating Characteristics of Partial Nitrification by Controlling pH and Alkalinity. Water 2021, 13, 286. https://doi.org/10.3390/w13030286
Chen C, Song Y, Yuan Y. The Operating Characteristics of Partial Nitrification by Controlling pH and Alkalinity. Water. 2021; 13(3):286. https://doi.org/10.3390/w13030286
Chicago/Turabian StyleChen, Chen, Yinghao Song, and Yanchao Yuan. 2021. "The Operating Characteristics of Partial Nitrification by Controlling pH and Alkalinity" Water 13, no. 3: 286. https://doi.org/10.3390/w13030286
APA StyleChen, C., Song, Y., & Yuan, Y. (2021). The Operating Characteristics of Partial Nitrification by Controlling pH and Alkalinity. Water, 13(3), 286. https://doi.org/10.3390/w13030286
