The Behavior and Removal of Condensable Particulate Matter in Flue Gas in a Multi-Field Force: A Modeling and Experimental Study
Abstract
1. Introduction
2. Model Description and Experimental Methods
2.1. Model Description
2.1.1. Force Analysis of Particles
2.1.2. Corona Electric Field Model
2.1.3. Gas Flow Fields Model
2.1.4. Particle Charge Model
2.1.5. Wall Heat Transfer Model
2.1.6. Particle Motion Model
2.1.7. Geometric Model
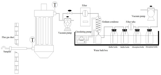
2.2. Experimental Methods
3. Results and Discussion
3.1. Particle Behavior and Removal in the Temperature Field
3.1.1. Analysis of the Temperature Distribution Effect in the Temperature Field
3.1.2. Particle Concentration Distribution along Radial Direction in the Temperature Field
3.1.3. Particle Size Distribution along Axial Direction in the Temperature Field
3.1.4. Particle Deposition and Removal along Axial Direction in the Temperature Field
3.2. Particle Behavior and Removal in the Electric Field
3.2.1. Analysis of Electric Field Distribution Effect in the Electric Field
3.2.2. Particle Concentration Distribution along the Radial Direction in the Electric Field
3.2.3. Particle Size Distribution along Axial Direction in the Electric Field
3.2.4. Particle Deposition and Removal along Axial Direction in the Electric Field
3.3. Particle Behavior and Removal in the Multi−Field
3.3.1. Particle Concentration Distribution along the Radial Direction in the Multi−Field
3.3.2. Particle Size Distribution along the Axial Direction in the Multi−Field
3.3.3. Particle Deposition and Removal along the Axial Direction in the Multi−Field
3.4. Experimentation
4. Conclusions
Author Contributions
Funding
Institutional Review Board Statement
Informed Consent Statement
Data Availability Statement
Conflicts of Interest
References
- Rabbat, C.; Villot, A.; Awad, S.; Andrès, Y. Gaseous and particulate matter emissions from the combustion of biomass-based insulation materials at end-of-life in a small-scale biomass heating boiler. Fuel 2023, 338, 127182. [Google Scholar] [CrossRef]
- Jiang, Y.; Wang, X.; Li, M.; Liang, Y.; Liu, Z.; Chen, J.; Guan, T.; Mu, J.; Zhu, Y.; Meng, H.; et al. Comprehensive understanding on sources of high levels of fine particulate nitro-aromatic compounds at a coastal rural area in northern China. J. Environ. Sci. 2023, 135, 483–494. [Google Scholar] [CrossRef]
- Guo, M.; Li, X.; Wang, Y.; Zhang, Y.; Fu, Q.; Huguet, A.; Liu, G. New insights into the mechanism of phosphate release during particulate organic matter photodegradation based on optical and molecular signatures. Water Res. 2023, 236, 119954. [Google Scholar] [CrossRef] [PubMed]
- Tan, J.; Luo, Q.; Cai, Y.; Zhang, Y.; Cheng, T.; Wang, B. Study on the promotion of particle heterogeneous condensation by different charging approaches. Powder Technol. 2023, 415, 118144. [Google Scholar] [CrossRef]
- Li, J.; Li, X.; Wang, W.; Wang, X.; Lu, S.; Sun, J.; Mao, Y. Investigation on removal effects and condensation characteristics of condensable particulate matter: Field test and experimental study. Sci. Total Environ. 2021, 783, 146985. [Google Scholar] [CrossRef]
- Yang, W.; Pudasainee, D.; Gupta, R.; Li, W.; Wang, B.; Sun, L. Particulate matter emission during municipal solid waste combustion: Submicron particulates formation mechanism. Fuel 2022, 310, 122271. [Google Scholar] [CrossRef]
- Yang, Z.; Zheng, C.; Liu, S.; Guo, Y.; Liang, C.; Wang, Y.; Hu, D.; Gao, X. A combined wet electrostatic precipitator for efficiently eliminating fine particle penetration. Fuel Process. Technol. 2018, 180, 122–129. [Google Scholar] [CrossRef]
- Bin, H.; Lin, Z.; Yang, Y.; Fei, L.; Cai, L.; Linjun, Y. PM2.5 and SO3 collaborative removal in electrostatic precipitator. Powder Technol. 2017, 318, 484–490. [Google Scholar] [CrossRef]
- Huang, Y.-M.; Huang, S.-H.; Lin, C.-W.; Yang, H.-H.; Chen, C.-C. Evaluation of Bias in the Measurement of Condensable Particulate Matter with Method 202. Aerosol Air Qual. Res. 2021, 21, 200149. [Google Scholar] [CrossRef]
- Fujitani, Y.; Sato, K.; Tanabe, K.; Morino, Y.; Takahashi, K.; Hoshi, J. Characteristics of different volatility classes of organic compounds emitted by a municipal solid waste incineration plant. Atmos. Environ. X 2023, 17, 100197. [Google Scholar] [CrossRef]
- Ott, W.R.; Zhao, T.; Cheng, K.-C.; Wallace, L.A.; Hildemann, L.M. Measuring indoor fine particle concentrations, emission rates, and decay rates from cannabis use in a residence. Atmos. Environ. X 2021, 10, 100106. [Google Scholar] [CrossRef]
- Yuan, C.; Su, S.; Xu, R.; Liang, S.; Cheng, H.; Yao, Z.; Jiang, L.; Wang, Z. Effect of wet flue gas desulfurization on the concentrations and component profiles of condensable particulate matter from ultralow emission coal-fired power plants. Atmos. Pollut. Res. 2022, 13, 101376. [Google Scholar] [CrossRef]
- Li, J.; Qi, Z.; Li, M.; Wu, D.; Zhou, C.; Lu, S.; Yan, J.; Li, X. Physical and Chemical Characteristics of Condensable Particulate Matter from an Ultralow-Emission Coal-Fired Power Plant. Energy Fuels 2017, 31, 1778–1785. [Google Scholar] [CrossRef]
- Yang, H.-H.; Gupta, S.K.; Dhital, N.B.; Lee, K.-T.; Hsieh, Y.-S.; Huang, S.-C. Establishment of Indicatory Metals for Filterable and Condensable PM2.5 Emitted from Important Stationary Emission Sources. Energy Fuels 2019, 33, 10878–10887. [Google Scholar] [CrossRef]
- Dziubak, T. Experimental research on separation efficiency of aerosol particles in vortex tube separators with electric field. Bull. Pol. Acad. Sci. Tech. Sci. 2020, 68, 503–516. [Google Scholar] [CrossRef]
- Maćkowiak, A.; Kostrzewski, M.; Bugała, A.; Chamier-Gliszczyński, N.; Bugała, D.; Jajczyk, J.; Woźniak, W.; Dombek, G.; Nowak, K. Investigation into the Flow of Gas-Solids during Dry Dust Collectors Exploitation, as Applied in Domestic Energy Facilities—Numerical Analyses. Eksploat. I Niezawodn.-Maint. Reliab. 2023, 25, 174095. [Google Scholar] [CrossRef]
- Liu, W.; Zhao, B.; Feng, Q.; Zhou, Z.; Lu, J. Synergistic Effect of Multi-field Force on Condensable Particulate Matter Properties and Behavior in Flue Gas: A Case Study in a Municipal Solid Waste Incineration Plant. Aerosol Air Qual. Res. 2023, 23, 220217. [Google Scholar] [CrossRef]
- Yang, H.-H.; Arafath, S.M.; Wang, Y.-F.; Wu, J.-Y.; Lee, K.-T.; Hsieh, Y.-S. Comparison of Coal- and Oil-Fired Boilers through the Investigation of Filterable and Condensable PM2.5 Sample Analysis. Energy Fuels 2018, 32, 2993–3002. [Google Scholar] [CrossRef]
- Cao, Q.m.; Wang, H.; Qin, J.q.; Chen, G.z.; Zhang, Y.b. Partitioning of PAHs in pore water from mangrove wetlands in Shantou, China. Ecotoxicol. Environ. Saf. 2015, 111, 42–47. [Google Scholar] [CrossRef]
- Liu, X.; Xu, Y.; Zeng, X.; Zhang, Y.; Xu, M.; Pan, S.; Zhang, K.; Li, L.; Gao, X. Field Measurements on the Emission and Removal of PM2.5 from Coal-Fired Power Stations: 1. Case Study for a 1000 MW Ultrasupercritical Utility Boiler. Energy Fuels 2016, 30, 6547–6554. [Google Scholar] [CrossRef]
- Xu, J.; Zhang, J.; Yu, Y.; Meng, Q.; Zhong, H. Characteristics of Vapor Condensation on Coal-Fired Fine Particles. Energy Fuels 2016, 30, 1822–1828. [Google Scholar] [CrossRef]
- Zhou, Z.; Lu, J.; Jin, Y. Influence factors and mechanism of typical slurry ions and operating conditions on SO3 scrubbing characteristics in simulated desulfurized flue gas of coal-fired power plants. Fuel 2023, 333, 126287. [Google Scholar] [CrossRef]
- Ramifehiarivo, N.; Barthès, B.G.; Cambou, A.; Chapuis-Lardy, L.; Chevallier, T.; Albrecht, A.; Razafimbelo, T. Comparison of near and mid-infrared reflectance spectroscopy for the estimation of soil organic carbon fractions in Madagascar agricultural soils. Geoderma Reg. 2023, 33, e00638. [Google Scholar] [CrossRef]
- Zhang, F.; Yang, L.; Sheng, Z.; Wu, T.; Hu, T. Study on the characteristics of sulfate ion in condensable particulate matter from ultra-low emission coal-fired power plants. J. Clean. Prod. 2023, 383, 135392. [Google Scholar] [CrossRef]
- Zhao, Z.; Liu, S.; Wang, Z.; Zhu, X.; Zhang, L.; Zhang, Q. Effect of ash in biodiesel combustion particulate matter on the oxidation characteristics of carbon soot. J. Energy Inst. 2022, 105, 262–272. [Google Scholar] [CrossRef]


















| Solution Variables | Corona Electrode | Tubular Collection Electrode | Other Boundaries |
|---|---|---|---|
| Voltage | 0 | ||
| Charge density |
| Operating Condition | Parameter |
|---|---|
| Basic Parameters | Inlet flue gas flow 720 m3/h Air density 1.225 kg/m3 Particle viscosity 1.721 × 10−5 Pa·s Flue gas temperature 140 °C Density 1.225 kg/m3 Inlet particle concentration 100 mg/m3 50% of the particles in the flue gas is conventional 1–10 μm particulate matter 50% is 0–1 μm SO3 particles |
| Temperature field (A1) | Wall temperatures of 20 °C, 30 °C, 40 °C |
| Electric field (A2) | The electric field strength of 10 KV, 15 KV, 20 KV |
| Multi−field (A3) | Comprehensive optimal parameters |
| Sampling Point | Temperature (°C) | Sampling Time (min) | Flow Rate (m/s) |
|---|---|---|---|
| Waste incineration plant | 155 | 30 | 11 |
| Coal−fired power plant | 110 | 30 | 10 |
Disclaimer/Publisher’s Note: The statements, opinions and data contained in all publications are solely those of the individual author(s) and contributor(s) and not of MDPI and/or the editor(s). MDPI and/or the editor(s) disclaim responsibility for any injury to people or property resulting from any ideas, methods, instructions or products referred to in the content. |
© 2024 by the authors. Licensee MDPI, Basel, Switzerland. This article is an open access article distributed under the terms and conditions of the Creative Commons Attribution (CC BY) license (https://creativecommons.org/licenses/by/4.0/).
Share and Cite
Liu, W.; Zhang, X.; Zhou, Z.; Lu, J. The Behavior and Removal of Condensable Particulate Matter in Flue Gas in a Multi-Field Force: A Modeling and Experimental Study. Atmosphere 2024, 15, 250. https://doi.org/10.3390/atmos15030250
Liu W, Zhang X, Zhou Z, Lu J. The Behavior and Removal of Condensable Particulate Matter in Flue Gas in a Multi-Field Force: A Modeling and Experimental Study. Atmosphere. 2024; 15(3):250. https://doi.org/10.3390/atmos15030250
Chicago/Turabian StyleLiu, Wenting, Xinde Zhang, Zhiyong Zhou, and Jianyi Lu. 2024. "The Behavior and Removal of Condensable Particulate Matter in Flue Gas in a Multi-Field Force: A Modeling and Experimental Study" Atmosphere 15, no. 3: 250. https://doi.org/10.3390/atmos15030250
APA StyleLiu, W., Zhang, X., Zhou, Z., & Lu, J. (2024). The Behavior and Removal of Condensable Particulate Matter in Flue Gas in a Multi-Field Force: A Modeling and Experimental Study. Atmosphere, 15(3), 250. https://doi.org/10.3390/atmos15030250

