Next Article in Journal
Comparative Efficiency of Nitrogen Fertilization Levels in Two Sorghum Hybrids for Bioenergy Production
Previous Article in Journal
Assessing Germplasm Variation and Tolerance Thresholds of Bermudagrass (Cynodon dactylon) to Neutral and Alkaline Salt Stress in Ecological Restoration
 
 
Font Type:
Arial Georgia Verdana
Font Size:
Aa Aa Aa
Line Spacing:
Column Width:
Background:
Article

Design and Testing of an Inter-Toothed, Self-Propelled Digger for Deep-Rhizome Chinese Herbal Medicines

1
College of Mechano-Electronic Engineering, Gansu Agricultural University, Lanzhou 730070, China
2
Mechanized Agriculture Technology Popularization Station of Gansu Province, Lanzhou 730046, China
3
Texas A&M University Corpus Christi, Corpus Christi, TX 78412, USA
*
Author to whom correspondence should be addressed.
Agronomy 2024, 14(9), 2024; https://doi.org/10.3390/agronomy14092024
Submission received: 27 July 2024 / Revised: 31 August 2024 / Accepted: 2 September 2024 / Published: 5 September 2024
(This article belongs to the Section Precision and Digital Agriculture)

Abstract

To address the challenges of digging deep-rhizome Chinese herbal medicines in northwest China’s hilly terrain, including difficulty, incompleteness, and herb damage, a specialized self-propelled digger with interlocking teeth has been developed. Designed for complex topography, small fields, and resistant soil, this digger provides an efficient and precise alternative to traditional methods. The prototype features in-place reverse differential steering, 360-degree digging capability, and minimized root and soil damage to promote future planting. Key components, including the digging mechanism, vibratory system, crawler chassis, hydraulic transmission system, and worm gear rotary hydraulic reducer, were analyzed and optimized through theoretical, graphical, and simulation studies using RecurDyn. Field tests demonstrated the digger’s effectiveness, achieving depths exceeding 600 mm with minimal herb damage and loss. The digger successfully navigated steep slopes and operated within noise regulations, surpassing industry standards, with less than 1.4% herb damage and a loss rate under 3%. The digger was capable of ascending gradients over 20° with driver noise levels below 92 dB. This innovative solution offers a valuable reference for developing specialized diggers for harvesting traditional Chinese medicinal materials in challenging conditions.

1. Introduction

Chinese herbal medicines represent a unique and economically valuable crop in China, contributing significantly to farmers’ income. Demonstrating efficacy in treating COVID-19 during the 2020–2022 pandemic, Traditional Chinese medicine (TCM) was used by 74,187 of the confirmed cases nationwide, accounting for 91.5% [1,2]. With growing public awareness of health benefits, the demand for herbal medicines and their derivatives is increasing. Annually, more farmers are cultivating rhizome-type Chinese herbal medicines. Gansu Province, a prominent producer of Chinese medicinal materials in China, boasts a cultivation area of approximately 313,000 hectares, constituting 20% of the national total. Notably, astragalus and codonopsis production in this region accounts for over 90% of the national total, contributing more than 50% to farmers’ per capita net income [3].
Internationally, the cultivation of Chinese herbal medicines remains relatively rare, and research into mechanizing the harvesting of rhizome-type varieties is limited. Most research has primarily focused on the mechanized harvesting of root and tuber crops such as potatoes, peanuts, and carrots. Countries like the United States and Japan have made substantial early investments in this field, yielding significant advancements. For instance, in the United States, Kang and Dawelbeit developed a vibrational low-resistance dig model for potatoes and peanuts. In Japan, the Kubota Corporation introduced the CH-201C carrot combine harvester capable of digging up to 300 mm in depth [4].
China is at the forefront of the global arena in the cultivation and consumption of Chinese medicinal materials, with scholars actively innovating in harvesting technology. Notable efforts include the development of the 4B-1200 model Fritillary Bulb Harvester by scholars Song Jiang, Qiu Shenglan, and Wang Xinzhong. This machine integrates a digging shovel, a vibrating screen, and a soil-separating mechanism to efficiently harvest Fritillary bulbs with a digging depth of 60 to 80 mm [5]. Subsequently, Song Jiang, Liu Lihua, Wang Mi, and Zhang Jia improved this model by addressing agility issues and soil clumping due to high moisture content, redesigning it with a double-layer vibrating screen featuring a reciprocating motion [6].
The Gansu Provincial Agricultural Mechanization Technology Extension Station, in collaboration with the Dingxi City Agricultural Mechanization Technology Extension Station, developed the 4WGX-120/150 model rhizome-type medicinal material digger, which achieves digging depths of 400 to 500 mm [7]. The Yuanhu harvester, designed by Zhu Haojie, integrates a multi-stage flexible soil-crushing device for medicinal material separation and uses simulation analysis to gauge the damage rate. Additionally, the 4Y-1200 model medicinal material harvester, innovated by Zhang Wenjie of Gansu Agricultural University, features a three-stage planar combination shovel capable of digging depths from 0 to 500 mm. This state-of-the-art machine performs comprehensive operations for deep-rhizome Chinese medicinal materials such as Astragalus, Red Astragalus, and Licorice, including digging, soil removal, separation, transportation, and centralized stacking. However, it has been noted that the harvester is associated with a higher damage rate [8].
Despite their utility, current rhizome-type Chinese herbal medicine harvesters have several flaws. Their adaptability to diverse regions and medicinal materials is limited, sometimes failing to achieve the necessary dig depths for commercial-grade specifications. These harvesters are characterized by high traction resistance and underutilization of engine power. Additionally, issues such as insufficient dig depth, substantial dig resistance, and severe energy loss further complicate the harvesting of deep-rhizome Chinese herbal medicines [9,10,11,12]. To address these issues, considering the specific agricultural needs for deep-rhizome Chinese herbal medicines and the diverse conditions of excavation environments, this paper introduces the design of a self-propelled geared excavator tailored for these medicines. Through meticulous analysis and optimization of key parameters, along with comprehensive field trials, the excavator has been refined to meet both national and industry standards, thus offering a valuable reference for the design of excavators intended for deep-rhizome Chinese herbal medicines.

2. Materials and Methods

Figure 1 shows the design roadmap for this article.

2.1. Overall Structure

The inter-toothed self-propelled digger for deep-rhizome Chinese herbal medicines comprises several key systems: a power transmission system, a hydraulic transmission system, a track driving system, a medicinal material digging mechanism, and a machine frame. The power transmission system is powered by a diesel engine, an AC generator, and a battery pack. The hydraulic system includes hydraulic cylinders, hydraulic control valve blocks, a hydraulic oil tank, an air-cooled radiator, a hydraulic motor, a worm gear rotation hydraulic speed reducer, and a hydraulic pump. The track driving system features a herringbone track, gears, idlers, and a track frame. The medicinal material digging mechanism consists of digging tools, lifting frames, opening and closing frames, and a vibrator. Figure 2 displays the overall structure of the machine, showing the integration of these systems.

2.2. Working Principle

The inter-toothed and self-propelled digger for deep-rhizome Chinese herbal medicines is powered by a diesel engine that activates the hydraulic system, which is responsible for precise power transmission. This hydraulic system supplies the necessary pressure to both the track driving and digging mechanisms. As the machine approaches the digging site, a hydraulic speed reducer adjusts the frame’s rotation to align the digging tools precisely.
The digging mechanism, equipped with a lifting frame, an opening and closing frame, digging tools, and a vibrator, penetrates the soil. The vibrator loosens the soil, minimizing resistance for the tools. Upon reaching the desired depth, the hydraulic system coordinates a simultaneous flipping and vibrating action to separate medicinal materials from the soil, efficiently completing the dig.
The process can be summarized into five steps: insertion, shaking, flipping, lifting, and vibrating. Detailed key performance and structural specifications of this digger are provided in Table 1.

3. Results and Discussion

3.1. Dig Assembly

Deep-rhizome Chinese herbal medicines typically grow at depths ranging from 40 to 50 cm, with some reaching depths of up to 60 cm, which presents significant challenges for digging. The dig unit, central to the herbal medicine digger, plays a critical role in the digging process and directly impacts yield quality. Commonly used dig units include vibratory shovels, disc cutters, and hybrid combinations. While vibratory shovels and disc cutters effectively penetrate and crush soil, they can damage herbal medicines and require high power consumption [13,14,15]. In contrast, the inter-toothed dig unit, featuring 16 digging tools at the machine’s forefront, employs a progressive kneading method. This approach not only deepens the dig but also significantly reduces digging resistance. The inter-toothed design demonstrates strong adaptability to various soil types, improving medicinal material quality while minimizing resistance during digging between planting rows or among individual plants, thus reducing herbal medicine injury rates.
Manual digging of Chinese herbal medicines traditionally utilizes a sturdy iron fork, aligning with ergonomic principles to ensure efficient digging with minimal energy expenditure. In this study, the digging device mimics the manual digging motion akin to using an iron fork, aiming to achieve high-quality work with minimal power consumption for the inter-toothed self-propelled digger of deep-rhizome Chinese herbal medicines. To accurately replicate manual digging, the study filmed and analyzed the trajectory of these herbal medicine digging movements, as illustrated in Figure 3.
The manual digging process involves three main stages: soil insertion, where the fork is placed into the ground nearly perpendicular to the surface, typically at an angle of approximately 85° to 90°; soil loosening, where the fork pivots at the soil contact point to rotate and loosen the earth; and separation of the medicinal materials from the soil, achieved by moving the soil forward, vibrating it for loosening, and then lifting and tossing the medicinal materials with the fork’s tines.
To replicate the trajectory of the iron fork tip during manual dig with the inter-toothed and self-propelled digger for deep-rhizome Chinese herbal medicines, it is crucial to analyze the fork tip’s movement through these three critical stages: insertion into the soil, loosening the soil by pressing backward, and separating the medicinal materials. Typically, the iron fork used in manual digging measures about 300 mm in length.
To determine the trajectory of the fork tip during the manual dig of medicinal herbs, a mathematical curve fitting method was employed to extract the path. Thirty data points were collected and imported into Origin 2021 software. A curve fitting tool was then applied to these data points, utilizing a ninth-degree polynomial to enhance the precision of the fit. This process resulted in the curve depicted in Figure 4. The equation of the fitted curve is detailed below: f ( x ) = 17.5 27.91 x + 0.92 x 2 0.015 x 3 2.53 x 4 15.56 x 5 5.92 x 6 18.69 x 7 6.99 x 8 22.07 x 9 .
Following ergonomic dig principles, the structure of the medicinal material dig mechanism is meticulously designed to emulate the manual digging actions of insertion, shaking, flipping, lifting, and vibrating, as illustrated in Figure 5a. This mechanism incorporates hydraulic cylinders, an opening and closing frame, lifting frames, a vibrator, and medicinal digging tools. In adherence to agricultural standards, the operational width is intentionally set wider than typical row spacing, specifically at 1000 mm, with 16 tools evenly distributed across this width. This arrangement is strategically optimized to maximize the spacing between tools, thereby minimizing soil resistance during penetration. Importantly, this optimization does not compromise the completeness or quality of the medicinal material dig, thereby ensuring efficient and thorough harvesting.
This design adopts a simulated manual dig approach for harvesting deep-rhizome Chinese herbal medicines. Upgraded from a shovel to an inter-toothed configuration, the machine is compact and user-friendly. This innovation addresses the challenges posed by large machinery in the small plots typical of deep-rhizome Chinese medicinal material cultivation in the hilly and mountainous regions of northwest China, as well as the inefficiencies of manual digging. The inter-toothed structure reduces soil penetration resistance and enhances soil-breaking capabilities, thereby improving dig efficiency. Additionally, compared to traditional shovel digging, this design is simpler and results in a lower damage rate.
Figure 5b presents a simplified diagram of the medicinal material dig mechanism, where point O serves as the origin. The Cartesian coordinate system (OXY) is defined with the horizontal direction aligned along the X-axis and the vertical direction along the Y-axis.
Based on the depth of growth, rhizomes are classified into shallow (less than 20 cm), medium (20 to 40 cm), and deep (greater than 40 cm) types [16]. As a result, L5 is designated with a value of 750 mm. Drawing from the analysis of manual operations, a design for a detachable and interchangeable medicinal material dig tool is derived. The initial step involves calculating the degrees of freedom F of the crank lever soil-digging mechanism [17]:
F = 3 n 2 P L P H
where n is the total number of moving links, PL is the number of lower pairs, and PH is the number of higher pairs of the digging mechanism.
The vector equations of the digging mechanism are as follows:
B C + C D = B D
B C + C D = B A 1 + A 1 A 2 + A 2 D
The corresponding projection equations along the X-axis and Y-axis are as follows:
L 3 cos π θ 2 L 4 sin 3 π 2 θ 2 θ 3 = L 2 + A 2 D L 3 sin π θ 2 L 4 cos 3 π 2 θ 2 θ 3 = A 1 A 2
where L1, L3, and A1A2 are the lengths of the moving components and L3 is the input link.
Given the initial overall machine dimensions of A 1 A 2 = 740 mm, to maximize the displacement of L4 along the x and y axes while keeping the sizes as compact as possible, Equation (4) was used for iterative calculations, resulting in the determination of link-lengths L2 = 360 mm, L4 = 300 mm, and A 2 D = 230 mm.
Analysis of the movement of L3 reveals that at its maximum extension, θ3 reaches 185°, resulting in L3 measuring 785 mm. Conversely, when θ4 is at its minimum angle of 100°, L3 measures 451 mm. Consequently, hydraulic cylinder 3 is designed with a travel distance ranging from 0 to 334 mm and an overall length of 451 mm.
Considering that L5 is fixed at 750 mm, the stroke of hydraulic cylinder 2 is set to span from 0 to 750 mm. The optimal dig configuration for the inter-toothed self-propelled deep-rhizome Chinese medicinal material digger occurs when the swing frame is in close proximity to the machine frame. At this juncture, hydraulic cylinder 1 is at its shortest length of 310 mm. To facilitate the transportation of excavated medicinal materials to a distance for easy collection without hindering subsequent operations, the swing frame is designed to maintain a 45° angle with respect to the horizontal direction. When θ1 is 100°, hydraulic cylinder 1 reaches its maximum length of 450 mm.
The hydraulic cylinders are specified as follows: hydraulic cylinder 1 (∅60/310–450 mm), hydraulic cylinder 2 (∅30/0–750 mm), and hydraulic cylinder 3 (∅40/0–334 mm).
After careful calculation, the pertinent parameters and their descriptions are listed in Table 2 below.

3.2. Hydraulic Transmission System

The hydraulic transmission system, illustrated in Figure 6, comprises distinct circuits: the left track hydraulic motor circuit, right track hydraulic motor circuit, linear hydraulic cylinder circuit for the medicinal material dig mechanism, and hydraulic reduction gear rotation circuit. The engine drives the hydraulic pump, which supplies pressurized oil to these closed circuits. This oil flows through one-way valves and manual shift valves. Forward movement of both manual shift levers causes the hydraulic motors to rotate clockwise, propelling the track chassis forward. Conversely, pulling the levers backward initiates counterclockwise motor rotation for reverse movement. Changes in direction are managed by adjusting the operation of the left and right manual shift valves. A speed control valve allows adjustable speeds for both forward and reverse motions. Additionally, the hydraulic system includes an overflow brake valve. When the manual shift lever is centered, pressurized oil returns to the tank through the manual shift valve, preventing motor rotation and acting as a brake. This comprehensive system regulates track movement, speed adjustments, steering, lifting of the frame, forward motion of the swing frame, and dig operations, ensuring precise control over the digger’s functionalities.
The hydraulic system’s speed control circuit is driven by a diesel engine that powers the hydraulic pump, regulating the operating speed. The engine’s output torque ranges from 120 to 200 N-m, with a rotational speed of approximately 2200 r/min. The flow rate Q of the hydraulic pump is as follows:
Q = n V η v
where V is the displacement of the hydraulic pump, n is the engine output rotation speed, ηv is the efficiency of the hydraulic pump.
Based on Equation (5), the pump selected was a CBW-F316 type hydraulic pump, which has a maximum pressure of 25 MPa, a nominal displacement of 16 mL/r, a stable rotation speed of 2500 r/min, and a mass of 2.9 kg. The flow rate of the hydraulic motor is as follows:
V m = 2 π M m / ( P m η m )
where Mm is the torque of the hydraulic motor, Pm is the pressure of the hydraulic motor, and ηm is the mechanical power of the hydraulic motor, taken as 0.9.
Based on the calculation from Equation (6), the required displacement of this motor is approximately 210 mL/r. According to actual requirements, the design has selected a BM6-490-type gerotor hydraulic motor (Like hydraulic, Jining, China), with the main parameters shown in Table 3.

3.3. Track Walking System

The optimal choice for the walking mechanism is the herringbone pattern rubber track system, comprising tracks, driving sprockets, idler wheels, carrier rollers, and a tensioning assembly [18,19], as illustrated in Figure 7a. This entire track system is driven by a gerotor hydraulic motor. The drive sprocket engages with the track, and tension is maintained by idler wheels. Two sets of parallel idler wheels on either side allow for precise track tension adjustment, ensuring stable movement across various terrains. The hydraulic motor enables the system to perform a full 360-degree rotation in place. Key structural parameters for the track design include pitch, width, ground contact length, driving sprocket pitch diameter, and support roller pitch diameter.
The pitch of the crawler track is determined by the design of the overall machine quality [20,21,22]. Based on Formula (7), the pitch t0 (in mm) of the crawler track is obtained:
t 0 = ( 12 ~ 14.5 ) m 4
where m is the overall machine mass, equal to 1200 kg.
Based on Formula (8), the width b of the crawler plate is obtained:
b = ( 0.9 ~ 1.3 ) × 209 10 3 m 3
According to Formula (9), the relationship between the ground contact length (L) of the crawler track and the width b of the crawler plate can be determined:
L = b λ
where λ is a proportionality coefficient set to 0.185.
Using Formula (10), the track gauge B of the crawler is obtained:
B = ( 3.5 ~ 4.5 ) b
Selecting a driving wheel with 13 teeth, the pitch circle diameter Dk of the driving wheel can be calculated with the following:
D k = t 0 / sin 180 ° Z
The tensioning wheel is installed at the front end of the crawler unit to prevent the crawler from deviating and falling off. By using Formula (12), the diameter Dt of the tensioning wheel can be determined.
D t = ( 0.8 ~ 0.9 ) D k
The crawler features five road wheels that are supported by multiple points and evenly distributed at the bottom of the track. The pitch circle diameter of the road wheels is as follows:
d z = ( 0.5 ~ 1 ) D t
The main parameters of the crawler travel system calculated using Formulas (7)–(13) are shown in Table 4.
During operation, the crawler drive wheel engages and rotates with the crawler track, enabling the walking operation of the self-propelled deep-root Chinese herbal medicine digger with insertion teeth. The driving force Fk (in Newtons) delivered to the chassis of the machine can be calculated with the following:
F k = T k / R k
where Tk is the torque of the gerotor hydraulic motor, equal to 1878 N-m, and Rk is the drive wheel radius in m. The calculated driving force is approximately 13,414 N.
On a horizontal surface, the rolling resistance of the crawler track can be estimated with the following:
F f = f G
where G is the overall weight of the machine (equal to 11,760 N) and f is the rolling resistance coefficient (equal to 0.08).
The climbing resistance Fp of the crawler track on a slope of angle θ is as follows:
F p = G sin θ
The internal resistance Fn of the crawler track is as follows:
F n = f n G
where fn is the internal resistance coefficient, assumed to be equal to 0.7.
The total driving resistance is the sum:
F k = F f + F p + F n
The driving power Pq of the crawler track when moving at maximum speed Vmax is as follows:
P q = F k V m a x
Using the above equations, depending on the amount of rolling resistance, the maximum climbing angle ranges between 21° and 27°.
The minimum turning radius is a crucial performance indicator for the self-propelled and deep-rhizome Chinese medicinal material digger with tooth insertion, allowing for quick turns both in the field and at the end of the plot during operation. During the turning process, reverse differential steering is used, with the gerotor hydraulic motors rotating forward and reverse separately, to achieve in-place turning.
Assuming that the crawler chassis’ minimum turning radius is satisfied under the condition of no slippage or skidding of the tracks, the minimum turning radius of the crawler chassis can be calculated with the following (see Figure 7b):
R = 0.5 B ( ν 1 + ν 2 ) / ( ν 1 ν 2 )
where B is the track distance, ν 1 is the left track linear velocity, and ν 2 is the right track linear velocity.
The calculated minimum turning radius of the crawler chassis is 900 mm, and the theoretical ground contact length is 1386 mm. When using reverse differential steering for turning, the turning radius of the single track is 693 mm. Figure 8 illustrates the actual turning radius of the single track.

3.4. Simulation Analysis of Driving Performance

RecurDyn2023 software was utilized to model and analyze the tracked walking system [23]. Since the tracked walking chassis in this design is a low-speed vehicle, the Track-LM toolkit in RecurDyn2023 was used to construct the kinematic model of the fully hydraulic tracked chassis. Due to their geometric complexity, the engine, digging mechanism, hydraulic cylinders, hydraulic control valve blocks, hydraulic oil tank, air-cooled radiator, hydraulic motor, gear reducer, and hydraulic pump were modeled using SolidWorks2022. These models were then saved in x_t format and imported into RecurDyn2023 (see Figure 9).
The condition of the walking surface, crucial for determining the driving characteristics of the fully hydraulic tracked chassis, was simulated using the Ground module within the software. Models were created to represent both soft and hard surfaces, each with a 20° slope, allowing for the simulation and testing of stability during straight-line travel and climbing maneuvers. The results of these simulations, depicting the vehicle’s states during these operations, are illustrated in Figure 10.
A multi-body dynamic simulation was performed of the tracked walking system of the inter-toothed and self-propelled deep-rhizome Chinese medicinal material digger. The simulation aimed to analyze its movement on both hard and clay surfaces. Specifically, the walking drive wheel angular velocity was set at 3.7 rad/s, with a total driving time of 10 s. During this period, the vehicle operated on a flat surface for the initial 7 s, followed by a 20° slope for the remaining 3 s.

3.4.1. Driving Wheel Torque

Figure 11 depicts the torque variation over time for the driving wheels when the tracked walking system of the herb digger traverses both soft and hard surfaces. Initially, there is a higher torque demand as the tracked system starts moving, with peaks reaching approximately 1386 N·m on soft surfaces and 750 N·m on hard surfaces. This initial demand arises from the need to overcome static friction and accelerate the vehicle [23]. On soft surfaces, where there is greater subsidence, the torque requirement is higher due to increased static friction, leading to elevated peak values.
As the system stabilizes during steady travel on level ground, the average torque decreases to approximately 111 N·m on hard surfaces and 162 N·m on soft surfaces. When the vehicle transitions to climbing, the average torque increases to around 416 N·m on hard surfaces and 273 N·m on soft surfaces. These findings highlight that, while torque variation remains modest during straight-line movement, climbing demands significantly higher torque on hard surfaces to propel the tracked chassis effectively.

3.4.2. Horizontal Velocity of the Center of Mass

The variation in the centroid’s horizontal speed over time when the crawler travel system of the digger operates on hard and soft surfaces is depicted in Figure 12. Upon initiation, the speed rapidly reaches the set target within one second, showcasing its precise movement capabilities. Following this, there are slight fluctuations for a few seconds before the speed gradually stabilizes. According to the curve analysis, during consistent horizontal travel, the speed fluctuation on soft road surfaces is less pronounced compared to hard surfaces. Nonetheless, on both surfaces, the average speed remains stable, fluctuating within the expected range of 0.6 m/s.
After 7 s of operation on a horizontal surface, the digger begins ascending a slope, resulting in a decline in speed. By the 9 s mark of climbing, the digger reaches a stable phase, yet the speed fluctuations become notable, with an average speed varying within the range of 0.58 m/s. These variations are due to the physical properties of the soil and the tendency of the vehicle to slip [24]. It is noteworthy that throughout these maneuvers, the overall average speed of the digger remains within the design specification of 0.6 m/s, indicating a relatively high level of operational stability.

3.4.3. Vertical Acceleration of the Centroid

The variation in the vertical acceleration of the center of mass over time when the herb digger’s tracked walking system operates on both soft and hard surfaces is depicted in Figure 13. On hard surfaces, the vertical acceleration of the center of mass shows significant fluctuations at startup before stabilizing to a smoother state. In contrast, on soft surfaces, the curve of vertical acceleration fluctuates less at startup and maintains a more consistent pattern thereafter.
This indicates that the tracked chassis of the herb digger experiences poorer ride smoothness on hard surfaces, particularly during acceleration. Therefore, strict control of travel speed is necessary when operating on hard surfaces to ensure optimal smoothness and stability of the tracked chassis [25].

3.4.4. Deviation

The variation curve of lateral deviation over time when the herb digger’s tracked walking system travels on both soft and hard surfaces is depicted in Figure 14. The left and right drive wheels of the tracked chassis, operating at identical speeds, exhibit a certain degree of slip, causing the tracked chassis to deviate from its intended path. The curve shows that during straight-line travel on both surfaces, the lateral deviation on hard surfaces is greater compared to soft surfaces, albeit with relatively less vibration. As time progresses, the lateral deviation gradually increases.
The travel speed of the tracked chassis is approximately 0.61 m/s. After traveling for 7 s on a flat, hard surface, the final lateral deviation reaches 183 mm, which extrapolates to a 100 m deviation of 4.26 m, equating to a deviation rate of 4.26%. On a level, soft surface, the lateral deviation after 7 s measures 165 mm, resulting in a calculated 100 m lateral deviation of 3.84 m, with a deviation rate of 3.84%. As climbing begins on both soft and hard surfaces after 7 s, the rate of deviation slows down, with more pronounced variations observed on hard surfaces. This is due to the increased reaction force on the tracks during initial climbing on hard surfaces, leading to reduced stability. However, once the climb stabilizes, the average deviation tends towards zero.
The straightness assessment of the fully hydraulic tracked chassis conforms to the standards outlined in General Technical Conditions for Agricultural Tractors Part 4: Tracked Tractors, which stipulates that the 100 m deviation on dry, hard, level surfaces with slopes not exceeding 1% should not exceed 6 m [26]. Based on the simulation results, the lateral stability of the tracked chassis meets these design requirements.

3.4.5. Pitch Angle

When the herb digger’s tracked walking system travels on both soft and hard surfaces, the variation curves of the center of mass pitch angle over time are illustrated in Figure 15. Analysis of these curves reveals that the pitch angle of the tracked chassis is more pronounced on soft surfaces compared to hard surfaces. This indicates that traveling on soft surfaces induces greater undulations, leading to higher pitch angles. Consequently, it is essential to implement speed control measures that mitigate excessive pitch angles during operation on soft surfaces.

3.5. Simulation Analysis of In-Place Steering Performance

The simulation analysis primarily focuses on the in-place steering performance of the herb digger’s tracked walking system on both soft and hard surfaces. In both simulations, the speed is set to 0.61 m/s, and the fully hydraulic tracked chassis executes reverse differential steering at this constant speed over a duration of 10 s.

3.5.1. Yaw Rate

The yaw rate variation curve over time for the digger’s tracked walking system during in-place turning on both soft and hard surfaces is shown in Figure 16. The time taken for the yaw rate to stabilize during the steering motion of the tracked chassis reflects its maneuvering stability. Analysis of the curve indicates that when the tracked chassis performs in-place differential steering at the same speed on different surfaces, the yaw rate quickly reaches a stable state, indicating stable steering. The yaw rate values fluctuate slightly around the stable value, which is influenced by track slippage. Notably, the curve shows that the yaw rate is higher when turning on soft surfaces due to soil accumulation beside the tracks. From 0 to 1 s, the lower speed indicates better maneuvering stability of the tracked chassis.

3.5.2. Lateral Acceleration and Turning Radius

To mitigate rollover risks during tracked chassis steering, we conducted a simulation analyzing lateral acceleration. Figure 17 displays the curve depicting lateral acceleration variations over time for the herb digger’s tracked walking system during in-place turns on both soft and hard surfaces. Steering stability is predominantly indicated by lateral acceleration; exceeding critical values increases the likelihood of rollover for the fully hydraulic tracked chassis. The figure illustrates that on hard surfaces, lateral acceleration remains relatively stable, suggesting robust steering stability. Conversely, on soft surfaces, lateral acceleration fluctuates significantly. Therefore, achieving optimal maneuvering stability during in-place turns requires ensuring the steering radius does not fall below the minimum turning radius, reducing steering speed, and opting for firmer surfaces.
Figure 18 illustrates the turning radius trajectory of the herb digger’s tracked walking system during in-place turning. The diagram shows that during in-place turns, the turning trajectory exhibits minor fluctuations attributed to track slippage. Nevertheless, the in-place differential steering remains consistently stable.

3.6. Field Test

Figure 19 illustrates the agronomic planting model for deep-rhizome herbal medicines. These herbs are cultivated in ridges with heights ranging from 100 to 200 mm. The planting configuration includes a minimum row spacing of 300 mm, ridge widths spanning from 1100 to 1800 mm, furrow widths between 400 and 500 mm, and a plant spacing of 30 to 40 mm. A minimum digging depth of 400 mm is required. To form the ridges, soil is dug to a depth of 50 to 90 mm and turned over onto the furrow, creating a flat-bottomed groove in the ridge cross-section. Organic fertilizer, spread evenly at a depth of 20 to 60 mm, is placed in this groove, followed by covering it with a 20 mm layer of fine soil. The soil surface is then compacted and leveled before planting the seedlings in the groove, ensuring their roots are covered with soil from the furrow.
The field performance validation test of the inter-toothed and self-propelled deep-rhizome herbal medicine digger was carried out at the Northwest Traditional Chinese Medicine Full Mechanization Research Base. The experimental setup consisted of single-ridge double rows, with a ridge spacing of 40 cm, ridge height of 15 cm, mulch width of 40 cm, plant spacing set at 30 mm, and row spacing at 30 cm. The test soil, characterized as loess with a moisture content of 20% and soil firmness of 2.04 MPa, was used. Post-operation, the performance of the inter-toothed and self-propelled deep-rhizome herbal medicine digger was evaluated according to the industry standard of the People’s Republic of China, NY/T 3481-2019 [27] “Rhizome Chinese medicinal materials harvesters technical specification of quality evaluation”.
After completion of the task, the digger’s performance for harvesting deep-rhizome herbal medicines will undergo further testing in accordance with the industry standard NY/T 3481-2019 of the People’s Republic of China, titled “Rhizome Chinese medicinal materials harvesters technical specification of quality evaluation” of the People’s Republic of China”.
At the operating speed specified in the user manual and with the dig depth adjusted to the maximum, the machine should complete one round trip. In the two single trips, one should select four plots alternately, each plot being 3 m long and as wide as the working width. The dig method is shown in Figure 20, the machine operation video is shown in Video S1.

3.6.1. Parking Brake

On a 20% test slope for self-propelled wheeled units and a 25% test slope for self-propelled tracked units, the transmission should be in neutral and the engine turned off. The parking brake should reliably hold the machine in place in both uphill and downhill directions for at least 5 min. One should perform one parking brake test each for uphill and downhill. The specific test data are shown in Table 5.

3.6.2. Noise Level at Ear Position

The testing site should be flat land or short grass, free from large noise-reflecting objects within a 25 m radius from the center of the measurement area. The average wind speed at a height of 1.2 m above the ground should not exceed 3 m/s. During testing, background noise levels should be at least 10 dB(A) lower than the measured noise.
The engine should operate at its rated speed with all moving parts running unloaded. If equipped, the cab doors and windows should be closed and the driver positioned centrally in the seat. The microphone should be placed 250 mm ± 20 mm from the vertical center plane of the driver’s head, with its axis horizontal and the diaphragm facing forward. The microphone’s center height and front-rear position should align with the driver’s eye level. A sound level meter should use the A-weighting slow response mode for measurement.
During stable operation, three measurements should be taken on each side of the machine, with at least a 5 s interval between each measurement. The difference between consecutive measurements on the same side should not exceed 3 dB(A). The arithmetic mean of the higher noise level side is recorded as the measurement result. Specific test data are detailed in Table 6.

3.6.3. Rate of Root and Rhizome Damage

Separate the undamaged root and rhizome crops from those damaged (including whole root and rhizome crops with diameters of broken roots equal to or exceeding Φ2 mm) retrieved from the excavated soil in each plot. Weigh each category separately and compute the root and rhizome damage rate (Mz) for every plot using the following equation:
M z = Z / ( M + Z ) × 100 %
where M is the mass of undamaged root and rhizome crops within the plot (kg) and Z is the mass of damaged root and rhizome crops within the plot (kg).
Specific test data are detailed in Table 7, showing the average of the computed rates.

3.6.4. Loss Rate

Harvest the root and rhizome crops from the excavated soil in each plot and manually extract the root and rhizome crops from the unexcavated soil in the same plots. Weigh them separately and compute the loss rate S for each plot with the following equation:
S = q / ( Q + q ) × 100 %
where Q is the mass of root and rhizome crops in the excavated soil within the plot and q is the mass of root and rhizome crops in the unexcavated soil within the plot.
Specific test data are detailed in Table 7, showing the average of the computed rates.

3.6.5. Maximum Dig Depth

In the measurement area, take measurements at one point each on the left, center, and right sides every 5 m along the direction of the machine’s advancement, totaling 30 points. The arithmetic mean of these measurements is recorded. The measurement method is as follows: In flat fields, measure the digging depth as the vertical distance from the bottom of the dig trench to the unexcavated surface. In ridged fields, measure the digging depth from the bottom of the dig trench to the top of the ridge. Refer to Figure 21 for specific measurement details, and consult Table 8 for test data.

3.6.6. Maximum Gradient Capability

The ramp should measure at least 15 m in length, with an 8 to 10 m straight section leading up to it. The slope of the ramp should meet or exceed the gradient specified by the company. For slopes equal to or greater than 30%, the surface should be paved with cement; slopes less than 30% can be paved with asphalt. A 10 m speed measurement section should be placed in the middle of the ramp. Safety devices must be installed on slopes exceeding 40%.
To conduct the test, position the digging shovel in the transport position and set the gear to the lowest setting. Begin on a straight section of the approach road. Start the engine, fully open the throttle, and ascend the slope. Once on the ramp, bring the vehicle to a stop, shift the transmission to neutral, and turn off the engine for 2 min before attempting to climb again. Record the maximum slope that can be ascended under normal conditions. Refer to Figure 22 for detailed measurement methods, and consult Table 9 for specific test data.

4. Conclusions

Based on the technical specifications for evaluating the quality of rhizome medicinal herb harvesters and principles that mimic manual mechanisms, an inter-toothed self-propelled digger for harvesting deep-rhizome medicinal materials has been developed. This machine doubles the productivity of manual labor while requiring the same number of operators, providing ease of operation, reducing labor intensity, and enhancing production efficiency. It effectively addresses common challenges, such as high breakage and damage rates, associated with manual and other mechanical harvesting methods for deep rhizome medicinal materials.
The key components of the prototype underwent rigorous analysis and design processes. Utilizing software such as Origin 2021, RecurDyn 2023, and SOLID WORKS 2022, physical analyses and simulations were conducted to refine the design dimensions, focusing on compactness and simplicity. A 360° rotation mechanism allows for versatile operation across diverse terrains. The tracked walking system minimizes soil compaction, thereby preserving favorable soil physical and chemical properties.
Field tests have shown that the inter-toothed self-propelled digger can achieve a digging depth exceeding 600 mm, with a root and rhizome damage rate below 1.4% and a loss rate under 3%. It can ascend slopes of up to 23°, maintaining driver ear noise levels below 92 dB. Furthermore, on a 25° slope, the track slippage rate is 0 mm. All performance metrics meet national and industry standards.
  • Reducing labor costs, using the machine to dig astragalus, can save three to five people compared to manual digging, according to a CNY 150 per person per day wage calculation, equivalent to saving labor costs of CNY 450~CNY 750.
  • The low stem injury rate shows that the machine can dig all. Because of the growth of the too-deep Astragalus, it is difficult to ensure that the whole root is dug out. The roots dug out by this machine are relatively complete, and the roots are less damaged.
  • The compaction of farmland is small.
  • The land has strong adaptability, and the machine is smaller in size, which is more suitable for small plots and family planting in hilly and mountainous areas where it is not convenient for large and medium-sized machinery to enter.

Supplementary Materials

The following supporting information can be downloaded at: https://www.mdpi.com/article/10.3390/agronomy14092024/s1, Video S1: Inter-toothed and self-propelled digger for deep-rhizome Chinese herbal medicines working process.

Author Contributions

Methodology, P.W., W.S. and L.Z.; investigation, P.W., W.S., H.W. and L.Z.; software, P.W. and W.S.; formal analysis, H.W. and L.Z.; resources, W.S. and H.W.; writing—original draft, P.W.; writing—review and editing, W.S., P.A.S., L.Z. and H.W.; funding acquisition, W.S. All authors have read and agreed to the published version of the manuscript.

Funding

This work was supported by the Research and development of agricultural machinery and equipment by the Department of Agriculture and Rural Affairs of Gansu Province (njyf2024-03-1), Gansu Provincial University Industry Support Plan (2024CYZC-33), and the Modern Silk Road Cold and Drought Agricultural Technology Support Project (GSLK-2022-12).

Data Availability Statement

Data are reported within the article.

Conflicts of Interest

The authors declare no competing interests.

References

  1. Tian, S.Y. Research on the development of traditional Chinese medicine based on prevention and control of COVID-19 pandemic. Agric. Resour. Reg. China 2020, 41, 7. [Google Scholar]
  2. Li, H.Y. Research on the development of traditional Chinese medicine based on prevention and control of COVID-19 pandemic. Intell. Agric. Guide 2022, 13, 2–13. [Google Scholar]
  3. Yu, Q.X.; Zhang, L.H.; Cai, Z.P.; Liu, Y.; Gong, Y.; Cao, G.Q. Present status and prospect of mechanized production of Rhizome Chinese herbal medicine in Gansu Province. J. Chin. Agric. Mech. 2023, 44, 29–36. [Google Scholar]
  4. Li, K.F. Research on the Key Techniques of Self-Propelled Carrots Combine Harvester. Ph.D. Dissertation, Chinese Academy of Agricultural Mechanization Sciences, Beijing, China, 2015. [Google Scholar]
  5. Song, J.; Qiu, S.L.; Wang, X.Z. Design and test on 4B-1200 type bulbus, Fritillariae Ussuriensis medicinal material harvester. Trans. Agric. Eng. 2015, 31, 8. [Google Scholar]
  6. Song, J.; Liu, L.H.; Wang, M.; Zhang, J. Improved design and test of 4B-1200 type Bulbus Fritillariae Ussuriensis medicinal materials harvester. Trans. Agric. Eng. 2017, 33, 7. [Google Scholar]
  7. Sheng, G.C.; He, C.Y.; Wang, H.; Jia, D.K. Development of 4WGX-120/150 type rhizome digger. Agric. Mach. 2012, 11, 3. [Google Scholar]
  8. Zhang, W.J.; Wei, H.A.; Lu, X.H.; Shi, M.M.; Wang, X. Design of 4Y-1200 medicine harvesting machine. J. Gansu Agric. Univ. 2016, 51, 4. [Google Scholar]
  9. Wang, J.F.; Ma, X.; Ma, L.X.; Yang, C.H. The current states and technology study of harvesting equipment of rhizome traditional Chinese medicinal materials. In Proceedings of the 2011 Academic Annual Meeting of Heilongjiang Agricultural Engineering Society, Harbin, China, 15 January 2011; pp. 86–89. [Google Scholar]
  10. Yu, Q.X.; Cao, G.Q.; Chen, B.; Liu, Y.; Gong, Y.; Chen, X.B. Application and research status of harvesting mechanization of Rhizome Chinese herbal medicine. J. Chin. Agric. Mech. 2022, 43, 7. [Google Scholar]
  11. Zheng, D.C.; Zhao, M.X.; Chen, G.L.; Zhang, X.H. Design of 4SB-800 harvesting machine for pinellia ternate breit. Trans. CSAF 2007, 23, 141–144. [Google Scholar]
  12. Chen, X.D.; Hu, Z.C.; Cao, C.M.; Wang, B.; Chen, Y.Q.; Gu, M. Research and prospect of isolation mechanism of potato stem from potato combine harvester. J. Chin. Agric. Mech. 2018, 39, 10–17. [Google Scholar]
  13. Dai, T.; Sun, W.; Zhang, H.; Liu, X.L.; Li, H. Research status and development trend of mechanized harvesting of rhizomatous Chinese Medicinal Materials. For. Mach. Woodwork. Equip. 2023, 51, 4–8. [Google Scholar]
  14. Zhou, Z.H. Analyses of the Economic and Social Benefits of Harvesting Rootstalk Chinese Traditional Medicinal Materials by Machinery. J. Chin. Agric. Mech. 2006, 3, 17–18. [Google Scholar]
  15. Chu, G.H.; Wang, J.F.; Ma, L.X. Research status and development trend of rhizome harvesting machinery. Mod. Agric. 2008, 2. [Google Scholar]
  16. Chen, L.; Zhang, Z.Y.; Wang, D.; Zhang, B.H. Research on technology and equipment of mechanized harvesting of rhizome Chinese medicinal materials in hilly area. Hebei Agric. Mach. 2021, 11, 1–2. [Google Scholar]
  17. Zheng, W.W.; Wu, K.J. Principles of Mechanics, 7th ed.; Higher Education Press: Beijing, China, 1997. [Google Scholar]
  18. Liao, Q.X.; He, K.; Wan, X.Y.; Yuan, J.C.; Wang, C.; Wei, G.L. Devices for Rapeseed Direct Seeder on Tracked Combined Harvesting Power Platform. Trans. Chin. Soc. Agric. Mach. 2021, 52, 54–64. [Google Scholar]
  19. Wang, T.B.; Wang, H.P.; Xiao, P.; Luan, Y.Q.; Li, L. Substation inspection robot crawler obstacle-navigation platform complex environment research. Appl. Mech. Mater. 2013, 415, 65–67. [Google Scholar] [CrossRef]
  20. Fan, G.; Wang, Y.; Zhang, X.H. Development and Experiment of Lifting Platform for Orchards in Hilly Area. Appl. Mech. Mater. 2017, 865, 111–117. [Google Scholar] [CrossRef]
  21. Liu, P.Y.; Wang, Z.J.; Li, H.T.; Zhang, S.Y.; Wei, W.J. Design and Overcoming Obstacles Ability Research of Tracked Driving Chassis with Planetary Structure. Trans. Chin. Soc. Agric. Mach. 2014, 45, 17–23. [Google Scholar]
  22. Pan, G.T.; Yang, F.Z.; Sun, J.B.; Liu, Z.J. Analysis and Test of Obstacle Negotiation Performance of Small Hillside Crawler Tractor during Climbing Process. Trans. Chin. Soc. Agric. Mach. 2020, 51, 10. [Google Scholar]
  23. Wei, S.J. Construction and Simulation of Resistance Dynamics Model of Vehicle Road. Autom. Technol. Appl. 2017, 36, 98–101. [Google Scholar]
  24. Yang, F.; Lin, G.Y.; Zhang, W.G.; Wang, N.B. Experimental analysis of the slip sinkage effect based on real vehicle test. J. Southeast Univ. 2016, 32, 201–207. [Google Scholar]
  25. Wang, G.Q.; Xu, X.F.; Wang, L.; Yu, Q. Virtual Vehicle Ride Comfort Test on Vehicle. Trans. Chin. Soc. Agric. Mach. 2003, 34, 4. [Google Scholar]
  26. GB/T 15370; General Requirement of Agricultural Tractors—Part 4: Crawler Tractors. National Standards of the People’s Republic of China: Beijing, China, 2012.
  27. NY/T 3481-2019; Rhizome Chinese Medicinal Materials Harvesters Traditional Specification of Quality Evaluation. Ministry of Agriculture and Rural Affairs of the People’s Republic of China: Beijing, China, 2019.
Figure 1. Design roadmap.
Figure 1. Design roadmap.
Agronomy 14 02024 g001
Figure 2. Main components of self-propelled deep-rhizome digger, (a) is turn view, and (b) is side view: 1. track driving system; 2. frame; 3. hydraulic system; 4. power transmission system; 5. digging control system; 6. rhizome digging system.
Figure 2. Main components of self-propelled deep-rhizome digger, (a) is turn view, and (b) is side view: 1. track driving system; 2. frame; 3. hydraulic system; 4. power transmission system; 5. digging control system; 6. rhizome digging system.
Agronomy 14 02024 g002
Figure 3. Human posture for manual digging Chinese herbal medicines.
Figure 3. Human posture for manual digging Chinese herbal medicines.
Agronomy 14 02024 g003
Figure 4. Trajectory of the fork tip and the fitted curve.
Figure 4. Trajectory of the fork tip and the fitted curve.
Agronomy 14 02024 g004
Figure 5. Isometric view of the digging mechanism, (a) is isometric axon ometried drawing, and (b) is sketch of the medicinal excavation mechanism, with 1. hydraulic cylinder #1 (∅60/310–450 mm); 2. swing frame; 3. hydraulic cylinder #2 (∅30/0–750 mm); 4. hydraulic cylinder #3 (∅40/0–334 mm); 5. digger vibrator; 6. digging tool (750 mm); 7. lifting frame.
Figure 5. Isometric view of the digging mechanism, (a) is isometric axon ometried drawing, and (b) is sketch of the medicinal excavation mechanism, with 1. hydraulic cylinder #1 (∅60/310–450 mm); 2. swing frame; 3. hydraulic cylinder #2 (∅30/0–750 mm); 4. hydraulic cylinder #3 (∅40/0–334 mm); 5. digger vibrator; 6. digging tool (750 mm); 7. lifting frame.
Agronomy 14 02024 g005
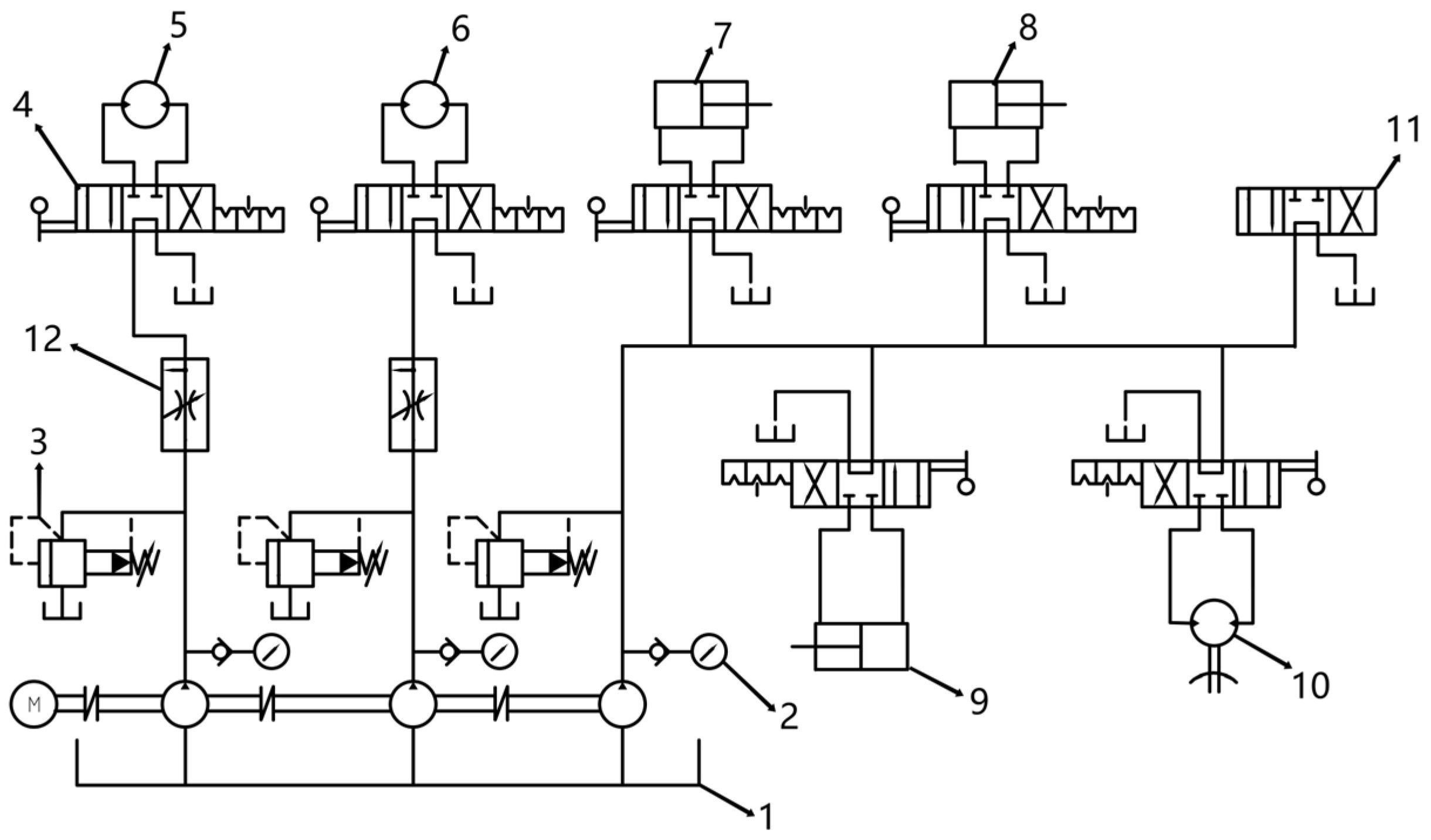
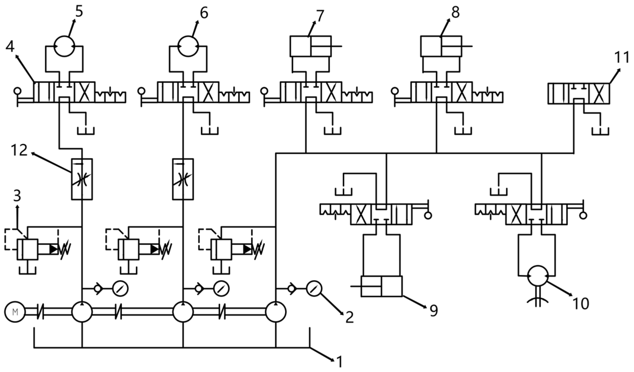
Figure 6. Sketch of the medicinal dig mechanism, with 1. hydraulic tank; 2. pressure gauge; 3. relief valve; 4. three-way four-position manual directional control valve; 5. left track hydraulic motor; 6. right track hydraulic motor; 7. swing frame hydraulic cylinder; 8. undercart hydraulic cylinder 9. dig hydraulic cylinder; 10. worm gear hydraulic rotary speed reducer; 11. three-position four-way spool valve; 12. flow control valve.
Figure 6. Sketch of the medicinal dig mechanism, with 1. hydraulic tank; 2. pressure gauge; 3. relief valve; 4. three-way four-position manual directional control valve; 5. left track hydraulic motor; 6. right track hydraulic motor; 7. swing frame hydraulic cylinder; 8. undercart hydraulic cylinder 9. dig hydraulic cylinder; 10. worm gear hydraulic rotary speed reducer; 11. three-position four-way spool valve; 12. flow control valve.
Agronomy 14 02024 g006
Figure 7. Schematic diagram of the track running mechanism (a), with 1. worm gear hydraulic rotary speed reducer; 2. track tensioning system; 3. machine frame; 4. drive sprocket; 5. track assembly; 6. idler wheel; 7. road wheel; 8. gerotor hydraulic motor. Relationship of theoretical turning radius (b).
Figure 7. Schematic diagram of the track running mechanism (a), with 1. worm gear hydraulic rotary speed reducer; 2. track tensioning system; 3. machine frame; 4. drive sprocket; 5. track assembly; 6. idler wheel; 7. road wheel; 8. gerotor hydraulic motor. Relationship of theoretical turning radius (b).
Agronomy 14 02024 g007
Figure 8. Actual turning radius of the single track. (a) is hard surface swerve view, and (b) is soft pavement swerve view.
Figure 8. Actual turning radius of the single track. (a) is hard surface swerve view, and (b) is soft pavement swerve view.
Agronomy 14 02024 g008
Figure 9. Chassis modeling.
Figure 9. Chassis modeling.
Agronomy 14 02024 g009
Figure 10. Simulation states of tracked driving on hard surface (above) and soft surface (below).
Figure 10. Simulation states of tracked driving on hard surface (above) and soft surface (below).
Agronomy 14 02024 g010
Figure 11. Plot of the torque at the driving wheel.
Figure 11. Plot of the torque at the driving wheel.
Agronomy 14 02024 g011
Figure 12. Plot of the velocity of the mass center.
Figure 12. Plot of the velocity of the mass center.
Agronomy 14 02024 g012
Figure 13. Plot of the vertical acceleration variation in the center of mass.
Figure 13. Plot of the vertical acceleration variation in the center of mass.
Agronomy 14 02024 g013
Figure 14. Plot of the lateral deviation variation.
Figure 14. Plot of the lateral deviation variation.
Agronomy 14 02024 g014
Figure 15. Plot of the pitch angle variation.
Figure 15. Plot of the pitch angle variation.
Agronomy 14 02024 g015
Figure 16. Plot of the yaw rate variation.
Figure 16. Plot of the yaw rate variation.
Agronomy 14 02024 g016
Figure 17. Plot of lateral acceleration variation.
Figure 17. Plot of lateral acceleration variation.
Agronomy 14 02024 g017
Figure 18. Trajectory of in-place turning radius, (the magenta is the radius of rotation).
Figure 18. Trajectory of in-place turning radius, (the magenta is the radius of rotation).
Agronomy 14 02024 g018
Figure 19. Planting model for deep-rhizome herbal medicines.
Figure 19. Planting model for deep-rhizome herbal medicines.
Agronomy 14 02024 g019
Figure 20. Vertical and horizontal digging with the machine, (a) is turn view, and (b) is side view.
Figure 20. Vertical and horizontal digging with the machine, (a) is turn view, and (b) is side view.
Agronomy 14 02024 g020
Figure 21. Digger shown before insertion (a), size of a dugout trench (b), and sample of harvested rhizomes (c).
Figure 21. Digger shown before insertion (a), size of a dugout trench (b), and sample of harvested rhizomes (c).
Agronomy 14 02024 g021
Figure 22. Maximum climbing gradient measurement. (a) is test scenario, (b) is test value.
Figure 22. Maximum climbing gradient measurement. (a) is test scenario, (b) is test value.
Agronomy 14 02024 g022
Table 1. Main technical parameters of working machine.
Table 1. Main technical parameters of working machine.
ParametersValues
Overall dimensions
(length × width × height)/(mm × mm × mm)
2670 × 1330 × 2200
Auxiliary power/kw22
Overall quantity/kg1200
Operating width/mm1000
Digging depth/mm0~600
Maximum gradient/°>21
Maximum speed/m/s0.61
Table 2. Explanation of related parameters.
Table 2. Explanation of related parameters.
SymbolDefinitionParameters
L1The length of the connecting rod OA/mm310~450
L2The length of the connecting rod A1B/mm360
L3The length of the connecting rod BC/mm451~785
L5The length of the inter-toothed/mm750
θ1The angle between hydraulic cylinder #1 OA and the horizontal direction/(°)/
θ2The rotation angle of the connecting rod BC relative to the horizontal direction/(°)/
θ3The rotation angle of the connecting rod BC relative to the connecting rod CD/(°)/
θ4The angle between the crank CD and the horizontal direction/(°)/
Table 3. Main parameters of the gerotor hydraulic motor.
Table 3. Main parameters of the gerotor hydraulic motor.
ParametersValues
Flow rate/LPM150
Rated pressure/MPa27.5
High speed rotation/RPM453
Maximum torque/N·m1878
Table 4. Structural parameters of the crawler.
Table 4. Structural parameters of the crawler.
ParametersValues
Crawler Track Ground Contact Length L (mm)1480
Track Width b (mm)230
Track Gauge B (mm)1150
Track Pitch t0 (mm)100
Drive Wheel Pitch Circle Dk (mm)280
Tensioning Wheel Dt (mm)200
Itch Circle of the Road Wheel dz (mm)134
Single-side Track Dimension (mm)1809 × 230 × 433
Table 5. Safety inspection record for parking brake.
Table 5. Safety inspection record for parking brake.
Experimental ConditionsWind Velocity0.3 m/sTemperature23.3 °C
Tire Pressure/Road TestingCement Pavement
The Performance Test of the Parking Brake for a Self-Propelled and Fork-Toothed Root Crop Digger
Test Ramp SlopeParking DirectionDuration of Parking/minRear Wheel Skid on the Ground/cmTest Result
Pavement ConditionSlopeLeftRight
Flat25Up500☑ Yes □ No Stable Parking Maintained
25Down500
Note: The stable holding of the parking status should be no less than 5 min.
Table 6. Record of noise levels at the driver’s ear position.
Table 6. Record of noise levels at the driver’s ear position.
Experimental ConditionsWind Velocity0.3 m/sRoad TestingCement Pavement
LeftRight
NumberAmbient Noise/dBNoise/dBAmbient Noise/dBNoise/dBNoise Level
167.287.268.190.190.7
286.591.3
388.290.9
Note: When the machine is operating steadily, take three measurements on each side, ensuring at least a 5 s interval between each. The difference in readings from consecutive measurements on the same side should not exceed 3 dB(A). The arithmetic mean of the side with the greater noise level should be recorded as the result of the measurement.
Table 7. Record of damage and loss rates assessment.
Table 7. Record of damage and loss rates assessment.
Project
Route
Dig of Rhizome Crops in the Soil Fill of a Residential Area (kg)Quantity of Rhizome Crops in the Undisturbed Soil of a Residential Area (kg)Quantity of Undamaged Rhizome Crops in the Residential Area (kg)Quantity of Damaged Rhizome Crops in the Residential Area (kg)
One13.410.0963.240.041
23.290.1083.160.046
Two13.360.0983.210.043
23.520.0933.380.052
Average3.400.0993.250.046
Damage Rate1.38Take 1.4
Loss Rate2.82Take 2.8
Table 8. Recordings of maximum dig depth assessment.
Table 8. Recordings of maximum dig depth assessment.
Test PointMaximum Dig Depths
Left (cm)Center (cm)Right (cm)
161.061.061.5
261.061.561.0
360.060.061.0
461.560.061.0
561.060.561.0
660.561.061.0
761.061.061.0
861.061.061.0
961.061.061.5
1061.060.560.5
Average overall value (cm): 60.98 rounded to 61.0.
Table 9. Record of maximum incline measurement.
Table 9. Record of maximum incline measurement.
Experimental ConditionsRamp Length/m18Flat Section Before the Slope/m10
Slope Gradient/%23Pavement SurfaceField
Maximum InclineGear ShiftEngine Extinction Time/minSuccess of the ClimbSuccessful Climbing Gradient
Lowest Gear2Yes23
Disclaimer/Publisher’s Note: The statements, opinions and data contained in all publications are solely those of the individual author(s) and contributor(s) and not of MDPI and/or the editor(s). MDPI and/or the editor(s) disclaim responsibility for any injury to people or property resulting from any ideas, methods, instructions or products referred to in the content.

Share and Cite

MDPI and ACS Style

Wu, P.; Sun, W.; Wang, H.; Zhang, L.; Simionescu, P.A. Design and Testing of an Inter-Toothed, Self-Propelled Digger for Deep-Rhizome Chinese Herbal Medicines. Agronomy 2024, 14, 2024. https://doi.org/10.3390/agronomy14092024

AMA Style

Wu P, Sun W, Wang H, Zhang L, Simionescu PA. Design and Testing of an Inter-Toothed, Self-Propelled Digger for Deep-Rhizome Chinese Herbal Medicines. Agronomy. 2024; 14(9):2024. https://doi.org/10.3390/agronomy14092024

Chicago/Turabian Style

Wu, Peng, Wei Sun, Hucun Wang, Luhai Zhang, and Petru A. Simionescu. 2024. "Design and Testing of an Inter-Toothed, Self-Propelled Digger for Deep-Rhizome Chinese Herbal Medicines" Agronomy 14, no. 9: 2024. https://doi.org/10.3390/agronomy14092024

APA Style

Wu, P., Sun, W., Wang, H., Zhang, L., & Simionescu, P. A. (2024). Design and Testing of an Inter-Toothed, Self-Propelled Digger for Deep-Rhizome Chinese Herbal Medicines. Agronomy, 14(9), 2024. https://doi.org/10.3390/agronomy14092024

Note that from the first issue of 2016, this journal uses article numbers instead of page numbers. See further details here.

Article Metrics

Back to TopTop