Forming and Degradation Mechanism of Bowl Seedling Tray Based on Straw Lignin Conversion
Abstract
:1. Introduction
2. Materials and Methods
2.1. Materials
2.2. Test Procedure
2.2.1. Preprocessing of Materials
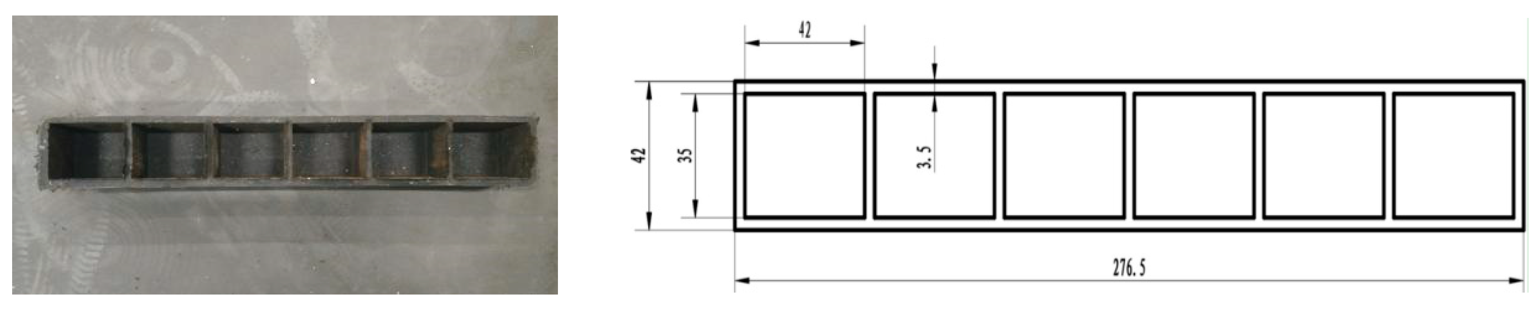
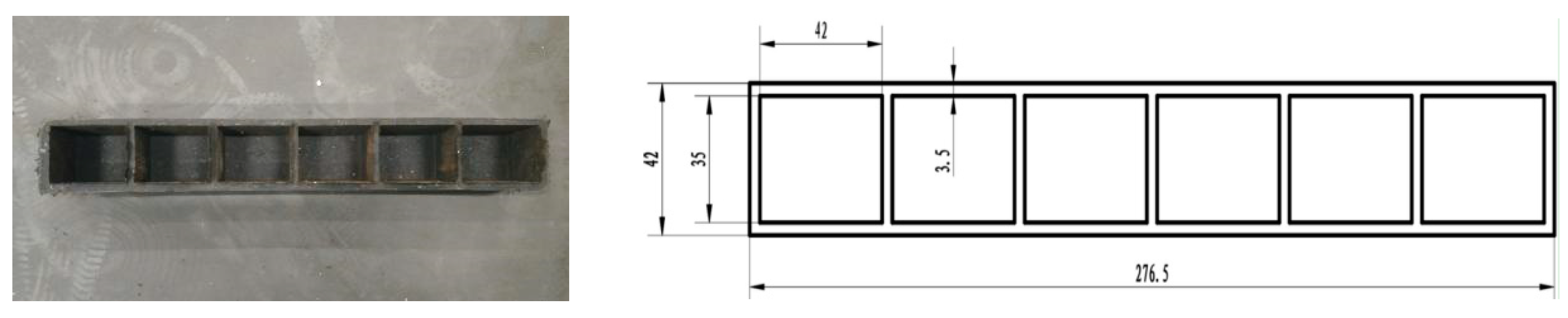
2.2.2. Molding Test
2.2.3. Seedling Raising Test
2.2.4. Breaking Strength Measurement
2.2.5. Scanning Electron Microscopy (SEM) of Molded Materials
3. Results and Discussion
3.1. Compression Molding Test Results and Discussion
3.1.1. Regular Compression Molding
3.1.2. Hot Compression Molding
3.2. Seedling Raising Results
3.3. Breaking Strength Measurement of Seedling Trays
3.4. SEM Analysis of the Effect of Seedling Tray Degradation on Soil
3.5. Mechanism Analysis and Discussion
4. Conclusions
- (1)
- Based on the glass transition properties of the lignin in the material mixed with straw, this study proposed a new method to prepare biomass seedling trays with a mixed material (straw and cattle manure), which can meet the needs of corn seedling raising and transplantation.
- (2)
- At the beginning of hot compression, the stem fibers in the material are compressed to produce a mechanical setting force. When the lignin in the material reaches the softening temperature, it flows under internal stress to fill and wrap the gap between fibers and the multilayered stem fibers with a mosaic structure. After cooling down, the seedling tray is molded, and the strength comes from the mechanical setting force of the multilayered stem fibers with a mosaic structure. The adhesion and wrapping of lignin can prevent and decrease the damage from water infiltration into the multilayered, mosaic-structured stem fibers but play a very small role in improving strength.
- (3)
- During the molding process, the water in the seedling tray prevents the lignin from filling the gaps between stem fibers and reduces the lignin’s wrapping and protection of the multilayered, mosaic-structured stem fibers. Therefore, when the material can completely fill the mold, a lower water content yields a better strength and water resistance of the seedling tray.
- (4)
- The proposed method, i.e., compressing straw into a seedling tray, is not restricted by the straw structure, and restructures the straw to improve the transformation efficiency of the seedling tray and accelerate degradation. The seedling tray can be mostly degraded after being buried in soil for 40 days and can be completely degraded after the seedling fully grows.
Author Contributions
Funding
Institutional Review Board Statement
Informed Consent Statement
Data Availability Statement
Conflicts of Interest
References
- Cong, H.; Yao, Z.; Zhao, L. Distribution of crop straw resources and its industrial system and utilization path in China. Trans. Chin. Soc. Agric. Eng. 2019, 35, 132–140. [Google Scholar]
- Chen, H.; Wang, X.; Zhang, W. A new soybean NDVI data-based partitioning algorithm for fertilization management zoning. Appl. Ecol. Environ. Res. 2021, 19, 1394–1405. [Google Scholar] [CrossRef]
- Zhang, J.; Yang, X.; Tu, X.; Ning, K.; Luan, X. Spatio-temporal change of straw burning fire points in field of China from 2014 to 2018. Trans. Chin. Soc. Agric. Eng. 2019, 35, 191–199. [Google Scholar] [CrossRef]
- Wu, W.; Zhang, H.; He, B.; Huo, Y.; Zhang, H.; Zhai, Q. Spatiotemporal characteristics of criteria air pollutants during the critical period of straw burning in Huaihe River Basin. J. Meteorol. Environ. 2019, 35, 33–39. [Google Scholar] [CrossRef]
- Zou, W.; Han, X.; Yan, J. Effects of incorporation depth of tillage and straw returning on soil physical properties of black soil in Northeast China. Trans. Chin. Soc. Agric. Eng. 2020, 36, 9–18. [Google Scholar] [CrossRef]
- Gao, H.; Peng, C.; Zhang, X. Effects of Different Straw Returning Modes on Characteristics of Soil Aggregates in Chernozem Soil. J. Soil Water Conserv. 2019, 33, 75–79. [Google Scholar] [CrossRef]
- Yan, L.; Dong, T.; La, Y. Effects of no-tillage and straw returning on soil aggregates composition and organic carbon content in black soil areas of Northeast China. Trans. Chin. Soc. Agric. Eng. 2020, 36, 181–188. [Google Scholar] [CrossRef]
- He, J.; Li, H.; Chen, H. Research Progress of Conservation Tillage Technology and Machine. Trans. Chin. Soc. Agric. Mach. 2018, 49, 1–19. [Google Scholar] [CrossRef]
- Fang, F.; Li, X.; Shi, Z. Analysis on distribution and use structure of crop straw resources in Huang-Huai-Hai Plain of China. Trans. Chin. Soc. Agric. Eng. 2015, 31, 228–234. [Google Scholar] [CrossRef]
- Bao, J.; Yu, J.; Feng, Z. Situation of distribution and utilization of crop straw resources in seven Western provinces. J. Appl. Ecol. 2014, 25, 181–187. [Google Scholar] [CrossRef]
- Liu, X.; Li, S. Temporal and spatial distribution characteristcs of crop straw nutrient resources and returning to farmland in China. Trans. Chin. Soc. Agric. Eng. 2017, 33, 1–19. [Google Scholar] [CrossRef]
- Zhao, X.; Ren, Y.; Zhao, X. Advances in ecological effects of residue retained in north China plain. Crops. 2017, 1, 6–12. [Google Scholar] [CrossRef]
- Wang, Y.; Wang, H.; Gao, C.; Wang, L.; Bi, Y. Quantitative estimation method and its application to rice, wheat and corn straw residues left in field. Trans. Chin. Soc. Agric. Eng. 2015, 31, 244–250. [Google Scholar] [CrossRef]
- Zhang, W.; Niu, Z.; Li, L.; Hou, Y. Design and optimization of seeding-feeding device for automatic maize transplanter with maize straw seeding-sprouting tray. Int. J. Agric. Biol. Eng. 2015, 8, 1–12. [Google Scholar] [CrossRef]
- Liu, X.; Hu, G.; He, H. Effects of long-term maize stovers mulching on maize yield and carbon accumulation. Trans. Chin. Soc. Agric. Eng. 2020, 36, 117–122. [Google Scholar] [CrossRef]
- Chu, T.; Yang, Z.; Han, L. Analysis on satisfied degree and advantage degree of agricultural crop straw feed utilization in China. Trans. Chin. Soc. Agric. Eng. 2016, 32, 1–9. [Google Scholar] [CrossRef]
- He, Y.; Shen, H.; Zhang, Y. Analysis of Soil and Water Conservation Effects of Different Straw Returning Patterns in Sloping Farmland in the Chinese Black Soil Region. J. Soil Water Conserv. 2020, 34, 89–94. [Google Scholar]
- Hou, Y.; Liu, Z.; Yin, C. Optimum amount of potassium fertilizer based on high yield and soil potassium balance under straw return in rice production region of northeast China. J. Plant Nutr. Fertil. 2020, 26, 2020–2031. [Google Scholar] [CrossRef]
- Li, S.; Ji, X.; Deng, K. Analysis of regional distribution patterns and full utilization potential of crop straw resources. Trans. Chin. Soc. Agric. Eng. 2020, 36, 221–228. [Google Scholar] [CrossRef]
- Wu, H.; Liu, Y.; Liu, L.; Li, J. Estimation method of air pollution load of straw burning in Harbin. Acta Sci. Circ. 2020, 40, 3803–3810. [Google Scholar]
- Zhang, W.; Yang, S.; Lou, S. Effects of tillage methods and straw mulching on the root distribution and yield of summer maize. Trans. Chin. Soc. Agric. Eng. 2020, 36, 117–124. [Google Scholar] [CrossRef]
- Sun, N.; Dong, W.; Wang, X. Comprehensive Effect of Rice Harvesting Straw Treatment Methods in Northeast Rice Region. Trans. Chin. Soc. Agric. Mach. 2020, 51, 69–77. [Google Scholar]
- Wang, Y.; Wang, Y.; Wang, H.; Wang, H.; Bi, Y. Ecological value estimation method of the straw pyrolysis engineering. Chin. J. Eco. Agric. 2020, 28, 920–930. [Google Scholar] [CrossRef]
- Nunomura, O.; Kozai, T.; Shinozaki, K.; Oshio, T. Seeding, seeding production and transplanting. In Plant Factory; Academic Press: Berlin, Germany, 2016; pp. 223–235. [Google Scholar] [CrossRef]
- Li, L.; Wang, C.; Zhang, X.; Li, G. Improvement and optimization of preparation process of seeding-growing bowl tray made of paddy straw. Int. J. Agric. Biol. Eng. 2014, 7, 13–22. [Google Scholar] [CrossRef]
- Fang, X. Current status and development trend of transplanting machinery technology in China. Agric. Mach. 2010, 10, 35–36. [Google Scholar] [CrossRef]
- Chen, H.; Zhang, X.; Wu, Y. Effects of straw return and nitrogen fertilizer management on weed community and rice yield in paddy field. J. Agric. Resour. Environ. 2018, 35, 500–507. [Google Scholar] [CrossRef]
- Guo, Y.; Xiong, K.; Yan, J.; Sun, R. Full utilization potential in rocky desertification arearea of southwest China-Take Guizhou Province as a case. Acta Energ. Sol. Sin. 2022, 43, 474–482. [Google Scholar] [CrossRef]
- Tang, Y. Effects of Nitrogen Deep Application and Straw Reterning on Dry Matter Accumulation, Yield and Nitrogen Utilization of Rice. Acta Agric. Jiangxi 2022, 34, 88–93. [Google Scholar] [CrossRef]
- Zhang, X.; Wang, Z. Analysis of yield and current comprehensive utilization of crop straws in China. J. China Agric. Univ. 2021, 26, 30–41. [Google Scholar] [CrossRef]
- Huo, L.; Zhao, L.; Meng, H.; Yao, Z. Study on straw multi-use potential in China. Trans. Chin. Soc. Agric. Eng. 2019, 35, 218–224, (In Chinese with English abstract). [Google Scholar] [CrossRef]
- Sun, Q.; Liu, Y.; Yang, H. Applying control-released fertilizer of whole growth duration in seedling-raisingpot to effectively decrease the risk of N loss in the paddy field. J. Plant Nutr. Fertil. 2022, 28, 566–574. [Google Scholar] [CrossRef]
- Dai, X.; Chen, S.; Cai, C. Research and economic analysis of mainstream energy technologies for straw. Environ. Eng. 2021, 39, 1–17. [Google Scholar] [CrossRef]
- Liu, J. Study on Chemical Seedling Raising Technology and Based Materials Popularization Strategy of Straw; Yangzhou University: Yangzhou, China, 2022. [Google Scholar] [CrossRef]
- Sun, B.; Maimathi, U. Discussion on Comprehensive Utilization of Crop Straws. Mod. Agric. Sci. Technol. 2022, 7, 132–133+136. [Google Scholar] [CrossRef]
- Wan, P.; Ma, Y.; Zhang, B.; Shang, J.; Zhang, Y. Experimental research on process parameters for animal manure and straw perpared briquet. Renew. Energy Resour. 2020, 38, 427–433. [Google Scholar] [CrossRef]
- Fukushima, R.; Hatfield, R. Comparison of the acetyl bromide spectrophotometric method with other analytical lignin methods for determining lignin concentration in forage samples. J. Agric. Food Chem. 2004, 52, 3713–3720. [Google Scholar] [CrossRef]
- Lin, S.; Dence, C. Methods in Lignin Chemistry; Springer Science and Business Media: Berlin, Germany, 2012. [Google Scholar]
- Tumuluru, J. Effect of pellet die diameter on density and durability of pellets made from high moisture woody and herbaceous biomass. Carbon Resour. Convers. 2018, 1, 44–54. [Google Scholar] [CrossRef]
- Sammond, D.; Yarbrough, J.; Mansfield, E.; Bomble, Y.; Hobdey, S.; Decker, S.; Vinzant, T. Predicting enzyme adsorption to lignin films bycalculating enzyme surface hydrophobicity. J. Biol. Chem. 2014, 289, 20960–20969. [Google Scholar] [CrossRef]
- Yan, H.; Liu, H.; Xie, Z.; Yu, M. Experimental study on strawforming technology. J. Southwest Univ. Nat. Sci. Ed. 2009, 11, 133–139. [Google Scholar] [CrossRef]
- Chen, Z. Experimental Study on Hot Pressing of Straw Raw Materials for Nursery; Shenyang Agricultural University: Shenyang, China, 2007; pp. 1–2. [Google Scholar] [CrossRef]
- Xiao, Z.; Li, Y.; Wu, X.; Qi, G.; Li, N.; Zhang, K.; Wang, D.; Sun, X. Utilization of sorghum lignin to improve adhesion strength of soy protein adhesiveson wood venee. Ind. Crops Prod. 2013, 50, 501–509. [Google Scholar] [CrossRef]












| Indicator | Content |
|---|---|
| Lignin | 24.6% |
| Cellulose | 22.0% |
| Hemicellulose | 12.5% |
| 23-N | 26-N | 23-H | 26-H | |
|---|---|---|---|---|
| Wall thickness before seedling raising | 4.3 ± 0.2 mm | 4.9 ±0.3 mm | 3.9± 0.1 mm | 4.2 ± 0.1 mm |
| Wall thickness after 15 d of seedling raising | 6.8 ± 0.3 mm | 9.1 ± 0.4 mm | 4.5 ± 0.2 mm | 5.4 ± 0.2 mm |
| Expansion rate | 57.4% ± 0.3 | 87.5% ± 3.3 | 16.7% ± 2.2 | 28.8% ± 4.2 |
| Moisture Content of Materials | Molding Method | Failure Load | Elastic Deformation | ||
|---|---|---|---|---|---|
| Before Seedling Raising | After Seedling Raising | Before Seedling Raising | After Seedling Raising | ||
| 23% | Regular compression Hot compression | 101.6 N | 41.2 N | 2.7 mm | 2.7 mm |
| 111.3 N | 3.5 mm | ||||
| 26% | Regular compression Hot compression | 79.6 N | 20.1 N | 2.2 mm | 2.3 mm |
| 82.6 N | 2.8 mm | ||||
Disclaimer/Publisher’s Note: The statements, opinions and data contained in all publications are solely those of the individual author(s) and contributor(s) and not of MDPI and/or the editor(s). MDPI and/or the editor(s) disclaim responsibility for any injury to people or property resulting from any ideas, methods, instructions or products referred to in the content. |
© 2023 by the authors. Licensee MDPI, Basel, Switzerland. This article is an open access article distributed under the terms and conditions of the Creative Commons Attribution (CC BY) license (https://creativecommons.org/licenses/by/4.0/).
Share and Cite
Qi, L.; Zhang, B.; Ma, Y.; Zhang, W. Forming and Degradation Mechanism of Bowl Seedling Tray Based on Straw Lignin Conversion. Agronomy 2023, 13, 453. https://doi.org/10.3390/agronomy13020453
Qi L, Zhang B, Ma Y, Zhang W. Forming and Degradation Mechanism of Bowl Seedling Tray Based on Straw Lignin Conversion. Agronomy. 2023; 13(2):453. https://doi.org/10.3390/agronomy13020453
Chicago/Turabian StyleQi, Liqiang, Bo Zhang, Yongcai Ma, and Wei Zhang. 2023. "Forming and Degradation Mechanism of Bowl Seedling Tray Based on Straw Lignin Conversion" Agronomy 13, no. 2: 453. https://doi.org/10.3390/agronomy13020453
APA StyleQi, L., Zhang, B., Ma, Y., & Zhang, W. (2023). Forming and Degradation Mechanism of Bowl Seedling Tray Based on Straw Lignin Conversion. Agronomy, 13(2), 453. https://doi.org/10.3390/agronomy13020453

