Soil Carbon Dynamics under Pastures in Andean Socio-Ecosystems of Colombia
Abstract
1. Introduction
2. Materials and Methods
2.1. Study Area
2.2. Study Area Selection
2.3. Experimental Design
2.4. Soil Biogeochemical Analyses
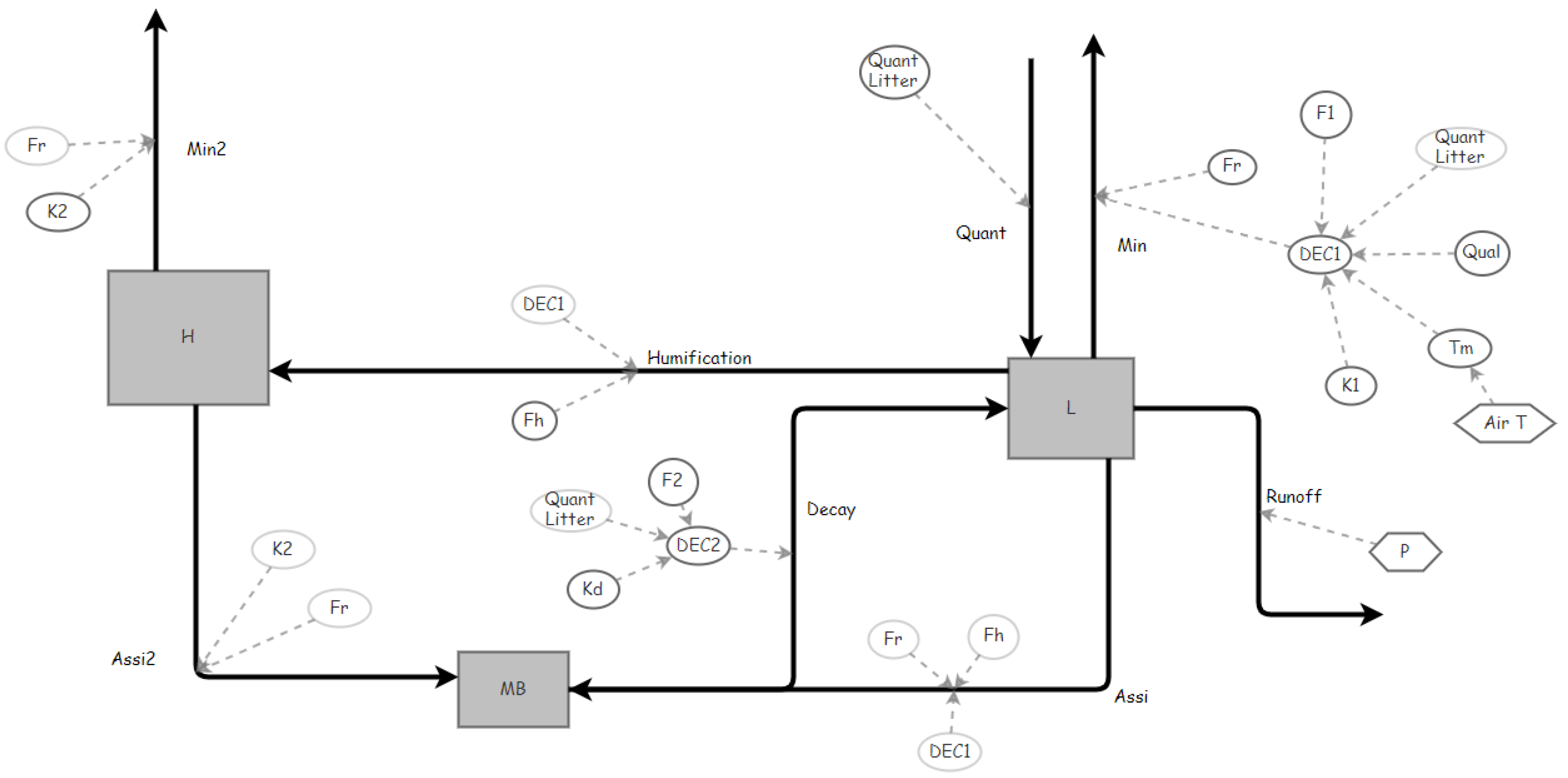
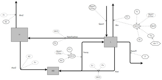
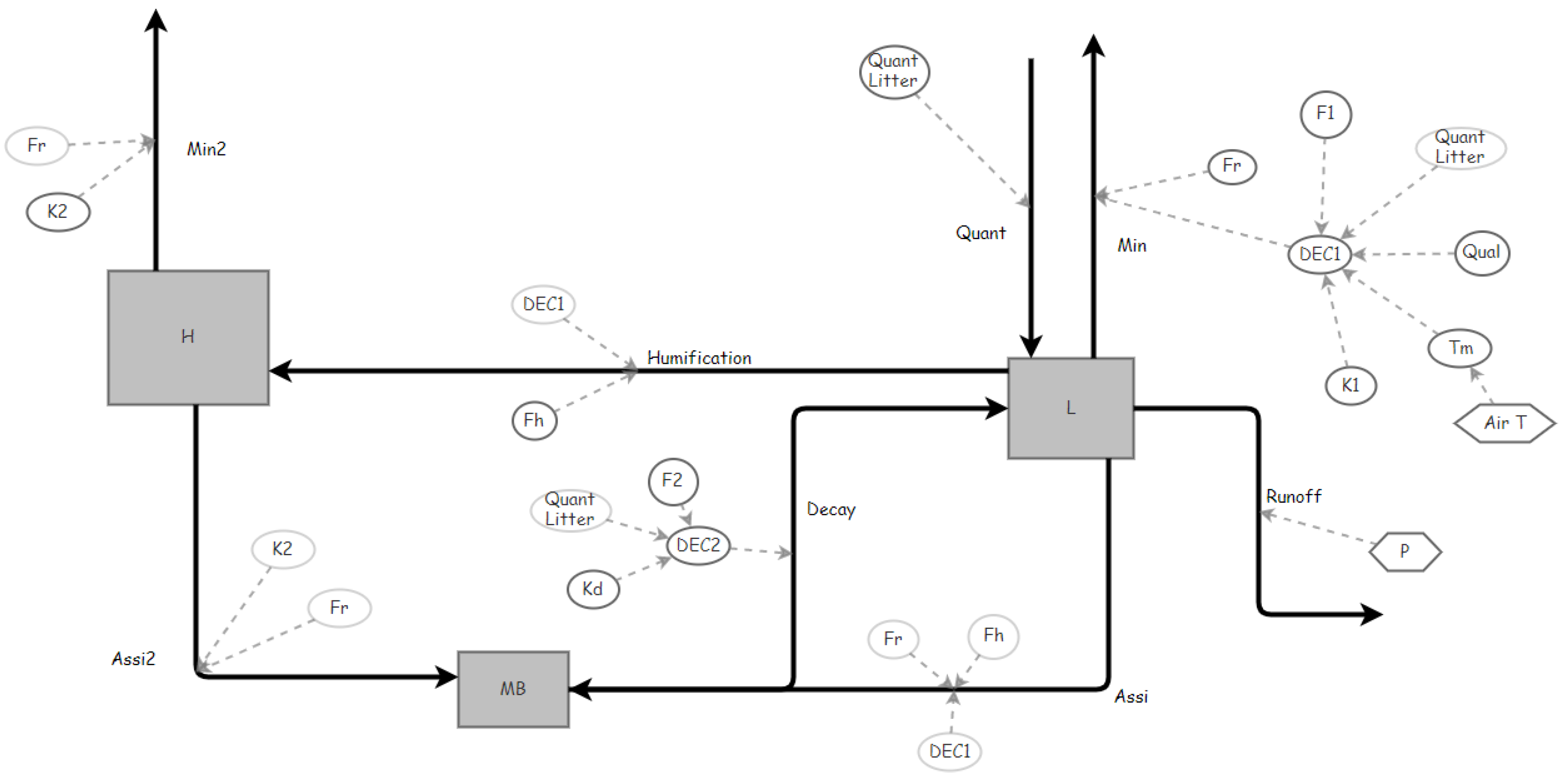
2.5. Model Design
2.5.1. Litter Stock
2.5.2. Humus Stock
2.5.3. Microbial Biomass Stock
2.6. Parameterization, Calibration and Validation of the Model
3. Results
3.1. Operation, Calibration and Validation of the Model Dynamics of the Soil Carbon Storage under Pastures
3.2. Carbon Dynamics in Soils under Pastures
4. Discussion
4.1. Soil Carbon Dynamics under Pasture Managements (Natural and Cultivated)
4.2. Soil Carbon Management Practices
5. Conclusions
Author Contributions
Funding
Acknowledgments
Conflicts of Interest
Appendix A
| Abbreviation | Definition | Unit |
|---|---|---|
| MB | Stock of microbial biomass OC | Mg ha−1 |
| L | Carbon in the organic residues | Mg ha−1 |
| H | Humus | Mg ha−1 |
| Quant | Flow of organic input (Quantity) | Mg ha−1 month−1 |
| Min | Flow of respiration of the organic carbon in the residues | Mg ha−1 month−1 |
| Humification | Flow of humification | Mg ha−1 month−1 |
| Assi and Assi2 | Flow of assimilation | Mg ha−1 month−1 |
| Decay | Flow of MB decay | Mg ha−1 month−1 |
| Min2 | Flow of secondary mineralization | Mg ha−1 month−1 |
| K1 | Rate of residue decomposition | month−1 |
| K2 | Rate of humus decomposition | month−1 |
| Fh | Fraction of humification | Adimensional |
| Fr | Fraction of respiration | Adimensional |
| Kd | Rate of MB decay | month−1 |
| Runoff | Surface runoff | Mg ha−1 |
| DEC1 | Decomposition relation Cant, T, C/N | Mg ha−1 month−1 |
| DEC2 | Decomposition relation with Cant | Mg ha−1 month−1 |
| Qual | C:N ratio of residues (Quality) | Adimensional |
| Air T | Air Temperature | Centigrade grade |
| P | Precipitation | mm month−1 |
| F1, F2 | Conditional factors | Adimensional |

References
- Suttie, J.M.; Reynolds, S.G.; Batello, C. Grasslands of the World; FAO: Rome, Italy, 2005; Volume 34. [Google Scholar]
- Reeder, J.D.; Schuman, G.E. Influence of livestock grazing on C sequestration in semi-arid mixed-grass and short-grass rangelands. Environ. Pollut. 2002, 116, 457–463. [Google Scholar] [CrossRef]
- Lal, R. Soil Carbon Sequestration Impacts on Global Climate Change and Food Security. Science 2004, 304, 1623–1627. [Google Scholar] [CrossRef]
- Campbell, A.; Miles, L.; Lysenko, I.; Hughes, A.; Gibbs, H. Carbon Storage in Protected Areas: Technical Report; UNEP World Conservation Monitoring Centre: Cambridge, UK, 2008. [Google Scholar]
- Fisher, M.J.; Braz, S.P.; Santos, R.S.M.D.; Urquiaga, S.; Alves, B.; Boddey, R.M. Another dimension to grazing systems: Soil carbon. Trop. Grassl. 2007, 41, 65–83. [Google Scholar]
- Dahlgren, R.A.; Saigusa, M.; Ugolini, F.C. The Nature, Properties and Management of Volcanic Soils. In Advances in Agronomy; Academic Press: Cambridge, MA, USA, 2004; Volume 82, pp. 113–182. [Google Scholar]
- Panichini, M.; Mora, M.; Rumpel, C.; Borie, F.; Matus, F.; Godoy, R.; Bolan, N. Carbon distribution in top-and subsoil horizons of two contrasting Andisols under pasture or forest. Eur. J. Soil Sci. 2012, 63, 616–624. [Google Scholar] [CrossRef]
- Post, W.M.; Kwon, K.C. Soil carbon sequestration and land-use change: Processes and potential. Glob. Chang. Boil. 2000, 6, 317–327. [Google Scholar] [CrossRef]
- Mujuru, L.; Mureva, A.; Velthorst, E.; Hoosbeek, M. Land use and management effects on soil organic matter fractions in Rhodic Ferralsols and Haplic Arenosols in Bindura and Shamva districts of Zimbabwe. Geoderma 2013, 209, 262–272. [Google Scholar] [CrossRef]
- Falcón, R.L. Degradacion del Suelo, Causas Procesos Evaluación e Investigación; Centro Interamericano de Desarrollo e Investigación Ambiental y Territorial—Universidad de los Andes: Merida, Venezuela, 2002. [Google Scholar]
- Keesstra, S.; Bouma, J.; Wallinga, J.; Tittonell, P.; Smith, P.; Cerdá, A.; Montanarella, L.; Quinton, J.; Pachepsky, Y.; Van Der Putten, W.H.; et al. The significance of soils and soil science towards realization of the United Nations Sustainable Development Goals. Soil 2016, 2, 111–128. [Google Scholar] [CrossRef]
- Campbell, E.E.; Paustian, K. Current developments in soil organic matter modeling and the expansion of model applications: A review. Environ. Res. Lett. 2015, 10, 123004. [Google Scholar] [CrossRef]
- Ryan, M.G.; Law, B.E. Interpreting, measuring, and modeling soil respiration. Biogeochem. 2005, 73, 3–27. [Google Scholar] [CrossRef]
- Sanderson, M.A.; Archer, D.; Hendrickson, J.; Kronberg, S.; Liebig, M.; Nichols, K.; Schmer, M.; Tanaka, D.; Aguilar, J. Diversification and ecosystem services for conservation agriculture: Outcomes from pastures and integrated crop–livestock systems. Renew. Agric. Food Syst. 2013, 28, 129–144. [Google Scholar] [CrossRef]
- Turner, M.G.; Carpenter, S.R. Ecosystem Modeling for the 21st Century. Ecosystems 2016, 20, 211–214. [Google Scholar] [CrossRef]
- Battles, J.; Armesto, J.; Vann, D.R.; Zarin, D.J.; Aravena, J.C.; Pérez, C.; Johnson, A.H. Vegetation composition, structure, and biomass of two unpolluted watersheds in the Cordillera de Piuchué, Chiloé Island, Chile. Plant Ecol. 2002, 158, 5–19. [Google Scholar] [CrossRef]
- Peltoniemi, M.; Heikkinen, J.; Mäkipää, R. Stratification of regional sampling by model-predicted changes of carbon stocks in forested mineral soils. Silva Fenn. 2007, 41, 527–539. [Google Scholar] [CrossRef]
- Smith, P.; Smith, J.; Powlson, D.; McGill, W.; Arah, J.; Chertov, O.; Coleman, K.; Franko, U.; Frolking, S.; Jenkinson, D.; et al. A comparison of the performance of nine soil organic matter models using datasets from seven long-term experiments. Geoderma 1997, 81, 153–225. [Google Scholar] [CrossRef]
- Ito, A. Simulated impacts of climate and land-cover change on soil erosion and implication for the carbon cycle, 1901 to 2100. Geophys. Res. Lett. 2007, 34. [Google Scholar] [CrossRef]
- Pansu, M.; Sarmiento, L.; Metselaar, K.; Hervé, D.; Bottner, P. Modelling the transformations and sequestration of soil organic matter in two contrasting ecosystems of the Andes. Eur. J. Soil Sci. 2007, 58, 775–785. [Google Scholar] [CrossRef]
- Nicolardot, B.; Recous, S.; Mary, B. Simulation of C and N mineralisation during crop residue decomposition: A simple dynamic model based on the C:N ratio of the residues. Plant Soil 2001, 228, 83–103. [Google Scholar] [CrossRef]
- United States Department of Agriculture (USDA). Keys to Soil Taxonomy by Soil Survey Staff, 12th ed.; United States Department of Agriculture Natural Resources Conservation Service: Washington, DC, USA, 2014.
- Instituto Geográfico Agustín Codazzi. Estudio General de Suelos y Zonificación de Tierras Departamento del Cauca Escala 1: 100.000; Imprenta Nacional de Colombia: Bogotá, Colombia, 2009; Volume 1.
- CRC. Plan de Ordenación y Manejo de la Subcuenca Hidrográfica del Río las Piedras; Corporación Autónoma Regional del Cauca: Popayán, Colombia, 2006.
- Pearson, T.; Walker, S.; Brown, S. Sourcebook for Land Use, Land-Use Change and Forestry Projects; Winrock International: Washington, DC, USA, 2005. [Google Scholar]
- Burt, R. Soil Survey Staff, Method 3B6a. Soil Survey Laboratory Methods Manual; USDA-NRCS. GPO: Washington, DC, USA, 2004; Volume 42.
- Bittelli, M. Measuring soil water content: A review. HortTechnology 2011, 21, 293–300. [Google Scholar] [CrossRef]
- Environmental Protection Agency. Method 9045D. Soil and Waste pH; Environmental Monitoring and Support Lab., U.S. Environmental Protection Agency: Cincinnati, OH, USA, 2004.
- Schumacher, B.A. Methods for the Determination of Total Organic Carbon (TOC) in Soils and Sediments; EPA: Washington, DC, USA, 2002.
- Soil Survey Staff. Kellogg Soil Survey Laboratory Methods Manual. Soil Survey Investigations Report No. 42, Version 5.0; Burt and Soil Survey Staff, Ed.; U.S. Department of Agriculture, Natural Resources Conservation Service: Lincoln, NE, USA, 2014.
- Gomez-Taylor, M. Total Kjeldahl Nitrogen in Water and Biosolids by Automated Colorimetry with Preliminary Distillation/Digestion; U.S. Environmental Protection Agency Office of Water Office of Science and Technology Engineering and Analysis Division: Washington, DC, USA, 2001.
- Vance, E.; Brookes, P.; Jenkinson, D. Microbial biomass measurements in forest soils: The use of the chloroform fumigation-incubation method in strongly acid soils. Soil Boil. Biochem. 1987, 19, 697–702. [Google Scholar] [CrossRef]
- Porporato, A.; D’Odorico, P.; Laio, F.; Rodriguez-Iturbe, I. Hydrologic controls on soil carbon and nitrogen cycles. I. Modeling scheme. Adv. Water Resour. 2003, 26, 45–58. [Google Scholar] [CrossRef]
- Piccolo, A.; Spaccini, R.; Drosos, M.; Vinci, G.; Cozzolino, V. The molecular composition of humus carbon: Recalcitrance and reactivity in soils. In The Future of Soil Carbon: Its Conservation and Formation; Elsevier Science Publishing Co. Inc.: San Diego, CA, USA, 2018; p. 38. [Google Scholar]
- Jenkinson, D.S.; Andrew, S.P.S.; Lynch, J.M.; Goss, M.J.; Tinker, P.B. The Turnover of Organic Carbon and Nitrogen in Soil [and Discussion]. Philos. Trans. Biol. Sci. 1990, 329, 361–368. [Google Scholar]
- Batlle-Aguilar, J.; Brovelli, A.; Porporato, A.; Barry, D.A. Modelling soil carbon and nitrogen cycles during land use change. A review. Agron. Sustain. Dev. 2011, 31, 251–274. [Google Scholar] [CrossRef]
- Bertora, C.; Zavattaro, L.; Sacco, D.; Monaco, S.; Grignani, C. Soil organic matter dynamics and losses in manured maize-based forage systems. Eur. J. Agron. 2009, 30, 177–186. [Google Scholar] [CrossRef]
- Realpe, I.D.S.B.; Pardo, C.A.A.; Peinado, F.J.M. Efecto de la calidad de la materia orgánica asociada con el uso y manejo de suelos en la retención de cadmio en sistemas altoandinos de Colombia. Acta Agron. 2014, 63, 164–174. [Google Scholar] [CrossRef]
- Antil, R.; Bar-Tal, A.; Fine, P.; Hadas, A. Predicting Nitrogen and Carbon Mineralization of Composted Manure and Sewage Sludge in Soil. Compos. Sci. Util. 2011, 19, 33–43. [Google Scholar] [CrossRef]
- Sánchez-Cárdenas, S.; Crespo-López, G.; Hernández-Chávez, M.; García-Ortega, Y. Estudio de la descomposición de la hojarasca en un pastizal de Panicum maximum Jacq cv. Likoni. Pastos Forrajes 2007, 30, 2007. [Google Scholar]
- Arriola, I.S. Producción de hojarasca y reciclaje de nutrientes de dos especies arbóreas y dos gramíneas en pasturas de Muy Muy, Nicaragua; CATIE: Turrialba, Costa Rica, 2006. [Google Scholar]
- Trujillo, W.; Fisher, M.; Lal, R. Root dynamics of native savanna and introduced pastures in the Eastern Plains of Colombia. Soil Tillage Res. 2006, 87, 28–38. [Google Scholar] [CrossRef]
- Eusufzai, M.K.; Deb, S.K.; Fujii, K.; Maeda, T. Mass Loss and C and N Release from Decomposing Fresh and Composted Residues as Affected by Cold Climate Conditions. Environ. Nat. Resour. Res. 2013, 3, 116–127. [Google Scholar] [CrossRef]
- Soltner, D. Les Bases de La Production Végétale (I): Le Sol, 22nd ed.; Sciences et Techniques Agricoles: Bressuire, France, 2005. [Google Scholar]
- Huang, C.-Y.; Hendrix, P.F.; Fahey, T.J.; Bohlen, P.J.; Groffman, P.M. A simulation model to evaluate the impacts of invasive earthworms on soil carbon dynamics. Ecol. Model. 2010, 221, 2447–2457. [Google Scholar] [CrossRef]
- Fu, S.; Cabrera, M.L.; Coleman, D.; Kisselle, K.W.; Garrett, C.J.; Hendrix, P.F.; Crossley, D.A. Soil carbon dynamics of conventional tillage and no-till agroecosystems at Georgia Piedmont—HSB-C models. Ecol. Model. 2000, 131, 229–248. [Google Scholar] [CrossRef]
- Food and Agriculture Organization (FAO). Manual de Sistemas de Labranza Para América Latina; FAO: Roma, Italy, 1992. [Google Scholar]
- De Myttenaere, A.; Golden, B.; Le Grand, B.; Rossi, F. Mean Absolute Percentage Error for regression models. Neurocomputing 2016, 192, 38–48. [Google Scholar] [CrossRef]
- Willmott, C.; Matsuura, K. Advantages of the mean absolute error (MAE) over the root mean square error (RMSE) in assessing average model performance. Clim. Res. 2005, 30, 79–82. [Google Scholar] [CrossRef]
- Manzoni, S.; Jackson, R.B.; Trofymow, J.A.; Porporato, A. The Global Stoichiometry of Litter Nitrogen Mineralization. Science 2008, 321, 684–686. [Google Scholar] [CrossRef]
- Ratcliffe, S.; Bosman, B.; Carnol, M. Spatial and temporal variability of biological indicators of soil quality in two forest catchments in Belgium. Appl. Soil Ecol. 2018, 126, 148–159. [Google Scholar] [CrossRef]
- Koga, N. Tillage, fertilizer type, and plant residue input impacts on soil carbon sequestration rates on a Japanese Andosol. Soil Sci. Plant Nutr. 2017, 63, 396–404. [Google Scholar] [CrossRef]
- Ibrahim, M.; Chacón, M.; Cuartas, C.; Naranjo, J.; Ponce, G.; Vega, P.; Casasola, F.; Rojas, J. Almacenamiento de carbono en el suelo y la biomasa arbórea en sistemas de usos de la tierra en paisajes ganaderos de Colombia, Costa Rica y Nicaragua. Agrofor. Am. 2007, 45, 27–36. [Google Scholar]
- Trilleras, J.; Jaramillo, V.J.; Vega, E.V.; Balvanera, P. Effects of livestock management on the supply of ecosystem services in pastures in a tropical dry region of western Mexico. Agric. Ecosyst. Environ. 2015, 211, 133–144. [Google Scholar] [CrossRef]
- Kong, A.Y.Y.; Six, J.; Bryant, D.C.; Denison, R.F.; Van Kessel, C. The Relationship between Carbon Input, Aggregation, and Soil Organic Carbon Stabilization in Sustainable Cropping Systems. Soil Sci. Soc. Am. J. 2005, 69, 1078. [Google Scholar] [CrossRef]
- Thomsen, I.; Christensen, B. Yields of wheat and soil carbon and nitrogen contents following long-term incorporation of barley straw and ryegrass catch crops. Soil Use Manag. 2004, 20, 432–438. [Google Scholar] [CrossRef]
- Masto, R.E.; Chhonkar, P.K.; Singh, D.; Patra, A. Changes in soil biological and biochemical characteristics in a long-term field trial on a sub-tropical inceptisol. Soil Boil. Biochem. 2006, 38, 1577–1582. [Google Scholar] [CrossRef]
- Pandey, C.B.; Singh, G.B.; Singh, S.K.; Singh, R.K. Soil nitrogen and microbial biomass carbon dynamics in native forests and derived agricultural land uses in a humid tropical climate of India. Plant Soil 2010, 333, 453–467. [Google Scholar] [CrossRef]
- Luo, Y.; Zhou, X. Chapter 3—Processes of CO2 production in soil. In Soil Respiration and the Environment; Luo, Y., Zhou, X., Eds.; Academic Press: Cambridge, MA, USA, 2006; pp. 35–59. [Google Scholar]
- Ajwa, H.; Dell, C.; Rice, C. Changes in enzyme activities and microbial biomass of tallgrass prairie soil as related to burning and nitrogen fertilization. Soil Boil. Biochem. 1999, 31, 769–777. [Google Scholar] [CrossRef]
- Havlin, J.L.; Beaton, J.D.; Tisdale, S.L.; Nelson, W.L. Soil Fertility and Fertilizers: An Introduction to Nutrient Management. In Soil Fertility and Fertilizers; Pearson Education: Cranbury, NJ, USA, 2004; p. 528. [Google Scholar]
- Tonucci, R.; Nair, P.K.R.; Nair, V.D.; Garcia, R.; Bernardino, F.S. Soil Carbon Storage in Silvopasture and Related Land-Use Systems in the Brazilian Cerrado. J. Environ. Qual. 2011, 40, 833. [Google Scholar] [CrossRef]
- Aran, D.; Gury, M.; Jeanroy, E. Organo-metallic complexes in an Andosol: A comparative study with a Cambisol and Podzol. Geoderma 2001, 99, 65–79. [Google Scholar] [CrossRef]
- Powlson, D.; Gregory, P.; Whalley, W.R.; Quinton, J.; Hopkins, D.; Whitmore, A.; Hirsch, P.R.; Goulding, K. Soil management in relation to sustainable agriculture and ecosystem services. Food Policy 2011, 36, S72–S87. [Google Scholar] [CrossRef]
- Blanchart, E.; Bernoux, M.; Sarda, X.; Siqueira Neto, M.; Cerri, C.; Piccolo, M.; Douzet, J.M.; Scopel, E. Effect of direct seeding mulch-based systems on soil carbon storage and macrofauna in Central Brazil. Agric. Conspec. Sci. 2007, 72, 81–87. [Google Scholar]
- Jackson, R.B.; Lajtha, K.; Crow, S.E.; Hugelius, G.; Kramer, M.G.; Piñeiro, G. The Ecology of Soil Carbon: Pools, Vulnerabilities, and Biotic and Abiotic Controls. Annu. Rev. Ecol. Evol. Syst. 2017, 48, 419–445. [Google Scholar] [CrossRef]
- Food and Agriculture Organization of the United Nations (FAO). Land and Water Development Division. In Soil Tillage in Africa: Needs and Challenges; FAO: Rome, Italy, 1993. [Google Scholar]
- Nzeyimana, I.; Hartemink, A.; Ritsema, C.J.; Stroosnijder, L.; Lwanga, E.H.; Geissen, V. Mulching as a strategy to improve soil properties and reduce soil erodibility in coffee farming systems of Rwanda. Catena 2017, 149, 43–51. [Google Scholar] [CrossRef]



| Natural Pasture | Cultivated Pasture | |||||||
|---|---|---|---|---|---|---|---|---|
| (plot 1) | (plot 2) | (plot 1) | (plot 2) | |||||
| Mean | Sd | Mean | Sd | Mean | Sd | Mean | Sd | |
| Sand (%) | 55.66 | 0.81 | 58.02 | 0.71 | 65.80 | 1.40 | 52.43 | 1.19 |
| Clay (%) | 10.58 | 0.50 | 10.52 | 0.00 | 11.40 | 1.17 | 10.31 | 0.30 |
| Silt (%) | 33.76 | 0.81 | 31.76 | 0.71 | 22.80 | 1.70 | 37.26 | 1.35 |
| Soil moisture (%) | 65.32 | 11.45 | 66.68 | 12.53 | 62.73 | 4.35 | 63.84 | 12.77 |
| Bulk density (g cm−3) | 0.62 | 0.03 | 0.64 | 0.08 | 0.72 | 0.08 | 0.67 | 0.07 |
| Soil organic carbon (%) | 10.03 | 0.48 | 9.46 | 1.18 | 7.68 | 0.84 | 7.95 | 0.89 |
| Total Nitrogen (%) | 1.00 | 0.12 | 1.02 | 0.11 | 0.74 | 0.14 | 0.56 | 0.09 |
| pH (H2O) | 5.42 | 0.16 | 5.30 | 0.21 | 5.27 | 0.22 | 4.77 | 0.15 |
| CO2 (eq C) (kg ha−1 month−1) | 1223.12 | 450.10 | 1142.73 | 485.22 | 430.95 | 113.93 | 417.73 | 108.92 |
| Microbial Biomass (μg C g−1) | 270.81 | 89.63 | 257.6 | 71.2 | 108.09 | 33.65 | 113.10 | 35.30 |
| Parameters | Range Values | Calibrated Values | |
|---|---|---|---|
| Natural Pasture | Cultivated Pasture | ||
| K1 (month−1) | 0.001–0.9 | 0.0017 | 0.0080 |
| K2 (month−1) | 2.5 × 10−6–0 | 2.5 × 10−6 | 2.5 × 10−6 |
| Fr (month−1) | 0.2–0.8 | 0.78 | 0.72 |
| Fh (month−1) | 0.2–0.50 | 0.25 | 0.20 |
| Kd (month−1) | 0.01–1.2 | 0.05 | 0.06 |
| Natural Pasture | MAE | Cultivated Pasture | MAE | |||
|---|---|---|---|---|---|---|
| Observed | Modeled | Observed | Modeled | |||
| SOC (Mg ha−1) | 124.6 a | 123.67 a | 1.78 | 108.9 b | 110.3 b | 0.78 |
| MB (Mg ha−1) | 0.26 a | 0.242 a | 0.040 | 0.117 b | 0.104 b | 0.02 |
| eqC (Mg ha−1) | 1.143 a | 1.12 a | 0.418 b | 0.420 b | ||
| Humus pool (Mg ha−1) | 89.53 | 72.00 | ||||
| Litter pool (Mg ha−1) | 33.14 | 37.44 | ||||
© 2020 by the authors. Licensee MDPI, Basel, Switzerland. This article is an open access article distributed under the terms and conditions of the Creative Commons Attribution (CC BY) license (http://creativecommons.org/licenses/by/4.0/).
Share and Cite
Ordoñez, M.-C.; Casanova Olaya, J.F.; Galicia, L.; Figueroa, A. Soil Carbon Dynamics under Pastures in Andean Socio-Ecosystems of Colombia. Agronomy 2020, 10, 507. https://doi.org/10.3390/agronomy10040507
Ordoñez M-C, Casanova Olaya JF, Galicia L, Figueroa A. Soil Carbon Dynamics under Pastures in Andean Socio-Ecosystems of Colombia. Agronomy. 2020; 10(4):507. https://doi.org/10.3390/agronomy10040507
Chicago/Turabian StyleOrdoñez, María-Cristina, Juan Fernando Casanova Olaya, Leopoldo Galicia, and Apolinar Figueroa. 2020. "Soil Carbon Dynamics under Pastures in Andean Socio-Ecosystems of Colombia" Agronomy 10, no. 4: 507. https://doi.org/10.3390/agronomy10040507
APA StyleOrdoñez, M.-C., Casanova Olaya, J. F., Galicia, L., & Figueroa, A. (2020). Soil Carbon Dynamics under Pastures in Andean Socio-Ecosystems of Colombia. Agronomy, 10(4), 507. https://doi.org/10.3390/agronomy10040507

