Facile Electret Fabrication for Energy Harvesting from Human Gait
Abstract
1. Introduction
2. Materials and Methods
2.1. Materials and Devices
2.1.1. Materials
2.1.2. Devices
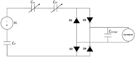
2.2. Electret Fabrication and Discharge Monitoring
2.3. Energy Harvesting Tests
2.3.1. Working Principle
2.3.2. Energy Harvesting Tests on a Resistive Load
2.3.3. Energy Harvesting Tests in Optimized Configuration on a Resistive Load
2.3.4. Energy Harvesting Tests in Optimized Configuration on Capacitive Load
3. Results
3.1. Electret Fabrication and Discharge Monitoring
3.2. Energy Harvesting Tests
3.2.1. Energy Harvesting Tests on Resistive Load
3.2.2. Energy Harvesting Tests in Optimized Configuration on Resistive Load
3.2.3. Energy Harvesting Tests in Optimized Configuration on Capacitive Load
4. Discussion
Supplementary Materials
Author Contributions
Funding
Institutional Review Board Statement
Data Availability Statement
Acknowledgments
Conflicts of Interest
Abbreviations
| DE | Dielectric elastomer |
| DEG | Dielectric elastomer generator |
| EH | Energy harvesting |
| TPU | Thermoplastic polyurethane |
| PTFE | Polytetrafluoroethylene |
| THV | Tetrafluorethylene-hexafluorpropylene vinylidenfluoride |
| PDMS | Polydimethysiloxane |
| FEP | Fluorinated Ethylene propylene |
| PET | Polyethylene terephthalate |
| HV | High voltage |
| CCTO | CaCu2Ti4O12 |
| FDM | Fused deposition modeling |
Appendix A




References
- Moretti, G.; Rosset, S.; Vertechy, R.; Anderson, I.; Fontana, M. A Review of Dielectric Elastomer Generator Systems. Adv. Intell. Syst. 2020, 2, 2000125. [Google Scholar] [CrossRef]
- Invernizzi, F.; Dulio, S.; Patrini, M.; Guizzetti, G.; Mustarelli, P. Energy harvesting from human motion: Materials and techniques. Chem. Soc. Rev. 2016, 45, 5455–5473. [Google Scholar] [CrossRef] [PubMed]
- Invernizzi, F.; Patrini, M.; Vezzù, K.; Di Noto, V.; Mustarelli, P. Polyurethane-Based Electrostrictive Nanocomposites as High Strain-Low Frequency Mechanical Energy Harvesters. J. Phys. Chem. C 2018, 122, 21115–21123. [Google Scholar] [CrossRef]
- Sessler, G.M. Electrets. In Topics in Applied Physics, 2nd ed.; Springer: Berlin/Heidelberg, Germany, 1980; Volume 33. [Google Scholar]
- Jean-Mistral, C.; Vu-Cong, T.; Sylvestre, A. Advances for dielectric elastomer generators: Replacement of high voltage supply by electret. Appl. Phys. Lett. 2012, 101, 162901. [Google Scholar] [CrossRef]
- Vu-Cong, T.; Jean-Mistral, C.; Sylvestre, A. Electrets substituting external bias voltage in dielectric elastomer generators: Application to human motion. Smart Mater. Struct. 2013, 22, 025012. [Google Scholar] [CrossRef]
- Lee, Y.J.; Caspari, P.; Opris, D.M.; Nüesch, F.A.; Ham, S.; Kim, J.; Kim, S.; Ju, B.; Choi, W.K. Electrical energy generated by silicone elastomers filled with nanospring-carbon-nanotubes. J. Mater. Chem. C 2019, 7, 3535. [Google Scholar] [CrossRef]
- Genter, S.; Paul, O. Influence of a SiN Drift-Barrier on the Charge Decay in Parylene-C Electret Layers. J. Phys. Conf. Ser. 2013, 476, 012084. [Google Scholar] [CrossRef]
- Huiming, X.; Gangjin, C.; Xumin, C.; Zhi, C. A Flexible Electret Membrane with Persistent Electrostatic Effect and Resistance to Harsh Environment for Energy Harvesting. Sci. Rep. 2017, 7, 8843. [Google Scholar] [CrossRef] [PubMed]
- Li, H.; Guo, Z.; Kuang, S.; Wang, H.; Wang, Y.; Wu, T.; Wang, Z.L.; Zhu, G. Nanocomposite electret with surface potential self-recovery from water dipping for environmentally stable energy harvesting. Nano Energy 2019, 64, 103913. [Google Scholar] [CrossRef]
- Peter, D.; Pichler, R.; Bauer, S.; Schwödiauer, R. Electrostatic converter with an electret-like elastomer membrane for large scale energy harvesting of low-density energy sources. Extreme Mech. Lett. 2015, 4, 38–44. [Google Scholar] [CrossRef]
- Sakane, Y.; Suzuki, Y.; Kasagi, N. The development of a high-performance perfluorinated polymer electret and its application to micro power generation. J. Micromech. Microeng. 2018, 18, 104011. [Google Scholar] [CrossRef]
- Dassanayaka, D.G.; Alves, T.M.; Wanasekara, N.D.; Dharmasena, I.G.; Ventura, J. Recent Progresses in Wearable Triboelectric Nanogenerators. Adv. Funct. Mater. 2022, 32, 2205438. [Google Scholar] [CrossRef]
- Chen, G.; Xu, Y.; Chen, X.; Xiao, H. A charging method for electrets based on interfacial polarization. IEEE Trans. Dielectr. Electr. Insul. 2018, 25, 797–802. [Google Scholar] [CrossRef]
- DuPont™ Teflon® FEP film Technical Data Sheet. Available online: https://docs.rs-online.com/7e7e/0900766b8065a8bd.pdf (accessed on 16 February 2025).
- NinjaTek. Cheetah Technical Data Sheet. Available online: https://ninjatek.com/wp-content/uploads/Cheetah-TDS.pdf (accessed on 18 January 2025).
- PET Data Sheet. Available online: https://docs.rs-online.com/71e2/0900766b81582806.pdf (accessed on 16 February 2025).
- Mayer, P.; Magno, M.; Benini, L. Energy-Positive Activity Recognition—From Kinetic Energy Harvesting to Smart Self-Sustainable Wearable Devices. IEEE Trans. Biomed. Circuits Syst. 2021, 15, 926–937. [Google Scholar] [CrossRef] [PubMed]
- Giacometti, J.A.; Fedosov, S.; Costa, M.M. Corona charging of polymers: Recent advances on constant current charging. Braz. J. Phys. 1999, 29, 269–279. [Google Scholar] [CrossRef]
- Boisseau, S.; Despesse, G.; Sylvestre, A. Optimization of an electret-based energy harvester. Smart Mater. Struct. 2010, 19, 075015. [Google Scholar] [CrossRef]









| Surface Area (cm2) | Thickness (μm) | Rload (MΩ) | Electret Vs (Volt) | Electret σS (nC/cm2) | ||
|---|---|---|---|---|---|---|
| Electret | DE 1 | Electret | DE 1 | |||
| 14 (7 × 2) | 12 (6 × 2) | 50 | 50 | 450 | −1500 | −53 |
| Surface Area (cm2) | Thickness (μm) | Rload (MΩ) | Electret Vs (Volt) | Electret σS (nC/cm2) | ||
|---|---|---|---|---|---|---|
| Electret | DE 1 | Electret | DE 1 | |||
| 20 (5 × 4) | 16 (4 × 4) | 50 | 30 | 450 | −1500 | −53 |
| Surface Area (cm2) | Thickness (μm) | Cload (μF) | Electret Vs (Volt) | Electret σS (nC/cm2) | ||
|---|---|---|---|---|---|---|
| Electret | DE 1 | Electret | DE 1 | |||
| 20 (5 × 4) | 16 (4 × 4) | 50 | 30 | 1 | −1500 | −53 |
| Test 1 | Surface Area (cm2) | Thickness (μm) | Load | Energy/Cycle (µJ) | Energy/Cycle/Area (µJ/cm2) | |||
|---|---|---|---|---|---|---|---|---|
| Electret | DE 2 | Electret | DE | Rload (MΩ) | Rload (μF) | |||
| EH on resistive load | 14 | 12 | 50 | 50 | 450 | - | 8.6 | 0.6 |
| Optimized configuration on resistive load | 20 (5 × 4) | 16 (4 × 4) | 50 | 30 | 450 | - | 62 | 3.1 |
| Optimized configuration on capacitive load | 20 (5 × 4) | 16 (4 × 4) | 50 | 30 | - | 1 | 2 | 0.1 |
| Ref | Electret Vs (Volt) | Energy/Cycle (µJ) | Peak Power (mW) |
|---|---|---|---|
| Jean-Mistral et al. [5] | −1000 | 33 | - |
| Lee et al. [7] | −1000 | 495 | - |
| Genter et al. [8] | −600 | - | - |
| Humming et al. [9] | −550 | 4.66 | - |
| Huayang Li et al. [10] | −2400 | - | 54 |
| Peter et al. [11] | −500 | 206 | - |
| Sakane et al. [12] | −640 | - | 0.7 |
| This work | −1500 | 62 | 3 |
Disclaimer/Publisher’s Note: The statements, opinions and data contained in all publications are solely those of the individual author(s) and contributor(s) and not of MDPI and/or the editor(s). MDPI and/or the editor(s) disclaim responsibility for any injury to people or property resulting from any ideas, methods, instructions or products referred to in the content. |
© 2025 by the authors. Licensee MDPI, Basel, Switzerland. This article is an open access article distributed under the terms and conditions of the Creative Commons Attribution (CC BY) license (https://creativecommons.org/licenses/by/4.0/).
Share and Cite
Zanoletti, M.; Vitulo, P.; Morina, R.; Callegari, D.; Viola, R.; Mustarelli, P.; Patrini, M. Facile Electret Fabrication for Energy Harvesting from Human Gait. Polymers 2025, 17, 664. https://doi.org/10.3390/polym17050664
Zanoletti M, Vitulo P, Morina R, Callegari D, Viola R, Mustarelli P, Patrini M. Facile Electret Fabrication for Energy Harvesting from Human Gait. Polymers. 2025; 17(5):664. https://doi.org/10.3390/polym17050664
Chicago/Turabian StyleZanoletti, Michele, Paolo Vitulo, Riccardo Morina, Daniele Callegari, Riccardo Viola, Piercarlo Mustarelli, and Maddalena Patrini. 2025. "Facile Electret Fabrication for Energy Harvesting from Human Gait" Polymers 17, no. 5: 664. https://doi.org/10.3390/polym17050664
APA StyleZanoletti, M., Vitulo, P., Morina, R., Callegari, D., Viola, R., Mustarelli, P., & Patrini, M. (2025). Facile Electret Fabrication for Energy Harvesting from Human Gait. Polymers, 17(5), 664. https://doi.org/10.3390/polym17050664

