Driving the Green Transition: Innovative Tyre Formulation Using Agricultural and Pyrolysed Tyres Waste
Abstract
1. Introduction
2. Materials and Methods
2.1. Materials
2.2. Preparation of Rubber Composites
2.3. Characterisation of Tyre Composites
2.3.1. Scanning Electron Microsc1opy (SEM)
2.3.2. Brunauer–Emmett–Teller (BET)
2.3.3. Attenuated Total Reflectance-Fourier Transform Infrared Spectroscopy (ATR-FTIR)
2.3.4. Bound Rubber Contents
2.3.5. Payne Effect
2.3.6. Thermogravimetric Analysis (TGA)
2.3.7. Mechanical Properties
2.3.8. Environmental Analysis
2.3.9. Environmental Analysis
3. Results and Discussion
3.1. Characterisation of the Uncured Composites
- Bound rubber test
- Payne effect
3.2. Characterisation of the Vulcanised Composites
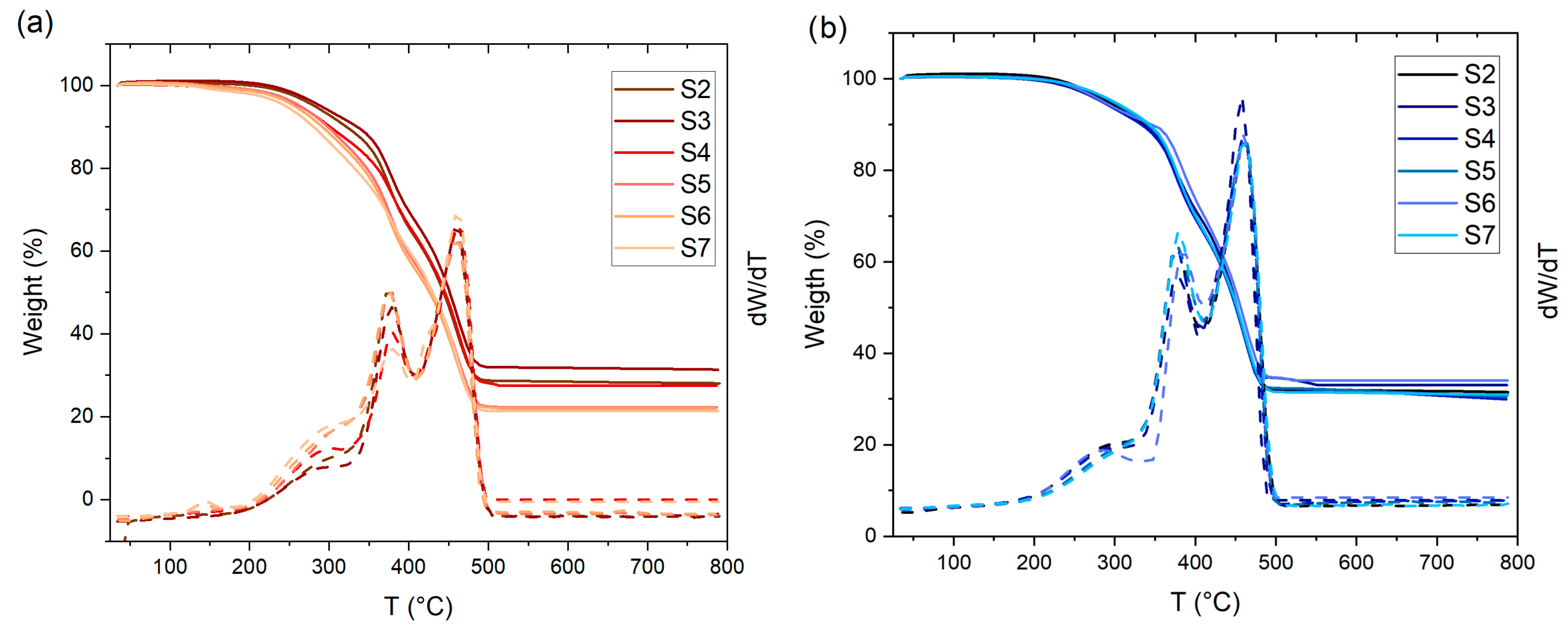
- Thermogravimetric analysis of vulcanised composites
- Mechanical properties of the vulcanised rubber composites
3.3. Environmental Analysis Evaluation
3.4. Economic Analysis
4. Conclusions
Supplementary Materials
Author Contributions
Funding
Data Availability Statement
Acknowledgments
Conflicts of Interest
Correction Statement
References
- Farida, E.; Bukit, N.; Ginting, E.M.; Bukit, B.F. The Effect of Carbon Black Composition in Natural Rubber Compound. Case Stud. Therm. Eng. 2019, 16, 100566. [Google Scholar] [CrossRef]
- Keya, K.N.; Kona, N.A.; Koly, F.A.; Maraz, K.M.; Islam, M.N.; Khan, R.A. Natural Fiber Reinforced Polymer Composites: History, Types, Advantages and Applications. Mater. Eng. Res. 2019, 1, 69–85. [Google Scholar] [CrossRef]
- Markovic, G.; Visakh, P.M.; Markovic, G.; Visakh, P. Cellulose Based Rubber Nanocomposites. In Rubber Based Bionanocomposites; Springer: Cham, Switzerland, 2017; pp. 17–33. [Google Scholar]
- Utrera-Barrios, S.; Bascuñan, A.; Verdejo, R.; López-Manchado, M.Á.; Aguilar-Bolados, H.; Hernández Santana, M. Sustainable Fillers for Elastomeric Compounds. In Green-Based Nanocomposite Materials and Applications; Springer: Berlin/Heidelberg, Germany, 2023; pp. 31–61. [Google Scholar]
- Joshi, M.; Dwivedi, C.; Manjare, S. A Renewable Cellulose-Rich Biofiller Material Extracted from Waste Banana Stem Fibers for Reinforcing Natural Rubber Composites. J. Mater. Sci. 2024, 59, 519–534. [Google Scholar] [CrossRef]
- Rajkiewicz, M.; Ślączka, M.; Czakaj, J. Rubber Technology Compounding and Testing for Performance: Part I-the Butyl Rubber Compounds. Adhesive Properties. Key Eng. Mater. Curr. State Art Nov. Mater. 2014, 1, 385. [Google Scholar]
- Jovičić, M.; Bera, O.; Stojanov, S.; Pavličević, J.; Govedarica, D.; Bobinac, I.; Hollo, B.B. Effects of Recycled Carbon Black Generated from Waste Rubber on the Curing Process and Properties of New Natural Rubber Composites. Polym. Bull. 2023, 80, 5047–5069. [Google Scholar] [CrossRef]
- Ulfah, I.M.; Fidyaningsih, R.; Rahayu, S.; Fitriani, D.A.; Saputra, D.A.; Winarto, D.A.; Wisojodharmo, L.A. Influence of Carbon Black and Silica Filler on the Rheological and Mechanical Properties of Natural Rubber Compound. Procedia Chem. 2015, 16, 258–264. [Google Scholar] [CrossRef]
- Fan, Y.; Fowler, G.D. The Potential of Pyrolytic Biomass as a Sustainable Biofiller for Styrene-Butadiene Rubber. Adv. Surf. Eng. Res. 2018, 5, 89–104. [Google Scholar]
- Baan, R.A. Carcinogenic Hazards from Inhaled Carbon Black, Titanium Dioxide, and Talc Not Containing Asbestos or Asbestiform Fibers: Recent Evaluations by an IARC Monographs Working Group. Inhal. Toxicol. 2007, 19, 213–228. [Google Scholar] [CrossRef]
- Mei, J.; Liu, W.; Huang, J.; Qiu, X. Lignin-Reinforced Ethylene-Propylene-Diene Copolymer Elastomer via Hydrogen Bonding Interactions. Macromol. Mater. Eng. 2019, 304, 1800689. [Google Scholar] [CrossRef]
- Zhou, Y.; Fan, M.; Chen, L.; Zhuang, J. Lignocellulosic Fibre Mediated Rubber Composites: An Overview. Compos. Part B Eng. 2015, 76, 180–191. [Google Scholar] [CrossRef]
- Zhang, Y.; Favez, O.; Canonaco, F.; Liu, D.; Močnik, G.; Amodeo, T.; Sciare, J.; Prévôt, A.S.H.; Gros, V.; Albinet, A. Evidence of Major Secondary Organic Aerosol Contribution to Lensing Effect Black Carbon Absorption Enhancement. NPJ Clim. Atmos. Sci. 2018, 1, 47. [Google Scholar] [CrossRef]
- Muralidaran, V.M.; Natrayan, L.; Kaliappan, S.; Patil, P.P. Grape Stalk Cellulose Toughened Plain Weaved Bamboo Fiber-Reinforced Epoxy Composite: Load Bearing and Time-Dependent Behavior. Biomass Convers. Biorefin. 2023, 13, 14317–14324. [Google Scholar] [CrossRef]
- Singh, T.; Gangil, B.; Patnaik, A.; Biswas, D.; Fekete, G. Agriculture Waste Reinforced Corn Starch-Based Biocomposites: Effect of Rice Husk/Walnut Shell on Physicomechanical, Biodegradable and Thermal Properties. Mater. Res. Express 2019, 6, 45702. [Google Scholar] [CrossRef]
- Barrera, C.S.; Cornish, K. Processing and Mechanical Properties of Natural Rubber/Waste-Derived Nano Filler Composites Compared to Macro and Micro Filler Composites. Ind. Crops Prod. 2017, 107, 217–231. [Google Scholar] [CrossRef]
- Chang, B.P.; Gupta, A.; Muthuraj, R.; Mekonnen, T.H. Bioresourced Fillers for Rubber Composite Sustainability: Current Development and Future Opportunities. Green Chem. 2021, 23, 5337–5378. [Google Scholar] [CrossRef]
- Guo, F.; Jia, X.; Liang, S.; Zhou, N.; Chen, P.; Ruan, R. Development of Biochar-Based Nanocatalysts for Tar Cracking/Reforming during Biomass Pyrolysis and Gasification. Bioresour. Technol. 2020, 298, 122263. [Google Scholar] [CrossRef] [PubMed]
- Drupitha, M.P.; Muthuraj, R.; Misra, M.; Mohanty, A.K. Sustainable Biofillers and Their Biocomposites: Opportunities and Challenges. In Progress in Polymer Research for Biomedical, Energy and Specialty Applications; CRC Press: Boca Raton, FL, USA, 2022; pp. 45–72. [Google Scholar]
- Vigneshwaran, S.; Sundarakannan, R.; John, K.M.; Joel Johnson, R.D.; Prasath, K.A.; Ajith, S.; Arumugaprabu, V.; Uthayakumar, M.; Johnson, R.D.J.; Prasath, K.A.; et al. Recent Advancement in the Natural Fiber Polymer Composites: A Comprehensive Review. J. Clean. Prod. 2020, 277, 124109. [Google Scholar] [CrossRef]
- Gurunathan, T.; Mohanty, S.; Nayak, S.K. A Review of the Recent Developments in Biocomposites Based on Natural Fibres and Their Application Perspectives. Compos. Part A Appl. Sci. Manuf. 2015, 77, 1–25. [Google Scholar] [CrossRef]
- Roy, K.; Pongwisuthiruchte, A.; Debnath, S.C.; Potiyaraj, P. Application of Cellulose as Green Filler for the Development of Sustainable Rubber Technology. Curr. Res. Green Sustain. Chem. 2021, 4, 100140. [Google Scholar] [CrossRef]
- Abraham, E.; Deepa, B.; Pothan, L.A.; John, M.; Narine, S.S.; Thomas, S.; Anandjiwala, R. Physicomechanical Properties of Nanocomposites Based on Cellulose Nanofibre and Natural Rubber Latex. Cellulose 2013, 20, 417–427. [Google Scholar] [CrossRef]
- Yazdani, E.; Hashemabadi, S.H.; Taghizadeh, A. Study of Waste Tire Pyrolysis in a Rotary Kiln Reactor in a Wide Range of Pyrolysis Temperature. Waste Manag. 2019, 85, 195–201. [Google Scholar] [CrossRef] [PubMed]
- Torretta, V.; Rada, E.C.; Ragazzi, M.; Trulli, E.; Istrate, I.A.; Cioca, L.I. Treatment and Disposal of Tyres: Two EU Approaches. A Review. Waste Manag. 2015, 45, 152–160. [Google Scholar] [CrossRef]
- Ahmed, K.Z.; Faizan, M. Comprehensive Characterization of Waste Tire Rubber Powder. J. Inst. Eng. Ser. E 2024, 105, 11–20. [Google Scholar] [CrossRef]
- Lewandowski, W.M.; Januszewicz, K.; Kosakowski, W. Efficiency and Proportions of Waste Tyre Pyrolysis Products Depending on the Reactor Type—A Review. J. Anal. Appl. Pyrolysis 2019, 140, 25–53. [Google Scholar] [CrossRef]
- Czajczyńska, D.; Krzyżyńska, R.; Jouhara, H.; Spencer, N. Use of Pyrolytic Gas from Waste Tire as a Fuel: A Review. Energy 2017, 134, 1121–1131. [Google Scholar] [CrossRef]
- Sienkiewicz, M.; Janik, H.; Borzędowska-Labuda, K.; Kucińska-Lipka, J. Environmentally Friendly Polymer-Rubber Composites Obtained from Waste Tyres: A Review. J. Clean. Prod. 2017, 147, 560–571. [Google Scholar] [CrossRef]
- Dunuwila, P.; Rodrigo, V.H.L.; Goto, N. Financial and Environmental Sustainability in Manufacturing of Crepe Rubber in Terms of Material Flow Analysis, Material Flow Cost Accounting and Life Cycle Assessment. J. Clean. Prod. 2018, 182, 587–599. [Google Scholar] [CrossRef]
- Pyay, S.; Thanungkano, W.; Mungkalasiri, J.; Musikavong, C. A Life Cycle Assessment of Intermediate Rubber Products in Thailand from the Product Environmental Footprint Perspective. J. Clean. Prod. 2019, 237, 117632. [Google Scholar] [CrossRef]
- Soratana, K.; Rasutis, D.; Azarabadi, H.; Eranki, P.L.; Landis, A.E. Guayule as an Alternative Source of Natural Rubber: A Comparative Life Cycle Assessment with Hevea and Synthetic Rubber. J. Clean. Prod. 2017, 159, 271–280. [Google Scholar] [CrossRef]
- Yasin, S.; Hussain, M.; Zheng, Q.; Song, Y. Thermo-Soil Weathering and Life Cycle Assessment of Carbon Black, Silica and Cellulose Nanocrystal Filled Rubber Nanocomposites. Sci. Total Environ. 2022, 835, 155521. [Google Scholar] [CrossRef]
- Choi, S. Difference in Bound Rubber Formation of Silica and Carbon Black with Styrene-butadiene Rubber. Polym. Adv. Technol. 2002, 13, 466–474. [Google Scholar] [CrossRef]
- Payne, A.R.; Whittaker, R.E. Low Strain Dynamic Properties of Filled Rubbers. Rubber Chem. Technol. 1971, 44, 440–478. [Google Scholar] [CrossRef]
- ISO 868:2003; Plastics and Ebonite—Determination of Indentation Hardness by Means of a Durometer (Shore Hardness). ISO: Geneva, Switzerland, 2003.
- Masłowski, M.; Miedzianowska, J.; Strzelec, K. Natural Rubber Biocomposites Containing Corn, Barley and Wheat Straw. Polym. Test. 2017, 63, 84–91. [Google Scholar] [CrossRef]
- Piccinno, F.; Hischier, R.; Seeger, S.; Som, C. From Laboratory to Industrial Scale: A Scale-up Framework for Chemical Processes in Life Cycle Assessment Studies. J. Clean. Prod. 2016, 135, 1085–1097. [Google Scholar] [CrossRef]
- Ugwu, S.N.; Harding, K.; Enweremadu, C.C. Comparative Life Cycle Assessment of Enhanced Anaerobic Digestion of Agro-Industrial Waste for Biogas Production. J. Clean. Prod. 2022, 345, 131178. [Google Scholar] [CrossRef]
- Al-Salem, S.M. Slow Pyrolysis of End of Life Tyres (ELTs) Grades: Effect of Temperature on Pyro-Oil Yield and Quality. J. Environ. Manag. 2022, 301, 113863. [Google Scholar] [CrossRef]
- Williams, P.T.; Besler, S. Pyrolysis-Thermogravimetric Analysis of Tires. Fuel 1995, 74, 1277–1283. [Google Scholar] [CrossRef]
- Clift, R.; Doig, A.; Finnveden, G. The Application of Life Cycle Assessment to Integrated Solid Waste Management: Part 1—Methodology. Process Saf. Environ. Prot. 2000, 78, 279–287. [Google Scholar] [CrossRef]
- Thushari, I.; Vicheanteab, J.; Janjaroen, D. Material Flow Analysis and Life Cycle Assessment of Solid Waste Management in Urban Green Areas, Thailand. Sustain. Environ. Res. 2020, 30, 21. [Google Scholar] [CrossRef]
- Demichelis, F.; Fiore, S.; Pleissner, D.; Venus, J. Technical and Economic Assessment of Food Waste Valorization through a Biorefinery Chain. Renew. Sustain. Energy Rev. 2018, 94, 38–48. [Google Scholar] [CrossRef]
- Thommes, M.; Kaneko, K.; Neimark, A.V.; Olivier, J.P.; Rodriguez-Reinoso, F.; Rouquerol, J.; Sing, K.S.W. Physisorption of Gases, with Special Reference to the Evaluation of Surface Area and Pore Size Distribution (IUPAC Technical Report). Pure Appl. Chem. 2015, 87, 1051–1069. [Google Scholar] [CrossRef]
- Williams, J.H.; Gbadomosi, M.; Greytak, A.B.; Myrick, M.L. Measuring the Surface Area of Carbon Black Using BET Isotherms: An Experiment in Physical Chemistry. J. Chem. Educ. 2023, 100, 4838–4844. [Google Scholar] [CrossRef]
- Shah, J.; Jan, M.R.; Mabood, F.; Shahid, M. Conversion of Waste Tyres into Carbon Black and Their Utilization as Adsorbent. J. Chin. Chem. Soc. 2006, 53, 1085–1089. [Google Scholar] [CrossRef]
- Teng, H.; Serio, M.A.; Wójtowiez, M.A.; Bassilakis, R.; Solomon, P.R. Reprocessing of Used Tires into Activated Carbon and Other Products. Ind. Eng. Chem. Res. 1995, 34, 3102–3111. [Google Scholar] [CrossRef]
- Li, Z.H.; Zhang, J.; Chen, S.J. Effects of Carbon Blacks with Various Structures on Vulcanization and Reinforcement of Filled Ethylene-Propylene-Diene Rubber. Express Polym. Lett. 2008, 2, 695–704. [Google Scholar] [CrossRef]
- Mikulova, Z.; Sedenkova, I.; Matejova, L.; Večeř, M.; Dombek, V. Study of Carbon Black Obtained by Pyrolysis of Waste Scrap Tyres. J. Therm. Anal. Calorim. 2013, 111, 1475–1481. [Google Scholar] [CrossRef]
- Wu, H.Y.; Chen, S.S.; Liao, W.; Wang, W.; Jang, M.F.; Chen, W.H.; Ahamad, T.; Alshehri, S.M.; Hou, C.H.; Lin, K.S.; et al. Assessment of Agricultural Waste-Derived Activated Carbon in Multiple Applications. Environ. Res. 2020, 191, 110176. [Google Scholar] [CrossRef]
- Balbay, S. Effects of Recycled Carbon-Based Materials on Tyre. J. Mater. Cycles Waste Manag. 2020, 22, 1768–1779. [Google Scholar] [CrossRef]
- Xue, B.; Wang, X.; Sui, J.; Xu, D.; Zhu, Y.; Liu, X. A Facile Ball Milling Method to Produce Sustainable Pyrolytic Rice Husk Bio-Filler for Reinforcement of Rubber Mechanical Property. Ind. Crops Prod. 2019, 141, 111791. [Google Scholar] [CrossRef]
- Darmstadt, H.; Roy, C.; Kaliaguine, S. Characterization of Pyrolytic Carbon Blacks from Commercial Tire Pyrolysis Plants. Carbon 1995, 33, 1449–1455. [Google Scholar] [CrossRef]
- Lachman, J.; Hejtmánková, A.; Hejtmánková, K.; Horníčková, Š.; Pivec, V.; Skala, O.; Dědina, M.; Přibyl, J. Towards Complex Utilisation of Winemaking Residues: Characterisation of Grape Seeds by Total Phenols, Tocols and Essential Elements Content as a by-Product of Winemaking. Ind. Crops Prod. 2013, 49, 445–453. [Google Scholar] [CrossRef]
- Sagar, M.; Nibedita, K.; Manohar, N.; Kumar, K.R.; Suchismita, S.; Pradnyesh, A.; Reddy, A.B.; Sadiku, E.R.; Gupta, U.N.; Lachit, P. A Potential Utilization of End-of-Life Tyres as Recycled Carbon Black in EPDM Rubber. Waste Manag. 2018, 74, 110–122. [Google Scholar] [CrossRef]
- Socrates, G. Infrared and Raman Characteristic Group Frequencies: Tables and Charts; John Wiley & Sons: Hoboken, NJ, USA, 2004; ISBN 0470093072. [Google Scholar]
- Sajith, S. Investigation on Effect of Chemical Composition of Bio-Fillers on Filler/Matrix Interaction and Properties of Particle Reinforced Composites Using FTIR. Compos. Part B Eng. 2019, 166, 21–30. [Google Scholar] [CrossRef]
- Lin, H.-Y.; Chen, W.-C.; Yuan, C.-S.; Hung, C.-H. Surface Functional Characteristics (C, O, S) of Waste Tire-Derived Carbon Black before and after Steam Activation. J. Air Waste Manag. Assoc. 2008, 58, 78–84. [Google Scholar] [CrossRef]
- Huang, L.; Yu, F.; Liu, Y.; Lu, A.; Song, Z.; Liu, W.; Xiong, Y.; He, H.; Li, S.; Zhao, X. Understanding the Reinforcement Effect of Fumed Silica on Silicone Rubber: Bound Rubber and Its Entanglement Network. Macromolecules 2022, 56, 323–334. [Google Scholar] [CrossRef]
- Hoshikawa, Y.; An, B.; Kashihara, S.; Ishii, T.; Ando, M.; Fujisawa, S.; Hayakawa, K.; Hamatani, S.; Yamada, H.; Kyotani, T. Analysis of the Interaction between Rubber Polymer and Carbon Black Surfaces by Efficient Removal of Physisorbed Polymer from Carbon-Rubber Composites. Carbon 2016, 99, 148–156. [Google Scholar] [CrossRef]
- Kaliyathan, A.V.; Rane, A.V.; Huskic, M.; Kunaver, M.; Kalarikkal, N.; Rouxel, D.; Thomas, S. Carbon Black Distribution in Natural Rubber/Butadiene Rubber Blend Composites: Distribution Driven by Morphology. Compos. Sci. Technol. 2020, 200, 108484. [Google Scholar] [CrossRef]
- Rajan, K.P.; Gopanna, A.; Theravalappil, R.; Abdelghani, E.A.M.; Thomas, S.P. Partial Replacement of Carbon Black with Graphene in Natural Rubber/Butadiene Rubber Based Tire Compound: Investigation of Critical Properties. J. Polym. Res. 2022, 29, 76. [Google Scholar] [CrossRef]
- Ikeda, Y.; Phakkeeree, T.; Junkong, P.; Yokohama, H.; Phinyocheep, P.; Kitano, R.; Kato, A. Reinforcing Biofiller “Lignin” for High Performance Green Natural Rubber Nanocomposites. RSC Adv. 2017, 7, 5222–5231. [Google Scholar] [CrossRef]
- Fernández-Berridi, M.J.; González, N.; Mugica, A.; Bernicot, C. Pyrolysis-FTIR and TGA Techniques as Tools in the Characterization of Blends of Natural Rubber and SBR. Thermochim. Acta 2006, 444, 65–70. [Google Scholar] [CrossRef]
- Lubura, J.; Kojić, P.; Ikonić, B.; Pavličević, J.; Govedarica, D.; Bera, O. Influence of Biochar and Carbon Black on Natural Rubber Mixture Properties. Polym. Int. 2022, 71, 1347–1353. [Google Scholar] [CrossRef]
- Available online: https://hexcel.com/ (accessed on 15 April 2024).
- Dong, Y.; Zhao, Y.; Wang, H.; Liu, P.; He, Y.; Lin, G. Integration of Life Cycle Assessment and Life Cycle Costing for the Eco-Design of Rubber Products. Sci. Rep. 2022, 12, 595. [Google Scholar] [CrossRef] [PubMed]
- Rasutis, D. Comparative Life Cycle Assessment of Conventional and Guayule Automobile Tires. Ph.D. Thesis, Arizona State University, Tempe, AZ, USA, 2014. [Google Scholar]









| Materials | S0 | S2 | S3 | S4 | S5 | S6 | S7 |
|---|---|---|---|---|---|---|---|
| NR | 100 | 100 | 100 | 100 | 100 | 100 | 100 |
| SBR | 100 | 100 | 100 | 100 | 100 | 100 | 100 |
| SA | 2 | 2 | 2 | 2 | 2 | 2 | 2 |
| ZnO | 5 | 5 | 5 | 5 | 5 | 5 | 5 |
| CB | 100 | 80 | 70 | 60 | 50 | 40 | 30 |
| Oil | 40 | 40 | 40 | 40 | 40 | 40 | 40 |
| New filler | 0 | 20 | 30 | 40 | 50 | 60 | 70 |
| S | 4 | 4 | 4 | 4 | 4 | 4 | 4 |
| Accelerator | 6 | 6 | 6 | 6 | 6 | 6 | 6 |
| Bio-Fillers | Char-Derived Tyre | |||||||||||||
|---|---|---|---|---|---|---|---|---|---|---|---|---|---|---|
| Impact Categories | Unit | S0 | S2 | S3 | S4 | S5 | S6 | S7 | S2 | S3 | S4 | S5 | S6 | S7 |
| Global warming | kg CO2 eq | 3.57 × 10 | 3.46 × 10 | 3.41 × 10 | 3.36 × 10 | 3.30 × 10 | 3.25 × 10 | 3.20 × 10 | 3.49 × 10 | 3.45 × 10 | 3.41 × 10 | 3.37 × 10 | 3.33 × 10 | 3.29 × 10 |
| Stratospheric ozone depletion | kg CFC11 eq | 1.13 × 10−6 | 1.06 × 10−6 | 1.02 × 10−6 | 9.87 × 10−7 | 9.51 × 10−7 | 9.12 × 10−7 | 8.76 × 10−7 | 1.08 × 10−6 | 1.05 × 10−6 | 1.02 × 10−6 | 9.97 × 10−7 | 9.67 × 10−7 | 9.39 × 10−7 |
| Ionising radiation | kBq Co-60 eq | 1.68 × 10−1 | 1.65 × 10−1 | 1.63 × 10−1 | 1.62 × 10−1 | 1.60 × 10−1 | 1.59 × 10−1 | 1.57 × 10−1 | 1.68 × 10−1 | 1.68 × 10−1 | 1.69 × 10−1 | 1.69 × 10−1 | 1.69 × 10−1 | 1.70 × 10−1 |
| Ozone formation, Human health | kg NOx eq | 1.92 × 10−2 | 1.90 × 10−2 | 1.89 × 10−2 | 1.87 × 10−2 | 1.86 × 10−2 | 1.85 × 10−2 | 1.84 × 10−2 | 1.90 × 10−2 | 1.89 × 10−2 | 1.88 × 10−2 | 1.87 × 10−2 | 1.86 × 10−2 | 1.86 × 10−2 |
| Fine particulate matter formation | kg PM2.5 eq | 5.41 × 10−3 | 5.19 × 10−3 | 5.09 × 10−3 | 4.98 × 10−3 | 4.87 × 10−3 | 4.76 × 10−3 | 4.65 × 10−3 | 5.22 × 10−3 | 5.13 × 10−3 | 5.04 × 10−3 | 4.95 × 10−3 | 4.85 × 10−3 | 4.76 × 10−3 |
| Ozone formation, Terrestrial ecosystems | kg NOx eq | 2.67 × 10−2 | 2.65 × 10−2 | 2.64 × 10−2 | 2.63 × 10−2 | 2.61 × 10−2 | 2.60 × 10−2 | 2.59 × 10−2 | 2.65 × 10−2 | 2.64 × 10−2 | 2.64 × 10−2 | 2.63 × 10−2 | 2.62 × 10−2 | 2.61 × 10−2 |
| Terrestrial acidification | kg SO2 eq | 1.15 × 10−2 | 1.10 × 10−2 | 1.07 × 10−2 | 1.05 × 10−2 | 1.03 × 10−2 | 1.00 × 10−2 | 9.76 × 10−3 | 1.11 × 10−2 | 1.09 × 10−2 | 1.07 × 10−2 | 1.05 × 10−2 | 1.03 × 10−2 | 1.01 × 10−2 |
| Freshwater eutrophication | kg P eq | 1.26 × 10−3 | 1.22 × 10−3 | 1.20 × 10−3 | 1.18 × 10−3 | 1.15 × 10−3 | 1.13 × 10−3 | 1.11 × 10−3 | 1.23 × 10−3 | 1.21 × 10−3 | 1.19 × 10−3 | 1.17 × 10−3 | 1.15 × 10−3 | 1.13 × 10−3 |
| Marine eutrophication | kg N eq | 8.59 × 10−5 | 8.55 × 10−5 | 8.53 × 10−5 | 8.52 × 10−5 | 8.50 × 10−5 | 8.48 × 10−5 | 8.46 × 10−5 | 8.60 × 10−5 | 8.61 × 10−5 | 8.61 × 10−5 | 8.62 × 10−5 | 8.62 × 10−5 | 8.63 × 10−5 |
| Terrestrial ecotoxicity | kg 1,4-DCB | 6.43 × 10 | 6.22 × 10 | 6.12 × 10 | 6.02 × 10 | 5.92 × 10 | 5.81 × 10 | 5.70 × 10 | 6.25 × 10 | 6.16 × 10 | 6.07 × 10 | 5.99 × 10 | 5.89 × 10 | 5.80 × 10 |
| Freshwater ecotoxicity | kg 1,4-DCB | 6.41 × 10−2 | 6.18 × 10−2 | 6.08 × 10−2 | 5.97 × 10−2 | 5.86 × 10−2 | 5.75 × 10−2 | 5.64 × 10−2 | 6.25 × 10−2 | 6.17 × 10−2 | 6.09 × 10−2 | 6.02 × 10−2 | 5.93 × 10−2 | 5.86 × 10−2 |
| Marine ecotoxicity | kg 1,4-DCB | 8.79 × 10−2 | 8.49 × 10−2 | 8.34 × 10−2 | 8.19 × 10−2 | 8.05 × 10−2 | 7.89 × 10−2 | 7.74 × 10−2 | 8.57 × 10−2 | 8.46 × 10−2 | 8.36 × 10−2 | 8.25 × 10−2 | 8.14 × 10−2 | 8.03 × 10−2 |
| Human carcinogenic toxicity | kg 1,4-DCB | 1.34 × 10−1 | 1.31 × 10−1 | 1.30 × 10−1 | 1.28 × 10−1 | 1.27 × 10−1 | 1.26 × 10−1 | 1.24 × 10−1 | 1.32 × 10−1 | 1.31 × 10−1 | 1.30 × 10−1 | 1.29 × 10−1 | 1.28 × 10−1 | 1.27 × 10−1 |
| Human non-carcinogenic toxicity | kg 1,4-DCB | 1.72 × 10 | 1.68 × 10 | 1.67 × 10 | 1.65 × 10 | 1.63 × 10 | 1.61 × 10 | 1.59 × 10 | 1.70 × 10 | 1.68 × 10 | 1.67 × 10 | 1.66 × 10 | 1.64 × 10 | 1.63 × 10 |
| Land use | m2a crop eq | 3.38 × 10−1 | 3.33 × 10−1 | 3.31 × 10−1 | 3.29 × 10−1 | 3.26 × 10−1 | 3.24 × 10−1 | 3.22 × 10−1 | 3.34 × 10−1 | 3.32 × 10−1 | 3.30 × 10−1 | 3.28 × 10−1 | 3.26 × 10−1 | 3.24 × 10−1 |
| Mineral resource scarcity | kg Cu eq | 4.19 × 10−3 | 3.97 × 10−3 | 3.87 × 10−3 | 3.77 × 10−3 | 3.67 × 10−3 | 3.56 × 10−3 | 3.45 × 10−3 | 4.00 × 10−3 | 3.91 × 10−3 | 3.82 × 10−3 | 3.73 × 10−3 | 3.63 × 10−3 | 3.54 × 10−3 |
| Fossil resource scarcity | kg oil eq | 1.85 × 10 | 1.75 × 10 | 1.70 × 10 | 1.65 × 10 | 1.60 × 10 | 1.55 × 10 | 1.50 × 10 | 1.76 × 10 | 1.71 × 10 | 1.67 × 10 | 1.62 × 10 | 1.58 × 10 | 1.53 × 10 |
| Water consumption | m3 | 3.73 × 10−2 | 3.72 × 10−2 | 3.71 × 10−2 | 3.70 × 10−2 | 3.70 × 10−2 | 3.69 × 10−2 | 3.68 × 10−2 | 3.77 × 10−2 | 3.79 × 10−2 | 3.80 × 10−2 | 3.82 × 10−2 | 3.84 × 10−2 | 3.86 × 10−2 |
| Direct Manufacturing Cost | |
|---|---|
| Raw materials | CRM |
| Waste treatment | CWT |
| Utilities | CUT |
| Operating labour | COL |
| Direct supervisory and clerical labour | 0.18 COL |
| Maintenance and repairs | 0.06 FCI |
| Operating supplies | 0.009 FCI |
| Laboratory charges | 0.15 COL |
| Fixed Manufacturing Cost | |
| Depreciation | 0.1 FCI |
| Local taxes and insurance | 0.032 FCI |
| Plant overhead costs | 0.708 COL + 0.036 FCI |
| General Expenses | |
| Administration cost | 0.177 COL + 0.009 FCI |
| Distribution and selling costs | 0.11 COM |
| Research and development | 0.05 COM |
| Total costs | |
| DMC + FMC + GE | |
| S0 | S2 | S3 | S4 | S5 | S6 | S7 | |
|---|---|---|---|---|---|---|---|
| Pyrolysis reactor | 3.0 | 3.0 | 3.0 | 3.0 | 3.0 | 3.0 | 3.0 |
| Mixer (L) | 2.50 | 2.50 | 2.50 | 2.50 | 2.50 | 2.50 | 2.50 |
| Daily fed (L/d) | 1.00 | 1.00 | 1.00 | 1.00 | 1.00 | 1.00 | 1.00 |
| Electrical energy consumed by pyrolysis reactor(kWh/d) | 2.7 | 2.7 | 2.7 | 2.7 | 2.7 | 2.7 | 2.7 |
| Energy consumed by the mixer (kWh/d) | 1.45 | 1.45 | 1.45 | 1.45 | 1.45 | 1.45 | 1.45 |
| Thermal energy consumed by the mixer (kWh/d) | 0.87 | 0.87 | 0.87 | 0.87 | 0.87 | 0.87 | 0.87 |
| Electrical energy consumed by the mixer (kWh/d) | 0.58 | 0.58 | 0.58 | 0.58 | 0.58 | 0.58 | 0.58 |
| Operative Costs | |||
|---|---|---|---|
| Steam from boilers | 2.03 | €/GJ | (Richard Turton et al., 2018) [45] |
| kWh mix ITA | 0.297 | €/kWh | (ARERA, 2021) |
| Biomass cost collection | 22 | €/t | Arpa Piemonte 2023 |
| Waste disposal | 19 | €/t | Arpa Piemonte 2023 |
| Selling price of electric energy | 0.28 | €/kWh | ENEL |
| Selling price, thermal energy | 0.25 | €/kWh | ENEL |
| Stearic acid | 61.6 | €/kg | Sigma-Aldrich |
| ZnO | 20.8 | €/kg | Sigma-Aldrich |
| NR: natural rubber | 1.52 | €/kg | Sigma-Aldrich |
| SBR: styrene-butadiene rubber | 2.82 | €/kg | Styrene Butadiene rubber (SBR) price index—businessanalytiq |
| CB: carbon black | 4.0 | €/kg | Sigma-Aldrich |
| TBBS: N-tert-butyl-2-benzothiazyl sulphenamide | 85.39 | €/kg | N-tert-Butyl-2-benzothiazolesulfenamide|95-31-8|FB33606 |
| Investment Costs | Amortisation | Operational Costs | Revenue | Incomes in the First 5 Years | Incomes After the First 5 Years | NPV | |||
|---|---|---|---|---|---|---|---|---|---|
| Selling price: 15 €/kg of filler-reinforced | S0 | 960.1 | 203.7 | 5506.2 | 5475.0 | −234.9 | −31.2 | −11.8 | |
| Bio-filler | S2 | 960.1 | 203.7 | 5407.7 | 5475.0 | −136.4 | 67.3 | 25.3 | |
| S3 | 960.1 | 203.7 | 5358.1 | 5475.0 | −86.8 | 116.9 | 44.0 | ||
| S4 | 960.1 | 203.7 | 5308.5 | 5475.0 | −37.2 | 166.5 | 62.7 | ||
| S5 | 960.1 | 203.7 | 5254.3 | 5475.0 | 17.0 | 220.7 | 83.2 | ||
| S6 | 960.1 | 203.7 | 5204.8 | 5475.0 | 66.5 | 270.2 | 101.8 | ||
| S7 | 960.1 | 203.7 | 5155.2 | 5475.0 | 116.1 | 319.8 | 120.5 | ||
| Char-filler | S2 | 4695.5 | 996.2 | 5767.8 | 5475.0 | −1288.9 | −292.8 | −110.3 | |
| S3 | 4695.5 | 996.2 | 5718.1 | 5475.0 | −1239.3 | −243.1 | −91.6 | ||
| S4 | 4695.5 | 996.2 | 5668.5 | 5475.0 | −1189.7 | −193.5 | −72.9 | ||
| S5 | 4695.5 | 996.2 | 5614.3 | 5475.0 | −1135.5 | −139.3 | −52.5 | ||
| S6 | 4695.5 | 996.2 | 5564.8 | 5475.0 | −1086.0 | −89.8 | −33.8 | ||
| S/ | 4695.5 | 996.2 | 5515.2 | 5475.0 | −1036.4 | −40.2 | −15.2 | ||
| Selling price: 16 €/kg of filler-reinforced | S0 | 960.10 | 203.69 | 5506.23 | 5840.00 | 130.08 | 333.77 | 125.79 | |
| Bio-filler | S2 | 960.10 | 203.69 | 5407.74 | 5840.00 | 228.56 | 432.26 | 162.91 | |
| S3 | 960.10 | 203.69 | 5358.13 | 5840.00 | 278.17 | 481.87 | 181.61 | ||
| S4 | 960.10 | 203.69 | 5308.53 | 5840.00 | 327.78 | 531.47 | 200.31 | ||
| S5 | 960.10 | 203.69 | 5254.31 | 5840.00 | 382.00 | 585.69 | 220.74 | ||
| S6 | 960.10 | 203.69 | 5204.80 | 5840.00 | 431.51 | 635.20 | 239.40 | ||
| S7 | 960.10 | 203.69 | 5155.19 | 5840.00 | 481.12 | 684.81 | 258.10 | ||
| Char-filler | S2 | 4695.46 | 996.18 | 5767.76 | 5840.00 | −923.94 | 72.24 | 27.23 | |
| S3 | 4695.46 | 996.18 | 5718.15 | 5840.00 | −874.33 | 121.85 | 45.92 | ||
| S4 | 4695.46 | 996.18 | 5668.54 | 5840.00 | −824.72 | 171.46 | 64.62 | ||
| S5 | 4695.46 | 996.18 | 5614.32 | 5840.00 | −770.51 | 225.68 | 85.06 | ||
| S6 | 4695.46 | 996.18 | 5564.81 | 5840.00 | −720.99 | 275.19 | 103.72 | ||
| S7 | 4695.46 | 996.18 | 5515.20 | 5840.00 | −671.38 | 324.80 | 122.41 |
Disclaimer/Publisher’s Note: The statements, opinions and data contained in all publications are solely those of the individual author(s) and contributor(s) and not of MDPI and/or the editor(s). MDPI and/or the editor(s) disclaim responsibility for any injury to people or property resulting from any ideas, methods, instructions or products referred to in the content. |
© 2025 by the authors. Licensee MDPI, Basel, Switzerland. This article is an open access article distributed under the terms and conditions of the Creative Commons Attribution (CC BY) license (https://creativecommons.org/licenses/by/4.0/).
Share and Cite
Di Bernardo, C.; Demichelis, F.; Dadkhah, M.; Fino, D.; Messori, M.; Noè, C. Driving the Green Transition: Innovative Tyre Formulation Using Agricultural and Pyrolysed Tyres Waste. Polymers 2025, 17, 2275. https://doi.org/10.3390/polym17172275
Di Bernardo C, Demichelis F, Dadkhah M, Fino D, Messori M, Noè C. Driving the Green Transition: Innovative Tyre Formulation Using Agricultural and Pyrolysed Tyres Waste. Polymers. 2025; 17(17):2275. https://doi.org/10.3390/polym17172275
Chicago/Turabian StyleDi Bernardo, Carlo, Francesca Demichelis, Mehran Dadkhah, Debora Fino, Massimo Messori, and Camilla Noè. 2025. "Driving the Green Transition: Innovative Tyre Formulation Using Agricultural and Pyrolysed Tyres Waste" Polymers 17, no. 17: 2275. https://doi.org/10.3390/polym17172275
APA StyleDi Bernardo, C., Demichelis, F., Dadkhah, M., Fino, D., Messori, M., & Noè, C. (2025). Driving the Green Transition: Innovative Tyre Formulation Using Agricultural and Pyrolysed Tyres Waste. Polymers, 17(17), 2275. https://doi.org/10.3390/polym17172275

