Biodegradability Assessment of Prickly Pear Waste–Polymer Fibers under Soil Composting
Abstract
:1. Introduction
2. Materials and Methods
2.1. Materials
2.2. Methods
2.2.1. PPF Preparation
2.2.2. Fiber Preparation
2.2.3. Biodegradability Tests
2.2.4. Optical and SEM Observations
2.2.5. Fourier Transform Infrared Spectroscopy–Attenuated Total Reflection (FTIR-ATR)
2.2.6. Differential Scanning Calorimetry (DSC)
2.2.7. Mechanical Properties
2.2.8. Statistical Analysis
3. Results and Discussion
3.1. Biodegradability Tests
3.2. Optical and SEM Observations
3.3. Fourier Transform Infrared Spectroscopy–Attenuated Total Reflection (FTIR-ATR)
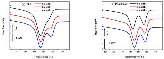
3.4. Differential Scanning Calorimetry (DSC)
3.5. Mechanical Properties
4. Conclusions
Author Contributions
Funding
Institutional Review Board Statement
Data Availability Statement
Conflicts of Interest
References
- Muthuraj, R.; Misra, M.; Mohanty, A.K. Biodegradable Compatibilized Polymer Blends for Packaging Applications: A Literature Review. J. Appl. Polym. Sci. 2018, 135, 45726. [Google Scholar] [CrossRef]
- Mohite, A.S.; Jagtap, A.R.; Avhad, M.S.; More, A.P. Recycling of Major Agriculture Crop Residues and Its Application in Polymer Industry: A Review in the Context of Waste to Energy Nexus. Energy Nexus 2022, 7, 100134. [Google Scholar] [CrossRef]
- Bianchi, M.; Dorigato, A.; Morreale, M.; Pegoretti, A. Evaluation of the Physical and Shape Memory Properties of Fully Biodegradable Poly(Lactic Acid) (PLA)/Poly(Butylene Adipate Terephthalate) (PBAT) Blends. Polymers 2023, 15, 881. [Google Scholar] [CrossRef] [PubMed]
- Meng, M.; Wang, S.; Xiao, M.; Meng, Y. Recent Progress in Modification and Preparations of the Promising Biodegradable Plastics: Polylactide and Poly(Butylene Adipate-Co-Terephthalate). Sustain. Polym. Energy 2023, 1, 10006. [Google Scholar] [CrossRef]
- De Farias, P.M.; de Vasconcelos, L.B.; Ferreira, M.E.S.; Pascall, M.; Tapia-Blácido, D.R. Nopal Cladode (Opuntia Ficus-Indica) Flour: Production, Characterization, and Evaluation for Producing Bioactive Film. Food Packag. Shelf Life 2021, 29, 100703. [Google Scholar] [CrossRef]
- Rives-Castillo, S.C.H.; Correa-Pacheco, Z.N.; Bautista-Baños, S.; Ventura-Aguilar, R.I.; Schettino-Bermudez, B.S.; Ortega-Gudiño, P.; Barajas-Cervantes, A. Chemical Proximate and Thermal Analyses on Flour from Residual Products of Pear-Cactus (Opuntia ficus-indica) towards Obtaining Biobased Polymeric Compounds. Agrociencia 2021, 55, 403–416. [Google Scholar] [CrossRef]
- Scaffaro, R.; Maio, A.; Gulino, E.F.; Megna, B. Structure-Property Relationship of PLA-Opuntia Ficus Indica Biocomposites. Compos. B Eng. 2019, 167, 199–206. [Google Scholar] [CrossRef]
- Spiridon, I.; Tanase, C.E. Design, Characterization and Preliminary Biological Evaluation of New Lignin-PLA Biocomposites. Int. J. Biol. Macromol. 2018, 114, 855–863. [Google Scholar] [CrossRef] [PubMed]
- Kim, D.Y.; Lee, J.B.; Lee, D.Y.; Seo, K.H. Plasticization Effect of Poly(Lactic Acid) in the Poly(Butylene Adipate–Co–Terephthalate) Blown Film for Tear Resistance Improvement. Polymers 2020, 12, 1904. [Google Scholar] [CrossRef]
- Borelbach, P.; Kopitzky, R.; Dahringer, J.; Gutmann, P. Degradation Behavior of Biodegradable Man-Made Fibers in Natural Soil and in Compost. Polymers 2023, 15, 2959. [Google Scholar] [CrossRef]
- Mhd Ramle, S.F.; Ahmad, N.A.; Mohammad Rawi, N.F.; Zahidan, N.S.; Geng, B.J. Physical Properties and Soil Degradation of PLA/PBAT Blends Film Reinforced with Bamboo Cellulose. IOP Conf. Ser. Earth Environ. Sci. 2020, 596, 012021. [Google Scholar] [CrossRef]
- Rebelo, R.C.; Gonçalves, L.P.C.; Fonseca, A.C.; Fonseca, J.; Rola, M.; Coelho, J.F.J.; Rola, F.; Serra, A.C. Increased Degradation of PLA/PBAT Blends with Organic Acids and Derivatives in Outdoor Weathering and Marine Environment. Polymer 2022, 256, 125223. [Google Scholar] [CrossRef]
- Correa-Pacheco, Z.N.; Black-Solís, J.D.; Ortega-Gudiño, P.; Sabino-Gutiérrez, M.A.; Benítez-Jiménez, J.J.; Barajas-Cervantes, A.; Bautista-Baños, S.; Hurtado-Colmenares, L.B. Preparation and Characterization of Bio-Based PLA/PBAT and Cinnamon Essential Oil Polymer Fibers and Life-Cycle Assessment from Hydrolytic Degradation. Polymers 2019, 12, 38. [Google Scholar] [CrossRef] [PubMed]
- López, Á.; Rivas, J.; Loaiza, M.; Sabino, M. Degradación de Películas Plastificadas de Quitosano Obtenidas a Partir de Conchas de Camarón (L.Vannamei). Rev. Fac. Ing. Univ. Cent. Venez. 2010, 25, 133–143. [Google Scholar]
- Wang, J.H.; Tian, Y.; Zhou, B. Degradation and Stabilization of Poly(Butylene Adipate-Co-Terephthalate)/Polyhydroxyalkanoate Biodegradable Mulch Films Under Different Aging Tests. J. Polym. Environ. 2022, 30, 1366–1379. [Google Scholar] [CrossRef]
- Carbonell-Verdu, A.; Ferri, J.M.; Dominici, F.; Boronat, T.; Sanchez-Nacher, L.; Balart, R.; Torre, L. Manufacturing and Compatibilization of PLA/PBAT Binary Blends by Cottonseed Oil-Based Derivatives. Express Polym. Lett. 2018, 12, 808–823. [Google Scholar] [CrossRef]
- Zhang, Y.; Gao, W.; Mo, A.; Jiang, J.; He, D. Degradation of Polylactic Acid/Polybutylene Adipate Films in Different Ratios and the Response of Bacterial Community in Soil Environments. Environ. Pollut. 2022, 313, 120–167. [Google Scholar] [CrossRef]
- Tabasi, R.Y.; Ajji, A. Selective Degradation of Biodegradable Blends in Simulated Laboratory Composting. Polym. Degrad. Stab. 2015, 120, 435–442. [Google Scholar] [CrossRef]
- Liu, B.; Guan, T.; Wu, G.; Fu, Y.; Weng, Y. Behavior of Degradable Mulch with Poly (Butylene Adipate-coTerephthalate) (PBAT) and Poly (Butylene Succinate) (PBS) in Simulation Marine Environment. Polymers 2022, 14, 1515. [Google Scholar] [CrossRef]
- ASTM D6400-19; Standard Specification for Labeling of Plastics Designed to Be Aerobically Composted in Municipal or Industrial Facilities. ASTM International: West Conshohocken, PA, USA, 2018.
- Black-Solis, J.; Ventura-Aguilar, R.I.; Correa-Pacheco, Z.; Corona-Rangel, M.L.; Bautista-Baños, S. Preharvest Use of Biodegradable Polyester Nets Added with Cinnamon Essential Oil and the Effect on the Storage Life of Tomatoes and the Development of Alternaria Alternata. Sci. Hortic. 2019, 245, 65–73. [Google Scholar] [CrossRef]
- Misra, R.V.; Roy, R.N.; Hiraoka, H. On-Farm Composting Methods; FAO Land and Water Discussion Papers: Rome, Italy, 2003. [Google Scholar]
- Jain, M.S.; Paul, S.; Kalamdhad, A.S. Kinetics and Physics during Composting of Various Organic Wastes: Statistical Approach to Interpret Compost Application Feasibility. J. Clean. Prod. 2020, 255, 120324. [Google Scholar] [CrossRef]
- Ruggero, F.; Onderwater, R.C.A.; Carretti, E.; Roosa, S.; Benali, S.; Raquez, J.-M.; Gori, R.; Lubello, C.; Wattiez, R. Degradation of Film and Rigid Bioplastics During the Thermophilic Phase and the Maturation Phase of Simulated Composting. J. Polym. Environ. 2021, 29, 3015–3028. [Google Scholar] [CrossRef]
- Kawashima, N.; Yagi, T.; Kojima, K. How Do Bioplastics and Fossil-Based Plastics Play in a Circular Economy? Macromol. Mater. Eng. 2019, 304, 1900383. [Google Scholar] [CrossRef]
- Bilo, F.; Pandini, S.; Sartore, L.; Depero, L.E.; Gargiulo, G.; Bonassi, A.; Federici, S.; Bontempi, E. A Sustainable Bioplastic Obtained from Rice Straw. J. Clean. Prod. 2018, 200, 357–368. [Google Scholar] [CrossRef]
- Hashimoto, K.; Sudo, M.; Ohta, K.; Sugimura, T.; Yamada, H.; Aoki, T. Biodegradation of Nylon4 and Its Blend with Nylon6. J. Appl. Polym. Sci. 2002, 86, 2307–2311. [Google Scholar] [CrossRef]
- Feijoo, P.; Marín, A.; Samaniego-Aguilar, K.; Sánchez-Safont, E.; Lagarón, J.M.; Gámez-Pérez, J.; Cabedo, L. Effect of the Presence of Lignin from Woodflour on the Compostability of PHA-Based Biocomposites: Disintegration, Biodegradation and Microbial Dynamics. Polymers 2023, 15, 2481. [Google Scholar] [CrossRef]
- Ebadi-Dehaghani, H.; Barikani, M.; Borhani, S.; Bolvardi, B.; Khonakdar, H.A.; Jafari, S.H.; Aarabi, A. Biodegradation and Hydrolysis Studies on Polypropylene/Polylactide/Organo-Clay Nanocomposites. Polym. Bull. 2016, 73, 3287–3304. [Google Scholar] [CrossRef]
- Brdlík, P.; Novák, J.; Borůvka, M.; Běhálek, L.; Lenfeld, P. The Influence of Plasticizers and Accelerated Ageing on Biodegradation of PLA under Controlled Composting Conditions. Polymers 2022, 15, 140. [Google Scholar] [CrossRef]
- Gorrasi, G.; Pantani, R. Hydrolysis and Biodegradation of Poly(Lactic Acid). In Synthesis, Structure and Properties of Poly(lactic acid); Di Lorenzo, M.L., Androsch, R., Eds.; Springer International Publishing: Cham, Switzerland, 2018; pp. 119–151. [Google Scholar] [CrossRef]
- Fu, Y.; Wu, G.; Bian, X.; Zeng, J.; Weng, Y. Biodegradation Behavior of Poly(Butylene Adipate-Co-Terephthalate) (PBAT), Poly(Lactic Acid) (PLA), and Their Blend in Freshwater with Sediment. Molecules 2020, 25, 3946. [Google Scholar] [CrossRef]
- Ng, S.-W.; Chong, W.-T.; Soo, Y.-T.; Tang, T.-K.; Ab Karim, N.A.; Phuah, E.-T.; Lee, Y.-Y. Pickering Emulsion Stabilized by Palm-Pressed Fiber Cellulose Nanocrystal Extracted by Acid Hydrolysis-Assisted High Pressure Homogenization. PLoS ONE 2022, 17, e0271512. [Google Scholar] [CrossRef]
- Soo, Y.; Ng, S.; Tang, T.; Ab Karim, N.A.; Phuah, E.; Lee, Y. Preparation of Palm (Elaeis oleifera) Pressed Fibre Cellulose Nanocrystals via Cation Exchange Resin: Characterisation and Evaluation as Pickering Emulsifier. J. Sci. Food Agric. 2021, 101, 4161–4172. [Google Scholar] [CrossRef] [PubMed]
- Hernández-López, M.; Correa-Pacheco, Z.N.; Bautista-Baños, S.; Zavaleta-Avejar, L.; Benítez-Jiménez, J.J.; Sabino-Gutiérrez, M.A.; Ortega-Gudiño, P. Bio-Based Composite Fibers from Pine Essential Oil and PLA/PBAT Polymer Blend. Morphological, Physicochemical, Thermal and Mechanical Characterization. Mater. Chem. Phys. 2019, 234, 345–353. [Google Scholar] [CrossRef]
- Lamparelli, R.; Montagna, L.; da Silva, A.; Montanheiro, T.; Lemes, A. Study of the Biodegradation of PLA/PBAT Films after Biodegradation Tests in Soil and the Aqueous Medium. Biointerface Res. Appl. Chem. 2022, 12, 833–846. [Google Scholar] [CrossRef]
- Weng, Y.-X.; Jin, Y.-J.; Meng, Q.-Y.; Wang, L.; Zhang, M.; Wang, Y.-Z. Biodegradation Behavior of Poly(Butylene Adipate-Co-Terephthalate) (PBAT), Poly(Lactic Acid) (PLA), and Their Blend under Soil Conditions. Polym. Test. 2013, 32, 918–926. [Google Scholar] [CrossRef]
- Vasile, C.; Pamfil, D.; Râpă, M.; Darie-Niţă, R.N.; Mitelut, A.C.; Popa, E.E.; Popescu, P.A.; Draghici, M.C.; Popa, M.E. Study of the Soil Burial Degradation of Some PLA/CS Biocomposites. Compos. B Eng. 2018, 142, 251–262. [Google Scholar] [CrossRef]
- Pozo, C.; Diaz-Visurraga, J.; Contreras, D.; Freer, J.; Rodriguez, J. Characterization of Temporal Biodegradation of Radiata Pine by Gloeophyllum trabeum through Principal Component Analysis-Based Two-Dimensional Correlation FTIR Spectroscopy. J. Chil. Chem. Soc. 2016, 61, 2878–2883. [Google Scholar] [CrossRef]
- Turek, C.; Stintzing, F.C. Stability of Essential Oils: A Review. Compr. Rev. Food Sci. Food Saf. 2013, 12, 40–53. [Google Scholar] [CrossRef]
- Nomadolo, N.; Dada, O.E.; Swanepoel, A.; Mokhena, T.; Muniyasamy, S. A Comparative Study on the Aerobic Biodegradation of the Biopolymer Blends of Poly(Butylene Succinate), Poly(Butylene Adipate Terephthalate) and Poly(Lactic Acid). Polymers 2022, 14, 1894. [Google Scholar] [CrossRef]
- Arrieta, M.; Samper, M.; Aldas, M.; López, J. On the Use of PLA-PHB Blends for Sustainable Food Packaging Applications. Materials 2017, 10, 1008. [Google Scholar] [CrossRef]
- Mu, C.; Xue, L.; Zhu, J.; Jiang, M.; Zhou, Z. Mechanical and Thermal Properties of Toughened Poly (L-Lactic) Acid and Lignin Blends. Bioresources 2014, 9, 5557–5566. [Google Scholar] [CrossRef]
- Lugoloobi, I.; Li, X.; Zhang, Y.; Mao, Z.; Wang, B.; Sui, X.; Feng, X. Fabrication of Lignin/Poly(3-Hydroxybutyrate) Nanocomposites with Enhanced Properties via a Pickering Emulsion Approach. Int. J. Biol. Macromol. 2020, 165, 3078–3087. [Google Scholar] [CrossRef]
- Lopera-Valle, A.; Caputo, J.V.; Leão, R.; Sauvageau, D.; Luz, S.M.; Elias, A. Influence of Epoxidized Canola Oil (eCO) and Cellulose Nanocrystals (CNCs) on the Mechanical and Thermal Properties of Polyhydroxybutyrate (PHB)—Poly(lactic acid) (PLA) Blends. Polymers 2019, 11, 933. [Google Scholar] [CrossRef] [PubMed]
- Myalenko, D.; Fedotova, O. Physical, Mechanical, and Structural Properties of the Polylactide and Polybutylene Adipate Terephthalate (PBAT)-based Biodegradable Polymer during Compost Storage. Polymers 2023, 15, 1619. [Google Scholar] [CrossRef]
- Dammak, M.; Fourati, Y.; Tarrés, Q.; Delgado-Aguilar, M.; Mutjé, P.; Boufi, S. Blends of PBAT with Plasticized Starch for Packaging Applications: Mechanical Properties, Rheological Behaviour and Biodegradability. Ind. Crops Prod. 2020, 144, 112061. [Google Scholar] [CrossRef]
- Aversa, C.; Barletta, M.; Cappiello, G.; Gisario, A. Compatibilization Strategies and Analysis of Morphological Features of Poly(Butylene Adipate-Co-Terephthalate) (PBAT)/Poly(Lactic Acid) PLA Blends: A State-of-Art Review. Eur. Polym. J. 2022, 173, 111304. [Google Scholar] [CrossRef]
- Palsikowski, P.A.; Kuchnier, C.N.; Pinheiro, I.F.; Morales, A.R. Biodegradation in Soil of PLA/PBAT Blends Compatibilized with Chain Extender. J. Polym. Environ. 2018, 26, 330–341. [Google Scholar] [CrossRef]
- Syuhada, D.N.; Azura, A.R. Waste Natural Polymers as Potential Fillers for Biodegradable Latex-Based Composites: A Review. Polymers 2021, 13, 3600. [Google Scholar] [CrossRef] [PubMed]
- Tolga, S.; Kabasci, S.; Duhme, M. Progress of Disintegration of Polylactide (PLA)/Poly(Butylene Succinate) (PBS) Blends Containing Talc and Chalk Inorganic Fillers under Industrial Composting Conditions. Polymers 2020, 13, 10. [Google Scholar] [CrossRef]









| Fiber | Polymer (%) | CO (%) | PPF (%) | AA (%) |
|---|---|---|---|---|
| PLA | 100 | 0 | 0 | 0 |
| PBAT | 100 | 0 | 0 | 0 |
| PLA/PBAT | 100 | 0 | 0 | 0 |
| PLA/PBAT/CO | 96 | 4 | 0 | 0 |
| PLA/PBAT/PPF/CO/AA | 86 | 4 | 3 | 7 |
| PLA/PBAT/PPF/CO/AA_T | 86 | 4 | 3 | 7 |
| Weight Loss Percentage (%) * | ||
|---|---|---|
| Fiber | 3 Months | 6 Months |
| PLA | 20 ± 1 B | 45 ± 13 A |
| PBAT | 8 ± 1 A | 49 ± 12 A |
| PLA/PBAT | 44 ± 7 C | 65 ± 11 B |
| PLA/PBAT/CO | 25 ± 1 B | 64 ± 3 A |
| PLA/PBAT/PPF/CO/AA | 62 ± 4 D | 92 ± 7 C |
| PLA/PBAT/PPF/CO/AA_T | 56 ± 9 D | 87 ± 11 BC |
| Fiber | Initial | 3 Months | 6 Months |
|---|---|---|---|
| PLA | ![]() | ![]() | ![]() |
| PBAT | ![]() | ![]() | ![]() |
| PLA/PBAT | ![]() | ![]() | ![]() |
| PLA/PBAT/CO | ![]() | ![]() | ![]() |
| PLA/PBAT/PPF/CO/AA | ![]() | ![]() | ![]() |
| PLA/PBAT/PPF/CO/AA_T | ![]() | ![]() | ![]() |
| Fiber | Initial | 3 Months | 6 Months |
|---|---|---|---|
| PLA | ![]() | ![]() | ![]() |
| PBAT | ![]() | ![]() | ![]() |
| PLA/PBAT | ![]() | ![]() | ![]() |
| PLA/PBAT/CO | ![]() | ![]() | ![]() |
| PLA/PBAT/PPF/CO/AA | ![]() | ![]() | ![]() |
| PLA/PBAT/PPF/CO/AA_T | ![]() | ![]() | ![]() |
| Fiber | Initial | 3 Months | 6 Months |
|---|---|---|---|
| PLA | ![]() | ![]() | ![]() |
| PBAT | ![]() | ![]() | ![]() |
| PLA/PBAT | ![]() | ![]() | ![]() |
| PLA/PBAT/CO | ![]() | ![]() | ![]() |
| PLA/PBAT/PPF/CO/AA | ![]() | ![]() | ![]() |
| PLA/PBAT/PPF/CO/AA_T | ![]() | ![]() | ![]() |
| Mechanical Properties | |||
|---|---|---|---|
| Fiber Composition and Time of Composting | Young’s Modulus (MPa) * | Tensile Strength (MPa) * | Elongation at Break (%) * |
| Initial | |||
| PLA | 1109 ± 47 Cg | 55 ± 2 Ce | 6 ± 1 Aa |
| PBAT | 115 ± 10 Aa | 11 ± 1 Abc | 224 ± 31 Bc |
| PLA/PBAT | 507 ± 89 Bcdef | 21 ± 4 Bd | 5 ± 1 Aa |
| PLA/PBAT/CO | 412 ± 131 Bbcd | 8 ± 2 Ab | 40.87 ± 5 ABc |
| PLA/PBAT/PPF/CO/AA | 435 ± 83 Bbcde | 9 ± 1 Ab | 3 ± 1 Aa |
| PLA/PBAT/PPF/CO/AA_T | 552 ± 89 Bdef | 18 ± 3 Bcd | 5 ± 1 Aa |
| 3 months | |||
| PLA | 605 ± 61 Cf | 25 ± 2 Cde | 5 ± 1 Aa |
| PBAT | 98 ± 5 Aa | 11 ± 1 Abc | 130 ± 34 Bb |
| PLA/PBAT | 430 ± 52 Bbcde | 16 ± 4 Bcd | 5 ± 1 Aa |
| PLA/PBAT/CO | 497 ± 88 Bcdef | 14 ± 3 ABc | 3 ± 1 Aa |
| PLA/PBAT/PPF/CO/AA | 463 ± 87 Bbcdef | 11 ± 3 ABbc | 3 ± 1 Aa |
| PLA/PBAT/PPF/CO/AA_T | 385 ± 55 Bbc | 11 ± 3 Abc | 3 ± 1 Aa |
| 6 months | |||
| PLA | 562 ± 71 Def | 27 ± 6 Cde | 6 ± 1 Aa |
| PBAT | 98 ± 5 Aa | 11 ± 1 ABbc | 5 ± 1 Aa |
| PLA/PBAT | 397 ± 31 BCbc | 13 ± 3 ABbc | 4 ± 1 Aa |
| PLA/PBAT/CO | 455 ± 117 Cbcde | 13 ± 5 Bbc | 4 ± 1 Aa |
| PLA/PBAT/PPF/CO/AA | 413 ± 39 BCbcd | 7 ± 1 Aa | 3 ± 1 Aa |
| PLA/PBAT/PPF/CO/AA_T | 340 ± 29 Bb | 7 ± 2 ABb | 3 ± 1 Aa |
Disclaimer/Publisher’s Note: The statements, opinions and data contained in all publications are solely those of the individual author(s) and contributor(s) and not of MDPI and/or the editor(s). MDPI and/or the editor(s) disclaim responsibility for any injury to people or property resulting from any ideas, methods, instructions or products referred to in the content. |
© 2023 by the authors. Licensee MDPI, Basel, Switzerland. This article is an open access article distributed under the terms and conditions of the Creative Commons Attribution (CC BY) license (https://creativecommons.org/licenses/by/4.0/).
Share and Cite
Correa-Pacheco, Z.N.; Bautista-Baños, S.; Benítez-Jiménez, J.J.; Ortega-Gudiño, P.; Cisneros-López, E.O.; Hernández-López, M. Biodegradability Assessment of Prickly Pear Waste–Polymer Fibers under Soil Composting. Polymers 2023, 15, 4164. https://doi.org/10.3390/polym15204164
Correa-Pacheco ZN, Bautista-Baños S, Benítez-Jiménez JJ, Ortega-Gudiño P, Cisneros-López EO, Hernández-López M. Biodegradability Assessment of Prickly Pear Waste–Polymer Fibers under Soil Composting. Polymers. 2023; 15(20):4164. https://doi.org/10.3390/polym15204164
Chicago/Turabian StyleCorrea-Pacheco, Zormy Nacary, Silvia Bautista-Baños, José Jesús Benítez-Jiménez, Pedro Ortega-Gudiño, Erick Omar Cisneros-López, and Mónica Hernández-López. 2023. "Biodegradability Assessment of Prickly Pear Waste–Polymer Fibers under Soil Composting" Polymers 15, no. 20: 4164. https://doi.org/10.3390/polym15204164
APA StyleCorrea-Pacheco, Z. N., Bautista-Baños, S., Benítez-Jiménez, J. J., Ortega-Gudiño, P., Cisneros-López, E. O., & Hernández-López, M. (2023). Biodegradability Assessment of Prickly Pear Waste–Polymer Fibers under Soil Composting. Polymers, 15(20), 4164. https://doi.org/10.3390/polym15204164























































