Residual Life Prediction of XLPE Distribution Cables Based on Time-Temperature Superposition Principle by Non-Destructive BIS Measuring on Site
Abstract
:1. Introduction
2. The TTSP and Applicability Analysis of the TTSP in XLPE Materials
2.1. Introduction of the TTSP
2.2. Applicability Analysis of the TTSP in the Transformation of the Changing Process of EAB of XLPE at Different Temperatures
3. Experimental
3.1. Materials and Aging Experiments
3.2. Testing Method of EAB
3.3. Results and Discussion
3.4. Calculation Method for the Multiplicative Shift Factor Based on the TTSP
- (1)
- Accelerated aging tests on cables are carried out at a certain temperature (set as the reference temperature), and the relationship curve of the characteristic property (such as the EAB) versus aging time is established through measurements, which is set as the baseline prediction curve of the aging trend.
- (2)
- The accelerated thermal aging experiment on cables are further carried out at several other temperatures, and the time at which the cable performance deteriorates to the end of its life (lifetime) at different temperatures is further measured and calculated. By calculating the ratios of the lifetime at the reference temperature to the lifetime at each aging temperature, the corresponding multiplicative shift factor is obtained. Then, the relationship of the natural logarithm of the multiplicative shift factor versus the inverse absolute temperature T at the above temperature conditions can be drawn under a coordinate system. Since the Arrhenius extrapolation assumption is valid, the prediction of the multiplicative shift factor at a certain temperature can be deduced by linear fitting.
- (3)
- By combining the multiplicative shift factor corresponding to a certain temperature and baseline prediction curve of the aging trend, the predicted behavior of the characteristic property versus the aging time would be available by simply multiplying the times by , based on which the prediction of the aging trend and residual life of the cables would be achieved.
4. Realization Process of Non-Destructive Residual Life Prediction
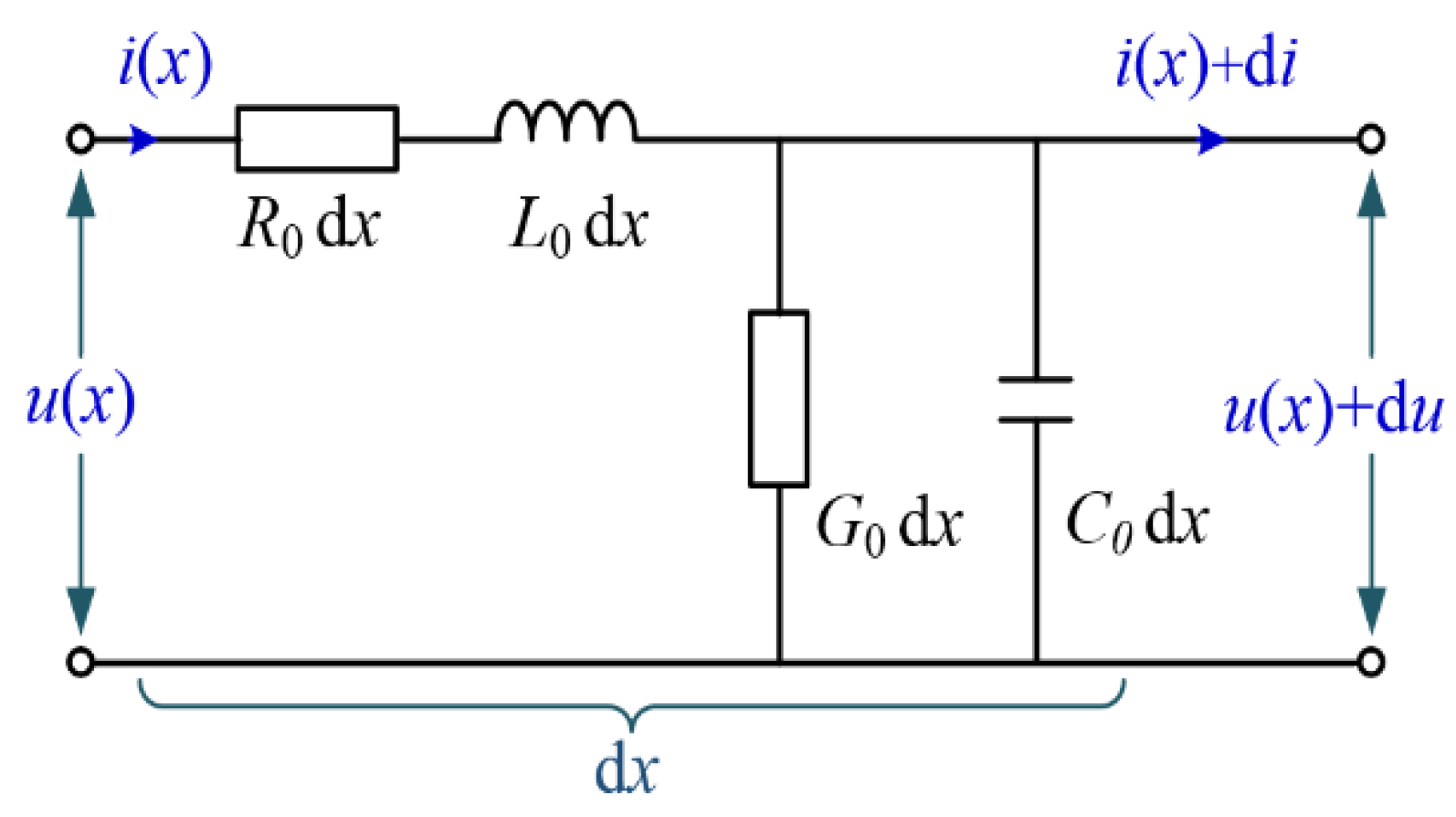
4.1. Input Impedance of Power Cables
4.2. Identifing the Number and Distribution of Local Aging Segments
4.3. Velocity Calculation of Local Aging Cable Segments Based on BIS Measuring
4.4. Non-Destructive Residual Life Prediction
5. Discussion
6. Conclusions
- (1)
- The applicability of the TTSP in the transformation of the changing process of EAB of XLPE at different thermal aging temperatures was verified based on the Arrhenius equation. Thus, the TTSP can be the basis of a prediction methodology for the long-term behavior of XLPE materials based on short-term tests at different temperatures.
- (2)
- The relationship between the EAB of XLPE cables and the aging time at 140 °C was established and well fitted by an equation, which could be used as a reference curve to predict the thermal aging trend and residual life of service-aged XLPE cables.
- (3)
- A calculation method for predicting the aging trend of service-aged cables using the changing process of EAB was proposed, in which the corresponding multiplicative shift factor can be obtained based on the TTSP instead of Arrhenius equation extrapolation. Moreover, the availability of the prediction method was further proved through experiment. The prediction error for the cable’s EAB value was no more than 3.15% and the prediction error for residual life was within 10% in this case.
- (4)
- The realization process of non-destructive residual life prediction combined with BIS measuring on site was described in detail, and the relationship between the wave velocity in the cable and the corresponding EAB value was established.
Author Contributions
Funding
Institutional Review Board Statement
Informed Consent Statement
Data Availability Statement
Conflicts of Interest
References
- Du, B.; Chen, L.; Li, J.; Li, Z. Research status of Polyethylene insulation for high voltage direct current cables. Trans. China Electrotech. Soc. 2019, 34, 179–191. [Google Scholar]
- Wang, H.; Sun, M.; Zhao, K.; Wang, X.; Xu, Q.; Wang, W.; Li, C. High-voltage FDS of thermally aged XLPE cable and its Correlation with physicochemical properties. Polymers 2022, 14, 3519. [Google Scholar] [CrossRef] [PubMed]
- Shan, B.; Li, S.; Yang, X. Key problems faced by defect diagnosis and location technologies for XLPE distribution cables. Trans. China Electrotech. Soc. 2021, 36, 4809–4819. [Google Scholar]
- Zhan, W.; Chu, X.; Shen, Z.; Luo, Z.; Chen, T.; Zhang, X.; Li, H.; Zhou, F.; Yu, Y.; Li, Q. Study on aggregation structure and dielectric strength of XLPE cable insulation in accelerated thermal-oxidative aging. Proc. CSEE 2016, 36, 4770–4777. [Google Scholar]
- Werelius, P.; Tharning, P.; Eriksson, R.; Holmgren, B.; Gafvert, U. Dielectric spectroscopy for diagnosis of water tree deterioration in XLPE cables. IEEE Trans. Dielectr. Electr. Insul. 2001, 8, 27–42. [Google Scholar] [CrossRef]
- Jin, S. The Condition Assessment for 110 kV XLPE Cable’s Insulation in Long Running Processes. Master’s Thesis, South China University of Technology, Guangdong, China, 2016. [Google Scholar]
- Gulmine, J.V.; Akcelrud, L. FTIR characterization of aged XLPE. Polym. Test. 2006, 25, 932–942. [Google Scholar] [CrossRef]
- Miyazaki, Y.; Hirai, N.; Ohki, Y. Effects of heat and gamma-rays on mechanical and dielectric properties of cross-linked polyethylene. IEEE Trans. Dielectr. Electr. Insul. 2020, 27, 1998–2006. [Google Scholar] [CrossRef]
- Crinev, J.P.; Lanteigne, J. Influence of some chemical and mechanical effects on XLPE degradation. IEEE Trans. Electr. Insul. 1984, 19, 220–222. [Google Scholar] [CrossRef]
- Liu, G.; Liu, S.; Jin, S.; Huang, J. Comprehensive Evaluation of Remaining Life of 110kV XLPE Insulated Cable Based on Physical, Chemical and Electrical Properties. Trans. China Electrotech. Soc. 2016, 31, 72–79+107. [Google Scholar]
- IEC 60502-2; Cables for Rated Voltages from 6 kV (Um = 7.2 kV) up to 30 kV (Um = 36 kV). In Proceedings of the International Eletro-Technical Commission (IEC), Geneva, Switzerland, February 2021; Available online: https://webstore.iec.ch/preview/info_iec60502-2%7Bed2.0%7Den_d.pdf (accessed on 28 July 2022).
- Gillen, K.T.; Celina, M.; Bernstein, R. Validation of improved methods for predicting long-term elastomeric seal lifetimes from compression stress–relaxation and oxygen consumption techniques. Polym. Degrad. Stab. 2003, 82, 25–35. [Google Scholar] [CrossRef]
- Gillen, K.T.; Bernstein, R.; Celina, M. Non-arrhenius behavior for oxidative degradation of chlorosulfonated polyethylene materials. Polym. Degrad. Stab. 2005, 87, 335–346. [Google Scholar] [CrossRef]
- Meng, X. Study on Nondestructive Lifetime Prediction Method of EPR Insulation Material in Shipboard Power Cables. Ph.D. Thesis, Dalian University of Technology, Dalian, China, 2017. [Google Scholar]
- Boukezzi, L.; Nedjar, M.; Mokhnache, L. Thermal aging of cross-linked polyethylene. Ann. Chim. Sci. Des. Mater. 2006, 31, 561–569. [Google Scholar] [CrossRef]
- Ma, Y.; Liu, X.; Luo, L.; Luo, W.; Zhang, Y. Time-stress superposition principle of polymers under biaxial tension: Experimental study. Mater. Rep. 2019, 33, 4188–4192. [Google Scholar]
- Wei, Y. Theoretical and Experimental Study on Residual Life Prediction of Shipboard Low-Voltage Cable. Ph.D. Thesis, Dalian Maritime University, Liaoning, China, 2012. [Google Scholar]
- Li, H.; Li, J.; Ma, Y.; Yan, Q.; Ouyang, B. Degradation trend of thermal and mechanical properties of XLPE cable insulation thermal ageing at different temperatures. Insul. Mater. 2018, 51, 57–63. [Google Scholar]
- Zhang, Y. Research on Characteristics of XLPE after DC Electro-Thermal Aging. Master’s Thesis, North China Electric Power University, Beijing, China, 2018. [Google Scholar]
- Liu, M.; Wang, Z.; Wang, N.; Li, G.; Meng, X. Study on ageing state and life evaluation of marine low voltage power cable insulation materials. Insul. Mater. 2017, 50, 48–53+59. [Google Scholar]
- Shan, B.; Li, S.; Cheng, J.; Wang, W.; Li, C. Distinguishing and locating thermal aging segments and concentration defects in XLPE distribution cables. Proc. CSEE 2021, 41, 8231–8240. [Google Scholar]
- Zhou, Z.; Zhang, D.; He, J.; Li, M. Local degradation diagnosis for cable insulation based on broadband impedance spectroscopy. IEEE Trans. Electr. Insul. 2015, 22, 2097–2107. [Google Scholar] [CrossRef]
- Densley, J. Ageing mechanisms and diagnostics for power cables—An overview. IEEE Electr. Insul. Mag. 2001, 17, 14–22. [Google Scholar] [CrossRef]
- Das-Gupta, D.K.; Scarpa, P. Modeling of dielectric relaxation spectra of polymers in the condensed phase. IEEE Electr. Insul. Mag. 1999, 15, 23–32. [Google Scholar] [CrossRef]
- Song, J. Some Key Techniques of Cable Length Measurement Based on Time Domain Reflectometry. Ph.D. Thesis, Harbin Institute of Technology, Harbin, China, 2010. [Google Scholar]
- Shan, B.; Li, S.; Sun, M.; Du, C.; Wang, W.; Li, C.; Meng, X. Study on ageing diagnostic method of XLPE cables based on broadband impedance spectroscopy. Insul. Mater. 2022, 55, 85–91. [Google Scholar]












| Actual Aging Time (d) | EAB (%) | Equivalent Aging Time (d) | Multiplicative Shift Factors Calculated |
|---|---|---|---|
| 6 | 820.1 | 11.24 | 1.873 |
| 12 | 781.5 | 20.14 | 1.678 |
| 18 | 732.9 | 30.40 | 1.689 |
| Actual Aging Time (d) | EAB Prediction Values of the Aged Cable Insulation (%) | Residual Life Prediction Values of the Aged Cable Insulation (d) |
|---|---|---|
| 18 | - | 27.76 |
| 24 | 672.6 | 21.15 |
| 30 | 611.9 | 15.12 |
Publisher’s Note: MDPI stays neutral with regard to jurisdictional claims in published maps and institutional affiliations. |
© 2022 by the authors. Licensee MDPI, Basel, Switzerland. This article is an open access article distributed under the terms and conditions of the Creative Commons Attribution (CC BY) license (https://creativecommons.org/licenses/by/4.0/).
Share and Cite
Shan, B.; Du, C.; Cheng, J.; Wang, W.; Li, C. Residual Life Prediction of XLPE Distribution Cables Based on Time-Temperature Superposition Principle by Non-Destructive BIS Measuring on Site. Polymers 2022, 14, 5478. https://doi.org/10.3390/polym14245478
Shan B, Du C, Cheng J, Wang W, Li C. Residual Life Prediction of XLPE Distribution Cables Based on Time-Temperature Superposition Principle by Non-Destructive BIS Measuring on Site. Polymers. 2022; 14(24):5478. https://doi.org/10.3390/polym14245478
Chicago/Turabian StyleShan, Bingliang, Chengqian Du, Junhua Cheng, Wei Wang, and Chengrong Li. 2022. "Residual Life Prediction of XLPE Distribution Cables Based on Time-Temperature Superposition Principle by Non-Destructive BIS Measuring on Site" Polymers 14, no. 24: 5478. https://doi.org/10.3390/polym14245478
APA StyleShan, B., Du, C., Cheng, J., Wang, W., & Li, C. (2022). Residual Life Prediction of XLPE Distribution Cables Based on Time-Temperature Superposition Principle by Non-Destructive BIS Measuring on Site. Polymers, 14(24), 5478. https://doi.org/10.3390/polym14245478
